Тепловые конденсационные электрические станции
Содержание
Введение
. Выбор типа и мощности турбогенераторов
. Выбор структурной и электрической схем электростанции
2.1 Выбор вариантов структурной схемы
2.2 Выбор трансформаторов
.2.1 Выбор числа и мощности трансформаторов на КЭС
.2.2 Выбор числа и мощности автотрансформаторов связи КЭС
. Выбор электрических схем РУ станции
4. Расчёт токов КЗ
4.1 Расчетные условия короткого замыкания на шинах 110 кВ
4.1.1 Выбор базисных условий
4.1.2 Определение коэффициентов трансформации
трансформаторов и автотрансформаторов для точного приведения
4.1.3 Определение сопротивлений трансформаторов и
автотрансформаторов
4.1.4 Сопротивление генераторов станций и
питающей системы
.1.5 ЭДС источников
.1.6 Составление и преобразование схемы замещения
4.2 Определение токов в нулевой момент времени от
генераторов
4.2.1 Выбор базисных условий
4.2.2 Определение токов в нулевой момент времени
от генераторов
.3 Расчет теплового импульса
5. Выбор электрооборудования и проводников
.1 Выбор изоляторов
.2 Выбор и проверка выключателей и разъединителей
6. Выбор и проверка токоведущих частей
6.1 Выбор и проверка токопроводов на участке
генератор-повышающий трансформатор
6.2 Выбор и проверка токопроводов 110 кВ
.3 Выбор и проверка токопроводов 220 кВ
6.4 Сечения линий связи с энергосистемой
.5 Ошиновки на КРУ 10 кВ
7. Система электрических измерений на
станции
7.1
Выбор измерительных трансформаторов тока
7.2 Выбор измерительных трансформаторов напряжения
Заключение
Список литературы
Введение
Тепловые конденсационные электрические станции (КЭС)
На тепловых электростанциях химическая энергия сжигаемого топлива
преобразуется в котле в энергию водяного пара, приводящего во вращение
турбоагрегат (паровую турбину, соединенную с генератором). Механическая энергия
вращения преобразуется генератором в электрическую. Топливом для электростанций
служат уголь, торф, горючие сланцы, а также газ и мазут. В отечественной
энергетике на долю КЭС приходится до 60% выработки электроэнергии.
Мощность современных КЭС обычно такова, что каждая из них может обеспечить
электроэнергией крупный район страны. Отсюда еще одно название электростанций
этого типа - государственная районная электрическая станция (ГРЭС).
Основными особенностями КЭС являются:
удаленность от потребителей электроэнергии, так как передача электроэнергии
на дальние расстояния к месту потребления более выгодна, чем перевозка
низкосортного топлива;
блочный принцип построения электростанции.
Энергоблок представляет собой как бы отдельную электростанцию со своим
основным и вспомогательным оборудованием и центром управления - блочным щитом.
Связей между соседними энергоблоками по технологическим линиям обычно не
предусматривается. Построение КЭС по блочному принципу дает определенные
технико-экономические преимущества, которые заключаются в следующем:
облегчается применение пара высоких и сверхвысоких параметров вследствие
более простой системы паропроводов, что особенно важно для освоения агрегатов
большой мощности;
упрощается и становится более четкой технологическая схема
электростанции, вследствие чего увеличивается надежность работы и облегчается
эксплуатация;
уменьшается, а в отдельных случаях может вообще отсутствовать резервное
тепломеханическое оборудование;
сокращается объем строительных и монтажных работ;
уменьшаются капитальные затраты на сооружение электростанции;
обеспечивается удобное расширение электростанции, причем новые
энергоблоки при необходимости могут отличаться от предыдущих по своим
параметрам.
Наибольшие энергетические потери на КЭС имеют место в основном
пароводяном контуре, а именно в конденсаторе, где отработавший пар, содержащий
еще большое количество тепла, затраченного при парообразовании, отдает его
циркуляционной воде. Тепло с циркуляционной водой уносится в водоемы, т. е.
теряется. Эти потери в основном определяют КПД электростанции, составляющий
даже для самых современных КЭС не более 40-42%.
Современные КЭС оснащаются в основном энергоблоками 200 - 800 МВт.
Применение крупных агрегатов позволяет обеспечить быстрое наращивание мощностей
электростанций, приемлемые себестоимость электроэнергии и стоимость
установленного киловатта мощности станции.
Наиболее крупные КЭС в настоящее время имеют мощность до 4 млн. кВт.
Предельная мощность КЭС определяется условиями водоснабжения и влиянием
выбросов станции на окружающую среду.
Современные КЭС весьма активно воздействуют на окружающую среду: на
атмосферу, гидросферу и литосферу. Влияние на атмосферу сказывается в большом
потреблении кислорода воздуха для горения топлива и в выбросе значительного
количества продуктов сгорания. Наименьшее загрязнение атмосферы (для станций
одинаковой мощности) отмечается при сжигании газа и наибольшее - при сжигании
твердого топлива с низкой теплотворной способностью и высокой зольностью.
Необходимо учесть также большие уносы тепла в атмосферу, а также
электромагнитные поля, создаваемые электрическими установками высокого и
сверхвысокого напряжения.
КЭС загрязняет гидросферу большими массами теплой воды, сбрасываемыми из
конденсаторов турбин, а также промышленными стоками, хотя они проходят
тщательную очистку.
Для литосферы влияние КЭС сказывается не только в том, что для работы
станции извлекаются большие массы топлива, отчуждаются и застраиваются
земельные угодья, но и в том, что требуется много места для захоронения больших
масс золы и шлаков (при сжигании твердого топлива).
Влияние КЭС на окружающую среду чрезвычайно велико. Например, о масштабах
теплового загрязнения воды и воздуха можно судить по тому, что около 60% тепла,
которое получается в котле при сгорании всей массы топлива, теряется за пределами
станции. Учитывая размеры производства электроэнергии на КЭС, объемы сжигаемого
топлива, можно предположить, что они в состоянии влиять на климат больших
районов страны.
турбогенератор электростанция автотрансформатор станция
1. Выбор типа и мощности турбогенераторов
Выбираем генераторы типов ТВФ 110-2УЗ, ТВ-125 на основе исходных данных,
параметры генератора приведены в таблице 1.
Таблица 1 - Паспортные данные турбогенераторов
|
Тип
|
Pн, МВт
|
Sн, МВ×А
|
Uн, кВ
|
Cosj
|
КПД
|
Xd’’,
о.е.
|
Xd’, о.е.
|
|
ТВФ - 110 - 2У3
|
110
|
137.5
|
10.5
|
0,8
|
98,7
|
0,271
|
0,271
|
|
ТВ-125
|
125
|
156
|
10.5
|
0.8
|
98,7
|
0,271
|
0,271
|
Генераторы серии ТФ - X - 2:
Т - турбогенератор;
Ф - форсированное охлаждение обмотки ротора; - мощность, МВт;
- число полюсов ротора;
2. Выбор структурной и электрической схем электростанции
.1 Выбор вариантов структурной схемы
Для выдачи потока энергии, вырабатываемой на проектируемой
электростанции, необходима электрическая сеть. Естественно, что схема выдачи
мощности электростанции зависит от напряжения и схемы электрической сети
существующей энергосистемы, в которой будет работать проектируемая
электростанция. Если проектируется мощная электростанция, то она в свою очередь
существенно влияет на дальнейшее развитие сети энергосистемы.
Схема выдачи мощности определяет распределение генераторов между РУ
разных напряжений, трансформаторную и автотрансформаторную связь между РУ,
способ соединения генераторов с блочными трансформаторами, точки подключения
пускорезервных и резервных трансформаторов собственных нужд.
КЭС имеет два генератора мощностью 125МВт и два 110 МВт. Для выдачи такой
мощности в сеть применяется блочное включение генераторов.
Исходя из исходных данных: величин напряжения и мощности к рассмотрению
принимаем два варианта структурных схем:
) 1-й вариант: три блока общей мощностью 345 МВт подключим к ОРУ-110 кВ,
один блок мощностью 125 МВт к ОРУ-220 кВ.
) 2-й вариант: схема с блочными трансформаторами, подключенными к ОРУ-110
кВ.
Все варианты структурных схем приведены на рисунках 1,2,3 ниже.
Расчет мощности на собственные нужды электростанции:
,
где
n = 5% - ориентировочная мощность собственных нужд;
-
мощность генератора;
Рисунок 2.1- Вариант структурной схемы №1
Мощность собственных нужд, питаемых от генератора 110 МВт
МВА;
Мощность
собственных нужд, питаемых от генератора 125 МВт
МВА;
Суммарная
мощность собственных нужд
МВА;
Принята КЭС на газомазутном топливе.
Расчет распределения мощности по обмоткам трансформаторов связи в
нормальном режиме.
Нормальный режим:

МВА
Аварийный
режим - отключение одного блока 125 МВт (G4), подключенного к РУ 110 кВ:
Переток
осуществляется от РУВН к РУСН.
)
Режим минимальных нагрузок - уменьшение нагрузок на 75%: МВА
)
2-й вариант: схема с блочными автотрансформаторами, подключенными к ОРУ-110 кВ.
Рисунок 2.2. - Вариант структурной схемы №2
Расчет мощности на собственные нужды электростанции:
Мощности перетоков для различных режимов:
Аварийный режим - отключение одного блока 125МВт (G4), подключенного к РУ
110 кВ:
Переток осуществляется от РУCН к РУВН.
) Режим минимальных нагрузок - уменьшение нагрузок на 75%:
=266 МВА
Обоснование
выбора структурной схемы.
В варианте №1 количество активной мощности вырабатываемой генераторами не
достаточно для питания нагрузок на 110 и 10 кВт, т.е станция в нормальном
режиме потребляет активную мощность из системы, т.е автотрансформатор связи
трансформирует из РУВН в РУСН а следовательно не целесообразно устанавливать
генератор мощностью 125МВт на шины системы,. Схема №2 позволяет сэкономить два
автотрансформатора связи,количечество активной мощности достаточно для того
чтобы обеспечить активной мощностью нагрузки на 110 и 10 кВт даже в аварийном
режиме, так же схема не имеет сложности конструкции,поэтому для дальнейших
расчетов принимаем схему №2
2.2 Выбор трансформаторов
.2.1 Выбор числа и мощности трансформаторов на КЭС
Мощность блочных трансформаторов выбирается из условия выдачи агрегатами
всей располагаемой мощности. Мощность турбогенераторов и блочных повышающих
трансформаторов согласованы. Так для турбогенератора 125 МВт, мощность блочного
трансформатора составляет 200 МВА.
Исходя из этого, выбираем трансформаторы типа ТДЦ 200000/110 два
трансформатора. Параметры трансформаторов приведены в таблице 2.1.
Таблица 2.1 - параметры трансформатора ТДЦ 200000/110
|
    
|
|
|
|
|
|
|
200
|
121
|
13.8
|
10.5
|
550
|
0,5
|
.2.2 Выбор числа и мощности автотрансформаторов связи КЭС
Выбор автотрансформатора связи производим по перетокам мощности, так как
перетоки были подсчитаны в пункте 2.1 результаты расчетов сводим в таблицу 2.2.
Таблица 2.2 - Расчет перетоков мощности
|
Режим максимальных нагрузок
|
Режим минимальных нагрузок
|
Аварийный режим
|
|
S = 166.7 МВА
|
S = 266 МВА
|
S = 10.5МВА
|
Из таблицы видно, что перетоки максимальные в режиме минимальных
нагрузок.
Мощность автотрансформатора выбираем по максимальному перетоку мощности:
-
коэффициент перегрузки АТ.
- коэффициент выгодности.
Выбираем трехфазный автотрансформатор АТДЦТН -
125000/220. Параметры данного
автотрансформатора приведены в таблице 2.3
Таблица
2.3 - параметры автотрансформаторов АТДЦТН - 125000/220
|
   
|
|
|
|
|
|
|
|
|
 
|
|
|
|
200
|
230
|
121
|
10.5
|
32
|
11
|
20
|
Проверяем на перегрузочные способности автотрансформатор
Автотрансформатор проходит проверку.
Автотрансформаторы работают в автотрансформаторном режиме. В обоих
случаях, что при протекании из ВН-СН, СН-ВН в общей обмотки протекает разность
токов, а поэтому общая и последовательная обмотка загружена типовой мощностью,
что допустимо.
3. Выбор электрических схем РУ станции
Выбор схемы на 220 кВ.
В РУ ВН используются схемы многоугольников. По сравнению с одиночной и
двойной системами шин эти схемы позволяет сэкономить одни выключатель, т.е.
ячейку РУ с выключателем и всем прочим оборудованием.
При четырех цепях - четырехугольник или квадрат
Рисунок 3.1. Схема четырехугольника
В схемах многоугольников ремонт выключателей обычно проводится в период
летнего снижения нагрузки потребителей.
Схема многоугольника обладает наибольшей устойчивостью в аварийных
ситуациях типа «отказ». Отказ любого присоединения или элемента данной схемы
отключается двумя выключателями (в том числе и отказ любого выключателя схемы
или любого ее присоединения). Данное свойство схемы особенно ценно с точки
зрения ликвидации цепочечных аварий, которые будут локализоваться всего одним
дополнительным выключателем. Из известных схем данным свойством обладает лишь
схема многоугольника.
Схемы многоугольников уместны в тех случайно, когда расширение РУ не
предусматривается, например гидроэлектростанции, или мало вероятно, в силу
того, что расширение связанно со значительными трудозатратами.
Достоинства кольцевых схем:
·
высокая
надежность электроснабжения. Отключение всех присоединений маловероятно;
·
использование
разъединителей только для ремонтных работ. Количество операций разъединителями
в таких схемах невелико.
Недостатки кольцевых схем:
·
более сложный
выбор трансформаторов тока, выключателей, разъединителей, устанавливаемых в
кольце, так как в зависимости от режима работы схемы ток, протекающий по
аппаратам, меняется.
·
релейная защита
должна выбираться в этих схемах с учетом возможных режимов при выводе в ревизию
выключателей кольца.
Область применения: схемы многоугольников уместны в тех случайно, когда
расширение РУ не предусматривается, например гидроэлектростанции, или мало
вероятно, в силу того, что расширение связанно со значительными трудозатратами.
Выбор схемы на 110 кВ.
Для РУ 110 - 220 кВ с большим числом
присоединений применяется схема с двумя рабочими и обходной системами шин с
одним выключателем. Такое распределение присоединений увеличивает надежность схемы. При КЗ на шинах
отключаются шиносоединительный выключатель QK и только половина присоединений. Если повреждение на шинах
устойчивое, отключившиеся присоединения переводят на исправную систему шин.
Перерыв электроснабжения половины присоединений определяется длительностью
переключений.
Вывод в ремонт выключателя присоединения в этой схеме производится
аналогично, как и в схеме с одной рабочей и обходной
системами шин.
Достоинства схемы:
- малое количество выключателей (один на одно присоединение);
·
достаточно
высокая надежность схемы;
·
относительно
малое время перерыва электроснабжения при авариях на одной из систем шин.
Недостатки схемы:
·
повреждение
шиносоединительного выключателя QК
равносильно короткому замыканию на обеих системах шин;
·
усложняется
эксплуатация РУ, так как при выводе в ревизию и ремонт выключателей требуется
большое число операций разъединителями;
·
увеличены затраты
на сооружение ОРУ в связи с установкой шиносоединительного, обходного
выключателей и большого количества разъединителей.
Область применения: рассмотренная схема рекомендуется для РУ 110 - 220
кВ на стороне ВН и СН подстанций при числе присоединений 7-15, а также на
электростанциях при числе присоединений 11 и более.
Рисунок 3.1
Для дальнейшего проектирования на РУ 220 кВ принимаем
схему четырехугольника, а на РУ 110 кВ схему с двумя
рабочими и обходной системами шин.
4. Расчёт токов КЗ
В данном курсовом проекте расчет токов КЗ выполнен для двух точек:
· КЗ на шинах РУ 110 кВ
· КЗ на шинах генератора 1
· 10,5 кВ
За расчетный вид короткого замыкания принято трехфазное короткое
замыкание. По результатам расчета токов короткого замыкания будет произведена
проверка проводников и аппаратов по условиям термической и динамической
стойкости. Расчет токов короткого замыкания будет производиться методом
эквивалентных ЭДС.
4.1 Расчетные условия короткого замыкания на шинах 110 кВ
4.1.1 Выбор базисных условий
Базисный ток:
где 
базисная мощность;

базисное напряжение;
.1.2 Определение коэффициентов трансформации трансформаторов и
автотрансформаторов для точного приведения
Напряжение обмотки трансформатора со стороны приводимого
элемента;
4.1.3 Определение сопротивлений трансформаторов и
автотрансформаторов
Сопротивление трансформаторов 1 и 2:
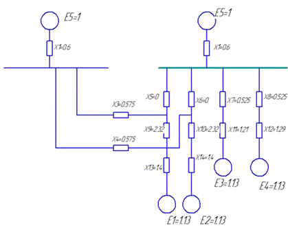
4.1.4 Сопротивление генераторов станций и питающей системы
где 
сверхпереходная реактивность
Сопротивление генераторов 1, 2, 3 и 4:
Сопротивление системы:
.1.5 ЭДС источников
Генераторы 1, 2, 3 и 4:

=
Система:
.1.6 Составление и преобразование схемы замещения
Рисунок 4.1 - Схема замещения
Преобразование схемы замещения
Рисунок 4.2
Итоговая схема замещения
4.2 Определение токов в нулевой момент времени от генераторов
Общий ток короткого замыкания:

+
+
+
+
)
На системе бесконечной мощности
меньше двух, короткое замыкание на них считается удаленным и
поэтому ток короткого замыкания во времени практически не изменяется, т.е. 
.
Σ
=
Σ
= 50.9 кА
Определяем апериодическую составляющую тока короткого замыкания:
,
где

, 
кА.
.2.1 Выбор базисных условий
Базисный ток:
где 
базисная мощность;

базисное напряжение;
Параметры схемы те же, что и в пункте 4.1:
Рисунок 4.3 - Схема замещения
Рисунок 4.4
Рисунок 4.5 - Итоговая схема замещения
4.2.2 Определение токов в нулевой момент времени от
генераторов
Определение токов короткого замыкания для выбора аппаратов и проводников.
Таким образом, расчетный ток кз является ток кз, который течет со стороны
генератора.
Расчетное время отключения выключателя

Начальное действующее значение периодической составляющей тока КЗ
Значение
периодической составляющей тока КЗ в момент времени
Значение
апериодической составляющей тока КЗ в момент времени
, где, 
кА.
Ударный ток КЗ
= - для генератора, Ку = 1.983
=
- для системы, Ку = 1.85
=
- для нагрузки, Ку = 1
Σ
= 139.8 кА
Таблица 4.1 - Результаты расчёта токов КЗ
|
Точка КЗ
|
Источник
|
|
|
|
|
|
К1-на
генераторе,
|
G1,G2,G3,
Система
|
51.2
|
51.3
|
139.8
|
39.14
|
|
К2-на шинах, 110 кВ
|
Суммарное значение
|
20.4
|
20.4
|
50.9
|
16.78
|
Расчет токов КЗ в программе «EnergyTKZ».
Рисунок 4.6 - Расчеты в программе
Программа не учитывает нагрузок
Таблица 4.2 - Результаты расчета токов КЗ в программе «EnergyTKZ»
|
Точка КЗ
|
К1
|
К2
|
|
Uном, КВ
|
10
|
110
|
|
|
120
|
20
|
|
|
308
|
52
|
4.3 Расчет теплового импульса
Расчет будет проводиться по следующей формуле
где
- расчетная продолжительность КЗ;
-
постоянная времени затухания апериодической составляющей тока короткого
замыкании.
где
- время действия основной релейной защиты данной
цепи, с;
- полное
время отключения выключателя, указано в каталожных данных, с.
Таким
образом, при КЗ на шинах 110 кВ принимаем
с,
с, тогда
При
КЗ на шинах генератора 10,5 кВ принимаем
с,
с, тогда
5. Выбор электрооборудования и проводников
.1 Выбор изоляторов
Выбор подвесных изоляторы на 110 и 220 кВ.
В ОРУ для крепления гибких проводов применяются подвесные изоляторы.
Подвесные изоляторы выбирают:
- по номинальному напряжению: Uуст ≤ Uном.
К установке принимается подвесные полимерные изоляторы типа ЛК-70/110-АIV и ЛК-70/220-АIV. На механическую
прочность подвесные изоляторы не проверяются, так как расстояния между фазами
принимаются большими и при выборе полимерных изоляторов механические нагрузки
уже учтены.
Выбор и проверка проходных изоляторов на 10 кВ.
Проходные изоляторы выбирают:
- по номинальному напряжению Uуст ≤ Uном;
по номинальному току Iном≥Iмакс.
Проверяют:
на механическую нагрузку.
Максимальный ток
на
генератор 110МВт
на
генератор 125МВт
Принимаем
проходной изоляторы типа ИП-10/10000-42.5УХЛ2
Основные
данные изолятора приведены в таблице 17.
Таблица
5.1 - Расчетные и каталожные данные
|
Расчетные данные
|
Каталожные данные
токопровода ИП-10/10000-42.5УХЛ2
|
Условия выбора
|
|
Uуст=10кВ
|
Uном=10кВ
|
Uуст £ Uном
|
|
Imax=8440.1А
|
Iном=10000 А
|
Imax £ Iном
|
|
Fрасч=1954.44
Н
|
Fдоп=2500
Н
|
Fрасч £ Fдоп
|
Расчет на механическую нагрузку.
Допустимая нагрузка на изолятор
Fдоп=0,6Fразр=0,6∙42.5=25.2 кН, (30)
где Fразр - разрушающая нагрузка на изгиб, Н.
Расчетная сила, действующая на изолятор
-
условие выполняется.
Выбор опорных изоляторов
Опорные изоляторы предназначены для изоляции и крепления жестких. Таким
образом, необходимо выбрать опорные изоляторы на напряжение 10 кВ. Опорные
изоляторы выбираются по следующим условиям:
· по
номинальному напряжению
· по
допустимой нагрузке
Выбираем опорный изолятор ОСК 8-10-А01-1 УХЛ1
- высота
опорного изолятора
5.2 Выбор и проверка выключателей и разъединителей
Выбор и проверка выключателей осуществляется по следующим параметрам,
приведенные в таблице 8.
Таблица 5.2 - Выбор и проверка выключателей
|
Выбор выключателей:
|
|
1) по напряжению;
|
Uном³Uс.ном;
|
|
2) по длительному току;
|
Iном ³Iнорм.расч, КпIном ³Iутж;
|
|
Проверка выключателей:
|
|
3) на симметричный ток
отключения;
|
Iотк.ном.³Iпt;
|
|
4) на отключение
апериодической составляющей тока к.з.;
|
iа.ном.³iаt;
|
5)
отключающая способность по полному току, где bн % − нормированное значение содержания
апериодической составляющей в отключенном токе ;
³
|
³
|
|
|
6) по включающей
способности;
|
Iвкл³Iпо, iвкл ³iу;
|
|
7) на электродинамическую
стойкость;
|
Iпр.скв³Iпо, iпр.скв ³iу;
|
|
8) на термическую
стойкость.
|
если tтерм³ tоткл, то Iтерм2×tоткл³Bк,
если tтерм≤ tоткл, то Iтерм2×tтерм³Bк.
|
Выбор и проверка разъединителей осуществляется по следующим параметрам,
приведенные в таблице 9.
Таблица 5.3 - Выбор и проверка разъединителей
|
Выбор разъединителей:
|
|
1) по напряжению установки;
|
Uном³Uс.ном;
|
|
2) по длительному току;
|
Iном ³Iнорм.расч, КпIном ³Iутж;
|
|
Проверка разъединителей:
|
|
3) на электродинамическую
стойкость;
|
Iпр.скв ³iу;
|
|
4) на термическую
стойкость.
|
если tтерм³ tоткл, то Iтерм2×tоткл³Bк,
если tтерм≤ tоткл, то Iтерм2×tтерм³Bк.
|
Выбор выключателей и разъединителей в цепях автотрансформаторов на
стороне 220 кВ
Выбираем
элегазовый выключатель серии ВГТЗ - 220 - 40\2500 и разъединитель РГП-220/1000
Таблица
5.4 - Выбор выключателей и разъединителей в цепи автотрансформатора на стороне
220 кВ
|
Расчётные данные
|
Параметры выбранных
аппаратов
|
|
Выключатель
|
Разъединитель
|
|
ВГТЗ - 220 -
40\2500
|
РНДЗ - 220\1000
|
|
 
|
|
|
|
 
|
|
|
|
 
|
|
|
Выбор выключателей и разъединителей в цепях автотрансформаторов на
стороне 110 кВ
Выбираем
элегазовый выключатель серии ВВБК - 110 - 50\3150 и разъединитель РГП -
110\2000
Таблица
5.5 - Выбор и проверка выключателей и разъединителей в цепи автотрансформатора
на стороне 110 кВ
Выбор выключателей и разъединителей в цепях генераторов 125 Мвт
Нормальный расчетный ток
где
- номинальная мощность генератора, МВА;
-
номинальное напряжение генератора, кВ.
Ток
утяжеленного режима определим при работе генератора на пониженном напряжении
Выбираем
выключатель типа МГУ-20-90/9500 и разъединитель типа РВПЗ-20/12500 данные по их
выбору и проверке сведены в таблицу 5.6.
Таблица 5.6 - выбор и проверка выключателя и разъединителя для генератора
P=125МВт
|
Расчётные данные
|
Каталожные данные
|
|
Выключатель
|
Разъединитель
|
|
HECS-25.3-130/18000
|
РВК-20/18000-УЗ
|
|
 
|
|
|
|
 
|
|
|
|
 -
|
|
|
|
 -
|
|
|
|
 
|
|
|
|
 
|
|
|
Выбор генераторных выключателей и разъединителей на напряжение 10.5в
цепях генератора Р=110Мвт.
Нормальный расчетный ток
(28)
где
- номинальная мощность генератора, МВА;
-
номинальное напряжение генератора кВ.
Ток
утяжеленного режима
Выбираем
выключатель типа МГГ-90-900 и разъединитель типа РВПЗ-20/12500 данные по их
выбору сведены в таблицу 5.7.
Таблица
5.7 - Выбор выключателя и разъединителя для генератора
|
Расчётные данные
|
Каталожные данные
|
|
Выключатель
|
Разъединитель
|
|
МГГ-90-900
|
РВПЗ-20/12500
|
|
 
|
|
|
|
 
|
|
|
|
 
|
|
|
Выбор выключателей и разъединителей отходящих от линии ОРУ-110 кВ
где
- номинальная мощность нагрузки, МВА;
-
номинальное высокое напряжение, кВ..
Выбираем
выключатель типа ВБУ110-31.5/1000 и разъединитель типа РНД-110/630данные
по их выбору сведены в таблицу 5.8.
Таблица
5.8. Выбор выключателей и разъединителей отходящих от линии ОРУ-110 кВ
|
Расчётные данные
|
Каталожные данные
|
|
Выключатель
|
Разъединитель
|
|
ВБУ110-31.5/1000
|
РНД-110/630
|
|
 
|
|
|
|
 
|
|
|
Выбор выключателей и разъединителей в цепях генератор 125 МВт - РУ 10 кВ
РУ напряжением 10 кВ предназначено для организации питания местных
потребителей. Такое РУ исполняется комплектным и комплектуется необходимым
электрооборудованием.
Выбираем
ячейку КРУ PIX - H - 10. Данная ячейка укомплектована: вакуумным
выключателем серии HVX - 10, разъединителем UTX - 10,
трансформаторами тока и напряжения MTX - 10.
Таблица
5.9 - Выбор выключателей и разъединителей в цепях генератор 125 МВт - РУ 10 кВ
|
Расчётные данные
|
Параметры выбранных
аппаратов
|
|
Выключатель
|
Разъединитель
|
|
HVX - 10 -
50\5000
|
UTX - 10\5000
|
|
 
|
|
|
|
 
|
|
|
|
 
|
|
|
Выбор выключателей и разъединителей в цепях отходящих линий нагрузок 10
кВ
где
- номинальная мощность нагрузки, МВА;
-
номинальное высокое напряжение, кВ..
Выбираем
выключатель типа ВБЭ10-20/1000 и разъединитель типа РНД-10/1000данные
по их выбору сведены в таблицу 5.10.
Таблица
5.10. Выбор выключателей и разъединителей отходящих от линии ОРУ-10 кВ
|
Расчётные данные
|
Каталожные данные
|
|
Выключатель
|
Разъединитель
|
|
HVX - 10/1000
|
UTX - 10/1000
|
|
 
|
|
|
|
 
|
|
|
Выбор выключателей и разъединителей отходящих от линии системы ОРУ-220 кВ
где
- номинальная мощность отдаваемая в систему, МВА;
-
номинальное высокое напряжение системы, кВ..
Выбираем
выключатель типа ВЭК 220-40/2000 и разъединитель типа РНД-220/1000
данные по их выбору сведены в таблицу 5.11.
Таблица
5.11. Выбор выключателя и разъединителя для ОРУ-220 кВ
|
Расчётные данные
|
Каталожные данные
|
|
Выключатель
|
Разъединитель
|
|
ВЭК 220-40/2000
|
РНД-220/1000
|
|
 
|
|
|
|
 
|
|
|
6. Выбор и проверка токоведущих частей
6.1 Выбор и проверка токопроводов на участке генератор-повышающий
трансформатор
Для соединения турбогенератора ТВФ-110-2УЗ с повышающим трансформатором,
примем пофазно-экранированный токопровод марки ТЭНЕ-20ТЕКН-П-24
[21] с параметрами, приведенные в таблице 28.
Таблица 6.1
|
Параметры
|
ТЕКН-20-20000-560
|
|
Ном. напряжение
токопровода, кВ
|
20
|
|
Номинальный ток
токопровода, А
|
8000
|
|
Электродинамическя
стойкость, кА
|
300
|
|
Токоведущая шина d×S, 678
|
|
|
Тип опорного изолятора
|
ОФР-24-750 кр
|
|
Шаг между изоляторами, мм
|
3000
|
|
Тип применяемого ТН
|
ЗНОЛ.06.24
|
|
Тип применямого ТТ
|
ТШВ-24-30000/5
|
|
Длина монтажной секции, м
|
6,5
|
Выбор и проверка выбранного токопровода приведена в таблице 6.2.
Таблица 6.2 - Расчетные и каталожные данные
|
Расчетные данные
|
Каталожные данные
токопровода ТЭНЕ-20
|
Условия выбора
|
|
Uуст=10 кВ
|
Uном=20 кВ
|
Uуст £ Uном
|
|
Iутяж=7958 А
|
Iном=8000 А
|
Iутяж £ Iном
|
|
iу=139 кА
|
iдин=560
кА
|
iу £ iдин
|
Отпайка к трансформатору собственных нужд выполняется тем же комплектным
пофазно-экранированным токопроводом.
Для соединения турбогенератора ТФ-125 с повышающим трансформатором,
примем пофазно-экранированный токопровод марки ТЭНЕ-20ТЕКН-П-24
[21] с параметрами, приведенные в таблице 28.
Таблица
6.3
|
Параметры
|
ТЕКН-20-20000-560
|
|
Ном. напряжение
токопровода, кВ
|
20
|
|
Номинальный ток
токопровода, А
|
10000
|
|
Электродинамическя
стойкость, кА
|
300
|
|
Токоведущая шина d×S, 678
|
|
|
Тип опорного изолятора
|
ОФР-24-750 кр
|
|
Шаг между изоляторами, мм
|
3000
|
|
Тип применяемого ТН
|
ЗНОЛ.06.24
|
|
Тип применямого ТТ
|
ТШВ-24-30000/5
|
|
Длина монтажной секции, м
|
6,5
|
Выбор и проверка выбранного токопровода приведена в таблице 6.4.
Таблица 6.4 - Расчетные и каталожные данные
|
Расчетные данные
|
Каталожные данные
токопровода ТЭНЕ-20
|
Условия выбора
|
|
Uуст=10 кВ
|
Uном=20 кВ
|
Uуст £ Uном
|
|
Iутяж=9043 А
|
Iном=10000 А
|
Iутяж £ Iном
|
|
iу=139 кА
|
iдин=560
кА
|
iу £ iдин
|
ТЭКНЕ - 20 - 10000 - 560 комплектуется следующим оборудованием:
· трансформатор напряжения типа ЗНОЛ-10;
· встроенный трансформатор тока типа ТШ-20-10000/5;
· тип опорного изолятора ОСК 8-10-А01-1 УХЛ1.
Отпайка к трансформатору собственных нужд выполняется тем же комплектным
пофазно-экранированным токопроводом.
.2 Выбор и проверка токопроводов 110 кВ
В РУ 35 кВ и выше вся ошиновка выполняется проводами АС.
Принимаем сечение по допустимому току при максимальной нагрузке на
шинах,равной току наиболее мощного присоединения блока
генератор-трансформатор.Блочный трансформатор не может быть нагружен мощностью
большей чем мощность генератора поэтому Iнорм= Imax
Ток нормального режима в шинах
Принимаем
сталеаллюминиевый провод марки АС-400/51, Iдоп=825 А, d=26.6
Проверка
провода по допустимому току
>
Проверка
на термическое воздействие не производится, так как шины выполнены голыми
проводами на открытом воздухе.
Проверка проводов на эсхлестывание не производится т.к Iпо > 20кА
Проверка по условию короны не производится т.к согласно ПУЭ минимальное
сечение для воздушных линий 110 кВ минимальное сечение 70 мм2
Токоведущие части от выводов трансформатора 110 кВ до сборных шин
выполняется гибкими токопроводами.
Их сечение выбирается по экономической плотности тока.
Номинальный ток токопровода
Сечение
токопровода
(45)
где
- экономическая плотность тока
Принимаем
2 сталеаллюминиевых провода марки АС- 300/48,
Iдоп=690 А,d=24.4мм
Число
токоведущих частей
принимаем 3
Проверка
по допустимому току
>
Проверка на термическое действие токов КЗ не производим, т.к. применены
голые провода на открытом воздухе.
Проверка по условию короны
Начальная критическая напржённость, при максимальном значении которой
возникает коронный разряд:
Напряжённость
электрического поля вокруг расщеплённых проводов:
линейное
напряжение [кВ]
среднегеометрическое
расстояние между проводами фаз, см
Условие
проверки по короне:
<
.3 Выбор и проверка токопроводов 220 кВ
В РУ 35 кВ и выше вся ошиновка выполняется проводами АС.
Сечение сборных шин выбираются по допустимому току при максимальной
нагрузке на шинах
Ток утяжеленного режима в шинах
Принимаем
2 сталеаллюминиевых провода марки АС- 240/32,
Iдоп=605А,D=21.6 r0=1.7
Проверка
провода по допустимому току
>
Проверка по условию короны:
Начальная критическая напржённость, при максимальном значении которой
возникает коронный разряд:
Напряжённость
электрического поля вокруг расщеплённых проводов:
линейное
напряжение [кВ]
среднегеометрическое
расстояние между проводами фаз, см
Условие
проверки по короне:
<
Токоведущие части от выводов автотрансформатора 220 кВ до сборных шин
выполняется гибкими токопроводами.
Их сечение выбирается по экономической плотности тока.
Номинальный ток токопровода

Принимаем
2 сталеаллюминиевых провода марки АС- 240/32,
Iдоп=1210 А.
Проверка
по допустимому току
>
.4 Сечения линий связи с энергосистемой
В практике проектирования принято, чтобы при работе всех отходящих от
станции линий, а также при отключении любой из них должна обеспечиваться выдача
всей располагаемой электростанцией мощности при нормальном уровне устойчивости
системы и надлежащем качестве электроэнергии у потребителей. Для определения
количества и сечения линий связи необходимо определить активную мощность,
передаваемую по ним в систему с учетом дальности передачи и экономически
целесообразных величин передаваемых мощностей:

=239 МВТ

=266 МВА
=
=2.3,
где
Рл- пропускная способность линии, при Lo=70 км.
-
максимальная мощность отдаваемая в систему.
Так
как требования к проектированию КЭС, не разрешают проектировать связь с
системой одноцепными линиями, принимаем
.
Ток
нормального режима в линии
Минимальное сечение, исключающее коронирование для РУ 220 кВ 2
сталеаллюминиевых провода марки АС-240/39. Исходя из этого принимаем 2
сталеаллюминиевых провода марки АС- 330/27, Iдоп=730
А.
Проверка провода по допустимому току
>
.5 Ошиновки на КРУ 10 кВ
Сборные шины и ошиновка выполняются жесткими голыми алюминиевыми шинами
прямоугольного или коробчатого сечения, укрепленными на опорных изоляторах.
Выбор
сборных шин по допустимому току производится путем определения максимального
тока Imax проходящего через шины при наиболее неблагоприятных
эксплуатационных режимах, и сравнения его с допустимым током Iдоп.
Чтобы температура проводника не превышала допустимого значения, наибольший
рабочий ток присоединения не должен превышать допустимого значения, т.е.
, где Iдоп -
допустимый ток выбранного сечения шин с учетом расположения шин на изоляторах и
действительной температуры окружающей среды, А;
Imax - максимальный ток, проходящий
через шины, А.
Выбираем
алюминиевые шины коробчатого сечения
.
Выбор кабелей на нагрузку на КРУ 10 кВ
Кабели выбирают:
по напряжению установки
по конструкции
по экономической плотности тока
по допустимому току
Выбираем ток по нагрузке на одно присоединение на КРУ P=12 МВт
Выбираем 2 кабеля на одну фазу. марки АПвВ, 10 кВ, одножильный.
Определяем экономическое сечение, мм2:
По условиям монтажа принимаем два кабеля по 400 мм 2, Iдоп,ном=830А. Поправочный коэффициент на
температуру воздуха по табл. [1] = 0,93, тогда длительно допустимый ток на два
кабеля:
что
меньше
Выбор и проверка ЛЭП 110 кВ
Для питания местной нагрузки от шин 110 кВ выбираем сталеалюминиевые
провода. Принимаем сечение по допустимому току,равной току наиболее мощного
присоединения на нагрузке.
Принимаем
сталеаллюминиевый провод марки АС-125/191, Iдоп=450 А,
Проверка
провода по допустимому току
>
Проверка на термическое воздействие не производится, так как шины
выполнены голыми проводами на открытом воздухе.
Проверка проводов на эсхлестывание не производится т.к Iпо > 20кА
Проверка по условию короны не производится т.к согласно ПУЭ минимальное
сечение для воздушных линий 110 кВ минимальное сечение 70 мм2
7. Система электрических измерений на станции
7.1 Выбор
измерительных трансформаторов тока
Трансформаторы тока предназначены для уменьшения первичного тока до
значений удобных для измерения, а так же для отделения цепей измерения и
автоматики от первичных цепей высокого напряжения.
Выбор трансформаторов тока производится по следующим условиям:
· По
номинальному напряжению
;
· По
номинальному току
;
· По
конструкции и классу точности.
Проверка осуществляется:
· По
электродинамической стойкости
;
· По
термической стойкости
;
· По вторичной
нагрузке
;
Для проверки трансформаторов по вторичной нагрузке необходимо составить
перечень подключаемых приборов в зависимости от цепи. Перечеь приборов представлен
в таблице 7.1.
Таблица 7.1 - Перечень приборов
|
Цепь
|
Приборы
|
Тип
|
Нагрузка по фазам, ВА
|
|
|
|
А
|
В
|
С
|
|
Генераторы Статор
|
Амперметр
|
Э - 378
|
0,1
|
0,1
|
0,1
|
|
Ваттметр
|
Д - 305
|
0,5
|
-
|
0,5
|
|
Варметр
|
Д - 305
|
0,5
|
-
|
0,5
|
|
Счетчик активной энергии
|
ЦЭ6805В
|
1
|
1
|
-
|
|
Датчик активной мощности
|
E - 748
|
1
|
-
|
1
|
|
Датчик реактивной мощности
|
E - 849 - М1
|
0,2
|
-
|
0,2
|
|
Регистрирующий ваттметр
|
Н - 394
|
10
|
-
|
10
|
|
Регистрирующий амперметр
|
Н - 348
|
-
|
10
|
-
|
|
Итого:
|
|
13,3
|
11,1
|
11,4
|
|
Генераторы Ротор
|
Амперметр
|
Э - 378
|
0,1
|
0,1
|
0,1
|
|
Регистрирующий амперметр
|
Н - 348
|
-
|
10
|
-
|
|
Итого:
|
|
0,1
|
10,1
|
0,1
|
|
Автотрансформаторы
|
Амперметр
|
Э - 378
|
0,1
|
0,1
|
0,1
|
|
Ваттметр
|
Д - 305
|
0,5
|
-
|
0,5
|
|
Варметр
|
Д - 305
|
0,5
|
-
|
0,5
|
|
Итого:
|
|
1,1
|
0,1
|
1,1
|
|
Блочные трансформаторы
|
ВН: Амперметр
|
Э - 378
|
0,1
|
0,1
|
0,1
|
|
Линии 10 кВ
|
Амперметр
|
Э - 378
|
0,1
|
0,1
|
0,1
|
|
Счетчик активной энергии
|
ЦЭ6805В
|
1
|
1
|
-
|
|
Счетчик реактивной энергии
|
ЦЭ6811
|
0,3
|
-
|
0,3
|
|
Итого:
|
|
1,4
|
1,1
|
0,4
|
Комплектный пофазно-экранированный провод ТЭКНЕ - 20 - 10000 - 300
комплектуется трансформатором тока ТШ-20-10000/5. Параметры выбранного
трансформатора тока приведены в таблице 7.2.
Таблица 7.2 - Параметры трансформатора тока ТШ-20-10000/5
|
Тип трансформатора
|
  Класс
точности
|
|
|
|
|
|
|
ТШ-20-10000/5
|
20
|
10000
|
5
|
0,5
|
1,2
|
300
|
Для проверки выбранного трансформатора тока по вторичной нагрузке
необходимо составить перечень приборов, подключаемых к данному трансформатору.
Перечень приборов представлен в таблице.
Проверка
на электродинамическую стойкость
Проверка на термическую стойкость
Проверка
трансформатора тока по вторичной нагрузке:
Определение
расчетной вторичной нагрузки
;
Определение
сопротивления приборов
где
- суммарная мощность всех приборов.
Для
соединения приборов с трансформатором тока принимаю кабель АКВРГ с жилами 4 мм2
,
Где
- удельное сопротивление алюминиевого провода;
l = 40 -
расчетная длина соединительных проводов, м.
Так
как индуктивное сопротивление токовых цепей невелико, тогда
Выбор измерительных трансформаторов тока на шинах 110 кВ
Выбирается
трансформатор ТГФ - 110 - 1500\5
Таблица
7.3 - Параметры трансформатора тока ТГФ - 110 - 1500\5
|
Расчётные данные
|
Каталожные данные
|
|

|
|
|

|
|
|

|
|
|

|
|
|
Z2=r2=0.915
|
Z2ном=2.4
|
Трансформатор тока ТГФ - 110 - 1500\5прошёл по всем
критериям
Выбор всех трансформаторов тока приведен в таблице 7.4.
Таблица 7.4 - Трансформаторы тока
|
Цепь
|
Тип трансформатора
|
  
|
|
|
|
|
Генераторы
|
ТШ-20-10000/5
|
20
|
10000
|
5
|
1,2
|
|
Автотрансформаторы
|
ТРГ - 220\1000
|
220
|
1200
|
5
|
1,2
|
|
Линии 10 кВ
|
Встроенный в КРУ
|
10
|
5000
|
5
|
1,2
|
|
Линии 110 кВ
|
ТРГ - 110\1500
|
110
|
1500
|
5
|
2,4
|
|
Линии 220 кВ
|
ТРГ - 220\1000
|
220
|
1200
|
5
|
1,2
|
|
Шиносоединительный
выключатель
|
ТРГ - 110\1500
|
110
|
1500
|
5
|
2,4
|
|
Секционный выключатель
|
ТРГ - 110\1500
|
110
|
1500
|
5
|
2,4
|
|
Обходной выключатель
|
ТРГ - 110\1500
|
110
|
1500
|
5
|
2,4
|
|
Сборные шины 110 кВ
|
ТРГ - 110\1500
|
110
|
1500
|
5
|
2,4
|
|
Сборные шины 220 кВ
|
ТРГ - 220\1000
|
220
|
1200
|
5
|
1,2
|
|
Блочные трансформаторы
|
ТРГ - 110\1500
|
110
|
1500
|
5
|
2,4
|
7.2
Выбор измерительных трансформаторов напряжения
В комплектном экранированном токопроводе ТЭНЕ-20ТЕКН-П-24
установлены трансформаторы напряжения ЗНОМ- 20,
соединенных в звезду.
Таблица 7.5. Проверка трансформатора
напряжения:
|
Расчётные данные
|
Каталожные данные
|
|

|
|
|

|
|
Вторичная нагрузка
Трансформаторы напряжения ЗНОМ 20 прошли
по всем критериям.
Выбор трансформатора напряжения на
напряжение 220 кВ.
Исходные данные: Uном=220 кВ.
Выбираем трансформатор напряжения
НАМИ-220-58 У1
Выбор трансформатора напряжения на
напряжение 110 кВ.
Исходные данные: Uном=110 кВ.
Выбираем трансформатор напряжения
НКВА-110-83 У1
Выбор трансформатора напряжения на
напряжение 10 кВ.
Исходные данные: Uном=10кВ.
Выбираем трансформатор напряжения
ЗНОЛ.10-10У
Заключение
В данном курсовом проекте была спроектирована конденсационная
электростанция. Спроектированная станция предназначена для выдачи мощности в
энергосистему (на напряжении 220 кВ) и обеспечение электроэнергией промышленных
потребителей (на напряжении 110 кВ).
Для спроектированной КЭС было выбрано основное электротехническое
оборудование:
. два турбогенератора типа ТВФ - 110 - 2У3 с Рном=110
Мвт; два турбогенератора типа ТФ - 125 с Рном=125 Мвт
. два трансформатора типа ТЦ - 200000/110; два автотрансформатора связи
типа АТДЦТН - 125000/220.
. Число и тип сопутствующего необходимого энергетического оборудования
Распределительные устройства 110 и 220 кВ - открытые (ОРУ).
В качестве схемы ОРУ 220 кВ была принята схема четырехугольникас
выключателями типа ВГТЗ-220- 40/2500, от ОРУ отходят две воздушных линий (ВЛ) 220 кВ
питающие систему
В качестве схемы ОРУ 110 кВ была принята схема с двумя рабочими и
обходной системой шин с выключателями типа ВВК - 110 - 20/1000, от ОРУ отходят
4 ВЛ 75 кВ
Комплектное распределительные устройства 10 кВ питающее местных
потребителей.
Список литературы
1. Неклепаев Б.Н., Крючков И.П. Электрическая часть
электростанций и подстанций: Справочные материалы для курсового и дипломного
проектирования. М.: Энергоатомиздат, 1989.
. Околович М.Н. Проектирование электрических станций: Учебник
для вузов. М.: Энергоиздат, 1982.
. Электрическая часть станций и подстанций /Под ред. А.А.
Васильева. Учебник для вузов. - М.: Энергоатомиздат, 1990.
. Неклепаев Б.Н. Электрическая часть электростанций и
подстанций: Учебник для вузов. - М.: Энергоатомиздат, 1986.
. Правила устройства электроустановок. /Минэнерго РФ. М.:
Энергоатомиздат, 2003.
. Рожкова ЛД. Козулин В.С. Электрооборудование станций и
подстанций. - М: Энергоатомиздат, 2008.
. Балаков Ю.Н., Мисриханов М.Ш., Шунтов А.В. Проектирование
схем электрических установок: Учебное пособие для вузов - 2-е издание, стереот.
- М.: Издательский дом МЭИ, 2006.