Схемотехника телекоммуникационных устройств
КУРСОВАЯ РАБОТА
Схемотехника телекоммуникационных
устройств
Вариант 20
Содержание
Введение
. Основные параметры и характеристики
. Выбор режима работы транзистора
. Расчет малосигнальных параметров
. Определение параметров схемы замещения
. Расчет основных параметров каскада
. Оценка нелинейных искажений
. Выбор резисторов и конденсаторов
Список литературы
Введение
В настоящее время в построении электронных устройств существует множество
подходов. Одна из основных задач при проектировании - использование по
максимуму типовых интегральных микросхем и функциональных элементов. Устройства
промышленной электроники, автоматики, телемеханики и связи, относятся в
основном к цифровым устройствам. Увеличенная производительность и надёжность
этих устройств обусловлены развитием автоматизированных управляющих систем,
базирующихся на проектировании цифровых устройств.
Цель курсовой работы состоит в закреплении знаний, получении опыта
расчета основных характеристик, разработки усилительных каскадов, в развитии
навыков информационного поиска, пользования справочной литературой, а также
получении разностороннего представления об электронных элементах.
В ходе ее выполнения необходимо для заданного типа транзистора выписать
паспортные параметры и статические характеристики, в соответствии со схемой
включения и величинами элементов схемы усилительного каскада выбрать положение
режима покоя, для которого рассчитать величины элементов эквивалентных схем
транзистора и малосигнальные параметры транзистора, графо-аналитическим методом
определить параметры усилительного каскада.
1.
Основные параметры и характеристики
|
Тип транзистора
|
КТ301
|
|
Напряжение источника
питания,Eп
|
9 В
|
|
Сопротивление коллекторной
цепи, Rк
|
1,3 кОм
|
|
Сопротивление нагрузки, Rн
|
1,8 кОм
|
КТ301 - кремниевый
транзистор, n-p-n)
Рисунок 1 - цоколевка и обозначение транзистора
|
Прибор
|
Предельные параметры
|
Параметры при T = 25°C
|
RТ п-с, °C/Вт
|
|
|
|
при T = 25°C
|
|
|
|
|
|
|
|
|
|
|
|
|
IК, max мА
|
IК и. max мА
|
UКЭ0 max, В
|
UКБ0 max, В
|
UЭБ0 max, В
|
PК max, мВт
|
T, °C
|
Tп max, °C
|
Tmax, °C
|
h21Э
|
UКБ, В
|
IЭ, мА
|
UКЭ нас, В
|
IКБ0, мкА
|
fгр, МГц
|
CК, пФ
|
CЭ, пФ
|
tрас, мкс
|
|
|
КТ301
|
10
|
20
|
20
|
20
|
3
|
150
|
60
|
120
|
85
|
20...60
|
10
|
3
|
3
|
10
|
20
|
10
|
80
|
|
600
|
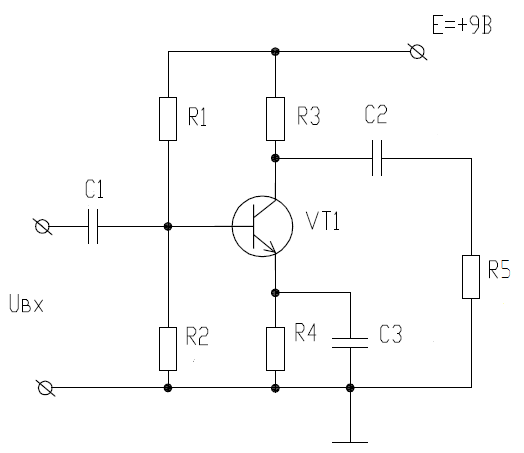
Схема включения транзистора приведена в приложении 1.
Делителем напряжения в цепи базы R1R2, а также сопротивлением RЭ задается
режим работы транзистора по постоянному току. Сопротивление R1R2 должно быть
достаточно низким, чтобы возможные изменения тока базы (например, при смене
транзистора или изменении окружающей температуры) не приводили к существенному
изменению напряжения на базе транзистора. Больший ток делителя, обеспечивает
более стабильную работу по постоянному току, но уменьшает входное сопротивление
каскада, что влечет за собой увеличенное потребление тока.
Усиленный сигнал uВЫХ с резистора RК через конденсатор Ср подается в
нагрузку. Конденсатор СК исключает влияние нагрузки на режим работы транзистора
по постоянному току. Емкость СК выбирают такой, чтобы его сопротивление в
полосе пропускания усилителя было пренебрежимо мало по сравнению с
сопротивлением нагрузки.
. Выбор
режима работы транзистора
Для описания транзистора используют входные и выходные характеристики
(рисунок 2). Входная характеристика - зависимость входного тока от входного
напряжения при постоянном выходном напряжении. Выходной статической
характеристикой называется зависимость выходного тока от напряжения между
выходными электродами транзистора при постоянном входном токе.
Построим на выходных характеристиках нагрузочную прямую:

)
при Iк = 0 Uкэ = Eп = 9 В
)
при Uкэ = 0
Принимаем Rэ = 270
Ом.
Рисунок
2 - Характеристики транзистора КТ301
При
выборе рабочей точки транзистора руководствуются следующими соображениями:
ток
коллектора ни при каких условиях не должен превышать максимально допустимое
значение IКmax (рисунок 2);
напряжение
коллектор-эмиттер не должно превышать максимально допустимое значение UКЭmax;
мощность,
рассеиваемая на коллекторе транзистора, не должна превышать максимально
допустимое значение РКmax;
рабочая
точка транзистора не должна находиться в режиме отсечки. На выходных
характеристиках границей активного режима и режима отсечки является выходная
характеристика транзистора при IБ = 0;
рабочая
точка транзистора не должна находиться в режиме насыщения.
Границу
активного режима и режима насыщения можно построить, соединив линией точки на
выходных характеристиках транзистора, в которых UБЭ = UКЭ или UКБ = 0.
При
заданном напряжении питания Е и сопротивлении RК параметры рабочей точки IКрт и
UКЭрт взаимосвязаны.
э
+ UКЭ + URк = E
где
URэ - напряжение на резисторе RЭ
э
= IЭRЭ ≈ IКRЭ
к
- напряжение на резисторе RК
к
= IКRК.КЭ = E - URэ - URк= E - IЭ RЭ - IК RК ≈ E - IК(RК + RЭ).
Величины
резисторов R1, R2 определим из следующих соотношений:
э
= IэRэ ≈ IкRэ =
UR2 = Uбэо+
URэ = 0,6+0,81 = 1,41 B
Ток
делителя IД ток делителя выбираем из следующего условия:
д
= (3...10)Iбо = 10∙75∙10-6 = 0,75 мА
Принимаем
R1 = 10 кОм, R2 = 2,0 кОм.
. Расчет
малосигнальных параметров
По семейству входных и выходных характеристик графическим методом
определяем h-параметры транзистора (h11, h12, h21, h22).
транзистор малосигнальный каскад конденсатор
Рисунок
3 - Определение h-параметров по характеристикам
h11э - входное
сопротивление, измеренное при коротком замыкании по переменному току на выходе
транзистора.
21э
- коэффициент передачи по току, измеряемый при коротком замыкании на выходе
транзистора
22э
- выходная проводимость, измеряемая при холостом ходе на входе:
Коэффициент
обратной связи по напряжению h12Э по приводимым в справочниках статическим
характеристикам определить невозможно. У маломощных транзисторов коэффициент
обратной связи по напряжению h12Э = (1÷10) 10-4.
. Определение
параметров схемы замещения
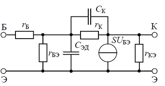
Для расчета физических величин воспользуемся схемой замещения транзистора
представленной на рисунке 4.
Рисунок 4 - схема замещения биполярного транзистора
Емкость коллекторного перехода при напряжении UКБ = UКБ рт
UКБпас = 10 В,
СКпас = 10 пФ
кб
= 9 - 3
- (3+0,075)
= 3,72 В
По
рассчитанным вторичным параметрам можно определить первичные по следующим
соотношениям:
;
;
Сопротивление
коллекторного перехода можно рассчитать, подставляя значения вычисленных ранее
вторичных параметров:
.
Сопротивление
эмиттерного перехода:
.
Сопротивление
цепи базы:
.
Выходное
сопротивление транзистора:
Сопротивление
эмиттерного перехода для базового тока:
Диффузионная
ёмкость эмиттерного перехода
Крутизна
транзистора:
. Расчет
основных параметров каскада
Сопротивление нагрузки по переменному току для биполярного транзистора
рассчитывается по формуле:

)
;
)
- точка РТ
Нагрузочная
прямая по переменному току приведена на рисунке 4 (прямая АВ).

Рисунок 4 - Построение нагрузочной прямой по переменному току
Коэффициент усиления по напряжению:
,
Коэффициент усиления по току:
Коэффициент
усиления по мощности определим по формуле:

Входное
сопротивление каскада
Выходное
сопротивление каскада
. Оценка
нелинейных искажений
Для оценки нелинейных искажений воспользуйтесь методом пяти ординат,
который называют также методом Клина. Метод пяти ординат позволяет приближенно
найти амплитуды первых четырех гармоник выходного колебания каскада и
соответствующие коэффициенты гармоник.
Для расчета необходимо на сквозной характеристике получить пять
равноудаленных по оси напряжений точек A, B, РТ, C и D, ординаты которых iA,
iB, IКрт, iC, iD, используются при расчете коэффициентов гармоник.
Для построения сквозной характеристики воспользуемся рисунками 3,4.
Таблица 1 - Точки для построения сквозной характеристики Iк(Uбэ).
|
Uбэ, В
|
0,3
|
0,45
|
0,55
|
0,62
|
0,65
|
0,67
|
|
Iк, мА
|
0,1
|
1
|
2
|
3
|
4
|
4,8
|
Рисунок 5 - Сквозная характеристика транзистора
. Выбор
резисторов и конденсаторов
Номиналы резисторов выбраны в ходе расчетов, поэтому определим их
требуемую мощность.
Мощность, рассеиваемая резистором в цепи коллектора:
Мощность,
рассеиваемая резистором в цепи эмиттера:
Мощность,
рассеиваемая резистором в цепи базы:
Таким
образом, резисторы можно включить в схему усилителя с номинальной мощностью
рассеивания 0,125 Вт.
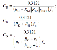
Емкости
конденсаторов СБ,СК,СЭ, рассчитанные по ниже приведенным формулам, следует
увеличить на 20 % и взять ближайшее большее значение по ряду Е6.
Для
расчетов принимаем нижнюю граничную частоту полосы пропускания каскада fн = 50
Гц, а сопротивление источника RС = 60 Ом.
Принимаем
СБ = 10 мкФ, СК = 2,2 мкФ, СЭ = 100 мкФ.
Конденсаторы
выбираем на рабочее напряжение до 50 В.
Список
литературы
1. Схемотехника
телекоммуникационных устройств: методические указания к курсовой работе / В.А.
Матвиенко. - Екатеринбург: УрТИСИ ФГОБУ ВПО «СибГУТИ», 2012. - 33 с.
2. Аналоговая
и цифровая электроника: Учебник для вузов / Ю.Ф. Опадчий, О.П. Глудкин, А.И.
Гуров; под ред. О.П. Глудкина - М.: Горячая Линия - Телеком, 2000. - 768 с.
. Павлов
В.Н. Схемотехника аналоговых электронных устройств: Учебник для вузов. - 2-е
изд., исправ. / В.Н. Павлов, В.Н. Ногин. -М. : Горячая линия-Телеком, 2001. -
320 с.
. Полупроводниковые
приборы. Транзисторы: Справочник / Под ред. Н.Н. Горюнова. - М.:
Энергоатомиздат, 1985. - 904 с.
. Аксенов
А.И. Элементы схем бытовой радиоаппаратуры. Конденсаторы. Резисторы :
Справочник / А.И. Аксенов, А.В. Нефедов. - М. : Радио и связь, 1995. - 272 с.
Приложение