Паросиловой цикл Ренкин
Содержание
1.
Введение
.1
Схема паросилового цикла Ренкина с перегревом пара
.2
Термодинамические процессы
.
Задание на проектирование
.1
Данные для расчета
.2
Агрегатное состояние рабочего тела
.
Расчет параметров состояния рабочего тела в характерных точках цикла
.
Расчет потерь энергии (работоспособности) рабочего тела в процессах цикла
(элементах установки)
.
Эксергетический анализ исследуемого цикла
.
Вывод
Список
литературы
1.
Введение
Ренкина цикл, идеальный термодинамический цикл
(Круговой процесс), в котором совершается превращение теплоты в работу (или
работы в теплоту); принимается в качестве теоретической основы для
приближённого расчёта реальных циклов, осуществляемых в паросиловых установках
(энергетическая установка, обычно состоящая из паровых котлов (парогенераторов)
и паровых двигателей (паровых машин или паровых турбин) для пароходов,
паровозов, паровых автомобилей или электрических генераторов (тепловых и
атомных электростанций).Назван по имени У. Дж. Ранкина, одного из создателей технической
термодинамики.
Известно, что большая часть мировых
энергетических ресурсов направляется на выработку электроэнергии и работу
транспорта, где бесчисленное количество тепловых преобразователей энергии,
превращают их в полезную работу. Эффективность преобразователей энергии, к
которым относятся двигатели внутреннего сгорания, газотурбинные, паротурбинные
и другие энергетические установки, способна снизить не только экономические, но
и экологические проблемы, что заставляет постоянно совершенствовать их
конструкцию.
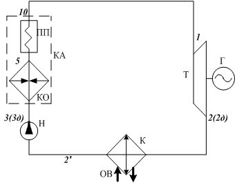
1.1 Схема паросилового цикла Ренкина
с перегревом пара
Цикл Ренкина с перегревом пара
является основным циклом паросиловых установок, применяемой в современной
теплоэнергетике. В качестве рабочего тела используется водяной пар. Перегретый
пар с параметрами состояния точки 1(
) поступает в турбину Т, в которой
,расширяясь, производит полезную работу. Полученная механическая работа турбины
преобразуется генератором Г в электрическую энергию. Обработанный пар с
параметрами состояния точки 2 или
подается в конденсатор К, в котором
конденсируется до состояния жидкости отдавая теплоту
охлаждающей
воде ОВ.
КА - котлоагретат (котел КО и
пароперегреватель ПП);
Т - турбина;
Г - электрогенератор;
К - конденсатор;
ОВ - охлаждающая вода;
Н - насос.
паросиловой цикл ренкин энергия
Из конденсатора жидкость (вода), с
параметрами точки
поступает в
насос Н, который повышает ее давление и попадает в котлоагрегат КА с
параметрами состояния точки 3 и
За счет теплоты сгорания в топке
котла топлива (угля, мазута или газа) к жидкости подводиться теплота
и жидкость
нагревается до состояния насыщения (точка 4) и кипит, превращаясь в пар(точка
5)в котле КО .Насыщенный водяной пар поступает в пароперегреватель ПП, где
нагревается выше температуры насыщения при заданном давлении(точка
) и
направляется по паропроводу в турбину.
1.2 Термодинамические процессы
T-S
диаграмма холодильного цикла
Термодинамический цикл этого теплового
двигателя производится меду двумя изобарами - изобарой отвода тепла в
конденсаторе (2’-2-2д)и и изобарой подвода тепла в котлоагрегате (3-3д-4-5-
) как
показано на рис. 2.
2. Задание на проектирование
Произвести расчет эффективности работы цикла
Ренкина, рассчитать параметры состояния рабочего тела в различных точках цикла,
определить потери энергии и работоспособности в реальных процессах рабочего
тела и в элементах оборудования, а также всей установки в целом.
.1 Данные для расчета
D=12 т/ч; P10=10
МПа; t10=550°C;
ηка=91%;
ηтoi=87%;
ηнoi=86%;ηпп=99%;ηм=99%;ηr
=98%;
P2=0,004
МПа
.2 Агрегатное состояние рабочего
тела
Точка 1 - перегретый пар
Точка 1
-сухой
перегретый пар
Точка 2 - влажный пар
Точка
- жидкость (вода)
Точка
- сухой насыщенный пар
Точка 2д - влажный пар
Точка 3 - насыщенная жидкость
Точка
- нагретая жидкость
Точка 4 - кипящая вода
Точка 5 - сухой насыщенный пар
3. Расчет значений основных
параметров состояния в характерных точках цикла
Точка 1
P1=10,МПа
1=
[(t
-t
)/(i
-i
)]*(i
-i
)+t
1=[(550-500)/(3500-3374)*(3466,34-3374)]=536,6,
0С1=S
=6,715, кДж/кг×К
1=[(V2
-V
)/(i
-i
)]*(i
-i
)+V
1=
[(0.003561-0.03277)/(3500-3374)]*(3466.34-3374)+0.03277=0.03485, м3/кг
1=[(S
-S)/(i
-i
)]*(i
-i
)+S
1=[(6.757-6.598)/(3500-3374)]*(3466.34-3374)+6.598=6.715,
кДж/кг×К
Точка 2
P2=0,004,МПа
t2 получаем из
таблицы 1(Приложение 3),при заданном давлении
t2 =28,98,
0С
S2=S1=6,715,
кДж/кг×К
V2=V
*x
+V
* (1-x
)
V2= 34, 80
*078+121,4 * (1-0,78)=53,85, м3/кг
x
= = (S
-S
)/(S
- S
)=
(6,715-0,4224)/(8,475-0,4224)=0,782=i
*x
+ i
/ (1-x
)
2 = 2554
*0,78+121,4(1-0,78)= 2018,8 кДж/кг
Точка 2
P2д=0,004,МПа
i2д=h
т
(i1-i2)+i1
2д=-0,87×(3466,34-2018,8)+3466,34=2206,98,
кДж/кг2д=t
=28.98 0С
V2д=[(V
2 -V
)х
]+V
V2д=(34,80-0,001004)0,86+0,001004=29,928×10-3,
м3/кг
2д=(S
)x
+S
= (i2д -i
)/( i
- i
)=(2206,98-121,4)/(2554-121,4)=0,86
Точка 2
Параметры состояния рабочего тела в
точках 2
, 2
находятся из
таблиц насыщенного водяного пара (таблица 1 приложения) :
P
=0,004,МПа
t
=28,98,0С
V2
=0,001004, м3/кг
i
=121,4,кДж/кг
S
=0,4224,
кДж/кг
Точка 2
t
=28.98, 0С
P
=0.004, МПа
V
=34.80×10-3,
м3/кг
i
=2554,
кДж/кг
S
=8.475,
кДж/кг×К
Точка 3
Параметры состояния жидкости после
сжатия в насосе(точки 3 и 3
) определяются по таблицам для воды
и перегретого водяного пара (таблица 2 приложения):
По известному давлению P3=10,МПа
3=
[(i
-i1)/(S
-S1)]*(S
-S1)
+ i1
3=[(1763-93,2)/(0,5682-0,2942)]*(0,4224-0,2942)+93,2=132,08,
кДж/кг
3=
[(t
-t1)/(S
-S1)]*(S
-S1)
+ t1
=[(40-20)/(0,5682-0,2942)]*(0,4224-0,2942)+20=
29,36 , 0С
3=[(V
-V1)/(i
- i1)]*(i
- i1)+V1×10-3,
м3/кг
V
=
[(0,001034-0,0009972)/(176,3-93,2)]*(132,08-93,2)+0,0009972= 0,0010001, м3/кг
S3=
S
= 0, 4224, кДж/кг×К
Точка 3
P3
=10, МПа3
=i
+ [(i3-i
)/η
]
3
= 121
,4+[(132,8-121,4)/0,86]=133,82, кДж/кг
3
= [(t
-t1)/
(i
-i1)]*(i
-i1)+t1

= [(40-20)/ (176,3-93,2)]*(133,82-
93,2)+20= 29,78 , 0С
3
=[(V
-V1)/
(i
- i1)]*(i
- i1)+V1

=
[(0,001034-0,0009972)/(176,3-93,2)]*(133,82-93,2)+0,0009972= 0,0010001, м3/кг
3
= [(S
-S1)/
(i
- i1)]*(i
- i1)
+S1
3
=
[(00,56-0,2942)/ (176,3-93,2)]*(133,82-93,2) +0,2942= 0,4281, кДж/кг× К
Точка 4
Параметры состояния точек 4 и
5 определяют по значению давления или температуры насыщения в них, (таблица
1 приложения)
t4=584, 15, 0С
P4=10, МПа
V4=0, 001453,
м3/кг
i4=1409,
кДж/кг
S4=3.362,
кДж/кг×К
Точка 5
t5=584,15, 0С
P5=10, МПа
V5=0,01800 м3/кг
i5=2724,
кДж/кг
S5=5.614,
кДж/кг×К
Точка 10
Параметры перегретого пара в точке
10 определяются по тем же таблицам, по известным температуре и давлению :
t10=550, 0С
P6=10, МПа
V10=0,03561, м3/кг
S10=6,757,
кДж/кг×К
i10=3500,
кДж/кг
4. Расчет потерь энергии
(работоспособности) рабочего тела в процессах цикла(элементах установки)
Теплота, подводимая в котёл:
q
=(i10-i3
)=3500-133082=3366,18
кДж/кг.
Теплота, отданная в конденсаторе:
q
=i
-i
=2206.98-121.4=2085.58.кДж/кг.
Полезная внешняя работа теплового
двигателя:
l
=q
- q
=3366.18-2085.58=1280.6
кДж/кг.
Количество выделяющейся теплоты:
q= q
/ η
=3366.18/
0,91= 3699,099, кДж/кг
Эффективное КПД двигателя :
η
= l
/ q = 1280,6/
3699,099 = 0,346
Эффективное абсолютное КПД
двигателя:
η
= l
/ q
= 1280,6 /
3366,18 = 0,380
Внутреннее относительное КПД
комплекса "турбина- насос":
η
= l
/ l
= 0,89
Полезная работа теоретического цикла
:
Термический КПД теоретического цикла
:
η
= l
/ q
= 1436.14/
3366.18= 0.4266
Эффективный КПД может быть
представлен в виде :
η
= η
*η
*η
*η
*η
*η
=
0,91*0,99*0,98*0,99*0,43*0,89*=0,335
Теплота, теряемая в котлоагрегате :
Δq
= q- q
= 3699,099-
3366,18 =332,92, кДж/кг
Теплота ,теряемая в паропроводе:
qпппот=[(i
-i
)= 3500-3466,34= 33,66,кДж/кг.
Теплота, превращенная в
электроэнергию:
l
= q* η
=
3699,099*0,335=1239,198, кДж/кг
Работа действительного цикла:
l
= (i
-i
)-( i3
-i
)=(3466,34-2206,98)-(133,82-121,4)=1246,94,
кДж/кг
Эффективная работа:
l
= l
* η
= 1246,94 *
0,99= 1234,47, кДж/кг
Потери механические в турбине:
Δl
= l
- l
= 1246,94-1234,47=
12,47, кДж/кг
Δl
= l
*(1- η
)= 1234,47
*(1-0,98)= 24,69, кДж/кг
Уравнение теплового баланса
паротурбинной установки:
q = l
+ q
+ Δl
+ Δl
+ Δq
+ qпппот
3699,099=
1239,198+2085,58+12,47+24,69+332,92+33,66
Диаграмма распределения потоков
теплоты :
5. Эксергетический анализ
исследуемого цикла
При анализе цикла Ренкина
принимается, что P0=10 МПа
T0=293 K
Эксергия потока тепла
е
= q (1-
)=
3699,099(1-
)= 3010,95,
кДж/кг
Работоспособность системы:
е
= (i3
-i
)-T
( S3
- S0) = (133,82-93,2)-293(0,4281-0,2942)=
1,387, кДж/кг
е
=(i
- i
)-T
(
S10- S
)
= (3500-93,2)-293(6,757-0,2942)= 1513,2, кДж/кг
Потери работоспособности в
котлоагрегате:
Δl
= е
- е
+ е
= 1,387-1513,2+3010,95=
1499,137, кДж/кг
Потери работоспособности в
паропроводе:
Δl
= е
е
=[ (i
- i
)-T
( S10- S
)] -[(i
- i
)-T
( S1- S
)]= [1513,2]-[(3466,34-93,2)-293(6,715-0,2942)]=21,354,
кДж/кг
Потери работоспособности в турбине :
Δl
= (е
-е
) -l
Эксергия отработавшего пара из
турбины:
е
= (i
- i
)- T
(
S2д-
S
)=(2206,98-93,2)-293(7,348-0,2942)=47,017,
кДж/кг
Δl
= (1491,846-47,017)-1234,47=210,359,
кДж/кг
Потери эксергии в конденсаторе:
Δl
= е
- е
= е
- [(i
- i
)- T
(
S2
-
S
)]= 47,017-[(121,4-93,2)-293(0,4224-0,2942)]=47,017+9,363=56,38,
кДж/кг
Потери работоспособности в насосе :
Δl
= (е
- е
)- l
= [е
-[(i
- i
)- T
(S
- S
)]]- l
Действительная работа насоса:
l
= (i3
-i
)=
133,82-121,4=12,42
Δl
=
[-9,363-((133,82-93,2)-293(0,4224-0,2942))]+ 12,42=1,6, кДж/кг
Уравнение эксергетического баланса:
е
= l
+ Δl
+
Δl
+ Δl
+ Δl
+ Δl
,95=
1239,138+1499,137+21,354+210,359+56,3796+1,67, кДж/кг
Удельный расход пара :
d = 1/ l
= 1/1234,47
= 0,00081кг/кДж
Удельный расход теплоты :
q = (BQ
)/N, В=
=
Количество электроэнергии
,вырабатываемой электрогенератором в течении 1 часа:
N= l
*D =
1234,47*3,3= 4114,9, кДж/с
Удельный расход теплоты:
q = (BQ
)/N =
(0,161*23000)/4114,9 = 0,8999, кДж
Мощность установки действительного
цикла:
N
=l
*D
=1239,198*3,3= 4089,35 ,кВт
Диаграмма потоков эксергии :
6. Вывод
В ходе расчёта курсовой работы был
произведен анализ эффективности работы паросилового цикла Ренкина, были
рассчитаны параметры состояния рабочего тела в различных точках цикла,
определены потери энергии и работоспособности в реальных процессах рабочего
тела и в элементах оборудования цикла, а также установки в целом. На основании
полученных данных были построены Т-s и i-s диаграммы
паросилового цикла Ренкина, а также энергетическая и эксергетическая диаграммы.
По рассчитанной полезной работе (l
=1280.6кДж/кг) и заданному расходу
пара(D=12, т/ч) были
определены мощность паросиловой установки(N=4089.4кВт)
и удельный расход пара на единицу мощности(d=0.00081кг/кДж).
Исходя из эффективности работы реального паросилового цикла оценивается
эффективное КПД установки(ηе=0,335).
паросиловой цикл ренкин
энергия
Список литературы
1.
Мазур Л.С. Техническая термодинамика и теплотехника: Учебник.-М.: ГЭОТАР - МЕД,
2003.-352с.
.
Расчет циклов тепловых и холодильных машин. Методические указания к курсовому
проекту по дисциплине "Техническая термодинамика и теплотехника" для
студентов специальностей 240401, 240301,240403, 240502" очной и заочной
формы обучения:-Кемерово.2007.