Расчет оснований и фундаментов при реконструкции здания
1.Конструктивная характеристика здания с указанием величин
предельно-допустимых деформаций основания
фундамент строительный нагрузка
Здание, подлежащее реконструкции - колбасный цех - расположено по
ул.Сенная,8 в с.Заселье, Жовтневый район, Николаевская область. Здание -
двухэтажное без подвала Обследуемое здание - постройки 70-х годов прошлого
века, одноэтажное, без подвала, с продольными несущими стенами в осях 10-14 и
поперечными несущими стенами в осях Г-М. Здание - сложной конфигурации в плане,
габаритные размеры - 37,78х22,24м (в осях). Высота этажа - 4,0м.
Фундаменты - ленточные монолитные ж/б шириной b=0,5м. Глубина заложения фундамента d=1,05м.
Стены наружные выше отм. 0,000 - из обыкновенного глиняного кирпича
толщиной 510мм (550 с отделкой) и 250мм (270мм с отделкой).
Стены внутренние - из обыкновенного глиняного кирпича толщиной толщиной 510мм
(550 с отделкой) и 380мм (450мм с отделкой).
Покрытие - сборные железобетонные многопустотные плиты толщиной 220мм.
- Кровля - из асбестоцементных волнистых листов по деревянной
стропильной системе.
Техническое состояние строительных конструкций обследуемого здания -
удовлетворительное и обеспечивают возможность капитального ремонта, пристройки
дополнительных помещений и надстройки 2 этажа с последующим использованием его
по функциональному назначению «колбасный цех».
Проектом реконструкции предусматривается:
- замена существующее покрытие;
пристройка дополнительные помещения;
устройство нового монолитного железобетонного перекрытия по металлическим
балкам;
надстройка второго этаж из газобетонных блоков, γ=600
кг/м³,
с монолитными
железобетонными поясами с монтажом металлических колонн составного сечения и
монолитных железобетонных;
- устройство покрытия из профнастила по металлическим прогонам.
Утеплитель - минераловатные плиты, типа Rockwool, γ=125
кг/м³, толщиной 150мм.
После реконструкции колбасный цех представляет собой двухэтажное здание с
неполным каркасом, с продольными несущими стенами. При реконструкции колбасного
цеха приняты следующие конструктивные решения:
Фундаменты - ленточные и столбчатые, монолитные, железобетонные.
Наружные стены 1го этажа выполнены из кирпича; 2го этажа - из газобетонных
блоков, γ=600
кг/м³,
с монолитными
железобетонными поясами. Толщина наружных стен - 380мм(400мм), внутренних -
250мм.
Колонны металлические составного сечения и монолитные железобетонные
Балки металлические из прокатных профилей
Перегородки кирпичные, толщиной 120 мм.
Перекрытие - монолитное, железобетонное, по металлическим балкам.
Покрытие - из профнастила по металлическим прогонам. Утеплитель - минераловатные
плиты, типа Rockwool, γ=125 кг/м³,толщ.150мм.
Лестницы - металлические каркасные с монолитным ж/б заполнением.
Полы - в зависимости от назначения помещений.
Техническое
состояние несущих строительных конструкций находится в удовлетворительном
состоянии. Видимых следов деформаций, трещин ведущих к потере устойчивости
здания не обнаружено. Категория технического состояния конструкций здания - II
(вторая). Согласно ДБН В.2.1-10-2009 «Основи та фундаменти споруд» предельно
максимальная осадка (Smax,u)=15см по таблице И.1, для
многоэтажного здания с металлическим каркасом, максимальная осадка (∆S)u=3см.
Относительная разность осадок (
)u = 0,004
2. Оценка инженерно-геологических условий строительной площадки
Рельеф местности спокойный без уклона.
На площадке были проведены инженерно-геологические изыскания.
Были пробурены две скважины глубиной 21,1м. По результатам изысканий было
установлено следующее напластование грунтов (сверху вниз):
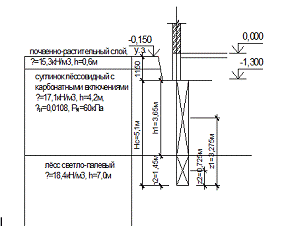
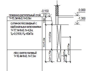
Слой 1 - почвенно-растительный слой мощностью 0,6 м
Слой 2 - суглинок лессовидный с карбонатными включениями - 4,2 м
Слой 3 - лёсс светло-палевый - 7,0м
Слой 4 - суглинок тяжёлый и средний, коричневый - 9,3 м
Подземные воды на глубине 5,1 м.
Основанием для фундаментов служит слой 2.
.1 Основные физико-механические характеристики
Основные физико-механические характеристики грунтов сведены в таблицу
.2
Дополнительные физико-механические характеристики
.Плотность грунта в сухом состоянии.

d =
Слой
2. ρd=1,71/(1+0,17)=1,46т/м3
Слой
3. ρd
=1,84/(1+0,29)=1,43т/м3
Слой
4. ρd
=1,92/(1+0,21)=1,59т/м3
2.Коэффициент пористости
e=
s /
d - 1
Слой 2. e=2,67/ 1,46 - 1=0,829
Слой 3. e=2,65/ 1,43 - 1=0,853
Слой
4. e=2,69/ 1,59 - 1=0,692.
3.Пористость грунта
п= e/ (1+ e)
Слой
2. п = 0,829/ 1,829=0,453
Слой
3. п = 0,853/ 1,853=0,460
Слой
4. п = 0,692/ 1,692=0,409.
4.Степень влажности
Sr =W *
s
/ (e*
w),
где
w=1г/см2
Слой
2. Sr =0,17х2,67/ 0,829 = 0,55
Слой
3. Sr =0,29х2,65/
0,853 = 0,90
Слой
4. Sr =0,21х2,69/ 0,692 = 0,82
.Число
пластичности.
Iρ
=
ωL -
ωP
Слой
2. Iρ =
0,36-0,22=0,14
Слой
3. Iρ =
0,27-0,21=0,06
Слой
4. Iρ =
0,39-0,25=0,14
.Показатель
текучести.
IL =( ω - ωP)
/ IP
Слой
2. IL =
( 0,17 - 0,22) / 0,14= -0,36 ≤ 0
Слой
4. IL =
( 0,21 - 0,25) / 0,14= -0,29 ≤ 0
Результаты
определения расчётных характеристик грунтов сводим в таблицу 1 и определяем
наименование грунтов
Табл.1.
Сводная таблица характеристик грунтов
|
№слоя
|
d, г/см3enSrIρILНаименование грунтов
|
|
|
|
|
|
|
|
1
|
1,53
|
-
|
-
|
-
|
-
|
-
|
Почвенно-растительный слой
|
|
2
|
1,46
|
0,829
|
0,453
|
0,55
|
0,14
|
-0,36
|
Суглинок лессовидный с
карбонатными включениями, среднесжимаемый, влажный, твёрдый
|
|
3
|
1,43
|
0,853
|
0,46
|
0,9
|
0,06
|
1,33
|
Лёсс светло-палевый и
желтый, среднесжимаемый, водонасыщенный, текучий
|
|
4
|
1,59
|
0,692
|
0,409
|
0,82
|
0,14
|
-0,29
|
Суглинок тяжелый и средний,
коричневый, среднесжимаемый, водонасыщенный, твёрдый
|
3. Определение действующих нагрузок на фундаменты
3.1 Временные
нагрузки
Снеговая
нагрузка
Расчет ведем по ДБН В.1.2-2:2006 “Нагрузки воздействия”
Предельное расчетное значение
Sm=γfm * S0 * C
γfm - коэффициент надежности по
предельному значению снеговой нагрузки
γfm = 0,96 (ориентировочно 40 лет)
S0 = 0,87 кПа
С = μ * Се * Саlт
μ - коэффициент перехода от веса
снегового покрова на поверхности земли к снеговой нагрузки на покрытие
μ = 1
Се - коэффициент, учитывающий режим эксплуатации кровли.
Се = 1
Саlт -
коэффициент географической высоты
Саlт = 1
С = 1 * 1 * 1 = 1
Sm = 0,96* 0,87 * 1 = 0,835 кПа
Горизонтальная ветровая нагрузка
Предельное расчетное значение ветровой нагрузки
Wm = γfm * W0 * C
γfm - коэффициент надежности;
γfm = 0,96
W0 = 0,47 кПа;
С = Саеr
* Сh * Саlt * Crel*Сdir * Cd
Саеr
- аэродинамический коэффициент;
Саеr
= 0,7
Сh - коэффициент высоты сооружения;
Сh = 2,3
Саlt -
коэффициент географической высоты;
Саlt=1
Сrel - коэффициент рельефа;
Сrel = 1
Сdir - коэффициент направления;
Сdir = 1
Cd = 0,9
С = 0,7*2,3*1*1*1*0,9=1,449
Wm = 0,96 * 0,47 *1,449= 0,654 кПа.
h1 = 1,05 + 7,4/ 2 = 4,75 м
hш = 1,05+7,4+0,35/2 = 8,625 м
Статические составляющие нагрузки:
q10
= 0,654 * 1,4 *
0,65 * 6 = 3,57 кН/м
Ветровая нагрузка, расположенная выше нижнего пояса стропильных ферм,
приводится к сосредоточенной силе, условно приложенной к нижнему поясу балки, и
определяется по эпюре интенсивности ветрового давления
Wш
= q10 *Hш *( сакт + сотс) = 3,57 х 0,35 х (0,7 + 0,7) = 1,75 кН,
где Hш = 0,35м - высота шатра;
сакт = 0,7 и сотс = 0,7 - аэродинамические коэффициенты.
W1
= 3,57 * 7,4 =
26,42 кН
Момент от каждой составляющей ветровой нагрузки
М1=26,42*4,75=125,5кН*м
Мш=1,75*8,625=15,1кН*м
Момент от ветровой нагрузки на одну колонну поперечника
М = Σ М / n =(125,5+15,1)/2=70,3 кН*м
.2 Постоянные нагрузки
Сбор нагрузок на покрытие и перекрытие сводим в таблицы.
Расчётная схема фундамента
Нагрузки
на новое перекрытие собраны в разделе конструкций и составляют: нормативная - g
n=4,159 кН/м2 , расчетная - g=4,918 кН/м2
Таблица. Сбор
нагрузок на 1м2 старого покрытия
|
Вид нагрузки
|
Нормативная нагрузка, кН/м2
|
Коэффициент Надежности по
нагрузке
|
Расчетная нагрузка, кН/м2
|
|
Постоянная Асбестоцементные
волнистые листы γ=11кг/м2 Обрешётка шаг 0,5м 0,05*0,05м, γ=500кг/м3 Стропила шаг 1,0м 0,22*0,1м, γ=500кг/м3 Сборная ж/б плита t=0,22м,
γ=2500кг/м3
|
0,11 2*0,05*0,05*5= 0,025
0,22*0,1*5=0,11 2,75
|
1,1 1,1 1,1 1,1
|
0,121 0,028 0,121 3,025
|
|
Итого постоянная
|
2,995
|
|
3,295
|
|
Временная Снеговая Вес 1
человека
|
0,87 1,0
|
1 1,2
|
0,835 1,2
|
|
Итого временная
|
1,87
|
|
2,035
|
|
Всего общая
|
g n=4,865
|
-
|
g=5,33
|
Таблица. Сбор нагрузок на 1м2
нового покрытия
|
Вид нагрузки
|
Нормативная нагрузка,кН/м2
|
Коэффициент надежности по
нагрузке
|
Расчетная нагрузка, кН/м2
|
|
Постоянная Профнастил t=0,0055м,
m=6,5кг/м2 Утеплитель «Rockwool» t=0,15м, γ=125кг/м3 Металлические прогоны
шаг 1,3м, швеллер №16, m=14,2кг/м Металлические балки двутавр №20, m=21,0кг/м
|
0,065 0,188 0,142/1,3=
=0,109 0,21
|
1,05 1,3 1,05
1,05
|
0,068 0,244
0,114 0,221
|
|
Итого постоянная
|
0,572
|
|
0,647
|
|
Временная Снеговая Вес 1
человека
|
0,87 1,0
|
1 1,2
|
0,835 1,2
|
|
Итого временная
|
1,87
|
|
2,035
|
|
Всего общая
|
g n=2,442
|
-
|
g=2,682
|
Нагрузка на 1м.п. фундамента по оси Е в осях 11-12 до реконструкции
Покрытие - Nпокр = 5,33*3,2=17,06 кН
Вес стены - Nст = 20*0,51*4*1,1=44,88кН
Вес фундамента- Nф = 24*0,5*1,3*1,1=15,84 кН
Всего N = 77,78 кН/м
Нагрузка на 1м.п. фундамента по оси Е в осях 11-12 после реконструкции
Грузовая площадь А=1*(2,375+6,4)/2=4,39м2
Покрытие - Nпокр = 2,682*4,39=11,77 кН
Перекрытие - Nпер = 4,918*4,39=21,59 кН
Вес стены - Nст
=20*0,51*4*1,1+6*0,25*3*1,1+24*0,4*0,15*1,1=51,41 кН
Вес фундамента- Nф = 24*0,5*1,3*1,1=15,84 кН
Всего N = 100,61 кН/м
Нагрузка на 1м.п. фундамента по оси И в осях 11-12 до реконструкции
Грузовая площадь А=1*(6,4+4,375)/2=5,39м2
Покрытие - Nпокр = 5,33*5,39=28,73 кН
Вес стены - Nст = 20*0,38*4*1,1=33,44кН
Вес фундамента- Nф = 24*0,45*1,3*1,1=14,26 кН
Всего N = 76,43 кН/м
Нагрузка на 1м.п. фундамента по оси И в осях 11-12 после реконструкции
Грузовая площадь А=1*(6,4+4,375)/2=5,39м2
Покрытие - Nпокр = 2,682*5,39=14,46 кН
Перекрытие - Nпер = 4,918*5,39=26,51 кН
Вес стены - Nст =
20*0,38*4*1,1+24*0,38*0,15*1,1=34,94 кН
Вес фундамента- Nф = 24*0,45*1,3*1,1=14,26 кН
Всего N = 90,17 кН/м
Нагрузка на 1 м2 столбчатого фундамента по оси 4/С
Грузовая площадь А=(4,6+5,9)/2*5,75=30,19м2
Покрытие - Nпокр = 2,682*30,19=80,97кН
Перекрытие - Nпер =4,918*30,19=148,47 кН
Вес колонны- 2 швеллера №20 Nкол = 2*0,184*7,5*1,05=2,90 кН
Вес фундамента при принятым размерам подошвы фундамента
1,8х1,8м-
Nфунд=25*1,8*1,8*0,4*1,1+25*0,4*0,4*1,0*1,1=40,04кН
Всего N = 272,38кН
4.Проверочный расчёт ленточного фундамента по оси Е в осях 11-12
Основанием является слой 2 - суглинок лессовидный с карбонатными
включениями со следующими показателями физико-механических свойств: ρ=1,71 г/м3 ,
ρs=2,67 г/м3 , W=0,17, WL=0,36, WР=0,22, Е=13,5 МПа, φ=19º, С=9кПа, ширина подошвы существующего
фундамента b=0,5м.
Определяем расчетное сопротивление грунта основания с учётом его
уплотнения за период эксплуатации здания
Rу = mS*mр*R
Величина расчётного сопротивления в условиях природного залегания грунта
для зданий без подвала
R =( γс1* γс2/К)* [ Mγ*kz*b* γ11 + Mq*d1* γ′11 + Mс*C11]
где γс1= 1,25,
γс2= 1,0,
К= 1,0,
Мγ= 0,47,
Mq= 2,895,
Мс= 5,485,
kz= 1,
b=0,5
м,
γ11= 1,71*10 =17,1кН/м3,
γ′11
=(1,53*0,6+1,71*0,55)*10/1,15 =16,16кН/м3,
d1= dn=1,15м
C11= 9 кПа.
R=(1,25*
1,0/1,0)* [0,47*1,0*0,5*17,1+2,895*1,15*16,16+5,485*9] = 134кПа,
Устанавливаем значение коэффициента mр. Давление по подошве до реконструкции
РII =N II/b=77,78/0,5=156кПа
Отношение РII /
R=156/134=1,16, mр.=1,3.
Устанавливаем значение коэффициента ms. Для этого определяем значение осадки до
реконструкции.
Определение величины осадки фундамента до реконструкции
При определении величины усадки фундаментов в условиях реконструкции
допускается пользоваться формулой:
где
ŋ - соотношение сторон фундамента,
Em -
величина усреднённого модуля деформации в пределах сжимаемой толщи Hс
для многослойных оснований
где
Hс - глубина сжимаемой толщи с =kxb
где
k - коэффициент, k= 6 для
ленточного фундаментас = 6*0,5=3м
Em
прир=13500МПа
Em
замоч=10200МПа
σzpо= Ро = Р - σzgo = 156-19= 137кПа
σzgo = γ′ * d = 16,16*1,15= 19 кПа
Осадка
здания до реконструкции
Sприр=1,44*6*137*0,5/((6+1)*13500)=0,0062м=0,62см < Smax , u = 15 см
условие выполняется
Отношение
ΣSi / Smax , u=
0,62/15=0,041, поэтому mS=1,1
Rу=1,1*1,3*134=192кПа
Фактическое давление после
реконструкции составит
PII,н= N/b = 100,61/0,5=201кН > Rу=192кПа условие не соблюдается, следовательно, предполагаемая
реконструкция из условия PII,н< Rу невозможна без увеличения размеров
фундамента
Увеличиваем ширину подошвы фундамента на 0,4 м, тогда ширина фундамента
составит 0,5+0,4=0,9м
PII,н= N/b = 100,61/0,9=112кН <Rу=192кПа условие соблюдается
Проверяем выполнение условия ΔS ≤ S max , u, для чего определяем осадку здания
после реконструкции
Определение величины осадки фундамента после
реконструкции
Hс = 6*0,9=5,4м
Em прир=(13500*3,65*3,575+4100*1,75*0,875)/0,5x5,42=12513МПа
Em замоч=(10200*3,65*3,575+4100*1,75*0,875)/0,5x5,42=9559МПа
σzpо,н= 112-19= 93кПа
σzgo = 19кПа
Осадка здания после реконструкции
Sприр,н=1,44*6*93*0,9/((6+1)*12513)=0,0083м=0,83см
< Smax , u = 15 см условие выполняется
Sзамоч,н=1,44*6*93*0,9/((6+1)*9559)=0,0108м=1,08см
< Smax , u = 15см условие по второму
предельному состоянию соблюдается, усиление не требуется
В природном залегании
ΔS= Sн - S =0,83-0,62=0,21см < ΔS u = 3 см условие выполняется
ΔS/L =0,21/985=0,0002 < (ΔS/L)u = 0,004 условие выполняется
В замоченном состоянии
ΔS= Sн - S =1,08-0,83=0,25м < ΔS u = 3 см условие выполняется
ΔS/L =0,25/985=0,0003 < (ΔS/L)u = 0,004 условие выполняется
Уширение на 0,4м подошвы фундамента достаточно
5.Поверочный расчёт ленточного фундамента по оси И в осях 11-12
Основанием является слой 2 - суглинок лессовидный с карбонатными
включениями со следующими показателями физико-механических свойств: ρ=1,71 г/м3 ,
ρs=2,67 г/м3 , W=0,17, WL=0,36, WР=0,22, Е=13,5 МПа, φ=19º, С=9кПа, ширина подошвы существующего
фундамента b=0,45м.
R=(1,25*
1,0/1,0)* [ 0,47*1,0*0,45*17,1+2,895*1,15*16,16+5,485*9] = 133кПа
Давление по подошве до реконструкции
РII =N II/b=76,43/0,45=170кПа
Отношение РII /
R=170/133=1,29, mр.=1,3.
Определение величины осадки фундамента до реконструкции с =
6*0,45=2,7м
Em прир=13500МПа
Em замоч=10200МПа
σzpо= 170-19= 151кПа
σzgo = 19 кПа
Осадка здания до реконструкции
Sприр=1,44*6*151*0,45/((6+1)*13500)=0,0062м=0,62см
< Smax , u = 15 см условие выполняется
Sзамоч=1,44*6*151*0,45/((6+1)*10200)=0,0082м=0,82см
< Smax , u = 15 см условие выполняется
ΣSi / Smax , u= 0,62/15=0,041, mS=1,1
Rу=1,1*1,3*133=190кПа
Фактическое давление после
реконструкции составит
PII,н= N/b = 90,17/0,45=200кН > Rу=190кПа условие не соблюдается, следовательно, предполагаемая
реконструкция из условия PII,н< Rу невозможна без увеличения размеров
фундамента
Определяем ширину фундамента после реконструкции
b`=(n`+Gф)/Rу
Gф= 0,7*3,65*20*1=40,8кН
b`=(245,4+40,8)/297,88=0,96м≈1,0м
bуш=1-0,8=0,2м
Увеличиваем ширину подошвы фундамента на 0,4 м, тогда ширина фундамента
составит 0,45+0,4=0,85м
PII,н= N/b = 90,17/0,85=106кН <Rу=190кПа условие соблюдается
Определение величины осадки фундамента после реконструкции с =
6*0,85=5,1м
Em прир=(13500*3,65*3,275+4100*1,45*0,725)/0,5x5,12=12740МПа
Em замоч=(10200*3,65*3,275+4100*1,45*0,725)/0,5x5,12=9707МПа
σzpо= 106-19= 87кПа
σzgo = 19 кПа
Осадка здания после реконструкции
Sприр=1,44*6*87*0,85/((6+1)*12740)=0,0072м=0,72см
< Smax , u = 15 см условие выполняется
Sзамоч=1,44*6*87*0,85/((6+1)*9707)=0,0092м
=0,92см < Smax , u = 15 см условие выполняется
В природном залегании
ΔS= Sн - S =0,72-0,62=0,1см < ΔS u = 3 см условие выполняется
ΔS/L =0,1/2640=0,00004 < (ΔS/L)u = 0,004 условие выполняется
В замоченном состоянии
ΔS= Sн - S =0,92-0,82=0,1м < ΔS u = 3 см условие выполняется
ΔS/L =0,1/2640=0,00004 < (ΔS/L)u = 0,004 условие выполняется
Уширение на 0,4м подошвы фундамента достаточно
6. Определение размеров столбчатого фундамента в плане в осях 4/С
Определение расчётного сопротивления грунтов несущего слоя
Основанием является слой 2 - суглинок лессовидный с карбонатными
включениями со следующими показателями физико-механических свойств: ρ=1,71
г/м3 ,
ρs=2,67 г/м3 , W=0,17, WL=0,36, WР=0,22, Е=13,5 МПа, φ=19º, С=9кПа.
Ориентировочная площадь подошвы фундамента
где Ro=228,5 кПа - расчетное сопротивление грунта,
γ =20 кН/м3 - среднее
значение удельного веса грунта,
dn = 1,15м - глубина заложения фундамента от планировочной отметки
Атр =272,38 / ( 228,5- 20*1,15)=1,33м2,
bтр =√ Атр/ŋ
где ŋ=l/b -соотношение сторон, принимаем 1
bтр=√ 1,33/1=1,15
bпр=1,2м
lпр= ŋ * bтр =1*1,2=1,2м
Апр=1,2*1,2=1,44м2>1,33 м2
Уточняем расчетное сопротивление грунта основания
R =( γс1* γс2/К)* [ Mγ*kz*b* γ11 + Mq*d1* γ′11 + Mс*C11];
где γс1= 1,25,
γс2= 1,0,
К= 1,0,
Мγ= 0,47,
Mq= 2,895,
Мс= 5,485,
kz= 1,
b=0,5
м,
γ11= 1,71*10 =17,1кН/м3,
γ′11
=(1,53*0,6+1,71*0,55)*10/1,15 =16,16кН/м3,
d1= dn=1,15м
C11= 9 кПа.
R=(
1,25* 1,0/1,0)* [
0,47*1,0*1,2*17,1+2,895*1,15*16,16+5,485*9] = 141кПа
Определение средних и краевых давлений под подошвой фундамента
Среднее давление на основание под подошвой фундамента
ср =(N+Gф)/ Апр
Gф= 1,2*1,2*1,15*20=33,12кНср=
(272,38+33,12)/1,44=212кПа>R=141кПа,
условие не выполняется, размеры подошвы фундамента недостаточны
Принимаем bпр=1,5м
lпр= ŋ * bтр =1*1,5=1,5м
Апр=1,5*1,5=2,25м2>1,33 м2
R=(
1,25* 1,0/1,0)* [
0,47*1,0*1,5*17,1+2,895*1,15*16,16+5,485*9] = 144кПа
Gф= 1,5*1,5*1,15*20=51,75кНср=
(272,38+51,75)/2,25=144кПа=R=144кПа,
условие выполняется, размеры подошвы фундамента достаточны
Крайнее давление на основание под подошвой фундамента
Pmax= Pср + (M+Q*d)/Wmin= Pср - (M+Q*d)/W ,
Pmax=Pср=144кПа<1,2*R=1,2*144=172,8кПа, условие
выполняется, размеры подошвы фундамента достаточны.
Pmin= Pср =144кПа >0, условие выполняется,
размеры подошвы фундамента достаточны
Проверяем соблюдение условия экономичности:
%*( R- Pср)/ R≤20%; 100%*( 1,2*R- Pmax)/ 1,2*R≤20%
*(144-144)/144=0%; 100*(1,2*144-144)/1,2*144=16%
Условие экономичности соблюдается.
Определение деформаций оснований
k=2,0-
табличный коэффициент при ŋ=l/b=1с = 2*1,5=3,0м
Em прир=13500МПа
Em замоч=10200МПа
σzpо= Ро = 144-19= 125кПа
σzgo = 19кПа
Осадка здания
Sприр=1,44*1*125*1,5/((1+1)*13500)=0,01м=1,0см
< Smax , u = 15 см условие выполняется, принятый размер фундамента обеспечивает надежную
эксплуатацию здания
Sзамоч=1,44*1*125*1,5/((1+1)*10200)=0,013м
=0,1,3см < Smax , u = 15 см условие выполняется, принятый размер фундамента обеспечивает надежную
эксплуатацию здания
Вывод
Вывод: при реконструкции
необходимо выполнить усиление ленточных фундаментов путём уширения их подошвы
на величину, равную 0,4м. Принимаем конструктивное усиление банкетами