Расчет железобетонных конструкций многоэтажного здания в монолитном исполнении
Расчет
железобетонных конструкций многоэтажного здания в монолитном исполнении
Введение
В курсовом проекте предлагается разработать конструкции многоэтажного
здания с неполным каркасом (комбинированная система) с несущими наружными
стенами и внутренним железобетонным каркасом.
Исходные данные для проектирования.
Параметры здания:
Параметры здания: L1= 21 м, L2= 54 м, l1=
7 м, l2=5,4.
Количество этажей: 5
Высота этажа 3,6 м
Место строительства: г. Томск.
Полная временная нагрузка - 8 кПа, из них длительно действующая часть - 5
кПа.
Пол-1,0 кН/м2
Класс бетона В25 (Rb=
14.5 *0,9= 13.05 ); Марка продольной арматуры А-III. (Rs=365).
Поперечную, монтажную, косвенную арматуру сеток принимаем конструктивно из
стали классов Вр-I, A-III.
Рис. 1-Плита, 2-Второстепенные балки, 3-Главные балки, 4-Колонны,
5-Грузовая полоса плиты, 6-Грузовая полоса второстепенной балки, 7- Грузовая
полоса главной балки, 8-Грузовая площадь второстепенной балки, 9- Грузовая площадь
колонны.
1. Компоновка конструктивной схемы монолитного перекрытия
Монолитное ребристое перекрытие образовано системой, состоящей из плит,
второстепенных и главных балок. Направления, пролеты и размеры поперечных
сечений элементов перекрытия определяются по технологическим, архитектурным и
конструктивным требованиям. Все элементы перекрытия монолитно взаимосвязаны.
Таблица 1
Толщина плиты перекрытия производственного здания принимается как
hпл=(1/20…1/30)*а,
где а - пролет плиты (расстояние между второстепенными балками)
принимается в пределах 1200 - 2200 мм (в нашем случае примем а= 1750 мм).
hпл=(1/20…1/30)* 1750= 60 (мм).
Глубина опирания плиты на кирпичную стену назначается равной 120 мм.
Высота сечения второстепенных балок принимается
h вт.б.=(1/12…1/20)*lвт.б.
h вт.б 1/12…1/20)* 5400=400 (мм)
ширина
b вт.б.=(1/2…1/3)* h вт.б
b вт.б=(1/2…1/3)*400=200 (мм).
Длина площадки опирания второстепенных балок на кирпичную стену
принимается равной 250 мм. Главные балки воспринимают нагрузку от
второстепенных балок и передают ее на колонны и стены. Высота сечения
назначается в пределах
h гл.б.=(1/8…1/15)*lгл.б.
h гл.б.=(1/8…1/15)* 7000=600 (мм).
Ширина сечения
bгл.б.=(1/2…1/3)* h гл.б
bгл.б.=(1/2…1/3)* 600=300 (мм).
Длина площадки опирания на кирпичную стену 380 мм. При компоновке
перекрытия назначают направление главных и второстепенных балок и их пролеты, а
также пролет плит, т.е. количество второстепенных балок по длине главной. При
этом ось одной из второстепенных балок должна совпадать с осью колонны.
2. Расчет и конструирование плиты
Рис.2
2.1 Статический расчет
Для расчета плиты, условно, вырезается полоса шириной 1 м поперек
второстепенных балок. Эта полоса рассматривается как многопролетная балка,
загруженная равномерно распределенной прогонной нагрузкой q (кН/м), численно равной нагрузке на
1 м². Расчетные пролеты плиты
определяются следующим образом:
для средних пролетов lср=a-b, где а -
расстояние между осями второстепенных балок, b - ширина второстепенной балки;
lср = 1750-200=1550 (мм);
для крайних пролетов lкр=a-(b/2)-с+( dn/2), здесь с - привязка оси к внутренней грани стены;
l кр=1750-(200/2)-250+120/2=1460 (мм).
hпл=60 мм.
hвб=400мм.
bвб=200мм.
а=1750 мм.
l01=1460 мм.
l02=1550 мм.
с=250мм.
Изгибающие моменты определяются по формулам, учитывающим пластические
свойства железобетона и перераспределение изгибающих моментов:
для средних пролетов и промежуточных опор
gn=0,06*1*1*25=1.5 кПа
q=(g+p)*0,95*1=12.45*1*0,95=11.827 Н/м
М2= + (q*l²ср)/16
М2= + (11.827*1.55²)/16= + 1.776 (кН*м);
для крайних пролетов и первой от края опоры
М1= + (q*l²кр)/11
М1= + (11.827*1.46²)/11= + 2.292 (кН*м).
hпл/lкр=60/1460=0.033>1/30 => уменьшаем момент М2
на 20%
М2= + 1.421 (кН*м)
2.2 Расчет прочности нормальных сечений
Рис.3
Расчет прочности нормальных сечений сводится к определению площади
продольной арматуры для прямоугольного сечения высотой hпл и шириной 1000 мм:
в средних пролетах и над средними опорами;
в крайнем пролете и над крайней опорой.
Вычисляем табличные коэффициенты при h0= hпл-12,5 мм, где 10 мм - защитный слой
бетона; 2,5 мм - половина диаметра арматуры
h0= 60-12,5=47.5 (мм).
Принимаем класс арматуры Вр-1.
Для средних:
α м =М2/(Rb*b* h²0)
α м =1.421*106/(13.05*1000*47.5²)=0.0483
ξ=x/h0=1-√1-2*α
м =1-√1-2*0.0483=0.049
Для сечений, в которых предусмотрено образование пластического шарнира,
должно выполняться условие:
ξ<0,37;
.049<0,37, условие выполняется.
x= ξ*h0=0.049*47.5=2.35 мм
Определяем требуемую площадь сечения арматуры:
Аs= (Rb*b*x)/ Rs
Аs= 13.05*1000*2.35/410=74.805 (мм²).
Принимаем для сетки С1 5 Ø5 Вр - I с шагом 200 мм и с площадью As1=98,2 мм2.
Марка
сетки:
Т.к.
µ=As/b*h=98.2/1000*47.5=0.002067>µmin=0,0005
Конструктивные
требования соблюдены.
Проверяем
прочность при подобранной арматуре:
X=Rs*As/(Rb*b)=410*98,2
/(13.05*1000)= 3.085 мм
Mu=Rb*b*x*(h0-0,5*x)=13.05*1000*3.085*(47.5-0,5*3.085)=
=1.85*106 H*мм>M2=1.421*106
H*мм
Прочность
достаточна, арматура подобрана правильно.
Для
крайних:
α м =М1/(Rb*b* h²0)
α м =2.292*106/13.05*1000*47.52=0.078
ξ=x/h0=1-√1-2*α
м =1-√1-2*0.078=0.081
Для сечений, в которых предусмотрено образование пластического шарнира,
должно выполняться условие:
ξ<0,623;
.081<0,623, условие выполняется.
x= ξ*h0=0.081*47.5=3.854 мм
Определяем требуемую площадь сечения арматуры:
Аs= (Rb*b*x)/ Rs
Аs= 13.05*1000*3.854/410=122.663 (мм²).
Сетка С2 должна иметь арматуру с площадью
As2=As-As1=122.663-98.2= 24.463 мм2
Поскольку шаг стержней не должен превышать 200 мм, принимаем для сетки С2
5Ø3 Вр - I с шагом 200 мм и с площадью As2=35.3 мм2.
Марка
сетки:
Тогда
суммарная площадь сечения растянутой арматуры в крайних пролётах и над первыми
промежуточными опорами As=As1+As2=98.2+35.3
=133.5 мм2 Т.к. µ=As/b*h=133.5/1000*47.5=0.002811>µmin=0,0005, конструктивные требования соблюдены.
Проверяем
прочность при подобранной арматуре:
X=Rs*As/(Rb*b)=410*133.5
/(13.05*1000)= 4.194мм
Mu=Rb*b*x*(h0-0,5*x) =13.05*1000*4.194*(47.5-0,5*4.194)=
= 2.485*106 H*мм>M1= 2.292*106 H*мм
Прочность
достаточна, арматура подобрана правильно.
3.Расчет и конструирование второстепенной балки
.1 Назначение расчетной схемы. Статический расчет
В качестве расчетной схемы принимается многопролетная неразрезная балка с
крайними шарнирными опорами при опирании на стены и промежуточными опорами -
главными балками.
hвб=400мм.
hгб=600мм
bгб=300мм.
l01=5255 мм.
l02=5100 мм.
l2=5400 мм.
с=120мм
Равномерно распределенная нагрузка на балку собирается с полосы шириной
равной пролету плиты, т.е. расстоянию между осями второстепенных балок.
Постоянная нагрузка состоит из собственного веса перекрытия и собственного веса
ребра балки.
g вт.б=( h вт.б.- hпл)*bвб*1*25*γf
g вт.б=(0,40-0,06)*0,2*25*1,1=1.87 (кН/м)
где 25 (кН/м) - объемная масса железобетона.
Величина расчетных пролетов показана на рис. 3:
средних
l02= l2-bгб= 5.4-0,3=5.1 (м)
крайних
l01= l2-bгб/2-с+dвб/2= 5400-300/2-120+250/2=5255 (м).
Тогда погонная расчетная нагрузка на балку с полосы шириной 1.75 м и с
учётом коэффициента надежности по назначению γf =0,95 равна:
Постоянная
g=(
2.85 *1.75+1.87)*1*0,95= 6.515 кН/м
Временная
p=9.6*1.75*1*0,95=15.96
кН/м
Полна
q=g+p=6.515 +15.96 =22.475 кН/м
Максимальные пролетные и минимальные опорные изгибающие моменты могут
быть определены по формулам:
в крайнем пролете
М1= (q*l²01)/11
М1= (22.475*5.255 2)/11=56.422 (кН*м);
lср= (l01+ l02)/2=(5.255+5.1)/2=5.178 (м)
на грани первой промежуточной опоры
М01= -(q*l²0ср)/14
М01= -(22.475 *5.178 ²)/14= -43.033 (кН*м);
в средних пролетах и на гранях средних опор
М2= ±(q*l²02)/16
М2= ±(22.475 *5.1²)/16=±36.535 (кН*м).
Остальные ординаты огибающей эпюры изгибающих моментов вычисляем по
зависимости:
Mmax=±β*q* l²0
где ±β - коэффициенты, принимаемые в зависимости от отношения p/q
p/q=15.96 /6.515 =2.45
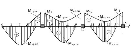
3.2 Построение огибающей эпюры моментов и эпюры
перерезывающих сил
многоэтажный здание железобетонный каркас
Огибающая эпюра изгибающих моментов с учетом действия постоянной и
временной нагрузки (рис.4)
Рис.4. Эпюра перерезывающих сил
Рис.5
Величина поперечных сил на гранях опор
свободной А:
QА=0.4*q* l01
QА=0,4*22.475 *5.255 = 47.242 (кН);
первой промежуточной В слева: Q В(лев)=-0,6*q* l01
Q В(лев)=-0,6*22.475 *5.255 =-70.862 (кН);
первой промежуточной В справа: Q В(пр) =0,5*q* l02
Q В(пр) =0,5*22.475 *5.1=57.31 (кН);
всех остальных слева и справа: ±QС= ±0,5*q* l02
±QС= ±0,5*22.475 *5.1= ±57.31 (кН).
3.3 Расчет прочности нормальных сечений
При расчете балок в пролете рассматривается тавровое сечение с полкой в
сжатой зоне. При hпл/hвт.б.=>0,1; 60/400=0.15>0,1, ширина сжатой полки
b’f принимается равной расстоянию между осями второстепенных балок. При расчете
балки на отрицательные изгибающие моменты сечение рассматривается как
прямоугольное шириной b. На
рис. 4 даны формы расчетных сечений балки в пролетах и на опорах.
Рис. 6
Минимальная полезная высота второстепенной балки определяется по формуле:
h 0(min) =1.8*√( М01/Rb*b)
h 0(min) = 1.8*√(43.033 *106/13.05*200)=
231.129 (мм),0= hвб-a=400-30=370>231.129 (мм)
а- расстояние от центра тяжести продольной арматуры до низа балки,
принимается при расположении арматуры в один ряд - 30 мм.
Расчет сечения арматуры производится по формулам для изгибаемых моментов
при соответствующих значениях изгибающих моментов. Необходимо подобрать
продольную арматуру в четырех сечениях: в первом пролете и над первой от края
опорой, в среднем пролете и над второй опорой. Во всех остальных пролетах и над
промежуточными опорами сечение арматуры будет таким же, как и в среднем пролете
и над второй опорой.
Подбираем арматуру в первом пролете (тавровое сечение).
Рис. 7
Принимаем стержневую арматуру класса АIII.
Определим
граничный момент при x=h’f
Мтр=Rb*b’f*h’f*(h0-0,5h’f)=13.05* 1750 *60*(370-0,5*60)=
= 465.885*106>M1=56.422 *106
Н*мм
Сжатая зона не выходит за пределы полки.
Определим коэффициент
α м =М1/(Rb* b’f * h²0)
α м =56.422 *106/(13.05*1750 *370²)=0.018
Относительная высота сжатой зоны
ξ=x/h0=1-√1-2*α
м =1-√1-2*0.018=0.018<ξR=0,623
x= ξ*h0=0.018*370=6.739 мм<hпл=60мм
Определяем требуемую площадь сечения растянутой арматуры:
Аs= (Rb*b’f*x)/Rs
Аs= (13.05*1750*6.739)/365=421.622 (мм²).
Принимаем для первого пролёта 2 Ø 18 A - III с
площадью As=509 мм2
Определим несущую способность сечения с подобранной арматурой:
x=Rs*As/(Rb*b’f)=365*509
/13.05*1750 =8.135 мм
Mu=Rb*b’f*x*(h0-0,5*x)=13.05*1750 *8.135*(370-0,5*8.135)=
=67.985*106 Н*мм >M1=56.422 *106Н*мм
Прочность достаточна, арматура подобрана правильно.
Подбираем арматуру во втором пролёте (тавровое сечение)
Рис.8
Определим коэффициент
α м =М2/(Rb* b’f * h²0)
α м =36.535 *106/(13.05*1750
*370²)=0.012
Относительная высота сжатой зоны
ξ=x/h0=1-√1-2*α
м
=1-√1-2*0.012=0.012<ξR=0,623
x= ξ*h0=0.012*370= 4.349 мм<hпл=60мм
Определяем требуемую площадь сечения растянутой арматуры:
Аs= (Rb*b’f*x)/Rs
Аs= (13.05*1750 *4.349)/365= 272.131
(мм²).
Принимаем для второго пролёта 2 Ø 14 A - III с
площадью As=308 мм2
Определим несущую способность сечения с подобранной арматурой:
x=Rs*As/(Rb*b’f)=365*308
/13.05*1750 =4.923 мм
Mu=Rb*b’f*x*(h0-0.5*x)=13.05*1750 *4.923*(370-0,5*4.923)=
=41.319*106 Н*мм >M2=36.535 *106Н*мм
Прочность достаточна, арматура подобрана правильно.
На первой
промежуточной опоре (прямоугольное сечение)
Рис.9
Определим коэффициент
α м =М01/(Rb* b * h²0)
α м =43.033 *106/(13.05*200*370²) =0.12
Относительная высота сжатой зоны
ξ=x/h0=1-√1-2*α
м =1-√1-2*0.12=0.129<ξR=0,623
x= ξ*h0=0.129*370=47.627 мм
Определяем требуемую площадь сечения растянутой арматуры:
Аs= (Rb*b*x)/Rs
Аs= (13.05*200*47.627)/365=340.4146 (мм²).
Принимаем над первой промежуточной опорой 3 Ø 14 A - III с
площадью As=462 мм2.
Определим несущую способность сечения с подобранной арматурой:
x=Rs*As/(Rb*b)=365*462 /(13.05*200)= 64.609 мм
Mu=Rb*b*x*(h0-0,5*x)=13.05*200*64.609*(370-0,5*64.609)=
=56.946*106 Н*мм >M01=43.033 *106Н*мм
Прочность достаточна, арматура подобрана правильно.
На второй
промежуточной опоре (прямоугольное сечение)
Рис. 10
Определим коэффициент
α м =М02/(Rb* b * h²0)
α м =36.535 *106/(13.05*200*370²)=0.102
Относительная высота сжатой зоны
ξ=x/h0=1-√1-2*α
м =1-√1-2*0.102=0.108<ξR=0,623
x= ξ*h0=0.108*370=39.995 мм
Определяем требуемую площадь сечения растянутой арматуры:
Аs= (Rb*b*x)/Rs
Аs= (13.05*200*39.995)/365=285.988 (мм²).
Принимаем над второй промежуточной опорой 2 Ø 14 A - III с
площадью As=308 мм2.
Защитный слой (400-370-14/2=23 (мм)) обеспечен
Определим несущую способность сечения с подобранной арматурой:
x=Rs*As/(Rb*b) = 365*308
/(13.05*200) = 43.073 ммu=Rb*b*x*(h0-0.5*x)
=13,35*200* 43.073 *(370-0,5*43.073)=
=39.174*106 Н*мм >M02=36.535 *106Н*мм
Минимальная площадь арматуры АS= 308 мм дает μ=Аs/b*h = 308 /200*370=0.006>
μmin=0,005
Прочность достаточна, арматура подобрана правильно.
3.4 Расчет прочности наклонных сечений
Проверке подлежат сечения балки у опор, где действуют наибольшие
поперечные силы от внешней нагрузки. Проверяем прочность балки по наклонной
полосе в сечении слева от первой промежуточной опоры, где действует наибольшая
поперечная сила Q=70.862 (кН).
Q<=0,3*φw1*φb1*Rb*b*h0,
φw1 принимаем равным 1 и φb1=1-0.01*Rb =01-0,01*13.05=0,8695
.862 < =0,3*1*0,8695*13.05*200*370
.862 (кН) < 251,90 (кН).
Прочность балки по наклонной полосе обеспечена при любой поперечной силе.
Для расчета прочности по наклонной трещине предварительно принимаем
диаметр и шаг поперечных стержней в крайних четвертях пролёта по конструктивным
требованиям:
По условиям сварки Øx>=1/4 Øпрод.
/4=5; принимаем Ø6 A-III. При 2-х каркасах Asw=57мм2 с Rsw=285 МПа.
Шаг поперечных стержней s1:
при hвб<=400мм s1<=hвб/2=200<=150 примем s1=150мм.
Интенсивность поперечного армирования
qsw=( Rsw* Аsw)/s1
qsw=(285*57)/150=108.3 (Н/см).
Тогда проекция наклонной трещины
с0=√φb2*Rbt*b*h02/q=√2*0,945*200*3702/108.3=691.247
мм
Для проекции наклонной трещины должны выполняться условия:
h0<c0<2h0
<691.247<740, для дальнейшего расчёта принимаем с0=691.247мм.
Проекция наклонного сечения:
с=√φb2*Rbt*b*h02/q=√2*0,945*200*3702/14,763=1164.89
мм
Для проекции наклонного сечения должны выполняться условия:
с0<c<2.85h0
.247<1164.89<1232.1 верхнее значение не соблюдено, поэтому для
дальнейшего расчёта принимаем с=3,33*370=1232,1мм
Тогда поперечное усилие воспринимаемое бетоном:
Qb =2*0,8695*200*3702/1232,1=44.423 *103 H<Q=70.862 *103 H
Qsw=qsw*cо=108.3*691.247=74.862*103 Н
Qu=Qb+Qsw=44.423*103+74.862*103=119.285*103Н>70.862
*103Н.
Балку армируют в пролетах сварными каркасами, которые состоят из рабочих
продольных стержней, определенных расчетом нормальных сечений на действие
положительных моментов, и поперечных, полученных расчетом наклонных сечений.
Верхние продольные стержни обычно назначают конструктивно диаметром 8...10 мм
для приварки поперечных. Однако при p/g≥2 их диаметр, возможно, придется
уточнить при построении эпюры материалов. Пролетные каркасы устанавливают
вертикально, при ширине балки bвт.б≥150 мм в сечении размещают
не менее двух каркасов. При расположении рабочих стержней в два ряда, верхний
может быть оборван в пролете для экономии стали. Каркасы доводят до граней
главных балок и соединяют с каркасами следующего пролета стыковыми стержнями
диаметром не менее половины рабочих стержней и не менее 10 мм. Стыковые стержни
заводят в пролеты за грани главных балок на расстояние не менее 15 диаметров
рабочей арматуры. Шаг s1,
полученный из расчета прочности наклонных сечений, принимают на концевых
участках балок длиной 1/4 пролета. На средней половине пролета, где поперечные
силы малы, арматуру можно поставить реже шагом s2, но не более 3/4 hвт.б и не более
500 мм. При этом для удобства сварки рекомендуется принимать s2, кратным s1. На промежуточных опорах
второстепенные балки лучше армировать сварными каркасами, расположенными
горизонтально в пределах ширины балки. При числе рабочих продольных стержней
более двух они могут иметь разную длину. Места обрывов пролетных рабочих
стержней, а также длину опорных каркасов определяют построением эпюры
материалов, которая представляет собой совмещение объемлющей эпюры изгибающих
моментов и моментов, соответствующих несущей способности нормальных сечений
балки с принятым армированием.
3.5 Построения эпюры материалов для второстепенной балки
Для построения эпюры материалов используем определенные ранее эпюру
огибающих моментов и значения Мu с принятым армированием пролетных и опорных
сечений, Точка пересечения линий, соответствующих уровню несущей способности, с
огибающей эпюрой называются точками теоретического обрыва, фактически стержни
обрываются с учетом их заделки в бетоне на величину, Формулы для расчета:
,
,
где Qi - поперечная сила в
месте теоретического обрыва,- интенсивность поперечного армирования на этом
участке балки,- диаметр обрываемого стержня,
Расчет моментов Мu
Первая от края опора:
- при 3 Ø 14 AIII As = 462 мм2
x=Rs*As/(Rb*b)=365*462
/(13.05*200)= 64.609 ммu=Rb*b*x*(h0-0,5*x)=13.05*200*64.609*(370-0,5*64.609)=
=56.946*106 Н*мм
при 2 Ø 14 AIII As = 308 мм2
x=Rs*As/(Rb*b) =365*308 /(13,05*200) = 43,07 ммu=Rb*b*x*(h0-0,5*x)
=13,05*200*43,07 *(370-0,5*43,07) =
=39,17*106 Н*ммmax ={20*14 мм =280 мм; 50.596 кН/(2·0,1083кН/мм)+5·14 мм =303.591 мм}=310 ммmax ={20·14 мм =280
мм; 62.784 кН/(2·0,1083кН/мм)+5·14 мм =359.862 мм}=360 ммmax ={20·14 мм =280
мм; 46.364 кН/(2·0,1083кН/мм)+5·14 мм =284.054мм}=290 ммmax ={20·14 мм =280
мм; 34.443 кН/(2·0,1083кН/мм)+5·14 мм =229.019 мм}
w4 =280 мм
Средняя опора:
- при 2 Ø 14 AIII As = 308 мм2
x=Rs*As/(Rb*b) =365*308 /(13,05*200) = 43,07 ммu=Rb*b*x*(h0-0,5*x)
=13,05*200*43,07 *(370-0,5*43,07) =
=39,17*106 Н*ммmax ={20*14 мм =280 мм; 37.997 кН/(2·0,1083кН/мм)+5·14 мм = 245.423 мм}
w5 =280 мм
- для 2-х конструктивных стержней Ø 8 As =101 мм2
x = Rs As /(Rb b ) = 365*101 / (13,05·200 ) = 14,12 мм,u=Rb*b*x*(h0-0,5*x)=
200*13,05*14,12 ( 370 - 0,5*14,12) = 13,38 кН м
Рис.11
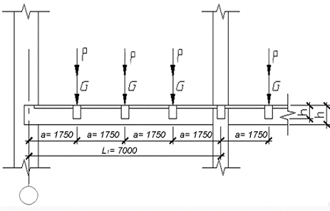
4.Расчет и конструирование главной балки
.1 Назначение расчетной схемы. Статический расчет
Расчетной схемой главной балки монолитного ребристого перекрытия
рассматриваем многопролетную неразрезную балку, загруженную сосредоточенными
силами в местах опирания второстепенных балок.
Рис.12
Исходные данные принимаем в соответствии с ранее рассмотренными:
L1= 7, a=1750 мм, bгб=300мм, hгб=600мм, l01
= 7000-250+380/2=
6940 мм, l02= 6600 мм.
Rb=13.05 МПа (при γb2=0,9) , Rbt=0,945 МПа, Rs=365 МПа(A - III).
Нагрузки и воздействия.
Распределённая погонная нагрузка от собственного веса ребра гл. балки gб, выступающего под плитой:
gб=(hгб - hпл.)*bгб*1*25*γf =(0,6-0,06)*0,3*1*25*1,1= 4.455 кН/м
Тогда расчетные значения силы, передаваемые второстепенными балками с
грузовой площади а*l2 =1.75* 5.4= 9.45 м2:
постоянная
G= ((gб*a+g вт.б.)*l2+gг.б.*а)*γn =((2.85*1.75+ 1.87)* 6.7+ 4.455*1.75)*0,95= 42.585 кН
- временная
P=p*a*l2*γn = 9.6*1.75* 5.4*0,95= 86.184 кН
полная
G+P = 42.585 + 86.184 = 128.769 кН
При проектировании главной балки необходимо иметь объемлющую эпюру изгибающих
моментов, для построения которой требуется рассмотреть эпюры изгибающих
моментов для всех возможных случаев загружения и, совместив их, очертить
наружные контуры эпюр. Построение изгибающих эпюр существенно ускоряется при
использовании таблиц Улицкого.
Определяем максимальные пролетные и минимальные опорные изгибающие
моменты:
в крайнем пролете
М1 =0,345* 128.769 * 6.94= 308.313 кН*м
на промежуточных опорах
M01
=-0,278* 128.769 *
6.6=- 236.266 кН*м
в средних пролетах
M2
=0,222* 128.769
*6.6= 188.673 кН*м
Qб=G+P=128.769 кН
Тогда реакция крайней промежуточной опоры(на стене):
QA=Qб+(Mопi+1 - Mопi)/l01 =128.769 +( - 236.266- 0)/ 6.94=
94.725 кН
Реакция первой промежуточной опоры (колонны) слева:
QБлев=Qб - (Mопi+1 - Mопi)/l01=128.769 - ( - 236.266- 0)/ 6.94=162.814
кН
Реакция первой промежуточной опоры (колонны) справа:
QБпр=162.814 кН при полном загружении
Определяем моменты, действующие в сечениях балки по грани колонны:
Мтр=М01 - Q*hк/2, где hк - высота сечения колонны.
В первом пролете
Мтр1 =236.266- 162.814*0,4/2=203.703 кН*м
Во втором пролете
Мтр2 =236.266- 42.585 *0,4/2= 227.749 кН*м
По большему моменту проверяем достаточность принятых ранее размеров
сечения главной балки. На опорах балка работает с прямоугольным сечением.
Подбираем арматуру на опоре (прямоугольное сечение).

Вычислим коэффициент
α м =(Мтр2)/(Rb* b * h²0) = 227.749 *106/(13.05*300*5502)=
0.192
Относительная высота сжатой зоны
ξ=x/h0=1-√1-2*α
м =1-√1-2* 0.192= 0.216<ξR=0,623
x= ξ*h0 = 0.216*550= 118.545 мм
Определяем требуемую площадь сечения растянутой арматуры:
Аs= (Rb*b*x)/Rs
Аs = (13.05*300* 118.545)/365= 1271.521
(мм²).
Принимаем над промежуточными опорами 2 Ø 22 A - III
As=982 мм2 и 2 Ø 20 A - III As=760 мм2 .
As= 760+ 628= 1388 мм2.
Тогда при минимальных защитных слоях и расстояниях между рядами a
=20+22+20/2= 52 мм, h0=h - a=600 - 52 = 548мм.
Определим несущую способность сечения с подобранной арматурой:
x=Rs*As/(Rb*b) =365*
1388/13.05*300= 129.405 ммu=Rb*b*x*(h0-0,5*x)
=13,05*300* 129.405*( 548 -0,5* 129.405)=
= 244.848*106 Н*мм >M1= 227.749 *106Н*мм
Прочность достаточна, арматура подобрана правильно.
Подбираем арматуру в первом пролете (тавровое сечение).
Рис.14
При положительных моментах балка работает тавровым сечением. Свесы полки,
вводимые в расчёт в каждую сторону от ребра, не должны превышать 1/6 пролёта
главной балки. Тогда расчетная ширина полки bf’<=l0/3+bгб
= 6600/3+300=
2500=> bf’= 2500 мм. Предполагая двурядное расположение
арматуры по высоте, принимаем h0= 550 мм.
Определим граничный момент при х=hf’
Mтр.=Rb*b’f*hf’*(h0-0,5*hf’) =13.05* 2500* 60 *(550-0,5* 60)=
= 1017.9*106 Н*м>M1= 308.313
*106 Н*м
Сжатая зона не выходит за пределы полки. Подбираем арматуру в первом
пролёте.
Вычислим коэффициент
α м =М1/(Rb* bf’ * h²0)
α м = 308.313 *106/(13.05* 2500*5502)=
0.031
Относительная высота сжатой зоны
ξ=x/h0=1-√1-2*α
м =1-√1-2* 0.031= 0.032<ξR=0,623
x= ξ*h0 = 0.032*550 = 17.459 мм<60мм
Определяем требуемую площадь сечения растянутой арматуры:
Аs= (Rb* bf’*x)/Rs
Аs = (13.05* 2500* 17.459)/365=
1560.573 (мм²).
Принимаем для первого пролета 2 Ø 25 A - III с
площадью As=982 мм2 и 2 Ø 22 A - III с площадью As=760 мм2. As= 982 + 760
= 1742 мм2.
Тогда при минимальных защитных слоях и расстояниях между рядами a
=20+22+25/2=54.5 мм, h0=h - a=600 - 54.5 = 545.5 мм.
Определим несущую способность сечения с подобранной арматурой:
x=Rs*As/(Rb*b’f)
=365*1742/13.05*2500=19.489 мм<hпл=60мм
Mu=Rb*b’f*x*(h0-0,5*x) =13.05*2500*19.489 *(545.5 -0,5*19.489) =
=340.649*106 Н*мм >M1=308.313 *106Н*мм
Прочность достаточна, арматура подобрана правильно.
Подбираем арматуру во втором пролёте.
Рис.15
Принимая по аналогии с первым пролётом h0=550 мм,
Вычислим коэффициент
α м =М2/(Rb* bf’ * h²0)
α м =188.673 *106/(13.05* 2500*550 ²)= 0.0191
Относительная высота сжатой зоны
ξ=x/h0=1-√1-2*α
м =1-√1-2*0.0191=0.019<ξR=0,623
x= ξ*h0 =0.019*550=10.617 мм
Определяем требуемую площадь сечения растянутой арматуры:
Аs= (Rb* bf’*x)/Rs
Аs = (13.05* 2500*10.617)/365=949 (мм²).
Принимаем для второго пролета 4 Ø 18 A - III с
площадью As= 1018 мм2
Тогда при минимальных защитных слоях и расстояниях между рядами a
=20+18+18/2=47 мм, h0=h - a=600 - 47= 553 мм.
Определим несущую способность сечения с подобранной арматурой:
x=Rs*As/(Rb*b’f)
=365*1256 /13.05* 2500=11.389 мм<hпл=60мм
Mu=Rb*b’f*x*(h0-0,5*x) =13.05* 2500*11.389*(553-0,5*11.389)=
=203.362*106 Н*мм >M2=188.673 *106Н*мм
Прочность достаточна, арматура подобрана правильно.
4.2 Расчет прочности наклонных сечений
Расчет по прочности наклонных сечений главной балки выполняем у опор, где
действуют наибольшие поперечные силы. При этом учитываем, что в опорных
сечениях полка расположена в растянутой зоне бетона (рис. 7) и поэтому сечения
рассматриваем как прямоугольные, принимая коэффициент φf
= 0.
Проверяем прочность балки по наклонной полосе на сжатие слева от первой
промежуточной опоры, где действует наибольшая поперечная сила Q=162.814*103
Н, по условию
,
где
−
коэффициент, зависящий от степени насыщения ребра балки поперечной арматурой и
слабо влияющий на результат поверки, можно принять равным 1. Тогда
,3*4*0,8695*13,05*300*550=561.675*103Н
> Q=162.814*103 Н
Прочность
балки по наклонной полосе обеспечена при любой поперечной арматуре. Для расчета
прочности по наклонной трещине предварительно принимаем диаметр и шаг
поперечных стержней в крайних четвертях пролета по конструктивным требованиям:
по условиям сварки диаметр хомутов принимается Øх≥ 1/4Øпрод.
/4=6.25
принимаем Ø 8 A - III. При двух каркасах Аsw =101 мм2
с Rsw = 285 МПа (СНиП 2.03.01-84*).
Принимаем
Интенсивность
поперечного армирования:
Несущая
способность по поперечной силе в опасном наклонном сечении, воспринимаемая
хомутами и бетоном:
где
φb2=2 (для
тяжелого бетона) − эмпирический коэффициент, принимаемый в зависимости от
вида бетона;
φf −
коэффициент, учитывающий влияние свесов
Несущая
способность по поперечной силе в опасном наклонном сечении, воспринимаемая
хомутами и бетоном должна превышать расчетную наибольшую поперечную силу, т. е.
:
.814∙103
Н < 183.639∙103 Н
Прочность
балки по наклонной трещине обеспечена.
Сосредоточенная
сила от второстепенных балок (G+P) передается на главную в пределах высоты их
сечения (рис. 12), поэтому необходимо выполнить расчет на отрыв (скол) бетона.
В местах опирания второстепенных балок ставится дополнительная поперечная
арматура в виде хомутов или сварных сеток, вертикальные стержни которых
работают как подвески.
Рисунок
16. Передача нагрузки с второстепенной балки на главную
Длина
зоны, в пределах которой учитывается эта арматура, определяется по формуле:
Здесь
условно принято, что сила (G+P) передается второстепенными балками на главную
через сжатую зону х=bВБ. При двух сетках, устанавливаемых у боковых
граней главных балок, каждая из них на длине S должна иметь площадь подвесок:
Устанавливаем
у боковых граней главных балок сетки с вертикальными подвесками 7 Ø 6 А- III с шагом 150 мм с суммарной площадью As=198
мм2 в каждой.
4.3 Конструирование главной балки
Главные балки в пролетах армируют сварными каркасами аналогично
второстепенным, но число каркасов может быть больше двух. Плоские каркасы
поперечными горизонтальными стержнями объединяют в пространственные. Два
плоских каркаса доводят до опор, а третий (средний) обрывают по эпюре
материалов. При двух каркасах с двумя рядами стержней обрывают стержни второго
ряда. В любом случае до опоры нужно доводить не менее 50% от площади арматуры в
пролете. Опорные зоны армируются вертикальными каркасами, которые пропускаются
между арматурой колонны, длина этих каркасов также определяется по эпюре
материалов.
Шаг s1, полученный из расчета прочности наклонных сечений, принимают на
концевых участках опор до первой второстепенной балки, но не менее 1/4 пролета.
В средней части пролета, где поперечные силы малы, арматуру можно ставить реже
с шагом s2, но не более 3/4∙hГБ и не более 500 мм. При этом
для удобства сварки рекомендуется s2 принимать кратным s1.
Эпюра материалов.
При известных значениях Мu с принятым армированием пролетных и
опорных сечений нам остается определить несущую способность балки при
конструктивной верхней арматуре 2 Ø10 AIII и 2 Ø12 AIII
- при 2 Ø 10 AIII As = 157 мм2= Rs As /( Rb
b) = 365* 157 / (13,05 *300 ) = 14,64 мм,
Mu=Rb b x (h0 - 0,5·х) =13,05* 300
*14,64 *( 550 - 0,5* 14,64) = 31,10 кН·м
- при 2 Ø 12 AIII As = 226 мм2= Rs As /( Rb
b) = 365 *226 / (13,05* 300) = 21,07 мм,
Mu=Rb b x (h0 - 0,5·х) =13,05 * 300*
21,07 *(550 - 0,5 *21,07) = 44,5 кН·м
и после обрывов вторых рядов в первом пролете при нижней арматуре 2 Ø25AIII, и во втором - при 2 Ø 20 AIII:
- при 2 Ø 25 AIII As = 982 мм2= Rs As /( Rb
b) = 365* 982 / (13,05 * 2500) = 10,986 мм,
Mu=Rb b x (h0 - 0,5·х) =13,05 * 2500*
10,986 *(550 - 0,5 *10,986) = 195,16 кН м
- при 2 Ø 20 AIII As = 628 мм2= Rs As /( Rb
b) = 365 * 628 / (13,05 * 2500) = 7,026 мм,
Mu=Rb b x (h0 - 0,5·х) =13,05 *2500*
7,026*( 550 - 0,5 * 7,026) = 125,27 кН м
Эпюра материалов главной балки приведена на рисунке.
Рис.17
5.Расчет и конструирование колонны
Исходные данные. Высота этажа hэт=3.6 м;
количество этажей 5; сетка колонн - 7 *5.4 м; сечение колонны 400*400мм; бетон
тяжелый класса В25 (Rb=13.05
МПа при γb2=0.9), рабочая арматура класса A III(Rs=Rsc=365 МПа)
Нагрузки и воздействия.
Грузовая площадь колонны А=l1*l2 = 7 *5.4 = 37.8 м2
Рис.18
Расчетная нагрузка от перекрытия одного этажа
N1=(g+p)*A=12.45*37.8=470.61 кН
в том числе постоянная и длительная
N1,t=(g+pt)*A= 10.5 *37.8=396.9 кН
Расчетная нагрузка от собственного веса 5 ребер, выступающих под плитой
N2=5*gвб*(l02 - bгб) =5*1.87*(5.1- 0.3)= 44.88 кН
Расчетная нагрузка от собственного веса ребра главной балки, выступающего
под плитой
N3=gгб*(l1 - hк) = 4.455*(7- 0,4)= 29.403 кН
Расчетная нагрузка от собственного веса колонны рядового этажа
N4 =0,4*0,4*3.6*25*1,1=15.84 кН5=(g+p)*A =4,74*37.8 =179.172 кН5t =4,11*37.8=155.358 кН
Суммарная продольная сила в колонне 5-этажного здания с учетом
коэффициента надежности по назначению γn=0,95
N=(4N1+5N2+5 N3+5 N4+N5)*γn =(4 *470.61 +5*44.88+5*29.403+5*15.84 +179.172)*0,95
=2386.616 кН
в том числе постоянных и длительных нагрузок
Nl =(4*396.9+5*44.88+5*29.403+5*15.84+155.358)*0,95=2083.894 кН
Расчетная длина колонны первого этажа
l0=0,7*(hэт+1) =0,7*4.6=3.22 м
Расчет прочности нормального сечения.
Условие прочности имеет вид:
N<=φ(Rb*Ab+(As+As’)), где Ab=400*400=160000мм2 -
площадь бетонного сечения, φ - коэффициент, учитывающий гибкость
колонны и длительность действия нагрузок.
Преобразуя формулу, получим:
(As+As’)>=(N - φ*Rb*Ab)/(φ*Rsc),
φ=φ1+2*(φ2 - φ1)*Rsc*(As+As’)/
(Rb*Ab)<=φ2,
где φ1
и φ2 коэффициенты принимаемые по таблице 7(мет.)
При l0/h
=3.22/0,400=8.05 и Nl/N =2083.894/2386.616= 0.873,
φ1=0,91
φ2=0,91. При φ=φ2 определяем
(As+As’) =(2386.616*1000 -
0,91*13.05*160000)/(365*0,91)= 1464.807 мм2.
Проверяем:
φ =0.902+2*(0,91-
0.902)*365*1464.807/(13.05*160000)= 0.906
Принимаем среднее значение φ между назначенным вначале и
полученным повторно φ =(0.906+0.91)/2=0.908
Вторично определяем
(As+As’) =(
2386.616*1000-0.91*13.05*160000)/ (365*0.908) = 1468.046 (мм2).
Принимаем по сортаменту 6 Ø 18 A - III (As= 1527 мм2)
Полученный процент армирования от рабочей площади бетона составляет: μ=As*100/(b*h0) = 1527 *100/(400*300)= 1.273% это больше чем μmin=0,1%
(при l0/h=8.05)
и меньше μmax=3%. Поэтому шаг поперечных стержней не более s=20ds=360 (мм) с учётом
кратности 50 принимаем s=400 мм. По условию сварки d >=0,25 ds, принимаем Ø 8 A - III.
В нашем случае защитный слой бетона до рабочей арматуры составляет 25 мм
что соответствует СНиП 2.03.01-84*. Окончательно расстояние от осей продольных
стержней до наружных граней принимаем равным 40мм.
6. Расчет и конструирование фундамента
Монолитные фундаменты под отдельные колонны бывают по форме ступенчатыми
и пирамидальными. Монолитные фундаменты армируют сварными сетками по подошве.
Для связи с монолитной колонной из фундамента выпускают арматуру с площадью
сечения, равной сечению арматуры колонны у обреза фундамента. В пределах
фундамента выпуски соединяют хомутами в каркас, которые устанавливают на
бетонные подкладки. Арматуру колонн с выпусками соединяют дуговой сваркой.
Бетон тяжелый класса B25 (Rб = 13.05 МПа. при γб2 = 0,9).
Рабочая арматура А-III (Rs = 365 МПа.).
Усилие от нормативных нагрузок:
Nn = N/
γf = 2386.616/1,2 = 1988.846 кН.
Примем глубину заложения фундамента 1 м.
Необходимая площадь подошвы:
А = Nn/(R0-γm∙H) = 1988.846 /(0.2∙103-1.5∙20) = 5.338
м2.
Принимаем квадратный фундамент со сторонами a = b =
2,4 м.
A=2,4∙2,4=
5.76 м2.
Среднее напряжение на подошве при расчетных нагрузках:
P = N/A = 2386.616 / 5.76= 0.414 МПа.
Определим полезную высоту фундамента:
hf = h0+50 = -(hk+bk)/4+0,5(N/(Rbt+p))0,5+50 = 540.79 мм.
Так как арматурные выпуски должны быть такого же диаметра, что и арматура
колонны, то для их анкеровки требуется: 20∙d = 20∙18 = 360 мм.
Полезную высоту принимаем конструктивно, из условия, что подколонник
равен 1м и глубина заложения фундамента равна 1,5 м. Принимаем высоту
фундамента hf = 600 мм.
Рис.19
Полезная высота фундамента:
h0 = 1500-50 = 1450мм.
Назначаем две ступени:
нижняя высотой 250 мм.
верхняя 300 мм.
Ширина верхней ступени а1 = hr+2hc = 400+600 = 1000 мм.
Полезная высота нижней ступени hot = 250 мм.
Проверим прочность нижней ступени на продавливание:
с = (а-а1-2∙hot)/2 = (2400-1000-2*250)/2 = 450 мм.
Rbt∙hot = 0.945∙250= 236.25 кН. > p∙c =
0.414*450= 186.454 кН.
Прочность обеспечена.
Расчетный изгибающий момент в сечении по грани колонны:
M1 = 0,125∙p∙(a-hr)2∙b = 0,125*0.414*(2400-400)2*2400=497.212∙106
H∙мм.
Требуемая площадь арматуры в этом сечении:
As1
= M1/(0,9∙h0∙Rs) = 497.212∙106/(0,9∙850∙365)
= 2751.967 мм2.
Расчетный изгибающий момент в сечении по обрезу верхней ступени:
M2 = 0,125∙p∙(a-a1)2∙b = 0,125∙0.444∙(2400-1000)2∙2400=
243.634∙106 H∙мм.
Требуемая площадь арматуры в этом сечении:
As2
= M2/(0,9∙h0t∙Rs) = 243.634∙106/(0,9∙250∙365)
= 2966.62 мм2.
Принимаем по сортаменту 16 Ø 16 А-III (Аs = 3216 мм2.)
Поскольку фундамент квадратный в плане, стержни арматурной сетки
принимаем одинаковыми в обоих направлениях с шагом 200 мм. Защитный слой снизу
25 мм, по бокам 175 мм.
Процент армирования:
μ = As∙100/(b∙h0) =
3216∙100/(2400∙550) = 0.244 % > μ min=
0,05%
Список литературы
1. СНиП
2.03.01-84* Бетонные и железобетонные конструкции.
2. СНиП
2.01.07-85* Нагрузки и воздействия.
. А.П.
Мандриков «Примеры расчета железобетонных конструкций», М.-1979г.
. И.И.
Улицкий «Железобетонные конструкции», Киев.-1959г.
. Методические
указания по расчету железобетонных конструкций.
.
Электронная методичка НГАСУ кафедры ЖБК “MUP M”.