Основы конструирования и технологии электрического аппарата

  • Вид работы:
    Курсовая работа (т)
  • Предмет:
    Физика
  • Язык:
    Русский
    ,
    Формат файла:
    MS Word
    274,03 Кб
  • Опубликовано:
    2014-12-16
Вы можете узнать стоимость помощи в написании студенческой работы.
Помощь в написании работы, которую точно примут!

Основы конструирования и технологии электрического аппарата

МИНИСТЕРСТВО ОБРАЗОВАНИЯ И НАУКИ РОССИЙСКОЙ ФЕДЕРАЦИИ

ФЕДЕРАЛЬНОЕ ГОСУДАРСТВЕННОЕ ОБРАЗОВАТЕЛЬНОЕ БЮДЖЕТНОЕ УЧРЕЖДЕНИЕ

ВЫСШЕГО ПРОФЕССИОНАЛЬНОГО ОБРАЗОВАНИЯ

"Чувашский государственный университет имени И.Н.Ульянова"

Электротехнический факультет

Кафедра электрических и электронных аппаратов



Курсовая работа

"Основы конструирования и технологии электрического аппарата"


Выполнил студент

группы ЭТ-21-09

Власевский А.В.

Преподаватель доцент

Максимов В.М.





Чебоксары 2012

Содержание

1. Исходные данные

2. Расчет пружины сжатия

3. Определение погрешностей пружины

4. Определение суммарной погрешности

5. Определение номинальных размеров конструкции

6. Определение предельных отклонений

7. Решение обратной задачи расчета размерной цепи

8. Схема сборочного состава

Список использованной литературы

1. Исходные данные

Механизм изображён на рис 1.

Рассчитать механизм по исходным данным:

F1 = 65 H,

F2 = 130 H,

A = 65±0,45 мм, B=68 мм.

Рис. 1

2. Расчет пружины сжатия


В качестве материала выбирается стальная углеродистая пружинная проволока-ГОСТ 938975

По табл.22-Сталь повышенной прочности, сортамент-Марка П

.1 Определение жесткости пружины:

 Н/мм,

Определение диаметра провода:

, где

 - Сила, обеспечивающая полную деформацию, F=1.2÷1.25F2, чтобы исключить касание витков.

C=D0/d - конструктивный показатель, характеризующий геометрические размеры пружины, примем C=12

 - допустимый предел выносливости при кручении. Для нормальной проволоки,  = 480 МПа

F =1,2*F2 = 1.2*130=156 H,

 мм

Округлим по ГОСТу  мм

Определение числа витков:

 мм,

 витков,

 мм,

 мм.

D0=C*d=12*3=36мм;

Размеры пружины:

Шаг навивки:

 мм,

Длина пружины в свободном состоянии:

l0 = wt+1,5d = 17*12+1,5*3=208,5 мм

Длина пружины с учетом деформации f3:

l3 = wd+1,5d = 17*3+1,5*3=55,5 мм

l1 = l0-f2 = 208,5-65=143,5 мм

l2 = l0-f1 = 208,5-130=78,5мм

Соблюдается условие l2>l3

Фактическое усилие, получаемое в витках пружины при усилии F2:

;

3. Определение погрешностей пружины


За основу возьмем формулу усилия


f - погрешность на деформацию пружины

. Погрешность по диаметру проволоки


Провод повышенной точности d = 3±0,03 мм, ∆d = 0,03 мм


2. Погрешность по G

G = 80000 мм, ∆G = 1000 мм


3. Погрешность по диаметру пружины


На основании исследований были разработаны практические рекомендации по определению погрешности на D0 {2}

0 = 36±0,4 мм, ∆D0 = 0,8 мм

4. Погрешность по длине пружины


На основании практических рекомендаций можно определить возможную погрешность пружины по высоте после навивки.


. Погрешность по числу витков

 = 17±3/4 витков, ∆w = 1,5 витка


Вывод: Проценты очень большие, но это при крайних соотношениях погрешностей. В реальности погрешности будут меньше.

 

4. Определение суммарной погрешности


Если погрешности носят случайный характер, то закон распределения близок к нормальному и он характеризуется коэффициентом


Процент риска, который характеризуется коэффициентом t:

Р = 10%, t = 1,65


Если F2 = 156 Н и , то  Н.

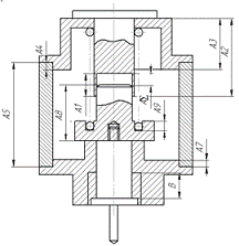
5. Определение номинальных размеров конструкции


Прямая задача

При определении номинальных размеров конструкции вначале за основу берут те размеры, которые получены в результате расчета. Такими являются l1, l2, D0, d, а также размер A, который определяет точность хода подвижного звена(он задан).

Остальные размеры, вспомогательные подбираем конструктивно исходя из условий прочности, жесткости.

Рис. 3

Примем:

=68 мм,=y мм,=x мм,=2x мм,= A6=5 мм,=3 мм,8=A10+C1+A9=71+3+5,5=79,5 мм.

А9=1.5D0=5,5 мм

А10=А1+3=68+3=71 мм.

Рис. 4

Теперь составляем и решаем систему уравнений c двумя переменными размерной цепи:

∑+A2+A9+A12=l1+S+A1∑+A2+A6+A7+A8+A4=A1+A5+A3

+y+5.5+71=143.5+3+68

+73+15+79.5+5=68+3x

х=56.5мм,

y =73 мм.

6. Определение предельных отклонений


A

i

T

1

68(H10)

1.86

0.12

2

73

1.86

0.12

3

56,5

1.86

0.12

4

5

0.73

0.048

5

113(h10)

2.52

0.14

6

5

0.73

0.048

7

10(h10)

0.9

0.058

79,5(h10)

1.86

0.12

9

5,5(H10)

0.73

0.048


 = 900 мкм

Рассчитаем допуски составляющих звеньев, считая, что все детали изготовлены по одному квалитету.

 мк,

что соответствует 10 квалитету ЕСДП.

Делаем проверку


Назначаем предельные отклонения учётом конструктивных технологических особенностей элементов деталей:


Проверка:


Проверка не выпоняется, выбираем из значений ∆С в качестве компенсирующего(неизвестного) ∆С7 и решим основное уравнение для координат середины поля допуска:

0,11=0,12-0,14+х+0,12-0,048=>х=0,49

Определим предельное отклонение компенсирующего размера:

∆S7=∆C7+1/2*T7=0.49+0.029=0.519       =>

∆I7=∆C7-1/2*T7=0.49-0.029=0.461

7. Решение обратной задачи расчета размерной цепи


-е положение пружины (рис 6)

Рис. 6

A1=20.5-0.21; ∆С1=-0,125=45-0.25; ∆С2=-0,125=5±0.6; ∆С3=0=45±0.125; ∆С4=0=3-0.1; ∆С5=-0,05=3-0.1; ∆С6=-0,05=20.5±0.105; ∆С10=0=42.5; Т9=0,25; ∆S9=0.125; ∆I9=-0.125; ∆C9=0∑2+A1=A2-3+A10+A9∑2=73-3+71+5.5-68=78.5

Т∑2 = T1+T2+T10+T9=0.12+0.12+0.12+0.048=0.408 мкм

Т∑2 == 1.22 мм.

∆С∑2 = ∆С2+∆С10+∆С9-∆С1,

∆С∑2 =0-0,12+0,048-0,12=-0,192

∆С∑2 = 0,192 мкм.

∆S∑2 = ∆С∑2 + (1/2)×T∑2 =-0,192 + 0,408/2 = +0.012 мкм,

∆I∑2 = ∆С∑2 - (1/2)×T∑2 =0,192 - 0,408/2 = -0,396 мкм.

а = х×∆S∑2 = +0.012 мкм,

b = х×∆I∑2 = -0,396 мкм мм.

 мм.

Вывод: Метод максимума-минимума предъявляет жёсткие требования к точности составляющих звеньев это связано с предположением, что реализуются предельные значения погрешностей составляющих звеньев и они сочетаются наихудшим образом. Отсюда маленькие допуски.

 

8. Схема сборочного состава


Позволяет оценить конструктивную сложность изделия, количество деталей в узле, наглядно представить сборку изделия, а также служит планом для оформления чертежей.(рис. 9).

пружина сжатие погрешность чертеж


Список использованной литературы


1.        Сахаров П.В. "Проектирование узлов электрических аппаратов"

М.: Энергия, 1971

2.        В.М. Максимов и др. "Расчет размерных цепей деталей электрических аппаратов" мет. Указания к самостоятельным занятиям, курсовым и проектным работам. ЧГУ 1997 г.

3.      Александров К.К., Кузьмина Е.Г. "Электротехнические чертежи и схемы" .Москва, Энергоатомиздат, 1990 г.

.        В. А. Валетов и др. "Технология приборостроения: Учебное пособие" Санкт-Петербург. 2008 г.

.        ГОСТ 6636-69 "Нормальные линейные размеры"

.        ГОСТ 16320-80 "Цепи размерные. Методы расчета плоских цепей".

Похожие работы на - Основы конструирования и технологии электрического аппарата

 

Не нашли материал для своей работы?
Поможем написать уникальную работу
Без плагиата!
Без нейросетей!