Блок измерителей угловой скорости на основе тетрады ВОГ для космического аппарата
Дипломная работа
«Блок
измерителей угловой скорости на основе тетрады ВОГ для космического аппарата»
Введение
Настоящая дипломная работа посвящена разработке блока измерителей угловой
скорости с неортогональной ориентацией осей чувствительности первичных
измерителей угловой скорости, представляющего собой тетраду чувствительных
элементов (ЧЭ), а именно, волоконно-оптических гироскопов (ВОГ) для получения
информации о движениях космического объекта (КО), конструктивно объединенных в
один корпус, обеспечивая при этом необходимые точностные характеристики,
называемого в дальнейшем - блок измерителей угловой скорости
волоконно-оптический (БИУС ВО).
Блок чувствительных элементов (БЧЭ) данной конфигурации необходим для
повышения надежности работы первичных измерителей угловой скорости, т.к.
позволяет сохранять работоспособность прибора при отказе одного измерительного
канала.
Волоконный оптический гироскоп (ВОГ) - оптико-электронный прибор,
создание которого стало возможным лишь с развитием и совершенствованием
элементной базы квантовой электроники. Прибор измеряет угловую скорость и углы
поворота объекта, на котором он установлен. Принцип действия ВОГ основан на
вихревом (вращательном) эффекте Саньяка.
Возможность создания реального высокочувствительного ВОГ появилось лишь с
промышленной разработкой одномодового диэлектрического световода с малым
затуханием. Именно конструирование ВОГ на таких световодах определяет
уникальные свойства прибора. К этим свойствам зарубежные авторы относят:
потенциально высокую чувствительность (точность) прибора, которая сейчас
составляет 0,1 град/ч имение;
малые габариты и массу конструкций, благодаря возможности создания ВОГ
полностью на интегральных оптических схемах;
невысокую стоимость производства и конструирования при массовым
изготовлении и относительную простоту технологии;
малое потребление энергии, что имеет немаловажное значение при
использовании ВОГ на борту;
большой динамический диапазон измеряемых угловых скоростей (в частности,
например, одним прибором можно измерять скорость поворота от 0.1 град/с до 300
град/с );
отсутствие вращающихся механических элементов (роторов) и подшипников,
что повышает надёжность удешевляет их производство;
нечувствительность к большим линейным ускорениям и, следовательно, работоспособность
в условиях высоких механических перегрузок;
высокую помехоустойчивость, нечувствительность к мощным внешним
электромагнитным воздействиям благодаря диэлектрической природе волокна;
При разработке ВОГ учёные и инженеры сталкиваются с рядом трудностей.
Первые связаны с технологией производства элементов ВОГ.
Определенные трудности представляют в изготовление, технологическом
процессе, разработки оптических элементов входящих в состав ВОГ..
Вторую трудность связывают с тем, что при кажущейся простоте прибора и
относительно высокой чувствительности его к угловой скорости вращения он в то
же время чрезвычайно чувствителен к очень малым внешним и внутренним
возмущениям и нестабильностям, что приводит к паразитным дрейфам, т.е. к
ухудшению точности прибора. К упомянутым возмущениям относятся температурные
градиенты акустические шумы и вибрации, флуктуации электрических и магнитных
полей, оптические нелинейные эффекты, флуктуации интенсивности и поляризации
излучения, дробовые шумы в фотодетекторе, тепловые шумы в электронных цепях и
др.
Фирмами и разработчиками ВОГ обе эти задачи решаются. Совершенствуется
технология производства элементов ВОГ, теоретически и экспериментально
исследуются физическая природа возмущений и нестабильностей, создаются и испытываются
различные схемные варианты ВОГ с компенсацией этих возмущений, разрабатываются
фундаментальные вопросы использования интегральной оптики. Точность ВОГ уже
сейчас близка к требуемой в инерциальных системах управления.
Для корректного решения задачи разработки прибора БИУС-ВО необходимо
синтезировать математическую модель изделия, включающую в себя математические
модели измерительных каналов ВОГ и матрицу направляющих косинусов, определяющих
связь тетрады чувствительных элементов с осями системы координат, связанной с
корпусом прибора, разработать основные вопросы конструкции и технологии
изготовления волоконно-оптической катушки, оценить точностные характеристики и
погрешности прибора, рассмотреть вопросы экономической эффективности и охраны
труда.
1.
Теоретическая часть
В теоретической части настоящей работы производится описание
математической модели волоконно - оптического гироскопа - чувствительного
элемента БИУС-ВО, а также вывод матрицы направляющих косинусов, определяющей
связь тетрады чувствительных элементов с осями системы координат, связанной с
корпусом прибора.
.1
Математическая модель тетрады чувствительных элементов прибора БИУС-ВО. Матрицы
направляющих косинусов.
Прибор БИУС-ВО представляет собой тетраду первичных измерителей, оси чувствительности
которых ориентированы по образующей конуса с углом полураствора 54,7356° и развернутых друг относительно
друга на углы, кратные 120° [1]. Прибор состоит из 4 прецизионных волоконно - оптических гироскопов
[16]. Расположение первичных измерителей и ориентация их осей чувствительности
показаны на рис.1. Получим матрицу направляющих косинусов прибора БИУС-ВО при
помощи эйлеровых разворотов оси чувствительности каждого ИК [7,11]. На рис.2
эти развороты осуществляются для оси чувствительности измерительного канала №1.
Здесь b’1=35°15’52” - угол, дополнительный к углу
полураствора конуса b=54,7356°.
Рис.1
Таким образом, матрица направляющих косинусов для оси чувствительности
блока, связывающая системы координат XYZ и объектовые оси имеет вид:
X Y Z1 0 0sinb’2 -cosb’2 sina2 cosb’2 cosa2
Z23 sinb’3 -cosb’3 sina3 cosb’3cosa3
A= (2.1.1)sinb’4 -cosb’4 sina4 cosb’4cosa4
В матрице А углы b’i i=1 - 4 - углы, дополнительные к углу
полураствора конуса, т.е. b’i=35°15’52”. В матрицу А нужно вносить
фактические значения данного угла, включающие в себя погрешности выставки и
изготовления корпуса прибора. Углы ai i=1- 4 - фактические значения углов, для которых теоретические
значения равны 0+ i ´120° . При вычислении реальной матрицы А
используют фактическое значение паспортизованного угла ai , при этом sinai и cosai учитывают с получающимся знаком и
вносят в выражение (2.1.1).
1.2 Описание
принципа действия чувствительного элементе прибора БИУС-ВО - волоконно - оптического
гироскопа.
Принцип действия волоконно - оптического гироскопа основан на «вихревом»
эффекте Саньяка, который был открыт этим ученым в 1913 г. Сущность вихревого
эффекта заключается в следующем [16]. Если в замкнутом оптическом контуре в
противоположных направлениях распространяются два световых луча, то при
неподвижном контуре фазовые набеги обоих лучей, прошедших весь контур, будут
одинаковыми. При вращении контура вокруг оси, нормальной к плоскости контура,
фазовые набеги лучей неодинаковы, а разность фаз лучей пропорциональна угловой
скорости вращения контура W.
Для объяснения вихревого эффекта Саньяка разработаны три теории :
кинематическая, доплеровская и релятивистская. Наиболее простая из них -
кинематическая, наиболее строгая - релятивистская, основанная на общей теории
относительности. Рассмотрим вихревой эффект Саньяка в рамках кинематической
теории [15].
На рис.2 изображен плоский замкнутый оптический контур произвольной
формы, в котором распространяются в противоположных направлениях две световые
волны 1 и 2 (рис.2). Плоскость контура перпендикулярна оси вращения, проходящей
через произвольную точку О. Угловую скорость вращения обозначим W. Участок пути светового луча АВ
примем бесконечно малым, его длину обозначим Δl. Радиус-вектор произвольной точки
контура А обозначим r. Отрезок дуги
AB’ обозначим Δl’. При вращении контура вокруг точки О с угловой
скоростью W линейная
скорость точки А равна v’= W r. Учитывая, что треугольник АВВ’ мал: Δl’=ΔlCos a, где a - угол между вектором линейной скорости точки А ровна v’= W r и касательной АМ к контуру в точке А. Проекция линейной
скорости точек контура на направление вектора скорости света в этих точках
v=v’ Cos a= W rCosa.
Если контур неподвижен, то время обхода участка контура АВ=Δl.Двумя противоположными лучами
одинаково; обозначим его dt.
Тогда
dt = Δl/c = Δl’/cCosa.
При вращении контура с угловой скоростью W кажущееся расстояние между точками А и В для встречно
бегущих лучей изменяется. Для волны бегущей из точки А в точку В, т.е. в
направлении, совпадающем с направлением вращения контура, расстояние Δl удлиняется, так как за время dt точка В переместится на угол dj=Wdt, перейдя в точку С. Это удлинение
пути для светового луча будет равно vdt, поскольку в каждое мгновение луч направлен по касательной к контуру, по
этой же касательной направлена проекция линейной скорости v=v’Cosa=WrCosa. Таким образом, отрезок пути,
проходимый лучом, равен Δl + vdt. Рассуждая аналогично, для встречно бегущего луча
света будет иметь кажущееся сокращение отрезка пути Δl - vdt.
Считая скорость света инвариантной величиной, кажущиеся удлинения и
сокращения путей для встречных лучей можно эквивалентно считать удлиннениями и
сокращениями отрезков времени, т.е.
Δt1=1/c (Δl + vdt)
Δt2=1/c (Δl - vdt)
Подставляя выражения для v и dt, получаем
Δt1,2=1/c [Δl ± W rCosa (Δl’/cCosa)]
Из. Рис.2 следует r Δl’=2 Δs, где Δs площадь сектора АОВ. С точностью до
бесконечно малых второго порядка площадь АОВ можно заменить на Δs. Тогда
Δt1,2=1/c [Δl ± 2( W Δs)/c]
Полное время распространения встречных лучей вдоль всего контура, где
суммирование ведется по числу элементарных секторов, на которые разбит весь
контура
Таким образом, полное время, затрачиваемое лучом бегущим по часовой
стрелке при обходе всего вращающегося контура, больше, чем полное время,
затрачиваемого лучом, бегущим против часовой стрелки.
Разность
времен t1 и t2
или относительное запаздывание встречных волн
Δt= t1 - t2=4SW/c2
где
S - площадь всего контура.
Если
относительное запаздывание встречных волн, возникающее при вращении, выразить
через разность фаз встречных волн, то она составит
где
w=2pv, l=c/v.
Разность
фаз Δjc
называют фазой Саньяка. Как видно, фаза Саньяка пропорциональна угловой
скорости вращения контура. На этом принципе построен интерферометр Саньяка.
1.3 Выбор и
обоснование оптической схемы прибора
Эффект Саньяка может наблюдаться с помощью трех различных оптических
устройств: лазера с кольцевым резонатором, кольцевого пассивного резонатора и
кольцевого интерферометра. Во всех этих устройствах в принципе могут быть
использованы волоконные световоды, однако наиболее проработанным в настоящее
время является вариант ВОГ на основе кольцевого интерферометра.
Максимальными паразитными сигналами в состоянии покоя (минимальный дрейф
нуля) обладает оптическая схема ВОГ на основе кольцевого интерферометра с
пространственно - поляризационным фильтром. Цельноволоконный вариант такой
схемы кольцевого интерферометра в совокупности с методом синхронного
детектирования сигнала от угловой скорости вращения позволили в настоящее время
создать лабораторные макеты ВОГ наибольшей точности -0,01 град\ч. Необходимым
условием достижения такой точности ВОГ является также использование одномодовых
волоконных световодов (ОВС), в которых отсутствует явление межмодовой конверсии
излучения, характерное для многомодовых световодов и приводящее к паразитным
сигналам в ВОГ. Применение ОВС вызывает появление ряда характерных проблем:
низкая эффективность ввода излучения в световод, малые размеры световедущий
жилы (~5 мкм), чувствительность волноводных и поляризационных характеристик к
внешним воздействиям и др.
Поляризационные свойства ОВС приводят к необходимости включения в
оптическую схему ВОГ специальных поляризационных элементов: поляризационных
контроллеров или деполяризаторов.
Однако первый вариант не нашел широкого применения в виду сложности этих
устройств и необходимости механического воздействия на световоды. Второй
вариант более предпочтительней из-за использования в оптической схеме ВОГ
широкополосных источников излучения и сильноанизатропных ОВС [13,16].
Повышением стабильности масштабного коэффициента ВОГ, уменьшение влияния
рэлеевского рассеяния в ОВС кольцевого интерферометра и нелинейных оптических
эффектов, поляризационные характеристики излучения в ОВС - это основные
причины, приводящие к необходимости использования в оптической схеме
широкополосных источников излучения - многомодовых полупроводниковых лазеров и
суперлюминисцентных диодов.
Необходимость регистрации оптического сигнала ВОГ по переменному току, а
также расширения динамического диапазона прибора и улучшения его линейности
приводит к необходимости использования в ВОГ модуляторов различного типа. В
настоящее время наибольшее распространение получили оптические схемы ВОГ с
двумя фазовыми или окустоптическими модуляторами, которые позволяют компенсировать
эффект Саньяка при вращении, то есть создавать замкнутые схемы регистрации
сигнала. Использование фазовых модуляторов более предпочтительно, так как
технология их создания в цельноволоконном варианте более проста, а частоты
модуляции лежат в низкочастотном диапазоне, позволяющем снизить влияние
некоторых паразитных эффектов.
Требованиям технического задания удовлетворяет оптическая схема ВОГ с
широкополосным источником излучения и деполяризатором излучения, с
пространственно-поляризационным фильтром между двумя ответвителями, с двумя
фазовыми модуляторами или многофункциональным интегрально-оптическим элементом
[14, 15]. Последнее и предлагается в данном дипломном проекте. Оптическая схема
прибора приведена в п. 2.5.
1.4
Упрощенная математическая модель канала измерения угловой скорости
Для того, чтобы решить задачу построения полной математической модели
ВОГ, состоящей из математических моделей каждого из функциональных узлов,
необходимо вначале определить структуру системы управления, ее основные динамические
характеристики, такие как запасы устойчивости, полоса пропускания, показатель
колебательности и выбрать метод интегрирования дифференциальных уравнений,
описывающих работу замкнутой системы автоматического регулирования. Такую
задачу можно решить, используя упрощенный вариант математической модели ВОГ.
При синтезе полной математической модели основные динамические характеристики
системы остаются неизменными, а математическая модель отражает реализацию схемы
функциональной электроники, т.е. дает полное представление о работе волоконно -
оптического гироскопа. В данном случае частотные характеристики не
анализируются, а решение системы дифференциальных уравнений производится
методами, выбранными при анализе упрощенной модели ВОГ.
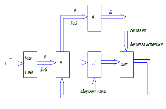
Структурная схема упрощенной системы ВОГ представлена на рис1.
Данная структурная схема используется для оценки полосы пропускания и
показателя колебательности, а также масштабного коэффициента ВОГ [17]. Здесь: fW - частота импульсов на выходе
измерительного канала; Uфчв - сигнал на выходе интегратора фазочувствительного
выпрямителя (ФЧВ); Uфп - сигнал на выходе усилителя фототока (УФТ);
Djc=Kc´W
фаза Саньяка, при этом
Кс=4pRL /lC
W - проекция угловой скорости на ось чувствительного элемента ВОГ, R -
радиус чувствительного элемента ВОГ, т. е. измерительного волоконного контура
(ИВК), L - длина световода ИВК, l - длина волны источника излучения, С - скорость света в
вакууме;
Djв= jв+ (t) - Djв-(t-t)
разность фаз встречных световых потоков, обусловленная вспомогательной фазовой
модуляцией сигналом вида:
Uв=Uвsign(sin2pfвt)
где Uв - амплитуда сигнала вспомогательной фазовой модуляции,
t = Ln0 / С - время обхода светом ИВК (n - показатель преломления
световода), Djв = p/2 (на момент обработки оптического
сигнала в фотоприемном модуле, что обеспечивает наибольшую чувствительность
оптической схемы ВОГ).
Djk=jk+(t)-Djk-(t-t)
разность фаз встречных световых потоков, обусловленная компенсирующей
фазовой модуляцией сигналом Uп.
Dj=Djс+Djв+ Djk
суммарная разность фаз встречных световых потоков.
Р - интенсивность светового потока источника излучения, приведенная к
входу фотоприемного модуля, при этом неидеальность оптической схемы ВОГа
описывается выражением вида:
P=P0 {1 - e0 [ 1 - sign (sin 2p j0 t)]}
где Р0 - постоянная составляющая интенсивности светового потока;
j0, e0 - частота и
степень провала (всплеска) интенсивности светового потока.
Рcos Dj -
составляющая светового потока, содержащая информацию об измеренной скорости,
при этом, на момент обработки оптического сигнала в УФТ имеем
Pcos(Djc ± p/2 + D jk) = P sin (Djc +Djk)
и в установившемся состоянии ( при Djс = Djк)
составляющая:
Рcos Dj = 0 и
следовательно ВОГ является астатической системой автоматического регулирования.
Кфп, Тфп - коэффициент передачи и постояная времени усилителя фототока;
Ки, Тф - коэффициент передачи интегратора и постояная времени синхронных
детекторов фазочувствительного выпрямителя;
Кгп - коэффициент передачи интегратора;
Км - крутизна (эффективность) фазовых модуляторов ВОГ;
Кял - коэффициент передачи логической ячейки.
Исходные предварительные данные для оценки полосы пропускания и
показателя колебательности, а также для расчета масштабного коэффициента ВОГа
приведены в табл. 2.1.
Таблица 1.1
|
Обозначения
|
Величина
|
Обозначения
|
Величина
|
|
Р0 , Вт
|
10-7
|
t, с
|
5,2 ´10-6
|
|
Кфп , В/Вт
|
108
|
jк , рад
|
2p
|
|
Тфп, с
|
10-4
|
Кял ,
|
2
|
|
Ки, с-1
|
103
|
Кс , с
|
3, 55
|
|
Тф ,с
|
10-4
|
R, м
|
6,75´10-2
|
|
Км , рад/в
|
0,5
|
L, м
|
1070
|
|
Кгп , с-1
|
|
l, м
|
0,85´10-6
|
|
I диапазон
|
0,57´104
|
С , м/c
|
3´108
|
|
II диапазон
|
0,57´105
|
|
|
При определении полосы пропускания и показателя колебательности, а также
масштабного коэффициента ВОГ используется АЧХ, построенные на Рис. 1п-4п (для
I-го диапазона, и для II - го диапазона) по передаточной функции замкнутой
системы ФfW/W вида:
ФfW/W (s)= (Wpc(s) ´ Kвог) / (1 + Wpc(s)) , Гц / 0/c
!Ошибка в формуле
Wpc(s) = (P´ Kфп ´ Ки´ Кгп ´ t ´ Км)/ s (Тфп s + 1)(Тф s +1)
В
соответствии с исходными данными, приведенными в табл. 1 имеем:
Квог=
3800 Гц / 0/c, (0,95”/имп)
Wpc1диап(s)=148 / (s (10-4s +1)2)диап(s)=
1480 / (s (10-4s +1)2)
Используя
переход от передаточных функций, записанных в операторной форме к передаточным
функциям, записанным в виде частотных характеристик вида: Wpc1диап(jw) и WpcIIдиап
(jw) и сформировав передаточные функции замкнутой системы управления,
исходя из соотношений вида
Wзciдиап(s)=Wрciдиап(s)/(1+Wрci диап(s)), i=1,2
получим
передаточные функции замкнутой системы управления для двух режимов в виде:
Wзc1диап(jw) и WзcIIдиап (jw) [4]. Отсюда
определяем амплитудную и фазовую частотные характеристики [11,13], исходя из
соотношений
зc(jw)=А(w)еjj(w) = Re(w)+ j Im(w)
А(w)=Ö Re(w)2+Im(w)2 , j(w)=arctg(Im(w)/Re(w))
где
Re(w), Im(w) - реальная и мнимая часть амплитудно фазовочастотной
характеристики Wзc (jw) По получаемым из соотношений (2.4.15) - (2.4.17)
частотным характеристикам замкнутой системы управления для двух режимов работы
ВОГ можно построить амплитудно-частотные характеристики системы, изображенные
на рис. 1п-4п (приложение 1).
.5
Дифференциальные уравнения и выбор алгоритма программной реализации
Для корректного решения поставленной задачи необходимо выбрать алгоритм
реализации программного обеспечения. При этом необходимо учесть ряд факторов.
. Программное обеспечение должно наиболее точно отражать процессы,
происходящие в приборе ИУС ВО, а именно, реакцию системы на реальные движения
основания, возмущающие воздействия, связанные с этими движениями, а также шумы
самих первичных измерителей. (Реакция системы на шумовые воздействия в
настоящем отчете не рассматривается).
. Программное обеспечение должно быть гибким и иметь возможность как
автономной, так и системной работы с головным модулем.
. Алгоритм должен быть реализован методом, обеспечивающим максимальное
вычислительное быстродействие (т.к. задача не должна работать в реальном
масштабе времени, то быстродействие компьютера в расчет не принималось).
Подобная задача может решаться двумя способами:
. Методом непосредственного интегрирования дифференциальных уравнений,
описывающих работу измерителя угловой скорости и линейного ускорения,
получаемых из их передаточных функций замкнутой системы управления.
2 Методом дискретизации и формирования
уравнений в конечно - разностной форме на основе непрерывных дифференциальных
уравнений
В конечном счёте был выбран второй путь решения задачи. Данный выбор
обусловлен следующими соображениями:
. Метод непосредственного интегрирования дифференциальных уравнений
(например, метод Рунге - Кутта - Фельберга с автоматическим выбором шага) [7,
8, 16] дает достаточно высокоточные результаты, однако его программная
реализация для работы задачи в системе связана с определенными сложностями.
Во-первых, требуется запись дифференциального уравнения, описывающего работу
каждого измерительного канала ВОГ в форме Коши [15], так как каждое из данных
уравнений содержит высокий порядок производной, тогда как дискретная форма
записи позволяет записывать уравнение сразу относительно выходной переменной и
получать значения любой производной на каждом предыдущем шаге дискретизации.
. Метод непосредственного интегрирования обладает меньшим
быстродействием, этот факт, не столь важный при автономном решении задачи,
имеет значение при комплексном ее решении в составе математической модели
системы управления объектом.
3 Кроме этого при решении задачи
методом Рунге - Кутта в случае наличия производной в правой части необходимо
знать характер внешнего воздействия в каждый момент времени при организации
опроса головным модулем. В связи с этим, необходимо либо вычислять заранее
значения производной в правой части, либо применять методы численного
дифференцирования известной функции. В реальных же условиях эксплуатации
движения основания могут быть неизвестны заранее. Метод конечных разностей
позволяет представить любую сложную функцию в виде решетчатой функции и
рассматривать ее в качестве последовательности ступенчатых воздействий на
каждом шаге опроса.
4. Недостатком метода решения задачи в конечно-разностной форме является
зависимость точностных характеристик метода от выбора шага дискретизации [10].
Но данный недостаток устраним на этапе отладки модели и сравнения результатов
решений в дискретной форме и методом непосредственного интегрирования.
В качестве критерия оценки точности работы выбранного метода является
сравнение результатов моделирования каждого измерительного канала методом
конечных разностей и методом непосредственного интегрирования дифференциальных
уравнений, а в конечном счете - сравнение результатов моделирования с
результатами натурных испытаний волоконно-оптического гироскопа.
Принципы построения дискретной модели и выбора шага дискретизации
подробнее описаны ниже.
Дискретная
модель канала измерения угловой скорости.
Представив выражения (2.4.13) и (2.4.14) в дифференциальной форме,
получим обыкновенные дифференциальные уравнения (2.5.1) и (2.5.1) с постоянными
коэфициентами с с сосредоточенными параметрами, зависящими от времени
!Ошибка
в формуле
!Ошибка в формуле
где:
fW - частота импульсов на выходе измерительного канала; !Ошибка
в формуле- производные от выходного сигнала по времени; W - значение входного сигнала, в нашем случае - задаваемой угловой
скорости на входе волоконно-оптического гироскопа.
Данные уравнения являются обыкновенными дифференциальными уравнениями
3-го порядка и решаются на каждом шаге внешнего опроса. Начальными условиями на
каждом шаге опроса являются значения предыдущего шага. На первом шаге начальные
условия нулевые. Правая часть данных уравнеий - есть движение осования обьекта,
представляющих собой совокупность наложенных друг на друга линейных,
гармонических и случайных функций, характер которых определяется характером
движения КО на орбите. По этому аналитическое описание правой части, а,
следовательно, и использование метода Рунге - Кутта является в обшем задачей
очень сложной, а в некоторых случаях и нереализуемой.
Произведем дискретизацию полученного дифференциального уравнения с
применением левых конечных разностей [4,10].
Правая разность определяется в момент времени по будущему значению
решетчатой функции. Это можно сделать в тех случаях, когда будущее значение
известно [4], в нашем случае будущие движения КО известными быть не могут, т.к.
ИУС ВО является измерительной системой, а не прогнозирующей.
Производные от выходного сигнала запишутся следующим образом
!Ошибка
в формуле
!Ошибка
в формуле
!Ошибка
в формуле ´ fW(k) - C1´ fW(k-1) + C2´ fW(k-2) - C3´ fW(k-3) = d0´W(k)
где
Ci определяются из соотношения [4]:
!Ошибка
в формуле
где
!Ошибка в формуле
k=3, Сi j соответствует коэффициентам Ckn .
!Ошибка
в формуле
!Ошибка
в формуле
!Ошибка в формуле
!Ошибка в формуле
Выразим
величину выходного сигнала
!Ошибка
в формуле
Выражение представляет собой значение выходной частоты
волоконно-оптического гироскопа в зависимости от входного воздействия, в
качестве которого используется угловая скорость объекта. Значения производных i
- того порядка, заменяются значением выходного сигнала в точке k-i. Полином
осуществляет работу на каждом интервале опроса, задаваемом пользователем.
Дискретная модель ВОГ воспринимает любое движение основания, подаваемое в виде
последовательности импульсов, как последовательность ступенчатых воздействий
различной амплитуды, к значениям которых сходится переходный процесс выходного
сигнала ВОГ на каждом шаге опроса.
Так как в 1 диапазоне полоса пропускания ВОГ не превышает 20 Гц, поэтому
при моделировании на вход волоконно-оптического измерителя угловой скорости в
данном диапазоне не задавались колебания большей частоты, шаг внешнего опроса
должен быть не меньше 50 мс.
Особое место в задачах, связанных с дискретизацией непрерывных систем, а
также в задачах дискретного управления объектами занимает выбор такта
квантования Т0. Чем меньше такт квантования, тем лучше качество процессов
управления и тем выше степень приближения дискретной системы к непрерывной.
Однако, значительное уменьшение такта квантования приводит к большим затратам
на процессы вычисления и управления, что замедляет решение задачи. Поэтому для
выбора такта квантования рекомендуется использовать соотношение: Т0 / T95»1/15.....1/4. Здесь T95 - время
достижения регулируемой координатой величины, равной 95% ее установившегося
значения при ступенчатом изменении задающего сигнала. Еще один критерий выбора
такта квантования определяет теорема Котельникова - Шеннона: Т0£1/(2fmax), где fmax - полоса
пропускания прибора.. В данном случае Т0=10-4, h=0.1 Т0=10-5.
Проверка корректности дискретной модели канала измерения угловой скорости
проводится путем сравнительного анализа с непрерывной моделью, записанной в
форме Коши и проинтегрированной методом Рунге - Кутта - Фельберга с переменным
выбором шага [5]. Получены следующие результаты.
На Рис. 5п и 6п (приложение 2) приведены результаты интегрирования
дифференциальных уравнений (2.5.1) и (2.5.2) методом Рунге - Кутта - Фельберга
при подаче на вход ступенчатого воздействия 3°/c в 1 диапазоне и 30°/c во 2 диапазоне. Результаты для наглядности
приведены в размерности угловой скорости (поделены на масштабный коэффициент
3800, связывающий угловую скорость и частоту). Из Рис.5п видно, что переходный
процесс сходится к установившемуся значению за время порядка 0.02 с. Во втором
диапазоне это время составляет величину порядка 0.004 с. Полученные результаты
полностью соответствуют динамическим характеристикам прибора. На рис.7п и 8п
(приложении 2) представлены результаты интегрирования дифференциальных уравнений
методом дискретизации.
На Рис. 9п и 10п (приложение 2) приведены графики переходных процессов в
канале измерения угловой скорости при подаче на вход воздействия
синусоидального характера частотой 0.5 Гц в 1 диапазоне амплитудой 3 °/c , а во 2 диапаоне амплитудой 30°/c. Из графиков видно, что входное воздействие отрабатывается
практически с идеальной точностью. Снятие воздействия приводит к обнулению
выходного сигнала.
На Рис.11п и 12п (приложение 2) показаны графики переходных процессов ВОГ
в 1 диапазоне при подаче на вход синусоидального воздействия амплитудой 3°/c и частотой 10 и 20 Гц,
соответственно. Видно, что 10 герцовое воздействие нормально отрабатывается
прибором, тогда как 20 герцовый сигнал “зарезается”, вследствие того, что
находится на границе полосы пропускания прибора.
На Рис. 13п (приложение 2) показан график переходного процесса ВОГ во 2
диапазоне при подаче на вход синусоидального воздействия амплитудой 30°/c и частотой 20 Гц. Видно, что в
данном случае воздействие отрабатывается без искажений вследствие широкой
полосы пропускания ВОГ в данном диапазоне.
Как видно из приведенных графиков, идентичность переходных процессов
практически полная, что доказывает корректность выбранного метода решения
задачи.
Кроме этого был проведен анализ и сравнение результатов работы метода
дискретизации и метода Рунге-Кутта-Фельберга, алгоритм которого описан в [9],
относительное отклонение составило 10-4 % (т.е. совпадение абсолютных значений
до 6 знака после запятой).
На основании проведенных исследований можно сделать вывод о полном
соответствии дискретной модели волоконно-оптического гироскопа его непрерывной
математической модели и динамическим характеристикам прибора, что позволяет
использовать разработанную модель канала измерения угловой скорости в общей
математической модели прибора ИУС ВО.
1.6 Полная
математическая модель измерительного канала прибора БИУС-ВО - волоконно -
оптического гироскопа
Математическая модель ВОГ [8] описывает процесс измерения угловой
скорости путем формирования в оптической цепи (выбранной выше) фазовых сдвигов
встречных излучений, интерференции и преобразования интенсивности излучения в
электрический сигнал, соответствующего направлению скорости выхода ВОГ, в виде
последовательности импульсов заданной длительности и частотой, пропорциональной
скорости. При этом в математической модели ВОГ описывается вспомогательная
фазовая модуляция встречных световых волн, предназначенная для смещения на ±p/2 радиан фазы приращения
интенсивности излучения и, тем самым, увеличения чувствительности и обеспечения
индикации направления скорости. Кроме того, описывается компенсирующая фазовая
модуляция встречных световых волн, предназначенная для обеспечения линейности
масштабного коэффициента ВОГ в широком диапазоне угловых скоростей. Устройства
стабилизации температуры и мощности источника излучения в математической модели
ВОГа не описаны. Имитация работы этих устройств возможна при задании в исходных
данных (табл. 1) коэффициента передачи оптической цепи Кс и показателя eр амплитудной модуляции интенсивности
излучения. В математической модели ВОГ учитываются схемотехнические решения по
стабилизации масштабного коэффициента в широком диапазоне скоростей.
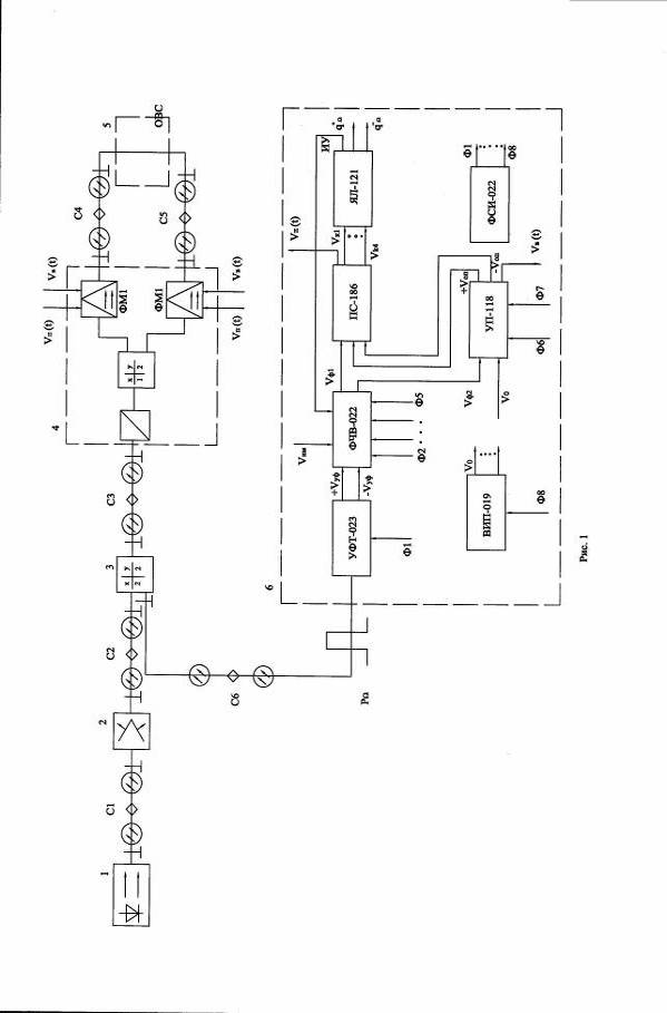
Функциональная схема ВОГ, соответствующая математической модели, приведена на
Рис. 4. При этом оптическая цепь ВОГ содержит источник излучения 1,
деполяризатор 2, разветвитель 3, фазомодулирующее устройство 4 (МИОЭ) и
измерительный волоконный контур 5, а устройство преобразования и выделения
сигнала 6 содержит усилитель фототока УФТ-023 (Рис. 5), двухканальный
фазочувствительный выпрямитель ФЧВ-022 (Рис. 6), преобразователь сигнала ПС-186
(Рис. 7), ячейку логическую ЯЛ-121 (Рис. 8), усилитель - преобразователь УП-118
(Рис.9), формирователь синхронизирующих импульсов ФСИ-022 (Рис. 10) и вторичный
источник питания ВИП-019. Излучение источника 1 (Рис. 4) попадает через
последовательно оптически связанные деполяризатор 2 и входной разветвитель 3 на
интегрально-оптический элемент 4, где проходит через поляризатор П и
расщепляется Y - образным волноводным
распределителем на два равных по интенсивности излучения, встречно
распространяющиеся в измерительном волоконном контуре 5, которые модулируются с
противоположными фазовыми сдвигами широкополосными модуляторами ФМ1 и ФМ2,
включенными в выходные плечи Y - образного
волнового распределителя. Разность фаз Djв имеет вид последовательности знакопеременных прямоугольных
импульсов длительностью t0
(где t0 - время обхода светом
измерительного волоконного контура 5) с частотой, равной удвоенной частоте
сигнала Vв(t), подаваемого на фазовые модуляторы ФМ1 и ФМ2 с первого
выхода УП-118.
Разность фаз Djк,
формируемая пилообразным сигналом Vп(t), подаваемым на фазовые модуляторы
ФМ1 и ФМ2 с основного выхода ПС-186, имеет вид составляющей с уровнем, равным,
а знаком - противоположным фазе Саньяка Djс, суммируемой с последовательностью импульсов, длительностью
t0 и амплитудой 2p радиан с частотой, пропорциональной
задаваемой угловой скорости, и знаком, совпадающим со знаком Djс. При этом амплитуда Djв =p/2 радиан периодически кратковременно увеличивается в
3 раза и, тем самым, при Djномв
¹3p/2 радиан формируется сигнал Vф2(t) со
второго выхода ФЧВ-022. Следовательно, изменяется уровень опорного сигнала Vоп и, тем самым, изменяется амплитуда
сигналов Vв(t) и Vп(t). При этом стабилизируется амплитуда
импульсов Djв =p/2 радиан и Djк=2p радиан, следовательно, стабилизируется
чувствительность и формируется непрерывный процесс компенсации фазы Саньяка и, тем
самым, улучшается помехозащищенность ВОГ. Кроме того, с изменением уровня
опорного сигнала Vоп изменяется
частота следования импульсов с выхода ВОГ (выход ЯЛ-121) и, тем самым,
совместно с термокомпенсирующим звеном в ПС-186 обеспечивается стабилизация
масштабного коэффициента ВОГ. При этом формируемый с первого выхода ФЧВ-022
знакопеременный сигнал Vф1(t) прямоугольной формы имеет частоту,
пропорциональную задаваемой угловой скорости, а его уровень определяется не
только величиной этой скорости, но и коэффициентом передачи интегратора в
ПС-186, регулируемом с целью улучшения соотношения сигнал/шум. Таким образом,
математическая модель ВОГ как канала измерения угловой скорости прибора,
описывающая зависимость выходного сигнала, представляющего собой унитарный код,
частота следования импульсов которого пропорциональна задаваемой угловой
скорости, состоит из математических моделей отдельных узлов, физический смысл и
последовательность работы которых описана выше. Ниже приводятся непосредственно
математические модели каждого из функциональных узлов ВОГ.
1.6.1
Математическая модель оптической цепи ВОГ
Схема оптической цепи представлена на Рис. 4 [8]. Излучение источника 1
попадает через последовательно оптически связанные деполяризатор 2 и входной
разветвитель 3 на многофункциональный интегрально-оптический элемент 4, где
проходит поляризатор П и расщепляется Y - образным волноводным распределителем на два равных по интенсивности
излучения, встречно распространяющиеся в измерительном волоконном контуре 5 и
модулируемые с противоположными фазовыми сдвигами при двухтактной схеме
соединения широкополосных модуляторов ФМ1 и ФМ2, включенных в выходные плечи Y - образного волнового
распределителя. При наличии сигнала Vв (t) вспомогательной и Vп(t) компенсирующей фазовой модуляции встречные излучения,
прошедшие за время t0
измерительный волоконный контур 5, имеют на его выходных концах составляющие
фазового сдвига, обусловленные сигналами Vв (t-t0) и Vп (t-t0). После повторной модуляции
встречные излучения, имеющие составляющие фазового сдвига (с учетом двухтактной
схемы соединения модуляторов ФМ1 и ФМ2) пропорциональные разности сигналов
Vв(t-t0)- Vв(t) и Vп(t-t0)-Vп(t), интерферируют в Y-образном
волновом распределителе. При этом разности фаз Djв и Djк между встречными излучениями равны соответствующему удвоенному фазовому
сдвигу после повторной модуляции, а разность фаз Djс (фаза Саньяка) пропорциональна скорости относительно
оси чувствительности измерительного волоконного контура 5. После интерференции
встречных излучений, имеющих суммарную разность Dj, приращение интенсивности излучения РW на выходе разветвителя 3
пропорционально cos Dj.
Таким образом, математическая модель оптической цепи, описывающая
формирование разности фаз Dj, обусловливающей приращения интенсивности РW с учетом шумовой составляющей
интенсивностью Р~,
действующей в оптической цепи, имеет следующий вид.
Приращение интенсивности излучения, поступающего на вход усилителя
фототока УФТ-023 может быть представлена соотношением
РW=Р cosDj
Интенсивность излучения с учетом шумовой составляющей оптической цепи
определяется выражением:
Р=Р0 + Рш
Шумовая составляющая интенсивности излучения определяется следующим
образом:
Рш= Рш1 + Рш2
Где шумовая составляющая с постоянной частотой амплитудной модуляции:
Рш1= Р0{ep-ep sign[sin (2pfpt - jp)]}
шумовая составляющая с переменной частотой амплитудной модуляции:
Рш2 = epр´Р0´Fp
Суммарная разность фаз встречных излучений определяется из выражения:
Dj=Djc - Djк + Djв
Где фаза Саньяка, описывается:
Djc= Kc1´W/ 57.3
Ксном, при t £ tc
Кс1 =
Kc,
при t > tc.
разность фаз, формируемая сигналом компенсирующей модуляции:
Djк =2Kм ´ (Vп(t-t0)-Vп(t))
разность фаз формируемая сигналом вспомогательной модуляции:
Djв =2Kм ´ (Vв(t-t0)-Vв(t))
Км1, при t £ tм
Км =
Kм2,
при t > tм
Угловая скорость, измеряемая прибором, описывается выражением:
W=W0 + W1´t + Wс sin2pfct
Где Р0 - постоянная составляющая интенсивности излучения;
Рш- шумовая составляющая интенсивности излучения;
Рш1 - шумовая составляющая с постоянной частотой амплитудной модуляции;
Рш2 - шумовая составляющая с переменной частотой амплитудной модуляции;
ep - показатель уровня шумовой составляющей интенсивности излучения;
fp, jp - частота и фаза шумовой
составляющей интенсивности излучения;
epр - показатель уровня шумовой составляющей интенсивности излучения с
переменной модуляцией;
Fp
-функция типа «меандр», с начальной амплитудой Fрш (1 или 0), частотой dp и начальным количеством периодов np, с прямо пропорциональным изменением частоты в Кр раз ;
Djc - фаза
Саньяка;
Djк - разность фаз компенсирующей модуляции;
Djв - разность фаз вспомогательной модуляции;
Ксном, Кс - номинальный и текущий коэффициенты передачи оптической цепи;
tс -
момент времени изменения коэффициента передачи оптической цепи;
t0 - время обхода светом измерительного волоконного контура 5;
Vп(t) - пилообразное напряжение ;
Vв(t) - напряжение знакопеременной
прямоугольной формы;
Км1, Км2 - крутизна (эффективность) фазового модулятора;
tм -
момент времени изменения крутизны фазового модулятора;
W0, W1 - постоянная
составляющая угловой скорости и ускорения;
Wс, fc -
амплитуда и частота гармонической составляющей угловой скорости;
1.6.2
Математическая модель УФТ-023
Схема усилителя фототока представлена на Рис.5 [8].
УФТ-023, выполненный по схеме двойного синхронного детектирования с одним
управляющим входом Ф1, содержит фотоприемный модуль ФМ и два усилителя ДУ1 и
ДУ2 с разделительными конденсаторами на дифференциальных входах,
последовательно соединенных через управляемые синхроимпульсом Ф1 синхронных
детектора Д1 и Д2. Основу фотоприемного модуля ФМ, конструктивно объединяющего
место состыковки оптической и электрической схем ВОГа, составляют фотодиод типа
ФП1-850К с обратно приложенным напряжением смещения, нагруженный на
дифференциальный усилитель с разделительными конденсаторами на дифференциальных
входах, реализованный на базе широкополосных микросхем типа 744 УД2-2«Н».
Рис. 5. Схема усилителя фототока
Реализация усилителей ДУ1, ДУ2 и детекторов Д1, Д2, формирующих,
соответственно сигналы Vу, Vуф и Vд осуществлена на базе микросхем 744УД2-2 «Н» и Б1127КН4-2«Н»
(с нормально замкнутыми контактами).
Детекторы Д1 и Д2 осуществляют «выборку - хранение» сигнала ±Vу, с дифференциальных выходов
усилителя ДУ1 и, тем самым, осуществляется преобразование огибающей сигнала ±Vу в сигнал ±Vд, фаза и амплитуда переменной
составляющей которого определяется синусом суммы фазы Саньяка Djс и разности фаз компенсирующей
модуляции Djк, а частота
равна частоте сигнала Vв(t). При этом операция «выборка -
хранение» осуществляется с учетом длины волны световода ИВК 5, частоты сигнала
Vв(t) и импульсных помех, поэтому низкий уровень синхроимпульса Ф1, подаваемого
на управляющий вход детекторов Д1 и Д2, следует через интервал, равный
полупериоду частоты сигнала Vв(t), а длительность прерывания синхроимпульса Ф1
не более времени t0
обхода светом измерительного волоконного контура 5.
Математическая модель УФТ, описывающая формирование сигнала Vуф, имеет
следующий вид [8].
Сигнал с фотоприемного модуля Vфм с учетом разделительного конденсатора
на входе усилителя и насыщения описывается следующим выражением:
Кфд КпмТпмs
Vфм =Wфм РW,
(Тфдs+1)(Тпмs+1)
Vфм = Vнас(0) ´ signVфм, если ½Vфм½³Uнас(0) ;
Сигнал с выхода дифференциального усилителя ДУ1 с учетом разделительного
конденсатора на входе усилителя и насыщения определяется выражением
Кду1Тду1sу =Wду1 Vфм,
Тду1s+1
у = Vнас(1) ´ sign Vу, если ½Vу½³Uнас(1) ;
На входе детекторов Д1 и Д2 в зависимости от синхроимпульса Ф1
формируется сигнал Vу:
у, если Ф1 = 0
, если Ф1 = 1;
С выходов синхронных детекторов Д1 и Д2 в зависимости от синхроимпульса
Ф1 формируется сигнал Vд, который описывается следующим образом:
д+Vд(t1+n1/f48) , если
Ф1 = 0
Vд(t2+n1/f48) , если Ф1 = 1,
где приращение сигнала Vд с
выходов синхронных детекторов Д1 и Д2:
Кд Vд(t2+n1/f48)
(Vу - ´ h1 ) , если Ф1=0
Vд =
Тдs+1 Кд
; если Ф1 = 1;
показатель знака приращения:
, если sign Vу(n1) = sign Vу
0 , если sign Vу(n1) = -sign Vу(n1+1)
Сигнал с выхода усилителя фототока с учетом разделительного конденсатора
на входе усилителя ДУ2 и насыщения имеет вид:
Кду2Тду2sуф =Wду2 Vд
Тду2s+1уф = Vнас(2) ´ sign Vуф, если ½Vуф½³Uнас(2) ;
Где Кфд , Кпм - коэффициент передачи фотодиода и усилителя фотоприемного
модуля;
Кду1, Кду2, Тду1, Тду2 - коэффициенты передачи и постоянные времени
дифференциальных усилителей ДУ1 и ДУ2;
Тфд , Тпм - постоянные времени фотоприемного модуля ФМ;
Кд , Тд - коэффициент передачи и постоянная времени синхронных детекторов
Д1 И Д2;
h1 - показатель знака приращения Vд.
fj (j=48) - частота сигнала типа
“меандр";
ni - n=0,1,2...
счетчик количества импульсов Ф, где i =1 - соответствует номеру синхроимпульса.
Uнас(0)
-Uнас(2) - максимально возможные
значения Vфм, Vу, Vуф, соответственно (режим насыщения).
.6.3 Математическая
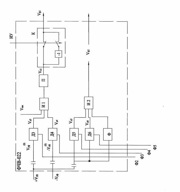
модель ФЧВ-022
Схема фазочувствительного выпрямителя ФЧВ-022 представлена на Рис.6.
ФЧВ-022 выполнен по двухканальной схеме двойного синхронного детектирования с
двумя управляющими входами Ф2,Ф3 и Ф4,Ф5 по каждому из каналов, с выхода
которых формируются сигнал Vф1 на
первом и сигнал Vф2 на втором
выходе ФЧВ-022.
Первый канал ФЧВ содержит интегратор И1, суммирующий сигнал имитации Vим и сигналы Vд3 и Vд4 с
синхронных детекторов Д3 и Д4, соединенных через дифференцирующие цепочки,
формирующих сигналы ±Vуф(0),
с дифференциальными выходами УФТ-023. Выход интегратора И1 через повторитель П
с пассивным фильтром на входе соединен с последовательно-параллельным
коммутатором с инвертором на одном из входов. Выход коммутатора, управляемого
импульсом ИУ с логической ячейки ЯЛ-121, является первым выходом ФЧВ-022.
Второй канал ФЧВ содержит интегрирующий сумматор - вычитатель И2, на
инвертирующий вход которого поступают сигналы Vд5 и Vд6 с
синхронных детекторов Д5 и Д6, а на неинвертирующий - сигнал с фильтрующей цепи
Ф.
При этом входы детекторов Д5 и Д6, а также вход фильтрующей цепи Ф
соединены через дифференциальную цепочку, формирующую сигнал + Vуф(0), с дифференциальным выходом
УФТ-023. ФЧВ-022 реализован на базе микросхем Б140УД17А-2, Б1127КН4-2«Н».
Первый канал ФЧВ-022 формирует сигнал Vф1 знакопеременной формы, фаза которого соответствует
направлению, а частота пропорциональна величине скорости. При этом амплитуда
сигнала Vф1 определяется величиной скорости и
переменным коэффициентом преобразователя сигнала ПС-186. Второй канал ФЧВ-022
формирует сигнал Vф2, величина и
знак которого определяется дрейфом фазовых сдвигов вспомогательной модуляции,
выявляемым при 3-х кратном увеличении амплитуды сигнала Vв (t) в момент подачи синхроимпульсов Ф4 и Ф5 на синхронные
детекторы Д5 и Д6.
Математическая модель, описывающая формирование сигналов, имеет следующий
вид [8].
Сигнал с выхода дифференцирующей цепи описывается:
K´Ts
Vуф(0)
Ts+1
На входе детекторов Д3 - Д6 в зависимости от синхроимпульсов Ф2-Ф5,
соответственно, формируются сигналы Vуф3-Vуф6:
Vуф(0),
если Ф2=1
Vуф3=
, если Ф2=0
Vуф(0),
если Ф3=1
Vуф4=
(2.6.22)
, если Ф3=0
Vуф(0),
если Ф4=1
Vуф5 =
(2.6.23)
, если Ф4=0
Vуф(0),
если Ф5=1
Vуф6=
, если Ф5=0
На выходе синхронного детектора Д3 в зависимости от синхроимпульса Ф2
формируется сигнал Vд3, который описывается следующим образом:
Vд3 +Vд3(t3+n2/f3), если Ф2 = 1
Vд3=
Vд3(t4+n2/f3), если Ф2 = 0
приращение сигнала Vд3 с
выхода синхронного детектора Д3:
Kд3 Vд3(t4+n2/f3)
(Vуф3 - ´ h2) если Ф2 = 1
Vд3= (Tд3s+1) Kд3
если Ф2 = 0;
показатель знака приращения
, если sign(Vуф3(n2))= sign (Vуф3(n2+1))
h2=
, если sign( Vуф3(n2))= -sign (Vуф3(n2+1))
На выходе синхронного детектора Д4 в зависимости от синхроимпульса Ф3
формируется сигнал Vд4, который описывается следующим образом
Vд4 +Vд4(t5+n3/f3), если Ф3 = 1
Vд4=
Vд4(t6+n3/f3), если Ф3 = 0
приращение сигнала Vд4 с
выхода синхронного детектора Д4:
Kд4 Vд4(t6+n3/f3)
(Vуф4 - ´ h3) если Ф3 = 1
Vд4= (Tд4s+1) Kд4
если Ф3 = 0;
показатель знака приращения
, если sign(Vуф4(n3))= sign (Vуф4(n3+1))
0, если sign( Vуф4(n3))= -sign (Vуф4(n3+1))
На выходе синхронного детектора Д5 в зависимости от синхроимпульса Ф4
формируется сигнал Vд5, который описывается следующим образом:
Vд5+ Vд5(t7+n4/f3), если Ф4=1
Vд5 (t8+n4/f3), если Ф4=0
приращение сигнала Vд5 с
выхода синхронного детектора Д5:
Kд5 Vд5(t8+n4/f3)
(Vуф5 - ´ h4) если Ф4 = 1
Vд5= (Tд5s+1) Kд5
если Ф4 = 0;
показатель знака приращения
, если sign Vуф5(n4) = sign Vуф5(n4+1)
0 , если sign Vуф5(n4) = -sign Vуф5(n4+1)
С выхода синхронного детектора Д6 в зависимости от синхроимпульса Ф5
формируется сигнал Vд6, который описывается следующим образом
Vд6+ Vд6(t9+n5/f3), если Ф5=1
Vд6(t10+n5/f3), если Ф5=0,
приращение сигнала Vд6 с
выхода синхронного детектора Д6:
Kд6 Vд6(t10+n5/f3)
(Vуф6- ´ h5), если Ф5=1
Vд6= (Tд6s+1) Kд6
если Ф5 = 0;
показатель знака приращения
0 , если sign Vуф6(n5) = -sign Vуф6(n5+1)
Сигнал с выхода интегратора И1 с учетом насыщения описывается следующим
образом:
Ku1( Tu11s+1)=Wu1(s)(Vд3+Vд4+Vим),
(Tu1s+1)(Tu12s+1)= Uнас(3) ´ signVu1, если ½Vu1½³Uнас(3) ;
где сигнал имитации скорости имеет вид:
Vим=
Кт ´ (Vим1 +Vим2sin2pfимt)
С первого выхода ФЧВ-022 формируется сигнал Vф1, который описывается выражением:
Vu1,
если ИУ=0
Vф1=
(2.6.39)
Vu1,
если ИУ=1
Со второго выхода ФЧВ-022 формируется сигнал Vф2, который описывается выражением:
Кu2 Кф
Vф2=Wu2(Vд5+Vд6)+WфVуф(0)
Tu2s+1 Tфs+1
Где К, Т - коэффициент передачи и постоянная времени дифференцирующей
цепочки;
Кu1, Кu2,T u1, T u2 - коэффициенты передачи и постоянные времени интеграторов
И1 и И2 (по инвертирующему входу с учетом высокоомного шунтирующего
резистора.);
Кф, Тф - коэффициент передачи и постоянная времени интегратора И2 (по
неинвертирующему входу с учетом фильтра Ф);
Кдi, Тдi (i=3,4,5,6) -
коэффициенты передачи и постоянные времени синхронных детекторов (Д3-Д6);
Tu11 ,
Tu12 - постоянные времени
корректирующих RC цепочек с учетом
пассивного фильтра;
Vим1 -
постоянная составляющая сигнала имитации угловой скорости;
Vим2 ,
fим - амплитуда и частота
гармонической составляющей сигнала имитации угловой скорости;
Кт - масштабный коэффициент сигнала имитации угловой скорости.
ni - (i=2-5) n=0,1,2… счетчик количества
синхроимпульсов; i - индекс
счетчика соответствует номеру синхроимпульсов Ф2-Ф5 приходящих из модуля
ФСИ-022.
1.6.4
Математическая модель ПС-186
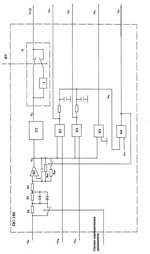
Схема преобразователя сигнала ПС-186 представлена на Рис. 7 [8].
Преобразователь сигнала ПС-186 преобразует прямоугольный знакопеременный сигнал
Vф1 с первого выхода ФЧВ-022 в
пилообразный сигнал Vп (t), формируемый с основного выхода
ПС-186, при этом на дополнительных выходах ПС-186 формируются импульсы
управления Vк1 - Vк4. ПС-186 содержит интегратор И3 с переменной крутизной,
усилитель термокомпенсации УТ, последовательно-параллельный коммутатор К с
инвертором на одном из входов, реализованные на базе микросхем 744УД2-2“Н” и
Б1127КН4-2, а также четыре компаратора К1 - К4 на базе микросхем Б597СА3-2 «Н»
и две RC-цепочки. Накопительный конденсатор
интегратора И3 кратковременно шунтируется ключом, управляемый импульсом Vк4 для повышения быстродействия ВОГа
при изменении знака скорости. Коэффициент передачи интегратора И3 не только
выставляется по команде (исключается резистор R4), но и снижается при нижнем
пределе обоих диапазонов измеряемой скорости (шунтируется диодами резистор R3),
а именно, во II диапазоне (3 °/с £ W £ 30°/с)
уменьшается приблизительно в 10 раз и в I диапазоне (0 °/с £ W £ 3°/с) дополнительно в 2 раза, и, тем
самым, на нижнем пределе обоих диапазонов увеличивается амплитуда сигнала Vф1,
что улучшает соотношение сигнал/шум.
На выходе интегратора И3 формируется симметричный треугольной формы
сигнал, преобразующийся усилителем УТ для обеспечения разности фаз 2p рад в момент сброса “пилы” по
сигналу ИУ, подаваемому на коммутатор К, при этом наклон сигнала Vи3
определяется измеряемой скоростью. Математическая модель ПС-186, описывающая
формирование сигналов Vп(t) и Vк1 - Vк4, имеет следующий вид.
Импульсы управления Vк1 - Vк4 на дополнительных выходах ПС описываются
соотношением:
, если Vu3 ³ Vоп
, если Vu3< Vоп
, если Vu3 £ -Vоп
, если Vu3 > -Vоп
, если Vu3 > 0
, если Vu3 £ 0
, если Vк0< V01
Vк4=
1, если Vк0³ V02, Vк4(t-h)=1
, если Vк0³ V01
Vк0= (Vк1 +Vк2)/ (Tк0s+1)
Симметричный треугольный сигнал Vu3 с выхода интегратора И3 имеет вид:
Vu3=Wu3Vф1, где Wu3=-Кu3/ (Tu3s+1)
Коэффициент передачи и постоянная времени передаточной функции Wu3 принимают значения:
Rш1 /(R2 + R3 + R4),
если Vкч=0
Rш2 /
(R2 + R3 + R4),
если Vкч=1
Rш1 ´С1, если Vк4=0
Rш2 ´ С1, если Vк4=1,
Сопротивления R3 и R4 на входе интегратора И3 принимают
значения:
R3´(1-½ Vф1½/ Vд), если R3 > d
R3 =
(2.6.50)
d ,
если R3 £ d
R4,
если ½W½ £ Wg и ½ Vим ½£ Vим(0)*Кт
R4 =
(2.6.51)
, в остальных случаях
Прямое напряжение шунтирующих диодов:
Vд1,
если R4 = R4
Vд2,
если R4 = 0;
Сигнал с выхода усилителя термокомпенсации c учетом насыщения описывается выражениями:
kут 1
Vут= Vu3
kут 2
Vут = Uнас ´ signVут, если ½Vут½ ³ Uнас ;
Пилообразный сигнал Vп(t) на выходе ПС-186 имеет вид:
Vут,
если ИУ=0
Vут,
если ИУ=1
Где кут1/кут2 - коэффициент передачи усилителя термокомпенсации;
Rш1, Rш2 - шунтирующий резистор в цепи
обратной связи интегратора U3 при
разомкнутом и замкнутом ключе (Vкч=0,Vкч=1);
d -
минимальная величина входного резистора R3;
С1 - емкость конденсатора в обратной связи интегратора И3;
V01, V02- порог срабатывания и отпускания
компаратора К4;
Тк0 - постоянная времени RC-цепи
на выходе компараторов К1 и К2.
1.6.5
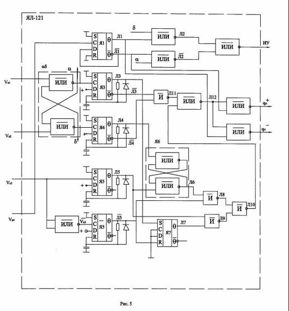
Математическая модель ЯЛ-121
Схема ячейки логической ЯЛ-121 представлена на Рис. 8. Логическая ячейка
построена в виде унифицированного самонастраивающегося устройства, содержащего RS-триггеры (ячейки памяти «ad», Я6, Я7) Д триггеры (делитель
частоты Я1 и формирователи импульсов заданной длительности Я3, Я4, Я5, Я5) и
двухвходовые логические элементы «ИЛИ-НЕ» (микросхемы 765ЛЕ5В-1«Н») и «И-НЕ»
(микросхемы 765ЛА9В-1«Н»).
Ячейки памяти «ad»
и Я6 выполнены на двух элементах «ИЛИ-НЕ» первые входы которых охвачены
перекрестными связями, а вторые входы являются входами ячеек «ad» и Я6. Ячейка памяти Я7 выполнена на
базе Д-триггера (микросхема 765ТМ2В-1«Н») управляющими входами соединенными с
общей шиной. ЯЛ-121 имеет два основных выхода qW+ и qW-, а также один дополнительный выход
ИУ. В соответствии со знаком скорости формируется, с одного из основных
выходов, последовательность импульсов длительностью 3,6 мкс, частота которых по
окончанию переходного процесса пропорциональна измеряемой скорости. С
дополнительного выхода формируется импульс управления ИУ типа «меандр»
скважностью 2, частота которого в 2 раза меньше частоты импульсов с основных
выходов ЯЛ-121. При этом самонастройка ЯЛ-121 осуществляется следующим образом.
С момента появления скорости состояние выходов Л1 и Л1 делителя частоты Я1
может не соответствовать (при смене знака скорости всегда не соответствует) направлению
скорости. В этом случае, после формирования «ЛОГ. 1» с одного из выходов (Vк1 или Vк2) преобразователя ПС-186 состояние выходов ячейки «ad» не меняется, поэтому формируется
«ЛОГ. 1» с выхода Vк4
преобразователя ПС-186. Состояние выходов Л1 и Л1 делителя частоты Я1 изменится
и, тем самым, с дополнительного выхода ЯЛ-121 изменится фаза импульса ИУ и,
одновременно, подается «ЛОГ. 0» на одну из ячеек «ИЛИ-НЕ» на основном выходе
ЯЛ-121 qW+ и qW-.
Поэтому вновь сформированная “ЛОГ. 1” с одного из выходов (Vк1 или Vк2) преобразователя ПС-186 изменяет состояние выходов ячейки
«ad», и, тем самым, с дополнительного
выхода ЯЛ-121 вновь изменится фаза импульса ИУ и, одновременно, с выходов
формирователей Я3 или Я4 появляются короткие импульсы, подготавливающие к
приходу коротких импульсов Л5 и Л5 соответствующую ячейку памяти (Я6 и Я7), а
также формирующие короткий импульс на одном из основных выходов ЯЛ-121 (qW+ и qW-). При этом частота поочередно
следующих коротких импульсов с Я3 и Я4, соответствуют частоте следования
импульсов Vк1 и Vк2, соответственно. Частота следования коротких импульсов Л5
и Л5 соответствует частоте следования переднего (заднего) фронта импульса Vк3, формируемого с выхода
преобразователя ПС-186 и, тем самым, частота коротких импульсов (длительность
3,6 мкс) на одном из основных выходов ЯЛ-121 удваивается и, тем самым,
обеспечивается цена импульса не более 1”, а именно 0,96”.
Математическая модель ЯЛ-121, описывающая формирование импульса
управления ИУ и последовательность импульсов частотой fq с выхода, соответствующего направлению скорости, имеет
следующий вид.
Импульс управления определяется выражением:
, если Л2=0, Л2=0
, в остальных случаях,
где 1, если a=1 (d=0),
Л1=0
, в остальных случаях
, если а=0, Л1=1 (Л1=0);
, в остальных случаях
а(0), при (tj-1+tаб) £t<(tj+tаб)
d(0) , при (tj+tаб) £t<(tj+1+tаб),
, если d(0)=0
, если d(0)=1
t = tj , j= 1,2,3..., если Vki(tj - h) = 0 Vki(tj)=1, i =1,2
Л1(0), при (tк-1+tя1) £t<(tк+tя1)
Л1(0), при (tк+tя1) £t<(tк+1+tя1)
, если Л1(0)=0
, если Л1(0)=1
t = tк , к= 1,2,3..., если Vk4(tк - h) =
0, Vk4(tк)=1.
Последовательность импульсов с выходов ЯЛ-121 описывается следующим
образом
, если Л1=1, Л12=0
q+W= (2.6.64)
, в остальных случаях
, если Л1=0, Л12=0
q-W= (2.6.65)
, в остальных случаях,
Где 1, если Л10=0, Л11=0
Л12= (2.6.66)
, в остальных случаях
, если Л3=0, Л4=0
, в остальных случаях
, если Л8=1, Л9=1
Л10= (2.6.68)
, в остальных случаях
, если Л5=1, Л7=1
, в остальных случаях
, если Л5=1, Л6=1
, в остальных случаях
, при (tа+tя3+tя7) £t<(tк31+tя51+tя7)
, в остальных случаях
t = tа , если а(tа - h) = 0
а(tа)=1
t = tк31 , если Vk3(tк31 - h) = 1 Vk3(tк31) = 0
, при(td+tя4+tя6) £t<(tк3+tя5+tя6)
Л6= (2.6.74)
, в остальных случаях
t = td , если а(td - h) = 1, а(td)=0
t = tк3 , если Vk3(tк3 - h) = 0, Vk3(tк3) = 1
, при(tк3+tя5) £t<(tк3+tя5+tл5),
, в остальных случаях
, при( tк31+ tя51) £t<(tк31+ tя51+tл51),
, в остальных случаях
, при(td+tя4) £t<(td+tя4+tл4)
, в остальных случаях
, при(tа+tя3) £t<(tа+tя3+tл3)
, в остальных случаях
Текущее значение частоты импульсов с выходов qW+ и qW- представлено в виде:
+ = 1/ (th - th-1)
fq- = 1/ (th 1- th1-1)
t = th , h= 1,2,3... при Л1=1, если Л12(th - h) = 1, Л12(th)=0;
t = th1 , h1= 1,2,3... при Л1=0, если Л12(th1 - h)=1, Л12(th1)=0;
Среднее значение частоты импульсов с выходов qW+ и qW- описывается следующим образом:
max {h}
tтек -
tнач
max {h1}
tтек - tнач
Расчетное значение частоты импульсов с выходов qW+ и qW- будет иметь вид:
Fqрасч
= КВОГ ´ W
Где Кс1 Кял
,3 2p´t0
Расчетное значение угла определяется из выражения:
y расч = W0´t + (W1´t2)/2 + Wc´ (1-cos2p´fc´t)/(2p´fc)
Текущее значение угла, определяемое ВОГом, описывается соотношением
y тек = (h - h1)/КВОГ;
Погрешность измерения угла вычисляется следующим образом
Dy =y расч - y тек
Где а(0) -
начальный уровень сигнала “а”;
d(0) - начальный уровень сигнала “d”;
Л1(0) - начальный уровень сигнала Л1;
Л1(0) - начальный уровень сигнала Л1;
tаd - запаздывание установки уровня сигналов
“а” и“d”;
tя1 - запаздывание установки уровня сигналов Л1 и Л1;
tя3 , tл3-
запаздывание и длительность высокого уровня сигнала Л3;
tя4 , tл4-
запаздывание и длительность высокого уровня сигнала Л4;
tя5 , tл5-
запаздывание и длительность высокого уровня сигнала Л5;
tя51 ,tл51-
запаздывание и длительность высокого уровня сигнала Л5;
tя6- запаздывание установки уровня сигнала Л6;
tя7- запаздывание установки уровня сигнала Л7.
.6.6
Математическая модель УП-118
Схема усилителя - преобразователя УП-118 представлена на Рис. 9.
УП-118 [8] формирует с основного выхода знакопеременный прямоугольной
формы сигнал Vв(t) и с дополнительных выходов - опорные напряжения +Vоп и -Vоп. УП-118 содержит цепь из суммирующего усилителя УС,
инвертора с выхода и входа которого формируются опорные напряжения ± Vоп, двух, управляемых синхроимпульсом Ф6,
последовательно-параллельных коммутатора К1 и К2, выходы которых соединены с
входами, управляемого синхроимпульсом Ф7, третьего коммутатора К3, выход
которого является основным выходом УП-118. При этом, коммутаторы К1 и К2 на
одном из входов содержат, соответственно, повторители П1 и П2 с делителями
напряжения на входе, соединенными со входом и выходом инвертора. На
инвертирующем входе усилителя УС суммируются сигналы V0 от источника ВИП-019 и сигнал Vф2 со второго выхода ФЧВ-022, тем самым, во время
трехкратного увеличения (синхроимпульс Ф6=0) амплитуды сигнала Vв(t) изменится уровень ±Uоп при отклонении фазовых сдвигов (сигнал Vф2 ¹0). Математическая модель УП-118, описывающая формирование сигнала Vв(t) с периодически в Коп раз изменяемой амплитудой, для
слежения за крутизной фазовых модуляторов имеет следующий вид.
Величина опорного напряжения, формируемого с выхода УП-118, определяется
соотношением:
V -оп=
- (КупV0 + Куп1Vф2(t))
Амплитуда напряжения вспомогательной модуляции Vв управляемая
синхроимпульсом Ф6 формируется следующим образом:
V -оп,
если Ф6=0
V -оп
/Коп, если Ф6=1
Выходное напряжение с УП-118 будет иметь вид:
в, если Ф7=1
Vв(t) = (2.6.93)
Vв,
если Ф7=0
Где Ф7 - синхронизирующий импульс типа “меандр” частотой вспомогательной
модуляции, равной 24 Гц.
Ф6 - синхроимпульс длительностью прерывания, равной двум периодам
вспомогательной модуляции и частотой следования, равной 3 кГц (кратной частоте
вспомогательной модуляции 24 кГц).
V0 -
номинальная амплитуда сигнала Vв(t), приведенная к одному из входов
суммирующего усилителя в УП-118;
Куп , Куп1 - коэффициенты передачи суммирующего усилителя;
Коп - коэффициент передачи делителя напряжения в УП-118.
Vф2(t) - напряжение, формируемое со
второго выхода ФЧВ-022, поступающее на суммирующий усилитель УП-118 и
предназначенное для стабилизации масштабного коэффициента ВОГ.
.6.7
Математическая модель ФСИ-022
Схема формирователя синхронизирующих импульсов ФСИ-022 представлена на
Рис. 10. ФСИ-022 [8] содержит кварцевый генератор Г, многоканальный делитель
частоты, реализованный на базе двух микросхем 765ИЕ10В-1 «Н», и логическое
устройство реализованное на базе микросхем 765ТМ2В-1 «Н», 765ЛА9В-1 «Н»,
765ЛН2В-1 «Н» и 765ЛЕ5В-1 «Н».
ФСИ-022 формирует синхроимпульсы Ф1 - Ф6 и сигналы Ф7, Ф8 типа «меандр»
скважностью 2, временные диаграмме которых описываются математической моделью
вида:
, если(t1+n1/f48) £t£( t2+n1/f48), где t1=(0.5+x1)/f384, t2=1/ f384, n1=0,1,2...
, в остальных случаях
, если(t3+n2/f3) £t£( t4+n2/f3), где t3=91/ f384, t4= t3+2/f384, n2=0,1,2...
, в остальных случаях
, если(t5+n3/f3) £t£( t6+n3/f3), где t5=99/ f384, t6= t5+2/f384, n3=0,1,2...
, в остальных случаях
, если(t7+n4/f3) £t£( t8+n4/f3), где t7=(115+x4)/ f384, t8=(115+x41)/f384, n4=0,1,2...
, в остальных случаях
, если(t9+n5/f3) £t£( t10+n5/f3), где t9=(123+x5)/f384, t10=(123+x51)/f384, n5=0,1,2...
, в остальных случаях
, если(t11+n6/f3) £t£( t12+n6/f3), где t11=(107+x6)/f384, t12=(107+x61)/f384, n6=0,1,2...
, в остальных случаях
, если М24=0
, если М24=1
, если М48=0
, если М48=1
М24=0.5[1+sign(sin2pf24(t-t24))], где t24=7/f384
М48=0.5[1+sign(sin2pf48(t-t48))], где t48=3/f384
Где fj (j=3,24,48,384) - частота типа “меандр", используемая в
математической модели для формирования синхроимпульсов Ф1-Ф8.
x1,x4, x41,
x5, x51, x6, x61 - временные задержки;
ni i =1-6 - счетчики
количества импульсов Фi, где
i - соответствует номеру
синхроимпульса.
Вторичный источник питания ВИП-019, выполненный по схеме однотактного
обратноходового преобразователя, содержит силовой трансформатор, выпрямительные
диоды, фильтры разнополярных выходных каналов, блок запуска и схему управления,
на управляющий вход которой подается сигнал Ф8 с ФСИ-022.
оптический гироскоп канал измерение скорость
Таблица 2.2
|
Шаг дискретизации
|
Т0, с
|
0,5 10-7
|
Ки1
|
3,8*106
|
|
 P0, Вт
|
10-7
|
Ки2
|
3,3*104
|
|
|
ep
|
0 (0,25)
|
Кф
|
0,2
|
|
fp, Гц
|
24000
|
Кд3
|
0,6
|
|
jp,
рад
|
p (0)
|
Кд4
|
0,6
|
|
dp
|
1500
|
Кд5
|
0,6
|
|
np
|
150
|
Кд6
|
0,6
|
|
kp
|
2
|
Кт
|
1
|
|
epp
|
0(0,5)
|
К
|
0,6
|
|
Fpш
|
1 (0)
|
Т, с
|
1,2*10-3
|
|
Kc, с
|
3,56 (-3,56)
|
Ти1, с
|
104
|
|
Ксном, с
|
3,56
|
Ти2, с
|
104
|
|
tc, с
|
0 (0,2)
|
Ти11,с
|
2,65*10-4
|
|
tм, с
|
0 (0,2)
|
Ти12, с
|
0,56*10-3
|
|
Км1 рад/В
|
1
|
Тф,с
|
0,03
|
|
Км2, рад/В
|
1 (1,2)
|
Тд3, с
|
0,5*10-5
|
|
t0, с
|
5,28*10-6
|
Тд4, с
|
0,5*10-5
|
|
V0, В
|
0,375
|
Тд5, с
|
0,5*10-5
|
|
|
Куп
|
1
|
Тд6, с
|
0,5*10-5
|
|
Куп1
|
1
|
Vим0, В
|
1 (5)
|
|
Коп
|
3
|
Vим1, В
|
0 (1;5)
|
|
Кут1
|
4
|
Vим2, В
|
0 (1;5)
|
|
|
Кут2
|
3
|
fим, Гц
|
0 (10)
|
|
Uнас, В
|
14
|
Uнас3, В
|
14
|
|
Rш1, Ом
|
109
|
Uнас4, В
|
14
|
|
Rш2, Ом
|
³ 4
|
Кфд, а/Вт
|
0,5
|
|
R2, Ом
|
5,62*103
|
Кпм, Ом
|
1,3*106
|
|
R3, Ом
|
56*103
|
Кду1
|
30
|
|
R4, Ом
|
56*103
|
Кд
|
0,6
|
|
d, Ом
|
0
|
Кду2
|
17
|
|
Vд1, В
|
1
|
Тфд, с
|
>10-6
|
|
Vд2, В
|
1
|
Тпм, с
|
4*10-2
|
|
Wд, °/с
|
3
|
Тду, с
|
6*10-2
|
|
С1, Ф
|
1,54*10-8
|
Тд, с
|
>10-6
|
|
V01, В
|
0,5
|
Тду2, с
|
0,48
|
|
V02,В
|
£ 0,5
|
|
|
|
Тко, с
|
2,2*10-5
|
Uнас0, В
|
14
|
|
а(0)
|
0 (1)
|
14
|
|
|
d(0)
|
1 (0)
|
Uнас2, В
|
14
|
|
Л1
|
0 (1)
|
F3, Гц
|
3000
|
|
Л1
|
1 (0)
|
F24, Гц
|
24000
|
|
tаd
|
0¸0,2*10-6
|
F48, Гц
|
48000
|
|
tя1
|
0¸0,2*10-6
|
F384, Гц
|
384000
|
|
tя3
|
0¸0,2*10-6
|
x1
|
0
|
|
tя4
|
0¸0,2*10-6
|
x4
|
0
|
|
tя5
|
0¸0,2*10-6
|
x41
|
2
|
|
tя_5
|
0¸0,2*10-6
|
x5
|
0
|
|
tя6
|
0¸0,2*10-6
|
x51
|
2
|
|
tя7
|
0¸0,2*10-6
|
x6
|
0
|
|
tл3
|
3,6*10-6
|
x61
|
16
|
|
tл4
|
3,6*10-6
|
W0, °/с
|
0 (1;5)
|
|
tл5
|
3,6*10-6
|
W1,°/с2
|
0 (±1)
|
|
tл_51
|
3,6*10-6
|
Wc°/с
|
0 (1;5)
|
|
Кял
|
2
|
fc, Гц
|
0 (10)
|
.7 Основные
результаты математического моделирования
В таблице 2.2 приведены исходные данные для функциональных узлов ВОГ. При
этом для обеспечения устойчивости и полосы пропускания ВОГ, близкой к
расчетной, в схеме ФЧВ-022 пассивный фильтр содержит конденсатор 0,1 мкф, на
входах суммирующего интегратора И1 установлено сопротивление 30 кОм. В МИОЭ
крутизна фазовых модуляторов принята равной 1 рад/В. Фильтрующая цепь на
неинвентирующем входе интегрирующего сумматора И2 содержит делитель напряжения
с коэффициентом передачи 0,2. Номинальный уровень опорного напряжения Uоп, формируемого в УП-118, составляет
1,18 В.
Результаты моделирования ВОГ представлены в Приложении к дипломной работе
на рис. 14п-31п в виде графиков номинальной частоты fqрасч и частоты импульсов
fq+ и fq- с выходов qW+ и
qW-, соответственно, а также графиков
расчетного угла yрасч
и текущего угла yтек,
определяемого по числу импульсов с выходов qW+ и qW-.
На рисунках приложения 3 приведены характеристики переходного процесса
[3,10] в I и II диапазоне, соответственно. В I диапазоне процесс устанавливается за время 0,12 с, во II диапазоне процесс устанавливается за
время менее 0,01 с. С момента времени 0,2 с в 1,2 раза увеличена крутизна
фазовых модуляторов относительно номинальной крутизны фазовых модуляторов (1
рад/В), тем самым имитируется дрейф фазовых сдвигов излучений и проверяется
работа канала стабилизации масштабного коэффициента ВОГа (КВОГном=3745,5Гц/°/с).
На рис. приложения 3 приведены графики частоты импульсов fq (рис. 14п) и
угла y (рис. 15п) при скачке скорости W = +1°/с.
На рис. приложения 3 приведены графики частоты импульсов fq (рис. 16п) и
угла y (рис. 17п) при скачке скорости W = +5°/с.
На рис. приложения 3 приведены графики частоты импульсов fq и угла y при переключении диапазонов
измерения при достижении скорости W = +3°/с.
На рис. приложения 3 приведены графики частоты импульсов fq (рис. 18п) и
угла y (рис. 19п) при переключении из I-го диапазона измерения во II-ой диапазон (скорость W0 = +2,8°/с и ускорение W1 = +1°/с2).
На рис. приложение 3 приведены графики частоты импульсов fq (рис. 20п ) и
угла y (рис. 21п) при переключении из II-го диапазона измерения в I-ый диапазон (скорость W0 = +3,2°/с и ускорение W1 = -1°/с2 ).
На рис. приложения 3 приведены графики частоты импульсов fq (рис. 22п) и
угла y (рис. 23п) при синусоидальном
изменении скорости W с
амплитудой 3°/с и частотой
5,0 Гц.
На рис. приложения 3 приведены графики частоты импульсов fq при скачке
напряжения имитации Vим = 1В, при
номинальной (рис. 24п) и уменьшенной в 2 раза (рис. 25п) мощности излучения Р0
= 0,5×10-7Вт.
На рис. приложения 3 приведены графики частоты импульсов fq (рис. 26п) и
угла y (рис. 27п) при амплитудной модуляции
приращения мощности излучения до уровня 1,5Р0 с кратными частотами 1,5 кГц,
3кГц, 6кГц, 12кГц, 24кГц, 48кГц, 96кГц, 192кГц, 384кГц через интервал 0,1с.
Таким образом оценивается влияние кратных гармоник мощности излучения на
масштабный коэффициент ВОГ.
На рис. приведены графики частоты импульсов fq (рис. 28п) и угла y (рис. 29п) при амплитудной модуляции
приращения мощности излучения до уровня 1,5Р0 с частотой 24 кГц и фазовым
сдвигом p рад.
На рис. приведены графики частоты импульсов fq (рис. 30п) и угла y (рис. 31п) при амплитудной модуляции
приращения мощности излучения до уровня 1,1Р0 с частотой 24 кГц и фазовым
сдвигом p рад.
Из анализа результатов моделирования следует:
1. Погрешность измерения угла во время
переходного процесса при увеличении скорости уменьшается, а именно, с - 0,02° при скачке скорости +1°/с (рис. 1) до - 0,004° при скачке скорости +5°/с. При этом в установившемся
состоянии частота импульсов fq с
выхода ВОГ пропорциональна скорости и определяется соотношением:
fq = fqрасч/(1-De)
где fqрасч = КВОГ´W,
De £ h ´fqрасч
КВОГ = 3745,5 Гц/(°/с)
- масштабный коэффициент ВОГ,
h =
0,5 ´10-7 - шаг дискретизации при математическом моделировании.
2. Методическая погрешность измерения
угла (в установившемся состоянии) определяется следующим выражением:
Dy £ 1/ КВОГ
Выражение (2.5.2) получено из разности между углом, определяемым по числу
импульсов с выхода ВОГ и расчетным углом, а именно:
Dy = yтек - yрасч
yтек = h/КВОГ
yрасч = W´Тизм
где интервал измерения Тизм описывается соотношением:
Тизм = h ´Трасч + Dt
где Dt £ Трасч, приращение к сумме расчетных
интервалов (Трасч = 1/fрасч)
при наличии h импульсов в
интервале Тизм.
Преобразуя выражение (2.7.3) через (2.7.5) и (2.7.4) с учетом (2.7.6)
получим выражение (2.7.2), из которого следует, что методическая погрешность
измерения зависит от масштабного коэффициента ВОГ и составляет не более 0,96''.
3. Дополнительная погрешность измерения
угла при наличии дрейфа фазовых сдвигов излучений, имитируемых скачкообразным
увеличением в 1,2 раза крутизны фазовых модуляторов, составляет +0,004° и +0,008°, при измерении скорости +1°/с (рис. 14п-15п) и +5°/с (рис. 16п-17п), соответственно.
При этом в установившемся состоянии частота импульсов fq с выхода ВОГа пропорциональна скорости и определяется
соотношением (2.7.1).
4. Дополнительная погрешность измерения
угла при переключении диапазона измеряемой скорости составляет +0,11° и -0,05° при переключении из I во II диапазон
(рис. 18п-19п), и из II в I диапазон (рис. 20п-21п), соответственно.
5. Амплитудно-фазовые искажения угла при
измерении знакопеременной скорости (рис. 22п-23п) характеризуют наличие в 1
диапазоне полосы пропускания не более 10 Гц.
6. Модель позволяет задавать входное
воздействие в виде скорости движения объекта. Для дополнительного исследования
интенсивности излучения и параметров УФТ-023 на вход интегратора первого канала
ФЧВ-022 подается напряжение имитации (рис. 24п-25п), которое позволяет
определить отклонения этих параметров. При штатной работе прибора напряжение
имитации должно отсутствовать.
7. Дополнительная погрешность измерения
угла при наличии амплитудной модуляции мощности излучения (рис. 26п-27п) зависит
от уровня и фазы амплитудной модуляции на частоте вспомогательной фазовой
модуляции, а именно, при уровне амплитудной модуляции мощности излучения 1,5Р0
(рис. 28п-29п), 1,1Р0 (рис. 30п-31п) погрешность измерения угла через интервал
0,1 с. составляет не более 10”, 2.5”, 0.6”, соответственно.
2.
Расчетно-конструкторская часть
2.1 Расчет
основных параметров оптической цепи прибора.
Основными параметрами оптической цепи волоконно-оптического датчика
угловой скорости считаются: длинна измерительного контура (волновода) и диаметр
катушки волоконно-оптического контура.
Для определения оптимальных значений этих параметров необходимо
рассчитать амплитуду и фазу вспомогательной модуляции.
.1.1
Определение амплитуды вспомогательной модуляции.
Параметры волоконно-оптического контура (L,D) рассчитываются
путем математического анализа схемы обработки сигнала [16].
Зависимость мощнсти излучения, приходящего на фотодиод в идеальном случае
имеет вид
Pфд = ½Pист ( 1 +cosΔφс )
где Рфд- мощнсть излучения, приходящего на фотодиод,(Вт);
Рист-мощность излучения источника,(Вт);
Dj-фаза Саньяка,(рад).
Рфд=½·2·10-3·(1+cos0,2)=1,9·10-3 (Вт).
Данная зависимость имеет ряд недостатков, таких как: четность функции
cos, из чего следует невозможность определения направления движения;
производная по Δφс есть sin, это говорит о низкой
чувствительности прибора; нелинейность функции. По этому необходим сдвиг фаз на
π/2 ( рад).
Статистический сдвиг фаз практически не реализуем. В данном случае
применяется динамический сдвиг фаз на φmsinωt.
После динамического воздействия зависимость примет вид
Рфд=½Рист[1+cos(φc + φmsinφt)]
где φm - амплитуда сигнала вспомогательной модуляции,(рад);
ω- частота сигнала вспомогательной
модуляции (с-1).
Проведя косинусное преобразование получим
cos(Δφе + φmsinωt)=cosΔφеcos(φmsinωt)-sinΔφеsin(φmsinωt)
Рфд=½Рист[1 + cosΔφеcos(φmsinωt)-sinΔφеsin(φmsinωt)
Функции sin(φm sinωt) и cos(φmsinωt) можно представить как Функция
Бесселя неотрицательного целого порядка. Они могут быть получены как
коэффициенты разложения рядов Фурье.
cos(φmsintω)=Ί0(φm)+2
Ί2k (φm)
cos2ktω(φmsintω)= 2
Ί2k-1φmsin(2k-1)tω
Ί
, при (|argφm|<π)
где
Г’-гамма функция.
После
подстановки (3.1..5) в (3.1.4) мы получим следующие выражение
Рфд=½Рист{1+cosΔφc[(φm)+2Ί2(φm)cos2ωt+…]
sinΔφc[2Ί1(φm)sinωt+2Ί3(φ)sin3ωt+…]}
Полученное
выражение представляет собой набор гармоник, которые в сумме составляют сигнал,
приходящий на УФТ.
Если
избавится от вторых гармоник, содержащих чётные функции cos,
для чего на выходе фотодиода ставиться полосовой усилитель, настроенный на 1-ю
гармонику, то получим мощность пропорциональное
Рфд~РистΊ1(φm) sinωt sinΔφc
После
синхронного детектирования на входе усилителя фототока получаем мощность
издучения
Рфд~РистΊ1(φm) sinΔφc
Наибольшая
чувствительность прибора в данном случае будет достигаться при максимальном
значении Ί1(φm).
Анализируя
график функции Бесселя первого порядка можно сказать, что его максимальное значение
будет при φm=1,84(рад). Подставляя полученное значение в (3.1.7)
определим
Рфд~2·10-3·0,6·sin0,2=2,4·10-3
(Вт).
При
подаче на модулятор напряжения равного
U=a sinωt,
где
a- амплитуда напряжения, (рад);
циклическая
частота, (с-1):
ω=2πf
f- частота,
(Гц);
фаза
каждого луча изменится на соответствующие величины:
для
первого луча
φ1=a sinωt
для
второго луча
φ1=a sinω(t+τ)
φm=φ1-φ2=a·[sinωt - sinω(t+τ)]
Представим
разность синусов как произведение , т.е.
sinωt -
sinω(t+τ)=½ sin
·cos
Подставляя (3.1.13) в (3.1.12) и произведя некоторые преобразования,
получим
φm=
Анализируя
полученное выражение (3.1.14) можно заменить, что при
ωτ=π
мы
получим максимальное значение разности динамического воздействия φm.
Тогда после преобразования (3.1.14), применив формулы приведения, мы получим
φm=
=
·sinωt.
Пренебрегая
переменной составляющей в (3.1.16) видно, что
a=2φm=3,68
2.1.2
Определение диаметра ВОК
Из формулы (2.2.8) выразим произведение диаметра и длины
волоконно-оптического контура
В
первом приближении функцию sinΔφc можно считать прямолтнейной при значении Δφc=±0,2(рад). В ВОГ для удобства и простоты съема
сигнала на выходе должна быть прямолинейна зависимость.
Подставляя
максимально-допустимые значения Δφс и максимальную измеряемую скорость вращения Ω=3(град./сек)=0,052(рад/сек) в формулу можно получить
произведение диаметра и длинны волокна
(м2).
Исходя
из технического задания и конструктивных соображений диаметр можно принять
равным D=0,15 (м). Тогда допустимая длинна волокна будет
равняться
(м).
2.1.3 Выбор
частоты вспомогательной модуляции
Зная что оптимальная длинна волоконного контура равна L=1016 (м), можно рассчитать
необходимое время обхода контура одним лучом [16]
где
L- длинна волоконного контура, (м);
n- коэффициент
преломления света в кварце, n=1,46;
с-
скорость света в вакууме, с=3·108 (м).
Тогда
подставляя значения получим
=
4,94·10-6.
Подставив
значение τ
в (2.15) получим
=635949,9
(с-1).
Выразим
из (2.9а) f
Подставим
в полученную формулу ω,
получим
(Гц).
Наиболее
стабильная частота генерирования имеется у кварцевого генератора, которая равна
384 кГц. Разделив данную частоту на 4 мы получим 96 кГц, наиболее приближенную
к найденой. Примем f =96·103 Гц.
2.1.4
Определение длины волоконно-оптического контура.
Так как частота генерирования импульсов вспомогательной модуляции равна
96 кГц, по формуле(3.1.9а) найдём [16]
Ω=2π·96·103= 603185,8 (с-1).
Тогда время обхода контура одним лучом будет равно
τ=π/603185,8=5,2·10-6 (с).
Подставляя полученные значения в (3.1.19) найдём длину волоконно-оптического
контура
1070,2
(м).
В
приведённых расчётах были определены следующие основные параметры оптической
цепи прибора:
·
длинна
волоконно-оптического контура- L=
1070,2 (м);
·
диаметр
волоконно-оптического контура- D=
0,15 (м);
·
амплитуда
вспомогательной модуляции- a=
3,68 (рад);
·
частота
вспомогательной модуляции- f= 96
(кГц).
2.2 Расчёт
усилителя фототока.
2.2.1 Переход
к прямоугольной вспомогательной модуляции.
Вспомогательное синусоидальное динамическое воздействие имеет ряд
недостатков, таких как:
·
необходимость
применения полосового усилителя, что усложняет схему усилителя фототока (далее
по тексту УФТ);
·
остаточное
присутствие второй гармоники на выходе УФТ, несмотря на применение полосовых
усилителей;
·
необходимость
съема сигнала на линейных участках синусоиды.
Как видно на рис.1(приложение 1) при появление фазы Саньяка (то есть
наличие вращательного движения вокруг чувствительной оси прибора) на выходе
интерферометра появляется первая гармоника, на которой сказывается влияние
второй, в виде дополнительных парных пиков на максимумах. Хотя на чистоту
первой настроены полосовые усилители, полностью отсечь влияние не желательных
воздействий не удается.
В альтернативу синусоидальной вспомогательной модуляции можно сопоставить
прямоугольную форму модулирующего напряжения, которая имеет ряд дополнительных
преимуществ.
Применение прямоугольной формы модуляции позволяет избавится от вредного
воздействия второй гармоники. Что несомненно упрощает электрическую схему
усилителя фототока, отсутствием потребности и необходимости полосовых
усилителей.
При переходе на прямоугольную форму модулирующего напряжения можно уйти в
область более низких частот. В данном приборе реализована частота 24 кГц. В
приложении приведены графики , анализ которых даст наглядное представление о
преимуществах применения прямоугольного динамического воздействия.
При использовании прямоугольной модуляции фаза Саньяка Δφс будет иметь вид функции типа
«меандр». Что значительно упрощает усиление и съем сигнала.
2.2.2 Расчет
усилителя фототока.
Расчет усилителя фототока произведем исходя из требуемого коэффициента
усиления сигнала, который пропорционален измеряемой угловой скорости вращения Ω.
Излучение, испускаемое источником, приходит на фотодиод со значительным
ослаблением мощности. Это связанно с оптическими потерями в
волоконно-оптическом тракте. Основные потери оптического тракта можно свести в
таблицу.
Таблица 3.1
|
№ п/п
|
Наименование элемента
оптического тракта.
|
Количество проходов через элемент.
|
Величина потерь, дб
|
|
1
|
Деполяризатор.
|
1
|
0.5.
|
|
2
|
Ответвитель.
|
2
|
1
|
|
3
|
МИОЭ.
|
2
|
7
|
|
4
|
ВК.
|
1
|
4
|
|
5
|
Ответвитель (деление
излучения)
|
2
|
3
|
|
6
|
Сварка волокна.
|
9
|
0.3
|
Определим сумму потерь.
a= 0,5 + 1·2.+ 7·2+4+3·2+0,3·9=29,2 (дб).
Рассчитаем коэффициент ослабления излучения испускаемого источника при
прохождении оптического тракта логарифмическим преобразованием
a=10 lg косл
где косл- коэффициент ослабления излучения оптическим трактом.
Выразив косл через a
получим
косл =10a/10=102,9=794,3.
Зная
мощность источника излучения Рист= 2мВт и коэффициент ослабления можно
определить мощность принимаемую фотодиодом. Так же необходимо заметить, что
фотодиод принимает не весь диапазон мощности, а только его часть (1/4 max).
Наглядно в этом убедиться можно проанализировав рис.16. Это связано с тем, что
измеряемая фаза Саньяка находится в пределах
.
Мощность излучения на фотодиоде определим по формуле [16]
Рфд=
Подставляя
значения получим
Рфд=
Ток выделяемый фотодиодом равен произведению мощности излучения и
коэффициента передачи фотодиода (Кфд= 0,8 А/Вт)
Подставляя значения получим
Нагрузочное
сопротивление фотодиода равно Rф = 43·103 (Ом).
Зная сопротивление и силу тока по закону Ома можно определить
Vmax =
J·Rф
Подставляя значения получим
Vmax =
0,5·10-6·43·103 =21,5·103 (B)
Максимальное напряжение сигнала используемое для последующих
преобразований должно равняться Vmax =
15 В.
Таким образом зная необходимое напряжение и напряжение на выходе
фотодиода можно определить необходимый коэффициент усиления УФТ.
Куфт=
где
V max-необходимое напяжение, В;
V фд max-
напряжение на выходе фотодиода.
Куфт=
Приняв
количество каскадов равное трем, выберем коэффициент усиления каждого каскада
Кус=29 для двух и один каскад с регулируемым коэффициентом усиления. Это
допущение необходимо потому, что в зависимости от комплектации прибора
коэффициент ослабления мощности излучения может меняться.
Выбрав
схему усилителя, приведенную на рис.15, найдем номиналы сопротивления.
Коэффициент усиления при таком включении равен
Кус=
Номинал
сопротивления R2 выберем равным 43 кОм.
Величина
этого сопротивления влияет на ток обратной связи. Таким образом, выразив R1 из
(2.20) получим
R1=
Подставляя
значения
R1=
(кОм)
На
выходе каждого операционного усилителя поставим фильтр (рис.16), настроный на
частоты от 49с-1 и выше.
Постоянная
времени равна
Т=
Подставляя значение получим
Т=
Таким
образом
=T
Для
того, чтобы не покупать резисторы разных номиналов выберем
R=43кОм.
Тогда
из (3.2.10) выразим
С=
Т/R
С
=
Для
надежности работы УФТ емкость продублируем.
Второй
каскад усилителя выберем с такой же схемой и номиналами.
После
второго каскада установим синхронный детектор работающий по сигналу с
синхроимпульсного блока. На входе детектора установим разделяющее сопротивление
с номиналом 1500 Ом.
На
выходе детектора установим «ключ», который будет удерживать потенциал получения
сигнала. Это необходимо для того, чтобы далее схема обработки сигнала работала
со стробами длительностью TRC.
Подставляя значения получим
T=
Таким
образом номиналы элементов необходимо подбирать исходя из достаточной величины
постоянной времени RC.
Так
как время обхода контура одним лучом равно τ=5 мкс, то
TRC=
2,5·10-6
Зададимся
большим сопротивлением R=510 кОм и вычислим величину емкости по
С=
После
каждого каскада на опорное напряжение установим фильтр,для того, чтобы работа
одного каскада никак не сказывалось на работе другого.
Принятые
значение элементов указаны в спецификации на электрическую схему УФТ.
.3 Расчет
фазового модулятора.
Основным параметром фазового модулятора является коэффициент передачи
Кфн= Dj/DV
Произведем расчет коэффициента передачи исходя из максимальной измеряемой
скорости [16]. Максимально измеряемая скорость в данном приборе равна
W= 3 °/с=10800 дуг.с.
В связи с тем, что масштабный коэффициент электронной части равен км@1 (дуг.с/имп.),то частота следования
импульсов на выходе прибора должна быть равна 10800 Гц.
Частота пилы компенсирующей модуляции в 2 раза меньше. Тогда период
модуляции будет равен
Подставляя
значения
Зная
амплитуду моделирующего напряжения (V=5В) и время обхода контура t лучом света можно составить пропорцию
Выразим
из этого соотношения DV
Подставляя
значения
DV
Подставляя
полученные значения в (3.3.1) найдем
Кфм=0,191/0,141=1,36(рад/В).
В предложенной схеме обработки сигнала фазовый модулятор является одним
из составляющих элементов МИОЭ. Поэтому рассчитанный коэффициент будет являться
необходимым требованием к МИОЭ.
.4 Анализ погрешностей
.4.1 Разработка методики оценки шумовых составляющих канала измерения
угловой скорости.
Модели, дискретная и непрерывная, полученные выше, являются
идеализированными, т.к. учитывают динамические свойства каждого первичного
измерителя и не учитывают его помех, привносимых в штатную информацию в
процессе реальной работы.
Волоконно-оптический гироскоп представляет собой довольно сложную
оптико-электронную систему. При конструировании реального прибора оптические
элементы и электронные устройства должны выбираться и компоноваться так, чтобы
минимизировать влияние внешних возмущений (температурных градиентов,
механических и акустических вибраций, магнитных полей и др.). В самом приборе,
кроме этого, существует ряд внутренних источников шумов и нестабильностей.
Условно эти шумы и нестабильности можно разделить на быстрые и медленные
возмущения. Быстрые возмущения оказывают случайное кратковременное усредненное
влияние на чувствительность ВОГ; они отчетливо проявляются при нулевой скорости
вращения.
Медленные возмущения вызывают медленный дрейф сигнала, приводящий к
долговременным уходам в считывании показаний ВОГ.
Для ВОГ принципиально неустранимыми шумами являются так называемые
квантовые или фотонные шумы (их также называют дробовыми шумами). Эти шумы
появляются лишь в присутствии полезного оптического сигнала на входе
фотодетектора и обусловленны случайным распределением скорости прихода фотонов
на фотодетектор, что приводит к случайным флуктуациям тока фотодетектора.
Фотонные шумы являются следствием квантовой природы светового излучения.
Уровень фотонных шумов зависит от интенсивности оптического излучения.
В практике экспериментальных исследований было обнаружено, что одним из
главных источников шума в системе ВОГ является обратное рэлеевское рассеяние в
волокне, а в некоторых системах еще и отражение от дискретных оптических
элементов, используемых для ввода излучения в систему. Физически эти шумы
появляются из-за рассеяния светового излучения прямого луча на микрочастицах и
неоднородностях среды распространения.
Температурные градиенты, изменяющиеся во времени в волоконном контуре,
приводят к появлению сигнала, эквивалентного некоторому значению скорости
вращения, т. е. вызывают ошибку в считывании угловой скорости. Весьма
сушественна в ВОГ стабильность масштабного коэффициента Квог. Согласно (2),
(10) постоянство масштабного коэффициента определяется стабильностью площади
витка контура и длины волны l. Площадь витка является функцией температуры и материала катушки, на
которую наматывают контур. Стабильность длины волны l зависит от излучения оптического
источника. Следует отметить, что шумы, связанные с изменением длинны волны
излучения источника ВОГ, незначительны в большинстве систем регистрации фазы.
Рассмотрим теперь шумы, появляющиеся в ВОГ из-за нелинейного характера
взаимодействия излучения со средой, в которой оно распространяется.
Несмотря на очень низкие уровни излучения, распространяющегося в ВОГ,
нелинейные эффекты могут быть весьма значительными. Нелинейный
электрооптический эффект носит название Керра и состоит в изменении фазового
набега световой волны, распространяющейся в среде под действием интенсивности
излучения, при этом фаза изменяется в зависимости от квадрата амплитуды
излучения. При исследованиях ВОГ было замечено, что эффект Керра вносит
значительный вклад в паразитный дрейф прибора.
Нестабильность характеристик ВОГ, приводящая к дрейфу в приборе, может
быть обусловлена влиянием внешнего магнитного поля (эффект Фарадея).
При механическом несовершенстве конструкции ВОГ серьезным источником
шумов могут быть акустические поля, механические вибрации и ускорения.
Для полноты описания возмущений ВОГ следует сказать о таких возмущениях
как низкочастотный шум фотодетектора, спонтанные и стимулированные шумы
лазерного источника излучения, рассеяние на фотонах и неоднородностях в среде.
Однако, практически, уровень интенсивности этих шумов невысок.
Такова общая картина источников шумов и нестабильностей ВОГ. В
зависимости от варианта конструкции ВОГ те или иные источники шумов и
нестабильностей могут играть большую или меньшую роль. Основными источниками
являются шумы обратного рэлеевского рассеяния, нелинейный электрооптический
эффект, температурные градиенты, внешнее магнитное поле, а также нестабильность
интенсивности и длины волны источника излучения. Принципиально неустранимым
шумом является фотонный шум полезного сигнала, появляющийся в системе
регистрации и определяющий фундаментальный предел чувствительности (точности)
ВОГ.
Как следует из вышеизложеного, полное математическое описание и
моделирование шумов в ВОГ представляет собой самостоятельную и достаточно
сложную задачу. Для синтеза математической модели прибора, работающей в
масштабе времени, близком к реальному, данная задача практически не реализуема.
Для практики имеет значение комплексная оценка шумов ВОГ и наложение этих шумов
на реальный выходной сигнал прибора.
Как правило, помехи носят характер случайных процессов во времени. Для
разработки математической модели шумовой составляющей реального прибора
существует два подхода.
. Модель составляется для источника шума внутри каждого измерительного
канала, исследуется его прохождение через передаточную функцию канала,
приведенную к источнику шума, а на выходе полученные случайные величины
суммируются и оценивается функция плотности распределения вероятности суммарной
помехи, по которой можно восстановить в реальном масштабе времени случайную
функцию, соответствующую совокупной шумовой составляющей прибора.
. Производится непосредственный замер выходного сигнала изделия,
выделяется систематическая и шумовая составляющие, оценивается
среднеквадратическое отклонение, соответствующее случайной составляющей в
запуске, и полученные значения накладываются на выходную информацию в
математической модели прибора.
Оба эти метода имеют как свои достоинства, так и недостатки. К
достоинствам первого метода следует отнести то, что он может дать реальную
картину и позволяет оценить природу и “вес” каждой составляющей помехи. К
недостаткам - то, что исследователь вынужден доверять паспортным
характеристикам элементов, привносящих шумовую составляющую в измерительный
канал, проверить которую не всегда представляется возможным. К достоинствам
второго метода следует отнести то, что полученный результат - есть реальный
результат, снятый с конкретного прибора. Однако, недостатком является тот факт,
что число экспериментов ограничено и повторяемость результата всегда может быть
поставлена под сомнение. Кроме того, можно оценить лишь совокупный шум, так как
разделить помехи не представляется возможным. Очевидно, что наиболее
оптимальным является вариант исследования двумя этими методами с последующим сравнением
результатов.
В настоящей работе используется комплексный подход к вышеозначенной
проблеме, заключающийся в следующем.
1. С одного из образцов реального
волоконно-оптического гироскопа через плату АЦП снимается шумовой сигнал,
носящий характер случайного процесса во времени.
2. При помощи разработанного
программно-математического обеспечения строится функция плотности распределения
вероятности и определяется характер распределения.
3. Разрабатывается математическая модель
входного комплексного сигнала помехи с некоторым толерантным интервалом
распределения.
4. При помощи метода импульсных
переходных функций определяется реакция каждого измерительного канала на
входное возмущающее воздействие при помощи разработанного программного
обеспечения.
5. Полученных выходной сигнал помехи
накладывается в каждый момент опроса математической модели ИУС ВО на выходной
сигнал, тем самым достигается наибольшая достоверность выходной информации
прибора, наиболее приближенная к реальности.
Оценка
шумовой составляющей волоконно-оптического гироскопа.
В рамках решаемой задачи с целью формирования реальной шумовой
составляющей были проведены замеры с аналогового выхода ВОГ посредством АЦП
ЛАИ-24 с частотой опроса 30 Гц и временем опроса - 15 мин. В результате было
получено 27000 мгновенных значений шумовой составляющей. Полученные значения
были записанны в файл “ shum.dat “.
На Рис.13 приведен график шумовой составляющей ВОГ, построенный с помошью
Excel по значениям, сформированным выше
указанным образом.
С помошью программы “funcrasp.cpp” по массиву случайных величин из
файла “ shum.dat “ ( логическая схема и листинг программы приведены
ниже в соответствующих разделах данного диплома) была сформирована функция
плотности распределения вероятости. На Рис. 15 приведен график функции
плотности распределения вероятности шума, из котороговидно, что случайный
процесс распределен по нормальному закону в толерантном интервале [0.003652
0.006654] с математическим ожиданием 0.005171 и среднеквадратическим
отклонением 0.000374 . Так как выходным сигналом являлось напряжение, то
размерностью данных величин являются вольты. Масштабный коэффициент,
связывающий угловую скорость и напряжение равен 0.6, так как угловой скорости 3°/c соответствует выходное напряжение 5 В. Отсюда, среднеквадратическое
отклонение шумовой составляющей ВОГ sВОГ=0.8078°/ч.
Шумовая составляющая ВОГ Рис. 13
Рис.14
GL=0.003652В
М=0.005171В s=0.000374В GP=0.006654В
Таким образом, на базе анализа экспериментальных данных получено, что
шумы ВОГ распределены по нормальному закону.
Однако данные значения взяты с конкретных образцов приборов и от
испытания к испытанию могут изменяться. Кроме того, в случае использования
математической модели может возникнуть необходимость в составе математической
модели изделия произвольно формировать шумы определенного уровня, а не
использовать значения конкретного эксперимента. С этой целью предлагается
алгоритм и программа формирования случайного процесса по заданному толерантному
интервалу с нормальной функцией плотности распределения вероятности.
Алгоритм
задания помех в виде случайной функции с некоторым законом распределения
плотности вероятности.
Предлагаемый алгоритм состоит из следующих шагов:
1 Задаются значения математических
ожиданий Мm и
среднеквадратических отклонений sm , а также число разбиений N интервала распределения.
C шагом
рассчитывается
по формуле (32) массив значений для функции плотности распределения
вероятностей j (mi) ; (i=1, N+1).
2 Производится нормирование полученного
массива таким образом, что значения пронормированного массива j* (mi) располагались в интервале [0;1].
Нормирование производится согласно соотношениям:
!Ошибка
в формуле
Здесь
в числителе стоит частичная сумма элементов массива j (mi) на
каждом шаге изменения i. В знаменателе - полная сумма этого массива. В
результате выполнения этой процедуры значения пронормированного массива j* (mi)
будут лежать в интервале [0;1] и соответствовать значениям требуемой функции
плотности распределения вероятностей каждой из помех.
4 Организуется цикл получения случайных
значений X= random (i,j), причем число этих значений
соответствует числу точек рассматриваемого временного интервала - N1. На каждом шаге производится
сравнение числа X с
соответствующим значением j* (mi) и определяется значение k - порядковый номер значения j* (mi).
Из
соотношения mi = k´H+ (Мm -3sm)+X´H определяется
значение функции mi в
момент времени ti. Здесь (Мm -3´sm) определяет левую границу интервала. K´H определяет левую границу попадания случайной величины
m в соответствующий ей интервал разбиения отрезка [Мm -3´sm; Мm +3´sm], а величина X´H определяет место случайной величины m
в данном интервале.
На Рис.15 показан график выходного сигнала ВОГ, снятый с 1 канала тетрады
при подаче по оси Х постоянно действующего сигнала, угловой скорости, величиной
3°/c, в 1 диапазоне работы каждого измерительного канала.
Воздействия по осям Y и Z принимались равными нулю. Помеха
накладывалась из экспериментального файла данных, соответствующего каждому
измерительному каналу. Кривая 1 на каждом рисунке соответствует идеальному
сигналу прибора, кривая 2 - сигналу прибора с наложением шумовой составляющей.
На Рис.16 помеха накладывалась методом моделирования с заданными математическим
ожиданием и СКО, близкими по своим значениям к экспериментальным. Из графиков
видна практическая идентичность результатов, что говорит о корректности
предлагаемого метода математического моделирования помехи.
Выходной сигнал ВОГ. Рис. 15
кривая 1 - идеальный сигнал
кривая 2 - сигнал с наложенной шумовой составляющей
Выходной сигнал ВОГ Рис. 16
кривая 1 - идеальный сигнал
кривая 2 - сигнал с наложенной шумовой составляющей, сгенерированной
математическим методом.
Алгоритм
оценки выходного сигнала ВОГ в случае случайного характера помех на входе
канала измерения угловой скорости.
Для определения вероятностных характеристик погрешностей любой системы
автоматического регулирования, к которой в нашем случае относится ВОГ,
необходимо задать вероятностные характеристики входных сигналов, а также
динамические свойства системы, определяемые ее передаточными функциями.
Если на вход системы поступает стационарная случайная функция X(t), а с выхода снимается случайная функция Z(t), то их взаимосвязь можно выразить через импульсную
переходную функцию системы выражением
Z(t)=
где
К(t) выражается через передаточную функцию Ф(jw) системы формулой
K(t)=
Передаточную
функцию Ф(jw) можно представить в виде:
Ф(jw)=R(w)+jS(w), a ejt=coswt + jsinwt, тогда вместо
варажения (3.4.6) получим
K(t)=
Второй
интеграл равен нулю, так как функция времени К(t) является
действительной, следовательно,
K(t)=
Таким образом, поставленная задача сводится к вычислению двух
неопределенных интегралов (3.4.6) и (3.4.8). Однако специфика решения настоящей
задачи заключается в том, что динамические свойства системы определяются ее
полосой пропускания, что говорит об ограниченности частотного диапазона (в
нашем случае от 0 до 20 Гц). Поэтому пределы интегрирования в выражении (3.4.8)
будут: нижний 0, а верхний 2p´20.
Вычисление интегралов (3.4.6) и (3.4.8) не может ограничиться
вычислениями значений подынтегральных выражений в узлах [5]. Необходимо
аппроксимировать значение подынтегральной функции. В качестве метода
аппроксимации был выбран метод сплайн - аппроксимации, как наиболее оптимальный
для решения задач подобного класса [2]. Кратко изложим суть данного метода.
Под
сплайном SDDm(f, x) [2] будем понимать функцию, являющуюся многочленом степени
m на каждом из отрезков [xi-1, xi]:
SDDm(f, x) = Pim(x) = ai0 + …+aimxm при
xi-1<x<xi,
и
удовлетворяющую условиям непрерывности производных до порядка m-1 в точках x1,
… xi-1:
(xi) = Pi+1
При k=0, 1, …m-1; i=1, 2, …N-1.
Предположим,
что отрезок, на котором определена исходная функция плотности распределения
вероятности (ф.п.р.в.) [3], разбит на N интервалов, т.е. i изменяется от 1 до
N+1, где N+1- число узлов.
На
каждом интервале xi-xi-1 будем аппроксимировать функцию кубическим сплайном,
соблюдая условие (3.4.9), т.е. в данном конкретном случае, соблюдение условий
непрерывности в узлах по 1-й и 2-й производным.
Допустим,
что S(xi) = fi, а SІІ(xi) = Mi. Т.к. кубический сплайн - кривая 3-го порядка,
то её 2-я производная меняется по линейному закону
ІІ(x)
= Mi
+ Mi-1
Определим
функцию S(x) как функцию вида:
(x)
= Mi-1 + Mi + c1x + c2
Внутри
интервала [xi-1, xi], используя условия непрерывности функции S(x) на концах
данного интервала S(xi) = fi и S(xi-1) = fi-1. Подставив в (3.4.11) вместо x
соответственно значения xi и xi-1, получим:
S(xi) = Mi-1 + Mi + c1x + c2;(xi-1)= Mi-1 + Mi + c1x
+ c2.
Откуда
имеем:- Mi = c1x + c2- Mi-1 = c1xi-1 + c2
Полученные
выражения можно рассматривать как требования для некоторой линейной функции c1x
+ c2, чтобы она в точке xi проходила через ординату- Mi , а в точке xi-1 -
через ординату fi-1 - Mi-1.
Очевидно,
что такой функцией является функция вида:x + c2 = +
S(x) = Mi-1 + Mi + + для
xi-1 Ј x Ј xi.
Предполагая,
что шаг интерполяции постоянен, и, обозначив xi - xi-1 = hi, получим
(x) = Mi-1 + Mi + + дляЈЈ x ЈЈ xi
Таким
образом, из уравнения (3.4.14) мы можем определить значение функции S(x),
аппроксимированной сплайном. Необходимо определить значения коэффициентов Mi
(второй производной). Используя уравнение (3.4.9) для кубического сплайна,
получим
’(x)
= - Mi-1 + Mi + ··
Подставив
в (3.4.15) xi, и, решив его относительно xi и xi-1, и, приравняв эти два
значения, получим
Mi + + Mi-1 - Mi = -Mi + + Mi + Mi+1;
Полагая
hi+1 = xi+1 - xi, получим + Mi + Mi+1 =
-
краевые условия
Таким
образом, решение задачи аппроксимации некоторой заданной функции сплайном
сводится к решению системы линейных алгебраических уравнений (3.4.16) при
условии равенства нулю значений вторых производных на границах интервала [2].
Полученную систему можно записать в виде
=
d
Где
d = (d1, …dN-1)Т, где di вычисляются по формуле:
=
Элементы
матрицы C = (cij)i,j=1 задаются соотношениями
=
Так
как шаг интерполяции считается постоянным, т.е. hi = hi+1 = h, получим
=
=
Уравнение
(3.4.18) примет вид
Умножив
обе части на , получим
+
4Mi + Mi+1 =
С
учётом выражения (3.4.22) можно записать новый вид
=
6 =
Систему уравнений (3.4.17) можно решить методом прогонки [2]; в этом
случае, используя (3.4.23) и (3.4.24), перепишем систему (3.4.17) в виде:
+ 4Mi + Mi+1 = di
Введём новые обозначения:
Xi = Ai(xi) = Bi
Прогоночные коэффициенты определим из соотношения:
= MiAi + Bi+ Bi + 4Mi + Mi+1 = di(Ai+4) + Mi+1 + Bi = di
Откуда
Mi = = Mi+1Ai+1 + Bi+1
Заметим,
что при i=1 A1 = 0 и B1 = 0, тогда A2 = - ; B2 =
Применение метода сплайн - аппроксимации обеспечивает необходимую
точность и быстродействие для решения поставленной задачи [2] и определения
массивов значений погрешности прибора, накладываемых на выходную информацию в
каждый момент опроса математической модели ИУС ВО. Следует отметить тот факт,
что данная задача решается автономно, в математической модели ИУС ВО используются
только конечные результаты в виде файлов данных, к которым обращается головная
задача. Это имеет свои преимущества, позволяя исследователю варьировать
вариантами задаваемых помех, не усложняя головной задачи и не замедляя тем
самым ход ее решения.
.4.2 Расчет надежности при отказах
В данном подпункте рассматривается сравнительный анализ применения двух
вариантов избыточных систем, а именно триады ортогонально расположенных
датчиков первичной информации и тетрады. Тетрада образуется ось одного из датчика
совпадает с одной из осью объекта, а три других расположены по образующей
конуса с углом полураствора 54,7º.
Гироскопические датчики первичной информации (ГДПИ)
являются достаточно сложными электромеханическими приборами и оптическими
приборами, и уровень их надежности ниже требований, предъявляемых к уровню
надежности системы и ее элементов в целом. Эффективным способом преодоления
этого недостатка ГДПИ является применение структурного резервирования,
позволяющего повысить такие показатели эффективности, как точность и
надежность. Правда, это увеличивает массу и габариты прибора, поэтому кратность
резервирования в приборе не превышает трех, т.е. K≤3.
Надежность измерения параметров движения КА при
структурном резервировании ГДПИ может быть увеличена принципиально двумя
путями.
Первый путь заключается в резервировании самих ГДПИ в
пределах одного измерительного базиса. Второй путь - в резервировании
измерительных базисов.
Рассмотрим бесплатформенный инерциальный блок (БИБ) с
произвольным числом одноосных измерителей N. Для оценки ортогональных
составляющих измеряемого вектора в базовой системе координат будем использовать
метод наименьших квадратов. При равноточных измерителях и аддитивных ошибках
измерения с нулевым математическим ожиданием и дисперсией, равной s2, ковариационная матрица ошибок
оценки ортогональных составляющих измеряемого вектора имеет вид:
где
Н - матрица измерения размерностью N х 3, строки которой состоят из
направляющих косинусов измерительных осей в базовой системе координат и
удовлетворяют условию:
, n=l,2,...N. Любые три строки матрицы Н линейно независимы. При
локализации отказа элементы соответствующей строки матрицы Н заменяются нулями.
Предложенный
автором метод оптимизации конфигураций измерительных осей основан на
минимизации следа ковариационной матрицы (3.4.29) на множестве матриц Н.
След
ковариационной матрицы инвариантен к выбору базовой системы координат и
представляет собой сумму квадратов главных осей эллипсоида рассеяния.
Можно
выделить еще два критерия, важных с точки зрения практических приложений. Один
из них -минимум определителя ковариационной матрицы, характеризующего
обобщенную дисперсию трехмерного распределения ошибки оценки, другой - минимум
ее числа обусловленности, равного отношению максимального собственного числа к
минимальному. Число обусловленности характеризует максимальную чувствительность
относительной ошибки оценки к относительной ошибке измерения. Оба эти критерия,
так же, как и минимум следа ковариационной матрицы, связаны с эллипсоидом
рассеяния: определитель ковариационной матрицы характеризует объем эллипсоида,
число обусловленности - отношение наибольшей главной оси к наименьшей. Все три
критерия инвариантны к выбору базисной системы координат и определяются только
взаимной ориентацией осей чувствительности измерителей.
Нахождение
необходимых и достаточных условий минимума определителя ковариационной матрицы
сводится
к нахождению минимума функции
при
условии
где
- собственные числа матрицы (НT×Н). Легко
показать, что необходимые и достаточные условия минимума определителя совпадают
с необходимыми и достаточными условиями минимума следа ковариационной матрицы и
имеют вид
Эти
же условия являются необходимыми и достаточными для минимума числа
обусловленности ковариационной матрицы, поскольку по определению
При
этом векторы-столбцы матрицы Н ортогональны и их нормы равны между собой и
равны
. Это означает, что ковариационная матрица ошибки
оценки (3.4.29) диагональна и ее диагональные элементы равны между собой и
равны 3s2/N, т.е. вид ковариационной матрицы для оптимальной
конфигурации не зависит от выбора базисной системы координат. Таким образом,
оптимальная конфигурация осей чувствительности измерителей инвариантна как к
выбору критерия из рассмотренного множества, так и к выбору базисной системы
координат. Отметим, что для оптимальной конфигурации при отсутствии отказов
ошибки оценки ортогональных составляющих измеряемого вектора не коррелированны.
В
работе показано, что оптимальные конфигурации существуют для любого N. В общем
случае найдены две оптимальные конфигурации: 1) для любого N:
измерительные оси располагаются равномерно вдоль образующих кругового конуса с
половиной угла при вершине осевого сечения, не зависящей от N и равной
; 2) для четных N: N-1
ось располагается равномерно вдоль образующих кругового конуса с половиной угла
при вершине осевого сечения, равной
, и одна
ось - вдоль оси конуса. Исследуем возможные оптимальные конфигурации осей
чувствительности измерительного блока для N = 3,4,5,6,7,8 и сравним различные
оптимальные конфигурации при одном и том же числе датчиков. При построении
новых оптимальных конфигураций будем опираться на результаты работы [3], в
которой представлен достаточно широкий класс оптимальных ориентации
измерительных осей, расположенных вдоль образующих вложенных друг в друга
круговых конусов, имеющих общую ось, и на принцип симметрии.= 3. Неизбыточный
измеритель вектора. В этом случае можно применить лишь одно из общих решений -
вдоль образующих конуса с половиной угла при вершине, равной
.
При
этом оси чувствительности измерителей ортогональны непараллельным граням одного
из пяти правильных многогранников - кубу.
Определитель
и число обусловленности ковариационной матрицы ошибок оценки, если положить s = 1, также равны 1. След матрицы равен 3.= 4. Случай минимальной
избыточности, позволяющий автономно лишь обнаружить, но не локализовать отказ.
Здесь применимы оба общих решения: "конус" и "конус с
осью". Оказывается, что для обеих конфигураций оси чувствительности измерителей
ортогональны непараллельным граням правильных многогранников: для первой -
октаэдра, для второй - тетраэдра. В этом случае след, определитель и число
обусловленности ковариационной матрицы соответственно равны:
Отметим,
что в сравнении с неизбыточным измерителем вектора с оптимально расположенными
измерительными осями как сумма дисперсий составляющих ошибки, так и обобщенная
дисперсия уменьшились.
Таблица
3.2
|
Количество ГДПИ
|
Число измерительных базисов
|
Число идентифиц. отказов
|
|
3
|
1
|
0
|
|
4
|
4
|
0
|
В заключение отметим, что при резервировании
измерительных базисов надежность измерительной системы в целом определяется не
только надежностью ГДПИ, но и надежностью вычислительного устройства системы,
осуществляющего пересчет выходных сигналов ГДПИ в составляющую угловой скорости
КА по осям связанной системы координат.
Расчет надежности избыточной системы
В настоящее время для повышения надежности БИЛУ
применяют резервирование и мажоритарное соединение элементов. Вероятности
отказов измерительной системы при различном количестве резервирующих ГДПИ
исходной системы с тремя измерителями приведены в табл. 3.2, где вероятность
безотказной работы одного ГДПИ обозначена через р.
Таблица 3.3
|
Мажоритарная схема
|
Вероятность отказа системы
|
|
3
|
|
|
4-3
|
|
Значения вероятности безотказной работы для одного измерителя, примем
равным 0,9 и 0,99 и сравним полученные результаты. После подстановки имеем
|
P3(0,9)=
|
0,729
|
P3(0,99)=
|
0,97
|
|
P4-3(0,9)=
|
0,948
|
P4-3(0,99)=
|
0,999
|
Отсюда можно сделать следующий вывод, что существенного повышения
надежности измерительной системы при резервировании измерительных базисов
достигается при введении одного резервного измерителя. Дальнейшее увеличение числа
ГДПИ к существенному повышению надежности системы не приводит.
Сведем полученные в ходе работы результаты к одной таблице и
проанализируем ее
Таблица 3.4.
|
Степень избыточности, N
|
Стоимость
|
P(0,9)
|
P(0,99)
|
b, град
|
Погрешность (относительная)
|
|
|
|
|
|
по оcи X
|
по оcи Y
|
по оcи Z
|
|
1 (4-3)
|
1,33
|
0,948
|
0,999
|
45
|
1,4
|
1,4
|
1,4
|
|
0 (3)
|
1
|
0,729
|
0,97
|
90
|
1
|
1
|
1
|
Итак,
в первой графе у нас представлен тип мажоритарной схемы соединения элементов,
во второй графе стоит относительная стоимость прибора в зависимости от конкретного
числа измерителей, входящих в избыточную систему. Третья и четвертая графы
составлены на основании предыдущего пункта, в котором представлен расчет
вероятности безотказной работы всей системы в зависимости от взятой вероятности
безотказной работы одного элемента с учетом принятой мажоритарной схемы. b - угол, определяющий оптимальную ориентацию «направляющих конусов»
относительно измерительных осей блока датчиков, при котором ориентация осей
чувствительности происходит равномерно по образующим конуса, взятый из
справочных и патентных источников. Погрешность рассчитывается как относительная
величина по формуле:
.
2.4.3 Устройство контроля отказа
Наш прибор состоит из четырех ВОГ, один ориентирован по оси прибора, а три
других образуют конус с углом полураствора 54,7º. Было показано выше, что в данной
компоновки датчиков первичной информации можно, только определить отказ, но не
локализовать его. В данном пункте нужно показать какими способами можно
определить отказ одного из датчиков.
Для тетрады имеем построенного по схеме имеем:
=(1∩
∩3)v(1∩3∩4)v(2∩3∩4)v
v(1∩2∩4).
n=3, m=4
Рис.17
Выходные сигналы ВОГ четырех компонентного блока определяется выражением:
y=Aω+ε
где у(у1,у2,у3,у4) - матрица 4х1 выходных сигналов ВОГ;
ω(ω1,ω2,ω3) - матрица 3х1 компонент угловой
скорости в осях блока (x,y,z); Е(Е1,…,Е4) - матрица 4х1 ошибок ВОГ; матрица А
показана в (2.1.1). Когда отказов нет, оптимальная по методу наименьших
квадратов оценка компонента вектора ω определяется равенством:
ω =(АтА-1)-1Ату=Ву
Ошибка оценки ω в соответствии (3.4.31) имеет вид:
х=
ω -
ω=B ε
Ковариационная матрица ошибок 3х3 (матрица дисперсий ошибок) будет
определяться выражением:
(ε εт)=Е и DΣ=BBт=(АтА)-1Ат[(АтА)-1 Ат]т= (АтА)-1 АтА[(АтА)-1]т= (АтА)-1 АтА*
*(АтА)-1= (АтА)-1
Если в блоке определен отказ какого-либо ВОГ, то при его отключении
оценка компонент угловой скорости ω1, ω2,
ω3 определяется по
формуле (3.4.32), а дисперсия ошибок - из (3.4.34), однако в матрице А в этом
случае должеа быть обнулена соответствующая строка.
Рассмотрим способы и структуру идентификации отказов датчиков.
Обнаружение отказа блока ВОГ может быть определено одним из трех
способов: а) сравнение выходных сигналов датчиков блока между собой; б)
измерение некоторых параметров датчиков, характеризующих его состояние и
работоспособность ; в) сравнение сигналов ВОГ с выходными сигналами других
систем (например с системами глобальной спутниковой навигации ГЛОНАСС (Россия)
и GPS (США)).
Раньше использование третьего способа было практически невозможно. В
настоящее время в связи с широким развитием всех областей промышленности этот
вариант обнаружения отказа блока ВОГ стало возможным.
Для использования второго способа нужна достаточно точная модель блока
датчиков.
Наибольший интерес представляет первый способ. Представим структурную
схему контроля отказа блока ВОГ:
Рис.18 Устройство контроля отказа
Выводы
1. В четырехгироскопном блоке с неортогонально расположенными
измерителями угловой (ВОГ) можно только определить отказ, но не локализовать
его.
2. Четырехгироскопный блок ВОГ сохраняет свою работоспособность при
отказе одного из ВОГ.
. Устройство идентификации отказа работает на основе анализа
контрольных сигналов, формируемых как линейное преобразование выходных сигналов
измерителей, зависящих только от наличия отказа одного из измерителей, а не от
величины выходных сигналов.
3.
Организационно-экономическая часть
Экономическая часть дипломного проекта заключается в определении основных
экономических показателей эффективности внедрения изделия спецназначения с улучшенными
техническими параметрами.
Основными экономическими показателями являются: объем производства
изделия после внедрения нового образца, себестоимость изготовления и прирост
прибыли от производства и реализации продукции с улучшенными техническими параметрами,
условное высвобождение работающих за счет внедрения новшества, рост
производительности труда производственного персонала, годовой экономический
эффект и срок окупаемости затрат на проектирование и изготовление опытного
образца.
Прибыль от данной модернизации мы намереваемся получить за счет улучшения
технических характеристик, а в частности повышения чувствительности прибора.
.1 Расчет себестоимости ВОГ.
Таблица 3.1
|
Наименование материалов
|
Кол-во, шт на 1 коип.
|
Цена единицыруб.
|
Сумма, руб.
|
|
Покупные комплектующие
изделия
|
|
Конденсаторы
|
|
|
|
|
ОСК10-17в ОЖО.460.183ТУ,
ОЖО.460.170ТУ.
|
|
|
|
|
ОСК10-17в-Н50-0,1,мкф
|
16
|
5,25
|
84
|
|
ОСК10-17в-Н50-0,47 ,мкф
|
15
|
7,50
|
112,50
|
|
ОСК10-17в-П33-91,пф±5%
|
1
|
5,55
|
5,55
|
|
ОСК10-17в-М1500-1300 пф±5%
|
9
|
6,30
|
57,60
|
|
ОСК10-17в-Н90-1,5,мкф
|
4
|
16,80
|
67,20
|
|
ОСК10-17в-Н90-0,047,мкф
|
16
|
3,30
|
52,80
|
|
ОСК10-17в-М1500-300 пф±5%
|
2
|
4,50
|
9
|
|
ОСК10-42 В ОЖО.460.183ТУ,
ОЖО.460.167ТУ.
|
|
|
|
|
ОСК10-42в-М47-16 пф±10%
|
1
|
4,50
|
4,50
|
|
ОСК10-17в-П33-51 пф±5%
|
1
|
5,55
|
5,55
|
|
ОСК10-17в-П33-30 пф±5%
|
5
|
5,55
|
27,55
|
|
ОСК10-17в-П33-100 пф±5%
|
2
|
16
|
32
|
|
ОСК10-17в-М1500-300 пф±5%
|
2
|
4,50
|
9
|
|
ОСК10-17в-П33-5600 пф±5%
|
1
|
45
|
45
|
|
ОСК10-43 В ОЖО.460.183ТУ,
ОЖО.460.165ТУ.
|
|
|
|
|
ОСК10-43в-МПО-39,2 пф±5%
|
1
|
9,06
|
9,06
|
|
ОСК10-43в-МПО-А-0,0154 мкф±1%
|
1
|
38,08
|
38,08
|
|
ОСК10-43в-МПО-681 пф±1%
|
1
|
15,10
|
15,10
|
|
ОСК10-43в-МПО-750 пф±1%
|
1
|
15,10
|
15,10
|
|
ОСК53-22 В ОЖО.464.158ТУ,
ОЖО.464.201ТУ.
|
|
|
|
|
ОСК53-22-32 В-10 мкф±20%
|
27
|
38,54
|
1040,58
|
|
ОСК53-22-50 В-4,7 мкф±20%
|
1
|
35,02
|
35,02
|
|
ОСК53-22-16 В-33 мкф±20%
|
19
|
38,54
|
732,26
|
|
ОСК53-22-25 В-10 мкф±20%
|
6
|
38,54
|
231,24
|
|
ОСК53-22-16 В-22 мкф±20%
|
5
|
38,54
|
192,70
|
|
ОСК53-22-10 В-47 мкф±20%
|
3
|
38,54
|
115,62
|
|
ОСК53-22-10 В-3,3 мкф±20%
|
2
|
27,65
|
55,30
|
|
Микросхемы
|
|
|
|
|
744УД2-1 "Н"
бК0.347.063ТУ, РМ11.091.926-81
|
9
|
108,83
|
979,47
|
|
Б1127КН4-2 "Н"
бК0.347.534-01ТУ, РМ11.091.926-81
|
8
|
Сняты с производства
|
|
|
Б533ЛЕ1-2 "Н"
бК0.347.460-07ТУ, РМ11.091.926-81
|
1
|
116
|
116
|
|
765ИЕ10В-1 "Н"
бК0.347.151-15ТУ, РМ11.091.926-81
|
1
|
138
|
138
|
|
765ЛА9В-1 "Н"
бК0.347.151-10ТУ, РМ11.091.926-81
|
2
|
117
|
234
|
|
765ЛЕ5В-1 "Н"
бК0.347.151-06ТУ, РМ11.091.926-81
|
3
|
117
|
351
|
|
765ЛЕ6В-1 "Н"
бК0.347.151-16ТУ, РМ11.091.926-81
|
1
|
117
|
117
|
|
765ЛН2В-1 "Н"
бК0.347.151-03ТУ, РМ11.091.926-81
|
1
|
117
|
117
|
|
765ТМ2В-1 "Н"
бК0.347.151-01ТУ, РМ11.091.926-81
|
1
|
117
|
117
|
|
765ЛА7В-1 "Н"
бК0.347.151-01ТУ, РМ11.091.926-81
|
1
|
117
|
117
|
|
Б521СА3-2 "Н"
бК0.347.454-02ТУ, РМ11.091.926-81
|
5
|
62,50
|
312,50
|
|
Б140УД17А-2
бК0.347.569-01ТУ
|
9
|
25
|
225
|
|
Б1417УД29А-2
бК0.347.522-01ТУ
|
2
|
Не изв.
|
|
|
ОС286ЕП3 бК0.347.510ТУ
|
2
|
1215,33
|
2430,66
|
|
|
|
|
ОСМР1-8 ОЖ0.467.167ТУ,
ПО.070.052
|
С учетом
Получено-(16418,09)
|
|
|
|
ОСМР1-8-0,125-100 ом±5%
|
12
|
7,87
|
94,44
|
|
ОСМР1-8-0,125-237 ом±5%
|
2
|
7,87
|
15,74
|
|
ОСМР1-8-0,125-511 ом±5%
|
4
|
7,87
|
31,48
|
|
ОСМР1-8-0,125-5,62 ком±2%
|
6
|
7,87
|
47,22
|
|
ОСМР1-8-0,125-1 ком±2%
|
2
|
7,87
|
15,74
|
|
ОСМР1-8-0,125-205 ом±2%
|
1
|
7,87
|
7,87
|
|
ОСМР1-8-0,125-3,01 ком±2%
|
1
|
7,87
|
7,87
|
|
ОСМР1-8-0,125-3,32 ком±2%
|
1
|
7,87
|
7,87
|
|
ОСМР1-8-0,125-30,1 ом±2%
|
1
|
12,39
|
12,39
|
|
ОСМР1-8-0,125-110 ом±2%
|
1
|
12,39
|
12,39
|
|
ОСМР1-8-0,125-133 ом±2%
|
1
|
12,39
|
12,39
|
|
ОСМР1-8-0,125-1,96 ком±2%
|
2
|
12,39
|
24,78
|
|
ОСМР1-8-0,125-10 ком±2%
|
1
|
12,39
|
12,39
|
|
ОСМР1-8-0,125-61,9 ом±2%
|
2
|
12,39
|
24,78
|
|
ОСМР1-8-0,125-4,64 ком±2%
|
1
|
12,39
|
12,39
|
|
ОСС2-29В ОЖ0.467.099ТУ,
ОЖ0467.138ТУ остальные резисторы (ОСС2-29В-0,125+терм.-35369,5 итог на
ОСС2-29В-0,062-1438р.)
|
|
ОСС2-29 В-0,062-105 Ом±0,025%-1,0-А
|
1
|
11,03
|
11,03
|
|
ОСС2-29 В-0,062-121 Ом±0,025%-1,0-А
|
1
|
11,03
|
11,03
|
|
ОСС2-29 В-0,062-147 Ом±0,025%-1,0-А
|
1
|
11,03
|
11,03
|
|
ОСС2-29 В-0,062-178 Ом±0,025%-1,0-А
|
1
|
11,03
|
11,03
|
|
ОСС2-29 В-0,062-215 Ом±0,025%-1,0-А
|
1
|
11,03
|
11,03
|
|
ОСС2-29 В-0,062-287 Ом±0,025%-1,0-А
|
1
|
11,03
|
11,03
|
|
ОСС2-29 В-0,062-363 Ом±0,025%-1,0-А
|
1
|
11,03
|
11,03
|
|
ОСС2-29 В-0,062-464 Ом±0,025%-1,0-А
|
1
|
11,03
|
11,03
|
|
ОСС2-29 В-0,062-536 Ом±0,025%-1,0-А
|
1
|
11,03
|
11,03
|
|
ОСС2-29 В-0,062-750 Ом±0,025%-1,0-А
|
1
|
11,03
|
11,03
|
|
ОСС2-29 В-0,062-953 Ом±0,025%-1,0-А
|
1
|
11,03
|
11,03
|
|
ОСС2-29 В-0,062-2,05 кОм±0,025%-1,0-А
|
1
|
7,50
|
7,50
|
|
ОСС2-29 В-0,062-5,11 кОм±0,025%-1,0-А
|
1
|
7,50
|
7,50
|
|
ОСС2-29 В-0,062-10,0 кОм±0,025%-1,0-А
|
1
|
7,50
|
7,50
|
|
ОСС2-29В-0,125-499 Ом±1%-1,0-С
|
1
|
22,83
|
22,83
|
|
ОСС2-29В-0,125-604 Ом±1%-1,0-С
|
1
|
22,83
|
22,83
|
|
ОСС2-29В-0,125-706 Ом±1%-1,0-С
|
1
|
22,83
|
22,83
|
|
ОСС2-29В-0,125-806 Ом±1%-1,0-С
|
1
|
22,83
|
22,83
|
|
ОСС2-29В-0,125-909 Ом±1%-1,0-С
|
1
|
22,83
|
22,83
|
|
ОСС2-29В-0,125-1 кОм±1%-1,0-С
|
3
|
22,83
|
68,49
|
|
ОСС2-29В-0,125-1,5 кОм±1%-1,0-С
|
3
|
15,75
|
47,25
|
|
ОСС2-29В-0,125-2 кОм±1%-1,0-С
|
3
|
15,75
|
47,25
|
|
ОСС2-29В-0,125-2,52 кОм±1%-1,0-С
|
1
|
15,75
|
15,75
|
|
ОСС2-29В-0,125-3,01 кОм±1%-1,0-С
|
4
|
15,75
|
63
|
|
ОСС2-29В-0,125-3,52 кОм±1%-1,0-С
|
1
|
15,75
|
15,75
|
|
ОСС2-29В-0,125-4,02 кОм±1%-1,0-С
|
4
|
15,75
|
63
|
|
ОСС2-29В-0,125-4,53 кОм±1%-1,0-С
|
2
|
15,75
|
31,50
|
|
ОСС2-29В-0,125-4,75 кОм±1%-1,0-С
|
1
|
15,75
|
15,75
|
|
ОСС2-29В-0,125-4,81 кОм±1%-1,0-С
|
1
|
15,75
|
15,75
|
|
ОСС2-29В-0,125-4,87 кОм±1%-1,0-С
|
1
|
15,75
|
15,75
|
|
ОСС2-29В-0,125-4,93 кОм±1%-1,0-С
|
1
|
15,75
|
15,75
|
|
ОСС2-29В-0,125-4,99 кОм±1%-1,0-С
|
4
|
15,75
|
63
|
|
ОСС2-29В-0,125-5,05 кОм±1%-1,0-С
|
1
|
15,75
|
15,75
|
|
ОСС2-29В-0,125-5,11 кОм±1%-1,0-С
|
1
|
15,75
|
15,75
|
|
ОСС2-29В-0,125-5,17 кОм±1%-1,0-С
|
1
|
15,75
|
15,75
|
|
ОСС2-29В-0,125-5,23 кОм±1%-1,0-С
|
2
|
15,75
|
31,50
|
|
ОСС2-29В-0,125-5,30 кОм±1%-1,0-С
|
2
|
15,75
|
31,50
|
|
ОСС2-29В-0,125-5,36 кОм±1%-1,0-С
|
1
|
15,75
|
15,75
|
|
ОСС2-29В-0,125-5,42 кОм±1%-1,0-С
|
1
|
15,75
|
15,75
|
|
ОСС2-29В-0,125-5,49 кОм±1%-1,0-С
|
1
|
15,75
|
15,75
|
|
ОСС2-29В-0,125-5,56 кОм±1%-1,0-С
|
1
|
15,75
|
15,75
|
|
ОСС2-29В-0,125-5,62 кОм±1%-1,0-С
|
2
|
15,75
|
31,50
|
|
ОСС2-29В-0,125-5,69 кОм±1%-1,0-С
|
2
|
15,75
|
31,50
|
|
ОСС2-29В-0,125-5,76 кОм±1%-1,0-С
|
2
|
15,75
|
31,50
|
|
ОСС2-29В-0,125-5,83 кОм±1%-1,0-С
|
2
|
15,75
|
31,50
|
|
ОСС2-29В-0,125-5,90 кОм±1%-1,0-С
|
1
|
15,75
|
15,75
|
|
ОСС2-29В-0,125-5,97 кОм±1%-1,0-С
|
2
|
15,75
|
31,50
|
|
ОСС2-29В-0,125-6,04 кОм±1%-1,0-С
|
4
|
15,75
|
63
|
|
ОСС2-29В-0,125-6,12 кОм±1%-1,0-С
|
1
|
15,75
|
15,75
|
|
ОСС2-29В-0,125-6,19 кОм±1%-1,0-С
|
1
|
15,75
|
15,75
|
|
ОСС2-29В-0,125-6,26 кОм±1%-1,0-С
|
1
|
15,75
|
15,75
|
|
ОСС2-29В-0,125-6,34 кОм±1%-1,0-С
|
1
|
15,75
|
15,75
|
|
ОСС2-29В-0,125-7,06 кОм±1%-1,0-С
|
2
|
15,75
|
31,50
|
|
ОСС2-29В-0,125-8,06 кОм±1%-1,0-С
|
4
|
15,75
|
63
|
|
ОСС2-29В-0,125-8,16 кОм±1%-1,0-С
|
1
|
15,75
|
15,75
|
|
ОСС2-29В-0,125-8,25 кОм±1%-1,0-С
|
1
|
15,75
|
15,75
|
|
ОСС2-29В-0,125-8,35 кОм±1%-1,0-С
|
1
|
15,75
|
15,75
|
|
ОСС2-29В-0,125-8,45 кОм±1%-1,0-С
|
1
|
15,75
|
15,75
|
|
ОСС2-29В-0,125-8,56 кОм±1%-1,0-С
|
1
|
15,75
|
15,75
|
|
ОСС2-29В-0,125-8,66 кОм±1%-1,0-С
|
1
|
15,75
|
15,75
|
|
ОСС2-29В-0,125-8,76 кОм±1%-1,0-С
|
1
|
15,75
|
15,75
|
|
ОСС2-29В-0,125-8,87 кОм±1%-1,0-С
|
1
|
15,75
|
15,75
|
|
ОСС2-29В-0,125-8,98 кОм±1%-1,0-С
|
1
|
15,75
|
15,75
|
|
ОСС2-29В-0,125-9,09 кОм±1%-1,0-С
|
4
|
15,75
|
63
|
|
ОСС2-29В-0,125-56,9 кОм±1%-1,0-С
|
1
|
15,75
|
15,75
|
|
ОСС2-29В-0,125-57,6 кОм±1%-1,0-С
|
1
|
15,75
|
15,75
|
|
ОСС2-29В-0,125-58,3 кОм±1%-1,0-С
|
1
|
15,75
|
15,75
|
|
ОСС2-29В-0,125-59 кОм±1%-1,0-С
|
1
|
15,75
|
15,75
|
|
ОСС2-29В-0,125-60,4 кОм±1%-1,0-С
|
1
|
15,75
|
15,75
|
|
ОСС2-29В-0,125-61,2 кОм±1%-1,0-С
|
1
|
15,75
|
15,75
|
|
ОСС2-29В-0,125-61,9 кОм±1%-1,0-С
|
1
|
15,75
|
15,75
|
|
ОСС2-29В-0,125-62,6 кОм±1%-1,0-С
|
1
|
15,75
|
|
ОСС2-29В-0,125-63,4 кОм±1%-1,0-С
|
1
|
15,75
|
15,75
|
|
ОСС2-29В-0,125-64,2 кОм±1%-1,0-С
|
1
|
15,75
|
15,75
|
|
ОСС2-29В-0,125-1 Ом±1%-1,0-С
|
1
|
22,83
|
22,83
|
|
Терморезистор ММТ-4а-1 кОм±20%-В ОЖ0.468.086ТУ20
|
1
|
18,20
|
18,20
|
|
ОСС2-29В-0,125-3,57 кОм±1%-1,0-С
|
1
|
15,75
|
15,75
|
|
ОСС2-29В-0,125-6,49 кОм±1%-1,0-С
|
1
|
15,75
|
15,75
|
|
ОСС2-29В-0,125-10 кОм±1%-1,0-С
|
1
|
15,75
|
15,75
|
|
ОСС2-29В-0,125-11 кОм±1%-1,0-С
|
1
|
15,75
|
15,75
|
|
ОСС2-29В-0,125-12 кОм±1%-1,0-С
|
1
|
15,75
|
15,75
|
|
ОСС2-29В-0,125-13 кОм±1%-1,0-С
|
1
|
15,75
|
15,75
|
|
ОСС2-29В-0,125-14 кОм±1%-1,0-С
|
1
|
15,75
|
15,75
|
|
ОСС2-29В-0,125-15 кОм±1%-1,0-С
|
1
|
15,75
|
15,75
|
|
ОСС2-29В-0,125-18 кОм±1%-1,0-С
|
1
|
15,75
|
15,75
|
|
ОСС2-29В-0,125-20 кОм±1%-1,0-С
|
1
|
15,75
|
15,75
|
|
ОСС2-29В-0,125-24 кОм±1%-1,0-С
|
1
|
15,75
|
15,75
|
|
ОСС2-29В-0,125-30,1 кОм±1%-1,0-С
|
1
|
15,75
|
15,75
|
|
ОСС2-29В-0,125-36,1 кОм±1%-1,0-С
|
1
|
15,75
|
15,75
|
|
ОСС2-29В-0,125-43,2 кОм±1%-1,0-С
|
1
|
15,75
|
15,75
|
|
ОСС2-29В-0,125-47 кОм±1%-1,0-С
|
1
|
15,75
|
15,75
|
|
ОСС2-29В-0,125-51,1 кОм±1%-1,0-С
|
1
|
15,75
|
15,75
|
|
ОСС2-29В-0,125-56,2 кОм±1%-1,0-С
|
1
|
15,75
|
15,75
|
|
ОСС2-29В-0,125-68,1 кОм±1%-1,0-С
|
1
|
15,75
|
15,75
|
|
ОСС2-29В-0,125-75 кОм±1%-1,0-С
|
1
|
15,75
|
15,75
|
|
ОСС2-33Н-0,125-2 Ом±5%-А-В-В ОЖ0.467.093ТУ, ОЖ0.467.138ТУ
|
1
|
1,06
|
1,06
|
|
ОСМП3-19а-0,5-22к±10%-Б
|
1
|
114,24
|
114,24
|
|
Стабилитроны
|
|
|
|
|
2С191К-1 "Н"
СМ3.362.836ТУ, РМ.11.091.926-81
|
12
|
6,90
|
82,80
|
|
2С191Д-1 "Н"
аА0.339.092ТУ , РМ.11.091.926-81
|
3
|
8
|
24
|
|
2С191М-1 "Н"
аА0.339.092ТУ , РМ.11.091.926-81
|
3
|
6,90
|
20,70
|
|
Кварцевый резонатор
РК46-7ДЧ-383,989 аЦ0.338.070ТУ
|
1
|
1123,02
|
1123,02
|
|
Диодная матрица 2Д907Б-1
"Н" ДР3.362.014ТУ, РМ1111.091.926-81
|
1
|
20,80
|
20,80
|
|
2Д918Б-1 "Н"
ДР3.362.036ТУ, РМ1111.091.926-81
|
5
|
20,80
|
|
|
Набор диодов
|
|
|
|
|
2Д707 АС9 аА0.339.583ТУ
|
1
|
4,25
|
4,25
|
|
2Д706 АС9 аА0.339.582ТУ
|
5
|
4,25
|
4,25
|
|
Диод 2Д237А ОС
аА0.339.600ТУ АА0.339.190ТУ
|
6
|
182,67
|
1096,02
|
|
Транзисторы
|
|
|
|
|
2Т385АМ "Н"
Я53.365.022-02ТУ, РМ11.091.926-81
|
5
|
23,83
|
119,15
|
|
2Т665А9 аА0.339.559ТУ
|
2
|
57
|
114
|
|
2Т388АМ-2 "Н"
ЩЫ0.336.030ТУ, РМ11.091.926-81
|
2
|
35,60
|
71,20
|
|
Трансформатор
|
|
|
|
|
ОСТИГ-61 ОЮ0.472.046ТУ,
АГ0.472.101ТУ
|
1
|
31,38
|
31,38
|
|
Стабилитрон 2с182К-1
"Н"
|
4
|
6,90
|
27,60
|
Сумма на 1 комплект - 13541,47 руб без учета НДС.
Откуда видно, что ориентировочная цена на один ВОГ≈10000 (долларов
США).
Исходные данные для расчета основных экономических показателей,
характеризующих внедрение новой продукции (продукции с улучшенными техническими
параметрами) приведены в таблице 4.3.
Таблица.3.3
|
№ п.п.
|
Наименование статей
калькуляции по установленному перечню и прочие показатели.
|
Значение показателя
|
|
|
До внедрения.
|
После внедрения.
|
|
2
|
Сырье и материалы, (руб.)
|
22532
|
22532
|
|
3
|
Возвратные отходы
(вычитаются), (руб.)
|
1352
|
1352
|
|
4
|
Покупные полуфабрикаты,
(руб.)
|
4366
|
4416
|
|
5
|
Транспортно-заготовительные
расходы, (руб.)
|
2554
|
2695
|
|
6
|
Расходы на оплату труда произв.
рабочих, в том числе основная заработная плата производственных рабочих,
(руб.)
|
103764
|
103764
|
|
7
|
Отчисления на социальное
страхование (37,1%), (руб.)
|
38496
|
38496
|
|
8
|
Износ инструментов и
приспособлений целевого назначения, (руб.)
|
11735
|
11735
|
|
9
|
Специальные расходы, (руб.)
|
178656
|
178656
|
|
10
|
Общехозяйственные расходы,
(руб.)
|
830112
|
830112
|
|
11
|
Годовой объем производства
изделия, Аi, (шт.)
|
18
|
18
|
|
12
|
Полная трудоемкость
изготовления изделия, ti, (норм.-час)
|
8647
|
8647
|
|
13
|
Стоимость одного норм.-часа
по действующей системе оплаты труда, Pi (руб.)
|
12
|
12
|
|
14
|
Коэффициент накладных
расходов, Кн.р.
|
8,00
|
8,00
|
|
15
|
Дополнительные затраты,
Кдоп.(руб.)
|
---
|
191
|
|
16
|
Нормативный коэффициент
эффективности, Ен
|
0,15
|
0,15
|
|
17
|
Производственная
себестоимость
|
1190864
|
1191054
|
|
18
|
Полная себестоимость, Сi
(руб.)
|
1190864
|
1191054
|
|
19
|
Плановая прибыль, (руб.)
|
297716
|
297764
|
|
20
|
Оптовая цена, Цi
(руб).
|
1488580
|
1488818
|
Вывод: таким образом, при внедрении нового чувствительного элемента, а
именно волоконно-оптического гироскопа КХ34-018 оптовая цена прибора
увеличивается, но незначительно, зато повышаются точностные характеристики
прибора в целом. При этом, как будет показано ниже окупаемость произойдет через
0,2 года.
3.2 Расчет
себестоимости изготовления изделия
Из выше приведенной таблицы видно, что себестоимость изготовления изделия
после внедрения нового образца увеличивается незначительно.разница составляет
190 рублей.
.3 Расчет
планируемого изменения численности ППП
В связи с тем, что трудоемкость изготовления изделия после внедрения
новой продукции не изменяется, увеличение или уменьшения численности ППП не
требуется.
.4 Расчет
прироста прибыли от производства новой продукции
Расчет прироста прибыли от производства новой продукции произведем по
следующей формуле
Где
DП - планируемый прирост прибыли от производства новой
продукции, (руб.);
Ц2
и С2 - оптовая цена и себестоимость производства единицы новой продукции в
расчетном году, (руб.);
Ц1
и С1 - оптовая цена и себестоимость производства единицы заменяемой продукции в
году, предшествующем расчетному, (руб.);
А2
и А1 - объем производства новой продукции в расчетном году и заменяемой
продукции в году, предшествующем отчетному, в натуральных единицах.
Подставив
имеющиеся значения в формулу получим
.5 Расчет
годового экономического эффекта от производства внедренной продукции
Годовой экономический эффект от производства внедренной продукции
рассчитывается по следующей формуле
Г
Где
ЭГ - годовой экономический эффект от производства новой продукции для
удовлетворения нужд потребителя, (руб.);
D П - прирост прибыли
(П2 - П1) от реализации новой продукции, в свою очередь П2 - прибыль от
реализации новой продукции (П2 = Ц2-С2), а П1 - прибыль от реализации
заменяемой продукции (П1 = Ц1-С1), (руб.);
Кдоп
- удельные дополнительные затраты на проектирование и изготовление опытного
образца, (руб.).
ЕН
- нормативный коэффициент эффективности (0,15) ;
А2
- годовой объем новой продукции в расчетном году, в натуральных единицах
3.6 Расчет
срока окупаемости дополнительных затрат.
Расчет срока окупаемости дополнительных затратпроизводится по ниже
следующей формуле
Где
Т - срок окупаемости дополнительных затрат, (лет);
Кдоп
- общие дополнительные затраты, (руб.);
DП - прирост прибыли
от реализации новой продукции, (руб.).
Подставляя
полученные значения в формулу, получим
Основные
экономические показатели, характеризующие внедрение новой продукции приведены в
табл. 4.2.
Таблица
3.4
|
№ п
|
Наименование показателя
|
Ед. изм.
|
Значение показателя
|
|
1.
|
Объем внедряемой продукции
в расчетном году
|
Натур.ед.
|
18
|
|
2.
|
Дополнительные затраты на
прибор
|
Руб.
|
191
|
|
3.
|
Прирост прибыли от реализации
новой продукции
|
Руб.
|
864
|
|
4.
|
Срок окупаемости
дополнительных затрат
|
Лет
|
0.2
|
|
6.
|
Годовой экономический
эффект
|
Руб.
|
835
|
Из расчета видно, что затраты капитальных вложений окупят себя за срок
0,2 года. В результате модернизации достигнуто незначительное повышение цены
изделия. Однако данный факт повышения себестоимости позволяет использовать
эффект масштаба производства и получить значительную сумму прибыли благодаря
росту объема продаж.
4. Охрана
труда
В РФ действует несколько государственных актов по охране труда:
·
Конституция РФ;
·
ФЗ об основах
охраны труда в РФ, принятый Государственной думой 23 июня 1999 года,
·
Кодекс законов о
труде РФ,
Этими, законодательными актами государство взяло на себя вопросы решения
и регулирования вопросов охраны труда и возложило на центральные региональные
государственные органы исполнительной власти задачи по организации и контролю
создания безопасных условий труда, а на работодателей- обязанность обеспечивать
условия труда в полном соответствии с государственными законами, нормами,
правилами и инструкциями по охране труда.
Действие федерального закона распространяется на:
·
-работодателей;
·
работников,
состоящих в трудовых отношениях с работодателями;
·
студентов
образовательных учреждений, учащихся;
·
военнослужащих,
направляемых на работу в организации.
Основными направлениями государственной политики в области охраны труда
является: обеспечение приоритета сохранения жизни и здоровья работников,
государственное управление охраной труда и т.д.
4.1 Основные
положения действующего законодательства РФ об охране труда
А) Федеральный закон об основах охраны труда в РФ.
Закон принят Государственной думой 23 июня 1999 года. Одобрен Советом
Федерации 2 июля 1999 года.
Настоящий Федеральный закон устанавливает правовые основы регулирования
отношений в области охраны труда между работодателями и работниками и направлен
на создание условий труда, соответствующих требованиям сохранения жизни и
здоровья работников в процессе трудовой деятельности.
Для целей настоящего Федерального закона используется следующие основные
понятия:
охраны труда - система сохранения жизни и здоровья работников в процессе
трудовой деятельности, включающая в себя правовые, социально-экономические,
организационно-технические, санитарно-гигиенические, лечебно-профилактические,
реабилитационные и иные мероприятия;
условия труда - совокупность факторов производственный среды и трудового
процесса, оказывающих влияния на работоспособность и здоровье работника;
вредный производственный фактор - производственный фактор, воздействие
которого на работника может привести к его заболеванию;
опасный производственный фактор - производственный фактор, воздействие
которого на работника может привести к его травме;
безопасные условия труда - условия труда, при которых воздействие на
работающих вредных или опасных производственных факторов исключено либо уровня
их воздействия не превышают установленных нормативов;
рабочее место - место, на котором работник должен находится или на
которое ему необходимо прибыть в связи с его работой и которое прямо или
косвенно находится под контролем работодателя;
средства индивидуальной и коллективной защиты работников - технические
средства, используемые для предотвращения или уменьшения воздействия на работников
вредных или опасных производственных факторов, а также для защиты от
загрязнения;
сертификат соответствия работ по охране труда (сертификат безопасности)
-документ, удостоверяющий соответствие проводимых в организации работ по охране
труда установленным государственным нормативным требованиям охраны труда;
производственная деятельность - совокупность действий людей с применением
орудий труда, необходимых для превращения ресурсов в готовую продукцию,
включающих в себя производство и переработку различных видов сырья,
строительство, оказания различных видов услуг.
Б) КЗОТ РФ (раздел-Х)
На всех предприятиях, в учреждениях, организациях создаются здоровые и
безопасные условия труда. Обеспечение здоровых и безопасных условий труда
возлагается на администрацию предприятия, учреждений, организаций.
Администрация обязана выбрать современные средства техники и
безопасности, предупреждающие производственный травматизм, и обеспечивать
санитарно-гигиенические условия, предотвращение возникновение профессиональных
заболеваний работников. Трудовые коллективы обсуждают и одобряют комплексные
планы улучшения условий охраны труда и санитарно-оздоровительных мероприятий и
контролируют выполнение этих планов. Администрация предприятий, учреждений,
организаций обязана обеспечить надлежащее техническое оборудование всех рабочих
мест и создавать на них условия труда, соответствующие единым межотраслевым
правилам и нормам, разрабатываемым и утверждаемым в порядке, установленном
законодательством. На администрацию предприятия, учреждения, организации
возлагается проведение инструктажа работников по технике безопасности,
производственной санитарии, противопожарной охране и другим правилам охраны
труда. Постоянный контроль за соблюдением работниками всех требований инструкций
по охране труда возлагается на администрацию предприятий, учреждений,
организации.
В) Государственные нормативные акты по охране труда. Постановление
Правительства РФ от 23.05.2000 N 399.
В соответствии с Федеральным законом « Об основах охраны труда в
Российской Федерации « Правительство Российской Федерации постановило, что в
Российской Федерации действует система нормативных актов, содержащих
государственные нормативные требования охраны труда, которая состоит из
межотраслевых и отраслевых правил и типовых инструкций по охране труда,
строительных и санитарных норм и правил, правил и инструкций по безопасности,
правил устройства и безопасной эксплуатации, свода правил по проектированию и
строительству, гигиенических нормативных и государственных стандартов
безопасности труда, а также утвердило перечень видов нормативных актов,
содержащих государственные нормативные требования охраны труда.
Г) Обязанности работодателя по охране труда.
В соответствии с государственными законами работодатель обязан
обеспечить: безопасность работников при эксплуатации зданий, сооружений,
оборудования, осуществлении технологических процессов; применение средств
индивидуальной и коллективной защиты работников; соответствующие требованиям
охраны труда условия труда на каждом рабочем месте;
Режим труда и отдыха работников в соответствии с законодательством РФ;
выдачу специальной одежды, обуви и других средств индивидуальной защиты,
смывающих и обезвреживающих средств в соответствии с установленными нормами
работникам, занятым на работах с вредными или опасными условиями труда, а также
на работах, выполняемых в особых температурных условиях или связанных с
загрязнением; Обучение безопасным методам и приемам выполнения работ,
инструктаж по охране труда, стажировку на рабочих местах работников и проверку
их знаний требований охраны труда, недопущение к работе лиц, не прошедших в
установленном режиме указанные обучения, инструктаж, стажировку и проверку
знаний требований охраны труда;
Организацию контроля за состоянием условий труда на рабочих местах, а
также за правильностью применения работниками средств индивидуальной и
коллективной защиты;
Проведение аттестации рабочих мест по условиям труда с последующей
сертификацией работ по охране труда;
Проведение обязательных предварительных и периодических медицинских
осмотров;
Недопущение работников к выполнению ими трудовых обязанностей без
прохождения обязательных медицинских осмотров, а также в случае медицинских
противопоказаний;
Информированию работников об условиях и охране труда на предприятии, о
риске повреждения здоровья, компенсациях и средствах индивидуальной защиты;
принятие мер по предотвращению аварийных ситуаций, сохранение жизни и здоровья
работников при возникновении таких ситуаций, оказание первой помощи
пострадавшим;
Расследование несчастных случаев на производстве и профессиональных,
заболеваний;
Санитарно-бытовые и лечебно-профилактическое обслуживание работников в
соответствии с требованиями охраны труда;
Беспрепятственный допуск должностных лиц органов государственного
управления охраной труда, органов государственного надзора и контроля за
соблюдением требований охраны труда, органов Фонда социального страхования
Российской Федерации, а также представителей органов общественного контроля в целях
проведения проверок условий и охраны труда в организации и расследовании
несчастных случаев на производстве и профессиональных заболеваний;
Выполнение предписаний органов государственного контроля за соблюдением
требований охраны труда;
обязательное социальное страхование работников от несчастных случаев на
производстве и профессиональных заболеваний.
Обязанности работника в области охраны труда.
Работник обязан:
соблюдать требования охраны труда;
правильно применять средства индивидуальной и коллективной защиты;
проходить обучение безопасным методам и приемам выполнения работ,
инструктаж по охране труда, стажировку на рабочем месте, проверку знаний
требований охраны труда;
немедленно извещать своего непосредственного или вышестоящего руководителя
о любой ситуации, угрожающей жизни и здоровью людей, о каждом несчастном
случае, происшедшем на производстве, или об ухудшении состояния своего
здоровья, в том числе о проявлении признаков острого профессионального
заболевания;
проходить обязательные предварительные и периодические медицинские
осмотры.
4.2
Профессиональная подготовка кадров, допуск к самостоятельной работе (обучение
профессии и охране труда)
Все работники организации обязаны проходить обучение профессиональной
пригодности определенной работе, а также обучение и проверку знаний требований
охраны труда в порядке, установленном Правительством РФ, для всех поступающих
на работу работодатель обязан проводить инструктаж по охране труда,
организовать обучение безопасным методом и приемам выполнения работ и оказания
первой медицинской помощи.
Для лиц, поступающих на работу с вредными или опасными условиями труда,
на которой требуется профессиональный отбор, работодатель обеспечивает обучение
безопасным методом и приемам выполнения работ и стажировкой на рабочем месте и
сдачей экзаменов, а в процессе трудовой деятельности - проведение
периодического обучения по охране труда и проверку знаний требований охраны
труда.
4.3 Обучение
руководителей и специалистов по вопросам охраны труда
Обучение и проверка знаний в порядке, установленном Типовым Положением о
порядке обучения и проверки знаний по охране труда руководителей и организаций,
утвержденном Постановлением Минтруда РФ подлежат:
А) руководители и специалисты предприятий, а также лица, занимающиеся
предпринимательской деятельностью, связанной с организацией, руководством и
проведением работы непосредственно на рабочих местах и производственных
участках, с осуществлением надзора и технического контроля за проведением
работ.
Проверка знаний по охране труда поступивших на работу руководителей и
специалистов проводится не позднее одного месяца после назначения на должность,
для работающих периодически, не реже одного раза в три года.
Ответственность за организацию своевременного и качественного обучения и
проверки знаний по охране труда в целом на предприятии возлагается на его
руководителя, в подразделениях - на руководителя подразделений.
Проверка знаний по охране труда руководителе и специалистов предприятий
проводится с учетом их должностных обязанностей и характера производственной
деятельности, а также по тем нормативным актам по охране труда, обеспечение и
соблюдение требований которых входит в их служебные обязанности. Обучение по
вопросам охраны труда проводится по программам, разработанным и утвержденным
предприятиями или учебными центрами, институтами, имеющими разрешение органов
управления охраной труда субъектов РФ на проведение обучения и проверку знаний
по охране труда, в соответствии с типовыми программами.
Проверка знаний по охране труда поступивших на работу руководителей и
специалистов проводится не позднее одного месяца после назначения на должность,
для работающих - периодически, не реже одного раза в три года.
4.4 ГОСТ
12.0.004-90. «Организация обучения безопасности труда, обучение, проведение
специальности всех видов»
Обучение и инструктаж по безопасности труда носят непрерывный
многоуровневый характер. Ответственность за организацию своевременного и
качественного обучения возлагается на руководителя предприятия в целом по
предприятию, а в подразделениях- на руководителя подразделения.
По характеру и времени проведения инструктажи подразделяют на:
-вводный;
-первичный на рабочем месте;
-повторный;
-внеплановый;
-целевой.
Вводный инструктаж проводят со всеми вновь принимаемыми на работу, с
временными работниками, командированными, учащимися и студентами, прибывшими на
практику. Вводный инструктаж проводит инженер по охране труда или лицо, на
которое приказом по предприятию возложены эти обязанности. Вводный инструктаж
проводят по программе, разработанной отделом охраны труда с учетом требований
стандартов ССБТ и основных вопросов инструктажа на рабочем месте,
Повторный инструктаж проводят все работающие независимо от квалификации,
образования и стажа работы не реже чем через шесть месяцев. Повторный
инструктаж проводят индивидуально или с группой работников одной профессии или
бригады по инструкциям по охране труда инструктажа на рабочем месте.
Внеплановый инструктаж проводят при изменении правил по охране труда;
изменение технологического процесса;
замене или модернизации оборудования и других факторов влияющих на
безопасность труда;
перерывах в работе -для работ, к которым предъявляются дополнительные
(повышенные) требования безопасности труда более чем на 30 календарных дней, а
для остальных работ -60 дней. Внеплановый инструктаж проводят индивидуально или
с группой работников одной профессии в объеме первичного инструктажа на рабочем
месте.
Целевой инструктаж проводят при проведении разовых работ, не связанных
прямыми обязанностями, ликвидации последствий аварий, катастроф.
Первичный инструктаж на рабочем месте, повторный, внеплановый и целевой
проводит непосредственный руководитель труда (мастер, инструктор
производственного обучения, преподаватель).
4.5 Порядок
разработки инструкций по охране труда для работников
Инструкции разрабатываются в соответствии с перечнем, который
составляется служебной охраной труда при участии руководителей предприятия,
подразделений, служб главных специалистов, службы организации труда и
заработанной платы. Разработка инструкции для работников осуществляется на
основании приказов и распоряжений руководителей предприятия. Инструкция для
работников разрабатываются руководителями цехов, отделов, лабораторий и других
соответствующих им подразделений предприятия. Каждой инструкции должно
соответствовать наименование и номер. Требования инструкции следует излагать в
соответствии с последовательностью технологического процесса и с учетом
условий, в которых выполняется данная работа.
Типовая инструкция и инструкция для работников должны содержать следующие
разделы:
·
общие требования
безопасности;
·
требования
безопасности перед началом работы;
·
требования
безопасности во время работы;
·
требования
безопасности в аварийных ситуациях;
·
требования
безопасности по окончанию работы.
Организации-разработчики инструкций должны не реже одного раза в 5 лет
проверять их на соответствие действующим государственным стандартам, санитарных
норм и правил и при необходимости перерабатывать и переутвеждать их. Проверка
инструкций по видам работ, связанных с повышенной опасностью проводится не реже
одного раза в 3 года.
.6 Гигиена
труда и производственная санитария
В соответствии с ГОСТ 12.1.005-88 «ССБТ. Общие санитарно-гигиенические
требования к воздуху рабочей зоны» показателями, характеризующими микроклимат в
производственных помещениях являются: температура воздуха (С), относительная
влажность воздуха (%), скорость движения воздуха (м/сек.);
интенсивность теплового излучения (Вт/м2).
Оптимальные и допустимые величины показателей микроклимата в зависимости
от категории работ (легкая, средней тяжести, тяжелая) имеют различные значения.
Эти данные приведены в специальных таблицах.
Санитарные нормы предусматривают, чтобы в производственных помещениях
оборудовались устройства, исключающие загрязнение воздуха рабочей зоны
ядовитыми газами, пылью, парами в концентрациях, превышающих предельно
допустимые.
В производственных помещениях и на рабочих местах должна быть защита от
шума, вибрации и ультразвука.
Защита осуществляется средствами снижающими шум и вибрацию в источнике их
возникновения;
средствами, снижающими шум и вибрацию на пути их распространения;
средствами индивидуальной защиты;
организационно-техническими мероприятиями;
архитектурно-пданировычными методами.
Большое значение имеет освещенность рабочих мест. Улучшение условий
освещенности на рабочих местах приводит к снижению зрительного утомления,
повышения производительности труда и улучшению качества выпускаемой продукции.
Освещение регламентируется специальными нормами освещения (СНиП 23-05-95).
.7 Понятие
ПДК и ПДУ (предельно допустимые концентрации вредных веществ в воздухе и
предельно допустимые в уровни вредных физических факторов) их нормирование
С целью предупреждения профессиональных заболеваний и отравлений вредные
и опасные производственные факторы нормируются. Устанавливаются предельно допустимые
нормы уровни (ПДУ)- для вредных физических факторов и предельно допустимые
концентрации (ПДК) -для вредных веществ в воздухе.
ПДК - это концентрация, которые при ежедневном воздействии в течении
всего рабочего дня не могут вызвать у работающих заболеваний или отклонений в
состоянии здоровья в процессе работы или в отдельные сроки жизни настоящего и
последующего поколения. Предельно допустимое содержание вредных веществ в
воздухе рабочей зоны установлено ГОСТ 12.1.005-88 «ССБТ. Общие санитарно-гигиенические
требования к воздуху рабочий зоны.»
Предельно допустимые уровни (ПДУ) - устанавливаются для вредных
физических факторов (шум, вибрация, недостаточное освещение и т.п.). Эти уровни
устанавливаются стандартами ГОСТ 12.1.003-83. «ССБТ. Вибрация. Общие требования
безопасности.», СНиП П-4-79 «Нормы проектирования. Естественное и искусственное
освещения» и др.
.8
Эксплуатация электроустановок. Порядок обучения и инструктирования персонала
Применяемое оборудование должно соответствовать правилам технической
эксплуатации электроустановок потребителей и правила техники безопасности при
эксплуатации электроустановок потребителей. Обслуживание электроустановок в
процессе эксплуатации должно производиться обученным и аттестованным
персоналом.
.9 Требования
к оборудованию и технологическим процессам
Оборудование должно обеспечивать безопасность работающих при монтаже, в
воде в эксплуатацию и эксплуатации как в случае автономного использования, так
и в случае технологических комплексов при соблюдении требований,
предусмотренных эксплуатационной документации. Материалы конструкции
оборудования не должны оказывать вредного и опасного воздействия на организм
человека во всех заданных режимах работы и предусмотренных условиях
эксплуатации, а также создавать пожаровзрывоопасные ситуации. Конструкция
оборудования должна исключать на всех предусмотренных режимах работы нагрузки
на детали и сборочные единицы, способные вызывать их разрушение,
предоставляющее опасность для работающих. Конструкция должна исключать возможность
падения, опрокидывания и самопроизвольного смещения при всех предусмотренных
условиях эксплуатации и монтажа, падение или выбрасывание предметов,
предоставляющих опасность для работающих, а также выброса рабочих жидкостей.
Движущиеся части оборудования, являющиеся возможным источником травмоопасности,
должны быть ограждены или расположены так, чтобы исключать возможность
прикасания к ним работающего.
Элементы конструкции не должны иметь острых углов, заусенцов, кромок,
если их наличие не определяется функциональным назначением этих элементов.
Конструкция оборудования приводимого в действие электроэнергией, должна
включать средства для обеспечения электробезопасности. Оборудование,
действующее без электрической энергии, должно быть выполнено так, чтобы все
опасности, связанные с этими видами опасности были исключены. Оборудование,
работа которого сопровождается выделением вредных веществ и вредных
микроорганизмов, должно включать встроенные устройства для их удаления или
обеспечивать возможность присоединения к оборудованию удаляющих устройств не
входящих в конструкцию.
Проектирование, организации и проведении технологических процессов должны
предусматривать:
·
Устранение
непосредственного контакта работающих с исходными материалами, заготовками,
полуфабрикатами, готовой продукцией и отходами производства, оказывающими
вредными воздействия;
·
Замену тех
процессов и операций, связанных с возникновением опасных и вредных факторов,
процессами и операциями при которых указанные факторы отсутствуют или обладают
меньшей интенсивностью;
·
Герметизацию
оборудования;
·
Применение
средств коллективной защиты работающих;
·
Рациональную
организацию труда и отдыха;
·
Своевременное
получение информации о возникновении опасных и вредных факторов;
·
Систему контроля
и управления технологического процесса, обеспечивающую защиту работающих и
аварийное отключение оборудования;
·
Удаление и
обезвреживание отходов производства и являющихся источниками вредных и опасных
факторов;
·
Требование
безопасности к техпроцессу должны быть изложены в технологической документации.
.10
Эргономические требования к рабочим местам
Конструкция рабочего места, его размеры и взаимное расположение элементов
должны обеспечивать безопасность при использовании производственного
оборудования по назначению, техническом обслуживании ремонте и уборке, а также
соответствовать эргономическим требованиям. Необходимость наличия на рабочих
местах средств пожаротушения и других средств, используемых в аварийных
ситуациях должна быть установлена в стандартах, технических условиях
эксплуатации на производственное оборудование.
Размеры рабочего места и размещение его элементов должны обеспечивать
выполнение рабочих операций в удобных рабочих позах и не затруднять движений
работающего. При проектирование рабочего места следует предусматривать
выполнение рабочих операций сидя или при чередовании положений сидя и стоя,
если выполнение операций не требует постоянного движения работающего.
Конструкция кресла и подставки для ног должны соответствовать эргономическим требованиям.
.11 Служба
охраны труда на предприятии. Её задачи и функции
Основными задачами службы являются:
·
Организация
работы по обеспечению выполнения работниками требований охраны труда;
·
Контроль за
соблюдением работниками законов и нормативных правовых актов об охране труда,
коллективного договора, соглашения по охране труда;
·
Организация
профилактической работы по предупреждению производственного травматизма,
профессиональных заболеваний и заболеваний, обусловленных производственными
факторами, а также работы по улучшению труда;
·
Изучение и
распространение передового опыта по охране труда, пропоганда вопросов охраны
труда.
.12
Государственный надзор и контроль за соблюдением законодательства Российской
Федерации об охране труда
Государственный надзор и контроль за соблюдением требований охраны труда
осуществляется Федеральной инспекцией труда - единой федеральной
централизованной системой государственных органов. Положение о федеральной
инспекции труда утверждается правительством РФ. Государственные инспектора при
исполнении своих обязанностей имеют право:
·
Беспрепятственно
в любое время суток при наличии удостоверения установленного образца посещать в
целях проведения инспекции организации всех организационно-правовых форм;
·
Изымать для анализа
образцы используемых материалов или обрабатываемых материалов и веществ;
·
Выступать в
качестве экспертов в суде по искам и нарушении законодательства об охране труда
и возмещении вреда, причиненного здоровью работников на производстве и др.
Государственный инспектор труда является федеральным государственным
служащим.
Государственный инспектор несет ответственность за противоправные
действия или бездействия в соответствии законодательством РФ.
Государственный надзор наряду с федеральной инспекцией труда
осуществляется федеральными органами исполнительной власти, которым
предоставлено право осуществлять функции контроля и надзора в пределах своих
полномочий.
.13
Общественный надзор за соблюдением законодательства РФ об охране труда
Общественный контроль за соблюдением прав и законных интересов работников
в области охраны труда осуществляется профсоюзами и иными уполномоченными
работниками представительными органами которые в праве создавать в этих целях
собственные инспекции, а также избирать уполномоченных лиц по охране труда
профсоюзов и иных уполномоченных работниками представительных органов.
Уполномоченные лица по охране труда имеют право беспрепятственно
проверять в организациях соблюдение требований охраны труда и вносить
обязательные для рассмотрения должностными лицами предложения об устранении
выявленных нарушений требований охраны труда.
.14 Порядок
расследования и учета несчастных случаев на производстве
Расследованию и учету подлежат несчастные случаи, происшедшие на
производстве с работниками и другими лицами при выполнении ими трудовых
обязанностей и работы по заданию организации или индивидуального
предпринимателя.
О каждом несчастном случае, происшедшим на производстве, пострадавший или
очевидец несчастного извещает непосредственного руководителя работ, который
обязан:
·
Немедленно
организовать первую помощь пострадавшему и при необходимости доставку его в
учреждение здравоохранения;
·
Сообщить
работодателю о происшедшем несчастном случаи;
·
Принять
неотложные меры по предотвращению развития аварийной ситуации и воздействия
травмирующего фактора на других лиц;
·
Сохранить до
начало расследования несчастного случая обстановку какой она была на момент
происшествия (если это не угрожает жизни и здоровью других людей и не приведет
к аварии). В случае не возможности её сохранения --зафиксировать сложившуюся
обстановку.
При групповом несчастном случае на производстве (два или более человека),
тяжелом несчастном случае на производстве, несчастном случае со смертельным
исходом работодатель или уполномоченное им лицо в течение суток по форме,
установленной министерством труда и социального развития РФ, обязаны сообщить о
несчастном случае, происшедшим в организации:
·
В государственную
инспекцию по труду РФ;
·
В прокуратуру по
месту происшествия несчастного случая;
·
В орган
исполнительной власти субъекта РФ;
·
В Федеральный
орган исполнительной власти по ведомственной принадлежности;
·
В организацию
направившую работника, с которым произошел несчастный случай;
·
В территориальное
объединение профсоюзов;
·
В территориальный
орган госнадзора, если несчастный случай произошел в организации,
подконтрольной этому органу.
Для расследования несчастного случая на производстве работодатель создает
комиссию в составе не менее трех человек. В состав комиссии включаются:
специалист по охране труда, представители работодателя, профсоюзный
представитель. Для расследования группового несчастного случая , тяжелого
несчастного случая, несчастного случая со смертельным исходом в комиссии также
включается государственный инспектор по охране труда, представители органа
исполнительной власти, представитель территориального объединения профсоюзов.
Расследование обстоятельств и причин несчастного случая на производстве
(который не является групповым и не относится к тяжелым или со смертельным
исходом) проводится комиссией в течение трех дней. Расследование группового
несчастного случая, тяжелого или со смертельным исходом проводится в течении 15
дней. В каждом случае комиссия выявляет и опрашивает очевидцев происшествия несчастного
случая, лиц, допустивших нарушение нормативных требований по охране труда,
получает необходимую информацию от работодателя и по возможности объяснения от
пострадавшего.
Комиссия формирует необходимые документы. На основании собранных данных
комиссия устанавливает причины несчастного случая, определяет был ли
пострадавший в момент несчастного случая связан с производственной
деятельностью и объяснялось ли его нахождение на месте происшествия исполнением
им трудовых обязанностей и квалифицирует несчастный случай, определяет лиц
допустивших нарушение требований безопасности и охраны труда, и меры по
устранению причин и предупреждению несчастных случаев на производстве.
.15 Порядок
оказания медицинской помощи при несчастных случаях на производстве
Существуют специальные инструкции по оказанию первой помощи при
несчастных случаях на производстве. Рабочие должны быть обучены им и уметь
применять.
Охрана труда является важной частью производственного процесса. При
соблюдении всех правил охраны труда повышается качество продукции,
увеличивается её количество, создаются благоприятные условия для труда
позволяющие сберегать жизнь и здоровье работающих.
Заключение
. Дипломная работа посвящена разработке прибора БИУС-ВО, представляющего
собой блок волоконно - оптических гироскопов, три оси чувствительности которых
ориентированы через 120° по направляющим конуса с углом полураствора 54,7356° и
одна по оси прибора. Прибор сохраняет работоспособность при отказе одного
измерительного канала. В качестве технического аналога ВОГ использован прибор
КХ34-018 разработки ПО «Корпус».
. Технические характеристики прибора:
Диапазон измерения угловых скоростей от 0.05 до 30 °/с. Прибор работает в двух диапазонах
измерения угловых скоростей: 1 диапазон - от 0.05 до 3 °/с, 2 диапазон - от 3 до 30 °/с.
Погрешность масштабного коэффициента ±0.02 %.
Случайная составляющая дрейфа, не зависящего от перегрузки - 0.05 °/ч.
Масса измерительного канала - 1.5 кг.
Масса прибора БИУС-ВО- 18 кг.
Выходная информация - унитарный код, где частота следования импульсов
пропорциональна угловой скорости, а количество импульсов - измеряемому углу.
. Математическая модель ВОГ, как чувствительного элемента измерительного
канала прибора БИУС-ВО, разработана на базе реальной функциональной схемы
прибора КХ34-018. При этом получены следующие результаты. Дополнительная
погрешность измерения угла при наличии амплитудной модуляции мощности излучения
зависит от уровня и фазы амплитудной модуляции на частоте вспомогательной
фазовой модуляции, а именно, при уровне амплитудной модуляции мощности
излучения 1,5Р0, 1,1Р0 и 1,02Р0 погрешность измерения угла через интервал
опроса 0,1 с. составляет не более 10”, 2.5”, 0.6”, соответственно. При этом
следует учесть, что уровень мощности 1,5 Р0, т.е. вариант, когда 50 % от
мощности полезного сигнала составляют шумы, является практически невозможным.
Реальный уровень шумов не превышает 5%, поэтому погрешность измерения угла в
реальном приборе колеблется от 0.6 до 2 дуговых секунд.
4. Дополнительная погрешность измерения угла при переключении диапазона
измеряемой скорости составляет +0,11° и -0,05° при переключении из I во II диапазон и из II в I диапазон,
соответственно. Амплитудно-фазовые искажения угла при измерении знакопеременной
скорости характеризуют наличие в 1 диапазоне полосы пропускания не более 10 Гц.
Во II диапазоне полоса пропускания ВОГ
более 20 Гц.
5. Рассмотрены вопросы экономической эффективности разработки и
охраны труда на производстве.
Библиографический
список
1. Анучин О.Н., Емельянцев Г.И.
Интегрированные системы ориентации и навигации для морских подвижных объектов.
- СПб: Электроприбор, 1999. - 356 с.
2. Бахвалов Н.С. Численные методы. - М.:
Наука,1973. - 631 с.
3. Бессекерский В.А., Попов Е.П. Теория
систем автоматического регулирования. - М.: Наука, 1975. - 767 с.
4. Березин И.С., Жидков Н.П. Методы
вычислений. - М.: Наука, 1959-1960. Т.1- 464 с; Т.2 - 620 с.
5. Демидович Б.П., Марон И.А., Шувалова
Э.З. Численные методы анализа. - М.: Физматгиз, 1963. - 400 с.
6. Демидович Б.П., Марон И.А. Основы вычислительной
математики. - М.: Наука, 1966. - 664 с.
7. Ишлинский А.Ю. Ориентация, гироскопы
и инерциальная навигация. - М.: Наука, 1976. - 670 с.
8. Калихман Д.М., Короткова Е.В., Нахов
С.Ф., Седышев В.А. Математическая модель волоконно - оптичесского гироскопа. -
Деп. в ВИНИТИ №682- В2001 - 2001. - 49 с.
9. Корн Г., Корн Т. Справочник по
математике для научных работников и инженеров. - М.: Наука, 1978. - 832 с.
10. Куропаткин П.В. Теория
автоматического управления. - М.: Высшая школа, 1973. - 528 с.
11. Николаи Е.Л. Гироскоп в кардановом
подвесе. - М.: Наука, 1964. - 136 с.
12. Основы автоматического управления /
Под ред. В.С. Пугачева. - М.: Наука, 1968. - 679 с.
13. Волоконно-оптическая связь. Приборы,
схемы и системы: Под ред. М. Дж. Хауэрса, Д.В. Моргана. Пер. с англ./ Под ред.
М.Е. Жаботинского. - М.: Радио и связь, 1982.
14. Патент № 6316218, Япония, МКИ G 01 C
19/64, G 01 P 9/00, приоритет от 9.06.86. Волоконно-оптический гироскоп с
фазовым модулятором / Окада Кэнъити, Ниппон Коку, Дэнси Коге // Кокай Токе
Кохо. Сер.7 6 (1)7 - 1988 -10 - С. 95-106. - (Яп.).
15. Патент № 4793708, США, МКИ G 01 B
9/02, приоритет от 27.03.87. Волоконно-оптическая чувствительная катушка /
Bednarz Bronek. Опубл. 27.12.88. НКИ
356/ 350. Litton Sestems Canada Ltd.- № 30593.
16. Шереметьев А.Г. Волоконный оптический
гироскоп. - М.: Радио и связь,1987. - 152 с.