|
№ИГЭ
|
Плотность
частиц грунта, ρS, т/м3
|
Плотность
грунтов, ρ, т/м3
|
Природная
влажность, W, %
|
Степень
влажности, Sr
|
Число
пластичности, IР, %
|
Показатель
текучести, IL, %
|
Коэффициент
пористости, е
|
Наименование
грунта
|
Угол
внутреннего трения, , градУдельное сцепление, с, кПаМодуль
деформации, Е, МПаРасчетное сопротивление, R0,
кПа
|
|
|
|
|
1
|
2,68
|
1,96
|
22,0
|
-
|
7
|
0,43
|
0,67
|
Супесь
пластичная
|
23
|
13
|
15
|
239
|
|
2
|
2,65
|
1,82
|
25,7
|
-
|
13,5
|
0,53
|
0,93
|
Суглинок
мягкопластичный
|
16
|
17
|
9
|
187
|
|
3
|
2,66
|
20,0
|
0,97
|
-
|
-
|
0,55
|
Песок средней
крупности, средней плотности, насыщенный водой
|
38
|
2
|
40
|
400
|
|
4
|
2,67
|
2,09
|
26,6
|
-
|
21
|
0,22
|
0,67
|
Глина
полутвердая
|
20
|
65
|
23
|
394
|
Общая оценка площадки строительства:
Согласно геологическому разрезу строительная площадка
характеризуется спокойным рельефом. Грунты имеют слоистое напластование с
выдержанным залеганием грунтов.
В результате бурения скважин 1 и 2 были вскрыты 4 слоя
грунта:
первый слой представлен супесью пластичной;
второй слой представлен суглинком мягкопластичным;
третий слой представлен песком средней крупности, средней
плотности, насыщенный водой;
четвертый слой представлен глиной полутвердой.
Каждый из слоев может служить естественным основанием.
Также в результате вскрытия скважин 1 и 2 было установлено,
что уровень грунтовых вод 6,7 м
3.
Проектирование фундаментов мелкого заложения по 2 группе предельных состояний
3.1
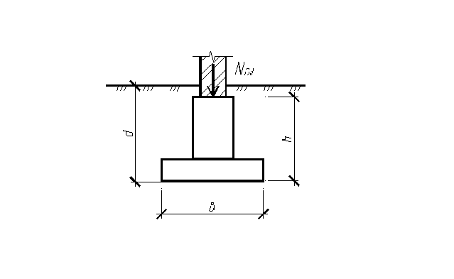
Выбор глубины заложения фундаментов
d - расстояние от спланированной поверхности до подошвы
фундамента (глубина заложения);
h - высота фундамента;
b - ширина фундамента
Глубина заложения фундаментов назначается в результате
совместного рассмотрения инженерно-геологических и гидрогеологических условий
строительной площадки, сезонного промерзания и пучинистости грунтов,
конструктивных и эксплуатационных особенностей зданий, величины и характера
нагрузки на основание.
При определении глубины заложения фундаментов следует
руководствоваться пп. 2.25-2.33 СНиП [10].
Одним из основных факторов, определяющих глубину заложения
фундаментов, является глубина сезонного промерзания грунтов. Различают
нормативную и расчетную глубину сезонного промерзания грунтов.
Нормативная глубина сезонного промерзания грунтов
dfn, м определяется двумя способами:
1. На основе теплотехнического расчета по формуле:
dfn = do
,
где do - величина, принимаемая равной, м, для
суглинков и глин - 0,23;
супесей, песков мелких и пылеватых - 0,28;
песков гравелистых, крупных и средней крупности - 0,30;
Mt - безразмерный коэффициент, численно
равный сумме абсолютных значений среднемесячных отрицательных температур за
зиму (ноябрь - март) в данном районе строительства, принимаемые по табл. СНиП
[11].
=
dfn = 0,28×
= 2,11 м.
2. По схематической
карте глубин промерзания глинистых и суглинистых грунтов (прил. 1, рис. 3 СНиП
[11]): dfn=1,65 м.
В расчет принимаем значение dfn=2,11 м.
Расчетная глубина сезонного промерзания грунтов df, м, определяется по формуле:
df = Kh©dfn,
где dfn - нормативная глубина промерзания, м.
Кh - коэффициент, учитывающий влияние
теплового режима сооружения, принимаемый для наружных фундаментов отапливаемых
сооружений - по табл. 1 СНиП [10],
- для наружных фундаментов отапливаемых сооружений (без
подвала с полами, устраиваемыми по утепленному цокольному перекрытию) Кh =0,7;
- для наружных фундаментов с подвалом Кh =0,5
для внутренних фундаментов (без подвала) Кh=0,7
df = 0,7·2,11= 1,477 м - для зданий без подвала;
df = 0,5·2,11= 1,055 м - для зданий с подвалом.
Расчетную среднесуточную температуру воздуха в помещении,
примыкающем к наружным фундаментам, принимаем 15оС для подвала и 20оС
для безподвальной части здания.
В отапливаемых зданиях по условию недопущения морозного
пучения грунтов основания глубина заложения фундаментов назначается:
а) для наружных фундаментов от уровня планировки по табл. 2
СНиП [10];
б) для внутренних фундаментов - независимо от расчета глубины
промерзания грунтов.
При выборе глубины заложения фундаментов, согласно норм
проектирования [15], рекомендуется:
·
принимать
минимальную глубину заложения фундамента не менее 0,5 м от уровня планировки;
·
предусматривать
заглубление фундамента в несущий слой грунта не менее 10-15 см;
·
избегать
наличия под подошвой фундамента слоя грунта малой толщины, если его
строительные свойства значительно хуже свойств подстилающего слоя;
·
при
наличии подземных коммуникаций, подвалов и полуподвалов подошва фундаментов
закладывается ниже пола подвала или отметки примыкания коммуникаций не менее
чем на 0,4 м.
·
фундаменты
сооружения или его отсека, как правило, должны закладываться на одном уровне.
При заложении ленточных сборных фундаментов смежных отсеков на разных отметках
переход от одной отметки заложения к другой осуществляется уступами высотой,
равной высоте стенового блока (0.3, 0,6 м). Уступы располагают на расстоянии не
менее двойной высоты уступа.
Расчет глубины заложения фундамента
Сечение 1-1
d не менее df, т.к. грунты под подошвой
фундамента - супеси с
IL=0,43>0,25 (dw>df+2).
В данной части здание не имеет подвал, фундамент ленточный
под наружную стену.
Исходя из конструктивных особенностей фундамента глубину
заложения принимаем равной:
,477 - 0,3 - 0,1 = 1,077
(2 блока по 0,6 м)
d = 0,6·2 +0,3 +0,1 = 1,6 м
Вывод: глубину заложения фундамента принимаем равной d =1,6 м
Сечение 2 - 2
В данной части здание не имеет подвал, фундамент ленточный
под внутреннюю стену.
Исходя из конструктивных особенностей фундамента глубину
заложения принимаем равной d =1,6 м
Сечение 6 - 6
В данной части здание имеет подвал, фундамент ленточный под
наружную стену.
Проведем расчет глубины заложения фундамента исходя из
конструктивных соображений и модульности конструкций:
dmin=3,0-0,9+0,1+0,5=2,7 м,
hбл = 2,7-0,5 -0,1 = 2,1 м
(3 блока по 0,6 м и 1 блок по 0,3 м)
dтреб=3·0,6+0,3+0,5+0,1=2,7 м
Вывод: глубину заложения фундамента принимаем равной d =2,7 м
3.2
Определение размеров подошвы центрально нагруженных фундаментов
Сечение 1-1
Предварительно площадь А, м2, подошвы фундамента
определяют по формуле:
;
где NoII - нормативная вертикальная нагрузка от
сооружения, приложенная к обрезу фундамента, определяемая как сумма постоянной
и временной нагрузок,
NoII=Nпост+Nвр= (27,2+2,5)·8=237,6 кН/м;
R0 -
условное расчетное сопротивление несущего слоя грунта основания,
R0=239 кПа
(см. табл. 2);
d - глубина заложения фундамента, d = 1,6 м;
γср - среднее значение удельного веса материала фундамента и
грунта на его уступах, γср=20 кН/м3;
,
b =
= 1,15 м
Размеры проектируемого фундамента вычисляют методом приближения и
принимают с учетом модульности и унификации конструкций. Принимаем b=1,15 м.
Далее вычисляется расчетное сопротивление грунта основания под
подошвой фундамента R, кПа;
где gс1 и gс2 - коэффициенты условий работы, принимаемые по таблице 3
СНиПа [10],
gс1 = 1,2 (т.к. супесь пластичная с Il = 0,43);
gс2 =1,1 (т.к. отношение длины сооружения к высоте L/H=1,25<1,5);
k - коэффициент, принимаемый в курсовом проекте равным 1,1, т.к.
прочностные характеристики грунта (j и с) приняты по таблицам СНиПа [10];
Mg, Mq, Mс -
коэффициенты, принимаемые по таблице 4 СНиПа [10], в зависимости от угла
внутреннего трения (j) грунта
: Mg=0,69, Mq=3,65, Mс=6,24;z
- .коэффициент, принимаемый равным: при b < 10 м - kz =
1;
b - ширина подошвы фундамента, м
gII - осредненное расчетное значение
удельного веса грунтов, залегающих ниже подошвы фундамента (при наличии
подземных вод определяются с учетом взвешивающего действия воды - gsb, кН/м3, определяемого по
формуле:
,
где gi и hi - соответственно удельный вес и толщина i-ого слоя грунта, залегающего ниже подошвы;
Удельный вес грунта g, кН/м3 определяется:
γ=ρ·g
где ρ -
плотность грунта, т/м3 (см. табл. 1),
g - ускорение свободного падения, g = 10 м/с2.
γ1=1,96·10=19,6 кН/м3,
γ2=1,82·10=18,2 кН/м3,
γ3=2,06·10=20,6 кН/м3,
кН/м3,
кН/м3,1’
=0,85 м; h2 = 3,95 м; h3’=0,3 м; h3'' = 4,85 м; h4= 2,85 м
кН/м3,
g’II - то же для грунтов, залегающих выше подошвы фундамента.
кН/м3,
Для грунтов обратной засыпки:
g’II0 = 0,95×g’II,
кН/м3
С - расчетное значение удельного сцепления грунта, залегающего
непосредственно под подошвой фундамента, С=13 кПа;
d1 -
глубина заложения фундаментов бесподвальных сооружений от уровня планировки
d1 =1,6 м,
db - глубина подвала
db=0
Итак расчетное сопротивление грунта основания под подошвой
фундамента равно:
кПа
Зная R уточняем размеры подошвы фундамента из условия:
Размер незначительно изменился, поэтому принимаем фундаментную
плиту марки ФЛ 12.24 (b = 1,2 м) и
стеновой блок марки ФБС 24.4.6.-Т
кПа
Определив предварительные размеры фундамента, приступают к его
конструированию. Конструирование фундаментов из сборных железобетонных
элементов заключается в выборе отдельных стандартных изделий и составлении из
них фундамента, отвечающего принятым при расчете основным его параметрам.
Определение размеров центрально нагруженных фундаментов считается законченным,
если выполняется условие:
РII ≤ R
где РII -
среднее давление под подошвой фундамента, кПа, определяемое по формуле:
где NII - суммарная вертикальная нагрузка на
основание, кН, включая вес фундамента NфII и вес грунта на его уступах NrpII:
NII = N0II + NфII + NrpII
N0II = 237,6
кН,
NфII =
= 18,32 кН (табл. 10 [3]),
кН
NII =237,6+18,32+19,36=275,28 кН
Величина РII должна
не только удовлетворять условию, но и быть по возможности близка к значению
расчетного сопротивления грунта (допустимое отличие от расчетного сопротивления
должно быть не более 10% в меньшую сторону).
РII =
кПа
Условие РII < R
выполняется т.к.
РII = 229,4 кПа< R = 250,7 кПа,
Недонапряжение составляет 8%. Это допустимо.
Окончательно принимаем:
Фундаментную плиту марки ФЛ 12.24
Размеры: b = 1200 мм;
l = 2380 мм;
h = 300 мм;
Vбет = 0,703 м3;
Вес плиты 17,60 кН.
и стеновой блок марки ФБС 24.4.6.-Т
Размеры: l = 2380 мм;
b = 400 мм;
h = 580 мм;
Vбет = 0,54 м3;
Вес блока 13,0 кН.
Сечение 2-2
Предварительно площадь А, м2, подошвы фундамента
определяют по формуле:
;
где NoII - нормативная вертикальная нагрузка от
сооружения, приложенная к обрезу фундамента, определяемая как сумма постоянной
и временной нагрузок,
NoII=Nпост+Nвр= (39,2+5,0)·8=353,6 кН/м;
R0 -
условное расчетное сопротивление несущего слоя грунта основания,
R0=239 кПа
(см. табл. 2);
d - глубина заложения фундамента, d = 1,6 м;
γср - среднее значение удельного веса материала фундамента и
грунта на его уступах, γср=20 кН/м3;
,
b =
= 1,71 м
Размеры проектируемого фундамента вычисляют методом приближения и
принимают с учетом модульности и унификации конструкций. Принимаем b=1,71 м.
Далее вычисляется расчетное сопротивление грунта основания под
подошвой фундамента R, кПа;
где gс1 и gс2 - коэффициенты условий работы, принимаемые по таблице 3
СНиПа [10],
gс1 = 1,2 (т.к. супесь пластичная с Il = 0,43);
gс2 =1,1 (т.к. отношение длины сооружения к высоте L/H=1,25<1,5);
k - коэффициент, принимаемый в курсовом проекте равным 1,1, т.к.
прочностные характеристики грунта (j и с) приняты по таблицам СНиПа [10];
Mg, Mq, Mс -
коэффициенты, принимаемые по таблице 4 СНиПа [10], в зависимости от угла
внутреннего трения (j) грунта
: Mg=0,69, Mq=3,65, Mс=6,24;z
- .коэффициент, принимаемый равным: при b < 10 м - kz =
1;
b - ширина подошвы фундамента, м
gII - осредненное расчетное значение
удельного веса грунтов, залегающих ниже подошвы фундамента (при наличии
подземных вод определяются с учетом взвешивающего действия воды - gsb, кН/м3, определяемого по
формуле:
,
где gi и hi - соответственно удельный вес и толщина i-ого слоя грунта, залегающего ниже подошвы;
Удельный вес грунта g, кН/м3 определяется:
γ=ρ·g
где ρ -
плотность грунта, т/м3 (см. табл. 1),
g - ускорение свободного падения, g = 10 м/с2.
γ1=1,96·10=19,6 кН/м3,
γ2=1,82·10=18,2 кН/м3,
γ3=2,06·10=20,6 кН/м3,
кН/м3,
кН/м3,1’
=0,85 м; h2 = 3,95 м; h3’=0,3 м; h3'' = 4,85 м; h4= 2,85 м
кН/м3,
g’II - то же для грунтов, залегающих выше подошвы фундамента.
кН/м3,
Для грунтов обратной засыпки:
g’II0 = 0,95×g’II,
кН/м3
С - расчетное значение удельного сцепления грунта, залегающего
непосредственно под подошвой фундамента, С=13 кПа;
d1 -
глубина заложения фундаментов бесподвальных сооружений от уровня планировки
d1 =1,6 м,
db - глубина подвала
db=0
Итак расчетное сопротивление грунта основания под подошвой
фундамента равно:
кПа
Зная R уточняем размеры подошвы фундамента из условия:
м2
м2
Размер незначительно изменился, поэтому принимаем фундаментную
плиту марки ФЛ 16.24 (b = 1,6 м) и
стеновой блок марки ФБС 24.3.6.-Т
кПа
Определив предварительные размеры фундамента, приступают к его
конструированию. Конструирование фундаментов из сборных железобетонных
элементов заключается в выборе отдельных стандартных изделий и составлении из
них фундамента, отвечающего принятым при расчете основным его параметрам.
Определение размеров центрально нагруженных фундаментов считается законченным,
если выполняется условие:
РII ≤ R
где РII -
среднее давление под подошвой фундамента, кПа, определяемое по формуле:
где NII - суммарная вертикальная нагрузка на
основание, кН, включая вес фундамента NфII и вес грунта на его уступах NrpII:
NII = N0II + NфII + NrpII
N0II = 353,6
кН,
NфII =
= 18,53 кН (табл. 10 [3]),
кН
NII =353,6+29,05+15,73=401,18 кН
Величина РII должна
не только удовлетворять условию, но и быть по возможности близка к значению
расчетного сопротивления грунта (допустимое отличие от расчетного сопротивления
должно быть не более 10% в меньшую сторону).
РII =
кПа
Условие РII < R
выполняется т.к.
РII = 250,7 кПа< R = 256 кПа,
Недонапряжение составляет 2%, что допустимо. Окончательно
принимаем:
Фундаментную плиту марки ФЛ 16.24
Размеры: b = 1600 мм;
l = 2380 мм;
h = 300 мм;
Vбет =
0,987 м3;
Вес плиты 24,7 кН.
и стеновой блок марки ФБС 24.3.6.-Т
Размеры: l = 2380 мм;
b = 300 мм;
h = 580 мм;
Vбет = 0,41
м3;
Вес блока 9,7 кН.
.3
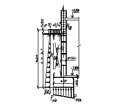
Расчет внецентренно нагруженных фундаментов при наличии подвала
Сечение 6-6
При наличии подвала фундамент наружных стен воспринимает
давление от обратной засыпки грунта.
Расчетная схема ленточного фундамента под стену при наличии
подвала
Его определяют по формулам активного давления на подпорные стенки
с учетом сцепления. Однако при малой высоте этих стенок (до 4х м) и выполнении
обратной засыпки за пазух и фундамента грунтом нарушенной структуры ограничиваются
обычно приближенным расчетом. При вычислении давления грунта на подпорную
стенку учитывают временную нагрузку на поверхности грунта q = 10 кН/м2.
Размеры подошвы фундамента определяют так же, как и для центрально
нагруженного фундамента.
Предварительно площадь А, м2, подошвы фундамента
определяют по формуле:
;
где NoII - нормативная вертикальная нагрузка от
сооружения, приложенная к обрезу фундамента, определяемая как сумма постоянной
и временной нагрузок,
NoII=Nпост+Nвр= (43,4+4,1)·8=380 кН/м;
R0 -
условное расчетное сопротивление несущего слоя грунта основания,
R0=187 кПа
(см. табл. 2);
d - глубина заложения фундамента, d = 2,7 м;
γср - среднее значение удельного веса материала фундамента и
грунта на его уступах, γср=20 кН/м3;
,
b =
= 2,86 м
Размеры проектируемого фундамента вычисляют методом приближения и
принимают с учетом модульности и унификации конструкций. Принимаем b=2,86 м.
Далее вычисляется расчетное сопротивление грунта основания под
подошвой фундамента R, кПа;
где gс1 и gс2 - коэффициенты условий работы, принимаемые по таблице 3
СНиПа [10],
gс1 = 1,0 (т.к. суглинок мягкопластичный с Il = 0,53);
gс2 =1,0 (т.к. отношение длины сооружения к высоте L/H=1,25<1,5);
k - коэффициент, принимаемый в курсовом проекте равным 1,1, т.к.
прочностные характеристики грунта (j и с) приняты по таблицам СНиПа [10];
Mg, Mq, Mс -
коэффициенты, принимаемые по таблице 4 СНиПа [10], в зависимости от угла
внутреннего трения (j) грунта
: Mg=0,36; Mq=2,43; Mс=4,99;z
- .коэффициент, принимаемый равным: при b < 10 м - kz =
1;
b - ширина подошвы фундамента, м
gII - осредненное расчетное значение
удельного веса грунтов, залегающих ниже подошвы фундамента (при наличии
подземных вод определяются с учетом взвешивающего действия воды - gsb, кН/м3, определяемого по
формуле:
,
где gi и hi - соответственно удельный вес и толщина i-ого слоя грунта, залегающего ниже подошвы;
Удельный вес грунта g, кН/м3 определяется:
γ=ρ·g
где ρ -
плотность грунта, т/м3 (см. табл. 1),
g - ускорение свободного падения, g = 10 м/с2.
γ1=1,96·10=19,6 кН/м3,
γ2=1,82·10=18,2 кН/м3,
γ3=2,06·10=20,6 кН/м3,
кН/м3,
кН/м3,2=
3,7 м; h3’=0,3 м; h3'' = 4,85 м; h4= 2,85 м
кН/м3,
g’II - то же для грунтов, залегающих выше подошвы фундамента.
кН/м3,
Для грунтов обратной засыпки:
g’II0 = 0,95×g’II,
кН/м3
С - расчетное значение удельного сцепления грунта, залегающего
непосредственно под подошвой фундамента, С=17 кПа;
d1 -
приведенная глубина заложения для наружных и внутренних фундаментов от пола
подвала, определяемая по формуле:
d1
=0,5+0,1
=0,62 м,
db - расстояние от уровня планировки до пола
подвала, м
Для сооружений с подвалом шириной В<20 м и глубиной свыше 2 м
принимается db=2
Итак расчетное сопротивление грунта основания под подошвой
фундамента равно:
Зная R уточняем размеры подошвы фундамента из условия:
м2
м2
Размер незначительно изменился, поэтому принимаем фундаментную
плиту марки ФЛ 32.12 (b =3, 2 м) и
стеновые блоки марки ФБС 12.4.6-Т и ФБС 12.4.3-Т
Определив предварительные размеры фундамента, приступают к его
конструированию. Конструирование фундаментов из сборных железобетонных
элементов заключается в выборе отдельных стандартных изделий и составлении из
них фундамента, отвечающего принятым при расчете основным его параметрам.
Активное давление грунта GII, кПа, на подпорную стенку у подошвы фундамента вычисляют по
формуле:
при этом L = d + hnp - высота подпорной стенки с учетом приведенной
высоты слоя грунта, hnp, м:
L=2,7+0,54=3,24 м
где
- расчетный удельный вес грунта обратной
засыпки,
= 18,5 кН/м3;
- угол внутреннего трения грунта обратной засыпки, в практических
расчетах принимаемый равным 20°.
Далее определяются составляющие усилий, действующих в уровне
подошвы фундамента:
суммарная равнодействующая нагрузка:
NII = N0II + NфII + NrpII
момент от равнодействующей активного давления грунта с учетом
нагрузки грунта на уступах фундамента:
где e1 - эксцентриситет действующей нагрузки от грунта, лежащего на
уступах фундамента, относительно его центра тяжести, определяемый согласно рис.
6, е1=0,9 м.
N0II=380 кН
NфII=
кН
NrpII=1,4·1·2,2·
=1,4·1·2,2·18,5=56,98 кН
NII = 380+52,8+56,98=489,78 кН.
Эксцентриситет е, м, равнодействующей суммарной вертикальной нагрузки
относительно центра подошвы фундамента определяется по формуле:
м.
Максимальное и минимальное давления под краем фундамента при
действии момента сил относительно только одной из главных осей инерции площади
подошвы фундамента определяются из выражения:
где NII - суммарная вертикальная нагрузка на
основание. кН;
А - площадь подошвы проектируемого фундамента, м2;
е - эксцентриситет равнодействующей вертикальной нагрузки
относительно центра подошвы фундамента, м;
l - большая сторона подошвы фундамента.
кПа
кПа
Среднее давление под подошвой фундамента РII, кПа, определяем по формуле:
РII =
кПа
для среднего давления РII
РII £ R,
,1 кПа < 175,26 кПа. Условие выполняется;
для максимального краевого давления при эксцентриситете
относительно одной главной оси инерции подошвы фундамента
РIImax £ 1,2×R
,85 кПа < 210,31 кПа. Условие выполняется;
для минимального краевого давления:
Рmin > 0,
Рmin = 135,26 > 0. Условие
выполняется.
Все условия выполняются, значит, окончательно принимаем:
фундаментную плиту марки ФЛ 32.12.
Размеры: b = 3200 мм;
l = 1180 мм;
h = 500 мм;
Vбет = 1,6
м3;
Вес плиты 40,0 кН.
и стеновые блоки марки ФБС 12.4.6.-Т
Размеры: b = 400 мм;
l = 1180 мм;
h = 580 мм;
Vбет = 0,26
м3;
Вес плиты 6,4 кН
и марки ФБС 12.4.3.-Т
Размеры: b = 400 мм;
l = 1180 мм;
h = 280 мм;
Vбет = 0,13
м3;
Вес плиты 3,1 кН
3.4
Проверка прочности подстилающего cлоя
Сечение 1-1
Расчетная схема фундамента при наличии подстилающего слоя слабого
грунта
При наличии под несущим слоем на глубине Z слоя грунта меньшей прочности, чем прочность грунта несущего
слоя, размеры фундамента должны назначаться такими, чтобы полное давление на
кровлю подстилающего слоя не превышало его расчетного сопротивления, т.е.
обеспечивалось бы условие:
σzp +
σzq ≤ Rz,
где σzp -
дополнительное вертикальное напряжение на глубине Z от подошвы фундамента от
нагрузки на основание под подошвой фундамента, определяемое по формуле:
σzp = a×р0
где a - коэффициент
рассеивания напряжений с глубиной, принимаемый в зависимости от формы подошвы
фундамента, соотношения сторон прямоугольного фундамента и относительной
глубины z:
a = f(z=
, h=
)
здесь l - длина; b - ширина подошвы фундамента.
z=
=1,417; интерполируя, находим a = 0,694;
р0 - дополнительное вертикальное давление на основание,
определяемое как разность между средним давлением под подошвой фундамента Р и
напряжением от собственного веса грунта на уровне подошвы фундамента σzq0.
р0 = PII -
σzq0,
σzq0 = d×γ1= 1,6×19,6
= 31,36 кПа
PII = 219,3 кПа
р0 =219,3 - 31,36 = 197,94 кПа
σzp = 0,694×197,94 =137,37 кПа
σzq - вертикальное напряжение от собственного
веса грунта на глубине Z от подошвы фундамента, определяемое по формуле:
где γi и hi - соответственно удельный вес и толщина i-го слоя грунта.
σzq = 19,6× 2,45 = 48,02 кПа
σzp +
σzq=137,37+48,02=185,02 кПа
Rz - расчетное сопротивление грунта на
глубине кровли слабого подстилающего слоя.
Величину Rz
определяют по формуле как для условного фундамента шириной bz и
глубиной заложения dz. Коэффициенты условии работы gс1 и gс2 и
надежности к, а также коэффициенты Mg, Mq, Mс находят
применительно к слою слабого грунта.
Площадь подошвы условного фундамента Az, м2. определяется по формуле:
где NII = N0II + NфII + NrpII
- суммарная вертикальная нагрузка на основание.
NII = 263,18 кН,
м2;
Ширина подошвы условного фундамента bz, м, определяется из условия:
для ленточного фундамента bz = Az/1;
bz=1,92 м
Вычисляем расчетное сопротивление грунта основания Rz как для условного фундамента шириной bz
= 5,8 м и глубиной заложения dz =2,45 м,
кПа;
где gс1 и gс2 - коэффициенты условий работы, принимаемые по таблице 3
СНиПа [10],
gс1 = 1,0
gс2 =1,0 (т.к. L/H=1,25
1,5);
k - коэффициент, принимаемый в курсовом проекте равным 1,1, т.к.
прочностные характеристики грунта (j и с) приняты по таблицам СНиПа [10];
Mg, Mq, Mс -
коэффициенты, принимаемые по таблице 4 СНиПа [10], в зависимости от угла
внутреннего трения (j) грунта,
j=16; Mg=0,36, Mq=2,43, Mс=4,99;z
- .коэффициент, принимаемый равным: при b < 10 м - kz =
1;
bz - ширина
подошвы фундамента, м; bz = 1,92 м
gII - осредненное расчетное значение
удельного веса грунтов, залегающих ниже подошвы фундамента на всю глубину
разведанной толщи грунтов (при наличии подземных вод определяются с учетом
взвешивающего действия воды) - gsb,
кН/м3, определяемого по формуле:
,
где gi и hi - соответственно удельный вес и толщина i-ого слоя грунта, залегающего ниже подошвы;
Удельный вес грунта g, кН/м3 определяется:
γ=ρ·g
где ρ -
плотность грунта, т/м3 (см. табл. 1),
g - ускорение свободного падения, g = 10 м/с2.
γ1=1,96·10=19,6 кН/м3,
γ2=1,82·10=18,2 кН/м3,
γ3=2,06·10=20,6 кН/м3,
кН/м3,
кН/м3,2=
3,95 м; h3’=0,3
м; h3'' = 4,85 м; h4= 2,85 м
кН/м3,
g’II - то же для грунтов, залегающих выше подошвы фундамента.
кН/м3,
Для грунтов обратной засыпки:
g’II0 = 0,95×g’II,
кН/м3
С - расчетное значение удельного сцепления грунта, залегающего
непосредственно под подошвой фундамента, С=17 кПа;
d1 -
глубина заложения фундаментов бесподвальных сооружений от уровня планировки
d1=2,45 м,
db - глубина подвала - расстояние от уровня
планировки до пола подвала, м
db=0 м
Итак расчетное сопротивление грунта основания под подошвой
фундамента равно:
Проверяем выполнение условия:
σzp +
σzq ≤ Rz
,02 кПа < 192,9 кПа
Выполнение данного условия свидетельствует о том, что в слое
слабого подстилающего слоя не будут развиваться пластические деформации.
Сечение 6-6
Расчетная схема фундамента при наличии подстилающего слоя слабого
грунта
При наличии под несущим слоем на глубине Z слоя грунта меньшей прочности, чем прочность грунта несущего
слоя, размеры фундамента должны назначаться такими, чтобы полное давление на
кровлю подстилающего слоя не превышало его расчетного сопротивления, т.е. обеспечивалось
бы условие:
σzp +
σzq ≤ Rz,
где σzp -
дополнительное вертикальное напряжение на глубине Z от подошвы фундамента от
нагрузки на основание под подошвой фундамента, определяемое по формуле:
σzp = a×р0
где a - коэффициент
рассеивания напряжений с глубиной, принимаемый в зависимости от формы подошвы
фундамента, соотношения сторон прямоугольного фундамента и относительной
глубины z:
a = f(z=
, h=
)
здесь l - длина; b - ширина подошвы фундамента.
z=
=2,3125; интерполируя, находим a = 0,493;
р0 - дополнительное вертикальное давление на основание,
определяемое как разность между средним давлением под подошвой фундамента Р и
напряжением от собственного веса грунта на уровне подошвы фундамента σzq0.
р0 = PII -
σzq0,
σzq0 = h1×γ1+ h2×γ2= 19,6·2,45+18,2·0,25=52,57 кПа
PII = 153,1 кПа
р0 =153,1 - 52,57 = 100,53 кПа
σzp = 0,493×100,53 =49,6 кПа
σzq - вертикальное напряжение от собственного
веса грунта на глубине Z от подошвы фундамента, определяемое по формуле:
где γi и hi - соответственно удельный вес и толщина i-го слоя грунта.
σzq = 19,6×
2,45+18,2×3,95 = 48,02+71,89=119,91 кПа
σzp +
σzq=49,6+119,91=169,51 кПа
Rz - расчетное сопротивление грунта на
глубине кровли слабого подстилающего слоя.
Величину Rz
определяют по формуле как для условного фундамента шириной bz и
глубиной заложения dz. Коэффициенты условии работы gс1 и gс2 и
надежности к, а также коэффициенты Mg, Mq, Mс находят
применительно к слою слабого грунта.
Площадь подошвы условного фундамента Az, м2. определяется по формуле:
где NII = N0II + NфII + NrpII - суммарная вертикальная нагрузка на
основание.
NII = 489,78 кН,
м2;
Ширина подошвы условного фундамента bz, м, определяется из условия:
для ленточного фундамента bz = Az/1;
bz=9,91 м
Вычисляем расчетное сопротивление грунта основания Rz как для условного фундамента шириной bz
= 9,91 м и глубиной заложения dz =6,4 м,
кПа;
где gс1 и gс2 - коэффициенты условий работы, принимаемые по таблице 3
СНиПа [10],
gс1 = 1,4
gс2 =1,4 (т.к. L/H=1,25
1,5);
k - коэффициент, принимаемый в курсовом проекте равным 1,1, т.к.
прочностные характеристики грунта (j и с) приняты по таблицам СНиПа [10];
Mg, Mq, Mс -
коэффициенты, принимаемые по таблице 4 СНиПа [10], в зависимости от угла
внутреннего трения (j) грунта,
j=38; Mg=2,11, Mq=9,44, Mс=10,8;z
- .коэффициент, принимаемый равным: при b < 10 м - kz =
1;
bz - ширина
подошвы фундамента, м; bz = 9,91 м
gII - осредненное расчетное значение
удельного веса грунтов, залегающих ниже подошвы фундамента на всю глубину
разведанной толщи грунтов (при наличии подземных вод определяются с учетом
взвешивающего действия воды) - gsb,
кН/м3, определяемого по формуле:
,
где gi и hi - соответственно удельный вес и толщина i-ого слоя грунта, залегающего ниже подошвы;
Удельный вес грунта g, кН/м3 определяется:
γ=ρ·g
где ρ -
плотность грунта, т/м3 (см. табл. 1),
g - ускорение свободного падения, g = 10 м/с2.
γ1=1,96·10=19,6 кН/м3,
γ2=1,82·10=18,2 кН/м3,
γ3=2,06·10=20,6 кН/м3,
кН/м3,
кН/м3,2=
3,95 м; h3’=0,3
м; h3'' = 4,85 м; h4= 2,85 м
кН/м3,
g’II - то же для грунтов, залегающих выше подошвы фундамента.
кН/м3,
Для грунтов обратной засыпки: g’II0 = 0,95×g’II,
кН/м3
С - расчетное значение удельного сцепления грунта, залегающего
непосредственно под подошвой фундамента, С=2 кПа;
d1 -
приведенная глубина заложения для наружных и внутренних фундаментов от пола
подвала, определяемая по формуле:
d1
=(3,7+0,5)+0,1
=4,32 м,
db - расстояние от уровня планировки до пола
подвала, м
Для сооружений с подвалом шириной В<20 м и глубиной свыше 2 м
принимается db=2
Итак расчетное сопротивление грунта основания под подошвой
фундамента равно:
Проверяем выполнение условия:
σzp +
σzq ≤ Rz
,51 кПа < 2510,9 кПа
Выполнение данного условия свидетельствует о том, что в слое
слабого подстилающего слоя не будут развиваться пластические деформации.
.5
Расчет осадки основания методом послойного суммирования
Расчет оснований по деформациям производится из условия:
S £ Sn,
где Sn - предельное значение совместной деформации
основания и сооружения, определяемой по таблице приложения 4 СНиП [10], Sn = 10 см;
S - совместная деформация основания и сооружения, определяемая
расчетом в соответствии с указаниями приложения 2 СНиП [10].
Расчет осадки основания S, м, в методе послойного суммирования
находят простым суммированием осадок всех элементарных слоев в пределах
сжимаемой толщи Нс по формуле:
где β -
безразмерный коэффициент, равный 0,8;
σzр,i - среднее значение дополнительного вертикального напряжения в
i-ом слое грунта, равное полусумме указанных напряжений на верхней Z i-1
и нижней Z i границах элементарного слоя по вертикали, проходящей через центр
подошвы фундамента;
hi и Ei - соответственно толщина и модуль
деформации i-ого элементарного слоя грунта;- число слоев на которое разбита
сжимаемая толща основания.
Напряжение от собственного веса грунта σzq определяется в следующих характерных
точках грунтового основания: на уровне планировки, подошвы фундамента,
подземных вод, на контактах инженерно-геологических элементов (слоев грунтов)
по формуле:
где γi и hi - соответственно удельный вес и толщина
1-го слоя грунта.
Удельный вес водопроницаемых грунтов, к которым условно отнесем
все пески, супеси, суглинки, залегающих ниже уровня подземных вод, но выше
водоупора - глины, вычисляется с учетом взвешивающего действия воды - γsb.
,
где γs, γw - удельный вес частиц грунта и воды соответственно;
е - коэффициент пористости.
В этом случае к вертикальному напряжению от собственного веса
грунта σzq на
кровлю водоупора добавляется гидростатическое давление бгидр столба
воды, определяемое по формуле:
бгидр = hw·γw,
где hw и γw - соответственно высота столба воды и
удельный вес воды.
Дополнительные вертикальные напряжения σzp на глубине Z от подошвы фундамента определяются по формуле:
σzp = a×р0
где a - коэффициент
рассеивания напряжений с глубиной, принимаемый в зависимости от формы подошвы
фундамента, соотношения сторон прямоугольного фундамента и относительной
глубины z
a = f(z=
, h=
)
здесь l - длина; b - ширина подошвы фундамента.
р0 - дополнительное вертикальное давление на основание,
определяемое как разность между средним давлением под подошвой фундамента Р и
напряжением от собственного веса грунта на уровне подошвы фундамента σzq0.
Для обеспечения необходимой точности расчета, сжимаемую толщу
основания ниже подошвы фундамента разбивают на элементарные слои, толщина
которых h, м, должна удовлетворять условию:
h £ 0,4b,
где b - ширина подошвы фундамента.
Дополнительные вертикальные напряжения σzq определяют на границах элементарных
слоев.
Сечение 1 -1
Схема к расчету осадки методом послойного суммирования.
Определяем ординаты эпюры вертикальных напряжений от действия
собственного веса грунта и вспомогательной эпюры 0,2×σzq:
1. На уровне спланированной поверхности:
σzq = 0×γ1= 0 кПа
,2×σzq = 0 кПа
2. На уровне подошвы фундамента:
σzq0 = σzq0+ d×γ1=0 + 1,6×19,6 = 31,36 кПа
0,2×σzq0 = 6,27 кПа
3. На границе слоев ИГЭ-1 и ИГЭ-2:
σzq1 = σzq +h1 ×γ1= 0+19,6×2,45 = 48,02 кПа
,2×σzq1 =9,604 кПа
4. На границе слоев ИГЭ-2 и ИГЭ-3:
σzq2= σzq1 + h2 ×γ2 = 48,02+18,2×3,95 = 119,91 кПа
,2×σzq2= 23,982 кПа
5. На уровне грунтовых вод:
σzqw = σzq2 + h’3 ×γ3= 119,91+0,3×20,6 = 126,09 кПа
,2×σzqw=25,218кПа
6. На границе слоев ИГЭ-3 и ИГЭ-4 с учетом
взвешивающего действия воды:
σzq3 = σzqw + h3×γsb3= 126,09 + 4,85×10,7 = 177,985 кПа
,2×σzq3=35,597 кПа
7. От действия столба воды:
σгидр= hw·γw= 4,85×10 = 48,5 кПа
8. Полное напряжение на границе слоев ИГЭ3 и ИГЭ4 (на
кровлю водоупора):
σzqполн= σzq3 + σгидр = 177,985 + 48,5
=226,485 кПа
0,2×σzqполн=45,3 кПа
9. На подошве ИГЭ-4:
σzq4 = σzqполн + h4×γ4= 226,485 +2,85×20,9 = 286,05 кПа
,2×σzq4 =57,21кПа
Значения напряжений σzq откладывают влево от оси
фундамента. Вспомогательная эпюра напряжений от собственного веса грунта,
значения абсцисс которой составляют 20% соответствующего значения напряжения от
собственного веса грунта σzq, откладывается вправо от
оси фундамента.
h £ 0,4b, 0,4·1,2=0,48 м условие выполняется
Результаты вычислений приведены в табл. 3
|
Наименование
слоев грунта
|
Z, м
|
  , кПаЕ, кПа
|
S, см
|
|
|
|
|
Супесь
пластичная
|
0 0,48 0,96
|
0 0,8 1,6
|
1,0 0,881 0,642
|
187,94 165,58
120,68
|
14800
|
2,56
|
|
Суглинок
мягкопластичный
|
1,14 1,62 2,1 2,58 3,06 3,54
4,02 4,5
|
2,4
3,2 4,0 4,8 5,6 6,4 7,2 8,0
|
0,477
0,374 0,306 0,258 0,223 0,196 0,175 0,158
|
89,65
70,29 57,51 48,49 41,91 36,84 32,89 29,69
|
8800
|
|
|
Песок средней
крупности, средней плотности, насыщенный водой
|
4,98
|
8,8
|
0,143
|
26,87
|
40000
|
|
S=2,56+6,09+0,08=8,73 см < Sи=10 см Условие выполняется
Сечение 6 -6
Схема к расчету осадки методом послойного суммирования.
Определяем ординаты эпюры вертикальных напряжений от действия
собственного веса грунта и вспомогательной эпюры 0,2×σzq:
1. На уровне спланированной поверхности:
σzq = 0×γ1= 0 кПа
,2×σzq = 0 кПа
2. На границе слоев ИГЭ-1 и ИГЭ-2:
σzq1 = σzq +h1 ×γ1= 0+19,6×2,45 = 48,02 кПа
,2×σzq1 =9,604 кПа
3. На уровне подошвы фундамента:
σzq0 = σzq1 + h’2×γ2=48,02 + 18,2×0,25 = 52,57 кПа
,2×σzq0 = 10,514 кПа
4. На границе слоев ИГЭ-2 и ИГЭ-3:
σzq2= σzq1 + h2 ×γ2 = 48,02+18,2×3,95 = 119,91 кПа
,2×σzq2= 23,982 кПа
5. На уровне грунтовых вод:
σzqw = σzq2 + h’3 ×γ3= 119,91+0,3×20,6 = 126,09 кПа
,2×σzqw=25,218кПа
6. На границе слоев ИГЭ-3 и ИГЭ-4 с учетом
взвешивающего действия воды:
σzq3 = σzqw + h3×γsb3= 126,09 + 4,85×10,7 = 177,985 кПа
0,2×σzq3=35,597 кПа
7. От действия столба воды:
σгидр= hw·γw= 4,85×10 = 48,5 кПа
8. Полное напряжение на границе слоев ИГЭ3 и ИГЭ4 (на
кровлю водоупора):
σzqполн= σzq3 + σгидр = 177,985 + 48,5
=226,485 кПа
,2×σzqполн=45,3 кПа
9. На подошве ИГЭ-4:
σzq4 = σzqполн + h4×γ4= 226,485 +2,85×20,9 = 286,05 кПа
,2×σzq4 =57,21кПа
Значения напряжений σzq откладывают влево от оси
фундамента. Вспомогательная эпюра напряжений от собственного веса грунта,
значения абсцисс которой составляют 20% соответствующего значения напряжения от
собственного веса грунта σzq, откладывается вправо от
оси фундамента.
h £ 0,4b, 0,4·3,2=1,28 м условие выполняется
Результаты вычислений приведены в табл. 4
|
Наименование
слоев грунта
|
Z, м
|
  , кПаЕ, кПа
|
S, см
|
|
|
|
|
Суглинок
мягкопластичный
|
0 1,28 2,56
3,84
|
0 0,8 1,6 2,4
|
1 0,881 0,642
0,477
|
100,53 88,57
64,54 47,95
|
8800
|
2,65
|
|
Песок средней крупности,
средней плотности, насыщенный водой
|
5,12 6,40
|
3,2 4,0
|
0,374 0,306
|
37,6 30,76
|
40000
|
0,9
|
S=2,65+0,9=3,55 см < Sи=10 см
Условие выполняется
4.
Расчет и проектирование свайных фундаментов
4.1
Основные положения расчета
Расчет свайных фундаментов и их оснований производят по двум
группам предельных состояний:
по первой группе - по несущей способности
грунта основания свай, по устойчивости грунтового массива со свайным
фундаментом; по прочности материала свай и ростверков;
по второй группе - по осадкам свайных
фундаментов от вертикальных нагрузок; по перемещению свай совместно с грунтом
основания от действия горизонтальных нагрузок и моментов; по образованию иди
раскрытию трещин в элементах железобетонных конструкций свайных фундаментов.
Одиночную сваю в составе фундамента и вне его по несущей
способности грунтов основания следует рассчитывать исходя из условия:
,
где N - расчетная нагрузка, передаваемая на сваю, кН;d
- расчетная несущая способность грунта основания одиночной сваи, называемая
несущей способностью сваи;
- коэффициент надежности, величина которого принимается в
зависимости от метода определения несущей способности сваи;
=1,4, если несущая способность сваи
определена расчетом.
Проектирование свайных фундаментов выполняют в такой
последовательности:
1. Определяют величины и невыгодные сочетания нагрузок,
действующих на фундамент на уровне отметки поверхности земли или верхней
поверхности обреза ростверка;
2. Выбирают глубину заложения ростверков с учетом
конструктивных особенностей, сооружения и размера ростверка;
. Выбирают тип, способ погружения и размеры свай,
сообразуясь с грунтовыми условиями, действующими нагрузками, конструктивными
особенностями проектируемого здания или сооружения;
. Определяют несущую способность сваи;
. Определяют расчетную нагрузку, передаваемую на
сваю;
. Определяют число центрально нагруженных свай;
. Уточняют размеры ростверка в плане из условия
размещении полученного числа свай;
. Уточняют нагрузку, действующую на одну сваю, с
учетом размеров и веса ростверка, веса стеновых блоков и грунта обратной
засылки;
. Рассчитывают фундамент по второй группе предельных
состояний:
- определяют размеры условного свайного фундамента, давления
под его подошвой и последнее сопоставляют с расчетным сопротивлением;
определяют осадку условного свайного фундамента.
4.2
Выбор глубины заложения и размеров ростверка
Глубина заложения подошвы низкого ростверка dp назначается в
зависимости от конструктивных особенностей сооружения (наличие подвала,
технического подполья), а также высоты ростверка.
При строительстве на пучинистых грунтах подошва ростверка
закладывается ниже расчетной глубины промерзания грунтов df, руководствуясь в
расчете требованиями, изложенными в 3.1 настоящей расчетно-пояснительной
записке и соответствующими требованиями СНиП [10].
Глубина заложения подошвы ростверков, согласно норм
проектирования [14], назначается также с учетом следующих положений:
а) в зданиях при отсутствии подвала под внутренние стены
закладывается подошва ростверка на 0.1 - 0.15 м ниже планировочных отметок;
б) в бесподвальных помещениях обрез ростверка под внутренние
колонны закладывается на уровне отметки планировки:
в) при наличии подвала ростверки под наружные стены
закладываются с отметкой подошвы, равной отметке пола подвала; а под внутренние
стены с отметкой верха, равной отметке пода подвала.
При глинистых грунтах под ростверком наружных стен следует
предусматривать укладку слоя щебня, шлака или крупнозернистого песка толщиной
не менее 0,2 м, а под внутренними стенами - слоя щебня, шлака или тощего бетона
толщиной не менее 0,1 м. При песчаных грунтах ростверк под наружные и
внутренние стены нужно укладывать по слою щебня, шлака или тощего бетона
толщиной не менее 0,1 м.
Размеры железобетонных ростверков отдельных свайных
фундаментов под колонны принимают согласно расчетов по прочности: на
продавливание колонной, угловой сваей нижней плиты ростверка, по поперечной
силе наклонных сечений, на изгиб, на местное сжатие (смятие) под торцами
железобетонных колонн или под опорными плитами стальных колонн.
Размеры подошвы ростверка под колонны, ступеней и
подколонника в плане из условия унификации рекомендуется принимать кратными 300
мм. Высоту плитной части ступеней и подколенника следует принимать кратной 150
мм.
Толщина дна стакана как в сборных, так и в монолитных
ростверках должна быть не менее 300 мм.
При проектировании ростверков под типовые железобетонные
колонны в курсовом проекте рекомендуется использовать ростверки высотой Нр=1200,
1350 мм серии 1.411.1-2/91. Марка ростверка выбирается в зависимости от
требуемого количества свай.
Для свайного фундамента под стену (ленточный свайный фундамент)
требуемая высота ростверка назначается согласно расчета с учетом высоты и
количества стеновых блоков марки ФБС. При этом рекомендуемая минимальная высота
ростверка должна быть не менее 300 мм.
4.3
Выбор типа, размеров и способа погружения свай
В курсовом проекте проектируются железобетонные висячие сваи
сплошного квадратного сечения от 200х200 до 400х400 мм с ненапряженной
арматурой длиной 3-16 м (Серия 1.011.1-10), погружаемые в грунт без его выемки
забивкой дизельным молотом.
Длина сваи выбирается в зависимости от грунтовых условий
строительной площадки, глубины заложения подошвы ростверка. Нижний конец сваи
следует заглублять в прочные грунты, прорезая напластования более слабых
грунтов; при этом заглубление нижнего конца сваи в несущий слой должно быть:
в прочие нескальные грунты - не менее 1 м. При выборе длины
сваи, согласно норм проектирования [12, 14], рекомендуется:
принимать длину сваи не менее 3 м;
выполнять заделку головы сваи в ростверк на глубину 5-10 см.
Требуемая длина сваи (без острия) определяется из условия:
l = l1 + l2 + l3,
где l1 - величина заделки головы сваи в ростверк, м;
l2 - величина заглубления нижнего конца сваи в
несущий слой, м;
l3 - толщина слоев грунтов, прорезаемых сваей, м.
Окончательные размеры типовых свай принимаются по табл. 8
[17], где приведена характеристика свай сплошного квадратного сечения с ненапрягаемой
арматурой обычной ударостойкости согласно Серии 1.011.1-10* «Сваи забивные
железобетонные». Вып. 1. «Сваи цельные сплошного квадратного сечения с
ненапрягаемой арматурой».
4.4
Расчет несущей способности забивных висячих свай по грунту при действии
вертикальной нагрузки
Расчет несущей способности Fd, кН, забивных
висячих свай по грунту при действии вертикальной нагрузки выполняют, как
правило, по прочности грунта как сумму сил расчетных сопротивлений грунтов
основания под нижним концом сваи и на ее боковой поверхности по формуле:
где
- коэффициент условий работы сваи в
грунте. принимаемый
= 1;
- коэффициенты условий работы грунта соответственно под нижним
концом и на боковой поверхности сваи, принимаемые равными 1 при погружении сваи
дизельным молотом;
R - расчетное сопротивление грунта под нижним концом сваи, кПа,
принимаемое по табл. 9 [17];
А - площадь опирания на грунт сваи, м2, принимаемая по
площади поперечного сечения сваи;
И - наружный периметр поперечного сечения сваи, м;
fi - расчетное сопротивление 1-го слоя грунта
основания на боковой поверхности сваи, кПа, принимаемое по табл. 10 [17];
hi - толщина I-го слоя грунта, соприкасающегося с боковой поверхностью сваи, м.
4.5
Определение числа свай в фундаменте и конструирование ростверка
Число свай n определяют исходя из условия, что ростверк осуществляет
равномерное распределение нагрузки на свайный куст или свайный ряд по формуле:
где
- коэффициент надежности, величина
которого принимается в зависимости от метода определения несущей способности
сваи;
=1,4, если несущая способность сваи
определена расчетом.
- расчетная нагрузка на куст (кН) иди на 1 м длины ленточного
фундамента (кН/м), приложенная на уровне обреза фундамента;
,
где
- основная нормативная нагрузка на куст.
кH, или на 1 м длины ленточного фундамента,
кН/м;
- коэффициент надежности по нагрузке,
= 1,1);
Fd - несущая способность висячей сваи, кН.
Для отдельно стоящего фундамента - куста свай полученное число
свай округляется до целого числа в сторону увеличения.
При определении размера ростверка в плане сваи в кусте размещают
так, чтобы ростверк получился наиболее компактным. Расстояние между осями свай
принимают:
с = (3 + 6) d,
где d - сторона квадратной сваи; обычно
принимают с = 3d, так как при большем расстоянии между осями свай значительно
увеличиваются размеры ростверка. Расстояние от края плиты ростверка до
ближайшей грани сваи (свес ростверка) принимают не менее 100 мм.
При проектировании свайных фундаментов под типовые колонны в
зависимости от числа свай выбирается марка куста свай и ростверка согласно
табл. 11, рис. 10, [17].
Для ленточного свайного фундамента под стену число свай на 1 м
может быть дробным [4]. Расстояние между осями свай (шаг свай) вдоль стены
определяется по формуле
Полученный результат округляется таким образом, чтобы шаг свай был
кратен 5 см. В зависимости от величины с определяется число рядов свай.
Предлагаются следующие варианты расположения свай в плане:
однорядное, когда 3d < с < 6d. Если по расчету получилось, что с > 6d, то следует уменьшить
несущую способность свай, изменив ее длину или сечение;
двухрядное шахматное, если n £ 2 и l, 5d < c £ 3d. Расстояние между двумя рядами свай ср
в этом случае определяется по формуле
- двухрядное, если n > 2.
Расстояние между рядами принимается cр = 3d.
Для недопущения увеличения размера ростверка рекомендуется
принимать не более 2-х рядов свай. Если по расчету получится с < 1,5d, то следует увеличить несущую способность сваи, увеличив,
длину сваи или ее сечение.
Ширину ростверка ленточного свайного фундамента при расположении
свай в один ряд определяют по формуле:
bр = d + 2 со, мм,
где d - поперечный размер ствола свай, мм;
со - расстояние от края плиты ростверка до ближайшей
грани сваи (свес ростверка), мм.
Ширину ростверка при многорядном расположении свай вычисляют по
формуле:
bр = ср
(м - 1) + d + 2 со,
где м - число рядов свай;
ср - расстояние между осями свай в соседних рядах;
d - поперечный размер ствола свай, мм;
со - расстояние от края плиты ростверка до ближайшей
грани сваи (свес ростверка), мм.
Рекомендуется принимать не более двух рядов свай при минимальной
ширине ростверка 400 мм.
После размещения свай в плане и уточнения габаритных размеров
ростверка определяют нагрузку Nф, приходящуюся на каждую сваю и проверяют
условие:
где
, Fd,
, n - то же, что и в формуле;
- расчетная нагрузка от веса стеновых блоков (при проектировании
ленточных фундаментов);
- расчетная нагрузка от веса ростверка;
- расчетная нагрузка от веса грунта на уступах ростверка, кН.
При вычислении
и
, коэффициент надежности по нагрузке
= 1,1, а при вычислении
-
= 1,15.
Если условие не выполняется, то необходимо или выбрать другой тип
свай, имеющих более высокую несущую способность, или увеличить число свай в
фундаменте и повторить расчет.
4.6
Расчет свайных фундаментов по 2-ой группе предельных состояний (по деформациям)
Расчет свай и свайных фундаментов по деформациям следует
производить исходя ив условия:
S £ Sn,
где Sn - предельное значение совместной деформации
основания и сооружения, определяемой по таблице приложения 4 СНиП [10], Sn = 10 см;
S - совместная деформация основания и сооружения, определяемая
расчетом в соответствии с указаниями приложения 2 СНиП [10].
Расчет фундамента из висячих свай и его основания по
деформациям производят как для условного массивного фундамента на естественном
основании в соответствии с требованиями СНиП [10]. Условный фундамент
рассматривается как единый массив, ограниченный снизу плоскостью, проходящей
через нижние концы свай, сверху - поверхностью планировки грунта, с боков -
вертикальными плоскостями, отстоящими от наружных граней крайних рядов
вертикальных свай на расстоянии а, равном:
где
- осредненное расчетное значение угла
внутреннего трения грунта, определяемое по формуле:
где
- расчетное значение углов внутреннего
трения для отдельных пройденных сваями слоев грунта толщиной hi.
Размеры подошвы условного свайного фундамента при этом находят по
формулам:
ширина bу = сb (mb - 1) + d + 2а;
длина Iу = сI (m1 - 1) + d + 2а;
где сb и с1
- расстояния между осями свай соответственно по поперечным и продольным осям,
м;
mb и m1 -
количество рядов свай по ширине и длине условного фундамента;
d - диаметр или сторона поперечного сечения сваи, м.
Расчетная нагрузка, передаваемая условным свайным фундаментом на
грунт основания, принимается равномерно распределенной.
При этом также требуется выполнение основного требования расчета
оснований по деформациям: среднее давление под подошвой условного фундамента PII не должно превышать расчетного
сопротивления грунта основания R на этой
глубине:
PII < R,
Среднее давление под подошвой условного свайного фундамента
определяют по формуле:
где Ау = bу×ly - площадь подошвы условного
свайного фундамента, м2;
bу, ly
- ширина и длина подошвы условного фундамента, м,
для ленточного свайного фундамента ly= 1 м;
NII - расчетная нагрузка по второй группе предельных
состояний, кН. определяемая по формуле:
где NoII
- расчетная нагрузка от веса сооружения на уровне обреза фундамента, кН;
NCII, NpII, NблII, NгрII - нагрузка от веса соответственно свай, ростверка, фундаментных
блоков и грунта в объеме условного свайного фундамента.
Расчетное сопротивление грунта основания R определяется как и при
расчете фундаментов мелкого заложения, но ширина и глубина заложения
принимаются для условного свайного фундамента.
Далее определяется осадка S условного свайного фундамента методом послойного суммирования,
изложенного в расчете фундаментов мелкого заложения (см. п. 3.5).
Сечение
1-1
Выбор глубины заложения и размеров ростверка
В данной части здания подвал отсутствует.
При строительстве на пучинистых грунтах подошва ростверка
закладывается ниже расчетной глубины промерзания грунтов df=1,477 м.
Принимаем глубину заложения ростверка dр=1,6 м.
Выбор типа, размеров и способа погружения свай
Принимаем следующие размеры сваи:
- длина - не менее 3 м
- заделка головы сваи в ростверк -10 см
- заглубление нижнего конца сваи в несущий слой
(пески мелкие) - не менее 1 м.
Требуемая длина сваи (без острия) определяется из условия:
l = l1 + l2 + l3 = 0,1 + 4,8 + 1,1 = 6 м
где l1 - величина заделки головы сваи в ростверк, м;
l2 - величина заглубления нижнего конца сваи в
несущий слой, м;
l3 - толщина слоев грунтов, прорезаемых сваей, м.
Согласно серии 1.011.1-10* «Сваи забивные железобетонные»
принимаем сваи сплошного квадратного сечения с ненапрягаемой арматурой обычной
ударостойкости С60.35-1:
длина призматической части - z=6000 мм
длина острия - a=300 мм
ширина грани - d=350 мм
вес сваи - 19,0 кН
Расчет несущей способности забивных висячих свай
по грунту при действии вертикальной нагрузки
Расчет несущей способности Fd выполняют по формуле:
- коэффициент условий работы сваи в грунте. принимаемый
= 1;
- коэффициенты условий работы грунта соответственно под нижним
концом и на боковой поверхности сваи, принимаемые равными 1 при погружении сваи
дизельным молотом;
R - расчетное сопротивление грунта под нижним концом сваи, кПа,
принимаем по табл. 9 [17] для песчаных грунтов средней плотности, средней
крупности - R=3750 кПа;
А - площадь опирания на грунт сваи, м2, принимаемая по
площади поперечного сечения сваи А=0,352=0,1225 м2;
И - наружный периметр поперечного сечения сваи И=0,35·4=1,4 м;
fi - расчетное сопротивление i-го слоя грунта основания на боковой поверхности сваи, кПа,
принимаемое по табл. 10 [17];
hi - толщина i-го слоя грунта, соприкасающегося с боковой поверхностью сваи;
Толщу грунта, пронизываемого сваей, разбиваем на слои толщиной не
более 2 м и для первого слоя грунта при средней глубине расположения слоя
z1=1,3+
=2,025 м;
f1= 19,89
кПа (для супеси с показателем текучести IL =0,43 по табл. 10 [17]);
Далее действуя аналогичным образом, находим расчетные
сопротивления грунта основания на боковой поверхности последующих слоев,
z1= 2,025 м
h1 = 0,85 м f1= 19,37
кПа
z2=
1,6+0,85+
=3,45 м h2 = 2 м f2= 19,89 кПа
z3=
1,6+0,85+2,0+
=5,425 м h3 = 1,95 м f3= 22,33 кПа
z4
=1,6+0,85+2,0+1,95+
=6,95 м h4 = 1,1 м f4 = 59,9 кПа
Несущую способность одиночной висячей сваи определяем по формуле:
кН
Определение числа свай в фундаменте и конструирование ростверка
Число свай n определяют по
формуле:
=1,4, если несущая способность сваи определена расчетом;
- расчетная нагрузка на 1 м длины ленточного фундамента (кН/м),
приложенная на уровне обреза фундамента;
= 1,1, коэффициент надежности по нагрузке
=237,6 кН/м, основная нормативная нагрузка на 1 м длины ленточного
фундамента;
кН,
Fd - несущая способность висячей сваи, Fd = 690,5 кН
шт.
Для ленточного фундамента под стену число свай на 1 м, может быть
дробным. Расстояние между осями свай (шаг свай) вдоль стены определяется по
формуле:
,
Полученный результат округляется таким образом, чтобы шаг свай был
кратен 5 см. В нашем случае расстояние между осями свай равно:
м,
Таким образом шаг свай принимаем равным с = 1,90 м.
Расположение свай в плане принимаем однорядное, т.к. 3d=1,05<c=1,90<6d=2,1.
Ширину ростверка вычисляют по формуле:
bр = d + 2 со, мм,
где d= 350 мм - ширина сваи;
c0 = 100 мм
- расстояние от края плиты ростверка до ближайшей грани сваи (свес ростверка).
С учетом конструктивных особенностей, принимаем bр=600 мм
После размещения свай в плане и уточнения габаритных размеров
ростверка определяют нагрузку Nф, приходящуюся на каждую сваю и проверяют
условие:
где
=1,4, если несущая способность сваи
определена расчетом;
кН, - расчетная нагрузка на 1 м длины ленточного фундамента
(кН/м), приложенная на уровне обреза фундамента;
= 1,1, коэффициент надежности по нагрузке
Fd - несущая способность висячей сваи, Fd = 666 кН
=
кН - расчетная нагрузка от веса стеновых
блоков;
= 25·0,4·0,6·1·1,1=6,6 кН; - расчетная нагрузка от веса
ростверка;
= 0,2·1,2·1·19,6·1,15=5,41 кН - расчетная нагрузка от веса грунта
на уступах ростверка, кН.
кН
кН
Nф =
536,3кН < N = 493,2 кН
Условие не выполняется. Выберим другой тип свай, имеющих более высокую несущую
способность.
Примем сваи С60.40.1, тогда
А - площадь опирания на грунт сваи, м2, принимаемая по
площади поперечного сечения сваи А=0,42=0,16 м2;
И - наружный периметр поперечного сечения сваи И=0,4·4=1,6 м;
Несущую способность одиночной висячей сваи определяем по формуле:
кН
, кН
Nф = 536,3
кН < N = 617,24 кН
Условие выполняется
Схема свай в плане в ленточном свайном фундаменте
Расчет фундамента по второй группе предельных состояний
Определим расстояние а, между условной вертикальной плоскостью и
наружной гранью сваи крайнего ряда:
Осредненное значение угла внутреннего трения:
=
h=6,25 м
ширина: bу = сb(mb-1)+d+2а=1,9·(1-1)+0,4+2·0,43=1,34 м;
длина: lу = 1 м;
Среднее давление под подошвой условного свайного фундамента:
Ау = bу×ly=1,34·1= 1,34 м2
NoII = 236 кН
NcII = 24,5 кН
NрII =
0,4·0,6·1·25·1,1 = 6,6 кН
NблII =
кН
NII=236+24,5+6,6+10,85+114,6=392,55 кН

Определяем расчетное сопротивление грунта основания:
где gс1 и gс2 - коэффициенты условий работы, принимаемые по таблице 3
СНиПа [10],
gс1 = 1,4 (т.к. пески средней крупности)
gс2 =1,4 (т.к. отношение длины сооружения к высоте L/H=1,25<1,5);
k - коэффициент, принимаемый в курсовом проекте равным 1,1, т.к.
прочностные характеристики грунта (j и с) приняты по таблицам СНиПа [10];
Mg, Mq, Mс -
коэффициенты, принимаемые по таблице 4 СНиПа [10], в зависимости от угла
внутреннего трения (j) грунта
: Mg=2,11, Mq=9,44, Mс=10,8;z
- .коэффициент, принимаемый равным: при b < 10 м - kz =
1;
b =1,34 м - ширина подошвы фундамента;
gII - осредненное расчетное значение
удельного веса грунтов, залегающих ниже подошвы фундамента (при наличии
подземных вод определяются с учетом взвешивающего действия воды) - gsb, кН/м3, определяемого по
формуле:
,
где gi и hi - соответственно удельный вес и толщина i-ого слоя грунта, залегающего ниже подошвы;
Удельный вес грунта g, кН/м3 определяется:
g
где
- плотность грунта, т/м3 (см.
табл. 1),
g - ускорение свободного падения, g = 10 м/с2.
γ1=1,96·10=19,6 кН/м3,
γ2=1,82·10=18,2 кН/м3,
γ3=2,06·10=20,6 кН/м3,
кН/м3,
кН/м3,
кН/м3
g’II - то же для грунтов, залегающих выше подошвы фундамента.
Для грунтов обратной засыпки:
кН/м3
g’II0 = 0,95×g’II,
кН/м3
Сп - расчетное значение удельного сцепления грунта,
залегающего непосредственно под подошвой фундамента, Сп =2 кПа;
d1 -
глубина заложения фундаментов бесподвальных сооружений от уровня планировки
db - глубина подвала
db=0 м
Итак расчетное сопротивление грунта основания под подошвой
фундамента равно:
2440,2кПа
Проверим условие:
PII=292,9 кПа < R=2440,2 кПа - условие выполняется.
Определяем осадку S
условного свайного фундамента методом послойного суммирования:
Определяем ординаты эпюры вертикальных напряжений от действия
собственного веса грунта σzq и
вспомогательной эпюры 0,2×σzq:
1. На уровне спланированной поверхности:
σzq = 0×γ1= 0 кПа
0,2×σzq = 0 кПа
2. На границе слоев ИГЭ-1 и ИГЭ-2:
σzq1 = σzq +h1 ×γ1= 0+19,6×2,45 = 48,02 кПа
,2×σzq1 =9,604 кПа
3. На границе слоев ИГЭ-2 и ИГЭ-3:
σzq2= σzq1 + h2 ×γ2 = 48,02+18,2×3,95 = 119,91 кПа
,2×σzq2= 23,982 кПа
4. На уровне грунтовых вод:
σzqw = σzq2 + h’3 ×γ3= 119,91+0,3×20,6 = 126,09 кПа
,2×σzqw=25,218кПа
5. На уровне подошвы фундамента:
σzq0 = σzqw + h»’3
×γ3=126,09 + 1,15×10,7 = 138,4 кПа
,2×σzq0 = 27,68 кПа
6. На границе слоев ИГЭ-3 и ИГЭ-4 с учетом
взвешивающего действия воды:
σzq3 = σzqw + h3×γsb3= 126,09 + 4,85×10,7 = 177,985 кПа
,2×σzq3=35,597 кПа
7. От действия столба воды:
σгидр= hw·γw= 4,85×10 = 48,5 кПа
8. Полное напряжение на границе слоев ИГЭ3 и ИГЭ4 (на
кровлю водоупора):
σzqполн= σzq3 + σгидр = 177,985 + 48,5
=226,485 кПа
,2×σzqполн=45,3 кПа
9. На подошве ИГЭ-4:
σzq4 = σzqполн + h4×γ4= 226,485 +2,85×20,9 = 286,05 кПа
,2×σzq4 =57,21кПа
Значения напряжений σzq откладывают влево от оси
фундамента. Вспомогательная эпюра напряжений от собственного веса грунта,
значения абсцисс которой составляют 20% соответствующего значения напряжения от
собственного веса грунта σzq, откладывается вправо от
оси фундамента.
Р0=РII - σzq0=292,9-138,4=154,5 кПа
hi
0,4b
h £ 0,4b, 0,4·1,34=0,536 м условие выполняется
Результаты вычислений приведены в табл.
|
Наименование
слоев грунта
|
Z, м
|
  , кПаЕ, кПа
|
S, см
|
|
|
|
|
Пески средней
крупности, средней плотности, насыщенные водой
|
0 0,536 1,072
1,608 2,144 2,68 3,216 3,752
|
0 0,8 1,6 2,4
3,2 4,0 4,8 5,6
|
1 0,881 0,642
0,477 0,374 0,306 0,258 0,223
|
154,5 136,1
99,2 73,7 57,8 47,3 39,9 34,45
|
40000
|
0,59
|
S=0,59 см < Sи=10 см Условие
выполняется
Схема к расчету осадки методом послойного суммирования
Сечение
2-2
Выбор глубины заложения и размеров ростверка
В данной части здания подвал отсутствует, фундамент
проектируем под внутреннюю стену. Подошва ростверка закладывается ниже
планировочной отметки земли на 0,15 м
Принимаем глубину заложения ростверка dр=0,15 м.
Выбор типа, размеров и способа погружения свай
Принимаем следующие размеры сваи:
- длина - не менее 3 м
- заделка головы сваи в ростверк -10 см
- заглубление нижнего конца сваи в несущий слой
(пески мелкие) - не менее 1 м.
Требуемая длина сваи (без острия) определяется из условия:
l = l1 + l2 + l3 = 0,1 + 6,25 + 2,65 = 9 м
где l1 - величина заделки головы сваи в ростверк, м;
l2 - величина заглубления нижнего конца сваи в
несущий слой, м;
l3 - толщина слоев грунтов, прорезаемых сваей, м.
Согласно серии 1.011.1-10* «Сваи забивные железобетонные»
принимаем сваи сплошного квадратного сечения с ненапрягаемой арматурой обычной
ударостойкости С80.40-5:
длина призматической части - z=8000 мм
длина острия - a=350 мм
ширина грани - d=400 мм
вес сваи - 32,5 кН
Расчет несущей способности забивных висячих свай
по грунту при действии вертикальной нагрузки
Расчет несущей способности Fd выполняют по формуле:
- коэффициент условий работы сваи в грунте. принимаемый
= 1;
- коэффициенты условий работы грунта соответственно под нижним
концом и на боковой поверхности сваи, принимаемые равными 1 при погружении сваи
дизельным молотом;
R - расчетное сопротивление грунта под нижним концом сваи, кПа,
принимаем по табл. 9 [17] для суглинка мягкопластичного с IL=0,53 - R=1392 кПа;
А - площадь опирания на грунт сваи, м2, принимаемая по
площади поперечного сечения сваи А=0,42=0,16 м2;
И - наружный периметр поперечного сечения сваи И=0,4·4=1,6 м;
fi - расчетное сопротивление i-го слоя грунта основания на боковой поверхности сваи, кПа,
принимаемое по табл. 10 [17];
hi - толщина i-го слоя грунта, соприкасающегося с боковой поверхностью сваи;
Толщу грунта, пронизываемого сваей, разбиваем на слои толщиной не
более 2 м и для первого слоя грунта при средней глубине расположения слоя
z1=0,15+
=1 м;
f1= 14,1
кПа (для супеси с показателем текучести IL =0,43 по табл. 10 [17]);
Несущую способность одиночной висячей сваи определяем по формуле:
кН
Определение числа свай в фундаменте и конструирование ростверка
Число свай n определяют по
формуле:
=1,4, если несущая способность сваи определена расчетом;
- расчетная нагрузка на 1 м длины ленточного фундамента (кН/м),
приложенная на уровне обреза фундамента;
= 1,1, коэффициент надежности по нагрузке
=353,6 кН/м, основная нормативная нагрузка на 1 м длины ленточного
фундамента;
кН,
Fd - несущая способность висячей сваи, Fd = 383,4 кН
шт.
Для ленточного фундамента под стену число свай на 1 м, может быть
дробным. Расстояние между осями свай (шаг свай) вдоль стены определяется по
формуле:
,
Полученный результат округляется таким образом, чтобы шаг свай был
кратен 5 см. В нашем случае расстояние между осями свай равно:
м,
Таким образом шаг свай принимаем равным с = 1,25 м.
Расположение свай в плане принимаем однорядное, 3d=1,2<c=1,25<6d=2,4.
Ширину ростверка вычисляют по формуле:
bр = d + 2 со, мм,
где d= 400 мм - ширина сваи;
c0 = 100 мм
- расстояние от края плиты ростверка до ближайшей грани сваи (свес ростверка).
Принимаем bр=600 мм
После размещения свай в плане и уточнения габаритных размеров
ростверка определяют нагрузку Nф, приходящуюся на каждую сваю и проверяют
условие:
где
=1,4, если несущая способность сваи
определена расчетом;
кН, - расчетная нагрузка на 1 м длины ленточного фундамента
(кН/м), приложенная на уровне обреза фундамента;
= 1,1, коэффициент надежности по нагрузке
Fd - несущая способность висячей сваи, Fd = 365,5 кН
=0 кН - расчетная нагрузка от веса стеновых блоков;
= 25·0,4·0,65·1·1,1=7,15 кН; - расчетная нагрузка от веса
ростверка;
= 0 кН - расчетная нагрузка от веса грунта на уступах ростверка,
кН.
кН
кН
Nф =
275,1кН < N = 274,8 кН
Полученным расхождением можно пренебречь и принять, что данное
условие выполняется
Схема свай в плане в ленточном свайном фундаменте
Сечение
6-6
Выбор глубины заложения и размеров ростверка
В данной части здания имеется подвал.
Окончательно принимаем dр=3,0-0,9=2,1 м
Выбор типа, размеров и способа погружения свай
Принимаем следующие размеры сваи:
- длина - не менее 3 м
- заделка головы сваи в ростверк -10 см
- заглубление нижнего конца сваи в несущий слой
(пески мелкие) - не менее 1 м.
Требуемая длина сваи (без острия) определяется из условия:
l = l1 + l2 + l3 = 0,1 + 4,3 + 2,5 = 7 м
где l1 - величина заделки головы сваи в ростверк, м;
l2 - величина заглубления нижнего конца сваи в
несущий слой, м;
l3 - толщина слоев грунтов, прорезаемых сваей, м.
Согласно серии 1.011.1-10* «Сваи забивные железобетонные»
принимаем сваи сплошного квадратного сечения с ненапрягаемой арматурой обычной
ударостойкости С70.35-4:
длина призматической части - z=7000 мм
длина острия - a=300 мм
ширина грани - d=350 мм
вес сваи - 22,0кН
Расчет несущей способности забивных висячих свай
по грунту при действии вертикальной нагрузки
Расчет несущей способности Fd выполняют по формуле:
- коэффициент условий работы сваи в грунте. принимаемый
= 1;
- коэффициенты условий работы грунта соответственно под нижним
концом и на боковой поверхности сваи, принимаемые равными 1 при погружении сваи
дизельным молотом;
R - расчетное сопротивление грунта под нижним концом сваи, кПа,
принимаем по табл. 9 [17] для песчаных грунтов средней плотности, средней
крупности - R=3750 кПа;
А - площадь опирания на грунт сваи, м2, принимаемая по
площади поперечного сечения сваи А=0,352=0,1225 м2;
И - наружный периметр поперечного сечения сваи И=0,35·4=1,4 м;
fi - расчетное сопротивление i-го слоя грунта основания на боковой поверхности сваи, кПа,
принимаемое по табл. 10 [17];
hi - толщина i-го слоя грунта, соприкасающегося с боковой поверхностью сваи;
Толщу грунта, пронизываемого сваей, разбиваем на слои толщиной не
более 2 м и для первого слоя грунта при средней глубине расположения слоя
z1=2,1+
=2,275 м;
f1= 20,81
кПа (для супеси с показателем текучести IL =0,43 по табл. 10 [17]);
Определение числа свай в фундаменте и конструирование ростверка
Число свай n определяют по
формуле:
=1,4, если несущая способность сваи определена расчетом;
- расчетная нагрузка на 1 м длины ленточного фундамента (кН/м),
приложенная на уровне обреза фундамента;
= 1,1, коэффициент надежности по нагрузке
=380 кН/м, основная нормативная нагрузка на 1 м длины ленточного
фундамента;
кН,
Fd - несущая способность висячей сваи, Fd = 807,5 кН
шт.
Для ленточного фундамента под стену число свай на 1 м, может быть
дробным. Расстояние между осями свай (шаг свай) вдоль стены определяется по
формуле:
,
Полученный результат округляется таким образом, чтобы шаг свай был
кратен 5 см. В нашем случае расстояние между осями свай равно:
м,
Таким образом шаг свай принимаем равным с = 1,4 м.
Расположение свай в плане принимаем однорядное, т.к. 3d=1,0,5<c=1,4<6d=2,1.
Ширину ростверка вычисляют по формуле:
bр = d + 2 со, мм,
где d= 350 мм - ширина сваи;
c0 = 100 мм
- расстояние от края плиты ростверка до ближайшей грани сваи (свес ростверка).
С учетом конструктивных особенностей, принимаем bр=600 мм
После размещения свай в плане и уточнения габаритных размеров
ростверка определяют нагрузку Nф, приходящуюся на каждую сваю и проверяют
условие:
где
=1,4, если несущая способность сваи
определена расчетом;
кН, - расчетная нагрузка на 1 м длины ленточного фундамента
(кН/м), приложенная на уровне обреза фундамента;
= 1,1, коэффициент надежности по нагрузке
Fd - несущая способность висячей сваи, Fd = 807,5 кН
=
кН - расчетная нагрузка от веса стеновых
блоков;
= 25·0,9·0,6·1·1,1=14,85 кН; - расчетная нагрузка от веса
ростверка;
= 0,2·1,2·1·19,6·1,15=5,41 кН - расчетная нагрузка от веса грунта
на уступах ростверка, кН.
кН
кН
Nф =
623,7кН < N = 576,8 кН Условие не выполняется
Выберем другой тип свай, имеющих более высокую несущую
способность.
Примем сваи С70.40.5, тогда
А - площадь опирания на грунт сваи, м2, принимаемая по
площади поперечного сечения сваи А=0,42=0,16 м2;
И - наружный периметр поперечного сечения сваи И=0,4·4=1,6 м;
Несущую способность одиночной висячей сваи определяем по формуле:
кН
, кН
Nф = 623,7
кН < N = 712,8 кН Условие выполняется
Схема свай в плане в ленточном свайном фундаменте
Расчет фундамента по второй группе предельных состояний
Определим расстояние а, между условной вертикальной плоскостью и
наружной гранью сваи крайнего ряда:
Осредненное значение угла внутреннего трения:
=
h=7,25 м
ширина: bу = сb(mb-1)+d+2а=1,4·(1-1)+0,4+2·0,5=1, 4 м;
длина: lу = 1 м;
Среднее давление под подошвой условного свайного фундамента:
Ау = bу×ly=1, 4·1= 1, 4 м2
NoII = 380 кН
NcII = 28,5 кН
NрII =
0,6·0,9·1·25·1,1 = 14,85 кН
NблII =
кН
NII=380+28,5+14,85+10,85+218,9=653,1 кН

Определяем расчетное сопротивление грунта основания:
где gс1 и gс2 - коэффициенты условий работы, принимаемые по таблице 3
СНиПа [10],
gс1 = 1,4 (т.к. пески средней крупности)
gс2 =1,4 (т.к. отношение длины сооружения к высоте L/H=1,25<1,5);
k - коэффициент, принимаемый в курсовом проекте равным 1,1, т.к.
прочностные характеристики грунта (j и с) приняты по таблицам СНиПа [10];
Mg, Mq, Mс -
коэффициенты, принимаемые по таблице 4 СНиПа [10], в зависимости от угла
внутреннего трения (j) грунта
: Mg=1,55, Mq=7,22, Mс=9,22;z
- .коэффициент, принимаемый равным: при b < 10 м - kz =
1;
b =1,4 м - ширина подошвы фундамента;
gII - осредненное расчетное значение
удельного веса грунтов, залегающих ниже подошвы фундамента (при наличии
подземных вод определяются с учетом взвешивающего действия воды) - gsb, кН/м3, определяемого по
формуле:
,
где gi и hi - соответственно удельный вес и толщина i-ого слоя грунта, залегающего ниже подошвы;
Удельный вес грунта g, кН/м3 определяется:
g
где
- плотность грунта, т/м3 (см.
табл. 1),
g - ускорение свободного падения, g = 10 м/с2.
γ1=1,96·10=19,6 кН/м3,
γ2=1,82·10=18,2 кН/м3,
γ3=2,06·10=20,6 кН/м3,
кН/м3,
кН/м3,
кН/м3
g’II - то же для грунтов, залегающих выше подошвы фундамента.
Для грунтов обратной засыпки:
кН/м3
g’II0 = 0,95×g’II,
кН/м3
Сп - расчетное значение удельного сцепления грунта,
залегающего непосредственно под подошвой фундамента, Сп =2 кПа;
d1 - приведенная глубина заложения для наружных и
внутренних фундаментов от пола подвала, определяемая по формуле:
,
где hs=7,05 м - толщина слоя грунта выше подошвы
фундамента со стороны подвала;
hcf -толщина конструкции пола
(в курсовом проекте принимается равной 0,1 м);
- расчетное значение удельного веса конструкции пола подвала (в
курсовом проекте принимается равным 22кН/м3)
7,19 м,
db - глубина подвала
db=2 м
Итак расчетное сопротивление грунта основания под подошвой
фундамента равно:
2170,8кПа
Проверим условие:
PII=466,5 кПа < R=2170,8 кПа - условие выполняется.
Определяем осадку S
условного свайного фундамента методом послойного суммирования:
Определяем ординаты эпюры вертикальных напряжений от действия
собственного веса грунта σzq и
вспомогательной эпюры 0,2×σzq:
1. На уровне спланированной поверхности:
σzq = 0×γ1= 0 кПа
,2×σzq = 0 кПа
2. На границе слоев ИГЭ-1 и ИГЭ-2:
σzq1 = σzq +h1 ×γ1= 0+19,6×2,45 = 48,02 кПа
,2×σzq1 =9,604 кПа
3. На границе слоев ИГЭ-2 и ИГЭ-3:
σzq2= σzq1 + h2 ×γ2 = 48,02+18,2×3,95 = 119,91 кПа
,2×σzq2= 23,982 кПа
4. На уровне грунтовых вод:
σzqw = σzq2 + h’3 ×γ3= 119,91+0,3×20,6 = 126,09 кПа
,2×σzqw=25,218кПа
5. На уровне подошвы фундамента:
σzq0 = σzqw + h»’3
×γ3=126,09 + 2,65×10,7 = 155,3 кПа
,2×σzq0 = 31,05 кПа
6. На границе слоев ИГЭ-3 и ИГЭ-4 с учетом
взвешивающего действия воды:
σzq3 = σzqw + h3×γsb3= 126,09 + 4,85×10,7 = 177,985 кПа
,2×σzq3=35,597 кПа
7. От действия столба воды:
σгидр= hw·γw= 4,85×10 = 48,5 кПа
Полное напряжение на границе слоев ИГЭ3 и ИГЭ4 (на кровлю
водоупора):
σzqполн= σzq3 + σгидр = 177,985 + 48,5
=226,485 кПа
,2×σzqполн=45,3 кПа
8. На подошве ИГЭ-4:
σzq4 = σzqполн + h4×γ4= 226,485 +2,85×20,9 = 286,05 кПа
,2×σzq4 =57,21кПа
Значения напряжений σzq откладывают влево от оси
фундамента. Вспомогательная эпюра напряжений от собственного веса грунта,
значения абсцисс которой составляют 20% соответствующего значения напряжения от
собственного веса грунта σzq, откладывается вправо от
оси фундамента.
Р0=РII - σzq0=466,5-155,3=311,2 кПа
hi
0,4b
h £ 0,4b, 0,4·1, 4=0,56 м условие выполняется
Результаты вычислений приведены в табл.
|
Наименование
слоев грунта
|
Z, м
|
  , кПаЕ, кПа
|
S, см
|
|
|
|
|
Пески средней
крупности, средней плотности, насыщенные водой
|
0 0,56 1,12
1,68 2,24
|
0 0,8 1,6 2,4
3,2
|
1 0,881 0,642
0,477 0,374
|
311,2 274,2
199,8 148,4 116,4
|
40000
|
0,96
|
|
Глина
полутвердая
|
2,8 3,36 3,92
4,48 5,04
|
4,0 4,8 5,6 6,4
7,2
|
0,306 0,258
0,223 0,196 0,175
|
95,2 80,3 69,4
61,0 54,5
|
23400
|
0,85
|
S=0,96+0,55=1,81 см < Sи=10 см Условие
выполняется
Схема к расчету осадки методом послойного суммирования
5. Краткое описание технологии работ по
устройству фундаментов
Устройство фундаментов - это комплексный процесс, в состав
которых входят следующие виды работ:
подготовительные (подготовка территории, разбивка и
закрепление осей, проверка отметок основания, выравнивание и подготовка
основания);
вспомогательные (искусственное водопонижение, закрепление
грунтов, ограждение от поверхностных и грунтовых вод, устройство креплений
котлована и траншей);
основные (непосредственное возведение фундамента).
5.1
Устройство ленточных фундаментов
Разбивка осей ленточных фундаментов начинается с того, что на
обноске натягивают проволоку для определения осей здания. Затем устраивают
угловые стеновые блоки, а на расстоянии 15 мм от них маячные блоки. Между
угловыми и маячными блоками по линии фундамента на расстоянии 5 мм от его грани
натягивают проволоку, по которой устанавливают промежуточные блоки одновременно
с укладкой поясных блоков с нивелированием их положения по вертикали.
Отклонение от проектных отметок не должно превышать ±10 мм. Монтаж сборных элементов
подземной части здания выполняется при помощи гусеничных, пневмоколесных
стреловых и башенных кранов на рельсовом ходу. К работам по монтажу ленточных
фундаментов разрешается приступать только после выполнения всех земляных работ
и разбивки осей фундаментов.
Перед укладкой блоки должны быть тщательно очищены от грязи и
наледи, подъемные петли выправлены, металлические закладные детали очищены от
ржавчины.
Фундаментные блоки и плиты поднимают двух- или
четырехветвевыми стропами.
Блок, подаваемый краном, следует, остановив на высоте 0,2 м
над местом установки, развернуть в необходимом направлении и плавно опустить.
Затем проверяют правильность установки блока. При значительных отклонениях блок
необходимо поднять и установить заново, незначительные отклонения устраняются с
помощью монтажного лома. После окончательной выверки положения блока производят
расстроповку. Монтажные петли после укладки 4-5 блоков срезаются заподлицо с
поверхностью блока.
При монтаже ленточных фундаментов из блоков и подушек места
сопряжения, продольных и поперечных стен для обеспечения жесткости армируют
сетками и замоноличивают, для чего устанавливают простейшую опалубку из двух
досок, укрепляя их распорками в грунт.
В ленточных фундаментах оставляют (по проекту) отверстия для
трубопроводов, канализации и т.д., путем раздвижки соседних подушек,
перекрываемых вышележащими блоками. Пропуски оставляемые для прокладки
трубопроводов, после укладки труб заделывают бетонной смесью.
Горизонтальные швы кладки из крупных фундаментных блоков должны
заполнятся ровным слоем раствора. Подкладка под блоки щебенки и кирпичного боя
категорически запрещена. Толщина во всех случаях должна быть не более 2 см.
Деформационные швы устраивают в соответствии с проектом, при этом необходимо
следить за правильностью устройства изоляции.
5.2
Технология забивки свай
После завершения земляных работ и до начала забивки свай, дно
котлована или основание площадки планируют. В это время завозят оборудование,
принятое для погружения свай. Затем производят разбивку свайного поля, которое
заключается в переносе в котлован сначала основных и промежуточных осей здания,
а затем в определении положения каждой сваи согласно рабочему проекту.
Далее осуществляется подача свай к копру и их подъем. Сваи
подают в котлован и раскладывают у места погружения.
Перед подъемом на копер сваю нужно разметить краской на
метры, а в последнем метре - на дециметры. Установленную копром сваю перед
погружением проверяют на точность положения. Вертикальность положения сваи
проверяют имеющимся на копре приспособлением. Положение сваи регулируют
перемещением стрелы копра без снятия с нее погружающего механизма. Первые удары
по свае наносят с минимальной энергией удара. Погружается она от одного удара
на 5…10 см. После погружения сваи на 50…80 см проверяют ее положение и при
необходимости производят рихтовку сваи и стрелы. От каждого удара свая
погружается в грунт на величину, называемую отказом. Эта величина зависит от
сопротивления грунта при погружении сваи; по мере возрастания сопротивления
величина отказа уменьшается. При малой величине отказа трудно определить
величину погружения сваи от одного удара молота, поэтому отказ определяют как
среднюю величину осадки сваи за один удар от залога в 10 ударов. Число ударов в
залоге может быть назначено и другим. Забивка сваи прекращают после того как
расчетный отказ был достигнут в трех последних залогах.
Весь процесс погружения с подсчетом количества ударов молота
по свае на каждом метре погружения заносят в журнал забивки свай.
После погружения свай производят динамические испытания свай
одним залогом в 10 ударов с замером величины отказа.
5.3
Гидроизоляция подвальных помещений
При строительстве зданий и сооружений, имеющих подвалы или
технические подполья, возникает опасность проникновения влаги в подвальные
помещения, а иногда и угроза их затопления. Для предотвращения этого устраивают
гидроизоляцию помещений, конструкцию которой назначают в зависимости от уровня
подземных вод, глубины подвальной части сооружений и грунтовых условий
строительной площадки и др.
Когда уровень подземных вод располагается ниже пола подвала и
влага может проникать по капиллярам в подземные помещения, ограничиваются
устройством простейшей гидроизоляции. В этом случае наружную поверхность стен
подвалов, соприкасающуюся с грунтом, обмазывают за 1-2 раза горячим битумом или
гидроизоляционной мастикой. Для предохранения подземных помещений от
поступления в них влаги снизу подкладывают рулонную изоляцию в стене на уровне
пода подвала, а пол выполняют из плитки или в виде слоя цементно-песчаного
раствора с железнением (рис. а).
Для исключения проникновения сырости в помещения первого
этажа в подвальной и безподвальной частях зданий по выровненной поверхности
всех стен на высоте 150-200 мм от верха отмостки прокладывают 1…2 слоя рулонной
гидроизоляции на битумной мастике (рис. б).
Список используемой литературы
.
Берлинов М.В. Основания и фундаменты, М.: Высшая школа, 1988.
.
Веселов В.А. Проектирование оснований и фундаментов. м.:Стройиздат, 1990.
.
Мазаник В.Н., Симхаев В.3., Алексеев Г.В. Определений размеров центрально
нагруженных фундаментов мелкого заложения с применением ЭВМ. Иваново, 1994.
.
Механика грунтов, основания и фундаменты С.Б. Ухов и др. М., 1994.
.
Рускевич Н.Л., Ткач Д.И., Ткач М.Н. Справочник по инженерно-строительному
черчению. Киев: Будiвельник, 1967.
.
ГОСТ 25100-82. Грунты. Классификация, М., 1985.
.
ГОСТ 13679-78. Блоки бетонные под стены подвала. Технические условия. М., 1979.
.
ГОСТ 13580-85. Плиты железобетонные ленточных фундаментов. Технические условия.
М., 1988.
.
ГОСТ 19804-1-79. Сваи забивные железобетонные. Цельные сплошного квадратного
сечения с ненапрягаемой арматурой. Конструкции и размеры. М., 1980.
.СНиП
2.02.01-83. Основания зданий и сооружений. М., 1985.
.СНиП
2.02.01-82. Строительная климатология и геофизика. М.: Стройиздат, 1983.
.СНиП
2.02.03-85. Свайные основания. М., 1986.
.
Пособие по составлению и оформлению документов инженерных изысканий для
строительства. М.: Стройиздат, 1986.
.
Руководство по проектированию свайных фундаментов./НИИОСП
им.
Н.М. Герсеванова Госстроя СССР.-М.: Стройиздат, 1980.
.
Основания, фундаменты и подземные сооружения: Справочник проектировщика
Горбунов-Посадов М.И, Ильичев В.А., Кругов В.И. и др. - М.: Стройиздат, 1985.
.
Пособие по проектированию оснований зданий и сооружений (к СНиП 2.02-01-83)
НИИОСП им. Герсеванова - М.: Стройиздат, 1986.
.
Основания и фундаменты: Методические указания и задания к курсовому проекту
«Проектирование оснований и фундаментов зданий и сооружений»/ИГАСА; Сост.: В.Н.
Мазаник, В.З. Симхаев, Е.А. Тощакова; Под ред. Р.М. Алояна. Иваново, 1999. -64
с.