Оборудование котла 'Кригер' ОАО 'Индиго'
Введение
котельный
теплоснабжение топка конвективный
В настоящее время одним из основных путей экономии
топливно-энергетических ресурсов (ТЭР) в энергетике является использование в
качестве топлива местных видов топлива и повышение эффективности их использования
путем утилизации тепла уходящих газов.
Биотопливо - термин, использующийся в сельском хозяйстве для
органических материалов, при разложении которых выделяется тепло (навоз и др.),
в последнее время все чаще применяется для топлива на основе растительной массы
- древесины, остатков переработки сельхоз культур и т.д. Использование
биотоплива в тепловой энергетике имеет свои особенности. Биотопливо - местный
вид топлива, в большинстве случаев использующийся для целей энергоснабжения на
месте получения отходов, будь то опилки, горбыль или шелуха гречихи. Это
связано в первую очередь с низкой теплотой сгорания неподготовленного топлива
(опил, щепа, и т.д.) и большими расходами на транспортировку, однако
стремительно набирает силу производство топливных гранул из древесного сырья,
что делает транспортировку топлива и более широкое применение экономически
выгодным, в частности, в коммунальном хозяйстве, как серьезная альтернатива
газу или углю.
Огромные ресурсы биотоплива гниют на свалке. Легко
транспортируемый газ лучше продавать в Европу, а биотопливо использовать на
месте.
В действительности на настоящий момент основными
потребителями тепловой энергии от сжигания биомассы становятся
деревоперерабатывающие предприятия, где часто проектированием, подбором оборудования
занимаются без привлечения специализированных организаций. Для многих
предприятий лесной отрасли проблема утилизации отходов стоит очень остро,
применение котлов сжигающих горбыль, опил, щепу, позволяет отходы превратить в
доходы.
Исходя из такой специфики использования оборудования и
учитывая широкий разброс характеристик, заявляемых производителями котельных
установок, не лишним будет разобраться в основных параметрах более подробно.
Одной из основных характеристик при выборе котла, работающего
на отходах древесины, можно считать расход топлива. В случае газа или жидкого
топлива все более или менее просто. Указанный в паспорте котла расход и будет в
реальности, если производитель не соврал.
Теплота сгорания стволовой древесины зависит только от двух
величин: зольности и влажности. Низшая теплота сгорания горючей массы (сухой
беззольной) стволовой древесины практически постоянна и равна 18,9 МДж/кг (4510
ккал/кг). Такая же характеристика у пеллет. Низшая теплота сгорания горючей
массы природного газа 33МДж/м3 (40МДж/кг). Для получения одного
количества теплоты при помощи газа необходимо в 2,1 раза меньше, чем при
использовании сухой древесины. Сравним цены: 1000м3 газа стоят в России 3300
рубл (1 тона - 3833 рубл.), пеллеты от 6000 до 7000 рублей за тонну без
доставки.). Для получения одного количества теплоты при помощи газа необходимо
денежных средств в 3,6 раза меньше, чем при использовании сухой древесины. Эти
цифры получены для сухих отходов, на практике же влажность древесных отходов не
бывает ниже 40%, то есть эти цифры можно ещё почти в 2 раза увеличивать. В
рекламных материалах украинского завода «Кригер» замена газового котла на котёл
КВм(а) - 0,82, работающий на древесных отходах окупается в течении двух лет
эксплуатации (газ там стоит 5515 рублей за 1000 м3, а отходы по 251
рублю за тону).
Использование древесных и растительных отходов может быть
выгодно пока только при наличии отходов собственного производства. Тогда
получение тепла из них дает двойной эффект: получение тепла и уменьшение в
десятки раз объёмов утилизации отходов.
По причине прекращения деревообрабатывающего производства на
рассматриваемом заводе «Инвидо» встал вопрос о топливе для двух котлов КВм(а) -
0,82, обеспечивающих отопление производственных помещений горячее водоснабжение.
Котёл КВм(а) - 0,82 может работать как на сыпучих древесных
отходах, так и на газе и одновременно на двух этих топливах. При переходе на
работу котла от автоматизированной горелки необходимо засыпать реторту золой
(шлаком), уложить огневую дорожку из шамотного кирпича на зону колосниковой
решетки с целью предотвращения перегрева и выгорания реторты, колосников и
исключения возможности подсосов воздуха через корпус шнека.
При появлении дешёвых древесных отходов переход с газа на них
не займёт много времени.
Экономить можно при работе на газе и на влажных древесных от
ходах только совершенствуя процесс получения теплоты. Что можно добиться только
увеличением коэффициента полезного действия котла и уменьшением потерь в
теплосетях.
Проблема экономного расходования газа актуальна для всего
мирового сообщества. Именно этим и объясняется быстрое развитие техники
глубокого охлаждения дымовых газов, начатое более 40 лет назад в СССР, а затем
спустя 10-15 лет в странах Западной Европы и США, которые по продвижению этих
работ на много опередили современную Россию. Коэффициент использования высшей
теплоты сгорания топлива (то есть его скрытой теплоты парообразования водяных
паров в отходящих продуктах сгорания) является в современном мире показателем
развития уровня техники.
Основным резервом повышения экономичности котельных установок
является использование теплоты конденсации паров, содержащихся в уходящих
газах. В первую очередь это относится к котельным, обслуживающим системы
отопления и ГВС. Для создания конденсационного режима работы водогрейного котла
(режима конденсации паров из дымовых газов) необходимо, чтобы поверхности
теплообмена, с которыми контактируют уходящие газы, имели температуру ниже
точки росы. Если в котельной предусмотрен контур ГВС, то обеспечить такой режим
работы котла можно, за счет подачи в конденсационный утилизатор тепловой
энергии (КУ) воды из системы холодного водоснабжения.
Для повышения энергоэффективности котельных установок малой и
средней мощности, работающих на газообразном топливе, широко применяются
конденсационные теплоутилизационные системы. При разработке таких систем с
охлаждением продуктов сгорания топлива ниже точки росы становится актуальным
создание надежного и достоверного метода теплового расчета аппарата поверхностного
типа, в котором осуществляется конденсация водяного пара из парогазовой смеси.
Широкое распространение конденсационных поверхностных котлов
и конденсационных блоков-приставок (экономайзеров) к традиционным котлам
объясняется соображениями не только энергосбережения, но и экологическими,
поскольку определенное количество вредных оксидов углерода, азота и серы (если
она содержится в топливе) растворяется в конденсате. Именно благодаря этому и
снижается рН конденсата.
В наши дни теплота конденсации водяных паров, содержащихся в
продуктах сгорания топлива, может быть использована в промышленных котельных:
коррозионностойкие материалы теплообменников, нечувствительные к влаге тракты
продуктов сгорания и дымовые трубы обеспечивают длительную эксплуатацию оборудования
без повреждений.
Для промышленных котельных реализация надежной и проверенной
технологии полного использования теплоты сгорания топлива позволяет владельцам
уменьшить эксплуатационные затраты и внести свой вклад в снижение техногенной
нагрузки на окружающую среду, в частности, в сокращение эмиссии в атмосферу СО.
При существующем уровне мировых цен на топливо постоянное применение данных
решений позволяет окупить дополнительные затраты менее чем за два года.
Когда сравниваются характеристики привычных топлив для
котельных, значимых для реализации конденсационной технологии, природный газ
обеспечивает наибольшую рентабельность (табл. 1) [27]. Он характеризуется
самыми высокими содержанием влаги в продуктах сгорания, температурой
образования (точка росы) и значением рН конденсата.
Таблица 1. Характеристика некоторых видов топлива.
|
Вид
топлива
|
Низшая теплота
сгорания Qн, кВт·ч/кг
|
Высшая теплота
сгорания Qв, кВт·ч/кг
|
Qв/Qн
%
|
Точка росы
продуктов сгорания, °С
|
Значение pH конденсата
|
|
Природный газ Н
|
10,35
|
11,45
|
110,7
|
55,6
|
2,8-4,9
|
|
Природный газ L
|
8,83
|
9,78
|
110,8
|
55,1
|
2,8-4,9
|
|
Пропан
|
25,89
|
28,12
|
108,6
|
51,4
|
2,8-4,9
|
|
Бутан
|
34,39
|
37,24
|
108,3
|
50,7
|
2,8-4,9
|
|
Жидкое топливо
EL
|
11,9
|
12,72
|
106,9
|
47,0
|
1,8-3,7
|
Преимущество в использовании конденсациооной технологии в
утилизации тепла продуктов сгорания имеют котлы работающие на природном газе,
чем выше процентное содержание метана в газе, тем больший потенциал получения
дополнительного тепла от конденсации водяных паров в продуктах сгорания.
Таким образом, в конденсационных поверхностных аппаратах
наряду со снижением удельного расхода топлива уменьшаются и вредные выбросы в
атмосферу, правда, при этом добавляется проблема нейтрализации конденсата перед
его сбросом в канализацию.
Снижение вредных выбросов в поверхностных конденсационных
утилизаторах в определенной степени достигается также и за счет уменьшения
расхода топлива, а не только за счет растворения газов в конденсатной пленке. В
тех случаях, когда концентрация вредных выбросов в конденсационных котлах
превышает нормативную, требуется установка устройств для мокрой очистки газов
типа скрубберной, поскольку для более полного улавливания вредных выбросов
необходима, как и для тепло - и массообмена, большая поверхность контакта и
другие условия орошения, аналогичные тем, которые достигаются в контактных
экономайзерах. Отсюда нетрудно сделать вывод о том, что, во всяком случае, с
точки зрения экологической, последние имеют несомненные преимущества перед
конденсационными поверхностными теплообменниками. [10, С. 248]
В зарубежных периодических изданиях опубликовано немало
данных о теплотехнических показателях поверхностных конденсационных
теплообменников разных модификаций и типов.
По металлоемкости конденсационный поверхностный
теплообменник, изготовленный из оребрённых труб (например калориферы КСк
ТУ22-119-69-2001), почти не уступает чисто контактному, а может быть, даже
выгоднее. Контактно-поверхностные теплообменники по металлоемкости уступают
лучшим поверхностным.
Аэродинамическое сопротивление контактных и конденсационных
поверхностных теплообменников примерно одинаковое. Определенные преимущества
контактных теплообменников - весьма простые технология и материал изготовления
(листовая сталь). Для поверхностных конденсационных агрегатов серьезной
технологической операцией служит оребрение гладких труб, а применение более
дефицитных труб - несомненным недостатком. [10, С. 250]
Если исходить из того, что в нормально эксплуатируемом котле
коэффициент избытка воздуха в продуктах сгорания природного газа составляет
около 1,1-1,3, то точка росы таких газов близка к 53-55°С. Из этого следует,
что для работы котла в режиме конденсации всей его конвективной части
требуется, чтобы температура нагрева воды в конвективном пакете не превышала
50°С. В топках водогрейных котлов малой производительности обычно передается не
менее 60% теплоты, воспринимаемой котлом.
Следовательно, перепад температур в отопительной системе при
температуре обратной воды 20°С должен быть:
(50 - 20)/(1,0 - 0,6) =75°С,
то есть температура нагретой воды 20 + 75 = 95°С.
При температуре обратной воды 30°С температура воды на выходе
из котла должна быть (50 -30)/(1,0-0,6)+30 = 80°С.
Аналогичным образом, при температуре обратной воды 40°С
температура ее на выходе из котла должна быть не более:
(50 - 40)/(1,0 - 0,6)+40 = 65°С.
Отсюда следует, что применение поверхностных конденсационных
утилизаторов в водогрейных котлах для обычного перепада в системе отопления
95/70°С неприемлемо, поскольку конденсация части водяных паров была бы возможна
лишь в наиболее теплое время отопительного сезона, когда температура обратной
воды ниже 40-50°С. [10, С. 242].
Область применения конденсационных утилизаторов это системы
горячего водоснабжения (ГВС), где температура воды, идущей в утилизатор всегда
ниже 20°С. Но и здесь есть проблемы, связанные с суточной неравномерностью
расхода воды. Необходима автоматическая связь с параметрами (температурой воды
на выходе из утилизатора) и подачей уходящих газов в утилизатор. При
прекращении расходы воды на ГВС и повышении температуры её - должен открываться
обводной газоход (байпас) и закрываться подача уходящих газов на утилизатор.
Другой путь - использовать баки аккумуляторы ГВС, которые заполняются в периоды
отсутствия потребления ГВС и расходуются в пиковые периоды. Эти задачи и решаются
в данной работе.
В России положительный опыт внедрения конденсационных
теплоутилизаторов поверхностного типа получен институтом Сантехпроект (г.
Горький) и Ульяновским государственным техническим университетом, которые
разработали установки утилизации тепла уходящих газов паровых котлов типа
ДЕ-10-14 ГМ при работе котельной на природном газе. Теплоутилизаторы выполнены
на базе калориферов КСк-4-11 Костромского калориферного завода
(Минстройдормаш), смонтированы на всасывающей стороне дымососа.
1. Теоретическая часть
.1 Основные цели и задачи проектирования
В настоящем выпускной квалификационной работе ставится задача
о переводе водогрейного котла KRIEGER КВм(а) - 0.82 с твердого топлива
(древесные отходы) на природный газ и повышения эффективности котельной за счет
внедрения в систему экономайзера для предварительного нагрева воды ГВС.
Данное мероприятие имеет ряд преимуществ:
значительно снижаются выбросы в окружающую среду;
нет необходимости складирования запасов топлива;
газовое топливо нет необходимости доставлять каким-либо видом
транспорта.
Кроме того, замена в котлах твердого и жидкого топлив газовым
позволяет увеличить их производительность за счет:
повышения теплового напряжения топочного объема;
правильного выбора количества горелок, их конструкции и мест
установки;
улучшения условий теплопередачи в конвективной части котла
благодаря уменьшению загрязненности поверхностей нагрева;
увеличения к.п.д. котла благодаря отсутствию потерь тепла с
механическим и химическим недожогами;
возможности сжигания газа с меньшими избытками воздуха.
Основной целью котельной энергоснабжения является обеспечение
бесперебойной работы основного оборудования и снабжения тепловой энергией
потребителя.
Цель выпускной квалификационной работы:
Повысить эффективность котельной за счёт перевода на газовое
топливо и утилизации тепла уходящих газов.
При этом должны быть решены задачи:
- переоборудование
топливоподачи;
- оценка работы котла на
газе и на твёрдом топливе;
- оценка потери с уходящими
газами с учётом скрытой теплоты парообразования;
- определение схемы
подключения конденсационного утилизатора (КУ);
- определение возможности
обеспечения нагрева ГВС от КУ на различных режимах;
- тепловой расчёт КУ;
- подбор стандартного
калорифера КСк в качестве КУ;
- расчёт экономии топлива
при использовании КУ;
- расчёт уменьшения
выбросов углекислого газа при использовании КУ;
- расчёт экономической
эффективности проведённых мероприятий и срока окупаемости.
.2 Описание объекта
Для устойчивого функционирования производства и обеспечения
жизнедеятельности подразделений ОАО «Инвидо» требуются следующие виды энергии и
ресурсов:
- электроэнергия -
покупная;
- тепловая энергия -
теплоноситель;
- горячая вода; топливо -
пеллеты (щепа) - покупной;
- вода ХВС - покупная.
Для снабжения данными энергоресурсами, котельная состоит из 5
участков:
Участок-1 электропотребления обеспечивает подачу
электроэнергии на нужды производства.
Участок-2 потребляет энергоресурс (ХВС) и распределяет на
нужды производства.
Участок-3 производит тепловую энергию.
Участок-4 распределяет тепловую энергию потребителю.
Участок-5 подачи топлива на нужды производства.
Отапливаемая площадь:
производственного цеха 7128 кв. м.,
административного корпуса - 1300 кв. м.
Длина теплотрассы 300 м
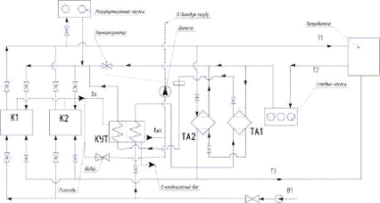
Функциональная схема обвязки котельной приведена на рис. 1, а
схема теплотрассы на рис. 2.
Рисунок 1. Функциональная схема обвязки котельной:
Т1-подача отопления; Т2-обратка отопления; Т3-ГВС; В1-ХВС;
ТА1 и ТА2-водоводяные подогреватели ГВС
Рисунок 2. Схема теплотрассы предприятия
Котёл отопительный водогрейный КВм(а) - 0,82 основной агрегат
в котельной, изготовленный в соответствии с ГОСТ 10617; НПАОП 0.00-1.26 и ТУ У
28.2-13568630.009-2003, работающий на твёрдом, сыпучем и газообразном видах
топлива, с рабочим давлением воды 0,25 МПа (2,5 кгс/см2),
температурой до 95°С, предназначен для теплоснабжения зданий и
сооружений различного назначения и устанавливается в котельных, оборудованных
системами водоподготовки и топливоподачи. Основные характеристики котла
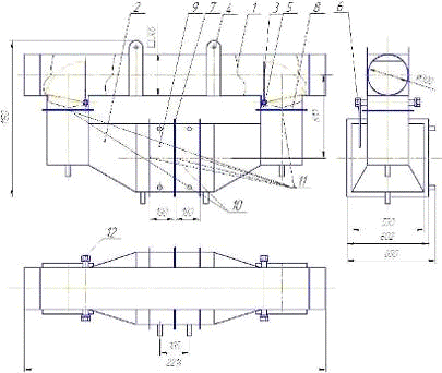
приведены в таблице 2. Продольный и поперечный разрезы котла приведены на
рисунках 3 4.
Условное обозначение котла:
Котёл отопительный водогрейный КВм(а) - 0,82-01 ТУ У
28.2-13568630.009-2003 (с механической подачей сыпучего топлива и
автоматизированной горелкой для газа).
Таблица 2. Технические характеристики котла отопительного
водогрейный КВм(а) - 0,82
|
Наименование
параметра или размера
|
Величина
параметра или размера
|
|
Номинальная
теплопроизводительность, МВт
|
0,82 (0,8*)
|
|
Виды топлива и
их теплота сгорания, МДж/кг (ккал/кг) МДж/м3 (ккал/нм3)
|
Дрова - 12,193
(2910) Опилки, стружка, щепа - 8,380 (2000) Торф фрезерный - 11,145 (2660)
Газ - 36 (8050)
|
|
Количество
растопочного топлива (дров) на одну растопку, кг
|
30
|
|
Максимальная
температура воды на выходе котла,°С
|
95
|
|
Минимальная
температура воды на входе котла, °С
|
60
|
|
Активная
поверхность нагрева, м2
|
35
|
|
Рабочее
давление воды, МПа, не более
|
0.25
|
|
Количество
воды, циркулирующей через котёл при Д t=25°С, м3/ час
|
27,3
|
|
Объём
теплоносителя, м3
|
2.4
|
|
Температура
уходящих газов при наличии воздухоподогревателя, °С, не менее
|
160
|
|
Гидравлическое
сопротивление, МПа, не более
|
0.025
|
|
Номинальное
давление воздуха перед котлом, Па, не более
|
780
|
|
Номинальное
разрежение за котлом, Па, не более
|
350
|
|
Содержание
оксидов углерода в сухих уходящих газах в пересчете на коэффициент избытка
воздуха, равный единице, мг/м3, не более - при работе на сыпучем
топливе - при работе на природном газе
|
2000 130
|
|
Содержание
оксидов азота в сухих уходящих газах в пересчете на коэффициент избытка
воздуха, равный единице, мг/м3, в пересчете на NO2 не
более - при работе на сыпучем топливе - при работе на природном газе
|
750 250
|
|
Аэродинамическое
сопротивление котла, Па, не более
|
100
|
|
Время растопки,
ч, не более
|
1
|
|
Масса котла
(без воды), кг, не более
|
7500
|
|
Габаритные
размеры, мм, не более длина ширина высота
|
3050 2000 2670
|
|
Установленная
безотказная наработка, час, не менее
|
3200
|
|
Коэффициент
полезного действия, %, не менее при работе на сыпучем топливе при работе на
газоподобном топливе
|
81 90
|
|
Удельное
потребление эл. энергии при номинальной теплопроизводительности, кВт/МВт, не
более
|
7,3
|
|
Удельный расход
условного топлива при номинальной теплопроизводительности, тут/МВт (тут/гкал)
|
0,144 (0,168)
|
|
Удельная
материалоёмкость, т/МВт, не более по металлу по теплоизоляционному материалу
|
7,65 2,23
|
|
Расход топлива,
кг/час: Торф фрезерный Дрова и их отходы Газ, м3/ час
|
272 296 80
|
|
Уровень звука,
Дб, не более
|
80
|
|
Время
срабатывания защитных устройств, сек., не более
|
3
|
|
Напряжение сети
|
380В; 50Гц
|
|
Потребляемая
мощность, кВт, не более
|
8.0
|
При переходе на работу котла от автоматизированной горелки,
засыпать реторту золой (шлаком), уложить огневую дорожку из шамотного кирпича
на зону колосниковой решетки с целью предотвращения перегрева и выгорания
реторты, колосников и исключения возможности подсосов воздуха через корпус
шнека.
Для предотвращения разрушения теплоизоляции нижней дверцы
прямое воздействие на неё пламени НЕ ДОПУСКАЕТСЯ!
Качество сетевой подпиточной воды водогрейного котла должно
соответствовать требованиям ГОСТ2874-82, «Правилам устройства и безопасной
эксплуатации паровых котлов с давлением пара не более 0.07МПа (0.7 кгс/см2),
водогрейных котлов и водоподогревателей с температурой нагрева воды не выше 95°С» НПАОП 0.00-1.26-96 и
СН и П II-35-76.
Качество сетевой и подпиточной воды водогрейных котлов
нормируется по следующим показателям, приведённым в таблице 3.
Водный режим должен обеспечивать работу котла без повреждения
его элементов вследствие отложений накипи и шлама или в результате коррозии
металла. Выбор способов обработки воды для питания котла и подпитки системы
отопления должен производится специализированной (проектной, наладочной)
организацией. Эксплуатация котлов без докотловой обработки воды запрещается.
Таблица.3. Нормируемые показатели качества подпиточной воды
|
№ п/п
|
Показатель
|
Температура до
100оС
|
|
1
|
Карбонатная
жесткость, мг-екв/кг
|
0,7
|
|
2
|
Растворенный
кислород, мг/кг
|
0,1
|
|
3
|
Свободная
углекислота, мг/кг
|
-
|
|
4
|
рН
|
-
|
|
5
|
Взвешенные
вещества, мг/кг
|
5
|
|
6
|
Остаточная
общая жесткость (допускается в закрытых системах водоснабжения), мг-екв/кг
|
0,1
|
|
7
|
Масла и
нефтепродукты, мг/кг
|
0,1
|
Рисунок 3. Продольный разрез котла
Рисунок 4. Поперечный разрез котла
1.3 Устройство и принцип работы котельной
установки
Устройство котла
Основание котла 6 (см. рис 3-4) представляет собой сварную
конструкцию и включает в себя: зольник 37, сборную колосниковую решетку 38,
реторту 39 и рукава 40,41 для механической подачи топлива и дутьевого воздуха.
Сзади предусмотрена дверца для осмотра и очистки подколосниковой зоны. Верхняя
часть основания, не ограниченная колосниковой решеткой и зольник
теплоизолированны огнеупорным кирпичом 42.
Колосники выполнены из жаростойкого чугуна и имеют отверстия
для дутья.
Корпус котла 43 конструктивно представляет собой топку,
ограниченную металлической обечайкой 44, выложенной с внутренней стороны
огнеупорным кирпичом 45, нижнего 46 и верхнего 47 пучка труб конвективной части
котла. В задних стенках котла и обечайки имеются отверстия 48 для вторичного
дутья и патрубок 49 с присоединительным фланцем для установки газовой горелки.
Нижняя часть топки ограничена основанием котла.
При неподключенной газовой горелке присоединительный патрубок
закрывается теплоизолированной заглушкой 8.
Для осмотра и чистки топки и трубных пучков спереди котла
предусмотрены теплоизолированные дверцы 51 и 52. В нижних дверцах для
наблюдения и контроля над процессом горения расположено смотровое окно 53.
Переходник дымовых газов 54 состоит из внутреннего и
наружного кожухов с теплоизоляцией. С правой и левой сторон переходника расположены
технологические дверцы 55 для его осмотра и удаления золы и сажи. Одновременно
они выполняют функцию взрывного клапана. Данные дверцы закрываются защитными
щитками 50. Переходник соединяет нижний и верхний трубные пучки и обеспечивает
переход дымовых газов из одного в другой.
После вентилятора 11 расположен распределитель дутьевого
воздуха с регулируемыми заслонками. Он предназначен для распределения и
регулирования дутьевого воздуха в первичную и вторичную зоны топки.
Корпус котла 43 теплоизолирован и закрыт декоративной
обшивкой.
Устройство подачи топлива 10 представляет собой емкость
цилиндрической формы, с расположенным на днище ворошителем, приводимым в
движение шнековым транспортером с приводом от мотор - редуктора. В нижней части
емкости расположена дверца со смотровым окном. Бункер оборудован ручной и
автоматической системой контроля возгорания топлива.
В конструкции бункера предусмотрены датчики контроля уровня
топлива, позволяющие производить его автоматическую загрузку от специального устройства.
Шибер дымохода 13 с регулируемой заслонкой предназначен для
регулирования разряжения за котлом.
Воздухоподогреватель 12 с вмонтированным прямоточным циклоном
соединен с вентилятором 11 гибкой трубой из нержавеющей стали 17. Гибкая труба
закрепляется при помощи хомутов крепления трубы 18. Прямоточный циклон
соединяется с емкостью для сбора золы 16 гибкой трубой из нержавеющей стали 14.
Труба закреплена при помощи хомутов крепления трубы 15. С дымососом 2
воздухоподогреватель соединяется гибкой трубой из нержавеющей стали 20. Гибкая
труба закреплена хомутами крепления трубы 21.
Для контроля за работой котла и газовой горелкой предусмотрен
пульт УКС 36, приборы и датчики КИП и А (смотри приложение 2).
Настройка режимов работы и управление газовой горелкой
осуществляется с блока управления горелки, входящего в комплект поставки
горелки.
Данные об основных элементах котла, о трубах и трубопроводах
в пределах котла приведены в таблице 4.
Таблица 4. Перечень конструктивных элементов котла
|
Наименование
|
Кол-во, шт.
|
Дн,
мм
|
Толщина стенок,
мм
|
Длина, мм
|
Материалы
|
|
|
|
|
|
Марка
|
ДСТУ, ГОСТ или
ТУ
|
|
Труба
теплообменника
|
100
|
60
|
3,5
|
1650
|
Сталь 20
|
1050-88
|
|
Патрубок
трубопровода
|
3
|
108
|
4
|
160
|
Сталь 20
|
1050-88
|
|
Патрубок
вторичного дутья
|
2
|
60
|
3,5
|
|
Сталь 20
|
1050-88
|
|
Корпус котла: -
стенка передняя - стенка задняя - стенка боковая - крышка - обечайка
|
|
|
12
|
|
Ст 3сп3
|
14637-89
|
|
- перегородка - стенка - стенка внутренняя
|
1 2 1
|
|
12
|
|
Ст 201
(Ст 09Г2С)
|
1050 (19281)
|
Принцип работы котла
Топливо из устройства подачи топлива при помощи шнекового
транспортера подается в реторту и распределяется по колосниковой решетке, где
происходит его сгорание. Образующиеся летучие остатки неполного сгорания
догорают в зоне вторичного дутья.
Дымовые газы из топки попадают в нижний и верхний пучок дымогарных
труб, отдавая своё тепло воде, поступают в дымоход и с помощью дымососа 2 через
воздухоподогреватель с прямоточным циклоном 12 попадают в дымовую трубу.
Продукты сгорания в виде пепла и золы оседают в зольнике
основания и переходнике дымохода. Мелкие частицы пепла и золы, увлекаемые
дымососом в газоход подогревателя, задерживаются прямоточным циклоном и
собираются в емкости для сбора золы.
Подогретый воздух из воздухоподогревателя 12 по гибкой трубе
17 вентилятором 11 подаётся через распределитель под колосниковую решетку и по
отверстиям в колосниках поступает в топку. В зону дожига воздух подается по
отверстиям 48.
Работа котла от автоматизированной горелки для газа
аналогична. При этом должны быть отключены шнек подачи топлива, дутьевой
вентилятор и выполнены требования п. 5 примечаний раздела 3.
Теплоноситель (вода) подается в водяную рубашку котла через
подводящий трубопровод, омывает внутренние её поверхности, поверхности
перегородок и обечайки, нижний 46 и верхний 47 пучки дымогарных труб газохода
и, нагреваясь до заданной температуры, через отводящий патрубок поступает в
отопительную систему.
До розжига котёл должен быть заполнен водой.
Давление и температура воды замеряются на входе в котёл и на
выходе из котла. Для контроля давления и температуры воды, на котле установлены
приборы автоматики (см. таблицу 5).
Подключение к электросети приводов и газовой горелки
осуществляется через пульт УКС (управления, контроля и сигнализации) 36,
смонтированного на котле.
Таблица 5. Данные об аппаратуре для измерения, управления,
сигнализации, регулирования и автоматической защиты
|
Наименование
|
Кол-во
|
Тип(марка)
|
ДСТУ; ГОСТ; ТУ
|
|
Задвижка
межфланцевая Ду 100, Ру 1.6 МПа
|
2
|
«Батерфляй» 497W
|
Разрешение на
примене-ние №69.01.30-29.56.4 ТОВ «Befa»,
Польша
|
|
Клапан предохранительный
пропорциональный фланцевый
|
2
|
Si2501; Ду50; РN___МПа S-1963 мм²; К-0.45
|
Разрешение на
примене-ние №1250.04.30-29.56.4 з-д «ARMAK», Польша
|
|
Вентиль
запорный клиновой латунный муфтовый
|
2
|
Ду 25; Ру 1.6
МПа
|
UNI
EN ISO 9001-2000 №067-А
|
|
Вентиль запорный
клиновой латунный муфтовый
|
1
|
Ду 32; Ру 1.6
МПа
|
|
|
Кран 3-х
ходовой с фланцем для установки контрольного манометра
|
2
|
Ду 15; Ру 1.6
МПа
|
|
|
Манометр МП-160
|
1
|
МП-160, Кл.
точн. 1,5, Ризм 0,06…0,4 МПа
|
ГОСТ 2405-88
|
|
Манометр МП-100
|
1
|
МП-100, Кл.
точн. 1,5, Ризм 0,06…0,4 МПа
|
ГОСТ 2405-88
|
|
Термометр
биметаллический
|
1
|
ТБП-63/50,
0…115 ˚С
|
ГОСТ 2823-73
|
|
Термометр
|
1
|
ТТЖ-М, 0…115 ˚С
|
ТУ
25-2022-0006-90
|
|
Датчик давления
|
2
|
ДД-1.6;
0.1…0.16 МПа
|
ТУ
25-02.160.217-83
|
|
Датчик давления
дифференциальный
|
1
|
DL1E-1 0.2…1 мбар
|
EN
1854
|
|
Устройство
терморегулирующее дилатометричес-кое электрическое
|
1
|
ТУДЭ-2М-1,
0…110 ˚С
|
ТУ
25-7323.0001-88
|
|
Термопреобразователь
|
2
|
ТСП-1088
50П/В31-200…500.200.3.01, -200…500 ˚С
|
ТУ
25-7363.042-90
|
|
Реле контроля
давления
|
1
|
DG6B-30.7, 0.4…6 мбар
|
EN
1854
|
|
Сирена
сигнальная
|
1
|
СС-1У5, 220В
|
|
Клапан обратный
межфланцевый
|
1
|
WKP-1, Ду 100, Ру 1.6 МПа
|
|
|
Датчик-реле
протока
|
1
|
IF301
|
По заказу
|
Электрооборудование котла
Управление котлом и его защитные функции осуществляются
пультом управления, контроля и сигнализации (УКС).
Пульт УКС предназначен для управления, включения (выкл.)
электродвигателей, приёма информации от датчиков безопасности, включения
тревожной сигнализации, а также для защиты электродвигателей от перегрузок.
При аварийных параметрах [понижении разряжения в топке,
повышении температуры воды выше допустимой, давлении воды на входе в котёл ниже
(выше) нормы, открывании нижней дверцы] котла происходит отключение
электродвигателей и подаётся световая и звуковая сигнализация.
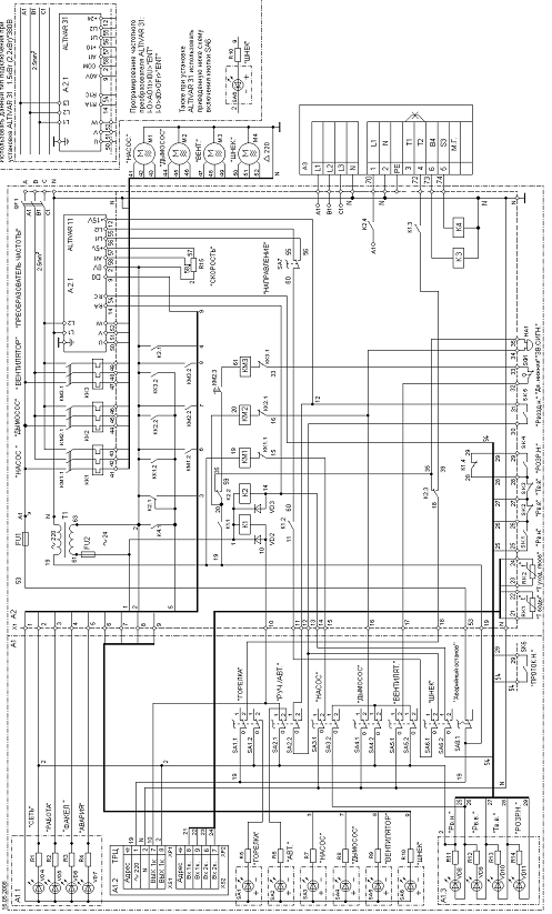
Электрическая схема (см. рисунок 5) состоит из следующих
функциональных узлов:
Пульт управления А1, где размещены:
· плата печатная режимов А1.1 с установленными на
ней светодиодами VD4-VD7 и резисторами R1-R4
· таймер-термометр «ТРЦ» A1.2
· плата печатная параметров А1.3 с
установленными на ней светодиодами VD8-VD11 и резисторами R11-R14.
· Тумблеры SA1-SA6 со встроенными
светодиодами и резисторы R5-R10.
· Кнопка-грибок SA8 «Аварийный останов».
Щит управления А2, где размещены:
· предохранители FU1, FU2
· трансформатор Т1
· выпрямитель VD1
· реле К1, К2 с защитными диодами VD2, VD3
· преобразователь частоты А2.1 с
потенциометром R15 и тумблером МТ1
· пускатели КМ1…КМ3 с термореле КК1…КК3
· автоматический выключатель QF1
· вмонтированный блок управления горелкой
БУС-М.
Пульт управления А1 и щит управления А2 смонтированы в одном
корпусе шкафа управления, который находится на корпусе котла.
Зонд RК1, датчики SK1, SK2, SK3 установлены на выходном
патрубке котла; RК2, SK4, SK5, SQ1, НА1 - на корпусе котла, SK6 - на входном
патрубке котла. Двигатели М1…М4 смонтированы на соответствующих узлах.
Схема управления предусматривает работу котла:
на сыпучем топливе;
от газовой горелки.
Режим работы при комбинированном исполнении котла выбирается
переключением тумблера SА1 «Горелка - Топливо».
В схеме управления предусмотрены ручной и автоматический
режимы. Режим выбирается переключением тумблера SА2 «Автомат - Ручной».
Верхняя и нижняя границы температур устанавливаются на ТРЦ
(паспорт ТРЦ). Также на ТРЦ можно включить таймер (0…3 часа), с помощью
которого оперативно контролировать динамику температурного режима на выходе из
котла, автоматическую остановку котла по окончании установленного времени
таймера (паспорт ТРЦ).
Схема предусматривает световую сигнализацию:
«Сеть» - присутствие напряжения;
«Работа» - штатное состояние функционирования;
«Нагрев» - наличие факела при работе на горелке;
«Авария» - аварийная ситуация, которая заключается в
срабатывании термореле КК1…КК3 защиты двигателей, нарушении работы горелки,
выключения реле К2, что контролирует аварийные параметры:
«Рв.н» - давление воды на выходе из котла ниже нормы;
«Рв. в» - давление воды на выходе из котла выше нормы;
«Тв. в» - температура на выходе из котла выше нормы;
«Разреж. низ» - разрежение в топке низкое.
При выключении К2 включается также звуковая сигнализация
(НА1) и выключаются вентилятор, шнек.
«Горелка» - работа от горелки,
«Автомат» - работа в автоматическом режиме.
«Насос» - включение (выкл.) циркуляционного насоса.
«Дымосос» - включение (выкл.) дымососа.
«Вентилятор» - включение (выкл.) вентилятор.
«Шнек» - включение (выкл.) шнека.
Зонд RK1 и ТРЦ контролируют температуру воды на выходе из
котла, регулируют теплопроизводительность. Датчик SK1 контролирует параметр
«Рв.н»; датчик SK2 - «Рв. в»; SK3 - «Тв.в»; SK4 - разрежение низк.; SK5 -
«давление воздуха низкое»; SK6 - «проток воды мал». Конечный выключатель SQ1
автоматически выключает вентилятор при открытии дверей топки.
Защиту двигателей выполняет термореле КК1…КК3; трансформатора
Т1 и цепей управления - предохранитель FU1, цепей низкого напряжения - FU2.
Аварийное выключение всей электросхемы - выключатель QF1.
После монтажа котла, перед запуском в эксплуатацию,
необходимо провести осмотр всего электрооборудования, измерить сопротивление
изоляции отключенных двигателей. Сопротивление должно быть не ниже 0.5 мОм.
Датчик протока SK6 монтируется по отдельному заказу. В его
отсутствие все проводники в схеме с номером 54 имеют номер 29.
Описание работы принципиальной электрической
схемы
В исходном состоянии через котел циркулирует вода, значения
давления воды, разряжения в дымоходе, температуры воды соответствуют данным,
указанным в данной инструкции. Кнопка SА8 «Аварийный останов» отжата. Датчики
давления воды низкого SK1 и высокого SK2, датчик превышения температуры выше
допустимого значения SK3, датчик отсутствия разряжения SK4 замкнуты, SK6 -
замкнуты. Датчик закрытия люка SQ1 и датчик низкого давления воздуха SK5
разомкнуты. Все тумблеры SA1-SA7 находятся в выключенном состоянии. При этом
отключенный тумблер SA2 «руч./авт.» блокируют работу А1.2 по замкнутой цепи
10-SA2.1-2. Отключенный тумблер SA3 в сумме с отключенным тумблером SA4 либо
тумблером SA5 блокируют работу датчика SK1 «давление воды высокое» по замкнутой
цепи 26-SA3.2-SA4.2-25-2 либо 26-SA3.2-SA5.2-25-2. Отключенный тумблер SA6
блокирует работу релейного выхода сигнализации аварии блока А2.1 по замкнутой
цепи 14-SA6.2-29. Таким образом «цепь датчиков аварий» = «14-А2.1. «RA» - А2.1.
«RC» - 54 - SK 6-29-SK4-28-SK3-27-SK2-26-SK1-25-A1.3-2» замкнута.
При включении выключателя автоматического QF1 трехфазное
напряжение 380В поступает на разомкнутые контактные группы пускателей
электромагнитных КМ1-КМ3 и однофазное напряжение 220В (фаза А1) через
предохранитель FU1 по цепи 19 на первичную обмотку трансформатора Т1, на вход
питания А1.2 хр1.1, на катушки электромагнитных пускателей КМ1 и КМ2, на
нормально-разомкнутую группу контактов К1.1 реле К1, на питание цепей
управления вентилятором горелки. Также однофазное напряжение 220В (фаза С1)
поступает на цепи питания частотного преобразователя А2.1.
Цепь С1-А2.1.L2-A2.1.L1-N замкнута, частотный преобразователь
А2.1 включен и готов к работе.
Цепь 19-Т1-N замкнута, поэтому на выходе Т1 есть переменное
напряжение 24В а после предохранителя FU2 на выходах (+) и (-) диодного моста
VD1 возникает выпрямленное напряжение 24В, которое поступает в цепи 1 (+24) и 2
(-24). Цепь 1-VD4-R1-2 замкнута и светит светодиод «сеть».
Цепь 1-К2 - «цепь датчиков аварий» замкнута (см. 5.4.1.) и
реле К2 «нет аварий» срабатывает. Цепь 1-VD5-R2-3-К2.1-2 замкнута и светит
светодиод «работа».
Цепь 19 - SА8.1-53-А1.2.хр1.1-А1.2.хр1.2-N замкнута, прибор
ТРЦ включен и готов к работе.
При нажатии кнопки «руч./авт.» SA2 снимается блокировка
выходов ТРЦ А1.2.хр1.7 и А1.2.хр1.8 разрывом цепи А1.2.хр1.7-10-SA2.1-2-А1.2.хр1.8.
Цепь 1-SA2 (светодиод) - R6-SA2.2-2 замкнута и светит светодиод «руч./авт».
ТРЦ показывает температуру воды и управляет нагревом воды,
замыкая А1.2.хр1.7 с А1.2.хр1.8. При этом замыкается цепь
1-К1-10-А1.2.хр1.7-А1.2.хр1.8-2 и срабатывает реле К1 «нагрев». В ручном режиме
(SA2 «руч./авт.» отжат) цепь 10-SA2.1-2 замкнута (см 5.4.1.) и реле К1 включено
независимо от состояния ТРЦ. Также ТРЦ показывает температуру дымовых газов.
Информацию о температуре воды ТРЦ принимает с датчика RК1 по
цепи А1.2 хр2.8-21 - RК1-22-А1.2.хр2.9.
Информацию о температуре дымовых газов ТРЦ принимает с
датчика RК2 по цепи А1.2.хр2.6-23-RК2-24-А1.2.хр2.7.
При нажатии кнопки «шнек» SA6 и включенном К1 (см 5.4.5.)
замыкается цепь управления частотного преобразователя А2.1: А2.1. «+15» -
12-SA6.1-11-К1.2-30-SA7-31-А2.1. «LI2» и на выходах А2.1 «U», «V», «W»
появляется переменное трехфазное напряжение 220В, которое поступает на
двигатель вращения шнека М4 по цепям 50, 51, 52. Одновременно размыкается SA6.2
и снимается блокировка с релейного выхода сигнализации аварии частотного
преобразователя А2.1. (см 5.4.1.). Цепь 1-SA6 (светодиод) -
R10-9-А2.1.D0-А2.1.0V-2 замкнута (Выход А2.1.D0 - открытый коллектор
относительно выхода А2.1.0V, запрограммированный на открытие при нормальной
работе блока А2.1) и светит светодиод «руч./авт».
Частота напряжения на выходах А2.1 «U», «V», «W» (скорость
вращения шнека) регулируется потенциометром R15 путем подачи на А2.1. «АI1»
постоянного напряжения от 0В до +5В относительно А2.1. «0V».
Фазировка напряжения на выходах А2.1 «U», «V», «W» изменяется
переключением тумблера SA7 при остановленном шнеке. При этом размыкается цепь
А2.1. «+15» - 12-SA6.1-11-К1.2-30-SA7-31-А2.1. «LI2» и замыкается цепь А2.1.
«+15» - 12-SA6.1-11-К1.2-30-SA7-32-А2.1. «LI1»
При нажатии кнопки «горелка» SA1 и включенном реле «нет
аварий» К2 замыкается цепь 19-SA1.1-18-К2.3-39-БУСМ.хs1.1 и питание 220В
подается на блок управления и сигнализации горелок БУС-М. Цепь 1-SA1
(светодиод) - R5-SA1.2-2 замкнута и светит светодиод «горелка».
Рисунок 5. Принципиальная электрическая схема
При нажатии кнопки «насос» SA3 замыкается цепь 19 -
SА8.1-53-КМ1-КК1.1-15-SA3.1-N, срабатывает электромагнитный пускатель КМ1 и
трехфазное напряжение 380В поступает на двигатель насоса. Одновременно
размыкается SA3.2, блокирующий работу датчика SK1 (см 5.4.1.). Цепь 1-SA3
(светодиод) - R7-6-КМ1.2-2 замкнута и светит светодиод «насос».
При нажатии кнопки «дымосос» SA4 замыкается цепь
53-КМ2-КК2.1-16-SA4.1-N, срабатывает электромагнитный пускатель КМ2 и
трехфазное напряжение 380В поступает на двигатель дымососа. Цепь 1-SA4
(светодиод) - R8-7-КМ2.2-2 замкнута и светит светодиод «дымосос».
При нажатии кнопки «вентилятор» SA5, включенных реле
«нагрева» К1 и реле «отсутствия аварий» К2 замыкается цепь 19 -
SА8.1-53-К1.1-20-К2.2-34-КМ3-КК3.1-33-SQ1-17-SA5.1-N, срабатывает
электромагнитный пускатель КМ3 и трехфазное напряжение 380В поступает на
двигатель вентилятора. Цепь 1-SA5 (светодиод) - R9-8-КМ3.2-2 замкнута и светит
светодиод «вентилятор».
При одновременном нажатии кнопок «насос» SA4 и «вентилятор»
SA5 размыкаются SA4.2 и SA5.2, блокирующие работу датчика SK1 (см 5.4.1.)
Если срабатывает любой (незаблокированный) (см 5.4.1, 5.4.7,
5.4.11, 5.4.15, 5.4.18) датчик из «цепи датчиков аварий» (см5.4.1), эта цепь
размыкается и отпускается реле «нет аварий» К2. При этом размыкаются контактами
К2.2 цепь питания КМ3 (см. 5.4.17) и контактами К2.3 цепь питания БУС-М (см
5.4.14). Также при включенном дымососе (SA4.1 нажат) и включенном тумблере
«горелка» SA1 либо включенном реле нагрева К1 замыкается одна из цепей 19 -
SА8.1-53-SA1.1-18-K2.3-35-HA1-16-SA4.1-N либо 19 -
SА8.1-53-К1.1-20-K2.2-35-HA1-16-SA4.1-N. В результате звенит звонок HA1.
Параллельно датчикам SK1, SK2, SK3, SK4 подключены светодиоды
сигнализирующие об авариях VD8, VD9, VD10, VD11 с балластными резисторами
соответственно R11, R12, R13, R14. Если срабатывает один из аварийных датчиков
(размыкается), он разрывает цепь питания реле К2. В образовавшемся разрыве
оказывается соответствующий светодиод с балластным резистором. Ток текущий по
цепи «светодиод» - «балластное сопротивление» - «реле К2» достаточен для
свечения светодиода но недостаточен для удержания реле К2 во включенном
состоянии.
При отпускании реле «нет аварий» К2 либо при срабатывании
любого из тепловых реле КК1, КК2, КК3 замыкается соответствующая цепь 2-К2.1-5
или 2-КК1.1-5 или 2-КК2.1-5 или 2-КК3.1-5 и сигнал «авария» отображается на
светодиоде VD7.
1.4 Характеристика котельного оборудования
Основное оборудование котельной представлено в таблице 6.
Таблица 6. - Основное оборудование котельной
|
Наименование
|
Марка
|
Количество
|
|
Водогрейный
котёл
|
КВм(а) - 0.82
|
2
|
|
Эл. насос
циркуляционный
|
КМ65-50-160
|
2
|
|
Эл. насос
рециркуляционные
|
КМ50-32-125
|
2
|
|
Эл. насос
сетевой
|
КМ50-32-125
|
2
|
|
Теплообменник пластинчатый
|
VT10 CDS-16
|
2
|
|
Теплосчетчик
регистратор
|
Взлёт ТСР-М
|
1
|
|
Дизельная эл.
станция
|
АД - 100
|
1
|
|
Винтовой
компрессор
|
Remeza
BK-15E-10
|
2
|
Конструкция и характеристики водогрейного котла КВм(а) - 0.82
рассмотрены ранее.
На котле установлен дымосос с установленным электрическим
двигателем мощностью 4 кВт, числом оборотов 1500 мин-1, исполнение IM 2081.
На котле установлен вентилятор с электрическим двигателем
мощностью 1.5 КВт, числом оборотов 1500 мин-1, исполнением IM 2081.
Горелка газовая ЛВГ-65 поставляется с турболизаторами
(комплект 106 штук), устанавливаемыми в трубы конвективного пучка.
Циклон прямоточный Æ350 из нержавеющей стали
смонтирован на воздухоподогревателе.
Воздухоподогреватель Æ450 / Æ350 из нержавеющей стали
установлен на подставку КВМ050-50.01.000.
Технические характеристики пластинчатых теплообменников VT10 CDS-16 представлена в
таблице 7.
Таблица 7. - Технические характеристики пластинчатых
теплообменников VT10 CDS-16
|
Тепловые
параметры
|
Греющая сторона
|
Нагреваемая
сторона
|
|
Среда
|
жидкая
|
жидкая
|
|
Тепловая
мощность кВт
|
327,12
|
327,12
|
|
Массовый расход
кг/ч
|
8021
|
3970
|
|
Объемный расход
м3/ч
|
8,24
|
4,00
|
|
Температура на
входе 0С
|
95,00
|
4,00
|
|
Температура на
выходе 0С
|
60,00
|
75,00
|
|
Потери давления
кПа
|
36,189
|
9,318
|
|
Рабочее
давление на входе Bar
|
10,00
|
10,00
|
|
Средний
температурный напор оК
|
34,96
|
34,96
|
|
Свойства
среды
|
|
|
|
Плотность кг/м
|
973,35
|
992,39
|
|
Теплоемкость
Дж/кгК
|
4194,62
|
4178,40
|
|
Теплопроводность
Вт/мК
|
0,66692
|
0,62770
|
|
Дин. Вязкость
на входе Ср
|
0,298
|
1,558
|
|
Дин. Вязкость
на выходе Ср
|
0,466
|
0,378
|
|
Параметры
теплообменника
|
|
|
|
Общая
теплопередающая поверхность м2
|
1,61
|
|
|
Количество
пластин
|
16
|
|
|
Толщина пластин
мм
|
0,60
|
|
|
Запас по
поверхности%
|
14,0
|
|
Описание дизельной электростанции АД-100 (100
кВт)
Дизельная электростанция АД-100 (100 кВт)
(см рис. 6) предназначены для генерации электроэнергии напряжением 380В.
Агрегат может применяться как основной источник электрической энергии для таких
автономных объектов как удалённые поселки, фермы, буровые установки, вахтовые
посёлки, и т.п.).
Электростанция оснащена системой
управления генератором, которая предназначена для запуска вручную. Станцию с
ручным запуском можно эксплуатировать только в присутствии оператора. Как
резервный источник электроснабжения агрегат может применяться для обеспечения
электроэнергией ответственных потребителей, таких как школы, больницы,
гостиницы, банки. Модели автоматизированные оснащаются автоматикой, которая
запускает генераторные установки при отсутствии основного питания. Установки со
вторым типом автоматизации, способны работать без оператора.
Технические характеристики дизельной
электростанции АД-100 приведены в таблице 8.
Рис. 6. Дизельная электростанция АД100
Дизельная электростанция АД-100 (100 кВт)
сертифицирована на соответствие ГОСТ-13822-82. Технические характеристики
дизельной электростанции АД-100 представлены в таблице 8.
Таблица 8. - Технические
характеристики дизельной электростанции АД-100
|
Наименование
|
Значение
|
|
Номинальная
мощность (длительная), кВт/кВА
|
145
|
|
Максимальная
часовая мощность, кВт/кВА
|
110
|
|
Род тока
|
пер. трехфазный
|
|
Номинальное
напряжение, В
|
400
|
|
Номинальная
частота, Гц
|
50
|
|
Номинальный
коэффициент мощности
|
0,8
|
|
Номинальный
ток, А
|
180
|
|
Частота
вращения вала двигателя, мин.
|
1500
|
|
Продолж-ть
непрерывной работы при ном. мощности, ч
|
8
|
|
Заправочные
емкости, л:
|
200
|
|
Система
топливопитания
|
200
|
|
Система
охлаждения
|
36
|
|
Система смазки
|
34
|
|
Удельный расход
топлива при ном. мощности, г/кВт ч
|
230
|
|
Удельный расход
масла, % от расхода топлива
|
0,5
|
|
Габаритные
размеры, мм длина x ширина x высота
|
2476 x 1142 x
1525
|
|
Масса сухого
электроагрегата, кг
|
2 050
|
|
Гарантийная
наработка, м.ч.
|
3000
|
|
Ресурс до
капитального ремонта, м.ч.
|
12000
|
Базовая комплектация дизельной
электростанции АД-100 (100 кВт):
- двигатель дизельный со
стартером;
- силовой синхронный
генератор;
- впусковая система с
фильтром воздушным;
- газовыхлопная система с
глушителем;
- система подачи топлива с
интегрированным топливным баком фильтрами топливными;
- система охлаждения с вентиляторной
крыльчаткой обратного тока и водяным радиатором;
- смазочная система с
масляным радиатором, фильтром и шестеренчатым насосом масляным;
- система
электрооборудования с генератором зарядным без аккумуляторов и проводов;
- прибор подрегулировки ТНВД;
- комплект ЗИП;
- масло смазочное М8Г2к;
- жидкость охлаждающая
тосол А-40 м;
- комплект технической
документации.
Винтовой компрессор Remeza ВК-15E-10
Винтовой компрессор Remeza ВК-15E-10 работает от сети
переменного тока с напряжением 380 В. Мощность двигателя составляет 11 кВт, а
рабочее давление - 10 атм. Устройство обладает высокой производительностью.
Внешний вид компрессора приведён на рисунке 7, технические
характеристики приведены в таблице 9.
Таблица 9. - Технические характеристики винтовой компрессор
Remeza ВК-15E-10.
|
Технические
характеристики
|
Значения
|
|
Рабочее
давление
|
10 атм
|
|
Производительность
|
1400 л/мин
|
|
Мощность
двигателя
|
11 кВт
|
|
Тип двигателя
|
Электрический
|
|
Питание
|
380 В
|
|
Трехфазный
|
да
|
|
Уровень шума
|
75 дБ
|
1.5 Характеристика теплоснабжения
Схема тепловых трасс предприятия представлена на рисунке 2.
Функциональная схема обвязки котельной представлена на рисунке 1. Отапливаемая
площадь производственного цеха 7128 кв. м., административного корпуса - 1300
кв. м. Длина теплотрассы 300 м.
Характеристика тепловой нагрузки.
Режимная карта работы водогрейного котла КВм(а) - 0,82
представлена в таблице 10.
Таблице 10. Режимная карта работы водогрейного котла КВм(а) -
0,82.
|
Т1 оС
Подача
|
Т о С
нар. воздуха
|
Т2 оС
Обратка
|
Т оС
На котел
|
Т´ оС С котла
|
Режим работы
котла
|
|
38,4
|
+10
|
33,6
|
60
|
74,6
|
Летний режим
|
|
|
38,4
|
+8
|
33,6
|
60
|
81,4
|
|
|
39,6
|
+7
|
34,4
|
|
82,1
|
|
|
40,9
|
+6
|
35,3
|
|
82,8
|
|
|
42,1
|
+5
|
36,1
|
|
83,5
|
Переходный
|
|
43,3
|
+4
|
36,9
|
|
84,1
|
режим
|
|
44,5
|
+3
|
37,7
|
|
84,8
|
|
|
45,7
|
+2
|
38,5
|
|
85,5
|
|
|
46,9
|
+1
|
39,3
|
|
86,2
|
|
|
48
|
0
|
40
|
60
|
86,9
|
|
|
|
49,2
|
-1
|
40,8
|
60
|
73,8
|
|
|
50,3
|
-2
|
41,5
|
|
74,1
|
|
|
51,5
|
-3
|
42,3
|
|
74,5
|
|
|
52,6
|
-4
|
43
|
|
74,8
|
|
|
53,7
|
-5
|
43,7
|
|
75,1
|
|
|
54,8
|
-6
|
44,4
|
|
75,5
|
|
|
55,9
|
-7
|
45,1
|
|
75,8
|
|
|
57
|
-8
|
45,8
|
|
76,2
|
|
|
58,1
|
-9
|
46,5
|
|
76,5
|
|
|
59,2
|
-10
|
|
76,8
|
|
|
60,3
|
-11
|
47,9
|
|
77,2
|
Среднезимний
|
|
61,4
|
-12
|
48,6
|
60
|
77,5
|
режим
|
|
62,5
|
-13
|
49,3
|
|
77,9
|
|
|
63,5
|
-14
|
49,9
|
|
78,2
|
|
|
64,6
|
-15
|
50,6
|
|
78,5
|
|
|
65,6
|
-16
|
51,2
|
|
78,9
|
|
|
66,7
|
-17
|
51,9
|
|
79,2
|
|
|
67,7
|
-18
|
52,5
|
|
79,6
|
|
|
68,8
|
-19
|
53,2
|
|
79,9
|
|
|
69,8
|
-20
|
53,8
|
|
80,2
|
|
|
70,9
|
-21
|
54,5
|
|
80,6
|
|
|
71,9
|
-22
|
55,1
|
|
80,9
|
|
|
72,9
|
-23
|
55,7
|
|
81,3
|
|
|
73,9
|
-24
|
56,3
|
|
81,6
|
|
|
74,9
|
-25
|
57
|
|
81,9
|
|
|
76
|
-26
|
57,6
|
|
82,3
|
|
|
77
|
-27
|
58,2
|
|
82,6
|
|
|
77,8
|
-28
|
58,6
|
|
83
|
|
|
79
|
-29
|
59,4
|
|
83,3
|
|
|
|
80
|
-30
|
60
|
60
|
83,6
|
Макс.-зимний
режим
|
Работа котла в максимальном зимнем режиме при номинальной
теплопроизводительности Qнк=0,82МВт обеспечивается работой сетевого
насоса производительностью:
сн= Qн /(Дt Св)=820000/(20·4190)=9,8
кг/с (35,2м3/ч),
где Дt= Т1-Т2=80 - 60=20°С - нагрев
воды в котле в максимальном зимнем режиме;
Св =4190 Дж/(кг·°С) - теплоёмкость воды.
Работа котла в летний период обеспечивает подогрев воды ГВС
при нагрузке:
лк= Gсн Дt Св=9,8·4,8·4190=197100Вт.
где Дt= Т1-Т2=38,4 - 33,6=4,8°С -
нагрев воды в котле в летнем режиме
При этом котёл загружен (197/820) 100=24%.
Расход тепловой энергии и теплоносителя на предприятии за
2011 год приведён в таблице 11.
Таблица 11. Расход тепловой энергии и теплоносителя на
предприятии за 2011 год
|
Месяц
|
Подающий
трубопровод Масса воды m, т
|
Количество
тепловой энергии Q, МВт·ч
|
|
Отопление
|
ГВС
|
Отопление
|
ГВС
|
|
Январь
|
7000
|
1750
|
504
|
245
|
|
Февраль
|
6500
|
1800
|
468
|
250
|
|
Март
|
5100
|
1650
|
396
|
238
|
|
Апрель
|
4800
|
1500
|
316
|
245
|
|
Май
|
3800
|
1500
|
151
|
240
|
|
Июнь
|
1200
|
1100
|
50
|
190
|
|
Июль
|
1200
|
950
|
50
|
175
|
|
Август
|
1200
|
1200
|
50
|
200
|
|
Сентябрь
|
2900
|
1350
|
72
|
238
|
|
Октябрь
|
4100
|
1500
|
290
|
240
|
|
Ноябрь
|
5200
|
1600
|
390
|
236
|
|
Декабрь
|
6000
|
1700
|
420
|
243
|
|
Сумм за год
|
49000
|
17600
|
3157
|
2740
|
|
Среднее
|
5,6т/ч
|
2,0т/ч
|
|
210,8МВт·ч/месс.
|
Максимальный расход на ГВС в феврале, он составил 2,7м3/ч,
минимальный в июле - 1,33/ч. Средний за год расход на ГВС составил
2,0м3/ч (0,56 кг/с).
Годовой расход на ГВС составил 17520т.
Средняя годовая тепловая мощность, идущая на ГВС составила
313кВт.
Средняя годовая тепловая мощность, идущая на отопление
составила 360кВт.
Суммарная средняя годовая тепловая мощность составила 673
кВт.
Затраты на топливо и электроэнергию на предприятии за 2011
год сведены в таблицу 12.
Таблица 12. Затраты на топливо и электроэнергию на
предприятии за 2011 год
|
Месяц
|
Кол-во сжигаем.
ггаза, м3
|
Стоимость газа
3300/1000м3.
|
Кол-во
сжигаемой пиллеты, тон.
|
Стоимость
пиллеты 6000/1000 кг
|
Кол-во
сжигаемой щепы, м3
|
Стоимость щепы
1400/1м3
|
Кол-во эл.
энергии, кВт·ч
|
Стоимость
электроэнергии 2,02/(кВт ч)
|
|
Январь
|
60.67
|
200211
|
118.5
|
711000
|
224
|
313600
|
15380
|
31067
|
|
Февраль
|
52.34
|
172722
|
118.67
|
712020
|
190
|
266000
|
12700
|
5654
|
|
Март
|
43.58
|
143814
|
90.89
|
545340
|
155
|
217000
|
11600
|
23 432
|
|
Апрель
|
27.09
|
89397
|
70.54
|
423240
|
140
|
196000
|
7117
|
14376
|
|
Май
|
20.40
|
67320
|
40.23
|
241380
|
119
|
166 600
|
5260
|
10625
|
|
Июнь
|
10.68
|
35244
|
20.09
|
120540
|
55
|
77000
|
2224
|
4492
|
|
Июль
|
6.93
|
22869
|
10.00
|
60000
|
45
|
63000
|
1899
|
3836
|
|
Август
|
5.57
|
18381
|
7.00
|
42000
|
21
|
29400
|
1550
|
3131
|
|
Сентябрь
|
13.68
|
45144
|
13.00
|
78000
|
60
|
84000
|
3683
|
439
|
|
Октябрь
|
35.14
|
115962
|
35.58
|
213480
|
137
|
191800
|
9918
|
20034
|
|
Ноябрь
|
40.10
|
132330
|
83.12
|
498720
|
158
|
221200
|
9517
|
19224
|
|
Декабрь
|
55.74
|
183942
|
108.06
|
648360
|
176
|
246400
|
10788
|
21791
|
|
Итого
|
342.92
|
227336
|
622.80
|
4294060
|
1480
|
2072200
|
91636
|
185105
|
2. Расчетная часть
2.1 Исходные данные
Для сравнения эффективности перехода на газ необходимо
провести тепловой расчёт котла на газе и на одном из топлив на основе древесных
отходов.
Важной особенностью древесной биомассы как топлива является
отсутствие в ней серы и фосфора. Как известно, основной потерей тепла в любом
котлоагрегате является потеря тепловой энергии с уходящими газами. Величина
этой потери определяется температурой отходящих газов. Эта температура при
сжигании топлив, содержащих серу, во избежание сернокислотной коррозии
хвостовых поверхностей нагрева поддерживается не ниже 200…250°С. При сжигании
же древесных отходов, не содержащих серу, эта температура может быть понижена
до 100…120°С, что позволит существенно повысить КПД котлоагрегатов.
Влажность древесного топлива может изменяться в очень широких
пределах. В мебельном и деревообрабатывающем производствах влажность некоторых
видов отходов составляет 10…12%, в лесозаготовительных предприятиях влажность
основной части отходов составляет 45…55%, влажность коры при окорке отходов
после сплава или сортировки в водных бассейнах достигает 80%. Повышение
влажности древесного топлива снижает производительность и КПД котлоагрегатов.
Выход летучих при сжигании древесного топлива очень высок - достигает 85%. Это
является также одной из особенностей древесной биомассы как топлива и требует
иметь большую протяженность факела, в котором осуществляется сгорание выходящих
из слоя горючих компонентов.
Продукт коксования древесной биомассы - древесный уголь
отличается высокой реакционной способностью по сравнению с ископаемыми углями.
Высокая реакционная способность древесного угля обеспечивает возможность работы
топочных устройств при низких значениях коэффициента избытка воздуха, что
положительно влияет на эффективность работы котельных установок при сжигании в
них древесной биомассы.
Однако наряду с этими положительными свойствами древесина
имеет особенности, отрицательно влияющие на работу котлоагрегатов. К таким
особенностям, в частности, относится способность поглощения влаги, т.е.
увеличение влажности в водной среде. С ростом влажности быстро падает низшая
теплота сгорания, растет расход топлива, затрудняется горение что требует
принятия специальных конструктивных решений в котельно-топочном оборудовании.
При влажности 10% и зольности 0,7% НТС составит 16,85МДж/кг, а при влажности
50% всего 8,2МДж/кг. Таким образом расход топлива котлом при одинаковой мощности
изменится более чем в 2 раза при переходе с сухого топлива на влажное.
Характерной особенностью древесины как топлива является
незначительное содержание внутренней золы (не превышает 1%). В то же время
внешние минеральные включения у отходов лесозаготовок иногда достигают 20%.
Зола, образующаяся при сгорании чистой древесины тугоплавка, и удаление ее из
зоны горения топки не представляет особой технической сложности. Минеральные
включения в древесной биомассе легкоплавки. При сгорании древесины со значительным
их содержанием образуется спекшийся шлак, удаление которого из
высокотемпературной зоны топочного устройства затруднено и требует для
обеспечения эффективной работы топки особых технических решений. Спекшийся
шлак, образующийся при сжигании высокозольной древесной биомассы, имеет
химическое сродство с кирпичом, и при высоких температурах в топочном
устройстве спекается с поверхностью кирпичной кладки стенок топки, что
затрудняет шлакоудаление.
Жаропроизводительностью обычно называется максимальная температура
горения, развиваемая при полном сгорании топлива без избытка воздуха, т.е. в
условиях, когда все выделяющееся при сгорании тепло полностью расходуется на
нагрев образующихся продуктов сгорания.
Термин жаропроизводительность предложен в свое время Д.И.
Менделеевым, как характеристика топлива, отражающая его качество с точки зрения
возможности использования для осуществления высокотемпературных процессов. Чем
выше жаропроизводительность топлива, тем выше качество тепловой энергии,
выделяющейся при его сжигании, тем выше эффективность работы паровых и
водогрейных котлов. Жаропроизводительность представляет собой предел, к
которому приближается реальная температура в топке по мере совершенствования
процесса сгорания.
Жаропроизводительность древесного топлива зависит от его
влажности и зольности. Жаропроизводительность абсолютно сухой древесины
(2022°С) всего на 5% ниже жаропроизводительности жидкого топлива. При влажности
древесины 70% жаропроизводительность понижается более чем в 2 раза (939°С).
Поэтому влажность 55-60% практический предел использования древесины в
топливных целях.
Для расчета работы котла на древесных отходах необходимо
определить его химический состав, влажность, зольность. Химический состав
позволит определить количество образовавшегося водяного пара в продуктах
сгорания. Это важно для дальнейших расчётов утилизации тепла при помощи
конденсационной технологии. Ориентировочные значения химического состава
древесных отходов (щепы) возьмём из таблицы 14 [27].
Таблица 14. Сравнительные теплофизические характеристики
природного газа и древесных отходов (щепы)
|
Состав
|
С р
|
Н р
|
Sл
р
|
N р
|
О р
|
А р
|
W р
|
|
В газе В метан
|
65-95 77
|
9-12 22
|
До 1,5 1
|
1,5-36
|
До 6
|
|
|
|
Щепа W50%
|
24
|
5
|
0
|
0
|
19
|
2
|
50
|
|
Расчётные
величины
|
|
Объёмы газов,
нм3/кг
|
|
|
VRО2
|
V0N2
|
V0Н2О
|
V0
|
V0вл
|
Qнр
МДж/кг
|
ДQ, кВт
|
|
От газа
|
10,081
|
2,668
|
12,760
|
12,964
|
39,889
|
635,1
|
|
Щепа W50%
|
0,446
|
2,265
|
1,002
|
2,868
|
2,913
|
7,687
|
1780,1
|
Где ДQ - теоретическое количество тепла,
полученное при полной конденсации водяных паров в продуктах сгорания.
Расчетные характеристики топлива согласно цели проекта о
переводе котельной на природный газ, принимаем ближайшую для поставок,
химический состав которого приведён в таблице 15.
Топливо: газ из трубопровода Архангельск - Волхов.
Низшая теплота сухого газа Qнс
= 37310 кДж/м3
Плотность газа r=0,776 кг/м3.
Таблица 15. - Состав газа по объему в %
|
CH4
|
C2 H6
|
C3 H8
|
C4 H10
|
C5 H12
|
N2
|
CO2
|
|
92.8
|
3,9
|
1,1
|
0,4
|
0,1
|
1,6
|
0,1
|
2.2 Расчет характеристик топки и конвективных
поверхностей
Конструктивные характеристики топки и конвективного
пучка
Поперечный и продольный разрезы котла показаны на рисунках 3
и 4, конструктивные характеристики котла приведены в таблице 2 и 4.
Все стены котла покрыты огнеупорным шамотным кирпичом ША-8.
Размеры кирпича, мм: 250-124-65. Вес, кг: 4. Пористость открытия, %: не более
24, Предел прочности при сжатии, Н/мм2: не менее 20.
Огнеупорность,°C: не менее 1650. Внутренний размер топки по оси котла (длина) в
6 кирпичей Lт=1560 мм, поперёк (ширина) котла 4,5 кирпича Вт=720
мм. Высота топки до арки 9 кирпичей по наименьшему размеру Нц=630
мм. Сод топки цилиндрический с радиусом 0,5 Вт =360 мм.
Площадь тепловоспринимающей поверхности (лучевоспринимающая)
в топке вся покрыта огнеупорным кирпичом и равна:
л= Lт (р 0,5 Вт +2 Нц)=0,72
(р ·0,5 ·0,72 +2 ·0,63)=1,72м2.
Площадь стен ограничивающих топочное пространство:
ст= Fл+ рВт2 +2 Нц
Вт =1,72 + р· 0,722+2· 0,63· 0,72=4,26 м2.
Степень экранированности топки:
Шт= Fл / Fст =1,72/4,26=0,4.
Теплопроводность огнеупорного кирпича лок = 1,16
Вт/(м·К). Эта величина будет определяющей в теплопередаче тепла от продуктов
сгорания к воде. Коэффициент теплопередачи через многослойную стенку (кирпич с
обмазкой док=0,13 м и стальная стенка дст=0,012 м)
составит:
К= лок / док + лок / дст
=1,16/0,13+70/0,012=8,92Вт/(м2·К)+5833 Вт/(м2·К).
Термическое сопротивление, обратная величина «К» у кирпича в
600 раз выше.
Определяющим тепловой поток будет термическое сопротивление
кирпича. Тепловой поток через теплопроводящие стенки составит для отходов с
влажностью 50%:
т=К Fл Дt=8,92·1,72·1200=18400Вт=18,4кВт.
Для газа при его более высокой жаропроизводительностью это
составит:т=К Fл Дt=8,92·1,72·1900=29150Вт=29,15кВт.
Эти величины несравнимы с общей теплопроизводимостью котла,
составляют от неё до 3,5%. В дальнейшем расчете будем теплосъём в топке брать
3% от всего теплосъёма котла.
Конвективные поверхности котла представляют два пучка
дымогарных труб с наружным диаметром dн=60 мм, толщиной стенки д=3,5
мм и длиной l=1650 мм. В первом нижнем пучке находятся Z1=52 трубы,
а во втором верхнем - Z2=48 труб.
Суммарная площадь конвективной поверхности первого пучка
составит:
1к=р(dн - д) l Z1= р
(0,06-0,0035) 1,65·52=15,23м2
Суммарная площадь конвективной поверхности второго пучка
составит:
2к=р(dн - д) l Z2= р
(0,06-0,0035) 1,65·48=14,06м2
2.3 Определение расчетных параметров рабочих тел,
используемых в котельном агрегате
Для теплового расчёта котла принимаем по приложению 1 [31]
температуру наружного воздуха для географического района Мурманской области,
как среднюю за отопительный период tн = -3,30С.
с влажностью d=0,013 кг/м3.
Температуру питательной и сетевой воды на входе в котёл
принимаем по требованиям изготовителя котла не ниже tвпк
=600С.
Температура сетевой воды на выходе из котла находим по
режимной карте котла в таблице 10 для средней температуры наружного воздуха за
отопительный период tвзк =74,60С.
Энтальпии воды находим для каждой температуры через
теплоёмкость Св из приложения 9 [31], она для этих температур
постоянная и равна:
Св =4,19 кДж/(кг
°С)
Энтальпия воды при 60°С будет равна:
60=
Св tвпк =4,19·60=251,4кДж/кг.
Энтальпия воды при 74,6°С будет равна:
74,6=
Св tвзк =4,19·74,6=312,6кДж/кг.
Для водогрейных жаротрубных котлов, не оборудованных хвостовыми
поверхностями, температуру уходящих газов рекомендуется принимать в пределах:
при сжигании древесных отходов и газообразного топлива tух=
110-1200С. Для данного котла изготовитель рекомендует температуру за
воздухоподогревателем tух= 1800С.
Коэффициенты избытка воздуха и присосы в
котельном агрегате
В реальных топочных камерах для эффективного сжигания топлива
приходится подавать воздуха больше, чем теоретически необходимо.
д, = бт V0,
Где Vд, М3/м3 (М3/кг)
- действительный объем подаваемого в топку воздуха соответственно при сжигании
газа и в скобках при сжигании древесных расходов;
V0, М3/м3(М3/кг) -
объем теоретически необходимого для осуществления процесса горения воздуха;
бт - коэффициент избытка воздуха на выходе
из топки, для газового топлива он равен 1,1, а для древесных отходов 1,3.
По мере движения продуктов сгорания по газоходам коэффициент
избытка воздуха увеличивается за счет присосов воздуха в газовый тракт агрегата
через не плотности в обмуровке.
При тепловом расчете коэффициент избытка воздуха на выходе из
топки б т и присосы воздуха в отдельных элементах
котлоагрегата Дaт принимают на основе обобщенных данных
эксплуатации котельных агрегатов.
Определяются коэффициенты воздуха с учетом присоса в
характерных местах котельной установки в функции известной величины aт
Присосы соответственно для газа и отходов (в скобках):
в топочной камере Дaт =0,1 (0,2);
в конвективном пучке Дaкп1 = 0,05 (0,05);
в воздухоподогревателе и экономайзере Дaэ = 0,08.
Значение расчетного коэффициента избытка воздуха в отдельных
сечениях газохода определяют суммированием коэффициента избытка воздуха в топке
с присосами воздуха в газоходах, расположенных между топкой и рассматриваемым
сечением, то есть:
aкп = aт + Дaкп1 = 1,1+0,05= 1,15 (1,45);
aэ =aкп +Дaэ = 1,15+0,08 =
1,23 (1,53),
2.4 Расчет объемов воздуха и продуктов сгорания
Расчет объемов воздуха и продуктов сгорания для
природного газа
Теоретическое количество воздуха, необходимое для сжигания 1
м3 газа:
=9,91 м3/ м3,
где CO, H2, H2S, O2 -
процентное содержание соответствующего газа 1м3 газовой смеси;mHn
- процентное соотношение i-го углеводорода;
m, n - количество, соответственно, атомов углерода и
водорода в химической формуле углеводорода.
Для дальнейшего сравнительного расчёта котла на двух топливах
приведём удельное количество теоретического количества воздуха к массовому
через плотность газ при нормальных условиях спг=0,776 кг/м3:
0вгм= V0вг/ спг
=9,91/0,776=12,77м3/кг.
Все объёмы газов, входящие в продукты сгорания будем
определять таким же образом.
Найдем действительный объем подаваемого в топку воздуха:
Vд =V0в бт =12,77
1,1= 14,05м3/кг.
Объем сухих трехатомных газов, образующихся при сгорании 1 кг
газа:
R02=0,01 (СО2+Н2S+СН4+УmСmНn)/
спг= 1,366 м3/кг.
Теоретический объем азота, образующийся при сгорании 1 кг
газа:
0N2=0,79 V0вгм +0,01N2=0,79·12,77+0,01·1,6=10,1м3/кг,
где N2 - процентное содержание азота в газовой
смеси;
,79 - учитывает процентное содержание азота в воздухе.
Теоретический объем водяных паров, образующихся при сгорании
1 кг газа:
0Н20=[0,01 (Н2S+ Н2+2СН4+У0,5nСmНn)]+1,24
(dт + dв V0в)/ спг =
2,84м3/кг.
Теоретический объем сухих продуктов сгорания:
0сг= VR02+ V0N2=
1,366 + 10,1 = 11,47м3/кг.
Теоретический полный объем продуктов сгорания при сгорании 1
кг газа:
0г= V0сг+ V0Н20=11,47
+ 2,84 =14,31м3/кг.
Объем избыточного воздуха при сгорании 1 кг газа:
ДV0в=(бт -1) V0в=(1,1-1)
12,77=1,28м3/кг.
Объем водяных паров в избыточном воздухе при сгорании 1 кг
газа:
ДVН2О=1,24 (бт -1) V0в dв
=1,24·(1,1-1) 12,77·0,013=0,021м3/кг.
Действительный объем водяных паров при сгорании 1 кг газа:
Н2О= V0Н20+ ДVН2О=2,84+0,021=2,86м3/кг.
Полный объем продуктов сгорания 1 кг газа:
г= V0сг+ ДV0в
+ VН2О =11,47+1,28+2,86=15,61м3/кг.
Парциальное давление составляющих продуктов сгорания1кг газа:
Парциальное давление водяных паров:
рН2О=(VН2О / Vг) рсм
=(2,86/15,61) 0,1=0,0183МПа.
Парциальное давление трехатомных газов:
рRО2=(VRО2 / Vг) рсм
=(1,366/15,61) 0,1=0,00875МПа.
Суммарное давление трехатомных газов и водяных паров:
РУRО2= рRО2+ рН2О
=0,00875+0,0183=0,027МПа.
Масса дымовых газов при сжигании газообразного топлива:
г= 1+1,306 бтV0в+0,001
dв=1+1,306·1,1·12,77+0,001·0,013=15,55 кг/кг.
Плотность дымовых газов:
сдг = Gг / Vг
=15,55/15,61=0,996 кг/м3.
Объёмная низшая теплота сгорания газа:
нрV=0,108Н2+0,126С+0,234Н2S+0,358СН4+0,638С2Н6+0,912С3Н8+
1,186С4Н10+1,46С5Н12+0,591СН+0,860С2Н4+1,13С4Н8+1,40С5Н10=0,358·92,8+0,638·3,9+0,912·1,1+1,186·0,4+1,46·0,1=37,33МДж/м3.
Массовая низшая теплотворная способность природного газа:
рн= QнрV/спг=37,33/0,776=48,1МДж/кг.
Высшая теплотворная способность газа:
рв= Qрн +2,5· свпну ·V0Н20
= 48,1 + 2,5· 0,805·2,86=53,86МДж/кг,
где свпну =0,805 кг/м3 - плотность
водяных паров при нормальных условиях (0º и 101325Па).
Расчет объемов воздуха и продуктов сгорания для
древесных отходов
Теоретическое количество воздуха, необходимое для сжигания 1
кг топлива:
0в =0,089 (Ср+0,375 Sлр)+0,267Нр
-0,033 Ор=0,089 (24+0)+ 0,267·5 - 0,033·19=2,82 м3/кг.
Найдем действительный объем подаваемого в топку воздуха:
д =V0в бт =2,82·1,3=
3,67м3/кг.
Объем сухих трехатомных газов, образующихся при сгорании 1 кг
газа:
R02=1,86 (Ср+0,375 Sлр)/100=1,86
(24+0)/100=0,446м3/кг.
Теоретический объем азота, образующийся при сгорании 1 кг
топлива:
0N2=0,79 V0в +0,008N2=0,79·2,82+0,008·0=2,228м3/кг,
где N2 - процентное содержание азота в газовой
смеси;
,79 - учитывает процентное содержание азота в воздухе.
Теоретический объем водяных паров, образующихся при сгорании
1 кг топлива:
V0Н2О=0,112Нр+ 0,0124Wр+0,016
V0в =0,112·5+0,0124·50+0,016·2,82=1,225м3/кг.
Теоретический объем сухих продуктов сгорания:
0сг= VR02+ V0N2=
0,446 + 2,228 = 2,674м3/кг.
Теоретический полный объем продуктов сгорания при сгорании 1
кг топлива:
0г= V0сг+ V0Н20=2,674
+ 1,225 =3,899м3/кг.
Объем избыточного воздуха при сгорании 1 кг топлива:
ДV0в=(бт -1) V0в=(1,3-1)
2,82=0,846м3/кг.
Объем водяных паров в избыточном воздухе при сгорании 1 кг
топлива:
ДVН2О=1,24 (бт -1) V0в dв
=1,24·(1,3-1) 2,82·0,013=0,0136м3/кг.
Действительный объем водяных паров при сгорании 1 кг топлива:
Н2О= V0Н20+ ДVН2О=1,225+0,0136=1,239м3/кг.
Полный объем продуктов сгорания 1 кг топлива:
г= V0сг+ ДV0в
+ VН2О =2,674+0,846+1,239=4,759м3/кг.
Парциальное давление составляющих продуктов сгорания1кг
топлива:
Парциальное давление водяных паров:
рН2О=(VН2О / Vг) рсм
=(1,239/4,759) 0,1=0,026МПа.
Парциальное давление трехатомных газов:
рRО2=(VRО2 / Vг) рсм
=(0,446/4,759) 0,1=0,0937МПа.
Суммарное давление трехатомных газов и водяных паров:
РУRО2= рRО2+ рН2О
=0,00937+0,026=0,0354МПа.
Масса дымовых газов при сжигании топлива:
Gг= 1+1,306 бтV0в+0,001
dв=1+1,306·1,3·2,82+0,001·0,013=5,788 кг/кг.
Плотность дымовых газов:
сдг = Gг / Vг
=5,788/4,759=1,216 кг/м3.
Низшая теплотворная способность древесных отходов:
рн=0,339Ср+1,03Нр-0,109 (Ор
- Sлр) - 0,025Wр=0,339·24+1,03·5-0,109 (19-0)
- 0,025·50=9,93МДж/кг.
Высшая теплотворная способность древесных отходов:
рв= Qрн +2,5 (0,09 Нр
+0,01 Wр)=9,93+2,5 (0,09·5+0,01·50)=12,3МДж/кг.
Для дальнейшего использования подсчитанных по приведенным
выражениям величин, данные сводим в таблицу 16. Также туда сводятся данные
расчета для коэффициента избытка воздуха конвективного пучка aкп и экономайзера aэ.
Таблица 16. - Результаты расчета параметров воздуха и
продуктов сгорания.
|
Обозначение
параметр
|
Размезность
|
Топка
|
Конвективный
пучок
|
Хвостовые
поверхности
|
|
|
Газ
|
Щепа
|
Газ
|
Щепа
|
Газ
|
Щепа
|
|
б
|
-
|
1,1
|
1,3
|
1,15
|
1,35
|
1,23
|
1,43
|
|
V0в
|
м3/кг
|
12,44
|
2,82
|
|
|
|
|
|
Vд
|
м3/кг
|
14,05
|
3,67
|
14,689
|
3,811
|
15,710
|
4,037
|
|
VRО2
|
м3/кг
|
1,366
|
0,446
|
|
|
|
|
|
V0N2
|
м3/кг
|
10,1
|
2,228
|
|
|
|
|
|
V0Н2О
|
м3/кг
|
2,84
|
1,225
|
|
|
|
|
|
V0сг
|
м3/кг
|
11,47
|
2,674
|
|
|
|
|
|
V0г
|
м3/кг
|
14,31
|
3,899
|
|
|
|
|
|
ДV0в
|
м3/кг
|
1,28
|
0,846
|
1,920
|
0,987
|
2,944
|
1,213
|
|
ДVН2О
|
м3/кг
|
0,021
|
0,0136
|
0,032
|
0,016
|
0,048
|
0,019
|
|
VН2О
|
м3/кг
|
2,86
|
1,239
|
2,872
|
1,241
|
2,888
|
1,244
|
|
Vг
|
м3/кг
|
15,61
|
4,759
|
16,262
|
4,902
|
17,302
|
5,131
|
|
рН2О
|
МПа
|
0,0183
|
0,026
|
0,0177
|
0,0253
|
0,0167
|
0,0243
|
|
рRО2
|
МПа
|
0,00875
|
0,00937
|
0,084
|
0,0910
|
0,079
|
0,0869
|
|
рУRО2
|
МПа
|
0,027
|
0,0354
|
0,1017
|
0,1163
|
0,0956
|
0,1112
|
|
Gг
|
кг/кг
|
15,55
|
5,788
|
16,211
|
7,0106
|
17,270
|
7,3668
|
|
сг
|
кг/м3
|
0,982
|
1,216
|
0,997
|
1,430
|
0,998
|
1,436
|
|
|
|
|
|
|
|
|
|
|
|
|
|
|
|
|
.5 Расчёт энтальпии продуктов сгорания
Расчёт энтальпии продуктов сгорания проведём для природного
газа и древесных отходов (щепы) для различных коэффициентов избытка воздуха.
Энтальпия воздуха определится как:
J0в =V0в(сt)в, кДж/кг,
где (сt)в-объемная изобарная теплоемкость воздуха,
кДж/м3К.
Энтальпия сухих трехатомных газов:
RО2 =VRО2 (сt)RО2, кДж/кг.
Энтальпия теоретического объема азота:
0N2 =V0N2 (сt) N2,
кДж/кг.
Энтальпия теоретического объема водяных паров:
0Н2О =V0Н2О (сt) 0Н2О,
кДж/кг.
Энтальпия теоретического объема продуктов сгорания:
0г= JRО2 + J0N2 +
J0Н2О, кДж/кг.
Энтальпия избыточного воздуха:
ДJв =(-1) J0г, кДж/кг.
Действительная энтальпия продуктов сгорания:
г= J0г+ ДJв,
кДж/кг.
Теплоёмкости составляющих газов в продуктах сгорания сведены
в таблицу 17.
Таблица 17. - Энтальпия 1м3 воздуха, газообразных
продуктов сгорания, (кДж/м3)
|
t,0С
|
(сt) (сt) (сt) вв(сt)
|
|
|
|
|
100
|
170
|
130
|
132
|
151
|
|
200
|
359
|
261
|
268
|
305
|
|
300
|
561
|
393
|
408
|
464
|
|
400
|
774
|
528
|
553
|
628
|
|
500
|
999
|
666
|
701
|
797
|
|
600
|
1226
|
806
|
852
|
970
|
|
700
|
1466
|
1008
|
1151
|
|
800
|
1709
|
1096
|
1163
|
1340
|
|
900
|
1957
|
1247
|
1323
|
1529
|
|
1000
|
2209
|
1398
|
1482
|
1730
|
|
1100
|
2465
|
1550
|
1642
|
1932
|
|
1200
|
2726
|
1701
|
1806
|
2138
|
|
1300
|
2986
|
1856
|
1970
|
2352
|
|
1400
|
3251
|
2016
|
2133
|
2566
|
|
1500
|
3515
|
2171
|
2301
|
2789
|
|
1600
|
3780
|
2331
|
2469
|
3011
|
|
1700
|
4049
|
2490
|
2637
|
3238
|
|
1800
|
4317
|
2650
|
2805
|
3469
|
|
1900
|
4586
|
2814
|
2978
|
3700
|
|
2000
|
4859
|
2873
|
3150
|
3939
|
|
2100
|
5132
|
3137
|
3318
|
4175
|
|
2200
|
5405
|
3301
|
3494
|
4414
|
Как указывалось выше, теплосъём в полностью закрытой
огнеупорным кирпичом соизмерим с потерей тепла в окружающее пространство
(порядка 5,5%). Температура за топкой будет близка к максимальной: для газа то
2050°С, а для щепы 1500°С. Основной теплосъём будет в конвективных дымогарных
трубах первого и второго пучка, температура на выходе из которых перед
воздухоподогревателем будут около 200°С. Эти цифры и возьмём для расчёта
энтальпии. Для расчёта конденсационного утилизатора для температур уходящих
газов меньших точки росы, проведём отдельный расчёт энтальпии продуктов
сгорания с учётом конденсации водяных паров.
Для каждого значения коэффициента избытка воздуха вычисляются
значения энтальпий, соответствующие двум принятым значениям температур дымовых
газов, по которым строится график зависимости Ј-t.
Результаты расчета сводим в таблицу 18.
Таблица 18. - Результаты расчета энтальпии.
|
Температура, °С
|
Газ
|
2100
|
1000
|
200
|
100
|
56
|
30
|
|
Щепа
|
1500
|
1000
|
300
|
100
|
56
|
30
|
|
Коэфф. изб.
возд. б
|
Газ
|
1,15
|
1,15
|
1,23
|
1,23
|
1,23
|
1,23
|
|
Щепа
|
1,35
|
1,35
|
1,43
|
1,43
|
1,43
|
1,43
|
|
Энтальпия,
кДж/кг
|
JRО2
|
Газ
|
7010,3
|
3017,5
|
490,4
|
232,2
|
|
|
|
|
Щепа
|
1567,7
|
984,8
|
250,2
|
75,8
|
|
|
|
J0N2
|
Газ
|
31683,7
|
14120
|
2636,1
|
1313
|
|
|
|
|
Щепа
|
4491,6
|
3114,7
|
875,6
|
289,6
|
|
|
|
J0Н2О
|
Газ
|
11857,0
|
4913,2
|
866,2
|
428,8
|
|
|
|
|
Щепа
|
3416,5
|
2119,3
|
568,4
|
185,0
|
|
|
|
J0г
|
Газ
|
50551,0
|
22050,5
|
3992,7
|
1974,1
|
|
|
|
|
Щепа
|
9475,9
|
6218,8
|
1694,2
|
550,4
|
|
|
|
ДJв
|
Газ
|
5955,4
|
5955,4
|
789,0
|
388,6
|
|
|
|
|
Щепа
|
2271,1
|
2271,1
|
494,9
|
160,1
|
|
|
|
Jг
|
Газ
|
56506,4
|
28005,9
|
4781,7
|
2362,7
|
|
|
|
|
Щепа
|
11747,0
|
8489,8
|
2189,1
|
710,6
|
|
|
Рис. 8. - График зависимости Ј-t дымовых газов при сжигании
природного газа при бт=1,15 и при бт=1,23
Аналитические формулы определения энтальпии продуктов
сгорания газа при бт=1,15:
гх =56506,4 - 25,91·(2100 - tх), кДж/кг; (1)х
=2100 - (56506,4 - Jгх)/25,91, ºС, (2)
где соответственно искомая энтальпия Jгх при
известной температуре tх и наоборот.
Аналитические формулы определения энтальпии продуктов
сгорания газа при бт=1,23:
гх =4781,7 - 24,19·(200 - tх), кДж/кг; (3)х
=200 - (4781,7 - Jгх)/24,19, ºС, (4)
Рис. 9. - График зависимости Ј-t дымовых газов при сжигании
щепы при бт=1,35 и при бт=1,43
Аналитические формулы определения энтальпии продуктов
сгорания щепы при бт=1,35:
гх =11747 - 6,51·(1500 - tх), кДж/кг; (5)х
=1500 - (11747 - Jгх)/6,51, ºС, (6)
где соответственно искомая энтальпия Jгх при
известной температуре tх и наоборот.
Аналитические формулы определения энтальпии продуктов
сгорания щепы при бт=1,43:
гх =2189,1 - 7,39·(300 - tх), кДж/кг; (7)х
=300 - (2189,1 - Jгх)/7,39, ºС. (8)
2.6 Тепловой баланс котельного агрегата
Составим предварительный тепловой баланс котла при работе его
на газе и на древесных отходах (щепе) без использования конденсационного
утилизатора.
Уравнение теплового баланса котельной установки:
з=100 - (q2+ q3+
q4+ q5),
где з - коэффициент полезного
действия котла, он по паспортным данным для работе на газе з =90, на щепе з
=81.3 - потери тепла от химического недожога, соответственно для
газа q3=0,5%, для щепы - q3=3%;4 - потери
тепла от механического недожога, соответственно для газа q4=0, для
щепы - q3=3%;5 - потери тепла в окружающую среду для
одного котла будт одинаковой и для газа и для щепы q5=2%;2
- потери тепла с уходящими газами. Эту потерю определим из уравнения теплового
баланса:
2=100 - (з + q3+ q4+ q5),
Для газа: q2=100 -
(90+0,5+0+2)=7,5%.
Для щепы: q2=100 -
(81+3+4+2)=10%.
Физический расход топлива, который подается в топку:
Для газа:
В= G (i» - iпв)/ (зQрн)=10
(313-251)/(0,9·48100)=0,01432 кг/с=51,5 кг/ч,
или в нормальных метрах кубических: 0,0185 м3/с=66,4
м3/ч,
где G=10 кг/с - расход питательной воды котла, кг/c;
i»=313кДж/кг - энтальпия воды, вырабатываемая
котлом при средней температуре отопительного периода;
iпв =251кДж/кг - энтальпия питательной воды
(для котла требуется 60ºС).
Физический расход топлива, который подается в топку:
Для древесных отходов:
В= G (i» - iпв)/ (зQрн)=10
(313-251)/(0,81·9930)=0,0771 кг/с=277,5 кг/ч
Так как в процессе горения из-за механической неполноты
сгорания часть топлива не используется, то при подсчете продуктов сгорания и
количества приточного воздуха, вводится поправка (1-q4/100):
Вр=В (100-q4)/100=277,5 (100-3)/100=258
кг/ч=0,0717 кг/с.
Расчет теплового баланса сведем в таблицу 19.
Таблица 19. - Тепловой баланс котла при работе на газе
и древесных отходах
|
Предварительный
тепловой баланс
|
|
№
|
Наименование
|
Обозна-чение
|
Ед. измер.
|
Расчётная
формула или способ определения
|
Результат
|
|
|
|
|
|
Газ
|
Щепа
|
|
1
|
Низшая теплота
сгорания
|
Щепа.
|
Qрн
|
МДж/кг
|
Расчёт в п.
2.4.2
|
|
9,93
|
|
|
Газ
|
Qрн
|
МДж/кг
|
Расчёт в п.
2.4.2
|
48,1
|
|
|
2
|
Коэффициент
полезного действия
|
з
|
%
|
Обоснование в
начале раздела.
|
90
|
81
|
|
3
|
Потери тепла
|
От химической
неполноты сгорания
|
q3
|
%
|
То же
|
0,5
|
3
|
|
|
От
механического недожёга
|
q4
|
%
|
То же
|
0
|
6
|
|
|
В окружающую
среду
|
q5
|
%
|
То же
|
2
|
2
|
|
|
|
|
|
|
|
|
|
|
С уходящими
газами
|
q'2
|
%
|
То же
|
7,5
|
10
|
|
4
|
Коэффициент
избытка воздуха
|
б
|
|
П. 2.4
|
!,!
|
1,3
|
|
5
|
Температура
воздуха
|
Холодного
|
tхв
|
ºС
|
П. 2,5
|
25
|
25
|
|
|
Горячего
|
tгв
|
ºС
|
П. 2.5
|
60
|
60
|
|
6
|
Средние
изобарные объёмные теплоёмкости влажного воздуха
|
Холодного
|
схв
|
кДж/кг
|
Табл.13 [32]
|
1,318
|
1,318
|
|
|
Горячего
|
сгв
|
кДж/кг
|
Табл.13 [32]
|
1,325
|
1,325
|
|
7
|
Количество
тепла, вносимого в топку с воздухом
|
Холодным
|
Iхв
|
кДж/кг
|
1,016 V0
б схв tхв V0 из
табл. 16
|
470
|
123
|
|
|
Горячим
|
Iгв
|
кДж/кг
|
1,016 V0
б сгв tгв V0
из табл. 16
|
1527
|
296
|
|
8
|
Количество
тепла, переданное в воздухоподогревателе
|
Qвн
|
кДж/кг
|
Iгв - Iхв
|
1057
|
173
|
|
9
|
Температура
топлива, поступающего в топку
|
tтл
|
ºС
|
Принимается
|
20
|
20
|
|
10
|
Теплоёмкость
сухой массы топлива
|
сстл
|
кДж/кг гр
|
Характеристика
газа и щепы
|
2,06
|
1,67
|
|
11
|
Теплоёмкость
рабочей массы топлива
|
сртл
|
кДж/кг гр
|
сстл
(100-Wр)/100+ сН2О Wр /100, где сН2О
=4,19 кДж/кг гр; Wр =50%
|
2,06
|
2,93
|
|
12
|
Теплота,
вносимая в топку с топливом
|
iтл
|
кДж/кг
|
сртл
tтл
|
40,1
|
|
13
|
Располагаемая
теплота топлива
|
Qрр
|
кДж/кг
|
Qрн+
Qвн+iтл
|
49750
|
10410
|
|
14
|
Энтальпия
уходящих газов
|
I'ух
|
кДж/кг
|
Qрр q2/(100 - q4-)+ Iхв
|
4201
|
1196
|
|
15
|
Температура
уходящих газов
|
t'ух
|
ºС
|
По формуле (4)
для газа и по формуле (8) для щепы
|
176
|
166
|
|
16
|
Температура
питательной воды
|
tв1
|
ºС
|
Требования
изготовителя котла
|
60
|
60
|
|
17
|
Температура
воды на выходе из котла
|
tв2
|
ºС
|
Из режимной
карты для средней температуре наружного воздуха за отопительный сезон табл.
10
|
74,6
|
74,6
|
|
19
|
Энтальпия
питательной воды
|
iв1
|
кДж/кг
|
св tв1
|
251
|
251
|
|
20
|
Энтальпия воды
на выходе из котла
|
iв2
|
кДж/кг
|
св tв2
|
313
|
313
|
|
24
|
Секундный
расход топлива
|
Вр
|
кг/с
|
GН
(iх - iпв)/(Qрр з')
|
0,0143
|
0,0771
|
|
25
|
Теплопроизводительность
|
QВК
|
кВт
|
GН
(iх - iпв)
|
620
|
620
|
|
|
|
|
|
|
|
|
|
|
2.7 Расчет топочной камеры
Все стены топочной камеры закрыты огнеупорным кирпичом,
сопротивление теплопроводности которого будет определяющем в теплопередаче.
Теплопроводность огнеупорного кирпича лок = 1,16 Вт/(м·К). Эта
величина будет определяющей в теплопередаче тепла от продуктов сгорания к воде.
Коэффициент теплопередачи через многослойную стенку (кирпич с обмазкой док=0,13
м и стальная стенка дст=0,012 м) составит:
К= лок / док + лок / дст
=1,16/0,13+70/0,012=8,92Вт/(м2·К)+5833 Вт/(м2·К)
Термическое сопротивление, обратная величина «К» у кирпича в
600 раз выше.
Определяющим тепловой поток будет термическое сопротивление
кирпича. Тепловой поток через теплопроводящие стенки составит для отходов с
влажностью 50%:
т=К Fл
Дt=8,92·1,72·1200=18400Вт=18,4кВт.
Для газа при его более высокой жаропроизводительностью это
составит:
т=К Fл
Дt=8,92·1,72·1900=29150Вт=29,15кВт.
Адиабатную температуру горения определим по располагаемой
теплоте топлива из табл. 19, п. 1 по формулам (2) и (6) соответственно для газа
и щепы:
Для газа tа=1840ºС;
Для щепы tа=1402ºС.
Энтальпия продуктов сгорания за топкой при коэффициенте
сохранения тепла ц=0,98:
Для газа jзт= Qрр - Qт
/(цВ)=49750-29,15/(0,98·0,0143)=47670кДж/кг;
Для щепы jзт= Qрр - Qт
/(цВ)=10410-18,4/(0,98·0,0771)=10166кДж/кг.
Температуру за топкой определим по формулам (2) и (6)
соответственно для газа и щепы:
Для газа tзт=1759ºС;
Для щепы tзт=1257ºС.
2.8 Расчет конвективных пучков котла
Конвективные поверхности котла представляют два пучка
дымогарных труб с наружным диаметром dн=60 мм, толщиной стенки д=3,5
мм и длиной l=1650 мм. В первом нижнем пучке находятся Z1=52 трубы,
а во втором верхнем - Z2=48 труб.
Суммарная площадь конвективной поверхности первого пучка
составит:
1к=р(dн - д) l Z1= р
(0,06-0,0035) 1,65·52=15,23м2.
Суммарная площадь конвективной поверхности второго пучка
составит:
2к=р(dн - д) l Z2= р
(0,06-0,0035) 1,65·48=14,06м2.
Площадь живого сечения первого пучка составит:
fк1=0,25 р(dн - д)2 Z1=
р (0,06-0,0035) 2·52=0,521м2.
Площадь живого сечения второго пучка составит:
fк2=0,25 р(dн - д)2 Z2=
р (0,06-0,0035) 2·48=0,481м2.
Газовый объём конвективных пучков:
Первого: V1кп=l fк1=1,65·0,521=0,86м2;
Второго: V2кп=l fк2=1,65·0,481=0,79м2.
Расход продуктов сгорания газа на входе в конвективный первый
пучок:
Gпг1= Вр VГд (273 + tзт) Pt/[(273+20) P0]=1,86 кг/с.
Расход продуктов сгорания щепы на входе в конвективный первый
пучок:
Gпг1= Вр VГд (273 + tзт) Pt/[(273+20) P0]=2,22 кг/с.
Расчёт первого конвективного пучка
Принимаем температуру газов за первым пучком для газа:'з1к=800ºС и t"з1к=600ºС.
Принимаем температуру газов за первым пучком для щепы:'з1к=500ºС и t"з1к=400ºС.
Энтальпии продуктов сгорания газа при бт=1,15 за
первым пучком:
'з1к =56506,4 - 25,91·(2100 - t'з1к)=
22823кДж/кг;"з1к =56506,4 - 25,91·(2100 - t"з1к)=
17640кДж/кг.
Энтальпии продуктов сгорания щепы при бт=1,35 за
первым пучком:
'з1к =11747 - 6,51·(1500 - t'з1к)= 5237
кДж/кг;"з1к =11747 - 6,51·(1500 - t"з1к)=
4586кДж/кг.
Количество тепла отданного продуктами сгорания газа:
Q'з1к =ц(Jзт
- J'з1к) =24848кДж/кг;
Q"з1к =ц(Jзт
- J"з1к)= 30030кДж/кг.
Количество тепла отданного продуктами сгорания щепы:
Q'з1к =ц(Jзт
- J'з1к)=0,98 (10166-5888)=4192кДж/кг;
Q"з1к =ц(Jзт
- J"з1к)=0,98 (10166-5237)=4830кДж/кг
Температура воды в барабане принимаем tкв1=74,6ºС.
Температура продуктов сгорания на входе в конвективный первый
пучок для газа: tкп1 = tзт =1759ºС.
Температура продуктов сгорания на входе в конвективный первый
пучок для щепы: tкп1 = tзт =1257ºС.
В таблице 20. Представлены энтальпии продуктов сгорания для
газа и щепы.
Таблица 20. Энтальпии продуктов сгорания
|
Для газа
|
Для щипы
|
|
Дj, кДж/кг
|
T, ºС
|
J, кДж/кг
|
|
|
1759
|
47671,1
|
|
|
19665,7
|
1000
|
28005,4
|
Дj, кДж/кг
|
T, ºС
|
J, кДж/кг
|
|
22256,7
|
900
|
25414,4
|
|
1257
|
10165,07
|
|
24847,7
|
800
|
22823,4
|
3626,0
|
700
|
6539
|
|
27438,7
|
700
|
20232,4
|
4277,0
|
600
|
5888
|
|
30029,7
|
600
|
17641,4
|
4928,0
|
500
|
5237
|
|
32620,7
|
500
|
15050,4
|
5579,0
|
400
|
4586
|
|
35211,7
|
400
|
12459,4
|
6230,0
|
300
|
3935
|
|
37802,7
|
300
|
9868,4
|
6881,0
|
200
|
3284
|
|
40393,7
|
200
|
7277,4
|
7532,0
|
100
|
2633
|
|
42984,7
|
100
|
4686,4
|
|
|
|
Больший температурный напор для газа:
Дtб= tкп1 - tкв1=1759-74,6=1684ºС.
Больший температурный напор для щепы:
Дtб= tкп1 - tкв1=1257-74,6=1182ºС.
Меньший температурный напор для газа:
Дt'м= t'з1к - tкв1=800-74,6=725ºС;
Дt"м= t"з1к - tкв1=600-74,6=525ºС.
Меньший температурный напор для щепы:
Дt'м= t'з1к - tкв1=600-74,6=525ºС;
Дt"м= t"з1к - tкв1=500-74,6=425ºС.
Средний температурный напор для газа:
Дt'= (Дt'б - Дt'м)/[ln(Дt'б
/ Дt'б)] =(1684-725) / [ln (1684 / 725)] =1137ºС;
Дt»= (Дt"б - Дt"м)/[ln
(Дt"б / Дt"б)] =(1684-525) / [ln (1684 / 525)]
=1253ºС.
Средний температурный напор для щепы:
Дt'= (Дt'б - Дt'м)/[ln(Дt'б
/ Дt'б)] =(1182-525) / [ln (1182 / 525)] =809ºС;
Дt»= (Дt"б - Дt"м)/[ln
(Дt"б / Дt"б)] =(1182-425) / [ln (1182 / 425)]
=740ºС.
Для дальнейшего расчёта сравним параметры дымовых газов с параметрами
среднего состава, приведённые в таблице 21.
Таблица 21. Физические характеристики воздуха и дымовых газов
(среднего состава при rН2О=0,11 и rRО2=0,13)
|
t,°C
|
Воздух
|
Дымовые газы
среднего состава
|
|
н · 106 м/с
|
л · 102
Вт/(м·К)
|
Pr -
|
н · 106 м/с
|
л · 102
Вт/(м·К)
|
Pr -
|
|
0
|
13,6
|
2,42
|
0,70
|
11,9
|
2,27
|
0,74
|
|
100
|
23,5
|
3,18
|
0,69
|
20,8
|
3,12
|
0,70
|
|
200
|
35,3
|
3,89
|
0,69
|
31,6
|
4,00
|
0,67
|
|
300
|
48,9
|
4,47
|
0,69
|
43,9
|
4,82
|
0,65
|
|
400
|
63,8
|
5,03
|
0,70
|
57,8
|
5,68
|
0,64
|
|
500
|
73,2
|
5,60
|
0,70
|
73,0
|
6,54
|
0,62
|
|
600
|
98,0
|
6,14
|
0,71
|
89,4
|
7,40
|
0,61
|
|
700
|
116,0
|
6,65
|
0,71
|
107,0
|
8,25
|
0,60
|
|
800
|
136,0
|
7,12
|
0,72
|
126,0
|
9,13
|
0,59
|
|
900
|
157,0
|
7,59
|
0,72
|
146,0
|
9,99
|
0,58
|
|
1000
|
179,0
|
8,03
|
0,72
|
167,0
|
10,87
|
0,58
|
|
1100
|
202,0
|
8,44
|
0,72
|
188,0
|
11,72
|
0,57
|
|
1200
|
226,0
|
8,85
|
0,73
|
211,0
|
12,53
|
0,56
|
|
1300
|
247,0
|
9,24
|
0,73
|
234,0
|
13,46
|
0,55
|
|
1400
|
277,0
|
9,63
|
0,73
|
258,0
|
14,38
|
0,54
|
|
1500
|
300,0
|
10,00
|
0,73
|
282,0
|
15,31
|
0,53
|
|
1600
|
331,0
|
10,36
|
0,74
|
307,0
|
16,24
|
0,52
|
|
1700
|
355,0
|
10,72
|
0,74
|
333,0
|
17,28
|
0,51
|
|
1800
|
390,0
|
11,08
|
0,74
|
361,0
|
18,10
|
0,50
|
|
1900
|
415,0
|
11,43
|
0,74
|
389,0
|
18,91
|
0,49
|
|
2000
|
445,0
|
11,83
|
419,0
|
19,84
|
0,49
|
|
2100
|
478,0
|
12,06
|
0,75
|
450,0
|
20,65
|
0,48
|
|
2200
|
511,0
|
12,41
|
0,75
|
482,0
|
21,58
|
0,47
|
Зная расчетную температуру потока газов, из табл. 21 определяют
физические характеристики продуктов сгорания среднего состава (
и
): коэффициент кинематической вязкости
, м2/с; коэффициент
теплопроводности
, Вт/(м·К); критерий Прандтля
.
Если состав газов отличается от среднего, то для определения
их физических характеристик вводятся поправочные множители, соответственно, Mн, Mл, MPr, которые определяются по
рис. 10. а, б, в.
Рис. 10. а. Поправки для пересчета физических характеристик
дымовых газов среднего состава на заданный Мн
Рис. 10. б. Поправки для пересчета физических характеристик
дымовых газов среднего состава на заданный Мл
Рис. 10. в. Поправки для пересчета физических характеристик
дымовых газов среднего состава на заданный МРr
У нас в продуктах сгорания:
Для газа rН2О=0,183 и rRО2=0,0875;
Для щепы rН2О=0,26 и rRО2=0,0837.
Поправочные коэффициенты Мн:
Для газа:
Для температуры 1759ºС Мн =1,04;
Для температуры 1000ºС Мн =1,03;
Для температуры 800ºС Мн =1,02;
Для температуры 200ºС Мн =0,98.
Для щепы:
Для температуры 1257ºС Мн =1,04;
Для температуры 600ºС Мн =1,03;
Для температуры 500ºС Мн =1,02;
Для температуры 200ºС Мн =0,98.
Поправочные коэффициенты Мл:
Для газа:
Для температуры 1759ºС Мл =1,05;
Для температуры 1000ºС Мл =1,03;
Для температуры 800ºС Мл =1,02;
Для температуры 200ºС Мл =1,0.
Для щепы:
Для температуры 1257ºС Мл =1,07;
Для температуры 600ºС Мл =1,06;
Для температуры 500ºС Мл =1,05;
Для температуры 200ºС Мл =1,04.
Для газа при температуре (200…1800) ºС МРr=1,03.
Для щепы при температуре (200…1300) ºС МРr=1,08.
И тогда физические характеристики дымовых газов расчётного
состава приводим в таблице 22.
Таблице 22. Приведённые физические характеристики дымовых
газов расчётного состава
|
Для газа
|
Для щепы
|
|
t, °C
|
Мн
|
Н 106 м/с
|
Мл
|
л · 102
Вт/(м·К)
|
Pr - МРr=1,03
|
t, °C
|
Мн
|
н · 106 м/с
|
Мл
|
л · 102
Вт/(м·К)
|
Pr-МРr=1,08
|
|
200
|
1,04
|
32,86
|
1,05
|
4,20
|
0,69
|
200
|
1,04
|
32,86
|
1,07
|
4,28
|
0,72
|
|
800
|
1,03
|
129,78
|
1,03
|
9,40
|
0,61
|
500
|
1,03
|
75,19
|
1,05
|
6,87
|
0,67
|
|
1000
|
1,02
|
170,34
|
1,02
|
11,09
|
0,60
|
600
|
1,02
|
91,19
|
1,05
|
7,77
|
0,66
|
|
1759
|
0,98
|
353,78
|
1,0
|
18,10
|
0,52
|
1257
|
0,98
|
206,78
|
1,04
|
13,03
|
0,60
|
Расчетная скорость дымовых газов на входе в первый пучок
находится по формуле:
г1=ВрVгд(tкп1+273) (273 fк1)-1,
м/с:
|
Для газа
|
Для щепы
|
|
3,19
|
3,94
|
Расчетная скорость дымовых газов на выходе из ппервого пучка
находится по формуле для двух расчётных температур:
'г=ВрVгд(t'зкп1+273)
(273 fк1)-1, м/с;"г=ВрVгд(t"зкп1+273)
(273 fк1)-1, м/с
|
Для газа
|
Для щепы
|
|
w'г
|
1,68
|
2,25
|
|
w"г
|
1,37
|
1,99
|
Средняя скорость потока:
'гср=0,5 (wг1+ w'г)
м/с."г ср=0,5 (wг1+ w"г) м/с.
|
Для газа
|
Для щепы
|
|
w'гср
|
2,44
|
3,09
|
|
w"г
ср
|
2,28
|
2,96
|
Коэффициент теплоотдачи конвекцией от дымовых газов стенкам
поверхностей нагрева:
б'к=0,023лd-1(w'гср d/н)0,8Рr0,4Сt'СlСk
Вт/м2К;
б «к=0,023лd-1(w»гср d/н)0,8Рr0,4Сt"СlСk
Вт/м2К,
|
Для газа
|
Для щепы
|
|
б'к
|
4,91
|
15,15
|
|
б «к
|
5,29
|
16,25
|
где d=0,053 м - эквивалентный (внутренний) диаметр трубы;
Сt'=(Тг/Тст)0,5=[0,5
(tкп1+273+ t'кп1+273)/(tпв +273)]0,5=1,2
и
Сt»=(Тг/Тст)0,5=[0,5
(tкп1+273+ t"кп1+273)/(tпв +273)]0,5=1,14
- поправка, зависящая от температуры потока и стенки;
|
Для газа
|
Для щепы
|
|
Сt'
|
3,96
|
3,37
|
|
Сt»
|
3,84
|
3,30
|
Сl=1,05 - поправка на относительную длину, она
вводится в случае прямого входа в трубу без закругления при значении l/d<50
(в нашем случае среднее отношение l/d=38); поправку определяем по рис. 11.
Сk=1 - поправка вводится только при течении в
кольцевых каналах с односторонним обогревом (внутренней или наружной
поверхности).
Рис. 11 К определению поправки на относительную длину трубы
Степень черноты газового потока:
а'=1-е-kрs;
|
Для газа
|
Для щепы
|
|
а'
|
0,264
|
0,322
|
|
а»
|
0,286
|
0,351
|
а»=1-е-kрs,
где kГ рs= - суммарная оптическая толщина
продуктов сгорания;' = Коэффициент поглощения лучей газовой фазой (трёхатомными
газами - RО2 и Н2О):
kг= k rп=[(7,8+16 rН2О)/(10 р rп S)0,5 -1]
(1-0,37Тзт/1000) rп1/(м·МПа);
р=0,11 - давление в газоходе, МПа;
=3,6Vк1/Fстк1 =3,6·0,86/15,22=0,173 м
эффективная толщина излучающего слоя, м.к1=0,86м3
- объём газового пространства пучка;стк1 =51,23м2 -
площадь поверхности нагрева.
Для нашего лучая рп s=0,027·0,173=0,005МПа м, rН2О=0,183
для газа и рп s=0,0354·0,173=0,006МПа м rН2О=0,26 - для
щепы. Средняя температура потока для газа t'1кср =1380ºС и t»1кср=1280ºС, для щепы t'1кср
=930ºС и t»1кср=880ºС.
Тогда для газа к'г=17,7 (МПа)-1и
к"г=19,5 (МПа)-1, для щепы к'г=22,5 (МПа)-1и
к"г=25 (МПа)-1
Температура загрязненной стенки труб:
Тст =t+ Дtз =74,6+25+273=373°С.
При сжигании газа и щепы для всех поверхностей Дtз
= 25°С.
Коэффициент теплоотдачи излучением при сжигании газа и
мазута:
б'л = 5,67·10-8·0,5 (б3+1)
а' Т'Г 3[1 - (Тз/Т'Г)3,6]/(1
- Тз/Т'Г) Вт/(м2·К);
б «л = 5,67·10-8·0,5 (б3+1)
а» Т"Г 3[1 - (Тз/Т"Г)3,6]/(1
- Тз/Т"Г) Вт/(м2·К),
где 5,67·10-8 - коэффициент излучения абсолютно
черного тела, Вт/(м2·К4); aз - степень черноты
загрязненных стенок лучевоспринимающих поверхностей; для поверхностей нагрева
котлов б3 = 0,8.
|
Для газа
|
Для щепы
|
|
б'л
|
19,6
|
16,3
|
|
б «л
|
21,2
|
17,1
|
Суммарный коэффициент теплоотдачи от продуктов сгорания
стенкам труб поверхности нагрева:
б'1=о(б'к+ б'л) Вт/(м2·К);
б «1=о (б «к+ б «л) Вт/(м2·К),
|
Для газаДля
щепы
|
|
|
|
б'1
|
24,55
|
31,45
|
|
б «1
|
26,45
|
33,35
|
где о - коэффициент использования поверхности нагрева,
учитывающий уменьшение тепловосприятия поверхности нагрева вследствие
неравномерного омывания её продуктами сгорания, частичного протекания продуктов
сгорания мимо неё и образования застойных зон.
Для поперечно омываемых пучков труб принимается о = 1, для
сложно омываемых пучков - о = 0,95.
Для гладкотрубных экономайзеров и испарительных поверхностей
тепловым сопротивлением со стороны нагреваемого теплоносителя пренебрегают, и
коэффициент теплопередачи определяется по формуле:
'= ш б'1 Вт/(м2·К);»= ш б «1
Вт/(м2·К).
|
Для газа
|
Для щепы
|
|
k'
|
23,30
|
30,20
|
|
k»
|
25,20
|
32,10
|
Значения коэффициента ш =0,8 при сжигании
газового топлива и древесных отходов.
Величина тепловосприятия поверхности нагрева, отнесенного к
(1 м3) топлива:
'к1= k'Fк1 10-3Дt'/Вр,
кДж/кг;"к1= k"Fк1 10-3Дt»/Вр,
кДж/кг.
|
Для газаДля
щепы
|
|
|
|
Q'к1
|
28215,01
|
4826,15
|
|
Q"к1
|
33629,12
|
4692,26
|
При помощи графического построения определяем температуру за
первым конвективным пучком на рис. 12 и 13.
Температура за пучком для газа составляет tз1к=634ºС.
Энтальпии продуктов сгорания газа при бт=1,15 за
первым пучком:з1к =56506,4 - 25,91·(2100 - tз1к)=
18522,3кДж/кг.
Температура за пучком для щепы составляет tзкп1=436ºС.
Энтальпии продуктов сгорания щепы при бт=1,35 за
первым пучком:з1к =11747 - 6,51·(1500 - tз1к)=
4820,36кДж/кг.
Тепловыделение в пучке (удельное):
к1у= (Iзт - Iзкп1)цк1 кДж/кг
|
Для газа
|
Для щепы
|
|
Qк1у
|
28564,7
|
5238,7
|
|
Iзкп1
|
18522,34
|
4820,36
|
|
tзкп1
|
634
|
436
|
Тепловое выделение в первом пучке (действительное
абсолютное):
к1а= Qту Вк кВт.
|
Для газа
|
Для щепы
|
|
Qк1а
|
408,5
|
403,9
|
Рисунок 12. Графическое нахождение параметров продуктов
сгорания газа за первым конвективным пучком
Рисунок 13. Графическое нахождение параметров продуктов
сгорания щепы за первым конвективным пучком
Расчёт второго конвективного пучка
Из расчёта первого пучка берём температуру и энтальпию перед
вторым пучком:
|
Для газа
|
Для щепы
|
|
Iзкп1
|
18522,34
|
4820,36
|
|
tзкп1
|
634
|
436
|
Принимаем температуру газов за вторым пучком для газа:'з2к=200ºС и t"з2к=100ºС.
Принимаем температуру газов за первым пучком для щепы:'з2к=200ºС и t"з2к=100ºС.
Энтальпии продуктов сгорания J'з2к и J"з1к
для газа при бт=1,15 за вторым пучком и для щепы при бт=1,35:
|
Для газа
|
Для щепы
|
|
J'з2к
|
7277,4
|
3284
|
|
J"з1к
|
4686,4
|
2633
|
Количество тепла отданного продуктами сгорания газа и щепы:
Q'з2к =ц(Jз1к
- J'з2к) кДж/кг;
Q"з2к =ц(Jз1к
- J"з2к) кДж/кг.
|
Для газаДля
щепы
|
|
|
|
Q'з2к
|
11020,0
|
1505,6
|
|
Q"з2к
|
13559,2
|
2143,6
|
Температура воды в барабане принимаем tкв1=74,6ºС.
Больший температурный напор для газа:
Дtб= tкп2 - tкв1=634-74,6=560ºС.
Больший температурный напор для щепы:
Дtб= tкп2 - tкв1=436-74,6=361ºС.
Меньший температурный напор для газа и щепы будут
одинаковыми:
Дt'м= t'з2к - tкв1=200-74,6=125ºС;
Дt"м= t"з2к - tкв1=100-74,6=25ºС.
Средний температурный напор для газа:
Дt'= (Дt'б - Дt'м)/[ln(Дt'б
/ Дt'б)] =(560-125) / [ln (560 / 125)] =290ºС;
Дt»= (Дt"б - Дt"м)/[ln
(Дt"б / Дt"б)] =(560-25) / [ln (560 / 25)] =172ºС.
Средний температурный напор для щепы:
Дt'= (Дt'б - Дt'м)/[ln(Дt'б
/ Дt'б)] =(361-125) / [ln (361 / 125)] =222ºС;
Дt»= (Дt"б - Дt"м)/[ln
(Дt"б / Дt"б)] =(361-25) / [ln (361 / 25)] =132ºС.
Для дальнейшего расчёта сравним параметры дымовых газов с
параметрами среднего состава, приведённые в таблице 21.
Расчетная скорость дымовых газов на входе во второй пучок
находится по формуле:
г2=ВрVгд(tкп1+273) (273 fк2)-1,
м/с:
|
Для газа
|
Для щепы
|
|
1,54
|
1,98
|
Расчетная скорость дымовых газов на выходе из поворотного
пучка находится по формуле для двух расчётных температур:
'г=ВрVгд(t'зкп1+273)
(273 fк1=2)-1, м/с;"г=ВрVгд(t"зкп1+273)
(273 fк2)-1, м/с
|
Для газа
|
Для щепы
|
|
w'г
|
0,80
|
1,32
|
|
w"г
|
0,63
|
1,04
|
Средняя скорость потока:
'гср=0,5 (wг1+ w'г)
м/с."г ср=0,5 (wг1+ w"г) м/с.
|
Для газа
|
Для щепы
|
|
w'гср
|
1,17
|
1,65
|
|
w"г ср
|
1,09
|
1,51
|
Коэффициент теплоотдачи конвекцией от дымовых газов стенкам
поверхностей нагрева:
б'к=0,023лd-1(w'гср d/н)0,8Рr0,4Сt'СlСk
Вт/м2К;
б «к=0,023лd-1(w»гср d/н)0,8Рr0,4Сt"СlСk
Вт/м2К,
|
Для газа
|
Для щепы
|
|
б'к
|
18,43
|
42,02
|
|
б «к
|
12,76
|
29,08
|
где d=0,053 м - эквивалентный (внутренний) диаметр трубы;
Сt'=(Тг/Тст)0,5=[0,5
(tкп1+273+ t'кп1+273)/(tпв +273)]0,5=1,2
и
Сt»=(Тг/Тст)0,5=[0,5
(tкп1+273+ t"кп1+273)/(tпв +273)]0,5=1,14
- поправка, зависящая от температуры потока и стенки;
Для щепы
|
|
Сt'
|
2,56
|
2,37
|
|
Сt»
|
2,46
|
2,26
|
Сl=1,05 - поправка на относительную длину, она
вводится в случае прямого входа в трубу без закругления при значении l/d<50
(в нашем случае среднее отношение l/d=38); поправку определяем по рис. 11.
Сk=1 - поправка вводится только при течении в
кольцевых каналах с односторонним обогревом (внутренней или наружной
поверхности).
Рис. 11 К определению поправки на относительную длину трубы
Степень черноты газового потока:
а'=1-е-kрs;
|
Для газа
|
Для щепы
|
|
а'
|
0,473
|
0,523
|
|
а»
|
0,483
|
0,532
|
а»=1-е-kрs,
где kГ рs= - суммарная оптическая толщина
продуктов сгорания;' = Коэффициент поглощения лучей газовой фазой (трёхатомными
газами - RО2 и Н2О):
kг= k rп=[(7,8+16 rН2О)/(10 р rп S)0,5 -1]
(1-0,37Тзт/1000) rп1/(м·МПа);
р=0,11 - давление в газоходе, МПа;
=3,6Vк1/Fстк1 =3,6·0,79/14,06=0,2 м - -
эффективная толщина излучающего слоя, м.
к1=0,79м3 - объём газового пространства
пучка;стк1 =14,06м2 - площадь поверхности нагрева.
Для нашего случая рп s=0,027·0,173=0,005МПа м, rН2О=0,183
для газа и рпs=0,0354·0,173=0,006МПа м, rН2О=0,26 - для
щепы. Средняя температура потока для газа ºС:
|
Для газа
|
Для щепы
|
|
Тср'
|
417
|
318
|
|
Тср»
|
365
|
268
|
Тогда для газа к'г=32 (МПа)-1и к"г=33
(МПа)-1, для щепы к'г=37 (МПа)-1и к"г=38
(МПа)-1
Температура загрязненной стенки труб:
Тст =t+ Дtз =74,6+25+273=373°С.
При сжигании газа и щепы для всех поверхностей Дtз
= 25°С.
Коэффициент теплоотдачи излучением при сжигании газа и
мазута:
б'л = 5,67·10-8·0,5 (б3+1)
а' Т'Г 3[1 - (Тз/Т'Г)3,6]/(1
- Тз/Т'Г) Вт/(м2·К);
б «л = 5,67·10-8·0,5 (б3+1)
а» Т"Г 3[1 - (Тз/Т"Г)3,6]/(1
- Тз/Т"Г) Вт/(м2·К),
где 5,67·10-8 - коэффициент излучения абсолютно
черного тела, Вт/(м2·К4); aз - степень черноты
загрязненных стенок лучевоспринимающих поверхностей; для поверхностей нагрева
котлов б3 = 0,8.
|
Для газа
|
Для щепы
|
|
б'л
|
5,481
|
3,849
|
|
б «л
|
4,441
|
3,053
|
Суммарный коэффициент теплоотдачи от продуктов сгорания
стенкам труб поверхности нагрева:
б'1=о(б'к+ б'л) Вт/(м2·К);
б «1=о (б «к+ б «л) Вт/(м2·К),
|
Для газа
|
Для щепы
|
|
б'1
|
16,19
|
61,99
|
|
б «1
|
13,56
|
43,29
|
где о - коэффициент использования поверхности нагрева,
учитывающий уменьшение тепловосприятия поверхности нагрева вследствие
неравномерного омывания её продуктами сгорания, частичного протекания продуктов
сгорания мимо неё и образования застойных зон.
Для поперечно омываемых пучков труб принимается о = 1, для
сложно омываемых пучков - о = 0,95.
Для гладкотрубных экономайзеров и испарительных поверхностей
тепловым сопротивлением со стороны нагреваемого теплоносителя пренебрегают, и
коэффициент теплопередачи определяется по формуле:
'= ш б'1 Вт/(м2·К);»= ш б «1
Вт/(м2·К).
|
Для газа
|
Для щепы
|
|
k'
|
18,51
|
50,32
|
|
k»
|
14,50
|
35,12
|
Значения коэффициента ш =8 при сжигании
газового топлива и древесных отходов.
Величина тепловосприятия поверхности нагрева, отнесенного к
(1 кг) топлива:
'к1= k'Fк1 10-3Дt'/Вр,
кДж/кг;"к1= k"Fк1 10-3Дt»/Вр,
кДж/кг.
|
Для газаДля
щепы
|
|
|
|
Q'к1
|
11090,20
|
3823,10
|
|
Q"к1
|
9286,99
|
2670,06
|
При помощи графического построения определяем температуру за
вторым конвективным пучком на рис. 14 и 15.
Температура за пучком для газа составляет tз1к=172ºС.
Энтальпии продуктов сгорания газа при бт=1,15 за
вторым пучком:з1к =56506,4 - 25,91·(2100 - tз1к)=6552кДж/кг.
Температура за пучком для щепы составляет tзкп1=172ºС.
Энтальпии продуктов сгорания щепы при бт=1,35 за
первым пучком:
з1к =11747 - 6,51·(1500 - tз1к)=3103кДж/кг.
Тепловое выделение во втором пучке (действительное
абсолютное):
к2а= Qту Вк кВт.
|
Для газа
|
Для щепы
|
|
Qк2а
|
173,5
|
194,1
|
Рисунок 14. Графическое нахождение параметров продуктов
сгорания газа за вторым конвективным пучком
Рисунок 15. Графическое нахождение параметров продуктов
сгорания щепы за вторым конвективным пучком
2.9 Расчёт воздухоподогревателя
В современных паровых и водогрейных котлах, особенно при
сжигании влажных топлив, широко применяются воздухоподогреватели. Подача
горячего воздуха в топку котлоагрегата ускоряет воспламенение топлива и интенсифицирует
процесс его горения, уменьшая потери теплоты от химической и механической
неполноты горения. Установка воздухоподогревателя позволяет также снизить
температуру уходящих газов, что особенно существенно при предварительном
подогреве питательной воды, поступающей в водяной экономайзер.
В пылеугольных топках горячий воздух используется для сушки
топлива в процессе его размола и для транспортировки готовой пыли. В то же
время установка воздухоподогревателя требует дополнительных капитальных затрат,
увеличивает габариты котлоагрегата и сопротивление газового и воздушного
тракта.
Температура подогрева воздуха выбирается в зависимости от
способа сжигания и вида топлива. При сжигании каменных углей и антрацитов в
слоевых топках температура подогрева воздуха не должна превышать 200°С, а для
бурых углей необходим подогрев до 150-250°С
Продукты сгорания, поступающие в воздухоподогреватель,
охлаждаются в нем медленнее, чем нагревается воздух. Так, в среднем при
охлаждении продуктов сгорания на 1°К воздух нагревается на 1,15-1,45°К. Это
обусловлено тем, что количество продуктов сгорания и их теплоемкость больше,
чем у нагреваемого воздуха, и для достижения высокого подогрева воздуха при
одноступенчатом подогреве потребовалась бы поверхность нагрева воздухоподогревателя
весьма больших размеров. Поэтому при необходимости высокого подогрева в
современных котлоагрегатах применяют двухступенчатый подогрев, размещая
воздухоподогреватель в рассечку с водяным экономайзером.
За котлом установлен воздухоподогреватель прямого действия с
использованием тепловой энергии уходящих газов.
Характеристики подогревателя:
Площадь поверхности нагрева: 3,95м2;.
Температура воздуха на выходе: 40 - 70°С.
При поверочном расчете существующего воздухоподогревателя
перечисленные характеристики и его поверхность нагрева определяются из
чертежей.
Расчет воздухоподогревателей производится в такой
последовательности:
. Определяем минимальный температурный напор на горячем конце
воздухоподогревателя (°С)
Дtгор = ы'вп - tгв =172-60=112°С,
где ы'вп =172°С - температура продуктов сгорания
на входе в воздухоподогреватель, известна из расчета предыдущей поверхности
нагрева;гв = 60°С - температура горячего воздуха, принята при
составлении уравнения теплового баланса котлоагрегата,°С.
Дtгор >(25-30)°С, это говорит о правильном
выборе параметров.
. Определяем тепловосприятие воздуха в воздухоподогревателе
(кДж/кг или кДж/м3)
Qвп = (бг.в + Дбвп/2) (I0г.в - I0вп),
где бг.в-отношение количества горячего воздуха к
теоретически необходимому,
бг.в = бт - Дбт - Дбпл,
для работе на газе бг.в =1,1, а на щепе бг.в =1,3;
бт, Дбвп, Дбпл - присосы воздуха в
топку, воздухоподогреватель и системы топливоприготовления (определяются из
табл. 10);
I0г.в и I0вп - энтальпия теоретического
количества воздуха на входе в воздухоподогреватель и на выходе из него,
определяется из табл. 18 для соответствующих температур, принятых при
составлении уравнения теплового баланса котла.
|
|
|
Для газа
|
Для щепы
|
|
Iхв
|
кДж/кг
|
1,016 V0
б схв tхв V0 из
табл. 16
|
470
|
123
|
|
Iгв
|
кДж/кг
|
1,016 V0
б сгв tгв V0
из табл. 16
|
1527
|
296
|
|
Qвн
|
кДж/кг
|
Iгв - Iхв
|
10570
|
173
|
. Из уравнения теплового баланса определяем энтальпию
продуктов сгорания после воздухоподогревателя (кДж/кг):
I"вп = I'вп-Qвп/ц+ДбвпI0в.
Полученное значение I"вп сравнивается с предварительно принятым при
составлении теплового баланса значением энтальпии уходящих газов. Если
расхождение не превысит 0,5% располагаемой теплоты Qpр,
то расчет выполнен правильно.
|
Для газа
|
Для щепы
|
|
I'вп
|
6552,0
|
3102
|
|
I"вп
|
5473,4
|
2925,5
|
|
t"вп, ºС
|
131
|
145
|
. В зависимости от взаимного движения воздуха и продуктов
сгорания определяем температурный напор в воздухоподогревателе. При прямотоке и
противотоке температурный напор определяем по уравнению:
Дtпрт=(Дtб-Дtм) / [2,3lg(Дtб/Дtм)],
Дtпрт=109,5ºС для газа, Дtпрт=119
- ºС - для щепы.
где для газа Дtб =113ºС и Дtм = 106ºС - большая и меньшая
разности температуры продуктов сгорания и температуры нагреваемого воздуха;
для щепы Дtб =125ºС и Дtм = 113ºС - большая и меньшая разности температуры продуктов сгорания и температуры
нагреваемого воздуха;
. Определяем скорость воздуха в воздухоподогревателе
(м/с):В= Вр бг.в V0 (tвср
+273)/(F 273),
где для газа V0 =12,77м3/кг и для щепы
V0 =2,82 теоретическое количество воздуха, необходимое для горения,
берется из проведённого ранее расчёта в табл. 18;
бг.в-отношение количества горячего воздуха к
теоретически необходимому, определена ранее;=82,5 - среднеарифметическая
температура воздуха на входе и выходе из воздухоподогревателя,°С;=0,047м2
- площадь поперечного сечения для прохода воздуха.
|
Для газа
|
Для щепы
|
|
wВ
|
5,57
|
7,83
|
|
Вр
|
0,0143
|
0,0771
|
|
бг.в
|
1,1
|
1,3
|
|
tвср
|
82,5
|
82,5
|
|
F
|
0,047
|
0,047
|
|
V0
|
12,77
|
2,82
|
. Определяем коэффициент теплоотдачи конвекцией от продуктов
сгорания к поверхности нагрева:
при продольном омывании
бк = бн сф сl, (6.11)
[32]
где для газа бн =13,5Вт/м2К и для щепы
бн =18,8Вт/м2К - коэффициент теплоотдачи, определяемый по
номограмме при продольном омывании - по рис. 12 [32];
сф =1,4 для газа и щепы - коэффициент, учитывающий
влияние изменения физических параметров потока, определяется: при продольном
омывании труб - по рис. 12 [32];
сl =1,1 - поправка на относительную длину,
вводится при l/d =24<50 в случае прямого входа в трубу, без закругления; при
продольном омывании продуктами сгорания поправка вводится для котельных пучков
и не вводится для ширм (см. рис. 12) [32].
|
Для газа
|
Для щепы
|
|
бк
|
20,79
|
28,95
|
|
бн
|
13,5
|
18,8
|
|
сф
|
1,40
|
1,4
|
|
сl
|
1,1
|
1,1
|
. Определяем суммарный коэффициент теплоотдачи от продуктов
сгорания к поверхности нагрева, Вт/(м2·К),
б1= о (бк + бл),
где бл =0 - коэффициент теплоотдачи излучением,
для трубчатых воздухоподогревателей первой ступени (по ходу воздуха)
принимается бл=0;
о - коэффициент использования, при сжигании АШ, фрезерного
торфа, мазута и древесного топлива принимается равным 0,8, а для всех остальных
топлив - равным 0,85.
|
Для газа
|
Для щепы
|
|
б1
|
17,67
|
23,16
|
|
о
|
0,85
|
0,8
|
. Определяем коэффициент теплоотдачи от стенки
поверхности нагрева к воздуху, Вт/(м2·К). При продольном омывании:
б2 = бн сф сl,
где газа бн =13,5Вт/м2К и для щепы бн
=18,8Вт/м2К - коэффициент теплоотдачи по номограмме.
|
Для газа
|
Для щепы
|
|
б2
|
20,79
|
28,95
|
|
бн
|
13,5
|
18,8
|
|
сф
|
1,40
|
1,4
|
|
сl
|
1,1
|
1,1
|
. Определяем коэффициент теплопередачи, Вт/(м2·К):
К= об1б2 /(б1+ б2),
|
Для газаДля
щепы
|
|
|
|
К
|
8,84
|
11,58
|
. При поверочном расчете (поверхность нагрева
воздухоподогревателя известна) из уравнения теплопередачи определяем теплоту,
воспринятая воздухом (кДж/кг),
ВП =КНВП Дt/(103 Вр).
|
Для газа
|
Для щепы
|
|
QВП
|
267,25
|
70,60
|
|
НВП
|
3,95
|
3,95
|
|
Дt
|
109,5
|
119
|
|
Вр
|
0,0143
|
0,0771
|
По значению QВП определяется энтальпия горячего
воздуха после воздухоподогревателя (кДж/кг):
I0Г.В= [QВП /(бг.в +Дбвп/2)] + I0ВП.
|
Для газа
|
Для щепы
|
|
I0Г.В
|
713,0
|
177,3
|
|
бг.в
|
1,1
|
1,3
|
По величине I0Г.В в из табл. 16 определяется температура горячего
воздуха после воздухоподогревателя tг.в.г.в.=29ºС - для газа и tг.в.=52,5ºС - для щепы.
. Из уравнения теплового баланса определяем энтальпию
продуктов сгорания выходящих газов после воздухоподогревателя (кДж/кг):
I"вп = I'вп-Qвп/ц+ДбвпI0в.
|
I'вп
|
6552
|
3102
|
|
I"вп
|
6279,3
|
3030,0
|
|
t"вп,
ºС
|
161
|
161
|
2.10 Окончательный тепловой
баланс котла
Окончательный тепловой баланс котла работающего на газа и на
древесных отходах составляем для дальней шей оценки эффективности применения
конденсационного утилизатора уходящих газов.
Окончательный тепловой баланс котла составляется после
выполнения теплового расчёта. Целью теплового баланса является определение
полученной производительности, коэффициента полезного действия по прямому и
обратному балансам и невязки баланса.
При определении достигнутой полученной производительности
котла учитывается тепло, воспринятое всеми поверхностями, в нашем случае:
лучевоспринимающей поверхностью Qл,
конвективными поверхностями УQк,
Подогрев воздуха в конвективных поверхностях воздухоподогревателя
QВП напрямую в балансе не учитывается. В нашем случае это 0,6% от
располагаемой теплоты.
Искомая производительность котла будет равна:
=(Qл + УQк)/(iв1 - iпв),
кг/с.
Коэффициент полезного действия находим, как отношение
теплоты, переданное газами во всех поверхностях нагрева (кроме газового
воздухоподогревателя) к подведённой теплоте:
зк=100 (Qл + УQк)/(ВQPp),
%.
Невязка баланса определяется по формуле:
в тепловых единицах
ДQ = QPpзк - (Qл
+ УQk) (1 - q4/100), кВт
в процентах
дQ = 100ДQ/QPp, %
Тепловой баланс котла работающего на газа и на древесных
отходах сводим в таблицу 23.
Таблица 23. Таблица для проведения расчёта баланса котла
|
№ п/п
|
Наименование
величины
|
Обозначение
|
Единица
измерения.
|
Результат
|
|
|
|
|
Для газа
|
Для щепы
|
|
1
|
Располагаемая
теплота топлива
|
QPp
|
кДж/кг
|
48,75
|
9,71
|
|
2
|
Расход топлива
|
В
|
кг/с
|
0,0143
|
0,0771
|
|
3
|
Количество
тепла, переданное в топке
|
Qл
|
кВт
|
29,15
|
18,14
|
|
4
|
Количество
тепла, переданное в конвективном пучке
|
УQк
|
кВт
|
589
|
578
|
|
5
|
Энтальпия
питательной воды
|
iпв
|
кДж/кг
|
251
|
251
|
|
6
|
Энтальпия воды
за котлом
|
iгв
|
кДж/кг
|
313
|
313
|
|
7
|
Полная
теплопроизводительность котла
|
Q'ВК
|
кВТ
|
620
|
620
|
|
9
|
Полученная
теплопроизводительность котла
|
QВК
|
кВт
|
618
|
596
|
|
10
|
Коэффициент
полезного действия
|
%
|
88,6
|
79,6
|
|
11
|
Невязка баланса
|
ДQ
|
кДж/кг
|
2
|
24
|
|
|
дQ
|
%
|
0,32
|
4,03
|
|
12
|
Энтальпия
уходящих газов
|
Iуг
|
кДж/кг кДж/м3
|
6279,3
|
3030,0
|
|
13
|
Температура
уходящих газов
|
tуг
|
°С
|
161
|
161
|
3. Выбор и проверочный расчет конденсационного
утилизатора тепла продуктов сгорания
3.1 Выбор варианта утилизации тепла продуктов
сгорания
Для обеспечения утилизации скрытой теплоты парообразования
водяных паров из продуктов сгорания необходимо найти потребителя теплоты с
начальной температурой не превышающей точку росы продуктов сгорания более 20ºС. Для этого можно использовать часть сетевой воды из обратного
трубопровода (см. рис. 3.1.), но при этом её необходимо до этого охладить до
нужной температуры, подогревая воздух подаваемый в топку котла. Для нашего
случая этот вариант не подходит из-за сложности переоборудования.
Так же можно использовать всю сетевую воду или её часть при
двухступенчатым подогревом воды идущей на ГВС (см. рис. 3.2.). При этом
необходимо определить оптимальный расход сетевой воды через подогреватель
первой ступени, обеспечивающий требуемую температуру на входе в утилизатор.
Рис. 3.1. Схема теплоснабжения двухтрубная закрытая от
парового котла с выработкой горячей воды для ГВС у потребителя в ЦТП и
подогревом воздуха, идущего в топку: 1 - котёл; 2 - сетевой пароводяной подогреватель
(или водогрейный котёл); 3 - конденсационный утилизатор КУ; 4 - аппаратура
фильтрации, водоумягчения и деаэрации; 5 - питательный насос; 6 - сетевой
насос; 7 - конденсационный горшок; 8 - контур отопления; 9 - контур ГВС: 10 -
догреватель ГВС; 11 - циркуляционный насос ГВС; 12 - воздушный калорифер; 13 -
регулировочный клапан.
Рис. 3.2. Схема теплоснабжения двухтрубная закрытая от
парового котла с выработкой горячей воды для ГВС у потребителя в ЦТП: 1 - котёл;
2 - сетевой пароводяной подогреватель (или водогрейный котёл); 3 -
конденсационный утилизатор КУ; 4 - аппаратура фильтрации, водоумягчения и
деаэрации; 5 - питательный насос; 6 - сетевой насос; 7 - конденсационный
горшок; 8 - контур отопления; 9 - контур ГВС: 10 - подогреватель первой ступени
ГВС; 11 - подогреватель второй ступени ГВС.
Для работы утилизатора можно использовать холодную воду,
идущую на ГВС, например как на рисунке 3.3. Такая схема пригодна только для
открытых систем, что для нашего случая не подходит, так как требования
изготовителей котла запрещают его использовать в открытых системах.
Рис. 3.3. Схема теплоснабжения двухтрубная открытая от
парового котла с выработкой горячей воды для ГВС: 1 - котёл; 2 - сетевой
пароводяной подогреватель (или водогрейный котёл); 3 - конденсационный
утилизатор КУ; 4 - аппаратура фильтрации, водоумягчения и деаэрации; 5 -
питательный насос; 6 - сетевой насос; 7 - конденсационный горшок; 8 - контур
отопления; 9 - контур ГВС.
Для закрытых систем может быть использована схема рисунка
3.4. У неё недостаток в том, что она требует автоматизации или защиты
утилизатора при остановке расхода ГВС. Это требует или установки аккумулирующих
баков или сложную автоматику переключения потоков газа.
Рис. 3.4. Схема теплоснабжения четырёхтрубная закрытая от
парового котла с выработкой горячей воды для ГВС: 1 - котёл; 2 - сетевой
пароводяной подогреватель (или водогрейный котёл); 3 - конденсационный утилизатор
КУ; 4 - аппаратура фильтрации, водоумягчения и деаэрации; 5 - питательный
насос; 6 - сетевой насос; 7 - конденсационный горшок; 8 - контур отопления; 9 -
контур ГВС: 10 - догреватель ГВС; 11 - циркуляционный насос ГВС
Для нашего случая оптимальным является вариант представленный
на рис. 3.2. При этом необходимо произвести оценку возможных изменений
температуры сетевой воды за подогревателем первой ступени и если она не
обеспечивает требования для работы утилизатора, то рассчитать, какая часть сетевой
воды должна идти через подогреватель первой ступени и затем в утилизатор.
С учётом этих требований составляем тепловую схему котельной,
представленной на рисунке 3.5.
Рис. 3.5. Тепловая схема котельной
Эта схема обеспечивает автоматическое поддержание минимальной
температуры перед утилизатором, пропуская через ТА1 необходимое количество
сетевой воды. При этом во всех теплообменниках обеспечивается противоток, что
улучшает теплообмен.
3.2 Расчёт потенциала экономии при использовании
утилизатора и параметров подогревателя первой ступени подогрева ГВС
Из теплового отчёта за 2011 год:
Максимальный расход на ГВС в феврале, он составил 2,7м3/ч,
минимальный в июле - 1,3м3/ч. Средний за год расход на ГВС составил
2,0м3/ч (0,56 кг/с).
Средняя годовая тепловая мощность, идущая на ГВС составила
313кВт.
Средняя годовая тепловая мощность, идущая на отопление
составила 360кВт.
Суммарная средняя годовая тепловая мощность составила 673
кВт.
Для расчёта примем средние параметры за год.
Для нормальной работы дымовой трубы необходимо, чтобы
температура на входе в неё была выше точки росы осушенных газов в утилизаторе -
это с запасом можно принять tУ=60ºС. Для обеспечения этой
температуры параллельно утилизатору проводим обводной газоход с регулирующим
шибером.
Параметры дымовых газов пере утилизатором:
|
Параметр
|
Размерность
|
Для газа
|
Для щепы
|
|
Iуг
|
кДж/кг
|
6279,3
|
3030
|
|
tуг
|
°С
|
161
|
161
|
Долю газов, идущая через байпас хБ определим из
баланса:
г tУ= Gг хБ tуг
+ Gг (1-хБ) tзук
хБ= (tУ - tзку)/(tуг
- tзку)
|
Для газа
|
Для щепы
|
|
хБ
|
0,229
|
0,229
|
|
tУ
|
60
|
60
|
|
tзку
|
30
|
30
|
Объёмы газов в продуктах сгорания для топлива газа и щепы из
предыдущего расчёта сводим в таблицу24.
Парциальное давление водяных паров в продуктах сгорания для
газа при температурах выше точки росы РН2О=0,0183МПа.
Парциальное давление водяных паров в продуктах сгорания для
щепы при температурах выше точки росы РН2О=0,026МПа.
Таблица 24. Объёмы газов, нм3/кг
|
T, ºС
|
VRО2
|
V0N2
|
V0Н2О
|
(б-1) V0
|
VдГ
|
|
Для газа
|
Для щепы
|
Для газа
|
Для щепы
|
Для газа
|
Для щепы
|
Для газа
|
Для щепы
|
Для газа
|
Для щепы
|
|
160 -55
|
1,366
|
0,446
|
10,10
|
2,23
|
2,84
|
1,23
|
1,28
|
1,85
|
15,61
|
4,76
|
При температуре меньше 55°С начнётся конденсация водяных
паров до момента пока порциальное давление не станет равным порциальному
давлению насыщения для данной температуры. Количество сконденсировавшейся воды
будет равно:
кон=(с1 - с2) ВVНО2.
где с1 - плотность паров на линии насыщения при
равенстве парциального давления водяных паров с парциальным давлением паров в
газах при температуре конденсации. Это для газового топлива температура 58ºС, а плотность равна с1=0,1184 кг/м3, а для
щепы температура - 65 ºС, а плотность равна с1=0,1618
кг/м3.
с2 - плотность паров на линии насыщения при данной температуре.
При этом дополнительно выделится следующее количество тепла:
кон= Gкон r,
Где r - скрытая теплота парообразования, кДж/кг.
Расчёт сводим в таблицу 25.
Таблица 25. Расчётные величины теплоты конденсации водяных
паров в зависимости от температуры для двух топлив: газа и щепы
|
Температура,°С
|
|
20
|
30
|
40
|
50
|
55
|
58
|
60
|
66
|
|
Рн,
МПа
|
|
0,002
|
0,004
|
0,007
|
0,012
|
0,016
|
0,018
|
0,02
|
0,026
|
|
с2, кг/ м3
|
|
0,0173
|
0,0304
|
0,0511
|
0,083
|
0,1066
|
0,1184
|
0,1302
|
0,1618
|
|
Gкон, кг/ кг
|
газ
|
0,289
|
0,252
|
0,192
|
0,101
|
0,034
|
0
|
|
|
|
|
щепа
|
0,065
|
0,059
|
0,049
|
0,035
|
0,025
|
0,019
|
0,014
|
0,000
|
|
r, кДж/кг
|
|
2453,8
|
2430,2
|
2406,5
|
2382,5
|
2370,4
|
2361,2
|
2358,4
|
2347,2
|
|
Qкон,
кДж/м3
|
газ
|
709,51
|
611,63
|
463,20
|
241,21
|
80,00
|
0,00
|
|
|
|
щепа
|
158,36
|
142,62
|
118,98
|
83,85
|
58,44
|
45,77
|
33,29
|
0,00
|
|
Gкон, кг/ч
|
газ
|
14,89
|
12,96
|
9,91
|
5,21
|
1,74
|
0,00
|
|
|
|
щепа
|
17,91
|
16,29
|
13,72
|
9,77
|
6,84
|
5,38
|
3,92
|
0,00
|
|
Qкон,
кВт
|
газ
|
10,15
|
8,75
|
6,62
|
3,45
|
1,14
|
0,00
|
|
|
|
щепа
|
12,21
|
11,00
|
9,17
|
6,46
|
4,51
|
3,53
|
2,57
|
0,00
|
Теоретически из всех продуктов сгорания при охлаждении их до
температуры в 30ºС можно дополнительно без
учёта потерь получить для нагрева сетевой воды следующую мощность:
для газового топлива 8,7кВт;
для щепы 11кВТ.
С учётом потерь (0,98) частичного байпасирования (0,771) эти
цифры будут:
для газового топлива 6,57кВт;
для щепы 8,31кВТ.
Что в процентах теплопроизводительности котла (620кВт)
составит:
для газового топлива 1,06%;
для щепы 2,16%.
Это с учётом только скрытой теплоты парообразования, но также
произойдёт охлаждение всех продуктов сгорания от температуры 161ºС до 30ºС. При этом сетевая вода
получит от проходящих сквозь утилизатор газов ещё тепло которое составит:
для газового топлива 2574кДж/кг, или 36,81кВт;
для щепы 644,4кДж/кг, или 49,68кВТ.
Что в процентах теплопроизводительности котла (620кВт)
составит:
для газового топлива 5,94%;
для щепы 8,01%.
Суммарный эффект составит:
для газового топлива 7%;
для щепы 10,17%.
Для обеспечения такого теплосъёма (56кВт) необходимо
подобрать стандартный коррозионностойкий калорифер по тепловой мощности и по
расходу газов. Расход газов идущий через калорифер с учётом байпаса составит:
|
для газа
|
для щепы
|
|
Gг,
кг/кг
|
15,55
|
5,788
|
|
В, кг/с
|
0,0143
|
0,0771
|
|
Хб
|
0,771
|
0,771
|
|
Gг,
кг/с
|
0,171
|
0,344
|
Расход выберем по максимальному, это для щепы Gг=
0,344 кг/с=1238 кг/ч.
3.3 Подбор калорифера в качестве конденсационного
утилизатора
Подберём калорифер марки КСк…-50А [26,29] для охлаждения
Gг=1238 кг/ч продуктов сгорания от топлива щепы от tуг=161°С до tзут=30°С.
Охладитель - вода с температурой на входе и на выходе на входе tw1=20°С
и tw2=70°С на выходе из калорифера. Дополнительные физические величины
(теплоёмкость, плотность) принимаем по таблицам теплофизических свойств воды и
продуктов сгорания при средних температурах.
Составляем уравнение теплового баланса по газовой стороне и
определяем тепловую мощность:
= Gг (CГ1 tг1− CГ2
tг2) = 0,344 (1080·160 -1050·30) =49000 Вт=49кВт.
Это для усреднённых продуктов сгорания. Примем 56кВт.
Рассчитываем расход воды:
w= Q/[Cw (tw2 - tw1)]=
56/[4,19 (70 -20)]=0,267 кг/с=0,96Т/ч.
Принимаем массовую скорость газов в набегающем потоке (во
фронтальном сечении) (нс)н=3,6 кг/(м2×с), и по условию неразрывности определяем необходимую площадь
фронтального сечения:
г= Gг /(нс)н =0,344/3,6=
0,096м2.
Калориферов с такой площадью живого сечения нет (см. Таблицу
28). Принимаем самый маленький калорифера КСк36-50АУ3 с площадью фронтального
сечения ƒГ=0,267м2,
живым сечением по воде ƒw=0,00084м2,
поверхностью нагрева Fк=8,83м2, длиной теплоотдающего
эдемента L=0,530 м и массой 34 кг.
Определяем массовую скорость газов:
хс = GГ /fГ =0,344 /0,267=1,288 кг/(м2×с).
Определяем скорость воды в трубках калорифера:
= Gw/(сw fw)=
0,267/(951·0,00084)=0,3342 м/с.
Рассчитываем коэффициент теплопередачи:
Кw=41,5 · (нс)н0,448 · щ0,193=41,5·1,2880,448
·0,33420,193= 37,62Вт/(м2×К).
Определяем температурный напор
Дtб/Дtм=(160-70)/(30-20)=9 >1,8
Дt = (Дtб-Дtм)/ln(Дtб/Дtм)=(90-10)/
ln (90/10) =36,4°С
Определяем тепловую мощность калорифера КСк36-50АУ3:
1= Kw × Fк × Дt = 37,62× 8,83×34,6 = 114955Вт ≈ 11,495 кВт.
Это без учёта конденсации. Опытная эксплуатация данных
калориферов к качестве утилизаторов показала, коэффициент телопередачи при
наличии конденсации находится в пределах (50…70) Вт/(м2×К) [24, 25,26].
Используя эти данные получим тепловую мощность калорифера
КСк36-50АУ3: Q1=23кВт. Чтобы обеспечить полное охлаждение газов
применим два калорифера включённых последовательно по газу и параллельно по
воде. Калорифер последний по ходу газов можно подключить прямо на подогрев
холодной воды (средняя температура за отопительный сезон 8ºС). Это повысит средний температурный перепад до 53ºС и соответственно тепловую мощность двух калориферов в 1,53 раза.
Она для двух составит без учёта конденсации 35,6кВт. Схема подключении холодной
воды к последнему калориферу приведена на рис. 3.6.
Рисунок 3.6. Тепловая схема котельной с утилизатором из двух
калориферов
Уточняем расход воды:
w = Q1/[Cw (tw2−tw1)]=
50/[4,19 (70−20)]= 0,239 кг/с =8,6Т/ч.
Аэродинамическое сопротивление двух калориферов:
ДРа=2·4,60 · (нс)н1,916=2·4,60·1,2881,916=14,94Па.
Это добавочное сопротивление не должно увеличить нагрузку на
дымосос, так как температура газов, идущая на дымосос снизилась с 161ºС до 60 ºС. Это изменит расход
через дымосос в (161+273)/(60+273)=1,3. При этом общее сопротивление газоходов
увеличится в (100+14,94)/100=1,15. Дымосос будет работать с меньшей нагрузкой.
Затраты на электрическую энергию для дымососа составят от номинальной мощности
100·1,15/1,3=88,4%.
Дымосос с установленным электрическим двигателем мощностью Nд=4кВт,
(1500 мин-1, исп.IM 2081).
Экономия мощности на дымососе составит:
ДNд =(100-88,4) Nд /100=0,46кВт.
3.4 Расчёт эффективности применения
конденсационного утилизатора
Расход топлива при применении утилизатора и другие параметры
работы котла на газовом топливе и на щепе в сравнении с базовым вариантом
приведены в сводной таблице 26.
Таблица 26. Параметры работы котла на газовом топливе и на
щепе
|
Параметр
|
Обозн.
|
Разм.
|
Формула
|
для газа
|
для щепы
|
|
Секундный
расход топлива без утилизатора
|
Вр
|
кг/с
|
GН
(iх - iпв)/(Qрр з')
|
0,0143
|
0,0771
|
|
Годовой расход
топлива без утилизатора
|
Вргод
|
Т (тыс. м3)
|
0,001·Вр Тотп,
где Тотп =24·106 - отопительный период
|
346 (453)
|
1850
|
|
Количество
тепла, переданное в утилизаторе
|
Qу
|
кВт
|
П. 3.3.
|
36,81
|
49,68
|
|
Секундный
расход топлива с утилизатором
|
Вру
|
кг/с
|
Вру=
Вр - Qу /(Qрр з')
|
0,0135
|
0,0713
|
|
Экономия
топлива при использовании утилизатора
|
ДВру
|
кг/ч
|
3600 (Вр
- Вру)
|
2,88
|
20,88
|
|
Экономия
топлива при использовании утилизатора в% к базовому
|
Дbру
|
%
|
|
5,93
|
8,13
|
|
Выход
конденсата
|
Gкон
|
кг/ч
|
П. 3.3.
|
12,96
|
16,29
|
|
Экономия
мощности на дымососе при использовании утилизатора
|
ДNд
|
кВт
|
П. 3.3.
|
0,46
|
0,46
|
|
Выбросы RО2
в базовом варианте
|
GRО2
|
3600VRО2
Вр
|
70,3
|
123,8
|
|
Выбросы RО2
при работе с утилизатором
|
GRО2у
|
кг/ч
|
3600VRО2
Вру
|
66,4
|
114,5
|
|
Снижение
выбросов при работе с утилизатором
|
ДGRО2у
|
кг/ч
|
GRО2 - ДGRО2у
|
3,9
|
9,3
|
Повышение эффективности использования топлива в
котлоагрегатах за счет утилизации теплоты уходящих газов является одним их
главных направлений в коммунальной энергетике. Использование конденсационных
теплоутилизаторов для утилизации тепла, в зависимости от схемы использования,
позволяет увеличить коэффициент использования топлива на 3-8%, что и показали
наши расчёты. При этом еще получен ценный продукт конденсат, полностью
обессоленная вода, которая может с успехом использоваться в закрытых системах
теплоснабжения в качестве подпиточной, что также уменьшит расходы на закупку
воды и на водоподготовку.
Наряду с энергосбережением, конденсационный теплоутилизатор
решает экологические вопросы. Применение данного оборудования кроме снижения
расхода топлива (за счет повышения КИТ), уменьшает выбросы NОx и СО2
на те же 5-8% за счёт уменьшения расхода топлива и частично ещё за счёт
растворения в конденсате определенной доли вредных веществ. Утилизатор теплоты
уходящих дымовых газов устанавливается на участке газового тракта между котлом
и дымососом и дымовой трубой и позволяет, не нарушая технологической схемы,
используя существующее оборудование, работать как в обычном режиме, так и в
режиме утилизации. В зависимости от выбранной технологической схемы утилизатор
может использоваться для системы отопления, ГВС, технологических нужд. Полные
комплекты оборудования (теплоутилизатор, газоходы, клапана) изготавливается на
ряде Российских предприятий. Они эффективно эксплуатируется уже много лет.
Срок службы данного оборудования составляет не менее 8 лет.
Цена калорифер водяного КСК 3-6 на сегодняшний день
составляет 5266 руб.
Для установки двух калориферов КСК 3-6 в газовый тракт котла
необходимо изготовить корпус, в который будут установлены два последовательно
по газу калорифера, оборудованые подводящими и отводящими газоходами с
управляющими шиберами.
Окупаемость капитальных затрат 10-12 месяцев.
3.5 Определение конструкции сдвоенного
калориферного утилизатора тепла продуктов сгорания
Описание утилизатора.
Утилизатор (см. рис. 3,7) в сборе монтируется к существующему
газоходу, часть которого в размер утилизатора вырезается. Утилизатор
подвешивается к швеллерам потолочного перекрытия котельной на анкерах с резьбой,
которые позволяют выставить соосно байпасный газоход утилизатора с существующим
газоходом. Существующий газоход диаметром 300 мм крепится стандартными хомутами
к утилизатору.
Рисунок.3.7. Общий вид утилизатора
- проходной короб; 2 - поворотные газоходы; 3 - шиберы; 4 -
скобы подвесные; 5 - оси; 6 - рычаги; 7,8 - прокладки; 9 - калориферы
КСК36-50АУ3; 10 - болты; 11,12 - гайки
Утилизатор представляет собой сложный короб, сваренный из
листовой нержавеющей стали толщиной 1 мм. Он состоит из пяти частей,
соединяемых между собой фланцевыми соединениями с прокладками на болтах с
гайками. Верхняя часть утилизатора - это проходной короб квадратного сечения
305х305 мм с цилиндрическими хвостовиками диаметром 300 мм, через последние
утилизатор крепится к существующему газоходу перед дымососом. К верхней части
снизу на фланцах с двух сторон крепятся два одинаковых поворотных газохода,
между вертикальными фланцами диффузоров которых крепятся на фланцах два
стандартных калорифера КСК36-50АУ3. Подвод и отвод обогреваемо воды с
калориферов выведен на переднюю сторону утилизатора. Это позволяет включать
калориферы по воде параллельно и последовательно.
В верхней части поворотных коробов прямо под фланцем на валах
крепятся поворотные шиберы. Платина шибера по боковым торцам плотно скользит по
стенкам верхнего короба и в крайнем вертикальном положении перекрывает
проходной канал на 80%, что обеспечивает температуру газов перед дымососом при
работе утилизатора не ниже 60°С для предохранения трубы от коррозионного
разрушения. В крайнем горизонтальном положении шиберов поворотные короба
полностью перекрываются. Привод шиберов производится вручную через рычаги,
которые фиксируются на планке в нескольких положениях.
В нижней части поворотных коробов прямо перед фланцем
крепления к калориферам приварены спускные патрубки для слива конденсата и
взятия проб уходящих газов перед и за калориферами.
Для крепления утилизатора к потолочным швеллерам под верхний
короб подведены две скобы из полосовой стали с проушинами в верхней части,
через которые посредством резьбовых анкеров и производиться крепление.
Вес утилизатора без воды 122 кг, с водой - 132 кг.
Стоимость утилизатора:
Два калорифера КСК36-50АУ3 2 х
5266=10532 рубл.
Материал коробов (лист нерж. 1 мм) 54 кг 54 х
200=10800 рубл.
Материал обвязки (трубы 32/2,2) 20 кг 20 х 95=1800
рубл.
Дополнительные материалы и крепёж 1500
рубл.
Монтажные работы (ориентировочная смета) 60000
рубл.
Сумма затрат на установку 84632
рубл.
4. Электроснабжение предприятия
4.1 Основное оборудование
Встроенная трансформаторная подстанция ТП - 6/0,4
завода ОАО «Инвидо»
Встроенная трансформаторная подстанция расположена в
здании предприятия.
Год ввода в эксплуатацию: 1996 год.
Техническая характеристика:
напряжение, кВ 6,0/0,4
мощность трансформаторов, кВт 2 × 1000
Режим работы: постоянный.
Сведения о трансформаторх предприятия. приведеныв таблице
4.1. а о выключателях в таблице 4.2.
Таблице 4.1. - Сведения о трансформаторах
|
№ п/п
|
Тип
трансформатора
|
Напряжение, кВ
|
Дата ввода в
эксплуатацию
|
Износ, %
|
Мощность, кВт
|
Дата последнего
капитального ремонта
|
|
1
|
ТМ - 1000
|
6,0/0,4
|
1996 г.
|
95,0
|
1000
|
09.10.2000 г.
|
|
2
|
ТМ - 1000
|
6,0/0,4
|
1996 г.
|
95,0
|
1000
|
28.12.2000 г.
|
Таблица 4.2. - Сведения о выключателях
|
№ п/п
|
Тип
|
Дата ввода в
эксплуатацию
|
Износ, %
|
Мощность, кВт
|
Дата последнего
капитального ремонта
|
|
1
|
ВМПЭ - 10
|
1996 г.
|
95,0
|
200
|
Апрель 2000 г.
|
|
2
|
ВМПЭ - 10
|
1996 г.
|
95,0
|
200
|
Апрель 2000 г.
|
Трансформаторная подстанция котельной
Трансформаторная подстанция котельной расположена в здании
котельной. Характеристика трансформаторов в подстанции приведена в таблице 4.3.
Год ввода в эксплуатацию: 1996 год.
Техническая характеристика подстанции:
- напряжение, кВ 6,0/0,4
- мощность трансформатора,
кВт 400
Режим работы: постоянный.
Таблица 4.3. - Трансформаторы подстанции
|
№ п/п
|
Тип
трансформатора
|
Напряжение, кВ
|
Дата ввода в
эксплуата-цию
|
Износ, %
|
Мощность, кВт
|
Дата последнего
капитального ремонта
|
|
1
|
ТМФ - 400
|
6,0/0,4
|
1996 г.
|
98,0
|
400
|
2005 г.
|
.2 Электрические сети
Кабельные линии
Сведения о кабельных линиях предприятия приведены в таблице
4.4.
Таблица 4.4. - Кабельные линии 6 кВ
|
№ п/п
|
Наименование.
|
Начальный пункт
|
Конечный пункт
|
Протяженность,
м
|
Тип, сечение
|
|
1
|
Линия питания
№1 ГРУ-6 кВ котельной
|
п/ст 306
|
ГРУ-6 кВ
|
800
|
ЦААБ, 3×150
|
|
2
|
Линия питания
№2 ГРУ-6 кВ котельной
|
п/ст 306
|
ГРУ-6 кВ
|
800
|
ЦААБ, 3×150
|
|
3
|
Линия питания
№1 РП-2-6 кВ котельной
|
п/ст 388
|
РП-2-6 кВ
|
800
|
ААШВ, 3×185
|
|
4
|
Линия питания
№2 РП-2-6 кВ котельной
|
п/ст 388
|
РП-2-6 кВ
|
800
|
ААШВ, 3×240
|
Кабельные линии 0,4 кВ: длина - 8,1 км.
.3 Потребление электроэнергии
Сведения о потреблении электроэнергии за последние тр года
приведены в таблице 4.5.
Таблица 4.5. - Сведения о потреблении электроэнергии
|
Объект
|
2009 г. тыс.
кВт/ч
|
2010 г тыс.
кВт/ч
|
2011 г. тыс.
кВт/ч
|
|
АО «Колэнерго»
|
966795
|
965243
|
1028478
|
.4 Передача электроэнергии
Сведения о передача электроэнергии на предприятии за
последние три года приведены в таблице 4.6
Таблица 4.6. - Сведения о передача электроэнергии
|
Cубабоненты
|
Кол-во
|
2009 г. тыс.
кВт/ч
|
2010 г. тыс. кВт/ч
|
2011 г. тыс.
кВт/ч
|
|
До 1 тыс. кВт/ч
|
4
|
3,5
|
1,3
|
2,9
|
|
До 100 тыс.
кВт/ч
|
1
|
25,9
|
46,6
|
61,7
|
|
Св. 100 тыс.
кВт/ч
|
1
|
176,5
|
298,0
|
488,4
|
5. Технико-экономические показатели котельной
Оценка качества принятого в квалификационной работе
технического решения должна производиться на основе анализа ее
технико-экономических показателей, в число которых входят технологические и
экономические показатели. К основным технологическим показателя, определяемым в
экономической части проекта, относятся: установленная мощность котельной,
годовая выработка теплоты или пара и отпуск их потребителям, расходы топлива и
др. Здесь рассчитывается и режимный показатель - число часов использования
установленной мощности котельной.
Важнейшим экономическим показателем является себестоимость
отпущенной теплоты. В ходе ее расчета определяются и другие экономические
показатели: сметная стоимость строительства, штаты котельной, годовые
эксплуатационные расходы и т.п.
Технологические показатели характеризуют рабочие процессы в
котельной, они служат для установления режима эксплуатации оборудования в целях
получения оптимальных экономических показателей; сюда относятся коэффициент
избытка воздуха, содержание в газах СО2 или О2,
температура уходящих газов, содержание горючих в уносе и т.п.
К экономическим показателям работы котельной установки
относятся КПД брутто и нетто, удельный расход условного топлива на выработку
отпускаемого тепла и удельный расход электроэнергии на собственные нужды
котельной. Себестоимость тепла или пара складывается из переменных и постоянных
расходов. К переменным относятся расходы, пропорциональные количеству
вырабатываемого тепла или пара - топливо, вода, электроэнергия. На котельных к
переменным расходам относится топливо, вода, электричество.
Постоянные расходы почти не зависят от выработки пара или
тепла. Сюда относятся заработная плата, амортизация зданий и оборудования,
текущий ремонт и пр.
Основной составляющей себестоимости тепла или пара являются
издержки на топливо, которые зависят от его удельного расхода на единицу
теплоты. Топливная составляющая может иметь значительный перевес по отношению к
другим затратам на производство тепла или пара.
Котлоагрегаты, введенные более десяти лет назад, как правило,
удовлетворяют технологические потребности в теплоносителях, но их автоматика
безнадежно морально и физически устарела, отсутствуют приборы контроля состава
уходящих дымовых газов.
Перерасход топлива и энергии на тягу и дутьё на отечественных
котлах обусловлен следующими причинами:
- контроль правильности
соотношения топливо-воздух в горелках ведётся с большой ошибкой по косвенным
параметрам: давлению воздуха и газа, яркости факела, температуре воздуха, цвету
пламени (дыма);
- неконтролируемые
колебания качественного состава топлива, параметров воздуха, изменение нагрузки
и присосов, состояние горелок;
- значительные
неравномерности поля концентрации в сечении газоходов, что приводит к не
представительности отбираемой на анализ пробы газов (ошибки измерения достигают
400%);
- использование режимных
карт с завышенной подачей воздуха, что приводит к повышенным потерям тепла с
уходящими газами, перерасходу топлива и электроэнергии на тягу и дутьё, т.к.
потребляемая электродвигателями вентиляторов и дымососов мощность имеет
кубическую зависимость от расхода.
Для эффективного и качественного сжигания топлива должно быть
точно сбалансировано соотношение «топливо - воздух», для чего требуется
внедрение на тепловых станциях стационарных газоанализаторов, контролирующих
состав уходящих газов.
Недостаток воздуха при горении вызывает неполное сгорание и,
как
следствие, перерасход топлива. Избыток воздуха также приводит
к перерасходу топлива на нагрев лишнего воздуха в составе уходящих газов. В
обоих случаях сжигание топлива сопровождается повышенным выбросом в атмосферу
высокотоксичных газов.
Уменьшение коэффициента избытка воздуха, помимо снижения
потерь теплоты с уходящими газами, является эффективным методом подавления
образования оксидов азота. Это достигается только регулированием без удорожания
технологического оборудования и усложнения конструкции горелочных устройств.
Путем простой регулировки соотношения топливо-воздух на
котлах достигается экономия топлива равная до 2-4% и более.
.1 Расчет экономических показателей
Расчет топливной составляющей, руб./год
Расчёт ведём для режима работы котла на древесных отходах и
на газе (величины в квадратных скобках после вычислений).
Топливная составляющая составит, руб./год:
,
где
-=1850т [346] годовой расход натурального
топлива, расходуемого котельной (расчётный см табл. 26, фактический вместе с
пелетами за 2011 год в табл. 12);
- коэффициент учитывающий потери топлива (не учитывается);
=4500 [3800] оптовая цена топлива по прейскуранту, руб./т,
- стоимость транспорта натурального топлива, руб./т;т=1850
(1+0) (4500+1,27)=8327000 рубл. [1315000];
,
где
- расстояние перевозки.
Экономия средств по топливу при замене древесных отходов на
природный газ:
ДSт=8327000-1315000=7012000 рубл.
Расчет годовых эксплуатационных расходов
Расходы на электроэнергию при работе на щепе и на газе
отличаются. При работе на газе отсутствует привод шнека подачи топлива, это при
5кВТ с коэффициентом загрузки 0,3 составит 7200кВт·ч.:
,
где
=91636кВт·ч [84436] годовой расход
электроэнергии на собственные нужды из фактических данных за 2011 год;
- цена одного киловатт-часа, принимается по прейскуранту
=2,3 руб./кВт;.э=91636·2,3=210763 рубл [194202].
Экономия средств по электрической энергии при замене
древесных отходов на природный газ:
ДSЭ=210763-194202=16560 рубл.
Годовые затраты на воду для двух режимов котла одинаковые без
учёта возможности использования образующегося в утилизаторе конденсата. Они
составят в руб./год:
;
где
= 17520т годовой расход сырой воды в
котельной (см. фактический в таблице 12);
- цена за 1 т сырой воды, руб./т,
=11,9;в=17520·11,9=208500 рубл.
Расчет годовой экономии при переходе на природный газ с древесных
отходов
Капитальные затраты на сооружение котельной подсчитывать не будем.
Переход на режим работы котла на природном газе предусмотрен технологической
схемой существующего котла. при этом только отключается подача твёрдого топлива
при экономии электрической энергии, которая подсчитана ранее выше.
Экономия денежных средств при переходе на природный газ составит:
ДЭгод= ДSт + ДSЭ=7012000+16560=7028560 рубл.
Расчёт срока окупаемости внедрения утилизатора тепла
Определение укрупненных капиталовложений:
Стоимость оборудования (Соб) определяется согласно
договорным ценам (см. п. 3.5.): Соб =84632 рубл.;
Стоимость проектных работ - до 10% от стоимости
строительно-монтажных работ включена в стоимость оборудования(Ссмр);
Стоимость строительно-монтажных работ (при реконструкции
котельной) - 60÷80% от
стоимости вводимого вновь оборудования;
Стоимость пуско-наладочных работ - 7÷10% от стоимости оборудования.
Капиталовложения в мероприятие (Кмвт):
Кмвт = Соб + 0,1 Ссмр + (0,6
÷ 0,8) Со6 + (0,07÷0,1) Со6=84632+0,6·84632+0,07·84632=141355
рубл.
Для определения сроков окупаемости мероприятия за счет
разности расходов топлива до модернизации и после воспользуемся ранее
рассчитанными материалами и сведём их таблицу 5.1.
Таблица 5.1. Энергетические параметры работы котда до
модернизации и после
|
Параметр
|
Обозн.
|
Разм.
|
Формула
|
для газа
|
для щепы
|
|
Секундный
расход топлива без утилизатора
|
Вр
|
кг/с
|
GН
(iх - iпв)/(Qрр з')
|
0,0143
|
0,0771
|
|
Годовой расход
топлива без утилизатора
|
Вргод
|
Т (тыс. м3)
|
0,001·Вр Тотп,
где Тотп =24·106 - отопительный период
|
346 (453)
|
1850
|
|
Количество
тепла, переданное в утилизаторе
|
Qу
|
кВт
|
П. 3.3.
|
36,81
|
49,68
|
|
Секундный
расход топлива с утилизатором
|
Вру
|
кг/с
|
Вру=
Вр - Qу /(Qрр з')
|
0,0135
|
0,0713
|
|
Экономия
топлива при использовании утилизатора
|
ДВру
|
кг/ч
|
3600 (Вр
- Вру)
|
2,88
|
20,88
|
|
Экономия
топлива при использовании утилизатора в% к базовому
|
Дbру
|
%
|
|
5,93
|
8,13
|
Годовая экономия природного газа, полученная от модернизации:
ДВругод = ДВру Тотп =2,88·6240=17971
кг/год,
или в объёмных единицах:
ДВругод =23552 м3/год
=23,552 тыс. м3/год.
Стоимость сэкономленного газа составит:
ДСтопл= Цгаз ДВругод
=3700·23,552=87033 рубл.
Годовая экономия древесных отходов, полученная от
модернизации:
ДВругод = ДВру Тотп =20,88·6240=130291
кг/год=130,291т/год,
Стоимость сэкономленных древесных отходов составит:
ДСтопл= Цщ ДВругод
=1400·130,291=182408 рубл.
Определение срока окупаемости мероприятия:
Срок = Кмвт / ДСтопл, лет
где Кмвт - капиталовложения в мероприятие, рубл.;
ДСтопл - стоимость сэкономленного топлива за год,
рубл.
Для работы на природном газе:
Срок = 141355/87033=1,62 год.
Для работы на древесных отходах:
Срок = 141355/182408=0,775 год.
Расчёт численности трудящихся котельной и
годового фонда заработной платы
Численность эксплуатационного персонала котельной зависит от
установленной годовой производственной мощности котельной, уровня механизации,
вида сжигаемого топлива.
Численность рабочих котельной устанавливается по единым нормативам
численности повременно-оплачиваемых рабочих, занятых обслуживанием котельных.
Норматив численности машинистов котельных установок, устанавливается в
зависимости от средней площади нагрева одного котла в
и количества котлов в работе.
Норматив численности слесарей дежурных и по ремонту оборудования,
устанавливается исходя из суммарной ремонтной сложности оборудования котельной
в баллах.
Расстановкой по рабочим местам по 1 чел. в смену принимаем:
- зольщика;
- машиниста бойлерной
установки;
- аппаратчика
химводоочистки
Для котельной с годовой производительностью свыше 1000000 ГДж
принимаем:
- сварщик 1;
- токарь 1.
Численность ИТР котельной принимаем исходя из годовой
производственной мощности котельной, уровня механизации и сжигаемого топлива по
штатному расписанию (особому списку, разрабатываемому с действующими штатными
нормативами).
Для котельной с годовой производственной мощностью более 500
тыс. ГДж принимаем:
- начальник 1;
- механик 1;
- машинист котельной по
одному в смену.
В котельной с меньшей производственной мощностью вместо
сменного мастера старшим в смене является машинист котельной.
Фонд заработной платы и отчисления на социальное и
медицинское страхование.
Прямую заработную плату рабочим котельной планируем по присвоенным
группам квалификации (разрядам) умножением дневной тарифной ставки на плановое
число выходов. Дневная
Прямой заработок ИТР определяется по установленным окладам в
соответствии с установленной группой по оплате труда.
Тарифные ставки рабочих, группы по оплате труда и оклады ИТР.
Премию начисляем при условии выполнения плана производства тепла
на 100%.
Доплату за работу в ночное и вечернее время определяем в
соответствии с КЗоТ (20% от прямой заработной платы) по скользящему графику.
Доплату районного коэффициента производим на всю зарплату рабочих
и ИТР в размере 30%.
Заключение
Природный газ как высокоэффективный энергоноситель, широко
применяемый в настоящее время во всех звеньях общественного производства,
оказывает прямое воздействие на увеличение выпуска промышленной продукции, рост
производительности труда и снижение удельных расходов топлива, а, следовательно,
и себестоимости выпускаемой продукции.
В результате реконструкции котельной котел KRIEGER КВм(а) -
0.82 был переведен на природный газ. При этом был произведен расчет
необходимого расхода газа для покрытия заданной нагрузки, определены параметры
тепловой схемы, необходимая поверхность теплообмена конденсационного
утилизатора, т.е. выполнен его конструктивный расчет, определена конструктивная
схема утилизатора на основе двух последовательно включённых по уходящим газам и
параллельно по воде ГВС и сетевой воде. Разработаны две схемы подсоединения
утилизатора по воде, обеспечивающие максимальную его загрузку. Кроме того,
выполнен поверочный тепловой расчёт котлоагрегата при работе на двух топливах.
В проекте отражены вопросы техники безопасности и охраны окружающей среды, на
основе сметно-финансовой документации произведен расчет основных
технико-экономических показателей, сделан сравнительный анализ работы котла на
древесных отходах (щепа) и природном газе, из чего определен годовой
экономический эффект: затраты на топливо при работе на газе сокращаются в 6
раз.
Расчёты, выполненные для обоснования применения
конденсационного утилизатора, показали, что применение его при работе на этих
двух топливах окупается для древесных расходов за 0,78 года, а при работе на
газе за 1,6 года.
Список литературы
1. Вукалович, М.П. Таблицы термодинамических
свойств воды и водяного пара / М.П. Вукалович, С.Л. Ривкин, А.А. Александров. -
М.: Наука, 1969. - 162 с.
2. Гусев, Ю.Л. Основы проектирования
котельных установок / Ю.Л. Гусев. - М.: Стройиздат, 1967. - 293 с.
. Деев, Л.В. Котельные установки и их
обслуживание / Л.В. Деев, Н.А. Балахничев. - М.: Стройиздат, 1974. - 288 с.
. Зах, Р.Г. Котельные установки / Р.Г.
Зах. - М.:Машиностроение, 1969. - 331 с.
. Каталог-справочник. Котлы малой, средней
мощности и топочные устройства. - М.: НИИ Информтяжмаш, 1972. - 463 с.
. Киселев, Н.А. Котельные установки / Н.А.
Киселев. - М.: Высшая школа, 1986. - 375 с.
. Кузнецов, Н.В. Тепловой расчет котельных
агрегатов (нормативный метод) / Н.В. Кузнецов. - М.: Энергия, 1973. - 353 с.
. Кузовникова, Е.А. Котельные установки /
Е.А. Кузовникова. - Мн.: Высшая школа, 1992. - Ч. 3. - 266 с.
9. Мочан, С.Н. Аэродинамический расчет
котельных установок (нормативный метод) / С.Н. Мочан. - Л.: Энергия, 1977. -
315 с.
10. Аронов И.З. Контактный нагрев воды продуктами
сгорания природного газа Изд.2, 1990, 280 с.
11. Роддатис, К.Ф. Котельные установки / К.Ф.
Роддатис. - М.: Энергоиздат, 1977. - 402 с.
12. Роддатис, К.Ф. Справочник по котельным установкам
малой производительности / К.Ф. Роддатис, А.Н. Полтарецкий. - М.: Наука, 1989.
- 266 с.
. Справочник по водоподготовке котельных
установок / под ред. О.В. Лившица. - 2-е изд., перераб. и доп. - М.:Энергия,
1978. - 377 с.
. Уревич, А.Л. Краткий справочник
работника газового хозяйства / А.Л. Уревич. - Мн.: Высшая школа, 1978. - 306 с.
. Центробежные консольные насосы общего
назначения для воды, каталог. - М.: Центихимнефтемаш, 1989.
. Эстеркин, С.И. Котельные установки.
Курсовое проектирование / С.И. Эстеркин. - Л.: Энергоатомиздат, 1989. - 355 с.
. Златопольский А.Н., Прузнер С.Л.,
Экономика, организация и планирование теплового хозяйства промышленных
предприятий. - М.: Энергия, 1979.
18. Методические рекомендации по планированию,
учету и калькулированию себестоимости продукции (работ, услуг) в РУП
электроэнергетики РБ.
19. Котельные установки. Курсовое и дипломное
проектирование: учеб. пособ для техникумов. - Л.: Энергоатомиздат, 1989 г.
20. Сенчев В.Г., Справочник энергетика
строительной организации, М.: Стройиздат, 1991.
21. Самойлов М.В., Основы энергосбережения. - М.:
БГЭУ 2002.
. Панин, В.И. Обслуживание коммунальных
котельных и тепловых сетей В.И. Панин. - М.: Стройиздат, 1974. - 277 с.
23. Бухаркин Е.Н. «К вопросу обеспечения надежных
условий использования экономичных котлов с конденсационными утилизаторами»,
Промышленная энергетика, 1995, №7, с. 32-35.
24. Бухаркин Е.Н. «К методике теплового расчета
конденсационных утилизаторов за котлами», Теплоэнергетика, 1997, №2, с. 59-62.
. Кудинов А.А. Энергосбережение в
теплогенерирующих установках. - Ульяновск: УлГТУ, 2000. - 139 с.
. Полное использование теплоты сгорания
топлива в промышленных котельных. АКВА-ТЕРМ МАЙ-ИЮНЬ №3 (43) 2008.
. ОАО «Калориферный завод» Рекомендации по
подбору калориферов и воздухонагревателей. - Кострома: 2002.-33 с.
. КСк3-6-50АУ3…КСк3-12-50АУ3,
КСк4-6-50АУ3…КСк4-12-50АУ3».
. ТУ22-119-69-2001 «Калориферы
КСк3-6-02ХЛ3Б … КСк3-12-02ХЛ3Б, КСк4-6-02ХЛ3Б … КСк4-12-02ХЛ3Б».
. Соколов Е.Я. Теплофикация и тепловые
сети: Учебник для вузов. - 7-е изд., стереот. = М.: Издательство МЭИ, 2001.-472
с.: ил.
. Методические указания к выполнению
курсового проекта по дисциплине «Стационарные паровые и водогрейные котлы» для
студентов специальности 140106 «Энергообеспечение предприятий». Пантилеев С.П., МГТУ, 2012, - 169
с.