Розробка системи диспетчерської централізації МСДЦ 'Каскад'
Вступ
На магістральному та промисловому транспорті в
теперішній час експлуатуються різноманітні за призначенням, виконуємим функціям
та елементній базі системи управління та контролю.
З розвитком засобів обчислювальної техніки,
значним зменшенням їх вартості, наприкінці 90-х років почались інтенсивні
роботи по розробці вітчизняних систем мікропроцесорної диспетчерської
централізації (МПДЦ) та мікропроцесорного диспетчерського контролю (МПДК).
Перший досвід впровадження МПДК на Укрзалізниці з’явився після впровадження
системи МПДК "ТЕМП", в якій впроваджено багато новітніх технологій,
серед яких схеми узгодження з пристроями електричної централізації та методи,
використані при розробці прикладного програмного забезпечення. Наступним кроком
в розробці систем ДЦ-ДК є мікропроцесорна система диспетчерської централізації
"КАСКАД" (МСДЦ "КАСКАД"). При впровадженні
системи
"КАСКАД" забезпечується більш ефективне
управління вантажними та
пасажирськими перевезеннями на
залізничному транспорті.
В даному курсовому проекті
програмно-апаратний комплекс мікропроцесорної системи диспетчерської
централізації МСДЦ "Каскад" впроваджується на дільниці залізничного
транспорту з метою підвищення ефективності управління вантажними та
пасажирськими перевезеннями. В системі широко використовуються функції
автоматизації процесів контролю, управління процесом руху поїздів,
діагностування об’єктів контролю, протоколювання роботи комплексу та окремих
елементів, а також має можливості для нарощування функціональних можливостей.
1.
Розробка структури МСДЦ "КАСКАД" на дільниці та обладнання
центрального поста диспетчерської централізації
.1 Розробка структури МСДЦ
"КАСКАД" на дільниці
МСДЦ "КАСКАД" має два
рівня ієрархії, що відповідають структурі управління перевезеннями:
¾ рівень диспетчерського
центру керування;
¾ рівень лінійних
підприємств.
Рівень центру керування обладнано
комплексом центрального поста "ЦП КАСКАД" , а рівень лінійних
підприємств - комплексами лінійних пунктів "ЛП КАСКАД" (ст.
А-Л).
На даній дільниці утворено 2 сегменти:
1. станції А, Б, В,Г,
Д;
2. станції Ж, З, К, Л.
Оскільки кількість, довжина
сегментів та кількість станцій сегмента відповідають загальним характеристикам
МСДЦ [1],
то дану дільницю залізниці можна обладнати системою МСДЦ "КАСКАД".
При організації зв’язку між
центральним постом (ЦП) та лінійними пунктами (ЛП) використана топологія
кільцевого типу (додаток Ж), яка забезпечує необхідну дальність зв’язку та не
потребує встановлення додаткової апаратури для організації необхідної
дальності. До найбільш віддаленого ЛП - станції Д сигнал ТУ з ЦП проходить по
основній лінії зв’язку і потрапляє на ЛП В, де декодується та порівнюється
адреси отримувача сигналу ТУ і лінійного пункту. Якщо ці адреси не співпадають,
то команда знову кодується та передається на наступний ЛП і таким чином сигнал
надходить до кінцевого ЛП Д. При такому способі передачі виключається
можливість трансформування сигналу від завад. При пошкодженні лінії сигнал ТУ
аналогічно передається по резервній лінії
зв’язку. При пошкодженні лінії між ЛП Г сигнал ТУ послідовно пройде в одному
напрямку : від ЦП послідовно
через лінійні пункти В, Д, Ж і потрапить до ЛП К.
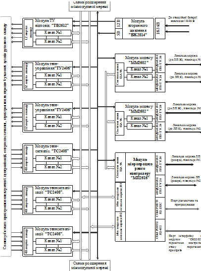
.2 Розробка структури
програмно-апаратного комплексу "ЦП КАСКАД"
Комплекс "ЦП КАСКАД"
розташовується безпосередньо в центрі управління перевезеннями і виконує
функції обробки,
збереження,
формування,
захисту інформації, підтримує людино-машинний інтерфейс, забезпечує зв’язок
глобальними та локальними мережами. Як показано на
рисунку 1.1 комплекс "ЦП КАСКАД" складається з робочих станцій
автоматизованих робочих місць диспетчерського персоналу об’єднаних локальною
мережею, серверу та
комунікаційного обладнання. Інформація на кольорових
моніторах АРМ поїзного диспетчера
розподіляється
таким чином:
¾ відображення комплексного
поїзного положення на дільниці;
¾ детальна
мнемосхема однієї зі станцій
керованої дільниці;
¾ графіки
руху, інша інформація,
тобто використовується 3 монітори,
що необхідно для оптимального управління перевізним
процесом
поїзним
диспетчером. АРМ ДНЦ забезпечує кольорове відображення
поїзної ситуації у вигляді мнемосхем з позначенням номера та стану об’єктів
контролю; автоматичне ведення системного журналу з реєстрацією сигналів
телеуправління, телесигналізації, діагностики та дій поїзного диспетчера за
масштабом часу; відображення графіка прогнозного руху поїздів, діагностичної
інформації та інш.
Автоматизоване робоче місце
енергодиспетчера забезпечує контроль стану та управління пристроями
енергопостачання на дільниці, кольорове відображення стану пристроїв
енергопостачання у вигляді мнемосхем з позначенням назви та стану об’єктів
контролю, телеуправління пристроями енергопостачання, автоматичне ведення
системного журналу з реєстрацією наказів телеуправління, стану об’єктів
телесигналізації, діагностики та дій енергодиспетчера за масштабом часу,
відображення діагностичної інформації.
Рисунок 1.1 - Структурна схема
програмно-апаратного комплексу "ЦП
КАСКАД"
Автоматизоване робоче місце інженера
СЦБ і зв’язку забезпечує контроль стану пристроїв СЦБ та відображення
перевізного процесу в режимі реального часу, минулих подій і необхідної
довідкової інформації.
Надійність енергопостачання
забезпечується завдяки використанню джерел безперебійного живлення.
Програмне забезпечення комплексу складається з
операційної системи (ОС) - середовища виконання процесів
та
комплексу прикладного програмного забезпечення (ПЗ), орієнтованого на виконання
завдань управління процесом перевезення.
Після дій поїзного диспетчера,
пов’язаних з управлінням руху, команда управління через локальну мережу
записується на сервері бази даних і за допомогою комунікаційного обладнання
перетворюється на сигнал з метою завадозахищеної передачі по лінії зв’язку.
2.
Розробка комплексу лінійного пункту "ЛП КАСКАД"
.1 Розробка структурної схеми
комплексу "ЛП КАСКАД"
Комплекс "ЛП КАСКАД"
призначений для застосування в системах диспетчерського керування об’єктами
автоматики на залізничних станціях рівня лінійних підприємств, а також
інформаційного забезпечення автоматизованих систем керування перевезеннями в
складі єдиних диспетчерських центрів керування всіх рівнів і
побудований за
модульним принципом [2].
До складу комплексу "ЛП
КАСКАД" лінійного пункту "Б" входять уніфіковані модулі в
кількості 6 шт. Конструктивно модулі монтуються в електронні крейти, які
змонтовані в пилозахисній шафі. Підключення до пристроїв
СЦБ, зв’язку або інших виконується через
кросове
поле (монтажні колодки), яке розташоване на задній стінці пилозахисної шафи.
Комплекс "ЛП
КАСКАД" побудовано за принципом двоканальної системи з незалежними
каналами зв’язку (рисунок 2.1).
Функціонально модулі поділяються на три
категорії:
¾ модулі взаємодії з пристроями СЦБ
(введення/виведення):
"КАСКАД-ТУ",
"КАСКАД-ТС",
"КАСКАД-ТВ";
¾ загальносистемні модулі:
"КАСКАД-МП", "КАСКАД-ММ";
¾ модулі живлення та електронного
крейту: "КАСКАД-ВЖ",
"КАСКАД-КР".
Кожен з модулів першої категорії взаємодіє з
мікропроцесорним контролером через
міжмодульну послідовну локальну мережу, яка забезпечує
зв’язок між модулями взаємодії з пристроями
СЦБ та модулем контролера міжмодульної мережі, який у
свою
чергу через системну шину (ISA96) взаємодіє з мікропроцесорним
контролером.
Для забезпечення високої надійності
та функціонування системи в різних режимах резервування в складі "ЛП
КАСКАД" передбачено дві локальних міжмодульні мережі, які об’єднують
модулі по основній і резервній мережах. У разі пошкодження
однієї з мереж або модуля, система
продовжує функціонувати, при цьому діагностика стану
пристроїв реєструє відповідну несправність. Модулі
живлення мають системи електронного захисту від перенапруг, перевищення
допустимого струму та температур з двох напрямків: від первинного джерела та
навантаження.
Загальносистемні модулі взаємодіють з
мікропроцесорним контролером через паралельну системну шину ISA96.
Відповідно, основний та резервний комплекти мають свою незалежну шину та
джерело живлення.
Адресація модулів взаємодії з
пристроями СЦБ апаратно виконана на печатній платі модуля крейту який виконує
функції електричного з’єднання модулів в відповідні схеми, підключення
роз’єднувачів взаємодії з пристроями СЦБ, захист ліній локальних мереж від електромагнітних
завад та несанкціонованого доступу. Розташовані модулі починаючи з місця №1,
при цьому на непарні місцях встановлені модулі основного комплекту, а на парні
- модулі резервного комплекту, на місці №14 розташовано мікропроцесорний
модуль, на місці №19 - модуль вторинного живлення, місця №15-17 призначені для
модулів модему (Рисунок 2.2).
.2 Осигналізування лінійного пункту
Лінійний пункті "Б" має
однопутні підходи з боку парного та непарного напрямків, на яких встановлені
поїзні світлофори (Ч, Н). Спеціалізовані колії мають вихідні світлофори тільки
в напрямку спеціалізації (Н1, Ч2), у протилежній горловині встановлені вихідні
світлофори (Н2, Ч1). Знеособлені колії мають вихідні світлофори з обох горловин
(Н3, Ч3, Н4, Ч4, Н5, Ч5). Маневрові світлофори встановлені з тупиків (М3, М4),
з боку перегону - з ділянок колії НАП, ЧАП (М1, М2) та суміщені з поїзними
світлофорами (Н3, Ч3 та іншi)
[3]. Кількість сигнальних показань та тип світлофорів визначається Інструкцією
з сигналізації і ТРА станції. Кількість сигнальних показань та тип світлофорів
визначається Інструкцією з сигналізації і ТРА станції. На схематичному плані
станції "Б" зображено спеціалізацію колій; місця встановлення
світлофорів; нумерація стрілок та світлофорів; найменуваня стрілочних,
безстрілочних ділянок та колій приймання/відправлення; будівля поста
електричної централізації.
Рисунок 2.3 - Схематичний план
станції з осигналізуванням
2.3 Складання переліків об’єктів
управління і контролю
диспетчерський пост
канал зв'зок
Зчитування інформації про стан
контрольованих об’єктів, а також керування ними в системах управління
технологічними процесами здійснюється мікропроцесорними контролерами (МПК) за
допомогою модулів введення/виведення (або відповідними елементами у складі
МПК). В МСДЦ "КАСКАД" функції МПК виконують модулі мікропроцесорних
контролерів "КАСКАД-МП", функції модулів введення - модулі
телесигналізації "КАСКАД-ТС", виведення командної інформації здійснюють
модулі "КАСКАД-ТУ" і "КАСКАД-ТВ".
В МСДЦ "КАСКАД" джерелами
формування вхідних сигналів є електричні кола (контакти колійних, замикаючих,
сигнальних, стрілочних контрольних реле та ін.), що замикають кола
електроживлення ламп або світлодіодів табло. Входи
модулів вводу
підключаються паралельно лампам табло. Вся
інформація про стан станційних пристроїв ЗАТ,
яка виводиться на табло ЕЦ, буде надходити на входи модулів вводу
МСДЦ, а відповідно, може бути відображена на екрані монітора детального виду
станції на АРМ ДНЦ.
Перелік об’єктів
контролю станції "Б" наведено в таблиці 2.1 [4].
|
Таблиця 2.1 - Перелік об’єктів контролю на
станції "Б"
|
|
Тип об’єкта
контролю
|
Найменування об’єкта
контролю
|
Кількість, шт
|
Кількість кіл на 1 об’єкт
контролю, шт
|
Загальна кількість електричних кіл, шт
|
|
1 Стрілка без передавання на місцеве
управління(без подвійного управління)
|
1,3,5/7,9,2,4,6/8,10
|
8
|
2
|
16
|
|
2 Без стрілочні ділянки колії в горловині
станції
|
НАП, ЧАП
|
2
|
2
|
4
|
|
3 Стрілочні ділянки в горловині станції
|
1-5СП,7-9СП,
2-6СП, 8-10СП
|
4
|
2
|
8
|
|
4 Перед маршрутні ділянки колії
|
-
|
-
|
1
|
-
|
|
5 Колії приймання, відправлення
|
I,
2, 3, 4, 5
|
5
|
2
|
10
|
|
6 Ділянки наближення, відправлення
|
Ч1ПУ, Ч2ПУ, Н2ПУ, Н1ПУ
|
4
|
2
|
8
|
|
7 Переїзди станційні
|
-
|
-
|
-
|
-
|
|
8 Вхідні світлофори з витримкою часу
|
-
|
-
|
-
|
-
|
|
9 Вхідні світлофори без витримки часу на
вікриття
|
Н, Ч
|
2
|
4
|
8
|
|
10 Вихідні і маршрутні світлофори з витримкою
часу на відкриття
|
-
|
-
|
-
|
-
|
|
11Вихідні і маршрутні світлофори без витримки
часу на відкриття
|
НI,
H2,
Н3,
Н4,
Н5,
Ч1, Ч2,
Ч3, Ч4, Ч5
|
10
|
3
|
30
|
|
12 Повторювачі вхідних світлофорів
|
-
|
-
|
-
|
-
|
|
13 Маневрові світлофори суміщені з
огороджувальними
|
-
|
-
|
-
|
-
|
|
14 Маневрові світлофори
|
М1, М3, М4, М2
|
4
|
2
|
8
|
|
15 Маневрові світлофори, що передаються на
місцеве керування
|
-
|
-
|
-
|
-
|
|
16
Земля
|
"Земля"
|
1
|
1
|
1
|
|
17
Відміна
|
"Відм.
групова" "Відм.
поїзного" "Відм.
маневр." "Відм.
вільного"
|
4
|
1
|
4
|
|
18 Штучне
розмикання
|
"ШР"
|
1
|
1
|
1
|
|
19 Встановлення
маршруту
|
"Встан.
поїзного парного" "Встан.
маневр. не парного" "Встан.
поїзного не парного" "Встан.
маневр. парного"
|
4
|
1
|
4
|
|
20
Фідери
|
"I фідер",
"II фідер"
|
2
|
2
|
4
|
|
21
Конт. зайн. пер
|
"НКП",
"ЧКП"
|
2
|
2
|
4
|
|
22
Напрям руху на перегоні(для одноколійних перегонів)
|
"Парне
прийм." "Парне відпр."
"Непарне прийм"
"Непарне відпр."
|
4
|
1
|
4
|
|
23
Замикання стрілок
|
"НЗС",
"ЧЗС"
|
2
|
1
|
2
|
|
24
Подвійне зниження напруги
|
"ДСН"
|
1
|
1
|
1
|
|
25
Контроль перегорання запобіжників
|
"КПЛ"
|
1
|
1
|
1
|
|
26
Макет стрілки
|
"Макет"
|
1
|
3
|
3
|
|
27
Режим сигналів
|
"РР",
"АР",
"НН",
"ДН"
|
4
|
1
|
4
|
|
28
Резервна електро станція(контроль ДГА)
|
"РЕЗ",
"РЕК",
"Т"
|
3
|
1
|
3
|
|
29 Контроль батареї
|
"Б"
|
1
|
1
|
1
|
|
30
Дозвіл відправлення
|
"РОН", "РОЧ"
|
2
|
1
|
2
|
|
31
Сигналізація
|
"Охоронна
ДСП"
"Пожежна ДСП"
"Охоронна РЕЛ"
"Пожежна
РЕЛ"
|
4
|
1
|
4
|
|
32
Високовольтні роз’єднувачі
|
"РВЧ",
"РВН"
|
2
|
1
|
2
|
|
|
|
|
140
|
Отримані чисельні значення кількості
об’єктів контролю для заданої станції будуть використані при визначенні
необхідної кількості модулів ТС.
Для визначення необхідної кількості
модулів телеуправління необхідно мати інформацію про кількість об’єктів
керування на станції, що проектується, і кількість команд, які передаються на
адресу даного лінійного пункту. Наведений у таблиці перелік команд керування
тільки орієнтовно дає змогу визначити необхідну кількість виходів модулів
телеуправління, так як кількість команд, які передаються на адресу того чи
іншого лінійного пункту здебільшого перевищує кількість об’єктів керування:
наприклад, дві команди - "Замикання стрілок у непарній горловині",
"Розмикання стрілок у непарній горловині", - змінюють стан одного
об’єкта керування - реле Рзч.
|
Таблиця
2.2
- Перелік команд керування
|
|
Команди
керування
|
Об'єкт
керування
|
Кількість
вих. МТУ
|
Всього
|
|
1
Відміна набору
|
кн.
"ОН"
|
1
|
1
|
|
2
Відміна маршруту
|
реле
ВОГ, ОГ1, ОГ
|
2
|
2
|
|
3
Передавання стрілки в "+" або "-"
|
"Стр.
комутатор"
|
|
|
|
|
ПУ,
ПМ:
|
|
|
|
|
стр.1
|
2
|
16
|
|
стр.3
|
2
|
|
|
|
стр.5/7
|
2
|
|
|
|
стр.9
|
2
|
|
|
|
стр.2
|
2
|
|
|
|
стр.4
|
2
|
|
|
|
стр.6/8
|
2
|
|
|
|
стр.10
|
2
|
|
|
4
Зміна напряму руху
|
кн."ЧСН",
кн."НСН"
|
2
|
2
|
|
5
Переведення станц. на СУ
|
реле
СУ
|
1
|
1
|
|
6 Дозвіл
відправлення
|
реле
"РОЧ", "РОН"
|
2
|
2
|
|
7 Вмик./вимик.
гудка
|
реле
"ВАЧ","ВАН"
|
2
|
2
|
|
8 Замик./розм.
Стрілок
|
реле
"РЗЧ", "РЗН"
|
2
|
2
|
|
9 Відкриття
поїзного сигналу
|
кн.св."Н"
|
1
|
12
|
|
|
кн.св."Ч"
|
1
|
|
|
кн.св."Ч1"
|
1
|
|
|
|
кн.св."Ч2"
|
1
|
|
|
|
кн.св."Ч3"
|
1
|
|
|
|
кн.св."Ч4"
|
1
|
|
|
|
кн.св."Ч5"
|
1
|
|
|
|
кн.св."Н1"
|
1
|
|
|
кн.св."Н2"
|
1
|
|
|
|
кн.св."Н3"
|
1
|
|
|
|
кн.св."Н4"
|
1
|
|
|
|
кн.св."Н5"
|
1
|
|
|
10
Відкриття маневрових сигналів
|
кн."М1"
|
1
|
19
|
|
|
кн."М3"
|
1
|
|
|
|
кн."М2"
|
1
|
|
|
|
кн."М4"
|
1
|
|
|
кн."Ч1М"
|
1
|
|
|
|
кн."Ч2М"
|
1
|
|
|
|
кн."Ч3М"
|
1
|
|
|
|
кн."Ч4М"
|
1
|
|
|
|
кн."Ч5М"
|
1
|
1
|
|
|
|
кн."Н2М"
|
1
|
|
|
|
кн."Н3М"
|
1
|
|
|
|
кн."Н4М"
|
1
|
|
|
|
кн."Н5М"
|
1
|
|
|
11
Кінц.кн.поїзн.марш.(на спец. коліях)
|
кн."IП"(IПНК)
|
1
|
2
|
|
|
кн."IIП"(IIПНК)
|
1
|
|
|
12
Штучне розмикання маршруту
|
реле
ГРИ, ГРИП
|
|
|
|
|
ЧАП
|
1
|
11
|
|
|
НАП
|
1
|
|
|
|
IПРИ
|
1
|
|
|
|
IIПРИ
|
1
|
|
|
|
3ПРИ
|
1
|
|
|
|
4ПРИ
|
1
|
|
|
|
5ПРИ
|
1
|
|
|
|
1-5РИ
|
1
|
|
|
|
7-9РИ
|
1
|
|
|
|
2-6РИ
|
1
|
|
|
|
8-10РИ
|
1
|
|
|
13
Допоміжне управління
|
реле
ВСУ
|
1
|
1
|
|
14
Подвійне зниження напруги
|
кн."ДСН"
|
1
|
1
|
|
15
Замик./розмик. в/воль-тних
роз'эднувачів
|
реле
"РВЧ", "РВН"
|
2
|
2
|
|
у
горловинах станції
|
|
|
|
|
Всього
|
|
|
76
|
2.4 Складання переліків об’єктів
управління і контролю
Від стану контрольованих об’єктів залежить режим
горіння ламп індикації на
табло (пульті керування) ЕЦ. Входи модулів ТС підключені до контактів
контрольованих об'єктів (колійних реле, стрілочних,
контрольних, замикаючих реле, реле
напрямку і т.д.) паралельно лампам табло, тому при замиканні/розмиканні
контактів включається/виключається відповідна лампа і змінюється напруга на
вході модуля вводу, отже
напруга на входах модулів несе інформацію про стан контрольованих об'єктів.
Стан відповідного ключа модуля вводу (замкнений/розімкнений)
визначає стан підключеного до його виходу об'єкта керування. Для спрощення
процедури і формалізації процесу розробки монтажних схем модулів вводу-виводу,
усім вхідним і вихідним змінним надано
умовні імена. Перелік вхідних змінних приведено в
таблиці 2.3.
|
Таблиця 2.3 - Перелік вхідних змінних для
станції ЛП Б
|
|
Позначення
змінної
|
Назва
змінної
|
Примітка
|
|
Стрілки
|
|
Стр.
1_З
|
Зелена
лампа стр.1
|
Пульт ЕЦ (стр.
ком.)
|
|
Стр.
1_Ж
|
Жовта
лампа стр. 1
|
|
|
Стр.
3_З
|
Зелена
лампа стр.3
|
|
|
Стр.
3_Ж
|
Жовта
лампа стр. 3
|
|
|
Стр.
5/7_З
|
Зелена
лампа стр.5/7
|
|
|
Стр.
5/7_Ж
|
Жовта
лампа стр. 5/7
|
|
|
Стр.
9_З
|
Зелена
лампа стр.9
|
|
|
Стр.9_Ж
|
Жовта
лампа стр. 9
|
|
|
Стр.
2_З
|
Зелена
лампа стр.2
|
|
|
Стр.
2_Ж
|
Жовта
лампа стр. 2
|
|
|
Стр.
4_З
|
Зелена
лампа стр.4
|
|
|
Стр.
4_Ж
|
Жовта
лампа стр. 4
|
|
|
Стр.
6/8_З
|
Зелена
лампа стр.6/8
|
|
|
Стр.
6/8_Ж
|
Жовта
лампа стр. 6/8
|
|
|
Стр.
10_З
|
Зелена
лампа стр.10
|
|
|
Стр.
10_Ж
|
Жовта
лампа стр. 10
|
|
|
Всього
для стрілок:
|
16
|
|
Ділянки
колії в горловинах
|
|
НАП_Б
|
Біла
лампа ділянки НАП
|
Лампи табло
|
|
НАП_Чер.
|
Червона
лампа ділянки НАП
|
|
|
СП
1-5_Б
|
Біла
лампа ділянки 1-5 СП
|
|
|
СП
1-5_Чер.
|
Червона
лампа ділянки 1-5 СП
|
|
|
СП
7-9_Б
|
Біла
лампа ділянки 7-9
СП
|
|
|
СП
7-9_Чер.
|
Червона
лампа ділянки 7-9
СП
|
|
|
ЧАП_Б
|
Біла
лампа ділянки ЧАП
|
|
|
ЧАП_Чер.
|
Червона
лампа ділянки ЧАП
|
|
|
СП
2-6_Б
|
Біла
лампа ділянки 2-6
СП
|
|
|
СП
2-6_Чер.
|
Червона
лампа ділянки 2-6
СП
|
|
|
СП
8-10_Б
|
Біла
лампа ділянки 8-10
СП
|
|
|
СП
8-10_Чер.
|
Червона
лампа ділянки 8-10
СП
|
|
|
Всього
для ділянок кол.:
|
12
|
|
Колії
приймання-відправлення
|
|
1
П_Б
|
Біла
лампа колії 1 П
|
Лампи табло
|
|
1
П_Чер.
|
Червона
лампа колії 1 П
|
|
|
2
П_Б
|
Біла
лампа колії 2 П
|
|
|
2
П_Чер.
|
Червона
лампа колії 2 П
|
|
|
3
П_Б
|
Біла
лампа колії 3 П
|
|
|
3
П_Чер.
|
Червона
лампа колії 3 П
|
|
|
4 П_Б
|
Біла
лампа колії 4 П
|
|
|
4 П_Чер.
|
Червона
лампа колії 4 П
|
|
|
5
П_Б
|
Біла
лампа колії 5 П
|
|
|
5
П_Чер.
|
Червона
лампа колії 5 П
|
|
|
Всього
для п/в колій:
|
10
|
|
Ділянки
віддалення-наближення
|
|
Н1ПУ_Б
|
Біла
лампа ділянки Н1ПУ
|
Лампи табло
|
|
Н1ПУ_Чер.
|
Червона
лампа ділянки Н1ПУ
|
|
|
Н2ПУ_Б
|
Біла
лампа ділянки Н2ПУ
|
|
|
Н2ПУ_Чер.
|
Червона
лампа ділянки Н2ПУ
|
|
|
Ч1ПУ_Б
|
Біла
лампа ділянки Ч1ПУ
|
|
|
Ч1ПУ_Чер.
|
Червона
лампа ділянки Ч1ПУ
|
|
|
Ч2ПУ_Б
|
Біла
лампа ділянки Ч2ПУ
|
|
|
Ч2ПУ_Чер.
|
Червона
лампа ділянки Ч2ПУ
|
|
|
Всього
для діл. віддал.-наближ.:
|
8
|
|
Вхідні
світлофори
|
|
Ч_З
|
Зелена
лампа св. Ч
|
Лампи табло
вхідних світлофорів
|
|
Ч_Б
|
Біла
лампа св. Ч
|
|
|
Ч_Зк
|
Зелена
комірка св. Ч
|
|
|
Ч_Чер.
|
Червона
лампа св. Ч
|
|
|
Н_З
|
Зелена
лампа св. Н
|
|
|
Н_Б
|
Біла
лампа св. Н
|
|
|
Н_Зк
|
Зелена
комірка св. Н
|
|
|
Н_Чер.
|
Червона
лампа св. Н
|
|
|
Всього
для вхідних св.:
|
8
|
|
Вихідні
світлофори
|
|
Ч1_З
|
Зелена
лампа св. Ч1
|
Лампи табло
вихідних світлофорів
|
|
Ч1_Б
|
Біла
лампа св. Ч1
|
|
|
Ч1_Зк
|
Зелена
комірка св. Ч1
|
|
|
Ч2_З
|
Зелена
лампа св. Ч2
|
|
|
Ч2_Б
|
Біла
лампа св. Ч2
|
|
|
Ч2_Зк
|
Зелена
комірка св. Ч2
|
|
|
Ч3_З
|
Зелена
лампа св. Ч3
|
|
|
Ч3_Б
|
Біла
лампа св. Ч3
|
|
|
Ч3_Зк
|
Зелена
комірка св. Ч3
|
|
|
Ч4_З
|
Зелена
лампа св. Ч4
|
|
|
Ч4_Б
|
Біла
лампа св. Ч4
|
|
|
Ч4_Зк
|
Зелена
комірка св. Ч4
|
|
|
Ч5_З
|
Зелена
лампа св. Ч5
|
|
|
Ч5_Б
|
Біла
лампа св. Ч5
|
|
|
Ч5_Зк
|
Зелена
комірка св. Ч5
|
|
|
Н1_З
|
Зелена
лампа св. Н1
|
|
|
Н1_Б
|
Біла
лампа св. Н1
|
|
|
Н1_Зк
|
Зелена
комірка св. Н1
|
|
|
Н2_З
|
Зелена
лампа св. Н2
|
|
|
Н2_Б
|
Біла
лампа св. Н2
|
|
|
Н2_Зк
|
Зелена
комірка св. Н2
|
|
|
Н3_З
|
Зелена
лампа св. Н3
|
|
|
Н3_Б
|
Біла
лампа св. Н3
|
|
|
Н3_Зк
|
Зелена
комірка св. Н3
|
|
|
Н4_З
|
Зелена
лампа св. Н4
|
|
|
Н4_Б
|
Біла
лампа св. Н4
|
|
|
Н4_Зк
|
Зелена
комірка св. Н4
|
|
|
Н5_З
|
Зелена
лампа св. Н5
|
|
|
Н5_Б
|
Біла
лампа св. Н5
|
|
|
Н5_Зк
|
Зелена
комірка св. Н5
|
|
|
Всього
для вих. св.:
|
30
|
|
Маневрові
світлофори
|
|
М1_Б
|
Біла
лампа св. М1
|
Лампи табло
маневров. світлофорів
|
|
М1_Зк
|
Зелена
комірка св. М1
|
|
|
М2_Б
|
Біла
лампа св. М2
|
|
|
М2_Зк
|
Зелена
комірка св. М2
|
|
|
М3_Б
|
Біла
лампа св. М3
|
|
|
М3_Зк
|
Зелена
комірка св. М3
|
|
|
М4_Б
|
Біла
лампа св. М4
|
|
|
М4_Зк
|
Зелена
комірка св. М4
|
|
|
Всього
для маневрових світлофорів:
|
8
|
|
Сигналізатор
заземлення
|
|
ЗЕМЛЯ
|
Червона
лампа сигналізатора
|
|
|
Всього
для сигналізатора:
|
1
|
|
Відміна
маршруту
|
|
ОТ_ГР
|
Червона
лампа групової відміни
|
Лампи
табло
|
|
ОТ_МАН
|
Черв.
лампа відміни ман. маршр.
|
|
|
ОТ_СВ
|
Черв.
лампа відміни вільн. маршр.
|
|
|
ОТ_П
|
Черв.
лампа відміни поїзн. маршр.
|
|
|
Всього
для відміни маршруту:
|
4
|
|
Штучне
розмикання
|
|
ШР
|
Черв.
лампа штучного розмикан.
|
|
|
Всього
для штучного розмикання:
|
1
|
|
Встановлення
маршрутів
|
|
ВСТМ_Н_Ж
|
Біла
лампа катег. маршр., що встановл.
|
Лампи
табло контр. Н.Г.
|
|
ВСТМ_Н_З
|
Зел.
лампа катег. маршр., що встановл.
|
|
|
ВСТМ_Ч_Ж
|
Біла
лампа катег. маршр., що встановл.
|
|
|
ВСТМ_Ч_З
|
Зел.
лампа катег. маршр., що встановл.
|
|
Всього
для встановлення маршрутів:
|
4
|
|
Фідери
живлення
|
|
ФІД1_Чер.
|
Червона
лампа 1-го фідера
|
Лампи
табло
|
|
ФІД1_З
|
Зелена
лампа 1-го фідера
|
|
|
ФІД2_Чер.
|
Червона
лампа 2-го фідера
|
|
|
ФІД2_З
|
Зелена
лампа 2-го фідера
|
|
|
Всього
для фідерів:
|
4
|
|
Контроль
зайнятості перегону
|
|
НКП_Б
|
Біла
лампа непарного контролю
|
Лампи
табло
|
|
НКП_Чер.
|
Червона
лампа непарного контролю
|
|
|
ЧКП_Б
|
Біла
лампа парного контролю
|
Червона
лампа парного контролю
|
|
|
Всього
для контролю зайн. перегону:
|
4
|
|
Напрямок
руху на перегоні
|
|
ЧП_З
|
Зелена
лампа парного приймання
|
Лампи
табло
|
|
ЧО_Ж
|
Жовта
лампа парного відправлення
|
|
|
НП_З
|
Зелена
лампа непарного приймання
|
|
|
НО_Ж
|
Жовта
лампа непарного відправл.
|
|
|
Всього
для напрямку руху на перегоні:
|
4
|
|
Замикання
стрілок
|
|
НЗС_Чер.
|
Червона
лампа замикання непарн. стр.
|
Лампи
табло
|
|
ЧЗС_Чер.
|
Червона
лампа замикання парн. стр.
|
|
|
Всього
для замикання стрілок:
|
2
|
|
Подвійне
зниження напруги
|
|
ДСН_Чер.
|
Червона
лампа "ДСН"
|
|
|
Всього
для "ДСН"
|
1
|
|
Контроль
перегоряння запобіжників
|
|
КПА_Чер.
|
Чер.
лампа сигналіз. перегор. запобіжн.
|
|
Всього
для контролю перегор. запоб.:
|
1
|
|
Контрольно-габаритні
пристрої
|
|
КГЛ_Чер.
|
Червона
лампа контр.-габар.сигналіз.
|
|
|
Всього
для контр.-габаритних пристр.:
|
1
|
|
Дозвіл
відправлення
|
|
РОН_Б
|
Біла
лампа дозволу непарного відпр.
|
|
|
РОЧ_Б
|
Біла
лампа дозволу парного відпр.
|
|
|
Всього
для дозволу відправлення:
|
2
|
|
Режим
сигналів
|
|
РР_Б
|
Біла
лампа сигналу "PP"
|
Лампи
табло
|
|
АР_Б
|
Біла
лампа сигналу "АР"
|
|
|
НН_Б
|
Біла
лампа сигналу "НН"
|
|
|
ДН_Б
|
Біла
лампа сигналу "ДН"
|
|
|
Всього
для режимів сигналів:
|
4
|
|
Резервна
електростанція
|
|
Т_Чер.
|
Червона
лампа резервної "Т"
|
Лампи
табло
|
|
РЕЗ_З
|
Зелена
лампа резервної "РЕЗ"
|
|
|
РЕК_Чер.
|
Червона
лампа резервної "РЕК"
|
|
|
Всього
для рез. ел. станції:
|
3
|
|
Контроль
батареї
|
|
БАТ_Б
|
Біла
лампа контролю батареї
|
|
|
Всього
для контр. бат.:
|
1
|
|
Макет
стрілки
|
|
МакСТР_Чер.
|
Червона
лампа
|
Лампи
табло
|
|
МакСТР_Ж
|
Жовта
лампа
|
|
|
МакСТР_З
|
Зелена
лампа
|
|
|
Всього
для макету стр.:
|
3
|
|
Сигналізація
|
|
ОХР_ДСП
|
Охоронна
сигналізація ДСП
|
Лампи
табло
|
|
ОХР_РЕЛ
|
Охоронна
сигналізація релейної
|
|
|
ПОЖ_ДСП
|
Пожежна
сигналізація ДСП
|
|
|
ПОЖ_РЕЛ
|
Пожежна
сигналізація релейної
|
|
|
Всього
для сигналізації:
|
4
|
|
Всього:
|
136
|
Перелік вихідних змінних приведено в
таблиці 2.4.
|
Таблиця 2.4 - Перелік вихідних змінних для ЛП
Б
|
|
Позначення
змінної
|
Назва
змінної (зміст команди)
|
Примітки
|
|
Кн.
Св. Н
|
Вмикання
кнопкового реле св. Н
|
|
|
Кн.
Св. Ч
|
Вмикання
кнопкового реле св. Ч
|
|
|
Кн.
Св. Ч1П
|
Вмик.
кнопк. реле св. Ч1 (поїзних маршр.)
|
"Зелена"
кн. Св. Ч1
|
|
Кн.
Св. Ч1М
|
Вмик.
кнопк. реле св. Ч1 (маневр. маршр.)
|
"Біла"
кн. Св. Ч1
|
|
Кн.
Св. Ч2П
|
Вмик.
кнопк. реле св. Ч2 (поїзних маршр.)
|
"Зелена"
кн. Св. Ч2
|
|
Кн.
Св. Ч2М
|
Вмик.
кнопк. реле св. Ч2 (маневр. маршр.)
|
"Біла"
кн. Св. Ч2
|
|
Кн.
Св. Ч3П
|
Вмик.
кнопк. реле св. Ч3 (поїзних маршр.)
|
"Зелена"
кн. Св. Ч3
|
|
Кн.
Св. Ч3М
|
Вмик.
кнопк. реле св. Ч3 (маневр. маршр.)
|
"Біла"
кн. Св. Ч3
|
|
Кн.
Св. Ч4П
|
Вмик.
кнопк. реле св. Ч4 (поїзних марш.)
|
"Зелена"
кн. Св. Ч4
|
|
Кн.
Св. Ч4М
|
Вмик.
кнопк. реле св. Ч4 (маневр. марш.)
|
"Біла"
кн. Св. Ч4
|
|
Кн.
Св. Ч5П
|
Вмик.
кнопк. реле св. Ч5 (поїзних марш.)
|
"Зелена"
кн. Св. Ч5
|
|
Кн.
Св. Ч5М
|
Вмик.
кнопк. реле св. Ч5 (маневр. марш.)
|
"Біла"
кн. Св. Ч5
|
|
Кн.
Св. Н1П
|
Вмик.
кнопк. реле св. Н1 (поїзних марш.)
|
"Зелена"
кн. Св. Н1
|
|
Кн.
Св. Н1М
|
Вмик.
кнопк. реле св. Н1 (маневр. марш.)
|
"Біла"
кн. Св. Н1
|
|
Кн.
Св. Н2П
|
Вмик.
кнопк. реле св. Н2 (поїзних марш.)
|
"Зелена"
кн. Св. Н2
|
|
Кн.
Св. Н2М
|
Вмик.
кнопк. реле св. Н2 (маневр. марш.)
|
"Біла"
кн. Св. Н2
|
|
Кн.
Св. Н3П
|
Вмик.
кнопк. реле св. Н3 (поїзних марш.)
|
"Зелена"
кн. Св. Н3
|
|
Кн.
Св. Н3М
|
Вмик.
кнопк. реле св. Н3 (маневр. марш.)
|
"Біла"
кн. Св. Н3
|
|
Кн.
Св. Н4М
|
Вмик.
кнопк. реле св. Н4 (маневр. марш.)
|
"Біла"
кн. Св. Н4
|
|
Кн.
Св. Н4П
|
Вмик.
кнопк. реле св. Н4 (поїзних марш.)
|
"Зелена"
кн. Св. Н4
|
|
Кн.
Св. Н5П
|
Вмик.
кнопк. реле св. Н5 (поїзних марш.)
|
"Зелена"
кн. Св. Н5
|
|
Кн.
Св. Н5М
|
Вмик.
кнопк. реле св. Н5 (маневр. марш.)
|
"Біла"
кн. Св. Н5
|
|
Кн.
2П
|
Вмик.
кнопк. реле колії 2П
|
"Зелена"
кн. 2П
|
|
Кн.
1П
|
Вмик.
кнопк. реле колії 1П
|
"Зелена"
кн. 1П
|
|
Кн.
Св. М1
|
Вмик.
кнопк. реле св. М1
|
"Біла"
кн. Св. М1
|
|
Кн.
Св. М3
|
Вмик.
кнопк. реле св. М3
|
"Біла"
кн. Св. М3
|
|
Кн.
Св. М2
|
Вмик.
кнопк. реле св. М2
|
"Біла"
кн. Св. М2
|
|
Кн.
Св. М4
|
Вмик.
кнопк. реле св. М4
|
"Біла"
кн. Св. М4
|
|
Стр.
1ПУ
|
Перев.
стр. 1 в "плюсове" положення
|
Імітація
перемиканя стрілочного комутатора
|
|
Стр.
1МУ
|
Перев.
стр. 1 в "мінусове" положення
|
|
|
Стр.
3ПУ
|
Перев.
стр. 3 в "плюсове" положення
|
|
|
Стр.
3МУ
|
Перев.
стр. 3 в "мінусове" положення
|
|
|
Стр.
5/7ПУ
|
Перев.
стр.5/7 в "плюсове" положення
|
|
|
Стр.
5/7МУ
|
Перев.
стр. 5/7 в "мінусове" положення
|
|
|
Стр.
2ПУ
|
Перев.
стр. 2 в "плюсове" положення
|
|
|
Стр.
2МУ
|
Перев.
стр. 2 в "мінусове" положення
|
|
|
Стр.
4ПУ
|
Перев.
стр. 4 в "плюсове" положення
|
|
|
Стр.
4МУ
|
Перев.
стр. 4 в "мінусове" положення
|
|
|
Стр.
6/8ПУ
|
Перев.
стр. 6/8 в "плюсове" положення
|
|
|
Стр.
6/8МУ
|
Перев.
стр. 6/8 в "мінусове" положення
|
|
|
Стр.
10ПУ
|
Перев.
стр. 10 в "плюсове" положення
|
|
|
Стр.
10МУ
|
Перев.
стр. 10 в "мінусове" положення
|
|
|
СН_Н
|
Індикація
зміни напрямку руху
|
|
|
Кн.
СН._св. Н
|
Зміна
напрямку руху по непарному перегону
|
|
|
СН_Ч
|
Індикація
зміни напрямку руху
|
|
|
Кн.
СН._св. Н
|
Зміна
напрямку руху по парному перегону
|
|
|
Кн.
ОГ(ОГ)
|
Керування
груповим реле відміни ОГ
|
|
|
Кн.
ОГ(ВГ)
|
Керування
груповим реле відміни ВГ
|
|
|
Кн.
ОГ( Г)
|
Керування
груповим реле відміни Г
|
|
|
Кн.
ОГ( Г)
|
Керування
груповим реле відміни Г
|
|
|
СУ
|
Вмикання/вимикання
сезонного управління
|
вкл.-дозвіл;викл.-заборона
|
|
РОН
|
Дозвіл
відправлення в непарному напр.
|
вкл.-дозвіл;викл.-заборона
|
|
РОЧ
|
Дозвіл
відправлення в парному напр.
|
вкл.-дозвіл;викл.-заборона
|
|
ГРИ(ГРИ)
|
Управління
реле штучного розмик. ГРИ
|
норм.
розімкнен. контакт
|
|
ГРИ(ГРИП)
|
Управління
реле штучного розмик. ГРИП
|
норм.
замкнен. контакт
|
|
Кн.
2-6СП_РИ
|
Управління
інд. реле РИ секції 2-6СП
|
|
|
Кн.
8-10СП_РИ
|
Управління
інд. реле РИ секції 8-10СП
|
|
|
Кн.
1-5СП_РИ
|
Управління
інд. реле РИ секції 1-5СП
|
|
|
Кн.
7-9СП_РИ
|
Управління
інд. реле РИ секції 3-7СП
|
|
|
Кн.
1П_РИ
|
Управління
інд. реле РИ колії 1П
|
|
|
Кн.
2П_РИ
|
Управління
інд. реле РИ колії 2П
|
|
|
Кн.
3П_РИ
|
Управління
інд. реле РИ колії 3П
|
|
|
Кн.
4П_РИ
|
Управління
інд. реле РИ колії 4П
|
|
|
Кн.
5П_РИ
|
Управління
інд. реле РИ колії 5П
|
|
|
Кн.
НАП_РИ
|
Управління
інд. реле РИ секції НАП
|
|
|
Кн.
ЧАП_РИ
|
Управління
інд. реле РИ секції ЧАП
|
|
|
Кн.
ВУ
|
Управління
реле допоміжного упр. (ВСУ)
|
|
|
ВАЧ
|
Упр.
реле акуст. виклику в парній горловині
|
норм.
розімкнен. контакт
|
|
ВАН
|
Упр.
реле акуст. виклику в непарній горловині
|
норм.
розімкнен. контакт
|
|
МИ
|
Передавання
об'єктів на місцеве управління
|
|
|
РВЧ
|
Упр.
в/вольтними роз'єднувачами в парн. горл.
|
|
|
РВН
|
Упр.
в/вольтними роз'єднувачами в непарн. горл.
|
|
Кн.
ОН
|
Керування
реле відміни набору
|
|
|
Кн.
ДСН
|
Управління
режимом ДСН
|
|
|
Всього:
|
74
|
2.5 Розробка монтажних схем модулів
телеуправління і телесигналізації
Користуючись отриманими даними при
складанні таблиць переліку вхідних та вихідних змінних можна визначити
кількість модулів взаємодії з пристроями СЦБ, загальносистемних модулів,
електронного крейту та модулів живлення, користуючись технічними
характеристиками МСДЦ:
ТС=136/48=3;
ТУ(76-12)/32=2;
ТВ=12/12=1.
Підключення зовнішніх електричних
кіл здійснюється до клем клемних колодок, які входять до складу шафи управління
ЛП. Клемні
колодки підключаються до модулів ТУ, ТС, ТВ
та
ММ 32-жильними кабелями-шлейфами "ШС3-01.32".
Схему розміщення клемних колодок приведено на рисунку 2.4.
Рисунок 2.4 - Схема розміщення
клемних колодок
По загальному
проводу канали модулів ТС
об’єднані по три, до однієї групи підключені об’єкти,
що мають спільне джерело живлення. Модуль ТУ забезпечує комутацію електричних кіл
ЕЦ і розрахований на значний струм, тобто для підключення до одного об’єкта
управління мають два виводи (виводи 7 і 8 клемної колодки К41 модуля ТУ1 для
переводу стрілки 1/3 в "+"). Модуль телеуправління відповідальних
команд забезпечує подачу електричних сигналів на пристрої автоматики у вигляді
напруги, сформованої внутрішніми схемами з гальванічною ізоляцією кожного
сигналу. Кожний канал має зворотний контроль наявності
вихідного сигналу з двома незалежними сигналами
управління. Монтажні схеми клемних колодок
модулів, а також підключеня модулів ТУ, ТВ і ТС приведено в додатку Б.
2.6 Розробка схем узгодження
пристроїв МСДЦ з ЕЦ проміжних станцій
При встановленні маршрутів для
станції черговий послідовно натискає кнопки початку та кінця маршруту. При
цьому збуджуються кнопкові реле та реле напрямку, що фіксують напрямок та
категорію маршруту. За допомогою контактів реле РУ можливе управління станцією
як з АРМ ДНЦ, так і з пульта ЕЦ даної станції. МСДЦ після прийняття та
дешифрації команди ТУ повинна імітувати дії ДСП по встановленню маршруту, тобто
включити кнопкові реле початку та кінця маршруту, наприклад при прийомі на
першу колію з непарної сторони повинні включитися спочатку реле НК, а потім -
1ПНК. Для цього МТУ1 по команді МП контролера замикає ключ і на виводі К51-4 з’являється
полюс ПУ, приведе до включення реле НК. В момент розмикання ключа фіксується
напрямок та категорія маршруту. Після отримання від МП контролера команди на
включення реле кінця маршруту, на виході К51-30 клемної колодки модуля К51
модуля ТУ1 з’явиться полюс ПУ і
реле 1ПНК збуджується. Після розмикання ключа ТУ збуджується реле ОН, що фіксує
закінчення маршрутного набору. Схема кнопкових реле та реле напрямку приведено
в додатку В.
Для індивідуального переводу стрілки
(наприклад стр.4) МП контролер "КАСКАД МП" формує сигнал на
переведення стрілки в мінусове положення, при цьому відкривається ключ модуля
МТУ1, на виході К41-26 з’являється полюс ПУ, що приводить до збудження реле
4НПС, знеструмлення реле 4ОК та збуд-ження реле 4ППС, яке перекидає
поляризований якір та підключає обмотку жив-лення двигуна стрілочного приводу.
Після закінчення переводу контрольна інфор-мація надходить в МСДЦ через
замкнені фронтові контакти реле 4МК та вклю-чену лампу стрілочного комутатора,
паралельно якій підключено модуль ТС1 (полюс С на вході К11-14).
Схему управління стр. №4 приведено в додатку Г.
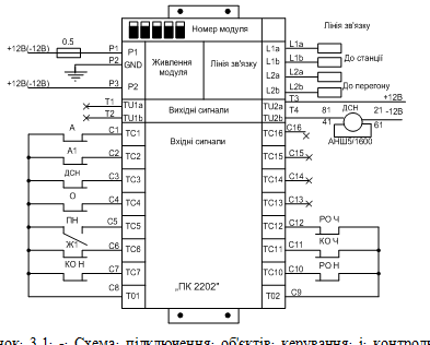
3.
Проектування підсистеми контролю стану перегінних пристроїв СЦБ
Для контролю за пристроями СЦБ на
перегоні в МСДЦ "КАСКАД" вбудована підсистема "ДК КАСКАД",
до складу якої входять мікропроцесорні контролери СК2202 і ПК2202. Модуль
мікропроцесорного контролера СК2202 необхідний для
індикації стану сигнальних установок на
перегоні (до 14 сигнальних установок через
інтерфейс RS485) та інтерфейсу
з системами ДЦ вищого рівня,
розташований
на посту ЕЦ залізничної станції. Внутрішнім
перемикачем встановлюється номер модуля для формування унікального ключа-адресу
сигнальної установки перегону. Внутрішні два модеми
- пристрої
доступу, призначені для
підтримки протоколів обміну по локальній мережі "DKnet",
що приведена в додатку Д. Структурна схема модуля приведена на рисунку 3.1.
Рисунок 3.1 - Структурна схема
модуля СК2202
На модулі МП контролеру ПК2202 внутрішнім
перемикачем встановлюється номер модуля для "прив’язки" до конкретної
сигнальної установки перегону. Внутрішні два модеми - пристрої доступу
призначені для підтримки протоколів обміну по локальній мережі "DKnet".
Структурну схему модуля наведена на рисунку 3.2.
Рисунок 3.2 - Структурна схема
модуля ПК2202
В таблиці 3.1 представлено типові
схемні рішення по підключенню електричних кіл сигнальної установки №7/6.
Таблиця 3.1 - Підключення
електричних кіл сигнальної установки №7/6,
що наведена на рисунку 3.3.
Рисунок 3.1 - Схема
підключення об'єктів керування і контролю спареної сигнальної установки № 7/6
до ПК 2202
4.
Проектування локальних мереж передачі даних
.1 Розробка структурних схем мереж
зв’язку
Взаємодія модулів СК2202 з ПК2202
відбувається по локальній мережі зв’язку з умовною назвою "DKnet"
[5].
У складі комплексу "ЛП КАСКАД" програмно-апаратними засобами
забезпечується зовнішній інтерфейс RS485,
за допомогою якого здійснюється включення системи диспетчерського контролю
"ДК КАСКАД" в МСДЦ "КАСКАД". У складі комплексу "ЦП
КАСКАД" застосовується локальна мережа кільцевого типу "LPnet"
- для підключення комплексів "ЛП КАСКАД" станцій дільниці; локальна
мережа "Ethernet"
- для підключення АРМ диспетчерського персоналу; глобальна мережа "CPnet"
- для об’єднання декількох комплексів "ЦП КАСКАД" в єдину
інформаційно-обчислювальну систему вищого рівня. Для підтримки локальних мереж
та мережних відділених підключень у складі комунікаційного обладнання
використовуються аналогові та цифрові модеми, комутатор "Ethernet"
з багато портовим пристроєм канального рівня. Локальна мережі "LPnet"
приведена в додатку Ж .
.2 Розрахунок терміну
транспортування інформації локальною мережею кільцевого типу
Допустимий термін транспортування
інформації складає не більше 6 с, тому для остаточного вибору типу мережі та
перевірки її працездатності нижче приводиться розрахунок терміну
транспортування інформації при пошкодженні лінії зв’язку між ЦП та ЛП Б. При
цьому транспортування інформації здійснюється послідовно від ст. Б до ст. В,
від ст. В до ст. Д і так далі до ЦП. Час передачі
одного інформаційного пакета пристроями "ЛП КАСКАД" визначається за
формулою:
Тпрд =(Ts+Trp+Tv),(4.1)
де Ts
- затримка МП процесора "ЛП КАСКАД" при формуванні пакету, с (Ts
=0.02); Trp
- затримка модема (Round
Trip) "ЛП
КАСКАД", с (Trp=0.04-0.06);
Tv - затримка
передачі інформаційного пакету, пов’язана зі швидкістю обміну, с. Tv
- розрахунковий параметр, який залежить від швидкості обміну по мережі, розміру
інформаційного пакету, ступеню захисту інформації від трансформації сигналів
ТУ, ТС. Для
МСДЦ "КАСКАД":
Tv=1/V. N. k,(4.2)
де V - швидкість передачі пакету в
мережі, bps (біт за секунду);
N - чисельність дискретних сигналів об’єктів
контролю (ТС);
K=2,2 - коефіцієнт, який враховує захист
інформації та технологічне оформлення пакету.
Враховуючи, що в процесі передавання інформації
з однієї станції на іншу задіяні два модеми (передавач і приймач), загальна
затримка транспортування повинна враховувати і затримку приймального модему Trp.
Таким чином, загальна затримка передачі пакету визначається виразом:
Тпрд =(Ts+Trp+Tv)
+Trp (4.3)
Кількість об’єктів
контролю на ЛП за формулою:
N=k*NK,
(4.4)
де k-
коефіцієнт, що враховує віддаленість данного ЛП від ЛП К;
NK-
кількість об’єктів контролю на ЛП К.
ЛП Б: NБ=74+(12*11)+8=214
о.к.;
ЛП А: NА=1,1*214
=236 о.к.;
ЦП: NЦП=1,1*214
=236 о.к.;
ЛП В: NВ=1,21*214
=260 о.к.;
ЛП Г: NГ=1,33*214
= 286 о.к.;
ЛП Д: NД=1,46*214
=314 о.к.;
ЛП Е: NЕ=1,61*214
=345 о.к.;
ЛП Ж: NЖ=1,77*214
= 380 о.к.;
ЛП З: NЗ=1,95*214
= 418 о.к.;
ЛП К: NК=2,14*214
= 460 о.к.;
ЛП Л: NЛ=2,36*214
= 506 о.к.
Знайдемо змінні Тпрд та Tv
для кожного ЛП при пошкодження лінії зв’язку між станцією "Б"
і сервером ЦП (1 сегмент):
ЛП Б:
Tv=1/28800∙74∙2.2=0,0056527
с
Тпрд=0.02+0.06+0,0056527
+0.06=0,1456527
с
ЛП А:
N=74+236=310
Tv=1/28800∙310∙2.2=0,0236805
с
Тпрд=0.02+0.06+0,0236805+0.06=0,1636805
с
ЛП ЦП:
N=236+310=546
Tv=1/28800∙546∙2.2=
0,0417083 с
Тпрд=0.02+0.06+
0,0417083+0.06=0,1817083
с
Термін
транспортування інформації для 1 сегмента
становить:
Т1 = 0,1456527
+0,1636805+0,1817083 =0,491041583 с
Знайдемо змінні Тпрд та Tv
для кожного ЛП при пошкодження лінії зв’язку між станцією "В"
і сервером ЦП (2 сегмент):
ЛП В: Tv=1/28800∙260∙2.2=
0,019861с
ЛП Г:
N=260+286=546
Tv=1/28800∙546∙2.2=0,0417083
с
Тпрд=0.02+0.06+0,0417083+0.06=0,1817083с
ЛП Д: N=546+314=860
Tv=1/28800∙860∙2.2=0,065694с
Тпрд=0.02+0.06+0,065694+0.06=0,205694с
ЛП Е: N=860+345=1205
Tv=1/28800∙1205∙2.2=
0,09204861с
Тпрд=0.02+0.06+0,09204861+0.06=0,23204861с
ЛП Ж:
N=1205+380=1585
Tv=1/28800∙1585∙2.2=
0,12107638 с
Тпрд=0.02+0.06+0,12107638+0.06=0,26107638с
ЛП З:
N=1585+418=2003
Tv=1/28800∙2003∙2.2=0,15300694
с
Тпрд=0.02+0.06+0,15300694+0.06=0,29300694
с
ЛП К:
N=2003+460=2463
Tv=1/28800∙2463∙2.2=0,187916
с
Тпрд=0.02+0.06+0,187916+0.06=0,327916
с
ЛП Л:
N=2463+506=2969
Tv=1/28800∙2969∙2.2=0,22679861с
Тпрд=0.02+0.06+0,22679861+0.06=0,36679861
с
ЛП ЦП:
N=2969+236=3205
Tv=1/28800∙3205∙2.2=0,24482638
с
Тпрд=0.02+0.06+0,24482638+0.06=0,38482638
с
Термін
транспортування інформації для 2 сегмента
становить:
Т2=0,159861+0,1817083+0,205694+0,23204861+0,26107638+0,29300694+
+0,327916+0,36679861+0,38482638 = 2,4058 с
Оскільки в розрахунку не враховані
можливі пошкодження інформаційних пакетів - відповідно, повторні запити серверу
та повторні передачі інформаційних пакетів; не враховані втрати часу на
передачу діагностичної інформації, команд телеуправління ТУ, ТВ та підтверджень
їх достовірності та виконання; не враховані втрати часу, пов’язані з можливим
виникненням черг по станціях дільниці на передачу інформаційних пакетів,
адаптацію модемів до зміни умов транспортування інформації на фізичному рівні
(зміна рівня сигналу, синхронізація, тестування, при пошкодженні лінії зв’язку
- повторне встановлення зв’язку) [1,4,6].
Тому в реальних
умовах експлуатації локальних мереж зв’язку наведений вище розрахунковий термін
транспортування інформації необхідно помножити на коефіцієнт надійності (Кн
=1,5-2,0).
Реальний термін становить:
для 1 сегмента:
Т1∙
Кн = 0,491∙2 = 0,982 с
для 2 сегмента:
Т2∙
Кн = 2,4058∙2 = 4,816 с
Отриманий в результаті розрахунків
термін транспортування відповідає вимогам нормативних документів (до 6 с). Отже
кільцева топологія локальної мережі може експлуатуватися на даній дільниці.
Список використаних джерел
1. Мікропроцесорна
диспетчерська централізація "КАСКАД"/ М.І.Данько, В.І.Мойсеєнко,
В.З.Рахматов, В.І.Троценко, М.М.Чепцов: Навч. посібник.- Харків, 2005 - 176с.
. Мікропроцесорна система
диспетчерської сигналізації "КАСКАД". Лінійний пункт "ЛП
КАСКАД". Технічне описання. 13436911.1 84 154.ТО.90.02.
. Сапожников В.В. Станционные
системы автоматики и телемеханики. - М.: Транспорт, 1997.
. Нейчев О.В., Ушаков М.В.
Методичні вказівки до виконання курсового проекту "Обладнання дільниці
залізниці мікропроцесорною системою диспетчерської централізації КАСКАД"
№686, Харків, 2006-58 с.
. Мікропроцесорна система
диспетчерської сигналізації "КАСКАД". Методика проектування мереж
зв’язку. 13436911.1 84 154.М3.10.01.
. Коновалов Є.В., Козар Л.М.
Методичний посібник з вимог нормо- контролю у студентській навчальній
звітності. Харків, 2004.