|
IК, А
|
IБ, А
|
UБЕ, В
|
EВХ, В
|
|
0,50
|
0,020
|
0,890
|
1,103
|
|
1,10
|
0,040
|
1,056
|
1,481
|
|
1,35
|
0,050
|
1,113
|
1,644
|
|
1,60
|
0,060
|
1,175
|
1,813
|
|
1,80
|
0,068
|
1,230
|
1,952
|
П'ять значень струмів IКmах,
I1, I0, I2, IКmin визначаємо,
припускаючи, що в одному плечі каскаду протікає струм в 1+b, а в іншому в 1-b
раз відмінний від номінального, причому струми другого плеча мають зворотний
напрям. Тут b - коефіцієнт асиметрії плечей, який рівний b=0,1 ... 0,15.
(MN=NK.)
Рисунок 7 - Крізна динамічна
характеристика крайового каскаду
Вибираємо b=0,1. Тоді одержуємо
Далі визначаємо амплітуди гармонік
струму:
Знаходимо коефіцієнт
нелінійних спотворень для транзистора, що працює в режимі АВ по формулі:
. Розрахунок елементів
температурної стабільності
По вхідних і вихідних ВАХ визначаємо
наступні початкові дані:
Максимум колекторної напруги:
КЕm=ЕК-UКЕmin=15-5=10
В;
- Максимальний колекторний струм:
IКm=I’Кm-IК0=1,80-0,50=1,30
А;
Максимальний струм бази
Бmах=
I’Бmax- IБ0=0,068-0,020=0,048 А;
Максимальна напруга на базі
транзистора:
БЕmах=U’БЕmах
- UБЕ0=1,230-0,890=0,340 В.
Напруга спокою на базі UБЕ0=0,890
В.
Струм спокою колектораIК0=0,50
А.
Струм спокою бази IБ0=0,020
А
До температури середовища +550С
допустимо застосовувати діоди, які компенсують температурні зміни транзистора
VT1. Число діодів рівне кількості шунтованих їм p-n-переходів
транзистору, тобто ставимо діод, у якого прямий опір (1,06¸5,32)
Ом. По довіднику [9] вибираємо VD1: КД109A, параметри якого: Uпр.ср.=1,0
В; Uзвр.max=100 В; Iпр.ср.max=0,3 А; Iзвр=0,1
мА; Rпр=1,333 Ом.
Розраховуємо струм дільника
Д =
5·IБ0 =5·0,020=0,100 А.
Розраховуємо опір резистора R2:
PR2=
(EК - UБЕ0) / (IД+IБ0)=(15-0,89)/(0,100+0,020)=117,6
Ом.R2=(Iд+IБ0)2 R2=(0,100+0,020)2·120=1,73
Вт.
Вибираємо R2=120 Ом. Тоді
тип R2: МЛТ-2,5-120 Ом±5%.
Розраховуємо опір резистора R1:
1 =UБЕ0/
(IД+IБ0)=0,89/(0,100+0,020)=7,42 Ом.R1=(Iд+IБ0)2
R1=(0,100+0,020)2·7,5=0,108 Вт.
Вибираємо R1=7,5 Ом. Тоді
тип R1: МЛТ-0,125-7,5 Ом±5%.
Розраховуємо конденсатор С1 на
fB (див. рис. 8):
Рисунок 8 - RC - коло
ХС(fВ)
<< R1||R2
, звідси
Вибираємо С1=15 мкФ. Тоді
тип С1: К50-3-15 мкФ±20%-25В.
. Визначення коефіцієнта
трансформації вихідного трансформатора
Уніфіковані трансформатори (УПТ), що
погоджують, призначені для узгодження опорів джерела вхідного сигналу і
навантаження. Міжкаскадні УПТ типа ТМ/Т (міліватні/ватні) застосовуються для
узгодження однотактного і двотактного каскадів. Вони позначаються як ТМРтр-i
/ ТРтр-i, де Ртр - номінальна потужність у ВА (0,002;
0,005; 0,01; 0,5; 0,7; 2,0; 3,0; 4,0; 6,0; 25,0), i - номер типономіналу 1, 2,
…, m (14; 54; 69; 59; 69; 59; 45; 19; 30; 10 - m для відповідної номінальної
потужності).
Вихідні УПТ типу ТОТ забезпечують
задану РН і випускаються 6 серіями (всього 207 типономіналів). Вони
позначаються ТОТi, де i - номер типономіналу 1, 2, …, 189, 202, …, 219 і
випускаються на типові потужності 0,025 - 25 Вт.
У таблицях [6, дод. А і б] дані
параметри цих трансформаторів.
Конкретний типономінал
трансформатора вибирається по:
– потужності в навантаженні з
урахуванням ηТР:
РТР
≥
РН/ηТР
– коефіцієнту трансформації:
nТР=W2/W1nТР
≥ nрозр.
Рекомендується при виборі УПТ по
коефіцієнту трансформації nТР мати на увазі можливість послідовного
з'єднання первинних і вторинних обмоток, що дозволяє розширити дискретний ряд їх
значень.
Рисунок 9 - Принципова електрична
схема вихідних УПТ типа ТОТ36 - ТОТ189
Рисунок 10 - Принципова електрична
схема вихідних УПТ типа ТОТ202 - ТОТ219
Для трансформаторів ТОТ36 - ТОТ105
число витків рівне:1=W2; W1’=W1’’=W2’=W2’’=0,5·W1.
Для трансформаторів ТОТ105 - ТОТ189
число витків рівне:2=1,4·W1; W1’=W1’’=0,5·W1;
W2’= W2’’=0,3·W1;
Для трансформаторів ТОТ202 - ТОТ219
число витків рівне:2=0,7·W1; W2’= 0,14·W1;
W2’’=0,26·W1.
Розглянемо приклад вибору вихідного
УПТ.
У таблиці необхідно враховувати
наступні дані:
– вхідний опір трансформатора
RВХ.ТР;
– опір обмоток по постійному
струму, Ом:
первинної - r1 х 2;
вторинної - r2 х 2;
– максимальна напруга
первинної обмотки, В U1 х 2;
– число витків первинної
обмотки W1 х 2;
– коефіцієнт трансформації nТР.
З цих даних можна одержати опір
напівобмоток: W1’>r1/2; W2’>r2/2.
По значеннях RВХ.ТР = r1+r2/n2ТР+RН/n2ТР
і U1 можна знайти типову потужність трансформатора РТР:
.
Очевидно, що ми маємо різні варіанти
застосування одного і того ж трансформатора (навіть при однакових коефіцієнтах
n, ми маємо різні величини опорів обмоток).
Відзначимо, що вибір типу міжкаскадного
трансформатора простіший, оскільки в довідковій таблиці [6, дод. А] приводиться
типова потужність УПТ (як і в самому позначенні трансформатора). При цьому
також можливі варіації коефіцієнтів трансформації.
Знаходимо опір колекторного кола
транзистора VT1 по змінному струму (нахил бажаної прямої
навантаження - рис.5):
~=UКЭm/IКm=10/1,3=7,69
Ом.
Коефіцієнт трансформації знаходимо
по формулі:
.
Якщо активні опори первинної і
вторинної обмоток Тр2 визначити по наступних співвідношеннях [14,
90]:
r1п=0,58Ì R~(1-ηТР)=0,58·7,69·(1-0,8)=0,892
Ом.
.
Максимальна напруга первинної
обмотки рівна: U1=15х2 В.
Вхідний опір трансформатора:
Rвх.тр=r1+r2/n2тр+Rн/n2тр=0,892+0,420/0,8062+4/0,8062=7,70
Ом.
За одержаними даними вибираємо
типовий вихідний трансформатор ТОТ157, що погоджує, параметри якого:
) Вхідний опір: Rвх.тр
= 38 Ом;
) Опори обмоток по постійному току: r1п=1,2х2Ом.
r2п=6,7Ом.
) Максимальна напруга первинної
обмотки: U1=19 х 2 В.
) Число витків первинної обмотки W1=130
х 2;
Коефіцієнт трансформації: nтр=1,150.
Знаходимо типову потужність
трансформатора:
. Вибір радіатора
Знаходимо необхідну потужність,
розсіювану на колекторі транзистора:
,
;
, ξ=Uкэm/Е=10/15=0,667
I*Km=0,667·1,30=0,867
A;U*Km=0,667·10=6,67 B;
Радіатор для кожного з транзисторів
розраховуємо, виходячи з максимальної температури переходу Тпmax=
+1250 С.
, де RТТ =1 ˚С/Вт.
Вибираємо ребристий радіатор площею
S=51 см2.
Рисунок 11 - Ребристий радіатор
10. Розрахунок вхідних параметрів
каскаду
Вхідний опір двотактного каскаду: ВХ=
h11Е=7,08 Ом.
Вхідна потужність двотактного
каскаду:
PВХ=UБm·IБm/2=(0,340·0,048)/2=8,16
мВт.
Коефіцієнт підсилення по потужності:
KР=PН/PВХ
=5/8,16·10-3=612,7.
Коефіцієнт підсилення по напрузі:
Коефіцієнт підсилення по струму:
KI=KP/KU=612,7/18,6=32,9.
2. Розрахунок
однотактного трансформаторного підсилювача потужності на біполярному
транзисторі
Принципова схема однотактного
підсилювача потужності приведена на рисунку 14. Початковими даними для
розрахунку однотактного підсилювача потужності є вхідні параметри двотактного
підсилювача потужності:
. РН=8,16 мВт;
. RН=7,08 Ом;
. Верхня гранична частота fВ=16,0
кГц.
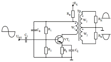
4.
Рисунок 12 - Схема однотактного
підсилювача потужності на біполярному транзисторі.
Розрахунок каскаду виконується
аналогічно розрахунку підсилювача із загальним емітером, але необхідно
враховувати, що підключення опору навантаження RН до колекторного
кола транзистора VT1 відбувається через трансформатор Тр1.
По змінному струму напруга колектора VT1 UК і напруга
навантаження UН зв'язані через коефіцієнт трансформації n:
. Вибір ККД трансформатора
здійснюємо по таблиці 1. hТР=0,65.
. Вибір
типу транзистора VT1. Розраховуємо необхідну допустиму потужність,
розсіювану на колекторі транзистора.
де hК
- ККД каскаду. Для транзисторів, що працюють в
режимі A hК=(0,25
¸0,30).
Вибираємо ККД каскаду рівним hК=0,25.
Розраховуємо граничну частоту, яка
повинна бути в 5¸10 разів більше
верхньої граничної частоти сигналу в навантаженні:
fГР=(5¸10)·fВ=(80
- 160) кГц.
Виходячи з одержаних даних,
вибираємо транзистор КТ201Б [13, 60], n-p-n параметри якого: UКЕmax=20
В, IКmax=20 мА, fГР=3 МГц, PКmax=150 мВ (при
температурі навколишнього середовища ТC=(-60¸+90)
0C.
. Вибір положення робочої точки
транзистора VT1 по постійному струму
Робочу точку А необхідно вибирати так,
щоб напруга живлення каскаду мала стандартне значення [див. додаток Б] при
цьому повинна виконуватися умова:
Робоча точка в режимі клас А
звичайно знаходиться у середині активної області роботи транзистора VT1.
Користуючись вхідними і вихідними ВАХ вибираємо положення робочої точки
транзистора VT1, що працює в режимі підсилення клас А. Виходячи з
цього, вибираємо:
Вибираємо ЕК=15 В.
Будуємо криву
Положення робочої точки А:
;
;
Рисунок 13- Вихідні ВАХ VT1.
Рисунок 14 - Вхідні ВАХ VT1
. Розрахунок опорів
резисторів RЕ, RФ.
Положення робочої точки А по
постійному струму забезпечується резисторами RЕ, RФ. і
ЕДС ЕК:
і оскільки
одержимо
остаточне співвідношення:
Дане співвідношення описує в
координатах
рівняння
прямої навантаження по постійному струму =I, яка на координатних осях відсікає
відрізки:
при
;
при
.
,
тоді
Вибираючи падіння напруги на
резисторі
рівним:
Одержимо величину даного
резистора:
Вибираємо
RЕ=(IЕ0)2
RЕ=(11,75+0,15)2·10-6·130=0,018 Вт.
Тоді тип резистора RЕ:
МЛТ-0,125-130 Ом±5 %.
Звідси
Выбираем
PRФ=(IК0)2
RФ=(11,75·10-3)2··470=0,065 Вт.
Тоді тип резистора RФ:
МЛТ-0,125-470 Ом±5 %.
. Нахил прямої навантаження
по змінному струму
Також як і для двотактного
каскаду коефіцієнт передачі
забезпечує будь-яке положення
прямої навантаження по змінному струму ~I. Повертаючи пряму навантаження ~I
навколо робочої точки А, вибираємо «найпотужніший» режим. Але в заданому
випадку транзистор VT1 вибраний з великим запасом по потужності і
практично при будь-якому положенні ~I ми можемо забезпечити необхідну
потужність в навантаженні.
. Розрахунок потужності, що
виділяється в колекторному колі VT1
Для цього скористаємося
співвідношенням, яке зв’язує потужність змінного струму Р~1, яка
поступає від колекторного кола каскаду в первинну обмотку трансформатора Тр1
і потужність, що віддається в навантаження РН:
.
На вихідних ВАХ вибираємо
і
.
Використовуючи
і
знаходимо
потужність змінного струму
, яка поступає від каскаду в
первинну обмотку трансформатора:
Необхідно, щоб виконувалася
умова:
Знаходимо:
Умова
виконується
(
можна
вибирати із запасом).
. Розрахунок нелінійних
спотворень каскаду
Для цього визначимо амплітуди
гармонік колекторного струму по крізній динамічній характеристиці
методом
п'яти ординат.
Вхідний опір знаходимо по
формулі:
;ВХ=1,5·h11E=1,5·450≈675 Ом.
Далі, переносячи точки на прямій
навантаження з вихідною ВАХ на вхідну, розраховуємо ЕДС еквівалентного джерела
живлення по формулі:
ЕВХ=UБЕ+IБ·RВХ,
Накопичені дані заносимо в табл.
3:
Таблиця 3
- Результати розрахунків нелінійних спотворень каскаду
|
IК, мА
|
IБ, мкА
|
UБЕ, В
|
EВХ, В
|
|
5,5
|
50
|
0,712
|
0,746
|
|
8,40
|
100
|
0,745
|
0,812
|
|
11,75
|
150
|
0,780
|
0,881
|
|
15,0
|
200
|
0,800
|
0,935
|
|
18,0
|
250
|
0,825
|
0,994
|
Будуємо крізну динамічну
характеристику
(рис. 15).
Рисунок 15 - Крізна динамічна
характеристика крайового каскаду
Рівні сигналу визначаються
таким чином: амплітуда
однозначно
визначається “трикутником потужності” АВС на вихідних ВАХ транзистора VT1.
По крізній динамічній характеристиці знаходимо номінальні струми:
;
;
;
.
;
Перевірка:
Знаходимо коефіцієнт
нелінійних спотворень для транзистора, що працює в режимі А по формулі:
Повинна виконуватися умова: γ
< 4% (2,36
< 4).
8. Розрахунок кола
дільника
Знаходимо струм дільника:
Д=
5·IБ0= 5·150·10-6= 0,75Ì10-3
А=0,75 мА.
Знаходимо опір резистора R2:
Вибираємо R2=3000
Ом.
РR2= IД2·
R2=(0,75·10-3)2·3000=1,70 мВт.
Тоді тип R2:
МЛТ-0,125-3 кОм±5%.
Знаходимо опір резистора R1:
Вибираємо R1=8200
Ом.
РR1= (IД+
IБ0)2· R1=(0,75+0,15)2·10-6·8200=6,64
мВт.
Тоді тип R1:
МЛТ-0,125-8,2 кОм±5 %.
. Розрахунок вихідного
трансформатора
Знаходимо опір навантаження
колекторного кола VT1 по змінному струму:
.
Коефіцієнт трансформації
знаходимо по формулі:
Знаходимо активний опір
первинної обмотки
Знаходимо активний опір
вторинної обмотки
де с=(0,5¸0,7)
За одержаними даними
вибираємо типовий трансформатор ТМ10-18, параметри якого:
Номінальна потужність РНОМ=0,01
В·А.
Вхідний опір RВХ=2256
Ом.
Вихідний опір RВИХ=35
Ом.
Коефіцієнт трансформації
n=0,135.
Опір первинної обмотки по
постійному струму r1= 166 Ом.
Опір вторинної обмотки по
постійному струму r2= 2,8 Ом.
. Розрахунок блокуючих
конденсаторів СФ,СЕ

звідси
Знаходимо ємність
конденсатора СФ:
СФmax=2·IК0
RФ=2·11,75·10-3·470=11,05 В.
Вибираємо СФ=0,22
мкФ. Тоді тип СФ: К53-1-0,22 мкФ±20%-20 В.
Знаходимо ємність
конденсатора СЕ:
СЕmax=2·IЕ0
RЕ=2·(11,75+0,15)·10-3·130=3,094 В.
Вибираємо СЕ =1,5
мкФ. Тоді тип СЕ: К53-1-0,75±20%-20 В.
. Визначення вхідних
параметрів каскаду
Знаходимо вхідний опір
каскаду:
Знаходимо вхідну потужність
каскаду
. Розрахунок розділового
конденсатора С1
Вибираємо С1 =0,27
мкФ. Тоді тип С1: К53-1-0,27 мкФ±20%-20 В.
. Коефіцієнт підсилення по
потужності
. Коефіцієнт посилення по
напрузі
. Коефіцієнт посилення по
струму
3. Розрахунок схеми узгодження
Схема узгодження є дільником напруги
на резисторі, що підстроюється (див. рис. 17).
Рисунок 16 - Принципова схема СУ.
Початкові дані для розрахунку:
напруга на вході СУ UВХ СС=U1=6
B;
напруга на виході СУ UВЫХ
СС=U2=0,6 В;
вхідний опір RДЖ=500 Ом.
Розрахунок: коефіцієнт розподілу
напруги:
Задаємося зміною a
рівним ±10%:
Вибираємо резистор R2,
що підстроюється, типа СП5-17-1кОм±5 %.
. Діапазон робочих температур:
-60…+125
С.
Розрахунок ведемо на середнє
значення: R2 =500 Ом.
Вибираємо згідно з ДСТУ: тип - МЛТ -
0.125 - 2,2 кОм±5% .
Вибираємо згідно з ДСТУ: тип - МЛТ -
0.125 - 24 кОм±5%.
Вихідний опір
. Тому, щоб
схема узгодження не шпунтувала вихід джерела сигналу, необхідне виконання
умови:
R1+R2+R3>>
.
Для даного розрахунку:
1+R2+R3=24000+500+2200>>500
Ом, тобто ця умова виконується.
. Розрахунок
схеми негативного зворотного зв'язку у підсилювачі звукових частот з потужним
виходом
Принципова схема передкрайового
каскаду підсилювача звукових частот з потужним виходом приведена на рисунку 18.
Початкові дані для розрахунку:
. Допустимі нелінійні спотворення gТЗ=0,50
%.
. Нелінійні спотворення, що
вносяться 2УМ g2УМ
=5,69 %.
. Нелінійні спотворення, що
вносяться 1УМ g1УМ
=2,36 %.
. Потужність на навантаженні РН=5
Вт.
. Опір навантаження RН=4
Ом.
. Верхня гранична частота fВ=16
кГц.
. Нестабільність амплітуди DUН/UН=2,0·10-2.
Рисунок 17 - Принципова схема ПП з
інверсним включенням на базі ОППС
. Розрахунок необхідної глибини НЗЗ.
Для зменшення нелінійних спотворень
сигналу, виникаючих в кожному каскаді підсилювача синусоїдального сигналу, вводиться
загальний негативний зворотний зв'язок (НЗЗ) по напрузі з складанням напруги.
Знаходимо сумарний коефіцієнт
нелінійних спотворень:
.
Приймаємо gПП =
1%, одержуємо
Зворотний зв'язок повинен
забезпечити таке посилення, щоб, маючи відомий після розрахунку генератора
сигнал на вході передпідсилювача, одержати необхідний сигнал в навантаженні,
тобто
де, а UвхПП приймаємо
рівним 0,6 В (з урахуванням регулювання вихідної напруги), тобто одержуємо
НЗЗ, що вводиться, повинен подавити
величину сумарних нелінійних спотворень γ∑
до значення γТЗ,
тобто необхідний чинник НЗЗ рівний:
5) Знаходимо коефіцієнт посилення
при розімкненому НЗЗ:
) Знаходимо коефіцієнт
передачі ПП:
Розрахунок параметрів ПП.
. Умови вибору ОППС:
Максимально допустимий вихідний
струм ОППС повинен бути більше вхідного струму подальшого каскаду, тобто IВИХ
maxОП
≥IВХ
1ПП
Гранична частота роботи ОП повинна
бути багато більше частоти сигналу в навантаженні, тобто
fгр ОУ ³(10¸20)·fВ=(160¸320)
кГц.
Виходячи з одержаних даних,
вибираємо ОП типа К544УД1А з параметрами приведені в таблиці 4.
Дійсно:
грОП=1000
кГц > (160¸320) кГц.
) Опори R1, R2,
R3, RОС вибираються за умов мінімуму адитивної погрішності:
=G+=G,
;
і виконанні нерівності
Отже, R≤20
МОм і необхідно, щоб з трьох резисторів R1, R2, RЗЗ,
хоча б один був не більш 20 МОм, і не можна перевищити IВИХ maxОП:

Таблиця 4 - Технічні
характеристики ОППС К544УД1А:
|
Параметр
|
Позначення і одиниця вимірювання
|
Значення
|
|
Вхідний струм
|
IВХ, нА
|
0,15
|
|
Різниця вхідних струмів
|
DIВХ, нА
|
0,15
|
|
Вхідний опір
|
RВХ, МОм
|
10·103
|
|
Напруга зсуву нуля
|
UЗС, мВ
|
±30
|
|
Дрейф напруги зсуву нуля
|
DUСМ/DТ,мкВ/°С
|
30
|
|
Коефіцієнт посилення напруги
|
КU
|
5·104
|
|
Коефіцієнт ослаблення синфазних
вхідних напруг
|
КОС.СФ, дБ
|
64
|
|
Частота одиничного посилення
|
F1, МГц
|
1
|
|
Швидкість наростання вихідної
напруги
|
J(UВИХ), В/мкс
|
2
|
|
Вихідний опір
|
RВИХ, Ом
|
200
|
|
Максимальний вихідний струм
|
IВИХ мах, мА
|
5
|
|
Максимальна вихідна напруга
|
UВИХ мах, В
|
±10
|
|
Максимальна вхідна диференціальна
напруга
|
UДФ ВХ мах, В
|
±10
|
|
Максимальна синфазна вхідна
напруга
|
UСФ ВХ мах, В
|
±10
|
|
Напруга живлення
|
UП, В
|
±15
|
|
Струм споживання
|
IСПО,мА
|
3,5
|
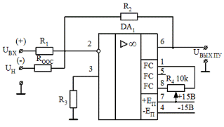
Вибираємо R2=10 кОм. Тоді
тип R2: МЛТ-0,125-10КОМ ± 5%.
;
Вибираємо R1 = 12 кОм.
Тоді тип R1: МЛТ-0,125 - 12 кОм ± 5%.
Вибираємо RЗЗ =120 кОм.
Тоді тип RЗЗ: МЛТ-0,125-120 кОм±5%.
) Опір резистора R3
знайдемо з умови мінімуму адитивної погрішності:
Вибираємо R3=5,1 кОм.
Тоді тип R3: МЛТ-0,125-5,1 кОм±10%.
) Уточнення параметрів ПП:
Оскільки КПП не
змінився, то і решта параметрів залишилася без змін.
. Погрішності ПП, викликані
впливом температури.
) Погрішність від дрейфу еЗС.
Наявність напруги зсуву на
виході ОП, викликане його не ідеальністю, приводить до виникнення погрішності
вихідної напруги ПП:
где ∆Т=55-20=35ºС
Знаходимо відносну погрішність
вихідної напруги ПП:
2) Погрішність, викликана
температурними змінами резисторів.
У Т.З. заданий широкий діапазон
зміни температури (0¸+550С).
Дана обставина викликає відхилення величини опору резисторів від номінального
значення. Це відхилення визначається температурним коефіцієнтом опору (ТКО).
Для резисторів типа МЛТ (до 510 кОм і інтервалу температур від +20 до +315 0С)
ТКС рівний ±0,7·10-3 1/0С. Зміна величини резистора під
дією температури:
∆R=TKC·R·∆T,
де ∆T=Tmax-20=55-20=35
0С; R - величина резистора.
Відповідно зміна величини опорів
приводить до зміни коефіцієнта посилення ОП.
Для інверсного включення величина
погрішності складає:
При використовуванні резисторів типа
МЛТ одержимо:
gІНВmax=|2·ТКС·∆Т|=2·35·0,7·10-3=4,9·10-2
Ця погрішність впливає на
стабільність амплітуди. По Т.З. нестабільність амплітуди ∆UН/UН=2,0
%..
Введення НЗЗ у схему підсилювача зменшує погрішність gПП
в F раз, тобто одержуємо:
. Розрахунок
блоку живлення підсилювача звукових частот з потужним виходом
Відповідно до складеної повної
принципової схеми за довідковими даними [4] складаємо таблицю вимог до блоку
живлення (див. табл. 5):
Таблиця 5 - Вимоги до блоку живлення
підсилювача звукових частот з потужним виходом
|
№ п/п
|
Елемент схеми
|

|
|
|
1
|
Двотактний підсилювач потужності
|
+15
|
0,62
|
|
2
|
Однотактний підсилювач потужності
|
+15
|
12,65·10-3
|
|
3
|
ОППС (К544УД1А)
|
-15
|
3,5·10-3
|
|
|
|
0,6362
|
Визначимо типи і номінальні значення
елементів схеми блоку живлення (див. рис 17):
. Канал на UH=+15 В.
За даними табл. 3 визначаємо
сумарний струм:
IЖИВ
2ПП= IК0+IБ0+IД
=0,5+0,020+0,100=0,62 A.
IЖИВ
1ПП= IК0+IБ0+IД
=11,75+0,15+0,75=12,65 мA.
Вибираємо стабілізатор КР142ЕН8Е.
Параметри ІМС [Додаток Г]:
напруга стабілізації UСТАБ=15
В;
максимальний струм стабілізації IСТ.max=1,0
А;
максимальна допустима розсіювана
потужність Рmax=6 Вт;
струм споживання IСПО=10
мА;
вхідна напруга ; UВХ=35
В;
коефіцієнт нестабільності напруги
навантаження КнU=0,05%/B;
коефіцієнт нестабільності струму
навантаження КнI=0,01%/A
Коефіцієнт стабілізації вибраної
ІМС:
Дані по ТЗ параметри живлячої
мережі: UМ=(220B +10% -15%). Вибираємо
максимальну зміну вхідної напруги: D=15%. Тоді
нестабільність напруги на виході ІМС:
. Канал на UH=-15В.
За даними табл. 4 визначаємо
сумарний струм через елемент DA2: IСПО=3,5·10-3=3,5мA.
Вибираємо стабілізатор КР142ЕН8Е.
Для зменшення амплітуди
пульсацій напруги на виході стабілізатора необхідно підключити ємність:
С3=С4=510мкФ
типа К53-1-510
20
20%;
Для стійкої роботи мікросхем
стабілізаторів застосовують ємність:
С1=С2=100
мкФ типа К53-1-100
20
20%.
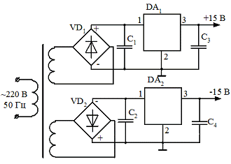
Рисунок 18 - Принципова схема
блоку живлення
З урахуванням вибраних елементів
стабілізації поставимо вимоги до випрямлячів:
- випрямляч на VD1:
випрямляч на VD2:
Коефіцієнт пульсацій
вибраний
згідно вимог живленої апаратури [4]. На виході схем стабілізації завдяки
наявності елементів корекції величина
буде ще менше.
транзистор
трансформаторний підсилювач радіатор
Перелік
посилань
1. Бойко В.І., Зорі А.А.,
Багрій В.В. Імпульсні пристрої електронних систем: Навчальний посібник
-Донецьк: РВА ДонНТУ, 2003. - 252 с.
. Гершунский
Б.С. Справочник по расчету электронных схем. - К.: Вища школа, 1983, 240 с.
3. Зорі А.А., Бойко В.І.
Аналогова схемотехніка електронних систем: Навчальний посібник -Донецьк:
ДонНТУ, 2003. - 324 с.
. Источники
электропитания радиоэлектронной аппаратуры: Справочник / Под. Ред. Найвельта
Г.С. - М.: Радио и связь, 1989. - 496с.
5. Костиков
В.Г. и др. Источники электропитания электронных средств. Схемотехника и
конструирование. Учебник для вузов. - М.: Радио и связь, 1998. - 334 с.
6. Методические
указания к выполнению курсового проекта по курсу «Электроника и
микросхемотехника», «Аналоговая схемотехника», Донецк, ДонНТУ, 2003. - 83 с.
7. Опадчий
Ю.Ф. Аналоговая и цифровая электроника: Учебник для вузов /
Под
ред. О.П. Глудкина. - М.:Горячая Линия Телеком, 2000. - 768 с.
8. Остапенко
Г.С. Усилительные устройства: Учебное пособие для вузов.- М.: Радио и связь,
1989.
-
400 с.
9. Полупроводниковые
приборы: Транзисторы. Справочник / Под. общ. ред. Н.Н. Горюнова. - 2-е изд. -
М.: Энергоатаомиздат, 1985. - 904 с.
10. Проектирование
транзисторных усилителей звуковых частот./ Под ред. Н.Л. Безладнова.- М.:
Связь, 1978. - 368 с.
11. Терещук
Р.М. и др. Полупроводниковые приемно-усилительные устройства. Справочник
радиолюбителя. -
К.:
Наукова
думка,1981. -
672с.
12. Транзисторы
для аппаратуры широкого применения./ Под ред. Б.Л. Перельмана. - М.: Радио и
связь, 1981. - 656 с.
Додаток А
Перелік елементів принципової схеми
Додаток Б
Схема електрична структурна
Додаток В
Схема електрична принципова
Додаток Г
Стандартний ряд постійних напруг
|
0,25
|
0,4
|
0,6
|
1,2
|
2,4
|
3,0
|
4,0
|
5,0
|
6,0
|
(6,3)
|
|
9,0
|
(10,0)
|
12,0
|
(12,6)
|
15
|
20
|
24
|
27
|
30
|
40
|
|
48
|
60
|
80
|
100
|
(125)
|
150
|
200
|
250
|
(300)
|
400
|
|
(500)
|
600
|
800
|
1000
|
12500
|
1500
|
2000
|
2500
|
3000
|
4000
|
|
5000
|
6000
|
8000
|
10000
|
12000
|
15000
|
20000
|
25000
|
|
|
Додаток Д
Ряди Е номінальних ємностей
конденсаторів і опорів резисторів
|
Індекс ряду
|
Номінальні значення (одиниці,
десятки, сотні пФ, нФ, мкФ, Ом, кОм, МОм, ГОм)
|
Точність, %
|
|
Е3
|
1,0
|
|
|
|
2,2
|
|
|
|
4,7
|
|
|
|
|
|
Е6
|
1,0
|
|
1,5
|
|
2,2
|
|
3,3
|
|
4,7
|
|
|
|
Е12
|
1,0
|
1,2
|
1,5
|
1,8
|
2,2
|
2,7
|
3,3
|
3,9
|
4,7
|
5,6
|
6,8
|
8,2
|
|
|
Е24
|
1,0
|
1,2
|
1,5
|
1,8
|
2,2
|
2,7
|
3,3
|
3,9
|
4,7
|
5,6
|
6,8
|
8,2
|
|
|
1,1
|
1,3
|
1,6
|
2,0
|
2,4
|
3,0
|
3,6
|
4,3
|
5,1
|
6,2
|
7,5
|
9,1
|
|