Розрахунок тракту передачі сигналів
Курсова
робота
Теорія
електричних і магнітних кіл
На
тему: РОЗРАХУНОК ТРАКТУ ПЕРЕДАЧІ СИГНАЛІВ
Зміст
Вступ
. Структура тракту передачі
сигналів
. Розрахунок частотних
характеристик лінії зв’язку
.1 Визначення величин первинних
параметрів лінії
.2 Розрахунок хвильового опору
і коефіцієнта поширення лінії
.3 Розрахунок А-параметрів
лінії
. Розрахунок фільтра
.1 Розрахунок елементів фільтра
.2 Розрахунок власних
параметрів та А-параметрів фільтра
. Розрахунок узгоджуючи
трансформаторів
.1 Розрахунок вхідного
узгоджуючого трансформатора
.2 Розрахунок вихідного
узгоджуючого трансформатора
. Розрахунок робочого згасання
тракту передачі і визначення потужності генератора
.1 Визначення величини
параметрів узагальненого чотириполюсника і робочого згасання тракту передачі
.2 Визначення потужності
генератора
Висновки
Список літератури
Вступ
У сучасних мережах
<#"805422.files/image001.gif">
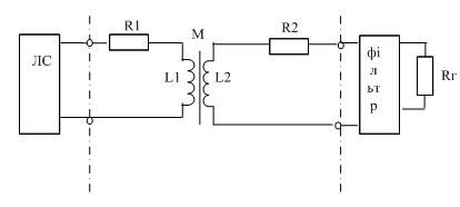
Рисунок 1 - Структурна схема тракту
передачі сигналів
Розраховуємо на п’ятьох частотах,
коли у тракт включено фільтр нижніх частот:
f1=0.1∙fcp2=0.1∙33000=3300
Гц;2=0.5∙fcp2=0.5∙33000=16500 Гц;3=0.99∙fcp2=0.99∙33000=326700
Гц;4=1.1∙fcp2=1.1∙33000=36300 Гц;5=2∙fcp2=2∙33000=66000
Гц;
2. Розрахунок частотних
характеристик лінії зв’язку
.1 Визначення величин первинних
параметрів лінії
В таблиці 2 наведені значення
величин первинних параметрів типової повітряної лінії.
Таблиця 2 - Величини параметрів
типових повітряних ліній
|
Вид лінії та параметри
|
Частота,кГц
|
|
2
|
5
|
10
|
20
|
40
|
|
Активний опір, R,Ом/км
|
3,02
|
3,72
|
4,98
|
6,74
|
9,1
|
|
Індуктивність L, мГн/км
|
1,936
|
1,934
|
1,92
|
1,881
|
1,868
|
|
Провідність ізоляції,G, мкСм/км
|
1,0
|
1,75
|
3,0
|
5,5
|
11,5
|
|
Ємність,С,мкФ/км
|
6
|
Опираючись на таблицю 2,будуємо
графіки частотних залежності первинних параметрів лінії:
Таблиця 3 - Індуктивність L.
|
L0(f1),
Гн/км
|
L0(f2),
Гн/км
|
L0(f3),
Гн/км
|
L0(f4),
Гн/км
|
L0(f5),
Гн/км
|
|
1.936∙10-3
|
1.897∙10-3
|
1.874∙10-3
|
1.87∙10-3
|
1.833∙10-3
|
Рисунок 3
Таблиця 4 - Провідність ізоляції
|
G0(f1),См/км
|
G0(f2),См/км
|
G0(f3),См/км
|
G0(f4),См/км
|
G0(f5),См/км
|
|
1.4∙10-6
|
4.7∙10-6
|
8.8∙10-6
|
10.3∙10-6
|
17.8∙10-6
|
Рисунок 4
0(f1,…,f5)=6∙10-9
Ф/км;
2.2 Розрахунок хвильового опору і
коефіцієнта поширення лінії
Для кожної з вибраних f
частот, обчислюємо величину хвильового опору лінії
(f) за формулою:
ві(fi)
,
де, Roi, Loi,
Goi, Coi - величини первинних параметрів лінії на частоті
fi
в1(f1)
Ом;
На інших частотах
розраховуємо аналогічно і результати запишемо у таблицю 5.
Таблиця 5. Хвильовий опір
|
в1(f1)
|
в2(f2)
|
в3(f3)
|
в4(f4)
|
в5(f5)
|
|
|
|
|
|
|
За обчисленими будуємо
графіки залежності
та
, які представлені на рисунку 5 та рисунку 5
Рисунок 5 - залежність фази
Рисунок 6. Залежність хвильового
опору від частоти від частоти
Обчислюємо коефіцієнт поширення
лінії на кожній з вибраних частот за формулою:
,
де,
-
величина коефіцієнта поширення лінії на частоті fі
Обчислені комплексні величини
представляємо
у алгебраїчній формі,як
,
- кілометричний
коефіцієнт фази лінії, рад/км;
(f1)=3.432∙
+j∙0.071;
Результати обчислень на інших
частотах приведені в таблиці 2.5
Таблиця 6- Коефіцієнт поширення
лінії
|
(f1)
|
(f2)
|
(f3)
|
(f4)
|
(f5)
|
|
3.432∙ +j∙0.071
|
6.656∙ +j∙0.35
|
9.795∙ +j∙0.688
|
0.011+j∙0.764
|
0.016+j∙1.375
|
За обчисленими даними будуємо
графіки залежностей б(f) та в(f),які приведе ні на рисунку 8 та рисунку 8:
Рисунок 7
Рисунок 28
Обчислені величини
,
,
,
вносимо до
таблиці 2.6
Таблиця 7
|
f, Гц
|
3300
|
16500
|
32670
|
36300
|
66000
|
|
|ZВ|, Ом
|
569.066
|
562.41
|
558.924
|
558.32
|
552.79
|
|
цВ, рад
|
-2.134
|
-0.657
|
-0.406
|
-0.362
|
-0.255
|
|
б, Нп/км
|
3.432∙
|
6.656∙
|
9.795∙
|
0.011
|
0.016
|
|
в, рад/км
|
0.071
|
0.35
|
0.688
|
0.764
|
1.375
|
.3 Розрахунок А- параметрів лінії
Лінію, що має певну довжину
l,можна розглядати, як чотириполюсник, А-параметри якого залежать від
хвильового опору
і коефіцієнта поширення лінії
наступним
чином:
Для обчислення гіперболічного
синуса та косинуса комплексного аргумента
=бl+jвl,раціонально використовувати
такі формули:
;
,
Обчислені комплексні величини
А- параметрів представляємо в експоненціальній формі та вносимо до таблиці 2.7
Таблиця 8- А-параметри лінії
|
f, Гц
|
3300
|
16500
|
32670
|
36300
|
66000
|
|
|
0.923∙еj∙(37.172)
|
1.845∙еj∙(-153.643)
|
3.156∙еj∙(-69.399)
|
4.06∙еj∙(36.216)
|
10.466∙еj∙(-151.587)
|
|
,
Ом
|
239.894∙еj∙(-1.901)
|
792.414∙еj∙(179.412)
|
591.29∙еj∙(-0.706)
|
1774еj∙(-0.282)
|
5065∙еj∙(179.802)
|
|
,
См
|
0.001864∙еj∙(68.717)
|
0.003032∙еj∙(-145.049)
|
0.005861∙еj∙(-70.753)
|
0.007211∙еj∙(38.264)
|
0.019∙еj∙(-151.113)
|
3. Розрахунок фільтра нижніх частот
типу - Т (ФНЧ-Т)
.1 Розрахунок елементів фільтра
Обчислюємо величини ємностей та
індуктивностей відповідно ідеальних конденсаторів та котушок, з якого складено
ФНЧ-Т схеми.
Для цього використовуємо метод
розрахунку за характеристичними параметрами фільтра, який полягає у розрахунку
параметрів елементів фільтра тільки через задані опір навантаження та частоти
зрізу.
Т- подібна схема ФНЧ зображена на
рисунку 9.
Рисунок 9 - Т- подібна схема ФНЧ
Проводимо розрахунок елементів
фільтра L1,C1 відповідно з формулами (3.1) та (3.2)
(3.1) щзр2=
fcp2;
щзр2 = 2.073
;
С1=
Гн;
С1= 1.581
Ф.
3.2 Розрахунок власних параметрів та
А-параметрів фільтра
Після обчислення параметрів елементів
фільтра стає можливим розрахувати частотні залежності його власних параметрів -
власного згасання асф, власного коефіцієнта фази bсф і
характеристичних опорів Ẕх.
Для цього спочатку розраховуємо
нормовану частоту:
Щ1=
;
Щ1=0.1; щ1=
f1;
щ1=2.073
;
Щ2=
;
Щ2=0.5; щ2=
f2;
щ2=1.037
;
Щ3=
;
Щ3=0.99; щ3=
f3;
щ3=2.053
;
Щ4=
;
Щ4=1.1; щ4=
f4;
щ4=2.281
;
Щ5=
;
Щ5=2; щ5=
f5; щ5=4.147
;
Власне згасання асф фільтра,
власний коефіцієнт фази bсф і характеристичний опір Ẕх
обчислюємо за формулами (3.3),(3.4),(3.5):
сфі
= arch
,
щ > щзр2 (3.3)
, 0 ≤ щ ≥ щзр2
сф1
= 0 Нп;
Результати обчислення на інших
частотах приведені у таблиці 3.1.
сфі
= arccos
,
0 ≤ щ ≥ щзр2 (3.4)
, щ ≥ щзр2
сф1= arccos
; bсф1=0.2
рад;
Результати обчислення на інших
частотах приведені у таблиці 3.1
Перш ніж обчислити значення опору Ẕх
розраховуємо номінальний характеристичний опір
фільтра с:
с =
;
с =
;
Ẕх
і = с
;
Ẕх
1 =
;
Ẕх
1 = 606.942 Ом.
Результати обчислення на інших
частотах приведені у таблиці 9
Таблиця 9 - Частотні залежності
власних параметрів фільтра
|
f, Гц
|
3300
|
16500
|
32670
|
36300
|
66000
|
|
асф,
Нп
|
0
|
0
|
0
|
0.887
|
2.634
|
|
bсф,рад
|
0.2
|
1.047
|
2.859
|
|
|
|
Ẕх,
Ом
|
606.942
|
528.275
|
86.051
|
279.537
|
1057
|
За обчисленими даними,які наведені в
таблиці 3.1 будуємо графіки розрахунку тракта передачі сигналів залежностей асф(f)
та bсф(f), які зображені на рисунку 10 та 11.
Рисунок 10. - графік залежності
Рисунок 11. - графік залежності
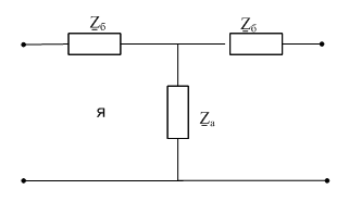
Розглянемо узагальнену схему
симетричного Т- подібного чотириполюсника і розрахуємо значення опорів схеми за
формулами (3.5), (3.6). Схема чотириполюсника приведена на рисунку 12.
Рисунок 12 - схема симетричного Т-
подібного чотириполюсника
Ẕбi=
;
(3.5)
Ẕаi=
;
(3.6)
Ẕб1=
=
=61
Ẕа1=
=
=
-3050
На інших частотах розраховуємо
аналогічно і результати заносимо до таблиці 10
Таблиця 10 - Опори для розрахунку
А-параметрів Ẕа
та Ẕб.
|
Ẕбi, Ом
|
61j
|
305j
|
603.9j
|
671j
|
1220j
|
|
Ẕаi,
Ом
|
-3050j
|
-610j
|
-308.08j
|
-277
|
-152j
|
Обчислюємо А - параметри фільтра за
допомогою формули (3.7) і отримані результати заносимо у таблицю 3.3

(3.7)
0.98;
=120.78j;
= 3.279j
;
Розрахунок вхідного опору фільтра
розраховуємо за формулою (3.8) і в таблицю 3.4 заносимо отримані значення,а
також на рисунках 13.
Ẕвх(fі)=
(3.8)
Ẕвх(f1)=
=643.457
Ом.
Таблиця 11
|
Ẕвх(f1),Ом
|
Ẕвх(f2),Ом
|
Ẕвх(f3),Ом
|
Ẕвх(f4),Ом
|
Ẕвх(f5),Ом
|
|
643.487
|
559.958
|
250.712
|
327.623
|
1049
|
Рисунок 13 - графік залежності Ẕх
(f)та Ẕвх
(f)
4. Розрахунок узгоджуючих
трансформаторів
.1 Розрахунок вхідного узгоджуючого
трансформатора
З метою узгодження величини
внутрішнього опору генератора та хвильового опору лінії у тракт включають
вхідний узгоджуючий трансформатор.
Рисунок 14 - Схема вхідного
узгоджуючого трансформатора
Данні для розрахунку:Н=fЗР1=
35000 Гц;В= fЗР2=37000 Гц;
0=(fН+
fВ)х0,5=36000 Гц;Б=
=177,9134
Ом;
∆а=0,001 Нп;
а0=0,001 Нп;
Розрахунок трансформтора:
а) обчислимо коефіцієнт
трансформації:=
= 0,519;
б) знаходимо активні опори обмоток :
R1=RА(
-1)=0,66
Ом;2=
R1=0,178
Ом;
в) розраховуємо коефіцієнт
розсіювання трансформатора:
у= 4
=7,575х
;
г) знаходимо індуктивності обмоток
трансформатора:
1=
=0,034
Гн;2=
х L1=9,041∙10-3
Гн;
д) розраховуємо взаємну
індуктивність обмоток:
М=
=0,017
Гн;
Робоче згасання вхідного
трансформатора можна розрахувати за наступною формулою:
;
=
=0,148 Нп;
Таблиця 12 - Робоче згасання на
кожній частоті
|
f, Гц
|
3500
|
35200
|
35990
|
36800
|
74000
|
|
,
Нп
|
0,148
|
4,776
|
4,773
|
4,777
|
9,329
|
На рисунку 15 зображена залежність
робочих згасань від частоти:
Рисунок 15 - Графік залежності ар
від частоти.
За наступними формулами розраховуємо
1,
2,
12.
1=R1+j∙2∙р∙f∙L1;
2=R1+j∙2∙р∙f∙L2;
12=j∙2∙р∙f∙M
Таблиця 13 - результати розрахунків
1,
2,
12
3500
|
35200
|
35990
|
36800
|
74000
|
|
1,
Ом
|
0,66+j∙737,534
|
0,66+j∙7417
|
0,66+j∙7584
|
0,66+j∙7755
|
0,66+j∙15590
|
|
2,
Ом
|
0,178+j∙198,814
|
0,178+ j∙1999
|
0,178+ j∙2044
|
0,178+ j∙2090
|
0,178+ j∙4203
|
|
12,
Ом
|
j∙381,
|
j∙23410
|
j∙46340
|
j∙51490
|
j∙93620
|
За формулою (4.4) проведемо
розрахунок А-параметрів вхідного узгоджуючого трансформатора. В таблицю 4.3
занесемо результати розрахунків.
=1.504-1.336j
;
=1.88+7.517j;
= -2.136j
;
= 0.95-1.203j
;
Аналогічно розраховуємо і на інших
частотах.
Таблиця 14
|
f, Гц
|
3300
|
16500
|
32670
|
36300
|
66000
|
|
|
1.054-j∙0.0001336
|
1.054-j∙0.00002672
|
1.054-j∙0.00001349
|
1.054-j∙0.00001214
|
1.054-j∙0.000006679
|
|
,
Ом
|
1.88+j∙7.517
|
1.88+j∙37.584
|
1.88+j∙74.417
|
1.88+j∙82.686
|
1.88+j∙150.337
|
|
,
См
|
-j∙0.0002136
|
-j∙0.00004272
|
-j∙0.00002158
|
-j∙0.00001942
|
-j∙0.00001068
|
|
|
0.95 -j∙0.0001203
|
0.95-j∙0.00002407
|
0.95-j∙0.00001215
|
0.95-j∙0.00001094
|
0.95-j∙0.00006017
|
.2 Розрахунок вихідного узгоджуючого
трансформатора
На рисунку 16 зображена схема
вихідного узгоджую чого трансформатора.
Рисунок 16 - Схема включення
вихідного узгоджуючого трансформатора
Маємо:
а=|
В(f0)|=563
Ом;б=|
ВХФ(f0)|=580
Ом.
Знаходимо коефіцієнт трансформації :
=
;
n= 1.015;
Знаходимо активні опори обмоток
:=Ra(
-1);
R1=0.563 Ом;=
R1; R2=0.58 Ом;
Розраховуємо коефіцієнт розсіювання
трансформатора:
= 4
;
=1.603
;
Знаходимо індуктивності обмоток
трансформатора:
=
;
L1=0.214 Гн;=
х L1; L2=0.245 Гн;
Розраховуємо взаємну індуктивність
обмоток:
М=
;
М=0.229 Гн;
Робоче згасання вхідного
трансформатора знайдемо за формулою (3.9) і зобразимо його графіком залежності
від частоти на рисунку 4.3.
;
=5.016
Нп;
На інших частотах розраховуємо
аналогічно, дані розрахунку занесемо в таблицю 15
Таблиця 15
|
f, Гц
|
3300
|
16500
|
32670
|
36300
|
66000
|
|
,
Нп
|
5.016
|
5.016
|
5.016
|
5.016
|
0.017
|
Рисунок 17 - Графік залежності ар
від частоти.
За формулами (4.1), (4.2), (4.3)
проведемо розрахунок опорів
1,
2,
12.
Занесемо результати розрахунків в таблицю 16.
1=R1+j∙2∙р∙f∙L1
(4.1)
2=R1+j∙2∙р∙f∙L2
(4.2)
12=j∙2∙р∙f∙M
(4.3)
Таблиця 16
|
f, Гц
|
3300
|
16500
|
32670
|
36300
|
66000
|
|
1,
Ом
|
0.563+ j∙4446
|
0.563+ j∙22230
|
0.563+ j∙44020
|
0.563+ j∙48910
|
0.563+ j∙88930
|
|
2,
Ом
|
0.58+ j∙5085
|
0.58+ j∙25430
|
0.58+ j∙50340
|
0.58+ j∙55940
|
0.58+ j∙101700
|
|
12,
Ом
|
j∙4751
|
j∙23760
|
j∙47040
|
j∙52260
|
j∙95030
|
Таблиця 17
|
f, Гц
|
3300
|
16500
|
32670
|
36300
|
66000
|
|
|
0.936-j∙0.0001186
|
0.936-j∙0.00002371
|
0.936-j∙0.00001198
|
0.936-j∙0.00001078
|
0.936-j∙0.000005928
|
|
,
Ом
|
1.146+j∙7.629
|
1.146+j∙38.148
|
1.146+j∙75.532
|
1.146+j∙83.925
|
1.146+j∙152.595
|
|
,
См
|
-j∙0.0002105
|
-j∙0.00004209
|
-j∙0.00002126
|
-j∙0.00001913
|
-j∙0.00001052
|
|
|
1.07-j∙0.0001221
|
1.07-j∙0.00002443
|
1.07-j∙0.00001234
|
1.07-j∙0.0000111
|
1.07-j∙0.0006107
|
5. Розрахунок частотної залежності
робочого згасання тракту передачі
.1 Визначення величин параметрів
узагальненого чотириполюсника і робочого згасання тракту
Для розрахунку відповідних величин
необхідно спочатку провести розрахунок матриці А- параметрів узагальненого ЧП
за формулою (5.1) і розраховані дані занести в таблицю 18.
(А)учп=(А)уп1∙(А)лз∙(А)уп2=
Аyчп Вyчп (5.1)
Таблиця 18
|
f, Гц
|
3300
|
16500
|
32670
|
36300
|
66000
|
|
|
1.029∙е-j∙86.768
|
1.302∙е-j∙93.17
|
1.794∙еj∙103.703
|
1.994∙еj∙59.061
|
5.634∙еj∙157.226
|
|
,
Ом
|
18.945∙е-j∙36.851
|
20.251∙е-j∙57.433
|
172.960∙е-j∙178.835
|
205.370∙еj∙26.631
|
1927.737∙е-j∙161.759
|
|
,
См
|
0.00002075∙е-j∙97.576
|
0.0002198∙е-j∙94.339
|
0.00002524∙еj∙93.112
|
0.00002457∙еj∙67.276
|
0.005642∙еj∙146.48
|
|
|
0.363∙е-j∙86.365
|
0.457∙е-j∙90.938
|
0.638∙еj∙107.241
|
0.690∙еj∙62.655
|
2.011∙еj∙162.133
|
х1чп
та
х2чп
знаходимо відповідно за формулами (5.2) та (5.3). Результат и розрахунків
х1чп
та
х2чп
зведемо в таблицю 5.2.
х1чп
(5.2)
х2чп
(5.3)
За формулою (5.4) проведемо
розрахунок власної сталої передачі узагальненого чотириполюсника gсчп.
Результати зведемо до таблиці 19.
gсчп
(5.4)
Таблиця 19
|
f, Гц
|
3300
|
16500
|
32670
|
36300
|
66000
|
|
х1чп,
Ом
|
413.944∙еj∙30.161
|
551.181∙еj∙17.337
|
462.172∙еj∙42.257
|
526.505∙е-j∙22.12
|
516.066∙еj∙23.467
|
|
х2чп,
Ом
|
426.546∙еj∙30.564
|
567.93∙еj∙19.569
|
476.113∙еj∙45.706
|
539.265∙е-j∙18.525
|
531.579∙еj∙28.374
|
|
асчп
|
0.414
|
1.198
|
1.699
|
2.001
|
2.976
|
Таблиця 20
|
f, Гц
|
3300
|
16500
|
32670
|
36300
|
66000
|
|
gсчп
|
0.414+j∙0.569
|
1.138+j∙0.434
|
1.699-j∙0.852
|
2.001+j∙0.56
|
2.976+j∙0.66
|
Вхідний і вихідний коефіцієнти
відбиття р1 та р2 розраховуємо за формулами (5.5) та
(5.6) відповідно. Розрахунки зведемо в таблицю 21.
(5.5)
(5.6)
Таблиця 21
|
f, Гц
|
3300
|
16500
|
32670
|
36300
|
66000
|
|
р1
|
0.215+j∙0.238
|
0.003+j∙0.102
|
0.17-j∙0.364
|
0.086+j∙0.086
|
0.096-j∙0.036
|
|
р2
|
0.064-j∙0.303
|
-0.00821-j∙0.402
|
-0.314 -j∙0.11
|
-0.467+j∙0.158
|
0.555-j∙0.755
|
Робоче згасання тракту передачі
сигналів розраховуємо за формулою (5.7). На рисунку 5.1 зображено графік
залежності ар від частоти. Розрахунки зведемо до таблиці 22.
Таблиця 22
|
f, Гц
|
3300
|
16500
|
32670
|
36300
|
66000
|
|
ар, Нп
|
0.343
|
1.119
|
1.695
|
2.595
|
5.406
|
Рисунок 18 - Графік залежності ар
від частоти.
.2 Визначення потужності генератора
Максимальне згасання в полосі
робочих частот тракту передачі:
армах=ар(fср)=1.695
Нп;
За формулою (5.8) розраховуємо
потужність генератора.min=0.001г=0.059 BA.
г=2∙Smin∙e2∙Apmax
(5.8)
Висновки
В ході розрахунку даної курсової
роботи, я отримав значення потужності генератора, яке дорівнює Sг=0.059
BA, що дає нам підстави не включати в тракт передачі підсилюючі пристрої,так як
потужність генератора менша потрібної потужності (Sг> 100 ВА).
сигнал генератор
трансформатор
Список літератури
1. Давиденко М.Г.,
Методичні вказівки до виконання курсової роботи з теми «Розрахунок тракту
передачі сигналів» з дисципліни «Теорія електричних і магнітних кіл»
[текст] / Давиденко М.Г.,
Кошовий С.В., Блиндюк В.С. - Харків: УкрДАЗТ, 2012. - 18 с.
. Електротехніка та
електромеханіка систем залізничної автоматики: Підручник/ Бабаєв М.М.,
Давиденко М.Г., Загарій Г.І. -Харків: УкрДАЗТ, 2010.- 607с.