Розрахунок та дослідження функціональності елементів пристрою для живлення антен з контролем відбитої потужності

  • Вид работы:
    Контрольная работа
  • Предмет:
    Информатика, ВТ, телекоммуникации
  • Язык:
    Украинский
    ,
    Формат файла:
    MS Word
    161,94 Кб
  • Опубликовано:
    2014-07-11
Вы можете узнать стоимость помощи в написании студенческой работы.
Помощь в написании работы, которую точно примут!

Розрахунок та дослідження функціональності елементів пристрою для живлення антен з контролем відбитої потужності

ДЗ «Київський коледж зв’язку»












КОНТРОЛЬНА РОБОТА

на тему:

Розрахунок та дослідження функціональності елементів пристрою для живлення антен з контролем відбитої потужності

Роботу виконав студент

Іщенко І.В.

Перевірив:

Нікіфоренко К.Б.




Київ 2015

Зміст

1. Вихідні дані

. Визначення критичної довжини і критичної частоти основного типу хвиль коаксіального кабелю. Структура поля цієї хвилі

.Визначення частотного діапазону однохвилевого режиму роботи коаксіального кабелю. Залежність групової швидкості від частоти

. Визначення критичної довжини хвилі і критичної частоти основного типу хвиль прямокутного хвилевода з певним поперечним перерізом. Структура поля цієї хвилі

. Визначення діапазону частот однохвилевого режиму роботи хвилевода. Залежність групової швидкості від частоти

. Залежність довжини хвилі Н12 від частоти

. Визначення робочого діапазону частот даного пристрою

. Призначення пристроїв А, В, С, Д, E

. Визначення потужності на вході вузлів А, В, С, Д і Е

. Опис принципу роботи досліджуваного пристрою

. Використана література

1.     
Вихідні дані

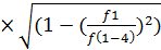
Радіопередавальний пристрій потужністю 10 мВт збуджує в коаксіальному кабелі 1 хвилю типу Т. Діаметр внутрішнього провідника коаксіального кабелю 2 мм, зовнішнього 17 мм. Трансформатором 2 хвиля Т перетворюється основну хвилю прямокутного хвилевода 5-6 з поперечним перерізом (а×б) мм. Коефіцієнт корисної дії трансформатора 80%. Основна хвиля хвилевода 5-6 поступає в пристрій, який має ідеально узгодженні вузли А, Б, С, Д і Е (рис.1).

Варіант №18

а, мм

б, мм

Тип вузла

Призначення пристрою

60

30

A

B

C

D

E

Живлення антен з контролем випромінюваної потужності

 Поперечний переріз прямокутного хвилевода

ВФФ

ТТ

ЗА

ПН

ДІ










ВФФ - вентиль на ефекті Фарадея

ЦЕФ - двійний двічі узгоджений трійник

ЗА - дзеркальна антена

ДІ - детекторна вимірювальна секція з мілівольтметром

ПН - закінчення поглинаюче навантаження

Рис. 1 - Схема живлення антен з контролем випромінюваної потужності

.        Визначення критичної довжини і критичної частоти основного типу хвиль коаксіального кабелю 1. Структура поля цієї хвилі.

Основним типом є хвиля Т. Критична частота рівна 0.

Вищими типом є хвиля Н11.

Критична довжина хвилі Н11:

λкр Н11=π(A+Б) = 3,14× (0,002+0,017) =0,059 (м)

А, Б - діаметр зовнішнього і внутрішньго провідників кабелю.

Критична частота хвилі Н11:

кр Н11= V0/ λкр Н11 = 3×108/0,05966 = 5 ГГц

0 = швидкість світла у вакуумі.

Рис. 2 - Силові лінії полів хвиль Т, Н11,, Е01 в коаксіальній лінії

.        Визначення частотного діапазону однохвилевого режиму роботи коаксіального кабелю 1. Залежність групової швидкості від частоти

Для існування однохвилевого режиму необхідно виконати умову:

π(A+Б)< λ<∞

або:

<f< V0/ λкр Н11

Розіб’ємо частотний діапазон на 3 однакових піддіапазони враховуючи що

в = fкр; fн = fкр/2.

(fв- fн)/3= (5-2,5)/3 = 0,83 ГГц = ∆f;

Точки відліку всередині діапазону:

 1 = fн = 2,5 ГГц; f2= fн+∆f= 3,33 ГГц; f3= f2+∆f= 4,16 ГГц;4= fв= 5 ГГц;

гр = v0 гр1 = v0  = 0 м/cгр2 = v0 1,9×108 м/c

vгр3 = v0  = 1,89×108 м/cгр4 = v0  = 2,1×108 м/c

Рис. 3 - Графік залежності групової швидкості від частоти

коаксіальний кабель хвиля частота

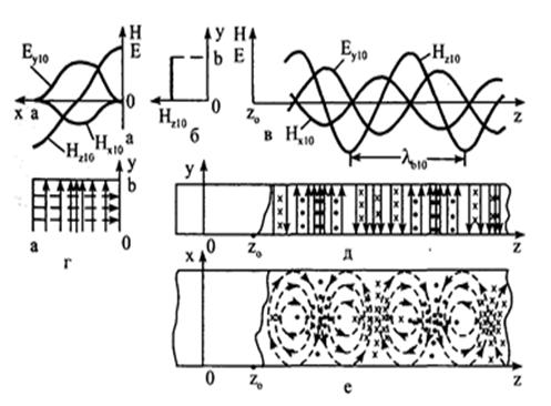
4.      Визначення критичної довжини хвилі і критичної частоти основного типу хвиль прямокутного хвилевода з поперечним перерізом (а,в) мм. Структура поля цієї хвилі

Основним типом є хвиля Н10


а = 60 мм; в = 30 мм;

λкр Н10= 2×а = 0,12 м;

Критична довжина хвилі вищого типу Н20:

λкр Н20 = а = 0,06 м;

Критична частота для Н10:

 кр Н10 = v0/ λкр Н10 = 3×108/0,12 = 2,5 ГГц

Критична частота для Н20:

 кр Н20 = v0/ λкр Н20 = 3×108/0,06 = 5 ГГц;

Рис.4 - Епюри складових векторів Е10, Н10: силові лінії полів Н10 хвилі

.        Визначення діапазону частот однохвилевого режиму роботи хвилевода 3. Залежність групової швидкості від частоти

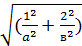
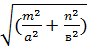
Критична довжина хвилі Н12:

λкр Нmn = 2/

λкр Н12 = 2/ = 2/ = 2/

Критична частота для хвилі Н12:

 кр Н12= v0/ λкр Н12 = 3×108/30,76 = 9,7 МГц

Діапазон частот знаходиться в межах від fкр до fв.

Розрахунок буде в діапазоні від fн= fкр Н12 до fв=2× fкр Н12 = 19,4 МГц;

Розбиваємо діапазон на 3 однакових піддіапазони:

(fв- fн)/3 = ∆f = 3,2 МГц;

1.      f1= fкр Н12 = 9,7 МГц;

2.      f2= f1+∆f= 12,9 МГц;

.        f3= f2+∆f= 16,1 МГц;

.        f4= f3+∆f= 19,3 МГц;

5.      Формула, що визначає залежність групової швидкості від частоти:

гр = v0 гр1 = v0  = 0 м/cгр2 = v0 1,9×108 м/c

vгр3 = v0  = 2,4×108 м/cгр4 = v0  = 2,6×108 м/c

Рис.5 - Графік залежності групової швидкості від частоти

6.      Залежність довжини хвилі Н12 від частоти

Діапазон частот знаходиться в межах від fкр до fв.

Розрахунок буде в діапазоні від fн= fкр Н12 до fв=2× fкр Н12 = 19,4 МГц;

Розбиваємо діапазон на 3 однакових піддіапазони:

(fв- fн)/3 = ∆f = 3,2 МГц;1= fкр Н12 = 9,7 МГц;2= f1+∆f = 12,9 МГц;3= f2+∆f = 16,1 МГц;4= f3+∆f = 19,3 МГц;

Формула, що визначає залежність довжини хвилі Н12 від частоти:

λ = v0 /

λ1 = v0 / = ∞

λ2 = v0 /46,8 (м)

λ3 = v0 / = 38,6 (м)

λ4 = v0 / = 35,7 (м)

Рис.6 - Графік залежності довжини хвилі від частоти

.        Визначення робочого діапазону частот даного пристрою

Робочий діапазон визначається діапазоном одно хвилевого режиму роботи хвилевода.

н= fкр Н12 до fв=2× fкр Н12 = 19,4 МГц

.       
Призначення пристроїв А, В, С, Д, E

ВФФ - вентиль на ефекті Фарадея.

Призначення ВФФ:

ВФФ призначений для повертання сигналу на 45 градусів, таким чином не пропускаючи зворотні ЕМ хвилі.

Основні елементи:

.        Магнітна система трубчастої форми;

.        Перший перехідний хвилевод;

.        Анізотропний поглинач;

.        Фарадеївський ротатор.

Принцип дії:

Намагнічена феритова пластина є невзаємним середовищем. Тобто при прямому проходженні, хвилі вектор її поляризації обертається з положення А в положення А1(тобто на 45 градусів), а при зворотному проходженні, він не повертається в вихідне положення А, тобто не проходить назад.

Параметри:

.        Хвильовий опір (Ом);

.        Допустима вхідна потужність(Вт);

.        Прямі втрати (дБ);

.        Робоча полоса частот(Гц).

Схематичне зображення ВФФ:

.        Ферітова вставка;

.        Постійний магнит;

.        Діелектрична пластина.

ТТ - двійний хвилеводний трійник представляє собою об’єднання двух розгалуджень на прямокутних хвилеводів з хвилями основного типу. Одне розгалудження зроблено в Н-площині, а інше в Е площині.

Призначення:

ТТ призначений для поділу та узгодження потужності між плечами Е та Н, або 1 та 2.

Основні елементи:

Представляє собою 8-полюсник який має два бокових плеча, образовані прямокутним хвилеводом.

Принцип дії:

На будь-якій частоті плечі Е та Н ідеально розв’язані. При подачі енергії в плечо Е вона ділиться порівну між боковими плечами 2 та 3, при тому, що коливання в цих плечах на однаковій відстані від площини симетріх протифази. При подачі енергії в плечо Н вона також ділиться порівну між боковими плечами, але коливання в цих плечах на однаковій відстані від площини симетріх синфази.

При роботі зі сторони плеч Н та Е Т-міст характеризується значним неузгодженістю. Тому для узгодження Н-плеча приміняють налаштований штирь, розміщений в площині симетрії, а для узгодження Е плеча - індуктивна діафрагма, яка розміщена в цьому плечі. Обидва налаштованих елеманта діють цілком незалежно, а такий міст називають двійчи узгодженим. В ТТ бокові плечі (2,3) також розв’язані і узгоджені.

Параметри:

.        Повний діапазон частот хвилеводу (Гц);

.        Малі вносимі втрати (дБ);

.        Хороші узгодження портів при високій розв’язці;

.        Малий баланс плеч.

Схематичне зображення ТТ:

ЗА - дзеркальна антена

Дзеркальна антена призначена для створення досить вузьких діаграм спрямованості. У деяких випадках дзеркальна антена може використатися як допоміжний елемент якої-небудь антени, що поліпшує її характеристики (наприклад, для вирівнювання фази в розкриві рупорної антени).

Зазвичай в дзеркальних антенах відбувається перетворення більш широкої діаграми направленості опромінювача в вузьку діаграму направленості самої антени.

Основні елементи:

         Лінза;

         Зеркало з металічним напиленням;

         Випромінювач.

Характеристики дзеркальних антен:

         Ширина діаграми спрямованості (ДН) в заданих площинах (Е, Н) або у всіх напрямках

         Форма діаграми направленості (контурна, кругова)

         Коефіцієнт посилення в максимумі ДН антени

         Рівень бічних пелюсток

         Поляризація (кругова, лінійна)

         Напрямок обертання поля антени

         Коефіцієнт поляризації

         Діапазон робочих частот

         Допустимі вітрові навантаження

         Вага (для космічних антен)

Ефективність антени з несуцільним дзеркалом розраховується за формулою:

Т=Ppr/Ppad,

де Ppr - потужність випромінювання позаду рефлектора, Ppad - потужність випромінювання рефлектора (падаючої хвилі).

Якщо Т<0,01, то несуцільне дзеркало вважають хорошим.

Принцип дії ЗА:

Принцип дії антени заснований на тому, що антена являє собою середовище, у якій фазова швидкість поширення електромагнітних хвиль або більше швидкості світла, або менше її. Відповідно до цього лінзи поділяються на прискорювальні і сповільнюючі . У прискорювальних антенах вирівнювання фазового фронту хвилі відбувається за рахунок того, що ділянки хвильової поверхні частина свого шляху проходять у лінзі з підвищеною фазовою швидкістю. Ці ділянки шляху різні для різних променів. Чим сильніше промінь відхилений від осі лінзи, тим більшу ділянку шляху він проходить із підвищеною фазовою швидкістю усередині антени. Таким чином, профіль прискорювальної лінзи повинен бути ввігнутим . У антенах, що сповільнюють, навпаки, вирівнювання фазового фронту відбувається не за рахунок прискорення руху периферійних ділянок хвильової поверхні, а за рахунок сповільнення руху середини цієї поверхні. Отже, профіль лінзи, що сповільнює, повинен бути опуклим.

Структурна схема ЗА:


Рис. 10 - Структура дзеркальної антени

ПН - закінчення поглинаюче навантаження

Призначення ПН:

Поглиначі потужності призначені для: поглинання практично всієї енергії, ПН приєднують до вихідного кінця хвилеводної або коаксіальної лінії, по якій передається електромагнітна енергія в антену, і таким чином, створюючи узгоджене навантаження. Основною вимогою, що пред'являються до поглиначів потужності, є мінімальне відображення електромагнітних хвиль для можливо більш широкого діапазону частот.

Основні елементи:

         Кераміка;

         Чистий графіт;

         Дерево.

Характеристики ЗА:

         Опір (Ом);

         Діапазон робочих частот(Гц);

         Діелектрична спроможність.

Принцип дії:

Застосування поглиначів потужності в якості навантаження усуває найінтенсивніше джерело випромінювання - антену в процесі випробування комплексу РЛЗ, так як послаблює енергію СВЧ більше 60 дБ (1000000 разів) в порівнянні з випромінюванням при роботі на відкриту антену.

Найбільш ефективне використання узгоджених навантажень і поглиначів потужності (еквівалентів антен) при виготовленні, настроюванні та перевірці окремих блоків і комплексів апаратури.

Наприклад, ОЖО.224.000 ТУ - дротяний постійний водоохолоджувальний навантажувальний з малоіндуктивним намотуванням поглинач. Призначений для роботи в потужних радіопередавальних пристроях як еквівалент антен і баластних навантажень.

Рис. 12 - Cхеми поглинача

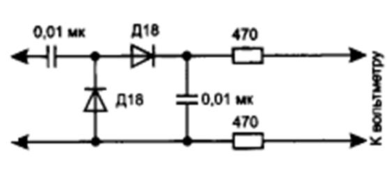
ДІ - детекторна вимірювальна секція з мілівольтметром

Призначення ДІ:

Детекторна секція вимірювальна з мілівольтметром призначена перетворення зверх високочастотних коливань в сигнали постійного струму чи в сигнали, пропорційні огинаючій СВЧ-коливань.

Основні елементи:

         Вольтметр;

         Діоди;

         Резистори;

         Конденсатор.

         Загальний опір (Ом);

         Випрямлення напруги та струму;

         Ємність.

Принцип дії ДІ:

Для збільшення значень вихідних сигналів детекторна секція звичайно містить резонаторну частину, яка налаштовується спеціальним поршнем в режим на робочій частоті.

Детекторна секція може бути побудована по схемі послідовного детектора. Для збільшення чутливості детектора на діод подається струм прямого зміщення.

Для включення в СВЧ тракт детекторний діод поміщають в високочастотний утримувач - детекторну секцію чи детектор.

Детектор може бути амплітудним чи фазовим. Амплітудним детектором називається пристрій, призначений для перетворення СВЧ-сигналів в сигнали постійного струму, тобто для виділення огинаючої коливань СВЧ. Амплітудні детектори є складовою частиною фазових і частотних демодуляторів СВЧ, використовуються в пристроях контролю і автоматичного регулювання рівня потужності, частоти, контрою форми потужності, а також в широкосмугових детекторних приймачах.

Детектор складається з елементу зв’язку з СВЧ-трактом, діоду, фільтру нижніх частот і виводу сигналу на НЧ.

Детектор забезпечує трансформацію високочастотного опору діоду в опір, що дорівнює хвилевому опору вхідної передавальної лінії. Це необхідно для того, щоб уникнути небажаного відбиття.

Детекторна секція повинна забезпечувати поглинання СВЧ потужності без просочування її при цьому на вихідні зажими.

Призначення фазового детектору полягає в отриманні постійного струму, який є пропорційним різниці фаз двох когерентних коливань СВЧ. Фазові детектори застосовуються в фазових демодуляторах, фазометрах, колах фазової синхронізації систем фазової автоматичної підстройки частоти і т.д.

Вони складаються з суматора вхідних коливань і амплітудного детектора.

Схематичне зображення ДІ:

Рис. 11 - Схема детекторної секції з під’єднанням до виходу схеми вольтметра

.        Визначення потужності на вході вузлів А, В, С, Д і Е

Потужність на вході вузла А визначається з урахуванням ККД трансформатора 3-4 і дорівнює 10мВт × η = 10 ×0,8 = 8 мВт;

(Η = 80% = 0,8)

Так як вузол А (ВФС) має в прямому напрямку загасання 0,5 дБ, потужність на його виході визначимо із співвідношення:

lg (Pвх / Рвих) = 0,5;

Звідси Рвих = Рвх/100, 05 = 8 / 1, 122 = 7,14 мВт;

Тобто на вході вузла В потужність складає 7,14 мВт, а тому вузол В ділить її навпіл, то на входах вузлів С і Д вона буде по 3,57 мВт.

На вході вузла Е при ідеальному узгодження потужність дорівнюватиме нулю.

.        Опис принципу роботи досліджуваного пристрою

Схема Живлення антени з контролем випромінюваної потужності.

РПП збуджує в коаксіальному кабелі хвилю типу Т. Потім хвиля проходить через трансформатор, де вона перетворюється в основну хвилю прямокутного хвилевода. Після цього основна хвиля хвилевода поступає в наш пристрій і на елемент ВФФ.

ВФФ не створює істотного загасання для хвилі(0,5 дБ), що рухається по лінії передачі тільки в одному (прямому) напрямку, але вносить велике загасання для іншого напряму руху енергії. Що сприяє зменшенню затягування частоти, покращенню спектра частот, усуненню ефекту довгої лінії. З ВФФ хвиля потрапляє на ТТ, який послідовно з’єднаний з пристроєм А (ВФФ).

ТТ слугує для розділення енергії між елементами С, Д, Е.

На плечах Н або Е узгоджується енергія і ділиться порівну між С та Д елементами. Оскільки плечі повністю узгодженні, енергія на елементі Е буде дорівнювати 0.

В ЗА - в дзеркальній антені на основі явища відображення електромагнітної хвилі від металевих поверхонь (дзеркала) відбувається фокусування енергії хвилі, тобто створення гострої діаграми спрямованості.

ПН - поглинач навантаження приєднаний до вихідного кінця лінії передачі, по якій передається електромагнітна енергія в антену, і таким чином, створюючи узгоджене навантаження, вони поглинають практично всю енергію.

Таким чином відбувається живлення антен з контролем відбитої потужності.

В ДІ - детекторній секції відбувається перетворення СВЧ-сигналів в сигнали постійного струму, тобто для виділення огинаючої коливань СВЧ. А також даний елемент забезпечує трансформацію високочастотного опору діоду в опір, що дорівнює хвилевому опору вхідної передавальної лінії. Це необхідно для того, щоб уникнути небажаного відбиття.

Таким чином відбувається живлення антени з контролем випромінюваної потужності.

. Використана література

1. Петров Б.М. «Электродинамика и распространение волн», 2004.

. Топтыгин И.Н. «Современная электродинамика», 2002.

. Никольский В.В. «Электродинамика и распространение радиоволн», 1973.

Похожие работы на - Розрахунок та дослідження функціональності елементів пристрою для живлення антен з контролем відбитої потужності

 

Не нашли материал для своей работы?
Поможем написать уникальную работу
Без плагиата!
Без нейросетей!