Расчет элементов и узлов аппаратуры связи
Курсовая
работа
"Расчет
элементов и узлов аппаратуры связи"
Оглавление
1.
Введение
.
Техническое задание на устройство
.
Расчет автогенератора
.
Расчет спектра сигнала на выходе нелинейного преобразователя
.
Расчет развязывающего устройства
.
Расчет электрических фильтров
.
Расчет выходного усилителя
.
Общая принципиальная схема
.
Спецификация
Заключение
Литература
колебание устройство сигнал фильтр
1. Введение
Цель работы: в процессе данной работы необходимо
спроектировать широко распространенное в аппаратуре связи устройство,
вырабатывающее так называемую “сетку частот”, то есть несколько гармонических
колебаний. Подобное устройство содержит автогенератор, вырабатывающий исходное
(задающее) колебание; нелинейный преобразователь, искажающий форму сигнала;
набор активных фильтров, выделяющих требуемые гармоники, и масштабирующие
усилители предназначенные для согласования входных и выходных сопротивлений
устройств, а так же для поддержания необходимого уровня формируемого сигнала.
В качестве задающего автогенератора в работе
используются схемы на биполярных транзисторах с пассивной лестничной RC-цепью
обратной связи. При расчете автогенератора необходимо рассчитать: значения всех
элементов схемы, амплитуду стационарного колебания на выходе генератора.
Нелинейный преобразователь строится на основе
биполярных, полевых транзисторов или полупроводниковых диодах. Анализ схемы
нелинейного преобразователя включает в себя аппроксимацию ВАХ нелинейного
элемента и расчет спектрального состава выходного тока и напряжения.
В качестве активных фильтров используются
активные полосовые RC-фильтры на основе операционных усилителях с
полиномиальной аппроксимацией частотной характеристики полиномами Чебышева.
Развязывающие (усилительные) устройства представляют собой масштабирующие
усилители на интегральных микросхемах.
2.Техническое задание на устройство
Технические требования к устройству
|
Заданные
параметры
|
Обозначения
|
|
Требования
к автогенератору
|
|
Тип
автогенератора
|
Схема
1
|
|
Тип
транзистора
|
КТ301
|
|
Частота
генерации
|
fГ=100
кГц
|
|
Напряжение
питания
|
Uпит
авт=12 В
|
|
Сопротивление
коллекторной цепи
|
Rк=2
кОм
|
|
Требования
к нелинейному элементу
|
|
Тип
нелинейного преобразователя
|
Схема
1
|
|
Тип
нелинейного элемента
|
КТ203А
|
|
Напряжение
питания
|
12
В
|
|
Напряжение
смещения
|
U0=-1
В
|
|
Напряжение
на входе
|
Um=1,8
В
|
|
Требования
к электрическим фильтрам
|
|
Тип
операционного усилителя
|
К140УД17
|
|
Напряжение
питания
|
Uпит
Ф=12 В
|
|
Набор
выделяемых частот
|
1
гармоника
|
|
Выходное
напряжение
|
Um
вых=4 В
|
|
Ослабление
полезных гармоник (неравномерность ослабления в полосе пропускания)
|
ΔА=0,5 дБ
|
|
Степень
подавления мешающих гармоник (ослабления в полосе пропускания)
|
Аmin=18
дБ
|
|
Требования
к развязывающим и усилительным устройствам
|
|
Напряжение
питания
|
Uпит
ус=12 В
|
|
Тип
активного элемента
|
К140УД17
|
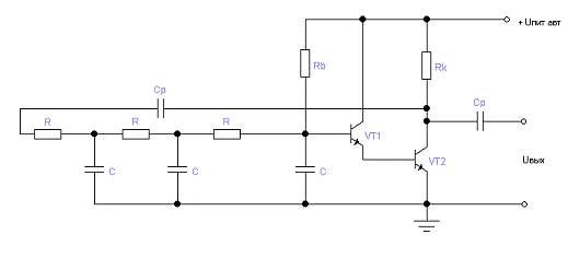
. Расчет автогенератора
Рассчитаем RC-автогенератор на биполярных
транзисторах КТ301, схема 1.
Частота генерации fГ=100 кГц
Напряжение питания Uпит авт=12 В
Сопротивление нагрузки в коллекторной цепи Rк=2
кОм

В стационарном режиме работы
автогенератора на частоте генерации
должны выполняться условия баланса
амплитуд и баланса фаз:
где
- модули передаточных функций
;
- аргументы этих передаточных
функций.
Для данной схемы
Отсюда видно, что
,
следовательно, для выполнения условия баланса фаз необходимо, чтобы цепь
обратной связи вносила сдвиг фаз, равный
.
Получаем выражение для частоты
генерации
и коэффициент передачи цепи обратной
связи на частоте генерации
Входное сопротивление Rн составного
транзистора
где
- коэффициент усиления транзистора
по току (для VT1);
- входное сопротивление транзистора
VT2
Для определения
нужно
выбрать рабочую точку транзистора.
Для этого вначале строим проходную
характеристику транзистора Iк=F(Uбэ) зависимость действующего значения тока в
выходной цепи от входного напряжения Uбэ.
Исходными данными для построения проходной характеристики являются:
входная характеристика транзистора
Iб=F(Uбэ) (Рис. 1)
выходная характеристика транзистора
Iк=F(Uкэ) (Рис. 2)
На семействе выходных характеристик
транзистора КТ301, (Рис. 2) проводим нагрузочную прямую через точки с
координатами (0, Uпит )и (Uпит / Rк, 0)
По точкам пересечения нагрузочной
прямой с выходными характеристиками строим промежуточную характеристику
Iк=F(Iб) (рис 3)
Рис 1
Рис 2
∆Iб = 25 мкА
|
Iб.
mА
|
0
|
0,025
|
0,05
|
0,075
|
0,1
|
0,125
|
|
Iк.mА
|
0,1
|
1,1
|
2,1
|
3,1
|
4,05
|
4,85
|
Рис 3
Используя полученную зависимость
(Рис. 3) и входную характеристику Iб=F(Uбэ) (Рис. 1), определяем требуемую
зависимость Iк=F(Uбэ) (Рис. 4)
|
Uбэ,
В
|
0.3
|
0.4
|
0.5
|
0.55
|
0.61
|
0,62
|
|
Iб.
mА
|
0
|
0,025
|
0,05
|
0,075
|
0,1
|
0,125
|
|
Iк.
mА
|
0,1
|
1,1
|
2,1
|
3,1
|
4,05
|
4,85
|
Рис 4
По проходной характеристике
определяют положение рабочей точки. Зададимся значением Uбэ0 = 0,55В - это
середина линейного участка проходной ВАХ
Тогда по входной ВАХ транзистора
определяют в рабочей точке
=
Коэффициент усиления транзистора по
току

Зная
, можно рассчитать сопротивление
составного
транзистора:
Из ряда номинальных значений
резистор
Из условия
выберем
значение
.
Определим амплитуду стационарного
колебания на выходе генератора. Для этого построим колебательную характеристику
.
Значение средней крутизны для разных
значений Uбэ определим по методу 3-х ординат по формуле:
|
U1(бэ).
В
|
0,05
|
0,1
|
0,15
|
0,2
|
0,25
|
|
Iк
мАx. мА
|
3,9
|
4,85
|
4,9
|
4,9
|
4,9
|
|
Iк
мин. мА
|
2,1
|
1,6
|
1,1
|
0,6
|
0
|
|
Sср.
мА/В
|
18
|
16,25
|
12,7
|
10,75
|
9,8
|
По этой таблице построим колебательную
характеристику Рис. 5.
Рис 5
Для определения по колебательной
характеристике стационарного действующего значения Uбэ необходимо рассчитать
значение средней крутизны в стационарном режиме
. Известно, что
.
Но из баланса амплитуд
. Тогда
Определим значение
для рассчитанных
значений Rн и R
Для этого значения
средняя
стационарная крутизна
располагается
ниже колебательной характеристики, и поэтому в схеме будет происходить
генерация колебаний.
Используем колебательную
характеристику и ее значение средней крутизны в стационарном режиме, найдем
действующее значение напряжения
. Оно равно
. Тогда
напряжение на выходе генератора в стационарном режиме найдем из соотношения:
Определим значение емкости в цепи
обратной связи. Из выражения для частоты
найдем
Емкость CР разделительного
конденсатора выберем из условия
. Возьмем СР=15 нФ
Определим значение сопротивления Rб,
задающего рабочую точку Uбэ0, Iбэ0. Рассчитаем по формуле :
Выберем резистор с номиналом Rб=6,2
кОм.
|
R
кОм
|
Rк
кОм
|
Rб
кОм
|
C
нФ
|
C
р нФ
|
|
10
|
2
|
6,2
|
0,15
|
15
|
. Расчет спектра сигнала выходе нелинейного
преобразователя
Требуется рассчитать спектр тока и напряжения на
выходе нелинейного преобразователя
Схема нелинейного преобразователя (схема 2)
Тип нелинейного элемента КТ203А
Напряжение на входе Um=1,8 В
Напряжение смещения U0=-1 В
к=600 Ом
Так как Um вх=1,8 В, а Um вых
ген=3,9 м В, тогда

Амплитуда напряжения на выходе
автогенератора меньше амплитуды напряжения, которое следует подать на вход
нелинейного преобразователя, следовательно, его необходимо ослабить. Для этого
используем схему 3, которую подключим между генератором и нелинейным
преобразователем.
Схема 3
Для расчета тока и напряжения на
выходе нелинейного преобразователя необходимо сделать аппроксимацию ВАХ.
Амплитуда выходного сигнала достаточно велика, поэтому выберем кусочно-линейную
аппроксимацию
По ВАХ определяем Uотс=0,65 В
Для расчета крутизны S выбираем
любую точку на прямой, аппроксимирующей ВАХ,
;
,тогда:
Рассчитаем угол отсечки
Вычислим функции Берга
;
;
;
Постоянные составляющие и амплитуды
гармоник спектра тока IВЫХ рассчитаем по формуле
, где к=0,1,2,3, …
Ограничимся третьей гармоникой
;
;
;
Напряжение на выходе нелинейного
преобразователя считаем по формуле
;
Амплитуды гармоник выходного
напряжения
=0,156 В; Um1=0,306 В; Um2=0,408 В;
Um3=0,019 В
Спектры амплитуд тока и напряжения
на (Рис 7) (Рис 8)
Рис 7
Рис 8
5.Расчет полосового фильтра
Рассчитать полосовой фильтр для
выделения первой гармоники при частоте генерируемых колебаний fГ=100 кГц.
Неравномерность ослабления в ПЭН:
, минимально допустимое ослабление в
ПЕН:Аmin=18 дБ.
Частота первой гармоники равна 100
кГц, тогда, f0=100 кГц.
Характеристика ослабления фильтра
должна обладать геометрической симметрией относительно выделяемой гармоники
(Рис 9)
Рис 9
По заданным данным ΔА и Аmin
определим вспомогательную функцию D (Рис 10)
Рис 10
Затем, задавшись приемлемым
значением порядка фильтра-прототипа n=2, для полученного значения D=28(рис.13)
определим нормированную частоту, соответствующую границе ПЭН НЧ-прототипа: Ω3= 3,5
Находим граничные частоты ПЭП и ПЭН.
Так как
, то
задавшись f3=110 кГц, т.е.
, найдем
.
Учитывая соотношение
, определим
Решим совместно систему
Получаем:
Отсюда получаем граничные частоты:
Полюса передаточной функции
НЧ-прототипа:
Для отыскания полюсов передаточной
функции ПФ, используем соотношение:
где
;
.
|
Номер
полюса
|
Полюсы
Н(р) полосового фильтра
|
|

|
|
|
1,2
3,4
|
0.7891
0.6462
|
6.2122
7.0041
|
Запишем передаточную функцию ПФ в виде
произведения трех сомножителей второго порядка
где
Коэффициенты при р в знаменателях
сомножителей
, а
свободные члены
.
|
Номер
Сомножителя
|
Значения
коэффициентов
|
|
 
|
|
|
|
1
2
|
3,064
3,064
|
0.9982
1.2324
|
0.39598
0.49429
|
Тогда передаточная функция искомого ПФ
запишется:

В результате получим: Q1=6.3, Q2=5,7
Выберем для обоих звеньев схему 4.
Для поиска элементов звена, соответствующего первому сомножителю H(p), составим
систему уравнений:
Зададимся С3=4 нФ, С4=5 нФ,
Решая систему относительно элементов
R1, R2, R5, получаем:= 8,16 кОм, R2=300 Ом, R3=45,1 кОм
Схема 4
|
Элементы
1-го звена
|
|
R1
кОм
|
R2
Ом
|
R3
кОм
|
C1
нФ
|
C2
нФ
|
|
8,2
|
300
|
47
|
4
|
5
|
Поступая аналогичным образом находим элементы
второго звена.
|
Элементы
2-го звена
|
|
R1
кОм
|
R2
Ом
|
R3
кОм
|
C1
нФ
|
C2
нФ
|
|
8,2
|
300
|
36
|
4
|
5
|
Для расчета АЧХ и ослабления фильтра в выражении
H(p) сделаем замену p=jω тогда |H(jω)|
запишется:
Ослабление фильтра связано с АЧХ
выражением
Найдем частоты ПЭП, при которых А и
АЧХпринимают максимальные и минимальные значения. Ω1 мАx=0 , Ω2 мАx=1, Ω1 min=0,707
Для нахождения соответствующих
частот ПФ используем соотношение
|
       
|
|
|
|
|
|
|
|
|
|
570900611100617300622980628000639900645400690800
|
|
|
|
|
|
|
|
|
|
90,197,3198,399,2100101,9102,8110
|
|
|
|
|
|
|
|
|
|
0,2370,4951,1040,7610,7611,2671,2670,523
|
|
|
|
|
|
|
|
|
|
0,641,7730,8071,1271,1270,7170,7170,331
|
|
|
|
|
|
|
|
|
|
11,5055,488-0,8591,5321,072-2,056-2,0869,63
|
|
|
|
|
|
|
|
|
|
6,476-4,9740,863-1,038-1,0381,7362,6368,603
|
|
|
|
|
|
|
|
|
|
0,050,890,990,8610,860,910,07
|
|
|
|
|
|
|
|
|
|
180,5100,500,30,50518
|
|
|
|
|
|
|
|
|
График АЧХ (Рис 11), зависимость ослабления от
частоты полосового фильтра (Рис 12)
Рис 11
Рис 12
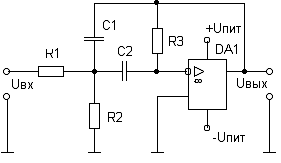
. Расчет выходного усилителя
Напряжение устройства выделения
первой гармоники, Uвых треб= 4 В, амплитуда напряжения первой гармоники
Um1=0,306 В, напряжение на выходе фильтра будет:
0,306∙1=0,306 В
требуемый коэффициент усиления
13,1
Возьмем схему 5
Схема 5
Зададим R1=10 Ом, тогда
131 Ом
Заключение
В данной курсовой работе было рассчитано
устройства применяемое в системах связи. Я научил пользоваться справочниками, а
также искать подходящие каскады для построения устройств в радиоаппаратуре, и
системах связи. Рассчитывать параметры этих устройств, и элементов входящих в
их состав.
Литература
В.П.
Бакалов, А.А. Игнатов, Б.И. Крук. Основы теории электрических цепей и
электроники: Учебник для высших учебных заведений. - М.: Радио и связь, 2009 -
525 с.
Б.И.
Крук, О.Б. Журавлёва, М.И. Сметанина. Методические указания к курсовой работе.
СибГАТИ. - Новосибирск 2010