Расчёт элементов и узлов аппаратуры связи
Федеральное
агентство связи
Государственного
образовательного учреждения высшего профессионального образования
«Сибирский
Государственный Университет
Телекоммуникаций
и Информатики»
Кафедра
ТЭЦ
Курсовая
работа
Расчёт
элементов и узлов аппаратуры связи
Выполнил: студент группы М-61
Гармаев А. С.
Проверил: Гусельников Н. М.
Новосибирск
2010
Содержание
Введение
Расчет
автогенератора
Масштабный
усилитель
Расчет
спектра сигнала на выходе нелинейного преобразователя
Расчет
электрических фильтров
Расчет
электрического фильтра для второй гармоники
Расчет
электрического фильтра для четвертой гармоники
Расчет
выходного усилителя
Для
второй гармоники
Для
четвертой гармоники
Спецификация
Принципиальная
схема устройства
Заключение
Список
используемой литературы
Введение
Цель курсовой работы - проверить
знания, навыки и умения студента по фундаментальной и общетехнической
подготовке. В задание на работу включены вопросы, изучаемые в курсе
"Теория электрических цепей". Однако, для успешного выполнения работы
нужно хорошо знать материалы дисциплин «Высшая математика», «Цифровая и
вычислительная техника», «Техническая электроника».
В процессе самостоятельной работы
студент должен спроектировать широко распространенное в аппаратуре связи
устройство, вырабатывающее так называемую "сетку частот", т.е.
несколько гармонических колебаний. Подобное устройство содержит автогенератор,
вырабатывающий исходное (задающее) колебание; нелинейный преобразователь,
искажающий форму сигнала; набор активных фильтров, выделяющих требуемые
гармоники, и масштабирующие усилители для согласования входных и выходных
сопротивлений устройств, а также уровней сигналов.
Расчет автогенератора
Рассчитать RC-генератор, выполненный
по схеме «А» (см. рисунок 1) на биполярном транзисторе 2Т658А.
Рисунок 1. Схема автогенератора
электрическая принципиальная
Частота генерации fг =10,25 кГц
Напряжение питания Uпит авт = 16 В
Сопротивление нагрузки на
коллекторной цепи Rк= 4 кОм
В стационарном режиме работы
автогенератора на частоте генерации ωг=2π fг должны
выполняться условия баланса амплитуд и баланса фаз:
фильтр резистор
конденсатор автогенератор
,
где
- модули передаточных функций
и
;
- аргументы этих передаточных
функций.
Для заданной схемы транзистор был
заменен упрощенной эквивалентной схемой, т.е. активный элемент был представлен
ИТУНом (рисунок 2). Так как Rj>>Rк, то
Из формулы
видно, что
=π, значит для
выполнения условия баланса фаз необходимо, чтобы цепь обратной связи вносила
сдвиг фаз, равный π.
Это
будет выполняться при равенстве нулю мнимой части знаменателя выражения Hос(jω). Получаем
выражение для частоты генерации:
.
Коэффициент обратной связи на
частоте генерации:
Найдем значения сопротивлений Rн и
R, входящих в формулы для расчета ωг и Hос(ωг).
Входное сопротивление Rн составного
транзистора
,
где β - коэффициент
усиления по току для VT1.
- входное сопротивление транзистора
VT2.
Для определения β и
нужно
выбрать рабочую точку транзистора.
Для этого необходимо построить
проходную характеристику транзистора Iк=F(Uбэ) - зависимость действующего
значения тока в выходной цепи от входного напряжения Uбэ. В свою очередь
исходными для построения проходной характеристики являются:
входная характеристика транзистора
Iб=F(Uбэ) (рисунок 3);
выходные характеристики транзистора
Iк=F(Uкэ) (рисунок 4).
На семействе выходных характеристик
транзистора КТ301Б (рисунок 3) проводится нагрузочная прямая через точки с
координатами (0, Uпит) и (Uпит /R,0).
По точкам пересечения нагрузочной
прямой с выходными характеристиками строится промежуточная характеристика
Iк=F(Iб) (рисунок 5). Для этих целее удобно составить таблицу:
Таблица 1 - Данные для построения
промежуточной характеристики
|
Iб,
мА
|
0,05
|
0,1
|
0,15
|
0,2
|
0,25
|
|
Iк,
мА
|
1
|
2,1
|
3,1
|
3,75
|
3,85
|
Затем, используя полученную зависимость (рисунок
4) и входную характеристику Iб=F(Uбэ) (рисунок 3) , определяем требуемую
зависимость Iк=F(Uбэ) (рисунок 6).
Все даны необходимые для построения
характеристики, сведены в таблицу:
Таблица 2 - Данные для построения
зависимости Iк=F(Uбэ)
|
Uбэ,
В
|
0,4
|
0,5
|
0,6
|
0,7
|
0,75
|
|
Iб,
мА
|
0,02
|
0,04
|
0,1
|
0,175
|
0,25
|
|
Iк,
мА
|
0,4
|
0,8
|
2,1
|
3,4
|
3,85
|
По проходной характеристике определяют положение
рабочей точки. Лучше всего задаться значением Uбэ 0=0,2 В - это середина
линейного участка проходной ВАХ.
Тогда по входной характеристике транзистора
определяют в рабочей точке:
выбираем номинальное значение 1428
Ом.
Рисунок 2. упрощенная эквивалентная
схема замещения активного элемента
Коэффициент усиления транзистора по
току:
Зная
и β, можно
рассчитать сопротивление Rн составного транзистора:
н = β•
=21*1,428=30
кОм
н выбираем равным 30 кОм. Из условия
R>>Rк нужно было бы выбрать значение R ≥ 40 кОм, но эту величину
еще нужно уточнить при дальнейшем расчете.
Определяем амплитуду стационарных
колебаний на выходе генератора. Для этого построим колебательную характеристику
Sср=F(Uбэ).
Значения средней крутизны для
различных значений Uбэ можно определить по методу трёх ординат по формуле:
.
Все расчеты приведены ниже в
таблице:
Таблица 3 - Расчет крутизны
|
Ui(бэ),В
|
0,05
|
0,1
|
0,15
|
|
Iк
max, мА
|
2,7
|
3,4
|
3,85
|
|
Iк
min, мА
|
1,3
|
0,9
|
0,65
|
|
Sср,
мА/В
|
14
|
12,5
|
10,66
|
Относительно этой таблицы строится колебательная
характеристика Sср=F(Uбэ). Она приведена на рисунке 7.
Для того чтобы по стационарной характеристике
определить стационарное действующее значение Uбэ необходимо предварительно
рассчитать значение средней крутизны в стационарном режиме S*ср.
Известно, что
, с другой
стороны из баланса амплитуд
. Отсюда
.
Определяем значения
для
рассчитанных значений Rн и R.

мA/B
Используя колебательную
характеристику и зная значение средней крутизны в стационарном режиме Sср* =
59,5 мА/В, легко найти стационарное действующее значение напряжения Uбэ*. Оно
равно Uбэ* = Uвх = 0,125 В. Тогда напряжение на выходе генератора в
стационарном режиме можно найти из соотношения:
вых = Uвх· Hус(ωг) = Uвх /
Hос(ωг) =
0,125/0,0231 = 5,41 B
Определяем теперь значение емкости в
цепи обратной связи. Из выражения для частоты ωг найдем
è
Емкость Cp разделительного
конденсатора выбирается из условия Cp>>C или 1/ωгCp
0.01R.
Возьмем Ср=40 нФ.
Осталось определить только значение
сопротивления Rб, задающего рабочую точку Uбэ0, Iбэ0. Рассчитаем его по
формуле:

148 кОм
Выбираем резистор с номиналом Rб=148
кОм.
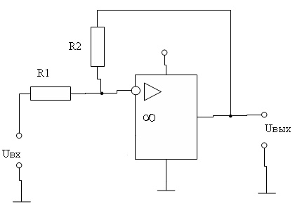
Масштабный усилитель
Амплитуда напряжения на выходе
автогенератора, рассчитанного в предыдущем пункте, больше амплитуды напряжения,
которое следует подать на вход нелинейного преобразователя, поэтому сигнал
генератора нужно ослабить. Для этой цели воспользуемся схемой масштабного
усилителя (рисунок 8), которую включают между генератором и нелинейным
преобразователем.
Рисунок 8 Схема усилителя
электрическая принципиальная
Комплексная передаточная функция
такой схемы:
Поскольку:вых. ген = Uвх.(jw)=5,41
Ввх. нэ. = Uвых.(jw)= 5 В
Подставим в формулу Hус(jω), имеем:
Пусть R1 = 20 кОм, следовательно, R2
= 18,48 кОм.
Расчет спектра сигнала на выходе
нелинейного преобразователя
Рисунок 9 Схема нелинейного
преобразователя принципиальная
Тип нелинейного элемента КП305И
Напряжение на выходе Um=5 В;
Напряжение смещения U0=-6,5 В;си=10
В; Rс=1 кОм
На вход подается напряжение вида
=U0+Um cos(ωt)=-6,5+5cos(ωt).
Используя проходную ВАХ транзистора,
графически определим вид тока на выходе нелинейного преобразователя (рисунок
12)
Для расчета спектра тока и
напряжения на выходе нелинейного преобразователя необходимо сделать
аппроксимацию по ВАХ. Амплитуда входного сигнала достаточно велика, поэтому
выбираем кусочно-линейную аппроксимацию
По ВАХ определяем Uотс=-2,7 В.
График тока имеет характерный вид
косинусоидальных импульсов с отсечкой. Половина той части периода, в течении
которой протекает ток, называется углом отсечки.
При ωt=θ, u=U0+Um cos
ωt=U0+Um cos θ=Uотс.
Тогда угол отсечки можно определить
как θ=arccos(Uотс-U0)/Um.
В нашем случае θ=arccos(-2,7+6,5)/5=
arcos 0,76=0,707 рад=42,53є.
Ток на интервале
отличен от
нуля и определяется как:
Imk=SUm(cos ωt-
cos θ)=
SUmγk(θ),
где k=0,1,2…γk функция
Берга.
Крутизна рассчитывается:=Iс/(Uбэ-Uотс)=10/(-1,5+2,7)=8,33
(мA/B)
Посчитаем значение функции Берга:
Постоянная составляющая и амплитуды
гармоник спектра тока Iвых рассчитываются по формуле:
Imk = S·Um·γk(θ), где к =
0,1,2,3,4.
Ограничимся третей гармоникой, имеем:=
2,04 мА= 2,80 мА= 2,65 мА= 2,14 мА
Напряжение на выходе нелинейного
преобразователя: Uвых = Iвых·Rс
Амплитуды гармоник выходного
напряжения:= 2040 мB= 2800 мВ= 2650 мВ
= 2140 мВ
Рисунок 12 График зависимости тока
от напряжения, тока от частоты и ωt=F(U).
Расчет электрических фильтров
Для выделения колебаний заданных,
частот необходимо рассчитать полосовые фильтры, у частотных характеристик которых
центры эффективного пропускания совпадали бы с этими частотами. Кроме того,
заданными являются неравномерность ослабления ΔА в полосе
эффективного пропускания и минимально-допустимое ослабление Amin в полосе
эффективного непропускания каждого фильтра, а также значение амплитуды
выходного напряжения.
В качестве полосовых фильтров можно
выбрать полиномиальные фильтры Чебышева. Каждый фильтр выделяет свою гармонику.
Поскольку гармоники сигнала на выходе нелинейного преобразователя достаточно
далеко разнесены по частоте, порядок фильтра может быть получен невысокий.
Частоты соседних гармоник должны попадать в полосу непропускания фильтра.
Характеристика ослабления фильтра должна обладать геометрической симметрией
относительно выделяемой гармоники. Это имеет место при выполнении условия
(рисунок 13)
Рисунок 13 Принципиальная
характеристика полосового фильтра
Расчет полосового фильтра обычно
сводится к расчету НЧ-прототипа.
Для определения нормированной
частоты НЧ-прототипа, соответствующей границе ПЭН Ω3, необходимо
воспользоваться графиками приведенными ниже.
Рисунок 14
Рисунок 15
При этом вначале по заданным
значениям ΔА=1дБ и
Amin=30дБ определяют вспомогательную функцию D=35 (рисунок 15), а затем,
задаваясь приемлемым значением порядка фильтра-прототипа 3, для полученного
значения D по рисунку 14 определяем Ω3=2,6.
Расчет электрического фильтра для
второй гармоники
Требуется рассчитать полосовой
фильтр для выделения второй гармоники при частоте генерируемых колебаний 10,5
кГц. Неравномерность ослабления в ПЭП ΔА=1 дБ, минимально допустимое
ослабление в ПЭН Amin=27,4 дБ.
Частота 2-ой гармоники равна: f0
=N*fГ=2*10,25=20,5 кГц.
Где N - номер гармоники.
Найдем граничные частоты ПЭП и
ПЭН.=2*10,25=20,5 кГц
ω0=2πf0=2•3,14•20500=128740
рад/с.
Так как
, то
задавшись f3=f0+fг/2=25,625 кГц, т.е. ω3=160925 рад/с, найдем ω’3; ω’3=
ω20/ω3=102992
рад/сек т. е f’3=16,4 кГц. Учитывая соотношение
, определим
Δω= ω2-ω’2 =
=22282
рад/с.
Δf=3,548 кГц
Решая совместно систему
,
получаем
ω’2= 118080 рад/с;
ω2=140362 рад/с.
Таким образом граничные
частоты:=22,35 кГц (ω2=140362
рад/с);’2=18,8 кГц (ω’2=118080
рад/с);=25,625 кГц (ω3=160925
рад/с);’3=16,4 кГц (ω3=102992
рад/с).
Пользуясь методическими указаниями
найдем полюсы передаточной функции НЧ-прототипа: S1=-0,494171; S2,3=-0,247085±j0,956999
Для отыскания полюсов передаточной
функции воспользуемся соотношением:
,
Полученные значения полюсов
представим в таблице:
Таблица 4 Полюсы H(p) полосового
фильтра
|
Номер
полюса
|
Полюсы
H(p) полосового фильтра
|
|
α
|
±jω
|
|
1,2
|
-5508,21
|
128687,47
|
|
3,6
|
-2983,58
|
139992,8
|
|
4,5
|
-2524,62
|
118458,04
|
Передаточная функция может быть записана в виде
произведения трех сомножителей третьего порядка
,
Где
.
Коэффициенты при p в знаменателях
сомножителей ai=2αi,
а
свободные члены ai= a2i + ω2i. Их значения в таблице ниже:
Таблица 5 коэффициенты H(p)
полосового фильтра
|
Номер
сомножителя
|
Значения
коэффициентов
|
|
bi
|
ai
|
a0i
|
|
1
|
17591
|
11016
|
16591000000
|
|
2
|
17591
|
5967
|
19607000000
|
|
3
|
17591
|
5049
|
14038700000
|
Тогда передаточная функция запишется так:
.
Для реализации полученной
передаточной функции необходимо выбрать тип звеньев, для чего найдем вначале
добротность полюсов соответствующих сомножителей, используя соотношение
.
В результате расчетов получим
Q1=15,06; Q2=23,466; Q3=6,73.
Рассчитаем элементы 1-ого и 2-ого
звена:
Для реализации 1-ого и 2-ого
сомножителя выбираем схему приведенную ниже:
Рисунок 17. Схема принципиальная электрическая
1-ого и 2-ого звена полосового фильтра
Для отыскания элементов звена,
соответствующего первоначальному сомножителю H(p), составим систему уравнений:
.
Зададимся C6=C7=C=5 нФ. Здесь ωп - частота
полюса,
определяемая для данного
сомножителя, как
128800 рад/с.
Таким образом:=
R2=1/wпС=1/128800*5*10-9=1,553 кОм.
Решая систему относительно элементов
R5, R3, R4 получим:=18,155 кОм; R3=2,588 кОм; R4=931,52 Ом.
Поступая аналогичным образом найдем
элементы 2-ого звена:п=140000 рад/сек;=R2=1,428 кОм;=0,797 кОм; R4=2,559 кОм;
R5=33,517 кОм.
Рассчитаем элементы 3-ого звена:
Для реализации 3-его сомножителя
выбираем схему приведенную ниже:
Рисунок 17. Схема принципиальная
электрическая 3-ого звена полосового фильтра
Для отыскания элементов звена,
соответствующего первоначальному сомножителю H(p), составим систему уравнений:
.
Зададимся C3=C4=C=5 нФ.
Решая систему относительно элементов
R1, R2, R5 получим:=11,37 кОм; R2=36,18 Ом; R5=79,223
Результаты вычислений сведем в
таблицу:
Таблица 6 - Рассчитанные значения
элементов полосового фильтра
|
Элементы
1-ого звена
|
|
R1,
кОм
|
R2,
кОм
|
R3,
кОм
|
R4,
кОм
|
R5,
кОм
|
С6,
нФ
|
С7,
нФ
|
|
1,553
|
1,553
|
2,588
|
0,931
|
18,155
|
5
|
5
|
|
Элементы
2-ого звена
|
|
R8,
кОм
|
R9,
кОм
|
R10,
кОм
|
R11,
кОм
|
R12,
кОм
|
С13,
нФ
|
С14,
нФ
|
|
1,428
|
1,428
|
0,797
|
2,559
|
33,517
|
5
|
5
|
|
Элементы
3-го звена
|
|
R15,
кОм
|
R16,
Ом
|
R17,
кОм
|
C18,
нФ
|
C19,
нФ
|
|
|
11,369
|
36,18
|
79,223
|
5
|
5
|
|
|
|
|
|
|
|
|
|
Схема полосового фильтра приведена на рис.18.
Для расчета АЧХ и ослабления фильтра в выражении
H(p) осуществим замену p=jω,
тогда |H(jω)| запишется так:

.
Ослабление фильтра связано с АЧХ
выражением:
.
Найдем частоты ПЭП, при которых А и
АЧХ принимают максимальные значения. Из таблицы в методических указаниях для
характеристик НЧ-прототипа имеем при n=3 Ω1min=0; Ω1max=0,5; Ω2min=0,866; Ω2max=1.
Для нахождения соответствующих
частот характеристики ПФ воспользуемся соотношениями:
,
.
Результаты расчетов АЧХ и ослабления
отдельных звеньев и всего фильтра удобно свести в таблицу 7.
Полученная частотная зависимость
ослабления удовлетворяет заданным нормам ΔА и Аmin.
По результатам расчетов построим
графики АЧХ (рисунок 19) и зависимость ослабления от частоты полосового фильтра
(рисунок 20).
Рисунок 18 Схема электрическая
принципиальная трехзвенного полосового фильтра
Таблица 7 - Результаты расчета
характеристик фильтра
|
Ω
|
ω'3
|
ω'2
|
ωmin1
|
ωmax1
|
ω0
|
ωmax2
|
ωmin2
|
ω2
|
102992
|
118080
|
119452,9
|
123290
|
128740
|
134431
|
138749,1
|
140362
|
|
f,
кГц
|
16,4
|
18,8
|
19,02
|
19,63
|
20,5
|
21,4
|
22,09
|
22,35
|
|
|H(jω)|1
|
0,3
|
0,71
|
0,79
|
1,12
|
1,6
|
1,13
|
0,79
|
0,71
|
|
|H(jω)|2
|
0,2
|
0,36
|
0,39
|
0,49
|
0,73
|
1,37
|
2,72
|
2,92
|
|
|H(jω)|3
|
0,52
|
3,45
|
3,23
|
1,63
|
0,86
|
0,58
|
0,46
|
0,43
|
|
A1,
дБ
|
10,51
|
3,02
|
2,04
|
-1,00
|
-4,06
|
-1,03
|
2,02
|
3,00
|
|
A2,
дБ
|
13,93
|
8,76
|
8,15
|
6,24
|
2,76
|
-2,74
|
-8,7
|
-9,31
|
|
A3,
дБ
|
5,62
|
-10,75
|
-10,19
|
-4,24
|
1,31
|
4,77
|
6,69
|
7,30
|
|
|H(jω)|
фильтра
|
0,03
|
0,94
|
1,00
|
0,94
|
1,00
|
0,94
|
1,00
|
0,94
|
|
Афильтра,
дБ
|
30,05
|
0,50
|
0,00
|
0,50
|
0,00
|
0,50
|
0,00
|
0,52
|
Рисунок 19 График зависимости |H(jω)|=F(f)
полосового фильтра
Рисунок 20 График зависимости A=F(f) полосового
фильтра
Расчет электрического фильтра для третей
гармоники
Требуется рассчитать полосовой фильтр для
выделения четвертой гармоники при частоте генерируемых колебаний 10,25 кГц.
Неравномерность ослабления в ПЭП ΔА=1дБ,
минимально допустимое ослабление в ПЭН Amin=30 дБ.
Частота 3-ей гармоники равна 30,75 кГц,
следовательно f0 =30,75 кГц.
Найдем граничные частоты ПЭП и ПЭН.
ω0=2πf0=2•3,14•30750=193110
рад/с.
Так как
, то
задавшись f3 =35,875 кГц, т.е. ω3=225295 рад/с, найдем ω’3;
ω’3=ω20/ω3=165522,85 рад/сек. Учитывая соотношение
, определим
Δω= ω2-ω’2 =
=22989,28
рад/с.
Решая совместно систему
,
получаем
ω’2= 181959,124 рад/с;
ω2=204948,4 рад/с.
Таким образом граничные
частоты:=32,635 кГц (ω2=204948,4
рад/с);’2=28,97 кГц (ω’2=181959,124
рад/с);=35,875 кГц (ω3=225295
рад/с);’3=26,357 кГц (ω’3=165522,85
рад/с).
Пользуясь методическими указаниями
найдем полюсы передаточной функции НЧ-прототипа: S1=-0,494171;
S2,3=-0,247085±j0,965999
Для отыскания полюсов передаточной
функции воспользуемся соотношением:
,
Полученные значения полюсов
представим в таблице:
Таблица 8 Полюсы H(p) полосового
фильтра
|
Номер
полюса
|
Полюсы
H(p) полосового фильтра
|
|
α
|
±jω
|
|
1,2
|
-5682,09
|
193124,38
|
|
3,6
|
-3004,12
|
204613,45
|
|
4,5
|
-2677,96
|
182398,89
|
Передаточная функция может быть записана в виде
произведения трех сомножителей третьего порядка
,
Где
Коэффициенты при p в знаменателях
сомножителей ai=2αi,
а
свободные члены ai= a2i + ω2i. Их значения в таблице ниже:
Таблица 9 коэффициенты H(p)
полосового фильтра
|
Номер
сомножителя
|
Значения
коэффициентов
|
|
bi
|
ai
|
a0i
|
|
1
|
18146
|
11364
|
37329000000
|
|
2
|
18146
|
6008
|
41875000000
|
|
3
|
18146
|
5356
|
33276000000
|
Тогда передаточная функция запишется так:
Для реализации полученной
передаточной функции необходимо выбрать тип звеньев, для чего найдем вначале
добротность полюсов соответствующих сомножителей, используя соотношение
.
В результате расчетов получим Q1=17;
Q2=34; Q3=34.
Для реализации всех трех
сомножителей выбираем схему приведенную ниже. Ее передаточная функция:
Рисунок 22 Схема принципиальная электрическая
одного звена полосового фильтра
Для отыскания элементов звена, соответствующего
первоначальному сомножителю H(p), составим систему уравнений:
Зададимся C6=C7=C=5 нФ. Здесь ωп - частота
полюса, определяемая для данного сомножителя, как
рад/с.
Таким образом=
R2=1/193200*5*10-9=1,035 кОм.
Решая систему относительно элементов
R5, R3, R4 получим:=1,725 кОм, R4=0,621 кОм, R5=17,6 кОм.
Поступая аналогичным образом найдем
элементы 2-го и 3-го звена, а результаты вычислений сведем в таблицу:
Таблица 10 - Рассчитанные значения
элементов полосового фильтра
|
Элементы
1-ого звена
|
|
R20,
кОм
|
R21,
кОм
|
R22,
кОм
|
R23,
кОм
|
R24,
кОм
|
С25,
нФ
|
С26,
нФ
|
|
1,035
|
1,035
|
1,725
|
0,621
|
17,6
|
5
|
5
|
|
Элементы
2-ого звена
|
|
R27,
кОм
|
R28,
кОм
|
R29,
кОм
|
R30,
кОм
|
R31,
кОм
|
С32,
нФ
|
С33,
нФ
|
|
0,980
|
0,980
|
0,485
|
1,968
|
33,289
|
5
|
5
|
|
Элементы
3-го звена
|
|
R34,
кОм
|
R35,
кОм
|
R36,
кОм
|
R37,
кОм
|
R38,
кОм
|
С39,
нФ
|
С40,
нФ
|
|
1,099
|
1,099
|
0,792
|
1,518
|
37,341
|
5
|
5
|
Для расчета АЧХ и ослабления фильтра в выражении
H(p) осуществим замену p=jω, тогда
|H(jω)|
запишется
так:

Ослабление фильтра связано с АЧХ
выражением:
.
Найдем частоты ПЭП, при которых А и
АЧХ принимают максимальные значения. Из таблицы в методических указаниях для
характеристик НЧ-прототипа имеем при n=3 Ω1min=0; Ω1max=0,5;
Ω2min=0,866; Ω2max=1.
Для нахождения соответствующих
частот характеристики ПФ воспользуемся соотношениями:
,
.
Результаты расчетов АЧХ и ослабления
отдельных звеньев и всего фильтра удобно свести в таблицу 11.
Полученная частотная зависимость
ослабления удовлетворяет заданным нормам ΔА и Аmin.
По результатам расчетов построим
графики АЧХ (рисунок 21) и зависимость ослабления от частоты полосового фильтра
(рисунок 22).
Таблица 11 Результаты расчета
характеристик фильтра
|
ω
|
ω'3
|
ω'2
|
ωmin1
|
ωmax1
|
ω0
|
ωmax2
|
ωmin2
|
ω2
|
|
ω,
рад/с
|
165523
|
181959
|
183412
|
187448
|
193110
|
198943
|
203321
|
204948
|
|
f,
кГц
|
26,35
|
28,97
|
29,2
|
29,84
|
30,75
|
31,68
|
32,37
|
32,63
|
|
|H(jω)|1
|
0,3
|
0,71
|
0,79
|
1,12
|
1,6
|
1,12
|
0,79
|
0,71
|
|
|H(jω)|2
|
0,21
|
0,37
|
0,4
|
0,5
|
0,75
|
1,42
|
2,79
|
3,00
|
|
|H(jω)|3
|
0,51
|
3,35
|
3,16
|
1,6
|
0,84
|
0,56
|
0,45
|
0,42
|
|
A1,
дБ
|
10,53
|
3,02
|
2,06
|
-0,96
|
-4,06
|
-1
|
2,01
|
2,99
|
|
A2,
дБ
|
13,67
|
8,52
|
7,92
|
6,04
|
2,53
|
-3,02
|
-8,9
|
-9,53
|
|
A3,
дБ
|
5,91
|
-10,51
|
-9,98
|
-4,08
|
1,53
|
5,01
|
6,89
|
7,5
|
|
|H(jω)|
фильтра
|
0,03
|
0,89
|
1,00
|
0,89
|
1,00
|
0,89
|
1,00
|
0,89
|
|
Афильтра,
дБ
|
30,11
|
1,04
|
0,00
|
1,00
|
0,00
|
1,00
|
0,00
|
0,96
|
Рисунок 21 график зависимости |H(jω)|=F(f) полосового
фильтра
Рисунок 22 график зависимости A=F(f)
полосового фильтра
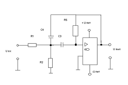
Расчет выходного масштабирующего
усилителя
Для ослабления сигнала на первом
выходе:
Требуемое выходное напряжение
устройства выделения второй гармоники Uвых треб=2,4В(амплитудное значение). Из
предыдущих расчетов известно, что амплитуда напряжения третьей гармоники Um2 =
2,65 В. Тогда амплитуда напряжения на выходе фильтра будет:
В
Требуемый коэффициент усиления
К=Uвых треб/Uвых ф=2,4/2,65=0,905
У выбранной схемы зададимся
значением R1=3кОм, тогда=К• R1=0,905•3000=2,717 кОм.
Рисунок 23 Схема усилителя
электрическая принципиальная
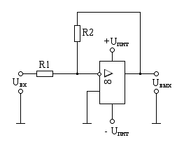
Для усиления сигнала на втором
выходе
Требуемое выходное напряжение
устройства выделения третьей гармоники Uвых треб=2,4В (амплитудное значение).
Из предыдущих расчетов известно, что амплитуда напряжения четвертой гармоники
Um3 = 2,140В. Тогда амплитуда напряжения на выходе фильтра будет:
В.
Требуемый коэффициент усиления
К=Uвых треб/Uвых ф=2,4/2,140=1,12
У выбранной схемы зададимся
значением R1=3кОм, тогда
R2=(К-1)· R1=(1,12-1)·3000=0,360
кОм.
Рисунок 24. Схема усилителя
электрическая принципиальная
Таблица 12 Спецификации
|
№
элемента
|
Тип
элемента
|
Мощность
(для R ) Вт
|
Напряжение(для
С ) В
|
Допуск
|
|
R1,R2,R3
|
МЛТ
|
0,25
|
|
10
кОм
|
±5%
|
|
R4
|
МЛТ
|
0,25
|
|
2960
кОм
|
±5%
|
|
R5
|
МЛТ
|
0,25
|
|
3
кОм
|
±5%
|
|
R6
|
МЛТ
|
0,25
|
|
20
кОм
|
±5%
|
|
R7
|
МЛТ
|
0,25
|
|
0,7
кОм
|
±5%
|
|
R8
|
МЛТ
|
0,25
|
|
50
Ом
|
±5%
|
|
R9,R10
|
МЛТ
|
0,25
|
|
10
кОм
|
±5%
|
|
R11
|
МЛТ
|
0,25
|
|
17,02
кОм
|
±5%
|
|
R12
|
МЛТ
|
0,25
|
|
0,45
кОм
|
±5%
|
|
R13
|
МЛТ
|
0,25
|
|
48,603
кОм
|
±5%
|
|
R14,R15
|
МЛТ
|
0,25
|
|
2,255
кОм
|
±5%
|
|
R16
|
МЛТ
|
0,25
|
|
1,3755
кОм
|
±5%
|
|
R17
|
МЛТ
|
0,25
|
|
3,698
кОм
|
±5%
|
|
R18
|
МЛТ
|
0,25
|
|
44,924
кОм
|
±5%
|
|
R19,R20
|
МЛТ
|
0,25
|
|
2,658
кОм
|
±5%
|
|
R21
|
МЛТ
|
0,25
|
|
1,259
кОм
|
±5%
|
|
R22
|
МЛТ
|
0,25
|
|
5,611
кОм
|
±5%
|
|
R23
|
МЛТ
|
0,25
|
|
52,938
кОм
|
±5%
|
|
R24
|
МЛТ
|
0,25
|
|
3
кОм
|
±5%
|
|
R25
|
МЛТ
|
0,25
|
|
49,47
кОм
|
±5%
|
|
R26
|
МЛТ
|
0,25
|
|
16,264
кОм
|
±5%
|
|
R27
|
МЛТ
|
0,25
|
|
0,525
кОм
|
±5%
|
|
R28
|
МЛТ
|
0,25
|
|
46,447
кОм
|
±5%
|
|
R29,R30
|
МЛТ
|
0,25
|
|
3,708
кОм
|
±5%
|
|
R31
|
МЛТ
|
0,25
|
|
2,13
кОм
|
±5%
|
|
R32
|
МЛТ
|
0,25
|
|
0,644
кОм
|
±5%
|
|
R33
|
МЛТ
|
0,25
|
|
44,533
кОм
|
±5%
|
|
R34,R35
|
МЛТ
|
0,25
|
|
4,0415
кОм
|
±5%
|
|
R36
|
МЛТ
|
0,25
|
|
2,037
кОм
|
±5%
|
|
R37
|
МЛТ
|
0,25
|
|
0,8082
кОм
|
±5%
|
|
R38
|
МЛТ
|
0,25
|
|
48,531
кОм
|
±5%
|
|
R39
|
МЛТ
|
0,25
|
|
3
кОм
|
±5%
|
|
R40
|
МЛТ
|
0,25
|
|
63,72
кОм
|
±5%
|
|
С1,С2,С3
|
К10-17
|
|
25
|
1.1
нФ
|
±5%
|
|
С4,С5
|
К10-17
|
|
25
|
22
мкФ
|
±5%
|
|
С6,С7,С8,С9,С10
|
К10-17
|
|
25
|
5
нФ
|
±5%
|
|
С11,С12,С13,С14
|
К10-17
|
|
25
|
5
нФ
|
±5%
|
|
С15,С16,С17
|
К10-17
|
|
25
|
5
нФ
|
±5%
|
Тип активных элементов DA1,DA2,DA7,DA14 -
К140УД1В; а элементов DA3-DA6, DA8-DA13 - К140УД6.
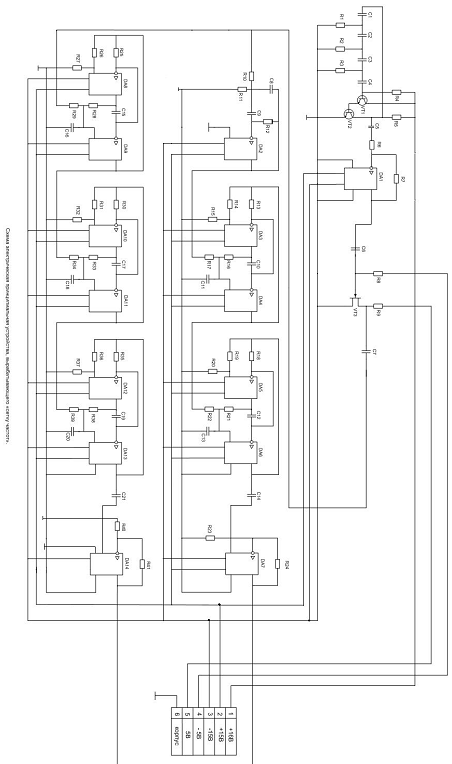
Принципиальная схема устройства
После окончания расчётов отдельных узлов
необходимо составить полную принципиальную схему устройства. Расчётное значение
элементов схемы следует округлить до ближайших значений из ряда номинальных
величин резисторов и конденсаторов. Однако для некоторых схем следует точный
подбор элементов. К этим схемам относятся фильтры. Дальше изображена
принципиальная схема устройства (рисунок 2.22), узлы которой были рассчитаны в
предыдущих разделах.
Заключение
Спроектировано устройство вырабатывающее “сетку
частот”, то есть набор гармонических колебаний заданных частот и
удовлетворяющие условиям указанным в техническом задании на устройство.
Номиналы резисторов и конденсаторов
выбрали в соответствии с рядом Е-24, который допускает отклонение от расчетного
значения на ±5%, и они приведены в таблице спецификаций.
Расчеты закончились тем, что приведена
полная принципиальная схема формирователя гармоник, то есть с автогенератором,
нелинейным преобразователем, фильтрами, развязывающими и усилительными
устройствами.
Список используемой литературы
В.П. Бакалов, А.А. Игнатов, Б.И.
Крук. Основы теории электрических цепей и электроники: Учебник для высших
учебных заведений. - М.: Радио и связь, 2009. - 525 с
С.И.
Баскаков. Радиотехнические цепи и сигналы. - М.: Высшая школа, 2008. - 448 с.
Ю.В.
Рясный Конспект лекций.
Программа
ARC-ACH. Новосибирск 2006.
1.