Пути улучшения связи на железнодорожном транспорте
Введение
Транспорт во все времена является одним из
важнейших факторов развития всех отраслей экономики. Железнодорожный транспорт
составляет основу транспортного комплекса, так как основные объёмы перевозок
разнообразных товаров выполняются именно этим видом транспорта.
Актуальностью данной темы дипломной работы
совершенствования рабочего места дежурного по станции диспетчерского пульта
управления. Устройства автоматизации являются важнейшими элементами
технического вооружения железнодорожного транспорта. Эти устройства позволяют
эффективно решать задачи перевозочного процесса, способствуя увеличению
пропускной способности железнодорожных линий, обеспечивая безопасность движения
поездов, бесперебойную связь между всеми подразделениями железнодорожного транспорта.
За последнее время настолько изменилось техническое оснащение рабочего места,
что из перечисленного перечня у диспетчера практически остались только
различные виды связи. Полностью автоматизированное ведение графика исполненного
движения и приложения к нему. И если диспетчеры ещё ведут вручную график
движения, то в основном по старой привычке. Со сменой поколения диспетчеров и
завершением оснащения участков диспетчерской централизацией или контролем
отомрёт ручное ведение графика движения. И обоснованно: любое ручное ведение
графика исполненной работы связанно с некоторым отставанием от происходящих
событий и сбором необходимой информации. В то время как АРМ автоматизирует сбор
информации, преобразует и выдаёт её в реальном времени, при необходимости её
можно распечатать.
Цели: Модернизировать рабочее место диспетчера
управления движения поездов по станции Кедр.
Использование терминала АРМ при создании
дорожных диспетчерских центров включало в себя в основном источник информации
для диспетчера. Даже позже, когда АРМ стал дополнительно содержать отчетную и
аналитическую информацию, он продолжал ассоциироваться с информационным
обеспечением. Как уже отмечалось раньше, историю АРМ следует начинать с ДЦ и
ДК, когда началась автоматизация функций диспетчера. Задержка с использованием
терминала АРМ диспетчера связана ещё с тем, что рабочее место дежурного по
станции до сих пор не называют автоматизированным, хотя это право появилось
очень давно, ещё тогда, когда ручной труд при переводе стрелок и управлении сигналами
впервые был автоматизирован. Поэтому и при передаче от дежурного по станции
поездному диспетчеру «неавтоматизированных» функций они не были названы
автоматизированными.
Прежде всего, что является объектом
диспетчерского управления? В оперативном управлении перевозочным процессом
принимают участие большое количество диспетчеров на разных иерархических
уровнях.
Станционный диспетчер - объекты управления:
дежурная смена работников станции; приём, отправление и пропуск поездов;
организация маневровой работы; контроль за техническим и коммерческим осмотром
составов, ремонтом и подготовкой вагонов под погрузку; расформирование и
формирование составов; планирование составообразования; подготовка к
отправлению; обеспечение составов локомотивами и локомотивными бригадами;
подача и уборка вагонов с грузовых фронтов; анализ работы станции.
Поездной диспетчер - объекты управления:
организация движения поездов на участке, в том числе соблюдение графика
движения и плана формирования; приготовление маршрутов следования поездов (при
наличии диспетчерской централизации или контроля); подвод поездов к
техническим, грузовым и стыковым станциям; приём и сдача поездов по стыковым
пунктам; развоз и сбор местных вагонов; предоставление «окон» для
ремонтно-строительных работ; обеспечение безопасности движения.
Локомотивный диспетчер - объекты управления:
обеспечение составов локомотивами и локомотивными бригадами; регулирование
эксплуатируемым парком локомотивов на участках обращения; постановка
локомотивов в депо на техническое обслуживание и ремонт; вывоз локомотивных
бригад на работу; соблюдение режима работы и отдыха локомотивных бригад;
соблюдение норм содержания и использования локомотивов.
Диспетчер по регулированию вагонного парка -
объекты управления: развози подача местных вагонов к фронтам погрузки и
выгрузки; сбор и сдача порожних вагонов в регулировку; обеспечение погрузки
порожними вагонами; контроль за соблюдением сроков доставки грузов; содержание
и использование вагонов, принадлежащих государствам СНГ и Балтии; анализ
местной и грузовой работы.
Дорожный диспетчер - объекты управления:
организация поездопотоков на полигоне дороги; обмен поездами на международных
стыковых пунктах; регулирование насыщением участков поездами и станций вагонным
парком; распределение поездопотоков на полигоне в период предоставления «окон»
и нештатных ситуациях; обеспечение составов локомотивами.
Если сопоставить укрупнённый перечень
перечисленных функций различных диспетчеров и предоставляемые АРМ сообщения, то
в настоящее время больше полезной информации получает станционный диспетчер.
При необходимости он может получить натурные листы на прибывающие поезда,
сортировочные листки на расформировываемые составы, наличие вагонов на путях
станции, выполнение различных показателей работы и т.д. На некоторых
сортировочных станциях на основе съёма информации с устройств СЦБ
автоматизировано ведение графика исполненной работы. Много различной информации
получают и другие диспетчеры. Но вся информация в настоящее время ограниченна
рамками информационно-справочного этапа развития диспетчерских центров, т.е.
пока в АРМах нет задач прогнозирования, планирования, управления, оптимизации,
адаптации и т.д. [1].
Важнейшая составляющая АРМ диспетчера является
программно-технический комплекс (ПТК), который в настоящее время определяет
количество и качество предоставляемой информации, а в дальнейшем ещё и число
решаемых задач. Если взять наиболее распространенные ПТК: «Оскар», «ГИД-Урал
92», «АСОУП», то у них больше общих признаков, чем различий. Общее у них: база
данных, набор информации, пользователи и т.д. Общими у них являются и
недостатки: большая избыточность информации, недостаточная достоверность,
неудобное меню и т.д. Пока остановимся только на избыточности информации. Из
чего это следует? Каждый из перечисленных ПТК содержит примерно 1,5 тыс. форм
выходных сообщений (таблиц с информацией). А сколько форм в практической работе
используют диспетчеры? Ответ: не более 20. Как же возник такой низкий КПД ПТК?
Прежде всего, разработчики столкнулись с интересным
парадоксом. Работу диспетчера нельзя строго формализовать. Действия диспетчеров
подчинены складывающейся ситуации, т.е. носят ситуационный характер. Каждая
ситуация требует своей информации. Так как в разных ситуациях диспетчеру
требуется много разной информации, то напрашивалось максимально использовать
имеющуюся базу данных АСОУП. Разработчик ПТК АРМ в этом преуспели и создали
огромное количество выходных форм. После чего выяснилось, что диспетчеры
благополучно обходятся без многих из них. Следует так же отметить, что многие
диспетчеры ещё не очень глубоко изучили имеющиеся возможности АРМ и не в полной
мере пользуются ими. Когда «зависает» или некоторое время не работает
автоматизированная система, диспетчеры не всегда даже замечают. Был и другой путь
создания ПТК АРМ диспетчера: установить функции пользователя, в данном случае
диспетчера, разработать технологический процесс их выполнения и определить
требуемую информацию [2].
Задачей: дипломной работы являлось поиск
наиболее современного способа улучшения связи на железнодорожном транспорте.
Одним из лучших способов на сегодняшний день является внедрение систем АСУ,
позволяющих совершенствовать работу отделений железной дороги за счет улучшить
связи между станциями. В данной работе рассмотрено внедрения АРМ ДНЦ.
1. Технико-эксплуатационная характеристика
отделения перевозок
.1 Характеристика отделения
Отделение состоит из 8-ми станций: 5 станций
расположены на двухпутной линии (Роса, Дорохово, Омь, Гранит, Кедр) и 3
оставшиеся расположены на однопутной линии (Малиновое озер, Пионер и Авангард).
Перегоны Роса-Дорохово, Дорохово-Омь,
Гранит-Кедр оборудованы двухпутной автоблокировкой с постоянным вариантом
движения по обоим направлениям. Перегон Омь-Гранит (I
путь) оборудован однопутной автоблокировкой. Перегон Омь-Гранит (II
путь) оборудован однопутной полуавтоблокировкой. Перегоны Авангард - Пионер -
Малиновое Озеро - Гранит оборудованы однопутной автоблокировкой.
Перегоны между станциями одинаковы по длине и
равны значению 8,4 км.
Классификация станций с количеством путей:
Кедр - промежуточная станция III
класса. Прием и отправление осуществляется с 4 станционных приемоотправочных
путей (Рисунок 1.1).
Рисунок 1.1 Схема станции Кедр
Гранит - участковая станция II
класса. На станции имеется 8 станционных путей (Рисунок 1.2).
Рисунок 1.2 Схема станции Гранит
Омь - грузовая станция II
класса. Для осуществления приема отправления поездов станция располагает 5
станционными приемоотправочными путями (Рисунок 1.3).
Рисунок 1.3 Схема станции Омь
Дорохово - промежуточная станция III
класса. Для работы как поездной, так и маневровой станция оборудована 6
станционными путями (Рисунок 1.4).
Рисунок 1.4 Схема станции Дорохово
Роса - промежуточная станция III
класса. Прием и отправление осуществляется с 4 станционных приемоотправочных
путей (Рисунок 1.5).
Рисунок 1.5 Схема станции Роса
Малиновое Озеро - станция 4 класса с 3
станционными путями (Рисунок 1.6).
Рисунок 1.6 Схема станции Малиновое озеро
Пионер - станция 4 класса с 3 станционными
путями (Рисунок 1.7).
Рисунок 1.7 Схема станции Пион
Авангард - станция 5 класса с 2 станционными
путями (Рисунок 1.8).
Рисунок 1.8 Схема станции Авангард
Максимальные размеры перевозок,
которые могут быть осуществлены на железнодорожной линии (перевозочная
мощность), определяются ее пропускной и провозной способностью. Пропускная
способность - это наибольшее число поездов или пар поездов, которое может
пропустить железнодорожная линия в единицу времени (обычно сутки) при имеющейся
технической оснащенности и принятой организации движения поездов. Выражается
пропускная способность в парах поездов для однопутных линий и числом поездов
отдельно для каждого направления двухпутных линий. При расчете пропускной
способности принимают во внимание: число главных путей на перегонах; мощность
верхнего строения пути; систему средств сигнализации и связи, применяемых при
движении поездов; тип тяги и серию локомотивов.
Мощность устройств электроснабжения, число и
мощность экипировочных и ремонтных деповских устройств; тип графика движения.
Пропускная способность
железнодорожного участка и линии определяется пропускной способностью основных
элементов: перегонов, станций, устройств электроснабжения, локомотивного
хозяйства.
Пропускная способность бывает:
Наличная пропускная способность
- та, которая может быть реализована при существующей технической вооруженности
линии.
Потребная пропускная
способность - та, которой должен удовлетворять участок для пропуска заданных
грузового и пассажирского потоков. Размер резерва должен обеспечить запас
перевозочной мощности линии для освоения возрастающего в ближайшей перспективе
объема перевозок с учетом их колебания из-за неравномерности движения.
Результативная пропускная
способность определяется элементом с наименьшей пропускной способностью.
Железнодорожная линия - сложный комплекс технических устройств, которые тесно
связаны между собой и только во взаимодействии обеспечивают необходимую
перевозочную мощность. Диспропорции пропускной способности различных элементов
железнодорожного хозяйства допускать нельзя, так как развитие отдельного элемента
сверх потребного приведет к его недоиспользованию.
Пропускную способность рассчитывают
аналитически, а в сложных случаях проверяют графически - построением
максимальных графиков.
Наличная пропускная способность определяется по
формуле:
, пар поездов (1.1)
где
- продолжительность
технологического «окна» (120 мин);
- коэффициент надёжности работы
технических устройств (0,9);
- число поездов или пар поездов в
периоде графика (1пара);
- период графика (8 мин).
Потребная пропускная способность
определяется по формуле:
, пар поездов (1.2)
где
- соответственно, количество пар
грузовых (43), пассажирских (2) и сборных поездов (1);
- коэффициенты съёма грузовых
поездов пассажирскими (1,1) и сборными (1,3).
Расчет:
пар поездов
пар поездов
1.2 Из истории развития систем диспетчерской
централизации
Диспетчерское управление - это оперативное
управление ходом производственного процесса, при котором взаимная увязка и
координация отдельных его составных частей осуществляется одним оператором -
диспетчером. Слово «диспетчер» происходит от английского «dispatch»,
означающего «отправлять», «быстро выполнять». Диспетчерское управление
технологическими процессами сегодня используется на всех видах транспорта и во
многих отраслях промышленности. Из-за специфических особенностей
железнодорожного транспорта, в первую очередь его территориальной
распределенности, диспетчерское управление на железных дорогах появилось
задолго до его применения на промышленных предприятиях.
Первое диспетчерское распоряжение было отдано
главным инженером одной из железных дорог в США Чарльзом Майнотом в 1851 г.
Определив, что встречный поезд значительно опаздывает, он по телеграфу передал
распоряжение об изменении порядка скрещения поездов, перенеся его на следующую
станцию.
Диспетчерское управление оказалось эффективным,
и в США его быстро ввели на всех железных дорогах. В Европе диспетчерское
управление движением поездов появилось в 1909 г. в Англии, а затем
распространилось и на другие страны (кроме Германии, где оно было введено
только после второй мировой войны).
На дорогах России диспетчерское руководство
движением поездов не применялось, хотя передовые инженеры ставили вопрос о
необходимости перехода на диспетчерское управление. Так, инженеры Н.О.
Рогин-ский и В.В. Ландсберг во время командировки в США в 1914 г. ознакомились
с системой диспетчерского регулирования и дали ей высокую оценку.
Отсутствие необходимых технических средств
(телеграфной и телефонной связи), консерватизм чиновников, прогерманская
ориентация царского правительства - основные причины задержки с внедрением
диспетчерского управления движением поездов в нашей стране. Только в 1915 г.
железным дорогам было указано дать предложения и обоснования по разработке
особой телеграфной связи для оперативных целей, несмотря на то, что и
телеграфная, и телефонная связь на железнодорожном транспорте уже широко
применялись.
Первый опыт внедрения диспетчерского управления
на отечественных железных дорогах был проведен в 1918-1919 гг. на железных
дорогах Сибири, когда американцы оборудовали ряд линий телефонной связью с
избирательным вызовом. Опыт не удался, после гражданской войны оборудование
было демонтировано и установлено на участке Москва - Александров специально для
организации на нем диспетчерской связи.
Диспетчерское руководство движением поездов на
участке Москва - Александров в полном объеме началось в 1924 г. Преимущества
диспетчерского управления стали видны сразу - возросли средние техническая и
коммерческая скорости движения пассажирских и грузовых поездов.
Процесс внедрения диспетчерского руководства на
дорогах России был начат в 1925 г., завершен к 1934 г., когда система
диспетчерского управления уже действовала на всей сети железных дорог СССР. В
дальнейшем принцип диспетчерского руководства распространился на все уровни
управления - станционный, отделенческий, дорожный и сетевой. Появились
диспетчеры отдельных хозяйств: локомотивные, вагонные, энергодиспетчеры и др.
Была разработана и нормативная база. В 1923 г.
приняли первое «Временное положение о регулировании движения поездов при
посредстве диспетчерской системы».
Диспетчерское управление немыслимо без
технических средств. Первоначально это был телеграф. На смену ему пришла
телефонная и селекторная связь. Недостатки такой организации диспетчерского
управления очевидны - низкое качество передачи информации, большие затраты
времени на передачу команд и получение подтверждений их исполнения и сведений о
дислокации поездов, большое количество ошибок и др.
Поэтому возникла идея создания телемеханической
системы, позволяющей диспетчеру самому управлять пропуском поездов по станциям
участка, не прибегая к помощи дежурных по станциям и стрелочников, являющихся по
сути дела посредниками между диспетчером и объектами управления. Такая система
получила название диспетчерской централизации. Она совместила устройства
интервального регулирования движения поездов на перегонах (автоблокировку),
электрическую централизацию для управления стрелками и светофорами на станциях
(ЭЦ) и средства телемеханики для передачи команд управления (ТУ) и контроля
(ТС). Все это позволило управлять из одного пункта маршрутами движения поездов
на участках большой протяженности. Внедрению систем диспетчерской централизации
предшествовала разработка устройств автоблокировки, электрической
централизации, средств телемеханики.
лет назад, в 1936 г., на участке Люберцы
-Куровская была принята в эксплуатацию первая в нашей стране система диспетчерской
централизации. Разработка ее была начата в 1933 г. в Транссигналстрое - так
тогда назывался известный сегодня проектно-изыска-тельский институт
Гипротранссигналсвязь (ГТСС). Задача была не простой, поэтому для ее решения
была создана специальная группа, в которую вошли опытные специалисты А.Д.
Шумилов, П.Н. Жильцов, Н.В. Старостина и др.
Применение системы дало положительные
результаты, однако до начала Великой Отечественной войны новые участки ДЦ не
были построены. Это объясняется тем, что первые образцы аппаратуры были
изготовлены на заводе им. Козицкого, но в дальнейшем возникла необходимость
освоения ее производства на заводах Народного комиссариата путей сообщения
(НКПС). Начавшаяся война помешала реализовать эти планы.
В первой системе ДЦ применялся временной код для
передачи команд телеуправления и телесигнализации. Поэтому она получила
название ДВК-1. Новый этап внедрения систем диспетчерского управления начался
после окончания Великой Отечественной войны. В 1946 г. НКПС рекомендовал при
строительстве однопутной автоблокировки, если позволяют производственные
возможности, предусматривать диспетчерскую централизацию. В это время
производство аппаратуры ДЦ было освоено на заводе «Транссвязь» в Харькове,
впоследствии ставшем основным производителем устройств ДЦ.
Устройства системы ДВК-1 были модернизированы.
Это касалось в первую очередь принципов управления. На участках Черусти - Муром
и Куровская - Черусти был впервые применен маршрутный принцип управления
линейными станциями. Кроме того, в обновленной системе, получившей название
ДВК-2, были усовершенствованы аппаратура и схемы линейной цепи. Так, на участке
Черусти - Муром (1950 г.) управление из Москвы осуществлялось по фантомной
цепи, наложенной на телефонные провода, а на участке Куровская - Черусти (1951
г.) - по каналам высокой частоты.
В 1952 г. была разработана система ДВК-3, затем
- ДВК-ЗА. В этих системах были несколько упрощены схемы и аппаратура и
увеличена емкость по количеству команд. Они внедрялись до 1956 г., всего было
оборудовано более 1400 км однопутных линий.
Положительный опыт применения ДЦ на однопутных
участках показал ее эффективность по сравнению с электрожезловой системой.
Поэтому в 1951 г. во ВНИИЖТе была организована лаборатория диспетчерской
централизации, в которой разработали новую систему с полярным кодированием
команд управления и частотным кодированием сигналов ТС - ПЧДЦ. Испытания этой
системы были проведены в 1956 г. С 1957 г. она начала внедряться на железных
дорогах страны (этой системой было оборудовано около 4000 км линий).
В 1961 г. впервые была принята в эксплуатацию
система ЧДЦ, в которой все команды передавались частотным кодом. Эта была
первая система СЦБ, в которой логические схемы выполнены на полупроводниковых
элементах - диодах и транзисторах. Применение новой элементной базы и
частотного кода позволило существенно увеличить быстродействие и емкость
системы, надежность и устойчивость ее работы. После некоторой модернизации
(ЧДЦМ) эта система внедрялась на многих участках железных дорог.
Совершенствование систем диспетчерской
централизации продолжалось. В 1966 г. появилась система ЧДЦ-66, а в 1967 г. -
совершенно новая система, получившая название «Нева». Это была первая система с
циклическим контролем состояния объектов. Она отличалась высоким быстродействием,
надежностью, простотой обслуживания. Все это обеспечило долгую жизнь системы на
железных дорогах. Эта система продолжает работать и сегодня на многих участках,
по крайней мере, в качестве линейных устройств и тракта передачи команд.
В 1977 - 1978 гг. система «Нева» была
модернизирована и получила название «Луч». В ней применили более современные
для того времени кремниевые полупроводниковые элементы, фазовый метод модуляции
сигналов в тракте телеуправления. Была предусмотрена возможность управления маневровой
работой на промежуточных станциях. Впервые в системах диспетчерской
централизации была предусмотрена возможность передачи ответственных команд -
вспомогательное изменение направления движения поездов на перегонах.
Предусматривалось также автоматическое управление маршрутами при скрещении
поездов.
Системы ДЦ не только совершенствовались по
элементной базе, способам представления и передачи информации, увеличению
количества управляемых и контролируемых объектов, но и развивались по своим
функциональным возможностям. Их начали применять как на однопутных, так и на
двухпутных линиях для построения более сложных систем управления, таких как
автодиспетчер. Первая в мире система «Участковый автодиспетчер» на
железнодорожном транспорте, в которой применена ЭВМ, была разработана ВНИИЖТом
и испытана в 1959-1963 гг. К началу 1980 г. диспетчерская централизация
применялась более чем на 27 тыс. км линий. Начали создаваться дорожные центры
диспетчерского управления. Первые такие центры были организованы на Донецкой и
Белорусской дорогах в 80-х годах прошлого столетия.
Необходимо отметить значительный вклад в
развитие систем ДЦ сотрудников лаборатории ВНИИЖТа: многолетнего руководителя
этой лаборатории Н.Ф. Пенкина, С.Б.Карвацкого, И.М. Кутьина, В.Я. Соболева,
Н.Г. Егоренкова, Г.А. Терпугова, М.П. Красникова.
В 80-е годы в основном велось строительство
системы «Луч». Но развитие систем диспетчерской централизации продолжалось. Во
ВНИИЖТе была создана система АСДЦ, не нашедшая, к сожалению, в свое время
применения. На Белорусской железной дороге разрабатывается система «Минск», по
эксплуатационным характеристикам повторяющая систему «Нева», но построенная на
совершенно новой элементной базе - интегральных микросхемах. И, наконец, в
Ростове-на-Дону в РИИЖТе (сейчас РГУПС), под руководством И.Д.Долгого создается
принципиально новая система ДЦ - «Дон», основу которой составляют
микропроцессорные унифицированные модули промышленной автоматизации.
Начало 90-х годов прошлого века характеризуется
появлением нового поколения систем ДЦ, построенных на основе персональных
компьютеров. В 1990 г. на сетевой школе, посвященной вопросам применения систем
ДЦ (г. Минск), впервые была представлена новая система автоматизированного
диспетчерского управления ДЦУ-Е, впоследствии получившая наименование «Диалог».
Разработка системы основывалась на результатах проводимых в МИИТе под
руководством В.М. Лисенкова исследований по созданию единого ряда систем и
устройств железнодорожной автоматики и телемеханики, направленных на унификацию
их технических средств. Такой подход позволял значительно сократить время и
стоимость разработки устройств, их производства, проектирования, внедрения и
содержания.
При разработке диспетчерской централизации
«Диалог» были впервые использованы промышленные ПЭВМ и организована
многомониторная система для автоматизированных рабочих мест диспетчерского
персонала, применена цифровая обработка сигналов в каналах передачи информации.
Система создавалась не как телемеханическое устройство, переносящее пульт
оператора в центр управления, а как комплекс, решающий все задачи автоматизации
диспетчерского управления. К таким задачам, кроме установки маршрутов
проследования поездов по станциям, относятся и управление маневровой работой,
ведение графика исполненного движения, прогнозирование возможных отклонений и
выработка рекомендаций по их устранению. Другими словами, это экспертная
система, призванная помогать поездному диспетчеру в его работе, исключая
одновременно возможные ошибки и нарушения регламента движения поездов.
Особое внимание уделялось разработке устройств
линейного пункта, которые представляют собой микро-ЭВМ с реализацией в ней всех
логических функций, включая выполнение требований безопасности. Микро-ЭВМ
разрабатывалась как безопасное универсальное микропроцессорное устройство,
специализация применения которого определяется только объектным программным
обеспечением и внешними подключениями. Такой подход позволил впоследствии
использовать эти разработки для реализации других микропроцессорных систем,
выполняющих функции электрической централизации. Таким образом, был решен
вопрос интеграции устройств диспетчерской централизации и исполнительных
станционных устройств.
Безопасность микро-ЭВМ, получившей наименование
БМ1602, основана на двухканальной обработке информации и безопасного сравнения
результатов этой обработки специальной схемой, в которой исключается появление
необнаруженных отказов. Такое построение устройства исключает необходимость
применения внешних схем сравнения и упрощает согласование с другими устройствами,
как релейными, так и микропроцессорными.
Впервые система «Диалог» была включена в
постоянную эксплуатацию на участке Газачак - Кунград железных дорог Узбекистана
в 1993 г. Впоследствии, после значительной модернизации, с 1996 г. эта система
была внедрена на участках Белорусской, Октябрьской, Западно-Сибирской,
Московской железных дорог, а также на железных дорогах Узбекистана и
Казахстана. Широко внедрялась и система телеуправления малыми станциями
«Диалог-МС», разработанная на ее основе. На основе системы «Диалог» в 1998 г.
был создан первый в нашей стране автоматизированный центр диспетчерского
управления движением поездов на Московском отделении Октябрьской железной
дороги.
К концу 90-х годов прошлого века на дорогах
страны внедрялось и применялось несколько систем диспетчерской централизации на
основе компьютеров: «Диалог», «Дон» (впоследствии «Юг»), ДЦ-МПК, «Сетунь»,
«Тракт» [3].
На сети железных дорог Казахстана широко
осуществляется внедрение дорожных центров диспетчерского управления, основанных
на системах диспетчерской централизации. Концентрация управления движением
поездов в региональных (дорожных) центрах приблизила решение задачи полного
оборудования железных дорог системами диспетчерского управления, позволяющими
максимально автоматизировать процесс управления перевозками на основе
современных информационных технологий. Такой подход позволяет оптимизировать
эксплуатационную работу железных дорог, снизить затраты на оборудование их
средствами автоматики, уменьшить эксплуатационные расходы.
При значительной длине участка поездного
диспетчера степень автоматизации управления должна быть достаточно высокой,
обеспечивающей требуемый уровень размеров движения и, что особенно важно,
безопасность движения поездов. Поэтому изменился подход к системам ДЦ: от
локальных устройств по выполняемым функциям к технологически замкнутым системам
управления движением поездов и маневровой (сортировочной) работой с открытыми
стыками для связи с информационно-управляющими системами верхнего уровня.
Такие дорожные центры управления (ДЦУ)
реализованы на ряде дорог Казахстана. Общее руководство и координация перевозок
осуществляется диспетчерским центром (ЦУП).
Эффективность концентрации управления
перевозками в ДЦУ определяется рядом показателей. К ним относятся: улучшение
использования локомотивов и вагонов, повышение производительности труда
оперативного персонала, уровня выполнения графика движения и плана формирования
поездов и др. Улучшение качества регулирования процесса движения благодаря
автоматизации планирования и контроля позволяет исключить влияние на
перевозочный процесс различных отклонений от планов работы станций и узлов,
повысить уровень безопасности, сократить затраты на содержание устройств и
реализацию перевозок.
Другим не менее важным направлением, реализованным
в последние годы, можно считать применение цифровых каналов передачи информации
между устройствами центрального поста и линейных пунктов ДЦ, в первую очередь
по волоконно-оптическим линиям. Такие системы связи позволили значительно
сократить время передачи информации, повысить ее достоверность, обеспечить
резервирование и успешную эксплуатацию систем ДЦ.
В современные автоматизированные системы
диспетчерского управления должен входить ряд функциональных подсистем,
информационно связанных между собой и дополняющих друг друга. Это подсистема
телемеханики, обладающая высокой информативностью, универсальностью,
защищенностью сообщений, интерфейсы пользователя (оператора), подсистемы
обработки графиков движения поездов, диспетчерского контроля, линейного уровня,
безопасности движения поездов.
Современная система ДЦ должна обеспечивать
возможность бесперебойного регулирования движения поездов на укрупненных
диспетчерских кругах при значительной интенсивности движения поездов. При
концентрации управления участками в ДЦУ должны использоваться
высокопроизводительные и эффективные средства передачи, обработки и
представления информации, включающие в себя базы данных, средства моделирования
и прогнозирования возможных изменений поездной ситуации, АРМы диспетчерского
персонала различных оперативных служб.
При построении диспетчерской централизации по
иерархической структуре появляется возможность рационального распределения
функций между уровнями управления по критериям загрузки технических средств,
обеспечения их высокой надежности и эффективности. Среди функций,
распределенных между уровнями системы управления, существуют такие, которые
относятся к обеспечивающим безопасность движения поездов по условиям
технического состояния подвижного состава, пути, искусственных сооружений и
поездной ситуации, сложившейся на участке в данный момент времени.
При автоматизированном диспетчерском управлении
процессы сбора, обработки, хранения и распределения информации о временных
ограничениях скорости (как плановых, так и внеплановых), о снятии ограничений
по условиям безопасности сконцентрированы в ДЦУ. Это позволяет обеспечить их
своевременную оперативную обработку, ввод и отмену, сократить вынужденные
задержки поездов. При этом возникает необходимость обеспечения безопасной
обработки и передачи информации в устройствах ДЦ, т.е. создании и применении
специализированных устройств и методов обеспечения безопасности в них.
Новые требования к системам управления
определяют необходимость единого системного подхода к процессу диспетчерского
управления и его автоматизации. Возникла потребность в создании интегрированных
многоуровневых систем управления, включающих в себя как станционные устройства
с реализацией в них функций управления стрелками и сигналами на станциях и
автоблокировки на перегонах, так и устройства верхнего уровня, обеспечивающие
автоматизированное диспетчерское управление движением поездов в регионе.
Обеспечение безопасности движения поездов в
системах автоматизированного диспетчерского управления является обязательной
функцией, выполняемой каждой из функциональных, технических или программных
подсистем. Специальные технические решения и дополняющие их алгоритмы обработки
ответственных команд определяют возможность создания устройств с параметрами,
обеспечивающими безопасность движения поездов при минимальной аппаратной
избыточности вычислительных средств и аппаратно-программных методов контроля их
функционирования.
Современная система диспетчерской централизации
не должна иметь ограничений для применения. Ее задачи - обеспечивать
возможность включения одного или нескольких распорядительных постов в любом
месте управляемого участка, подключение с помощью специальных адаптеров к
каналам существующих систем ДЦ с сохранением их функций и расширением
возможностей поездного диспетчера по автоматизации его действий и оптимизации
управляемого процесса. Длина управляемого и контролируемого участка при этом не
ограничивается техническими средствами, как и количество управляемых и
контролируемых объектов.
Система должна обеспечивать автоматическое
управление движением поездов на участке при отсутствии отклонений от заданного
графика, прогнозировать возможные отклонения от заданного графика и выдавать
диспетчеру рекомендации о необходимых мерах по предотвращению этого отклонения.
Предусмотрено отображение и документирование графика исполненного движения
поездов, действий операторов по управлению движением поездов и информации,
вырабатываемой в автоматическом режиме.
В зависимости от поездной ситуации, наличия
ограничений скорости и установленного маршрута следования по станции система
осуществляет управление скоростью движения поездов на участке и обеспечивает
обмен необходимой информацией с устройствами соседних участков и
информационно-управляющими системами верхнего уровня. Система должна быть
открытой. При необходимости перечень ее функций и АРМ диспетчерского или
оперативного персонала может быть расширен без значительных затрат на
технические средства.
Движение на железнодорожном транспорте относится
к сложным объектам управления. Это обусловлено распределенными в пространстве
объектами управления при большом их количестве, наличием подвижных объектов,
перемещающихся в пространстве, часто со случайным характером исходных
параметров и необходимостью быстрого принятия решения с высокой
ответственностью за безопасность управляемого процесса.
Одной из важных характеристик любой сложной
системы управления является оптимальное сочетание принципов централизации и
децентрализации, которые должны реализоваться в системе диспетчерского управления.
Органы оперативного управления, расположенные на нижнем уровне иерархии,
самостоятельно решают свою тактическую задачу - управление работой конкретных
станций и диспетчерских участков. Они оперируют быстро меняющейся информацией о
поездной ситуации и ходе маневровой работы. На верхних уровнях иерархии
управления проводится анализ сложившейся ситуации, выявляются отклонения от
планового графика технологического процесса и решается стратегическая задача
координации работы нижних уровней, смежных по управлению между собой.
Основным элементом системы
диспетчерского управления является человек - диспетчер. От того, насколько
рационально решен вопрос его взаимодействия с техническими средствами, во
многом зависит эффективность всей системы
2. Технико-эксплуатационная характеристика
центра управления перевозками
.1 Структура и технология информационного
обеспечения ЦУП
Чтобы обеспечить соответствие организационной
схемы работы возросшим требованиям, разработана программа реформирования
железнодорожного транспорта. Ее цель - повышение эффективности за счет развития
конкуренции и привлечения инвестиции. При этом сохраняется единство
железнодорожного транспорта и государственный контроль его деятельности.
С технической точки зрения высокий уровень
требований к эффективности управления в настоящее время во многом определяется
уровнем информатизации. Информационные технологии сегодня - это не просто
средства поддержки управления, а основной элемент инфраструктуры
железнодорожного транспорта. Из разряда вспомогательных средств они
переместились в класс основных технологий и превратились в один из главных
механизмов совершенствования управления перевозками. Сегодня можно сказать, что
информационные технологии стали бизнес-образующим фактором для железнодорожного
транспорта и во многом определяют, насколько эффективно он может работать на
рынке перевозок.
В связи с этим в настоящее время мы существенно
пересмотрели подходы к информатизации. Было выстроено дерево целей отрасли. В
программе информатизации определены глобальные цели и на их основе
конкретизированы среднесрочные задачи, в число которых вошли и рост
эффективности работы железнодорожного транспорта, и повышение безопасности
движения, и создание единого информационного пространства как основы эффективного
управления отраслью. Среднесрочные цели определяют направления работ на
несколько лет.
В соответствии с этими целями осуществляется
интенсивная модернизация информационной среды отрасли. Создается сеть ЦУПов -
интегрированная система мониторинга перевозочного процесса и диспетчерского
управления на уровне АО НК «КТЖ», регионов (РЦУП) и опорных центров (ОЦ). Целью
ставится не автоматизация отдельных рабочих мест, функций и элементов
технологии, а разработка сквозных комплексных информационно-технологических
«вертикалей» управления перевозочных процессом. Это позволяет увеличить
эффективность управления, снизить эксплуатационные затраты.
Введена в промышленную эксплуатацию система
номерного слежения за вагонами ДИСПАР. Она позволяет лучше обеспечивать заявки отправителей,
контролировать работу вагона, анализировать эффективность его использование и
лучше управлять вагонным парком.
Вводится в действие АСУ контейнерными
перевозками. Она обеспечивает информационное обслуживание работников
контейнерных пунктов и грузовых станций и улучшает контроль передвижения и
использования контейнеров. В дальнейшем предполагается продлить слежение до
склада получателя и обеспечить более полный информационный сервис клиентам.
Новые условия работы отрасли на рынке перевозок
заставляют по-новому взглянуть на задачи автоматизации управления. Произошло
резкое усложнение функций управления. Начат переход от информационных систем к
информационно-управляющим.
В рыночных условиях произошло изменение целей
управления. Если раньше основная задача железных дорог формулировалась как
«перевозки», то теперь это - «транспортное обслуживание». Эти два понятия
оперируют разными экономическими категориями. При взаимодействии транспорта и
производства возникают так называемые «стыковые потери». Предприятия создают
резервы перерабатывающей способности грузовых фронтов, складов, содержат
дополнительные пути, вагоны, локомотивы, штат. Из-за несвоевременного подвода
порожняка и грузов простаивает оборудование. При первой задаче (перевозке)
стыковые потери относились на производство, при второй («транспортное
обслуживание») - на железные дороги.
Во втором случае транспорт стремится обеспечить
надежные и эффективные транспортные связи между поставщиками и потребителями,
то есть сделать территориально распределенную производственную систему
высокоорганизованной. Теперь нужно не просто привезти груз (допустим, выдержав
срок доставки), а осуществлять транспортное обслуживание по различным классам
качества, минимизируя стыковые потери. Ранее эта задача не могла быть
поставлена из-за чрезвычайной перегрузки железной дороги. Сейчас ситуация
изменилась. Но качественное транспортное обслуживание с минимальными резервами
не может быть эффективно осуществлено без принципиально новых функций
автоматизации управления [5].
Новый объект управления - сеть транспортных
связей поставщиков и потребителей- характеризируется структурой, направлениями
и объемами перевозок, а также их динамикой: темпами отгрузки, ритмами перевозок
и графиками поставок. При управлении необходимо учитывать динамически
меняющиеся требования клиентов к темпам и объемам отправки и получения грузов,
резервы и ресурсы транспортной системы.
Новая цель управления - обеспечение надежных и
эффективных транспортных связей - предполагает:
· снижение стыковых потерь;
· сокращение простоев транспорта, а
также оборудования поставщиков и потребителей;
· минимизацию затрат на перевозки;
· оптимальное согласование ритмов
работ поставщиков, потребителей и транспорта.
В соответствии с этим в структуру новой АСУ
перевозочным процессом наряду с информационной компонентой, собирающей
информацию о ходе перевозок, включена управляющая система, которая формирует
оптимизированные управляющие воздействия на объекты транспорта. Управляющая
компонента призвана решить ряд серьезных проблем. Среди них, например,
согласованный подвод грузов к портам (поскольку сейчас судовая партия
накапливается на припортовых складах, где лежит до подхода судна, затем ее
снова грузят в вагоны и перегружают на судно). Важная задача - согласованный подвод
грузопотоков к крупным потребителям, пограничным переходам. Что касается
управления потоками порожняка, то они сейчас стали многоструйными (вагоны могут
как российские, так и стран СНГ; кроме того, учитывается вид груза, под который
они пригодны).
При рассмотрении этих в динамике диспетчер из-за
изобилия возможных вариантов не в силах в разумные сроки выбрать лучший из них.
Для этого требуются специальные оптимизационные модели. Для оптимизации
используется метод динамического согласования производства и транспорта.
Согласование состоит в возможном сдвиге во времени ритмов работы поставщиков. В
основе метода - модель строгой оптимизации. Ее функционал выражает минимум
суммы транспортных расходов, расходов на содержание резервов и затрат на
изменение ритмов работы поставщиков, а качестве ограничений служат условия
баланса потребления и наличия продукта у поставщика и потребителя. Эти модели
будут работать совместно с задачами мониторинга и контроля перевозочного
процесса, обеспечивая работу диспетчерского аппарата в системе ЦУП АО НК «КТЖ»
- РЦУП-ОЦ.
В основу вертикали управления ЦУП АО НК «КТЖ» -
РЦУП - ОЦ - положена система серверов баз данных и приложений, обеспечивающих
доступ к оперативной модели перевозочного процесса сети и дорог. Существующая
модель основана на информации из АСОУП. Ее ведение обеспечивается на серверах
ИВЦ дорог. При этом дорожные базы недостаточно взаимоувязаны, могут содержать
рассогласования, не позволяют эффективно отслеживать объекты, выходящие за
пределы дорог, управлять грузопотоками и вагонопотоками в рамках регионов,
охватывающих несколько дорог, или сети в целом.
Для преодоления этих ограничений в настоящее
время развернуты работы по созданию новой единой модели перевозочного процесса
(ЕМПП), которая придет на смену старой АСОУП. Новая ЕМПП - это логически
упорядоченная и непротиворечивая совокупность текущих (оперативных),
исторических (архивных) и прогнозных данных, правил и способов их ведения,
предназначенная для организации, управления и осуществления перевозок. Она позволит
реализовать ряд принципиально важных функций для АСУ перевозочным процессом, в
частности:
· мониторинг и контроль грузопотоков,
вагонопотоков и тяговых ресурсов в рамках регионов и сети диспетчерским
аппаратом РЦУП и ЦУП АО НК «КТЖ»;
· сквозное управление потоками по
вертикали ЦУП - РЦУП - ОЦ, включая планирование, оперативное регулирование и
диспетчерское управление;
· оценку эффективности управления и
параметров транспортных связей на основе аналитических приложений;
· адаптацию расчетных и прогнозных
моделей к текущим условиям работы за счет использования аналитических оценок.
Новая модель будет приспособлена для
автоматизированного управления грузопотоками, погрузочными и тяговыми ресурсами
на уровне регионов и сети. Как база оперативных состояний любой сложной системы
управления она будет включать модель состояния объектов управления (транспорта
и грузопотоков), описание целей управления (плановых и технологических
нормативов), модель поведения объектов системы (показатели перевозочного
процесса, параметры транспортных связей и грузопотоков, оценки эффективности
результатов планирования и диспетчерского управления).
АСУ перевозочным процессом на базе новой ЕМПП -
сложная иерархическая система, в которой процессы управления реализуются
взаимосвязанными контурами, располагающимися на разных уровнях системы.
Основными из этих контуров являются планирующий и отслеживающий сформированные
планы.
На верхних уровнях системы (сеть и регион)
должно осуществляться оптимальное планирование грузопотоков, а также распределение
погрузочных и тяговых ресурсов в соответствии с заявками клиентов на
согласованный подвод грузо- и вагонопотоков. Для этого на уровне сетевого и
регионального центра появляются новые приложения:
· автоматизированное управление
грузопотоками в рамках региона и сети (планирование согласованного подвода
грузов к крупным потребителям, планирование и управление потоками порожняка,
управление тяговыми ресурсами);
· формирование управляющих воздействий
через ЕМПП;
· автоматизация прогнозирования, контроля
и оперативного отслеживания планов по грузопотокам на базе ЕМПП;
· анализ эффективности управления на
основе данных из ЕМПП.
В региональный центр интегрируются задачи ЕДЦУ
по автоматизации работы поездных диспетчеров (АРМ ДНЦ в увязке с ДЦ или АСДК).
На уровнях сети и региона должны работать
контуры оперативного отслеживания сформированных планов, решающие диспетчерские
задачи контроля и регулирования грузопотоков в соответствии с рассчитанными
плановыми нормами. Их цель состоит в обеспечении продвижении конкретных грузо-
и вагонопотоков к потребителям в соответствии с рассчитанными оптимальными
планами с учетом заданных ограничений и запретов. При обнаружении существенных
отклонений потоков от расчетных должно происходить обращение к вышестоящему
контуру для перепланирования.
В результате решения задач управления грузо- и
вагонопотоками формируются установочные задачи для контуров управления поездной
работой диспетчерского аппарата ЕДЦУ. Задания по местной работе адресуются
управленческому аппарату линейных опорных центров и станций.
Принципиально важные функции приложений ОЦ
заключаются в управлении местной работой, начально-конечными операциями,
грузопотоками в рамках опорного линейного района и автоматизации
технологических операций с одновременным формированием и ведением ЕМПП. В
рамках работ по ОЦ ведется увязка существующих АСУ СС со средствами автоматики
[6].
3. Расчет массы и длинны состава грузового
поезда
.1 Определение массы состава грузового поезда
Для определения размеров движения на заданном
участке выполняем тяговые расчеты.
Тяговые расчеты позволяют рационально
использовать подвижной состав и поездо-участок эксплуатации, контролировать и
выполнять расчеты весовых норм поездов, определять перегонное время хода
поездов, необходимого для выполнения графика движения поездов.
Грузовое движение на заданном полигоне
обслуживается локомотивами серии 2ТЭ10В.
Расчет массы состава грузового поезда ведется по
формуле:
, тонн (3.1)
где
- расчетная сила тяги локомотива
при расчетной скорости;
- расчетная масса локомотива;
- основное удельное сопротивление
движению локомотива при расчетной скорости в кг/т, определяемое по формуле:
, кг/т (3.2)
кг/т
- основное удельное
средневзвешанное сопротивление движению состава при расчетной скорости, которое
определяется по формуле:
, кг/т (3.3)
где
- количественное соотношение
4-хосного вагона в составе соответственно на подшипниках скольжения и качения
(0,8; 0,2);
- доля четырех- и восьмиосных
вагонов в составе, которая вычисляется по выражениям:
(3.4)
где
- количественные соотношения
соответственно 4,8-осных вагонов в составе (0,83; 0,17)
,
,
,
Для определения основного удельного
сопротивления движению состава вычисляем следующие формулы:
¾ для груженых 4-хосных вагонов на
роликовых подшипниках
, кг/т (3.5)
¾ для груженых 8-осных вагонов
, кг/т (3.6)
где
- нагрузка от оси вагона на рельсы,
в т/ось
, т/ось (3.7)
, т/ось (3.8)
т/ось
т/ось
кг/т
кг/т
Представляя полученные значения в
формулу (3.3), получим средневзвешенное удельное основное сопротивление
движению состава.
, кг/т
Для получения массы состава в
исходную формулу (3.1) подставляются значения
и
:
т
.2 Определение количества вагонов в
составе груженного поезда
Для определения длины поезда
необходимо вычислить число вагонов в составе, которое определяется по формуле:
, вагонов (3.9)
вагонов
Устанавливаем фактическую массу
состава:
т
.3 Определение длинны груженного
поезда
Длина поезда из груженных вагонов
определяется по формуле:
, м (3.10)
где
- длинна
локомотива в м, для тепловоза 2ТЭ10В,
м
- длинна состава в м
, м (3.11)
м
- запас длины на неточность
установки поезда
м
.4 Установка полезной длины
приемоотправочных путей станции
По полученной длине поезда
устанавливается
(проверяется) длина приемоотправочных путей станции по условию
. Значение
в
зависимости от длины поезда принимается типовое: 850, 1050, 1250 м.
По расчету длина состава груженого
поезда составила
= 970 м.
Поэтому стандартная длина станционных путей принята
м.
.5 Определение массы состава по
длине станционных путей
Масса поезда, соответствующая
полному использованию полезной длины станционных путей, определяется по
формуле:
,т (3.12)
где
- погонная нагрузка вагонов на
путь, т/м определяется
т/м (3.13)
т/м
т
Это наибольшая масса поезда по длине станционных
путей, которая может быть использована для формирования тяжеловесных поездов.
.6 Определение количества вагонов в составе
порожнего поезда
Количество вагонов в составе порожнего поезда
определяется из условий полной совместимости приемоотправочных путей станции по
формуле:
, ваг (3.14)
где
- средняя длина физического вагона,
определяема по формуле:
, м (3.15)
м
вагонов
.7 Проверка массы состава на
трогание с места
Рассчитанная масса грузового состава
по формуле (3.1) проверяется на трогание с места на остановочных пунктах по
формуле:
, т (3.16)
где
- крутизна наибольшего уклона на
остановочных пунктах заданного участка %,
;
- сила тяги локомотива при трогании
с места;
- удельное сопротивление состава
при трогании с места, определяемое по формуле:
¾ для вагонов на подшипниках качения
, кг/т (3.17)
т/ось,
кг/т
кг/т
тогда:
кг/т (3.18)
где
- количественное соотношение
вагонов соответственно на подшипниках скольжения качения.
кг/т
Подставляя полученное значение
получим:
т
Вывод:
Следовательно, полученная масса
состава отвечает условию
,
следовательно, поезд может останавливаться на всех разделенных пунктах участка
и для трогания с места не требуется вспомогательный локомотив.
4. Разработка графика движения
поездов и расчет пропускной способности
.1 График движения поездов
На железнодорожном транспорте
движение поездов осуществляется по графику. График движения поездов является
основой организации перевозок. Он объединяет деятельность всех подразделений и
выражает план всей эксплуатационной работы железных дорог.
Движение поездов по графику
обеспечивается правильной организацией и выполнением технологического процесса
работы станций, депо, тяговых подстанций, пунктов технического обслуживания и
других подразделений железных дорог, связанных с движением поездов.
В соответствии с ПТЭ график
движения поездов должен обеспечивать:
· удовлетворение потребностей в
перевозках пассажиров и грузов;
· безопасность
движения поездов;
· наиболее эффективное
использование пропускной и провозной способности участков и перерабатывающей
способности станций;
· рациональное использование
подвижного состава;
· соблюдение
установленной продолжительности непрерывной работы локомотивных бригад;
· возможность
производства работ по текущему содержанию и ремонту пути, сооружений, устройств
СЦБ, связи и электроснабжения.
График движения поездов
представляет собой графическое изображение следования поездов по участкам и
направлениям, выполненное в координатных осях времени (горизонтальная ось) и
расстояния (вертикальная ось). Он устанавливает время прибытия, отправления и
проследования поездов по каждому раздельному пункту, время следования поездов
по перегонам, продолжительность нахождения локомотивов и бригад на участках и
конечных станциях [7].
Железнодорожная сеть нашей
страны характеризуется различными условиями эксплуатации участков: размерами
движения, числом главных путей, соотношением скоростей грузовых и пассажирских
поездов, разностью размеров движения по направлениям и т.д. В связи с этим
различны и сами графики движения, которые классифицируются по нескольким
признакам.
1. По соотношению
скоростей движения поездов графики подразделяются на параллельные и
непараллельные. При параллельном графике на перегоне все поезда каждого
направления имеют одинаковую скорость движения, по этому линии хода поездов
расположены параллельно. Параллельный график позволяет наиболее полно
использовать пропускную способность участков, служит основой для изучения
свойств и закономерностей всех типов графиков.
При непараллельном графике
предусматривается обращение пассажирских и грузовых поездов с разными ходовыми
скоростями движения, причём поезда могут быть одной или нескольких категорий
(скорые, пассажирские, грузовые нормальной скорости, грузовые ускоренные и
др.).
2. По числу главных путей на
участке графики подразделяются на однопутные, двухпутные и многопутные. На
двухпутных линиях главные пути специализируются для движения поездов только в
одном направлении (чётном или нечётном), скрещения поездов могут осуществляться
не только на станциях и разъездах, но и перегонах. Графики движения на участках
с однопутными и двухпутными перегонами называются однопутно-двухпутными.
На трехпутных линиях обычно два
пути специализируют по направлениям, а один используют для следования поездов
обоих направлений. На четырёхпутных участках чаще всего два пути используют для
грузового и два для пассажирского движения со специализацией каждой пары путей
по направлениям.
3. По расположению поездов
попутного следования. При следовании поездов с разграничением не менее чем
одним раздельным пунктом с путевым развитием (станцией, разъездом, обгонным
пунктом) график на однопутных линиях называется непакетным или пачечным, а на
двухпутных - пачечным.
По перегонам, оборудованным
автоматической блокировкой или имеющим блок-посты при полуавтоматической
блокировке, поезда могут следовать в попутном направлении с разграничением их
блок-участками или межпостовыми перегонами. Графики движения поездов с таким
порядком следования называются пакетными или частично-пакетными. При таких
графиках на перегоне может находиться не один, а два или несколько поездов,
следующих в одном направлении.
На однопутных и двухпутных
линиях в целях уменьшения влияния пассажирских поездов на движение грузовых
пропускают группу пассажирских поездов пачкой.
4. По соотношению времени
занятия перегонов одной парой поездов или поездом различают графики идентичные
и неидентичные. Степень неидентичности графиков зависит от неидентичности
перегонов, станционных интервалов
и добавок на разгоны и замедления
,
5. По соотношению размеров
движения в чётном и нечётном направлениях графики разделяют на парные с
одинаковым числом поездов в обоих направлениях и непарные [8].
.2 Основные исходные данные для составления
графика движения поездов
График движения разрабатывается
на основании следующих элементов:
· размеров движения различных
категорий поездов и их весовых норм и длины;
· серии грузовых и
пассажирских локомотивов и их тяговых плеч;
· времени хода поездов по перегонам
,
и добавок
времени к ним на разгон
и на
замедление
, которые
определяются тяговыми расчётами;
· станционных интервалов
-
промежутков времени, необходимых для выполнения операций при приемке,
отправлении и пропуске поездов через раздельные пункты, обеспечивающих
безопасность движения;
· интервалов между поездами в пакете
при
автоблокировке или полуавтоблокировке с блок-постами;
· норм стоянок поездов
для
выполнения операций на промежуточных станциях;
· норм нахождения локомотивов на станциях
основного
и
оборотного
депо;
· технологических норм времени на обработку
поездов в парках (
,
)
участковых, грузовых, пассажирских и сортировочных станций;
· продолжительности технологического «окна»
для
выполнения работ по текущему содержанию и ремонту пути, контактной сети,
устройств СЦБ и др.
Таким образом, график движения
поездов по существу является планом всей эксплуатационной работы железных
дорог, основой организации движения поездов, грузовой и коммерческой работы
станций, депо, подразделений вагонной службы, службы пути, сигнализации и
связи, строительных организаций, т.е. всех подразделений железнодорожного
транспорта. График движения основан на определении грузопотоков, тесном
взаимодействии в работе железных дорог и всех других видов транспорта.
Скорость доставки грузов, наиболее рациональная
организация их перевозок в поездах, объём оборотных товарно-материальных
ценностей, находящихся в процессе перевозок, качество и быстрота пассажирских
перевозок - всё это зависит от графика движения поездов.
Дальнейшее совершенствование
графика предусматривает:
· повышение уровня
использования пропускной способности направлений, позволяющее обеспечить
выполнение и перевыполнение плана перевозок;
· повышение массы и скорости
движения поездов (особенно участковой и маршрутной, и как за счёт имеющихся
резервов в действующих графиках, так и за счёт внедрения более мощных
локомотивов, концентрации на полигонах большегрузных вагонов с меньшим
сопротивлением движению и т.д.);
· обеспечение более
четкого взаимодействия в перевозочном процессе всех подразделений
железнодорожного транспорта;
· автоматизацию
разработки графика движения на основе применения вычислительной техники;
· разработку более
совершенных способов его оперативной корректировки на основе вариантных
графиков для переменных размеров движения;
· выделение в графике ниток для
постоянного ядра поездов, факультативных и дополнительных;
· внедрение прогрессивных
достижений передовых работников всех служб железных дорог.
.3 Виды станционных и межпоездных интервалов
Различают и рассчитывают
следующие основные виды станционных и межпоездных интервалов:
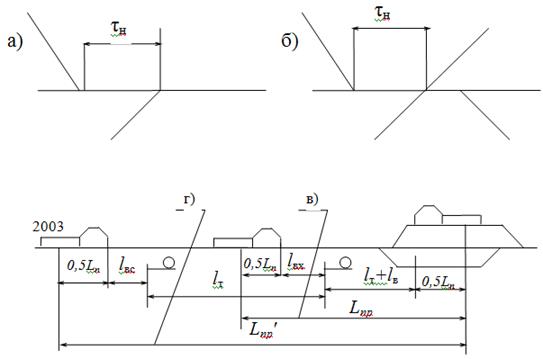
Станционный интервал
неодновременного прибытия
-
минимальное время от момента прибытия на станцию поезда одного направления до
момента прибытия на эту же станцию (рис. 4.1,а) или проследования через неё
(рис.4,1,б) поезда встречного направления на однопутной линии.
Рисунок 4.1 Интервал
неодновременного прибытия поездов
На станциях, где одновременный приём
поездов противоположных направлений разрешен, величина
определяется
по схеме и графику, приведенных на рис. 4.1, в и 4.2. Когда одновременный приём
поездов противоположных направлений запрещен, при следовании одного из них без
остановки,
определяется
по схеме и графику, приведенных на рис. 4.1, г, 4.2.
Величина
состоит из
времени для выполнения станционных операций и прохождения поездом расчётного
расстояния, т.е.
Таблица 4.2 График выполнения
технологических операций при обеспечении интервала неодновременного прибытия
поездов
|
Операция
|
Время,
мин.
|
|
1
2 3 4
|
|
Получение
согласия соседней станции на отправление поезда и приготовление маршрута
приёма.
|
Заблаговременно
|
|
Приготовление
маршрута отправления поезда.
|
После
освобождения входных стрелок первым прибывающим поездом.
|
|
Доклад
старших стрелочников о прибытии первого поезда о готовности маршрута
отправления второму прибывающему
|
0,5
|
|
|
|
|
Открытие
сигнала сквозного прохода или остановке поезда.
|
|
|
|
|
|
Проследование
прибывающим поездом расчётного расстояния.
|
0,25
|
|
2,9
|
|
|
Выход
ДСП для встречи и пропуска поездов при сквозном его подходе.
|
|
|
|
1,0
|
|
Интервал
г)
одновременный приём запрещён.3,65
|
|
|
|
|
|
|
|
|
, мин. (4.1)
где
- время станционных операций, мин (
мин);
- расчётное расстояние, м;
- средняя скорость входа поезда на
станцию, км/час;
км/ч; (4.2)
м; (4.3)
, км/ч;
где
- длина поезда, м. (
м);
- тормозной путь или расстояние от
предупредительного сигнала до входного, м. (
м);
- расстояние, проходимое поездом за
время восприятия машинистом показания входного или предупредительного сигнала,
м.(
м);
- расстояние от входного сигнала до
предельного столбика пути отправления поезда, м. (
м);
Тогда:
м;
мин;
мин.
Рисунок 4.2 Интервал скрещения поездов
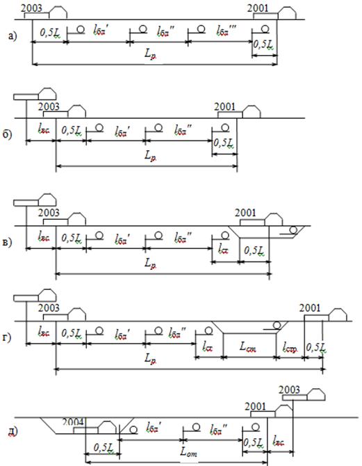
Станционный интервал скрещения
поездов
-
минимальное время от момента прибытия на станцию (рис.4.3, а) или проследования
(рис.4.3, б) через нее поезда до момента отправления на тот же перегон
встречного поезда. Величина
(рис.4.4) состоит только из времени
для выполнения станционных операций
. Принимаю
= 1 мин.
Интервал между поездами в пакете
определяется из рис. 4.5,а
(4.1)
где
-длина блок-участков, м;
- длина поезда, м;
- расчётное расстояние, м;
- средняя ходовая скорость
следования поезда на расстояние
, м
Интервал между поездами в
пакете при автоблокировке (рис. 4.5) -минимальный промежуток времени между
двумя попутными поездами. Он зависит числа блок-участков и их длины. Число
блок-участков определяется условием - впереди идущий поезд не должен оказывать
влияние на следование позади идущего. Для этого поезда должны быть разграничены
между собой тремя или двумя блок-участками. В первом случае (езда на зелёный
огонь) светофор позади идущему поезду всегда показывает зелёный огонь, что
создаёт наиболее благоприятные условия для работы машиниста [9].
Таблица 4.3 График выполнения
технологических операций при интервале скрещения поездов.
|
Операция
|
Время,
мин.
|
|
0,5
|
1
|
|
Контроль
прибытия (проследования) поезда 2002
|
0,1
|
|
|
Переговоры
о движении поездов между ДСП станции
|
0,1
|
|
|
Приготовление
маршрута и открытие входного сигнала поезду 2001
|
0,1
|
|
|
Восприятие
сигнала машинистом и отправление поезда 2001
|
0,2
|
|
|
Продолжительность
интервала
|
0,5
|
|
Во втором случае (езда на
жёлтый или езда под зелёный огонь) изменение показания светофора с жёлтого огня
на зелёный происходит только при приближении позади идущего поезда к светофору,
что создает напряжение в работе машиниста. В связи с этим такое разграничение
поездов применяется лишь на затяжных (руководящих) подъёмах, где скорость
грузового поезда приближается к минимальной расчётной. При этом интервал в
пакете (Рис. 4.5,б)
(4.2)
где
- время на восприятие машинистом
изменения показания огня светофора с жёлтого на зелёный, мин.
Тогда для однопутного участка при
езде на зелёный огонь:
мин.
мин
Рисунок 4.3 Схема разграничения
поездов, следующих в пакете при автоблокировке: а, б - на перегоне; в - при
приёме на станцию; г - при безостановочном пропуске через станцию; д - при
отправлении со станции
Таким образом, интервал между
поездами в пакете на однопутной линии принимаю
мин.
Интервал
рассчитывается
также по условиям входа и выхода со станций, когда один или оба поезда имеют
остановку, а также по условиям безостановочного проследования станций (Рис.
4.5, в, г, д).
Интервал попутного прибытия поездов
-минимальное
время от момента прибытия на станцию грузового поезда, до момента проследования
(или прибытия) через станцию пассажирского поезда попутного направления.
Интервал следования попутных поездов к станции и приёме их с остановкой
необходим для контроля прибытия первого поезда, изменения маршрута на приём и
открытия входного светофора второму поезду. К моменту окончания этих операций
, второй
поезд должен находиться на расстоянии двух блок-участков от
станции (Рис. 4.5, в, 4.6). Тогда интервал попутного прибытия составит:
(4.3)
или
(4.4)
где
- время необходимое для выполнения
станционных операций, мин;
средняя скорость входа на станцию
второго поезда с остановкой, км/ч.
Величина
определяется
по тяговому расчёту.
Таблица 4.4 График выполнения
технологических операций для определения
.
|
Операции
|
Время,
мин.
|
|
1
|
2
|
3
|
4
|
5
|
|
Контроль
ДСП прибытия поезда № 2002
|
0,3
|
|
|
|
|
|
Приготовление
маршрута для попуска поезда №22
|
0,1
|
|
|
|
|
|
Доклад
о прибытии поезда №2002 в полном составе
|
|
|
|
|
|
|
Открытие
входного (входного и выходного) сигнала
|
0,05
|
|
|
|
|
|
Проследование
поездом №22 расстояния 4,2
|
|
|
|
|
|
|
Выход
ДСП для встречи поезда №22
|
|
|
|
|
|
|
Продолжительность
интервала
|
4,7
|
График выполнения технологических
операций для определения
.
Тогда
мин
Интервал попутного отправления
-
минимальное время от момента проследования (или отправления) через станцию
пассажирского поезда, до момента отправления с той же станции грузового поезда
попутного направления. Интервал в пакете при отправлении попутных поездов со
станции определяется их разграничением двумя блок-участками. Зелёный огонь на
выходном светофоре появится после освобождения первым поездом блок-участков за
станцией (Рис. 4.5, д, 4.7).
мин
Интервал попутного отправления
-
минимальное время от момента проследования (или отправления) через станцию
пассажирского поезда, до момента отправления с той же станции грузового поезда
попутного направления. Интервал в пакете при отправлении попутных поездов со
станции определяется их разграничением двумя блок-участками. Зелёный огонь на
выходном светофоре появится после освобождения первым поездом блок-участков за
станцией (рис. 4.5, д, 4.7).
Таблица 4.5 График выполнения
технологических операций для определения
.
|
Операции
|
Время,
мин.
|
|
1
|
2
|
3
|
4
|
5
|
6
|
7
|
|
Проследование
поездом №22 расстояния
|
|
|
|
|
|
|
|
|
Открытие
входного сигнала поезду №2004
|
|
|
|
|
|
0,05
|
|
|
Восприятие
машинистом поезда №2004 показания выходного сигнала, приведение поезда в
движение и отправление
|
|
|
|
|
|
0,2
|
|
|
Продолжительность
интервала
|
5,95
|
Тогда интервал попутного
отправления составит:
(4.5)
или
(4.6)
Тогда
мин
Зелёный огонь на выходном светофоре
появится после освобождения первым поездом блок-участков за станцией. Число
блок-участков определяется условием - впереди идущий поезд не должен оказывать
влияние на следование позади идущего. Для этого поезда должны быть разграничены
между собой тремя или двумя блок-участками.
Рисунок 4.4 Интервалы в пакете при
автоматической блокировке
Принимаю
мин,
мин.
.4 Расчет наличной и потребной
пропускной способности участков отделения перевозок
Пропускной способностью
железнодорожной линии называется наибольшее число поездов или пар поездов
установленной массы, которое может быть пропущено в единицу времени (сутки,
час), в зависимости от имеющихся постоянных технических средств, типа и
мощности подвижного состава и принятых методов организации движения поездов.
Различают пропускную способность наличную и потребную.
Наличную пропускную способность
определяю по формуле:
, пар поездов (4.7)
где
- продолжительность
технологического «окна», мин;
- коэффициент надёжности работы
технических устройств;
- число поездов или пар поездов в
периоде графика;
- период графика.
Возможны четыре варианта пропуска
поездов через раздельные пункты ограничивающего перегона е-ж на однопутном
участке N-C:
1. Оба поезда пропускаются
на перегон без остановки (1-схема);
мин
2. Оба поезда пропускаются
с перегона без остановки (2-схема);
мин
Рисунок 4.5.1 Схемы пропуска поездов
через станции ограничивающие перегон
. Нечетные поезда
пропускаются безостановочно через обе станции ограничивающих перегон (3-схема);
мин
. Четные поезда
пропускаются безостановочно через обе станции ограничивающих перегон (4-схема);
мин
Рисунок 4.5.2 Схемы пропуска
поездов через станции ограничивающие перегон
При четырёх схемах пропуска
поездов минимальный период имеет 2-схема. Это означает, что желательно по
ограничивающему перегону поезда пропускать по 2-схеме, но это не каждый раз
удается.
В каждом случае пропуск поездов
через станции ограничивающего перегона, периоды графика перегона отличаются
входящими в них станционными интервалами и добавочным временем на разгон и
замедление.
В общем случае пропускная
способность ограничивающего перегона при обычном графике составит:
(4.8)
где
- время хода нечётного и чётного
поездов по перегону, мин;
- станционные интервалы на станциях,
ограничивающих перегон, мин;
- добавочное время на разгон и
замедление, приходящееся на оба поезда, мин;
Обозначив сумму станционных
интервалов и добавочного времени на разгон и замедление через
, определяю
величину периода графика:
, мин (4.9)
мин
Тогда для ограничивающего
перегона е-ж участка N-С и ограничивающего перегона а-б участка А-N
наличная пропускная способность равна:
пар поездов
пары поездов
Потребная пропускная способность
определяю для расчётных размеров движения и сопоставляю с наличной при
существующих средствах поездной связи и способа организации движения поездов.
Потребную пропускную способность участка, исходя из заданных размеров грузовых
и пассажирских перевозок без учёта резерва, определяю по формуле:
, пар поездов (4.10)
где
- соответственно, количество пар
грузовых, пассажирских и сборных поездов;
- коэффициенты съёма грузовых
поездов пассажирскими и сборными.
При этом значение
определяю
по формуле:
(4.11)
где
,
- соответственно, коэффициент
основного и дополнительного съёма:
Величину коэффициента
дополнительного съёма
можно
принять в пределах 0,3-0,4. При
=0,4
Коэффициент съёма сборных поездов на
однопутном участке составляет
= 1,3-1,5. Тогда
пара поездов
Потребная пропускная способность
определяю для расчётных размеров движения и сопоставляю с наличной при
существующих средствах поездной связи и способа организации движения поездов.
.5 Составление графика движения
поездов
Составлению графика движения поездов
предшествует большая подготовительная работа. В целях достижения высоких
маршрутных скоростей графики составляют сквозными на направлении в пределах
участка обращения локомотивов.
График строится на стандартной сетке
с масштабом времени и расстояний. На сетке каждый час разделен вертикальными
линиями на шесть десятиминутных интервалов, получасовые деления указаны
штриховой линией; горизонтальными линиями обозначены оси раздельных пунктов.
Нечётные поезда проложены сверху вниз, а - чётные снизу вверх. В точках пересечения
линий движения поездов с осями раздельных пунктов (в тупых углах) стоят цифры,
показывающие число минут сверх целого десятка, соответствующие моменту
прибытия, отправления или проследования поезда [10].
Поезда на графике прокладываю
последовательно по их категориям. Вначале прокладываю пассажирские поезда в
соответствии с предварительно выбранной схемой их обращения на направлении,
затем ускоренные грузовые, сборные и остальные грузовые поезда. Местные
грузовые поезда прокладываю на графике в соответствии с предварительно
выбранными схемами их обращения и системой обслуживания местной работы
участков. При этом должна обеспечиваться ритмичность грузовой работы на участке
и согласованность технологических процессов работы станции и подъездных путей.
При составлении графика были
соблюдены все его расчётные элементы и требования безопасности движения
поездов.
График движения поездов составлен на
участках Роса-Гранит, Гранит-Кедр и Гранит-Авангард на типовой сетке бланка.
Длину перегонов принимаю в масштабе
4 мм = 10 мин и 1 мм = 1 км согласно задания.
Прокладку грузовых поездов начинаю с
участковой станции со средним интервалом, равным:
(4.12)
где
- условное число «ниток» грузовых поездов;
- технологическое «окно».
В дневное время суток в графике
предусматриваю технологические «окна»: по 60 минут на участках Роса-Гранит и
Гранит-Кедр.
мин
При построении графика между
соседними «нитками» фактический интервал может быть от
до
.
Все поезда прокладываются и на
перегоне соседнего отделения. Время хода поездов по этому перегону принимаю 20
мин. При организации скрещения и обгона поездов на станциях участка учитываю их
путевое развитие. Номера чётных и нечётных поездов проставляю соответственно на
крайних и вторых перегонах участка от участковой и сортировочной станции [11].
Поезда различных категорий
нумеруются:
Пассажирские
Скорые (дальние и местные) 1
- 130
Пассажирские (дальние) 171
- 300
Пассажирские (местные) 601
- 699
Пригородные 5001
-6999
Грузовые
Сквозные 2001
-2998
Участковые 3001
- 3398
Сборные 3401-3498
Вывозные 3501
-3598
Локомотивы
Диспетчерские 3801
- 3898
Резервные 4301
-4398
.6 Расчет показателей графика
движения поездов
После составления графика
движения определяю его качественные показатели по грузовому движению:
1.
техническая,
участковая и коэффициент участковой скорости;
2.
эксплуатационный
оборот и парк локомотивов;
3.
среднесуточный
пробег локомотивов;
4.
средний
простой локомотивов в пунктах оборота;
5.
производительность
локомотивов.
Скорости движения поездов
определяю делением поездо-километров на соответствующие поездо-часы. При
расчёте технической скорости учитываю поездо-часы без времени стоянок на
промежуточных станциях, но с учётом потери времени на разгоны и замедления, а
при расчёте участковой скорости -общие поездо-часы в пути следования.
Среднее значение участковой и
технической скоростей можно определить по методу [12] по следующим формулам:
, км/ч (4.13)
, км/ч (4.14)
где
,
- сумма часов и минут прибытия и
отправления поездов по графику. Для поездов, отправляющихся до 24 ч и прибывших
на следующую техническую станцию после 0 ч, необходимо к сумме часов прибытия
прибавить число 24, умноженную на число таких поездов;
- сумма времени хода поезда по всем
перегонам участка в обоих направлениях,
мин,
мин;
- время на разгон и замедление,
мин;
- число остановок всех поездов на
участке по графику;- количество грузовых поездов на данном направлении.
Для расчёта значения скорости
движения грузовых поездов на участках Гранит-Кедр, Гранит-Авангард и
Роса-Гранит, составляю ведомости для нечётного и чётного направлений (табл.
4.1, 4.2 и 4.3) [13].
Он зависит числа блок-участков и их
длины. Число блок-участков определяется условием - впереди идущий поезд не
должен оказывать влияние на следование позади идущего. Для этого поезда должны
быть разграничены между собой тремя или двумя блок-участками. При расчёте
технической скорости учитываю поездо-часы без времени стоянок на промежуточных
станциях, но с учётом потери времени на разгоны и замедления, а при расчёте
участковой скорости -общие поездо-часы в пути следования.
Таблица 4.1 Ведомость
нахождения поездов на участке Гранит-Кедр
|
Номера
нечётных поездов
|
Время,
ч-мин
|
Кол-во
остановок на участке
|
Номера
четных поездов
|
Время,
ч-мин
|
Кол-во
остановок на участке
|
|
отправление
со ст. Гранит
|
Прибытие
на ст.Кедр
|
|
|
отправления
со ст Кедр
|
Прибытия
на ст. Гранит
|
|
|
2083
|
00-03
|
00-11
|
-
|
2002
|
00-07
|
00-15
|
-
|
|
2085
|
00-43
|
00-51
|
-
|
2004
|
00-37
|
00-45
|
-
|
|
2001
|
01-13
|
01-21
|
-
|
2006
|
01-07
|
01-15
|
-
|
|
2003
|
01-43
|
01-51
|
-
|
2088
|
01-37
|
01-45
|
-
|
|
2005
|
02-13
|
02-21
|
-
|
2008
|
02-07
|
02-15
|
-
|
|
2007
|
02-43
|
02-51
|
-
|
2010
|
02-37
|
02-45
|
-
|
|
2009
|
03-13
|
03-21
|
-
|
2012
|
03-07
|
03-15
|
-
|
|
2011
|
03-43
|
03-51
|
-
|
2014
|
03-37
|
03-45
|
-
|
|
2025
|
07-13
|
07-21
|
-
|
2028
|
07-07
|
07-15
|
-
|
|
2027
|
07-43
|
07-51
|
-
|
2030
|
07-37
|
07-45
|
-
|
|
2029
|
08-13
|
08-21
|
-
|
2032
|
08-07
|
08-15
|
-
|
|
2101
|
08-43
|
08-51
|
-
|
2034
|
08-37
|
08-45
|
-
|
|
2031
|
09-13
|
09-21
|
-
|
2036
|
09-07
|
09-15
|
-
|
|
2033
|
09-43
|
09-51
|
-
|
2038
|
09-37
|
09-45
|
-
|
|
2035
|
10-13
|
10-21
|
-
|
2040
|
10-37
|
10-45
|
-
|
|
2037
|
10-43
|
10-51
|
-
|
2042
|
11-07
|
11-15
|
-
|
|
2039
|
11-13
|
11-21
|
-
|
2044
|
12-27
|
12-35
|
-
|
|
2041
|
11-43
|
11-51
|
-
|
2046
|
12-57
|
13-05
|
-
|
|
2043
|
12-13
|
12-21
|
-
|
2048
|
13-27
|
13-35
|
-
|
|
2045
|
12-43
|
12-51
|
-
|
2050
|
13-57
|
14-05
|
-
|
|
2047
|
13-13
|
13-21
|
-
|
2052
|
14-27
|
14-35
|
-
|
|
2049
|
13-43
|
13-51
|
-
|
2054
|
14-57
|
15-05
|
-
|
|
2051
|
14-43
|
14-51
|
-
|
2056
|
15-27
|
-
|
|
2053
|
16-03
|
16-11
|
-
|
2058
|
15-57
|
16-05
|
-
|
|
2055
|
16-33
|
16-41
|
-
|
2060
|
16-27
|
16-35
|
-
|
|
2057
|
17-03
|
17-11
|
-
|
2062
|
16-57
|
17-05
|
-
|
|
2059
|
17-33
|
17-41
|
-
|
2064
|
17-27
|
17-35
|
-
|
|
2061
|
18-03
|
18-11
|
-
|
2066
|
18-27
|
18-35
|
-
|
|
2063
|
18-33
|
18-41
|
-
|
2068
|
18-57
|
19-05
|
-
|
|
2065
|
19-03
|
19-11
|
-
|
2070
|
19-27
|
19-35
|
-
|
|
2067
|
20-03
|
20-11
|
-
|
2072
|
19-57
|
20-05
|
-
|
|
2069
|
20-33
|
20-41
|
-
|
2074
|
20-27
|
20-35
|
-
|
|
2071
|
21-03
|
21-11
|
-
|
2076
|
20-57
|
21-05
|
-
|
|
2073
|
21-33
|
21-41
|
-
|
2078
|
21-27
|
21-35
|
-
|
|
2075
|
22-03
|
22-11
|
-
|
2080
|
21-57
|
22-05
|
-
|
|
2077
|
22-33
|
22-41
|
-
|
2082
|
22-27
|
22-35
|
-
|
|
2079
|
23-03
|
23-11
|
-
|
2084
|
22-57
|
23-05
|
-
|
|
2081
|
23-33
|
23-41
|
-
|
2086
|
23-27
|
23-35
|
-
|
|
 506,36
513,23 0
44
525,51 499,83 0
|
|
|
|
|
|
|
|
Таблица 4.2 Ведомость
нахождения поездов на участке Роса-Гранит
|
Номера
чётных поездов
|
Время,
ч-мин
|
Кол-во
остановок на участке
|
Номера
нечетных поездов
|
Время,
ч-мин
|
Кол-во
остановок на участке
|
|
отправление
со ст.Гранит
|
прибытие
на ст.Роса
|
|
|
отправления
со ст Роса
|
Прибытия
на ст Гранит
|
|
|
2000
|
00-00
|
00-24
|
-
|
2079
|
00-04
|
00-28
|
-
|
|
2002
|
00-30
|
00-54
|
-
|
2001
|
00-34
|
00-58
|
-
|
|
2004
|
01-00
|
01-24
|
-
|
2087
|
00-48
|
01-02
|
-
|
|
2006
|
00-30
|
00-54
|
-
|
2003
|
01-04
|
01-28
|
-
|
|
2088
|
02-08
|
02-32
|
-
|
2005
|
01-34
|
01-58
|
-
|
|
2008
|
02-30
|
02-54
|
-
|
2089
|
01-49
|
02-13
|
-
|
|
2010
|
03-00
|
03-24
|
-
|
2007
|
02-04
|
02-28
|
-
|
|
2012
|
03-30
|
03-54
|
-
|
2009
|
02-34
|
02-58
|
-
|
|
2014
|
04-00
|
04-24
|
-
|
2091
|
02-49
|
03-13
|
-
|
|
2092
|
04-08
|
04-32
|
-
|
2011
|
03-04
|
03-28
|
-
|
|
2016
|
04-30
|
04-54
|
-
|
2013
|
03-34
|
03-58
|
-
|
|
2018
|
05-00
|
05-24
|
-
|
2093
|
03-49
|
04-13
|
-
|
|
2020
|
05-30
|
05-54
|
-
|
2015
|
04-04
|
04-28
|
-
|
|
2022
|
06-00
|
06-24
|
-
|
2017
|
04-34
|
04-58
|
-
|
|
2024
|
06-30
|
06-54
|
-
|
2095
|
04-49
|
05-13
|
-
|
|
2026
|
07-00
|
07-24
|
-
|
2019
|
05-04
|
05-28
|
-
|
|
2028
|
07-30
|
07-54
|
-
|
2021
|
05-34
|
05-58
|
-
|
|
2030
|
08-00
|
08-24
|
-
|
2097
|
05-49
|
06-13
|
-
|
|
2032
|
08-30
|
08-54
|
-
|
2023
|
06-04
|
06-28
|
-
|
|
2102
|
08-48
|
09-12
|
-
|
2025
|
06-34
|
06-58
|
-
|
|
2034
|
09-00
|
09-24
|
-
|
2099
|
06-49
|
07-13
|
-
|
|
2036
|
09-30
|
09-54
|
-
|
2027
|
07-04
|
07-28
|
-
|
|
2038
|
10-00
|
10-24
|
-
|
2029
|
07-34
|
07-58
|
-
|
|
2040
|
11-00
|
11-24
|
-
|
2101
|
07-49
|
08-13
|
-
|
|
2042
|
11-30
|
11-54
|
-
|
2031
|
08-34
|
08-58
|
-
|
|
2044
|
12-50
|
13-14
|
-
|
2103
|
08-49
|
09-13
|
-
|
|
2046
|
13-20
|
13-44
|
-
|
2033
|
09-04
|
09-28
|
-
|
|
2048
|
14-14
|
-
|
2035
|
09-34
|
09-58
|
-
|
|
2050
|
14-20
|
14-44
|
-
|
2105
|
09-49
|
10-13
|
-
|
|
2052
|
14-50
|
15-14
|
-
|
2137
|
10-04
|
10-28
|
-
|
|
2114
|
15-06
|
15-30
|
-
|
2039
|
10-34
|
10-58
|
-
|
|
2054
|
15-20
|
15-44
|
-
|
2107
|
10-49
|
11-13
|
-
|
|
2056
|
15-50
|
16-14
|
-
|
2041
|
11-04
|
11-28
|
-
|
|
2058
|
16-20
|
16-44
|
-
|
2043
|
11-34
|
11-58
|
-
|
|
2060
|
16-50
|
17-14
|
-
|
2109
|
11-49
|
12-13
|
-
|
|
2062
|
17-20
|
17-44
|
-
|
2045
|
12-04
|
12-28
|
-
|
|
2064
|
17-50
|
18-14
|
-
|
2047
|
12-34
|
12-58
|
-
|
|
2066
|
18-50
|
19-14
|
-
|
2049
|
13-04
|
13-28
|
-
|
|
2068
|
19-20
|
19-44
|
-
|
2051
|
14-04
|
14-28
|
-
|
|
2070
|
19-50
|
20-14
|
-
|
2053
|
15-24
|
15-48
|
-
|
|
2072
|
20-20
|
20-44
|
-
|
2055
|
15-54
|
16-18
|
-
|
|
2074
|
20-50
|
21-14
|
-
|
2057
|
16-24
|
16-48
|
-
|
|
2076
|
21-20
|
21-44
|
-
|
2119
|
16-42
|
17-06
|
-
|
|
2078
|
21-50
|
22-14
|
-
|
2059
|
16-54
|
17-18
|
-
|
|
2080
|
22-20
|
22-44
|
-
|
2061
|
17-24
|
17-48
|
-
|
|
2082
|
22-54
|
23-18
|
-
|
2121
|
17-39
|
18-03
|
-
|
|
2084
|
23-22
|
23-56
|
-
|
2063
|
17-54
|
18-18
|
-
|
|
|
|
|
2065
|
18-24
|
18-48
|
-
|
|
|
|
|
2123
|
18-39
|
19-03
|
-
|
|
|
|
|
2067
|
19-24
|
19-48
|
-
|
|
|
|
|
2125
|
19-39
|
20-03
|
-
|
|
|
|
|
2069
|
19-54
|
20-18
|
-
|
|
|
|
|
2071
|
20-24
|
20-48
|
-
|
|
|
|
|
2127
|
20-39
|
21-03
|
-
|
|
|
|
|
2073
|
20-54
|
21-18
|
-
|
|
|
|
|
2075
|
21-24
|
21-48
|
-
|
|
|
|
|
2129
|
21-39
|
22-03
|
-
|
|
|
|
|
2077
|
21-54
|
22-18
|
-
|
|
|
|
|
2079
|
22-24
|
22-48
|
-
|
|
|
|
|
2131
|
22-39
|
23-03
|
-
|
|
|
|
|
2081
|
22-54
|
23-18
|
-
|
|
|
|
|
2083
|
23-24
|
23-48
|
-
|
|
47 534,26 553,2 =
47 62 717,58 742,21 0
|
|
|
|
|
|
|
|
|
|
|
|
|
|
|
|
|
Таблица 4.3 Ведомость
нахождения поездов на участке Гранит-Авангард
|
Номера
чётных поездов
|
Время,
ч-мин
|
Кол-во
остановок на участке
|
Номера
нечетных поездов
|
Время,
ч-мин
|
Кол-во
остановок на участке
|
|
отправление
со ст. Гранит
|
прибытие
на ст. Авангард
|
|
|
отправления
со ст Авангард
|
Прибытия
на ст Гранит
|
|
|
2085
|
00-13
|
00-48
|
-
|
2086
|
00-11
|
00-41
|
1
|
|
2087
|
01-37
|
02-01
|
-
|
2088
|
01-24
|
01-54
|
1
|
|
2089
|
02-22
|
02-47
|
-
|
2090
|
02-09
|
02-39
|
1
|
|
2091
|
03-38
|
04-02
|
-
|
2092
|
03-26
|
03-56
|
1
|
|
2093
|
04-23
|
04-48
|
-
|
2094
|
04-11
|
04-41
|
1
|
|
2095
|
05-23
|
05-48
|
-
|
2096
|
05-11
|
05-41
|
1
|
|
2097
|
06-23
|
06-48
|
-
|
2098
|
06-11
|
06-41
|
1
|
|
2099
|
07-23
|
07-48
|
-
|
2100
|
07-11
|
07-41
|
1
|
|
2101
|
08-16
|
08-41
|
-
|
2102
|
08-04
|
08-34
|
1
|
|
2103
|
09-23
|
09-48
|
-
|
2104
|
09-11
|
09-41
|
1
|
|
2105
|
10-23
|
10-48
|
-
|
2106
|
10-11
|
10-41
|
1
|
|
2107
|
11-23
|
11-48
|
-
|
2108
|
11-11
|
11-41
|
1
|
|
2109
|
12-23
|
12-48
|
-
|
2110
|
12-11
|
12-41
|
1
|
|
2111
|
13-23
|
13-48
|
-
|
2112
|
13-11
|
13-41
|
1
|
|
2113
|
14-33
|
14-58
|
-
|
2114
|
14-11
|
14-41
|
1
|
15-16
|
15-41
|
-
|
2116
|
15-11
|
15-41
|
1
|
|
2117
|
16-16
|
16-41
|
-
|
2118
|
16-04
|
16-34
|
1
|
|
2119
|
17-16
|
17-41
|
-
|
2120
|
17-04
|
17-34
|
1
|
|
2121
|
18-16
|
18-41
|
-
|
2122
|
18-04
|
18-34
|
1
|
|
2123
|
19-16
|
19-41
|
-
|
2124
|
19-04
|
19-34
|
1
|
|
2125
|
20-16
|
20-41
|
-
|
2126
|
20-04
|
20-34
|
1
|
|
2127
|
21-16
|
21-41
|
-
|
2128
|
21-04
|
21-34
|
1
|
|
2129
|
22-16
|
22-41
|
-
|
2130
|
22-04
|
22-34
|
1
|
|
2131
|
23-16
|
23-41
|
-
|
2132
|
23-04
|
23-34
|
1
|
Для графика движения поездов
составленного на листе 5 графической части и приведенного в табл. 4.1, 4.2 и
4.3, величины
и
составляют:
Техническая скорость с учетом
сборных поездов
км/ч
км/ч
км/ч
Участковая скорость сборных
поездов
км/ч
км/ч
км/ч
Оборот эксплуатируемого парка
локомотивов (рис. 4.13) на участках их обращения в пределах отделения определяю
по формуле:
(4.15)
где
- длина участка обращения
локомотивов;
- участковая
скорость, км/ч;
- время нахождения локомотива в
пунктах оборота (из табл. 4.1 и 4.2);
- время нахождения локомотива на
станционных путях основного Депо и смены бригад.
ч
ч
Коэффициент потребности локомотивов
на пару поездов определяю по формуле:
(4.16)
;
.
Эксплуатируемый парк локомотивов
определяю по формуле:
(4.17)
где
- размеры движения грузовых поездов
на участках А-N и N-С (в случае
непарности графика берется большее значение размеров движения по направлениям).
Тогда
лок-сут.
Пробег поездов по участкам
составляет:
поездо-км.
Пробег локомотивов по участкам
составляет:
(4.18)
где
- вспомогательный (резервный)
пробег, равный 117 лок-км;
лок-км.
Работа локомотивного парка:
ткм бр.
Производительность локомотива,
ткм/лок-сут:
ткм/лок-сут.
5. Автоматизация функций диспетчерского персонала
(АРМ ДНЦ) и автоматизированная система ведения графика исполненного движения
.1 Система диспетчерского руководства
Существующая в нашей республике четырехуровневая
диспетчерская система оперативного управления перевозочным процессом сложилась
еще в тридцатые годы прошлого века и не обеспечивает единого руководства
продвижением грузопотоков от пунктов массового зарождения до пунктов погашения,
продвижение вагонопотоков между основными станциями переработки и
использованием локомотивов и бригад в пределах полигона и удлиненных участков
обращения локомотивов.
Совершенствование управления перевозочным
процессом на основе достижений научно-технического прогресса является одним из
важнейших направлений интенсификации производства, ликвидации потерь в использовании
технических средств, снижения эксплуатационных расходов. В целях реализации
решений по коренному изменению всей системы оперативного управления
перевозочным процессом, на базе широкого применения современных технических
средств сбора и обработки информации.
Развитие отрасли в последние годы поставило ряд
сложных задач научно-практического характера. Многие из них возникли впервые, и
научный подход к их решению еще не найден.
Вместе с тем по опыту стран, добившихся высокого
уровня развития экономики, известно, что на первом месте стоит задача экономии
труда, повышения его производительности за счет техники и энерговооруженности,
интенсивного использования техники.
Для этого требуется осуществить поэтапный
переход на централизованную систему управления перевозочным процессом на основе
создания автоматизированного диспетчерского центра управления (АДЦУ).
АДЦУ представляет оперативное диспетчерское
управление перевозочным процессом на железнодорожном направлении или в узле с
позиции предупредительного регулирования, централизации и концентрации
диспетчерского управления перевозочным процессом на третьем уровне управления
железнодорожным транспортом; механизации и автоматизации диспетчерского труда и
процессов управления на базе вычислительной техники и современных технических
средств.
АДЦУ обеспечивает регулирование поездопотоков на
больших полигонах, путем непрерывного автоматизированного контроля поездного
положения, с выработкой рекомендаций для оперативно-диспетчерского аппарата по
принятию управляющих решений направленных на улучшение использования
показателей работы железных дорог и являются действенной мерой
совершенствования системы оперативного управления перевозками и всей
эксплуатационной деятельности железной дороги.
АДЦУ позволяет сочетать централизованное
управление системой - районом, участком с локальным управлением, объектами -
станция, поезд. Такая структура позволяет обеспечить максимальную автономность
линейных предприятий и возможность оптимального управления дорогой в целом,
централизованное хранение и обработку информации.
Одно из основных преимуществ АДЦУ - единое
управление ранее разрозненными процессами работы локомотивов на удлиненных
тяговых плечах из единого центра, что позволяет улучшить регулирование
локомотивным парком и бригадами. За счет сокращения простоя вагонов по стыкам
локомотивов на станциях и в депо повышается их среднесуточный пробег, что дает
возможность высвободить вагоны и локомотивы для дополнительных перевозок.
Концентрация управления обеспечит повышение дисциплины выполнения заданий по
передачи поездов и регулировочных заданий по передаче порожних вагонов.
Создание автоматизированных диспетчерских
центров управления (АДЦУ) позволяет оптимизировать работу диспетчерского
аппарата [14].
5.2 Анализ загрузки поездных диспетчеров
Загрузку диспетчеров, участвующих в оперативном
управлении перевозочным процессом, можно рассматривать в двух аспектах: как
информационную загрузку, связанную с приемом, переработкой и передачей
сообщений; как затрату рабочего времени на выполнение тех или иных операций и
функций управления перевозочным процессом.
Отношение затрачиваемого суммарного времени
диспетчером на выполнение всех операций к продолжительности рабочей смены
уровнем загрузки:
(5.1)
где
- затраты времени диспетчера на
выполнение одной технологической операции управления, мин.;
- продолжительность рабочей смены,
мин.
Загрузка диспетчера зависит от числа
поездов, поступающих на обслуживаемый участок, длительности обслуживания
каждого поезда в соответствии с принятой технологией работы участка и станций,
поездной на участке и состояния технических средств. Распределение затрат
времени на обслуживание информационных сообщений для характерных участков
железных дорог дано в таблице 5.1.
Таблица 5.1 Распределение времени работы
поездного диспетчера по видам информационной деятельности
|
Виды
информационной деятельности диспетчера
|
Доля
времени, затрачиваемая на каждый вид, %
|
|
Получение
оперативной информации (ДНЦ слушает), выдача диспетчерских распоряжений и
команд (ДНЦ говорит)
|
51,0…82,0
|
|
Переговоры
ДНЦ с исполнителями, оформление графика движения
|
9,4…11,2
|
|
Сбор
информации для планирования работы участка и принятия управляющего решения
|
0,6…8,4
|
|
Передача
диспетчерских приказов
|
1,7…16,9
|
|
Непосредственное
производственное взаимодействие с оперативными работниками и руководителями
|
1,7…40,0
|
|
Сбор
информации в конфликтных ситуациях
|
0,3…24,8
|
|
Отвлечение
от работы на темы, не относящиеся к работе, отдых
|
0,4…11,8
|
Доля времени, приходящаяся на выполнение той или
иной операции, колеблется в зависимости от условий труда диспетчера, поездного
положения на участке, времени непрерывного выполнения производственных функций.
Анализ напряженности труда поездного диспетчера показал, что наиболее
напряженной является операция сбора информации о конфликтных ситуациях.
Эмоциональная напряженность в этом случае является наивысшей. Второй по
напряженности является работа по непосредственному взаимодействию с
оперативными работниками в присутствии руководителей [15].
.3 Работа дежурного по отделению (ДНЦО) при
организации АРМ
ДНЦО организует и координирует работу
диспетчерского аппарата смены по выполнению суточного и сменного планов работы
отделения дороги, подготавливает исходные данные для составления плана на
следующую смену, а в ночное дежурство подготавливает проект плана дневной
смене, что является основанием для корректировки суточного плана работы
отделения.
Для своевременного включения в работу ДНЦО
начинает знакомиться с положением на отделении и в узле примерно за час до
начала дежурства. В этот период ДНЦО выясняет состояние с продвижением
поездопотоков на каждом направлении, определяет наличие составов, локомотивов и
бригад по каждому направлению по «ниткам» графика, наличие и содержание особых
заданий руководства отделения и управления дороги.
За 30-35 мин до начала смены ДНЦО, заканчивающий
дежурство, передает вступающему данные о поездах, подготавливаемых к
отправлению основным узлом отделения на все направления по «ниткам» графика на
1-3 часа продолжительности новой смены. Эти данные включают: назначения
поездов, время отправления, номера локомотивов, фамилии машинистов.
До начала дежурства ДНЦО записывает в
специальный бланк данные о положении на основной станции узла: наличие вагонов
на 5-00 (18-00) всего, в том числе рабочего парка, количество порожних вагонов
по роду подвижного состава, количество груженых вагонов по назначению плана
формирования. Эти данные необходимы для дальнейшего уточнения плана отправления
поездов из узла.
За 15-20 мин до начала дежурства ДНЦО проводит
совещание с диспетчерами своей смены. На этом совещании он объявляет
диспетчерам общее положение на отделении и план отравления поездов из узла на
каждое направление по ближайшим «ниткам» графика (на 2-3 часа предстоящей
работы).
На совещании перед началом дежурства старший
диспетчер отделения дороги дает задание смене по распределению порожних вагонов
по роду подвижного состава на каждом участке, сообщает задание по обеспечению
порожними вагонами станций погрузки своего отделения и по передаче их по
стыковым станциям. Кроме того, старший диспетчер дает задание смене по передаче
поездов и вагонов, погрузке, выгрузке, обороту вагона, по работе замкнутых
кольцевых маршрутов («вертушек»), а также особые указания.
В течение первого часа дежурства ДНЦО уточняет у
ДСЦС сортировочной станции наличие составов для отправления по плану в первые
2-3 часа и дает уточненные указания локомотивному диспетчеру об обеспечении
этих составов локомотивами и бригадами.
Кроме того, в течение первого часа дежурства
ДНЦО обменивается информацией с соседними ДНЦО о передаваемых поездах по
стыковым станциям, докладывает в распорядительный отдел службы движения -
дорожному диспетчеру (ДГП) о положении на отделении и отправляемых поездах на
все направления. В дальнейшем обмен данными с соседними ДНЦО, и доклад ДГП
осуществляется через каждые 3-4 часа.
В процессе дежурства ДНЦО периодически
контролирует ход работы и принимает меры по выполнению плана в случае
отклонений.
Особенностью работы ДНЦО в ночную смену является
корректировка суточного плана поездной работы, составленного старшим
диспетчером к 16 часам предыдущих суток, и составление проекта плана дневной
смене. Эта корректировка осуществляется в период с 0 до 4 часов с учетом
результатов работы и уточненных данных о поступлении поездов на отделение.
Откорректированный план оператор при ДНЦО передает на отделение.
В период с 3 до 6 часов ДНЦО выполняет расчет
предполагаемого числа поездов и вагонов, передаваемых по стыковым станциям. В 6
часов проект плана передачи поездов и вагонов по стыкам ДНЦО докладывает ДГП.
Приведенное описание деятельности ДНЦО,
сделанное на основе многочисленных наблюдений на ряде отделений, и анализ
целей, стоящих перед отделением дороги и диспетчерской сменой, позволяет
уточнить перечень задач, решаемых ДНЦО.
Как показывают наблюдения, среди всех задач,
решаемых оперативными работниками, выделяется главная, решение которой
обеспечивает выполнения цели функционирования руководимой системы, и
вспомогательные, направленные на реализацию плана, разработанного при решении
главной задачи.
Главной задачей, решаемой ДНЦО, является
прогнозирование использования «ниток» графика отправления поездов из узла в
соответствии с суточным (сменным) планом. Правильное решение этой задачи
обеспечивает достижение цели диспетчерской смены, а также выполнение плана
перевозок отделением.
Другими задачами, решаемыми ДНЦО, являются:
контроль исполнения запланированных «ниток» графика в основном узле отделения и
в других пунктах зарождения поездопотоков, контроль и принятие мер к выполнению
суточного (сменного) задания по передачи поездов и вагонов по стыковым
станциям, контроль выполнения суточного (сменного) плана грузовой работы.
Кроме того, в ночное дежурство ДНЦО должен
решать задачу по корректировке суточного плана и составлению проектов сменного
плана поездной работы дневной смене, а также сменного и суточного планов
передачи поездов и вагонов по стыкам.
Перечень решаемых ДНЦО задач, периодичность и
заблаговременность их решения приведены в таблице 5.2.
Таблица 5.2 Перечень задач, решаемых ДНЦО
|
Наименование
решаемых задач
|
Периодичность
решения
|
Заблаговременность
|
|
Оценка
и прогноз состояния управляемой системы
|
По
мере возникновения затруднений
|
За
время, необходимое для принятия регулировочных мер
|
|
Прогнозирование
использования «ниток» графика отправления поездов из основного узла
|
По
3-4 часовым периодам
|
За
2-3 часа (время, необходимое для подготовки локомотивов и бригад)
|
|
Контроль
использования запланированных «ниток» графика отправления поездов из
основного узла
|
Каждые
30 мин
|
|
|
Определение
мер по выполнению плана поездной работы в основном узле в случае
возникновения возможного срыва
|
По
мере возникновения затруднений в выполнении плана
|
За
30-60 мин (время, необходимое для подготовки поезда к отправлению)
|
|
Контроль
использования «ниток» графика в других пунктах зарождения поездопотоков и
определение мер по устранению затруднений
|
2-3
раза за смену
|
То
же
|
|
Контроль
выполнения суточного (сменного) задания по передаче поездов и вагонов по
стыковым станциям
|
3-4
раза за смену
|
За
время, необходимое для принятия регулировочных мер
|
|
Контроль
выполнения суточного (сменного) плана грузовой работы
|
2-3
раза за смену
|
То
же
|
|
Корректировка
суточного плана и составление проектов сменного плана поездной работы, а
также сменного и суточного планов передачи поездов и вагонов по стыкам
|
В
ночное дежурство
|
До
6 часов
|
.4 Автоматизированная система ведения и анализа
графика исполненного движения
На основе сообщений, поступающих со станций, об
отправлении, проследовании и прибытии поездов в базе данных АСОУП содержится
информация, на основе которой в существующих АРМ диспетчера ведется сокращенный
график исполненного движения поездов (ГИД). Он является сокращенным потому, что
информация о событиях с поездами поступает с небольшого числа выделенных
станций. Эта информация в виде засечек наносится на график. Автоматизированное
соединение засечек позволяет в АРМ диспетчера вести сокращенный ГИД.
Построение реального графика исполненного
движения с информацией со всех станций участка и блок-участков на перегонах
требует съема информации с устройств СЦБ. Такой ГИД может вестись
автоматизировано только на участках, оборудованных системами ДЦ и Д К.
Полностью автоматизировать процесс ведения и
анализа ГИД стало возможным при создании АРМ диспетчера в диспетчерских центрах
управления. Впервые такую автоматизированную систему ГИД «Урал-ВНИИЖТ» создало
Научно-производственное объединение «ГИД-УРАЛ» Уральского отделения ВНИИЖТа.
Система ГИД включает подсистемы ГИД ДНЦ/ДСП, ГИД
ЦД и ГИД ДГП, ГИД ДНЦ/ДСП позволяет автоматизировать часть рутинной работы ДНЦ
и ДСП и обеспечивает следующие функции:
· автоматизированное ведение графика
исполненного движения;
· быстрый доступ к информации о
поездах, составах поездов и локомотивах;
· выдачу поездного положения в
графических и табличных формах;
· отображение на экране ПЭВМ текущей
ситуации на станциях и перегонах (табло диспетчерского контроля);
· отображение информации от аппаратуры
«ДИСК» на графике и табло диспетчерского контроля;
· контроль дислокации и состояния
локомотивов;
· учет и анализ выполнения графика,
участковой скорости, веса и длины грузовых поездов и их простоя на технических
станциях;
· автоматизированное ведение журнала
диспетчерских распоряжений ДУ-58;
· ведение книги выдачи предупреждений
на поезда (ДУ-60);
· архивацию графика, состояния
устройств СЦБ и приказов ДНЦ;
· формирование на рабочем месте ДСП
сообщений для АСОУП об операциях с поездами;
· работа по запросу с системой АСОУП.
Для получения исходной информации и
взаимодействия с другими системами ГИД ДНЦ/ДСП имеет следующие подсистемы:
· получения информации с устройств СЦБ
о занятии изолированных участков на станциях и перегонах, о показаниях входных
и выходных светофоров, об установке маршрутов приема и отправления, о положении
стрелок;
· отображения в реальном времени на
экранах ПЭВМ пользователей графика исполненного движения и табло диспетчерского
контроля;
· обмена информацией между ПЭВМ ДНЦ и
ДСП;
· формирования для АСОУП сообщений об
операциях с поездами;
· обмена информацией между ГИД и
АСОУП.
ГИД ДГП автоматизирует получение информации о
движении поездов на полигоне дороги и обеспечивает:
· ведение сокращенного графика
исполненного движения;
· ведение поездного положения;
· работу ДГП (по запросу) с системой
АСОУП и (через нее) с АСУСС.
Получение исходной информации и взаимодействие с
другими автоматизированными системами обеспечивают подсистемы:
получения информации о событиях с поездами из
АСОУП;
отображения в реальном времени на экранах ПЭВМ
пользователей сокращенного графика исполненного движения и поездного положения;
получения справок из АСОУП и (через нее) с АСУ
СС.
Система ГИД создавалась для унификации
информации о движении поездов на всей сети железных дорог и всех уровнях
диспетчерского руководства - автоматизированных рабочих местах ДСП, ДНЦ, ДГП и
ЦДГП. Системой ГИД могут также пользоваться руководители станций, отделений,
дорог, АО НК «КТЖ» и работники различных служб.
Главной частью системы ГИД «Урал-ВНИИЖТ»
является график исполненного движения, который на экране монитора имеет
структуру общепринятого графика движения. Кроме непосредственно графика
движения информацию представляют:
меню;
верхняя строка графика;
левое поле графика;
основная часть (фрагмент графика);
правое поле графика.
В систему ГИД диспетчер вводит информацию двумя
способами: мультипликацией и выбором из списка. Мультипликация позволяет
щелчком «мыши» на поле выбора автоматически получать нужную информацию. Выбор
из списка предусматривает перевод засветки на нужную строку с помощью кнопки Enter
и щелчком «мыши» получение информации.
Система ГИД при просмотре графика позволяет:
оперативное изменение конфигурации сетки графика
в соответствии с необходимостью показа различных направлений, примыканий и
раздельных пунктов;
отображение различным цветом и типом линий ниток
поездов различных категорий;
изображение сбоев в движении, ниток поездов с
работой на перегоне, в том числе с возвращением обратно;
оперативную отмену и восстановление изображения
на графике различных его элементов (показ грузовых поездов, их номеров, времени
прибытия и отправления и т. д.);
отображение занятия главных и приемо-отправочных
путей раздельных пунктов, привязки времени прибытия поезда на станцию ко
времени его отправления;
изображение графика с указанием на участках (с
помощью ломаных линий) задержек и нагонов поездов относительно нормативного
графика;
изменение масштабов изображения по времени и
числу раздельных пунктов, одновременно вмещаемых на экране;
сдвиг графика на экране влево, вправо, вверх,
вниз, страницами. в начало и конец графика;
оперативное изменение на сетке графика
относительных высот полос, изображающих на экране различные участки,
обеспечивающие наиболее удобное изображение и восприятие графика;
выдачу на экран ПЭВМ справки о поезде с
указанием номера и индекса поезда, его веса и условной длины, направления
следования, вида, места и времени совершения операции с поездом;
показать километровые отметки раздельных
пунктов, время хода поездов и т. д.
В левой части графика дается различная
информация, относящаяся к раздельным пунктам и перегонам: наименование
раздельных пунктов, коды Единой сетевой разметки, нормативное и плановое время
хода поездов, ограничения скорости движения, коды должностей, фамилии дежурных
по станции, станционные примечания.
В программе ГИД принят авторский вариант
цветового изображения «ниток» графика в зависимости от категории поездов. Но
диспетчер имеет возможность по своему усмотрению менять «раскраску» «ниток» и
фона графика в зависимости от категории поездов, условий пропуска, маршрута
следования и т. д.
Линии раздельных пунктов на сетке графика могут
превращаться в полосу, содержащую линии путей на этой станции и их
использование.
Предусмотрен показ нормативного графика движения
как совместно с исполненным графиком, так и отдельно.
В системе ГИД предусмотрена функция поиска:
поездов, в том числе опаздывающих и «брошенных»; локомотивов; дефектов в
расписании движения поездов. Поиск поезда ведется по его номеру или индексу, опаздывающих
поездов - по указанным станциям, «брошенных» - по отделениям и дороге. Поиск
локомотива ведется по его серии и номеру.
В базе расписаний система ГИД выявляет следующие
дефекты:
время операций прибытия/формирования на
раздельном пункте позже времени операций отправления/расформирования;
отсутствие прибытия поезда на станцию, не
являющуюся первой в расписании движения;
отсутствие отправления поезда со станции, не
являющейся последней в расписании движения;
прибытие поезда на станцию раньше отправления с
предыдущей.
Дефекты расписаний могут особым (яркофиолетовым)
цветом отображаться непосредственно на графике.
Содержатся списки всех станций, стыковых
пунктов, перегонов, поездо-участков, диспетчерских кругов, маршруты следования
между заданными станциями и со сменой номера поезда. Списки станций содержат
информацию о технических характеристиках, продолжительности технических стоянок
поездов в нормативном графике, признаки принадлежности к стыковым пунктам,
отделению, дороге, диспетчерскому кругу.
В списке перегонов предоставляется информация о
технических характеристиках: порядковый номер перегона; коды единой сетевой
разметки станций, ограничивающих перегон; время хода по каждому направлению с
учетом предупреждений, длина перегона; число главных путей; код диспетчерского
круга; число поездо-участков, которые входят в перегон.
Маршруты между заданными станциями определяются
по наименьшему времени хода грузового поезда.
Список станций маршрута содержит расстояния
между соседними раздельными пунктами маршрута, суммарное расстояние и время
хода с учетом установленных нормативов.
На ГИД в реальном времени показываются: занятие
блок-участков перегонов, главных и приемо-отправочных путей станций,
разрешающие показания входных и выходных светофоров.
Линией установленного (по усмотрению заказчика)
цвета система ГИД наносит на график предупреждения. Для этого система ГИД ведет
электронную книгу формы ДУ-60, в которую информацию о предупреждениях вносят с
АРМ ДСП или АРМ ДНЦ. На перегоне наклон засечек, ограничивающих линию
предупреждения, указывает направление движения, в котором оно действует. Линия
предупреждения с помощью «мыши» дает все необходимые сведения о нем. Направив
«мышь» на левую вертикальную линию сети графика и нажав курсор, можно получить
список всех действующих на перегоне предупреждений. Аналогичная манипуляция с
правой линией сетки графика предоставляет сведения об отмененных
предупреждениях.
Информацию о поезде можно получить, направив
«мышь» на «нитку» этого поезда на графике и нажав курсор один раз. Справка о
поезде содержит: его номер с дополнительными признаками; время, путь и парк
выполнения последней операции; время выполнения операции по нормативному
графику; источники сообщений об операции; раздельный пункт направления
следования; информация о вагонах состава; количество осей, нагрузку на ось;
назначения местного груза; сведения о локомотиве и локомотивной бригаде.
В системе ГИД реализована печать выставленного
на экран фрагмента графика на любые графические устройства, поддерживаемые операционной
системой MS
Windows.
Информацию об исполненном расписании движения
поезда и автоматизированном ведении графика система ГИД получает:
из АСОУП (сообщения 1042,333);
устройств СЦБ;
ручным вводом ДНЦ или ДСП.
ДНЦ или ДСП могут: ввести в ГИД новую «нитку»
поезда; откорректировав, существующую «нитку»; рассчитать плановую «нитку»;
сменить номер поезда; «склеить» (соединить) две «нитки»; разорвать «нитку» на
две (выделить часть «нитки» в отдельное расписание).
Нанесение новых пометок на график и редактирование
старых производится при переходе в режим «пометки». Для этого в меню выбирается
необходимый тип пометки.
Система ГИД обеспечивает автоматическую
прокладку плановой «нитки» по всему маршруту следования по нормативам времени
хода и технических стоянок. Поездной диспетчер может вручную откорректировать
весь план пропуска поезда или отдельные операции. Тогда программа пересчитает
план, начиная с этой операции.
Контроль за дислокацией локомотивов (КДЛ)
реализуется на основе сообщений АСОУП 4110 (об изменении состояния локомотивов)
и 1042 (сведения о локомотивах и бригадах). Выдается информация: о Дислокации и
состоянии локомотивов, наличии «чужих» локомотивов на дороге, наличии своих
локомотивов за пределами дороги. Меню настройки позволяет получать информацию о
локомотивах по различим признакам.
Поездное положение дороги представляет собой
поездную модель и предоставляет информацию о дислокации, составе поездов и
работе с ними.
Система анализа в ГИД предназначена для решения
двух основных задач:
· учета выполнения количественных и
качественных показателей эксплуатационной работы, составления отчетности;
· контроля текущего состояния
перевозочного процесса и принятия оперативных мер по его регулированию.
Анализ производится для диспетчерского участка,
отделения, дооги, региона, а также любой произвольной зоны, границы которой
определены пользователем. Анализируются вес и скорость поездов, выполнение
графика движения, развоз местных вагонов, простой поездов на станциях.
База предупреждений системы ГИД «Урал-ВНИИЖТ»
обеспечивает контроль за действующими предупреждениями, порядком их ввода,
изменения и отмены, а также выдачу формы ДУ-61 на поезда [16].
1. Технико-экономическая
эффективность внедрения АРМ ДНЦ
.1 Производственный эффект
Основными источниками получаемого эффекта от
внедрения АРМ ДНЦ являются: улучшение использования подвижного состава,
оборудования и постоянных устройств, сокращение трудовых ресурсов.
Для заданного района управления выполняем
расчет, используя следующие данные:
количество грузовых станций - 21;
количество внешних стыков - 3;
суточная погрузка (при этом 33 % сдвоенных
операций) - 2233 вагонов;
количество поездов, сдаваемых по внешним
стыковым пунктам -207;
участковая скорость - 58,6 км/ч;
статистическая нагрузка на вагон - 50 т;
время оборота вагона - 2,0 суток;
состав поезда, - 63 вагона;
количество десятичных знаков информации,
передаваемой из УВК абонентом в сутки - 3,8 × 10;
локомотивный парк района - 25 локомотивов;
количество локомотивов, пересылаемых в ремонты
на заводы и обратно - 4;
их среднесуточный пробег (Sпр) - 200
км/сут;
среднесуточный пробег эксплуатируемых
локомотивов (Sпэ), - 400 км/сут;
количество участков работы локомотивных бригад-
9;
средняя протяженность участка работы - 200 км;
количество внеплановых ремонтов за год - 30;
средние размеры движения поездов по участкам района
- 50 пар поездов в сутки.
Сокращение трудовых ресурсов достигается в
первую очередь за счет сокращения аппарата отдела движения отделений дороги в
связи с перераспределением функций управления между уровнями. Автоматизация
оперативного контроля за дислокацией и продвижением поездов по диспетчерским
участкам района управления, удлинение диспетчерских участков, автоматизация
сбора и обработки информации и анализа графика исполненного движения позволяют
при 4-сменной работе оперативного персонала сократить трудовые затраты за год:
тыс.чел.-часов,
где 3 - число сокращаемых
диспетчеров;
- число сокращаемых дежурных на
станции.
Автоматизация оперативного планирования
позволяет сократить одного Зам ДГ по оперативному планированию и на уровне
отделений 2х Зам НОДН и 2х старших поездных диспетчеров:
тыс.чел.-час.
Суммарное сокращение трудовых затрат
при внедрении АРМ ДНЦ по району yпрaвления:
тыс.чел.-час.
Сокращение численности контингента
на район управления определяем по формуле:
, человек.
человека.
Кроме этого имеем сокращение
трудовых затрат локомотивных бригад за счет совершенствования контроля и
организации их работы, но высвобождаемое время используется для более четкой
организации их работы и улучшений условий труда. Поэтому реальной экономии их
штата это не дает.
Внедрение автоматизированного
сменно-суточного планирования достигается сокращением простоя поездов по
неприему их внешними стыковыми пунктами и техническими, примерно 8 % от общего
числа задержек - 25 тыс.поездо-ч.
тыс.поездо-ч.
Своевременное и рациональное
применение диспетчерских регулировок обеспечивает повышение участковой скорости
на 0,4 км/ч, при достигнутой
км/ч. Экономия поездо-ч определяется
из условия:
; (6.1)
где
- общий объем поездной работы,
поездо-км,
тыс.поездо-часов.
Повышение качества регулирования
локомотивами и бригадами в условиях централизации управления позволяет
сократить время простоя на технических станциях готовых к отправлению поездов
на 10 %. При среднем
час и
размерах движения по району 207 поездов.
тыс.поездо-час.
Общая экономия поездо-часов
составит:
тыс.поездо-часов.
При среднем составе поезда
вагона
тыс. вагоно-ч.
В условиях автоматизированного
сменно-суточного планирования поездной работы достигается ускорение переработки
транзитного вагонопотока на сортировочных и участковых станциях в среднем на
0,17 часа:
тыс.вагоно-ч.
Внедрение централизованного
руководства местной работы обеспечивает сокращение простоя местных вагонов на
1,5 %. В районе 21 грузовая станция со средним объемом по 100 вагонов на каждой
(с учетом сдвоенных операций), время простоя
ч.
тыс.вагоно-часов.
Рациональная передача и развод
местного груза обеспечивает в среднем сокращение оборота местных вагонов qм на 0,5
часов.
тыс.вагоно-час.
Рациональное распределение порожних
вагонов при средней подаче 692 вагона в сутки сокращает оборот вагона на 1,5
часа.
тыс.вагоно-часов.
Оптимальное распределение, с учетом
рода вагона и характера груза, вагонов под погрузку обеспечивает повышение
статистической нагрузки в среднем на 1,2 %. При суточной погрузке 2233 вагона,
экономия определяется по формуле:
тыс.вагоно-час; (6.2)
тыс.вагоно-час.
Суммарная экономия вагоно-часов:
тыс.вагоно-часов.
При введении единого диспетчерского
руководства и закреплении за районом управления парка локомотивов уменьшается
время простоя локомотивов в депо. Это позволяет сократить потребный парк
локомотивов на 0,5 % от эксплуатируемого.
Общее сокращение локомотиво-часов:
, (6.3)
где g - коэффициент использования локомотивов, g = 0,8.
тыс.лок.-час
В результате непрерывного контроля
за дислокацией локомотивов, направляемых на заводы для ремонта и обратно,
достигается увеличением их среднесуточного пробега (Sпр).
Сокращение локомотиво-ч
рассматриваем по формуле:
; (6.4)
где Мп - число
локомотивов, находящихся в процессе перемещения, Мп = 4.
Т - годовой бюджет времени, ч.
тыс.лок.-час.
За счет контроля ДГТЦ за
прохождением локомотивами ТО-2 и ТО-3 сокращается число внеплановых ремонтов на
10 %. Средняя продолжительность ремонта
суток(72 часа).
Годовая
составит;
тыс.лок.-часа
Суммарное сокращение
локомотиво-часов составит:
тыс.локомотиво-часов
В результате непрерывного слежения
за дислокацией локомотивов их резервный пробег сокращается на 3 % от общего.
Общая экономия определяется по
формуле:
(6.5)
тыс.лок-км
Связанное с этим уменьшение
локомотиво-часов:
тыс.лок.-часов.
.2 Экономия эксплуатационных
расходов
Экономия фонда заработной платы с
учетом отчисления на социальное страхование составит:
тыс.тенге
где
-численность контингента,
подлежащего сокращению при внедрении АДЦУ: 1 зам.ДГ, 2 зам.НОДН, 2 старших
поездных диспетчера, ДНЦ, 54 ДС, 4×54 ДСП;
120000,100000,80000,70000,65000 - месячный фонд
заработной платы по категориям работников, тенге.
Экономия эксплуатационных расходов за счет
поездо-ч образуется из экономии вагоно-ч и локомотиво-ч и определяется по
формуле:
, (5.6)
где
- расходная ставка на 1 вагоно-ч в
средних условиях, 2,58 тенге;
- расходная ставка на 1 вагоно-ч
при сокращении на технических станциях, 4,44 тенге;
- расходная ставка на 1
локомотиво-ч грузового движения, 241,2 тенге
тыс.тенге.
Экономия эксплуатационных расходов в
результате оптимального распределения порожних вагонов под погрузку
определяется из расчета:
% экономии - движенческая
составляющая;
% - на станциях.
Распределение порожних вагонов:
% - движенческая;
% - на станциях:
тыс.тенге.
Экономия эксплуатационных расходов
от сокращения локомотиво-ч и локомотиво-км:
, (6.7)
где елк - расходная
ставка на 1 локомотиво-км в грузовом движении,
тенге.
тыс.тенге
Суммарная экономия годовых
эксплуатационных расходов:
тыс.тенге
.3 Экономия капитальных вложений
Сокращение капитальных вложений в
вагонный парк за счет сокращения вагоно-ч определяем раздельно для станционной
и движенческой операций.
По станционным операциям экономия
определяется по формуле:
, (6.8)
где
- удельные капитальные вложения на
1 вагоно-ч на технических станциях,
тенге;
По движенческой операции:
, (6.9)
где
- удельные капитальные вложения на
1 вагоно-ч в движении и на промежуточных станциях,
тенге;
тыс.тенге.
тыс.тенге.
Суммарная экономия:
тыс.тенге
Экономия капитальных вложений за
счет локомотиво-ч:
(6.10)
где
- удельные капитальные вложения на
1 локомотиво-ч грузового движения,
тенге;
тыс.тенге
Суммарная экономия капитальных
вложений:
тыс.тенге
6.4 Годовой прирост прибыли
Прибыль от дополнительных перевозок
определяем по формуле:
, (6.11)
где
- прирост прибыли на 1 вагоно-ч,
тенге;
тыс.тенге
.5 Внетранспортный эффект
Экономический эффект, связанный с
экономикой оборотных средств в результате ускорения продвижения грузов,
определяем по формуле:
, (6.12)
где
- средняя цена 1 т груза,
тенге;
6.6 Эксплуатационные расходы,
связанные с обработкой информации на ЭВМ
Эксплуатационные затраты
складываются из затрат на подготовку информации к передаче, передачу данных, обработку
информации на ЭВМ и на прием информации абонентами.
Годовой объем работы по операции
подготовки данных составляет 33 % от общего объема исходной информации. Норма
выработки оператора 3000 знаков в час.
тыс.чел.-часов.
Затраты труда по операциям приема и
передачи данных составляет:
тыс.чел.-часов.
Эксплуатационные расходы по операции
подготовки данных:
тыс.тенге
тыс.тенге
тыс.тенге
тыс.тенге
Общие эксплуатационные расходы
составят:
, (6.13)
где
- эксплуатационные расходы по
операциям ручной подготовки данных, тыс.тенге;
- эксплуатационные расходы на прием
информации, тыс.тенге;
-
эксплуатационные расходы по передаче информации, тыс.тенге.
- эксплуатационные расходы на
обработку информации на ЭВМ, тыс.тенге.
тыс.тенге.
.7 Капитальные вложения
Капитальные затраты складываются из
двух частей: затрат на разработку и внедрение (
) и капитальные вложения (
):
, (6.14)
Величина
складывается
из затрат на проектирование - 500 тыс. тенге, внедрение и отладку оборудования
- 1500 тыс.тенге
тыс.тенге.
Величина
складываются
из затрат на приобретение ЭВМ ЕС-1045 -
25000 тыс.тенге, приобретение комплексов КТС - 5000 тыс.тенге, переоборудование существующих
зданий - 1500 тыс.
тенге, монтаж оборудования - 1500 тыс.тенге, приобретение видеотерминалов - 4000 тыс.тенге.
тыс.тенге
тыс.тенге.
.8 Натуральные показатели
Высвобождение вагонного парка,
вагонов:
(6.15)
Дополнительные погрузочные ресурсы,
тыс.вагонов:
(6.16)
Увеличение суточных размеров
передачи вагонов по отправкам:
(6.17)
где
- коэффициент, устанавливающий
соотношение передачи вагонов по сети к суточной погрузке,
.
ваг.
тыс.ваг.
лок-вов.
вагонов.
информационный перевозка
автоматизация диспетчерский
7. Охрана труда
.1 Санитарно-гигиенические
требования к организации рабочего места ДНЦ
Охрана труда - система
законодательных актов, социально-экономических, организационных, технических,
гигиенических и лечебно-профилактических мероприятий и средств, обеспечивающих
безопасность, сохранение здоровья и работоспособности человека в процессе
труда. Научно-технический прогресс внес серьезные изменения в условия
производственной деятельности работников умственного труда. Их труд стал более
интенсивным, напряженным, требующим значительных затрат умственной,
эмоциональной и физической энергии. Это потребовало комплексного решения
проблем эргономики, гигиены и организации труда, регламентации режимов труда и
отдыха.
Задача улучшения условий труда
и обеспечения его безопасности вызывает необходимость использования достижений
многих, изучающих различные стороны трудовой деятельности человека, к которым
относятся:
· социально-правовые и
экономические науки - трудовое право, социология, научная организация труда,
экономика, организация и планирование производства и другие;
· медицинские науки -
гигиена труда, производственная санитария, промышленная токсикология,
физиология труда, психология труда и другие;
· технические науки -
общие инженерные и специальные профилирующие дисциплины, техника безопасности,
эргономика, техническая эстетика, противопожарная техника и другие.
Все они изучают какую-либо из
частей большой комплексной охраны труда, из их сведений путем логического
синтеза (а не механического соединения) можно подготовить инженерное решение
при разработке технологических процессов, конструировании оборудования,
проектирования предприятий.
В данном разделе дипломного
проекта будет спроектировано оптимальное рабочее место с точки зрения
эргономики и произведен расчет освещения рабочего места диспетчера [17].
освещение и местное освещение.
К освещению помещения, в
котором установлены видеотерминалы, предъявляются несколько иные требования,
чем к освещению обычного рабочего помещения. В таком помещении не следует
применять подвешенные к потолку светильники ненаправленного действия. При
работе со стандартной клавиатурой пользователю приходится во время набора
текста держать руки горизонтально ладонями вниз.
.2 Эргономические основы организации рабочих
мест, оснащенных персональными компьютерами
В настоящее время
компьютеризация широко распространяется в те подразделения железной дороги, где
ещё недавно машины не использовались. В результате возникла совершенно новая
ситуация в условиях работы.
За традиционным конторским
столом служащий занимается разнообразными делами и имеет достаточное
пространство для различных поз движений. Существенно иначе выглядит ситуация
для человека, работающего за компьютером длительное время. Движения его
ограничены, внимание постоянно сконцентрировано, взгляд направлен на экран,
руки фиксированы на клавиатуре. Люди, работающее за персональной ЭВМ,
подвергаются воздействию эргономических недостатков оборудования и плохих
условий освещения. Они более чувствительны к зрительному и физическому
напряжениям, причём, согласно последним исследованиям, особое значение имеет
неудачный выбор уровня стола, вызывающий скованность позы оператора.
Усилия, связанные с
поддержанием необходимой позы работником, эксплуатирующим ЭВМ не только снижают
качество и продуктивность деятельности, но и при большой длительности
существенно влияют на самочувствие и здоровье. Доказано, если такого рода
усилия подолгу повторяются ежедневно, то в соответствующих частях тела
возникают более или менее постоянные боли, которые могут затрагивать не только
мышцы, но и прочие ткани, а также могут возникать повреждения суставов, связок
и сухожилий.
Кроме того, работники
подвергаются воздействию следующих вредных и опасных факторов производственной
среды:
1)
электромагнитных
полей;
2)
излучению,
сопровождающему работу монитора;
3)
постоянного
шума принтера и вентилятора системы охлаждения компьютера;
4)
концентрации
пыли возле монитора;
5)
контраста
изображений объектов на экране монитора;
6)
психоэмоционального
напряжения.
Перечисленные выше факторы приводят
к негативному изменению функционального состояния центральной нервной системы,
нервно- мышечного аппарата рук, повреждению дисков позвоночника, болезненному
отвердению мышц, напряжению зрительного аппарата.
Эти обстоятельства взывают к
эргономике, которая призвана существенно уменьшить влияние отрицательных
факторов на человека, работающего за персональной ЭВМ [18].
При грамотной организации
рабочего места, адекватном освещении, правильной вентиляции и увлажнении
помещения, в котором расположены компьютеры, воздействие негативных процессов
значительно ослабевает, а влияния некоторых из них можно избежать вообще.
Чтобы уменьшить скованность
позы и физический дискомфорт, оборудование рабочего места должно быть по
возможности гибким. Соответствующие параметры рабочего места должны
регулироваться. Предпочтительные параметры рабочих мест сведены в таблицу 7.1.
Таблица 7.1 Предпочтительные
параметры регулируемых рабочих мест
|
Параметры
рабочего места
|
Оптимальные
значения
|
Диапазоны
разменов
|
|
Высота
сидения, см
|
50
|
48
|
|
Регулируемый
наклон спинки стула,
|
112
|
104-120
|
|
Высота
клавиатуры над полом, см
|
75
|
70-80
|
|
Центр
монитора над полом, см
|
102
|
90-150
|
|
Расстояние
от глаз до монитора, см
|
68
|
60-75
|
|
Наклон
экрана назад по отношению к горизонтальной плоскости, град
|
96
|
90-105
|
При выборе рабочей позы
рекомендуется придерживаться следующих правил:
1) спина в области нижних углов
лопаток должна иметь опору;
2) предплечья должны
опираться на поверхность стола;
) глубина пространства
для ног от края стола должна составлять не менее 60 см на уровне коленей и 80
см на уровне ступней;
) уровень глаз должен
приходиться на центр монитора или немного выше его.
Оптимальную рабочую позу должен
обеспечивать стул. Исследования выявили, что люди, работающие за персональными
ЭВМ сидят примерно также, как и водители, и устанавливают спинку под углом 90-
120 градусов. Из этих наблюдений можно сделать вывод, что стул для
автоматизированного рабочего места должен иметь спинку высотой примерно 50 см
над уровнем сиденья и с наклоном, регулируемым от 90 до 120'. Должна быть
возможность фиксации наклона в любом желаемом положении. Стул для рабочего
места должен удовлетворять следующим требованиям:
1) иметь регулируемую высоту;
2) у стула должен быть
закруглённый передний край поверхности сидения;
) должны быть колесики;
) у стула должно быть
пятилапчатое основание;
) стул должен вращаться;
6) должен быть регулируемый наклон с
фиксатором.
На рисунке 7.1 представлен
чертёж описанного стула.
Рисунок 7.1 Стул для автоматизированного
рабочего места с высокой спинкой и регулируемым наклоном
Серьезной проблемой при
организации рабочего места является свойство экрана монитора отражать
окружающий свет.
Существует два типа отражений
от экрана: зеркальное отражение, диффузное отражение. Вследствие зеркального
отражения на экране появляются изображения самого оператора, а также
светильников и других объектов в помещении. Диффузное отражение падающего на
экран света вызвано слоем люминофора, имеющего шероховатую поверхность, сходную
с поверхностью бумаги. Шероховатая поверхность отражает свет во всех
направлениях, помещений Диффузное отражение, увеличивая в равной степени
яркость знаков и фона, уменьшает тем самым контраст изображения. Отражения от
экрана уменьшают четкость знаков и часто вызывают дискомфорт у работающих.
Отражения могут быть уменьшены с помощью мер, применяемых как к внешним
источникам света, так и к расположению рабочего места и экрана дисплея, а также
к его отражающим свойствам. К таким мерам можно отнести:
1) Загораживание окон
Глухое закрытие окон приводит к
отрицательным эстетическим и психологическим воздействиям и последствиям,
поэтому должно применяться только как крайнее средство. Загораживать окна можно
темной пленкой, жалюзи или мини-шторами, а также занавесами.
Темная пленка на окнах
уменьшает общий уровень освещенности в помещении. Вертикальные жалюзи,
загораживающие прямой солнечный свет, позволяют, в отличие от горизонтальных
жалюзи, смотреть наружу. Кроме того, вечером, когда становится темно и на окнах
появляются блики от внутренних светильников, жалюзи блокируют отражение от
окон.
Белые занавеси обладают высокой
отражающей способностью и образуют в помещении яркую поверхность. Поэтому более
предпочтительны темные и цветные занавеси.
2) Организация искусственного
освещения помещений
Светильники следует размещать
так, чтобы уменьшить блики на экранах видеодисплеев. Существуют три способа
улучшения освещения: надлежащий выбор размещения светильников и направления
падающего светя, непрямое освещение и местное освещение.
К освещению помещения, в
котором установлены видеотерминалы, предъявляются несколько иные требования,
чем к освещению обычного рабочего помещения. В таком помещении не следует
применять подвешенные к потолку светильники ненаправленного действия. Лучше
брать светильники, которые дают направленный вниз свет, образующий ограниченную
освещенную зону.
В приложении изображено рабочее
место оператора, работающего за компьютером и расположение светильников.
Предпочтительно размещение светового источника параллельное оси оператор -
экран и по любую сторону от этой оси.
Некоторые специалисты по
светотехнике предлагают непрямое освещение помещений, оборудованных
компьютерами. Непрямое освещение создаётся относительно низко расположенными
светильниками, часть света которых направлена вверх. Такие системы проецируют
не менее 90% света на потолок и стены, которые в свою очередь, отражают его в
помещение. Однако непрямое освещение не желательно из-за ярких отражений
окружающих объектов на экране.
Местное освещение может
применяться для усиления освещенности рабочих документов до необходимого уровня
(около 500-600 лк) без нарушения нормальной освещенности экрана (около 200 лк).
Существует несколько вариантов организации местного освещения. Это может быть
установленный на потолке или стене узконаправленный светильник или настольная
лампа.
) Наклоняемый экран
Наклонение экрана позволяет
минимизировать отражение окружающего света. Основная часть корпуса видеодисплея
шарнирно соединяется с его основанием, позволяя установить удобный наклон
экрана.
) Светофильтры и покрытия
экрана
Основное назначение
светофильтров - увеличение контраста знаков по отношению к фону. Прежде чем
достичь поверхности экрана, свет от внешних источников проходит через
светофильтр. Отразившись от экрана, свет вторично проходит через светофильтр на
пути к оператору. Поскольку свет, излучаемый люминофором экрана, проходит через
светофильтр только один раз, яркость знаков уменьшается в меньшей мере, чем
яркость отраженного света, в результате чего контраст изображения возрастает. К
сожалению, в связи с уменьшением яркости знаков уменьшается и их видимость.
Поэтому светофильтры не следует применять на видеодисплеях с низкой яркостью
знаков.
Отражение света от передней
поверхности светофильтров устраняют с помощью специальной обработки. Эта
обработка может состоять в нанесении на поверхность особой пленки, уменьшающей
все типы отражений или в матировании поверхности, что частично устраняет
зеркальные блики.
В последнее время
распространение получили мониторы с антибликовым покрытием.
В помещениях, оснащенных
компьютерами, окна играют такую же роль, что и светильники или лампы: окно
перед оператором мешает ему из-за прямого блеска, окно позади - создаёт
отражённый блеск. Следовательно, чтобы, свести к минимуму блики от окон,
поверхности экранов располагают перпендикулярно окнам (т. е. окно должно
находиться сбоку от оператора). Если это невозможно, то применяют затемнение
окон.
Иногда бывает трудно разместить
источники света так, чтобы не было бликов на экране монитора. В этом случае
можно применить перегородки, которые создают среду помещения, похожую на среду
освещения небольшого помещения.
Кроме того, помещения,
оборудованные персональными ЭВМ должны удовлетворять следующим требованиям.
.3 Режим труда и отдыха
С целью снижения и устранения
нервно-психического зрительного и мышечного напряжения, предупреждения
переутомления, необходимо выполнять комплекс упражнений психофизиологической
разгрузки и снятия усталости во время регламентированных перерывов и после
окончания рабочей смены.
7.4 Профилактические мероприятия
Упражнения, направленные на
снижение зрительного напряжения и восстановления работоспособности. Упражнения
для глаз:
1) закрыть глаза на несколько
секунд, сильно напрягая глазные мышцы, затем раскрыть их, расслабив мышцы глаз.
Дыхание ритмичное. Повторить 4-5 раз.
2) посмотреть на
переносицу и задержать взор в течение 3-х полных ритмичных дыханий. До
усталости глаза доводить нельзя. Затем посмотреть вдаль. Повторить 4-5 раз.
) не поворачивая головы,
посмотреть направо и зафиксировать взгляд на несколько секунд, затем посмотреть
вдоль прямо. Аналогичным образом проводится упражнение с фиксацией взгляда
влево, вверх и вниз. Повторить 4-5 раз.
) часто закрывать и
открывать глаза (моргать), в течение 20-30 секунд.
Упражнения для глаз можно
осуществлять как в период выполнения отдельных упражнений физкультурных пауз,
так и находясь за рабочим столом.
Упражнения для профилактики
позотонического утомления: Цикл позотонических упражнений состоит в энергичном
сокращении и напряжении попеременно мышц - сгибателей с одновременным сильным
растяжением мышц - антагонизмов. Выполнение этого комплекса может
осуществляться на рабочем месте в течение короткого времени.
.5 Требования к оборудованию и периферийным
устройствам автоматизированного рабочего места
Компьютеры и периферийные
устройства располагаются в помещении таким образом, чтобы они не подвергались
воздействию вибрации, прямого солнечного света, пыли. При этом должны
обеспечиваться достаточная циркуляция воздуха для принудительного и
естественного охлаждения, а также свободный доступ к компьютеру для отключения
и подключения устройств. Пример организации автоматизированного рабочего места
с использованием корпусной мебели показан в приложении....
Новый эргономический подход
нигде не нашёл такого яркого применения, как в конструкциях устройств ввода
данных. Необходимость по-новому взглянуть на эти устройства, вызвана не только
стремлением повысить производительность труда. Широкое применение компьютеров
привело в США к резкому скачку заболеваемости кистей рук. Лёгкое неудобство
(скажем, приходиться изгибать кисти рук, чтобы поставить пальцы на клавиши)
кажется, нестрашны, однако при многократном повторении может вызвать
заболевания суставов, сухожилий и мышц.
Сегодня мы становимся
свидетелями рождения нового поколения устройств ввода данных. После многолетних
исследований на рынке начали появляться эргономичные приборы с регулируемым
расположением клавиш и специальной формой корпуса для разной постановки рук.
Особенно ярко эргономический
подход выражается в конструкциях клавиатур. В одних клавиатурах поле клавиш
разделено на две половины, в других используется многосекционная структура с
множеством регулировок. Так или иначе, привычный для нас облик клавиатуры,
который отвечает стандарту, установленному ещё корпорацией IВМ,
трансформируется. При всём своём разнообразии большинство конструктивных
инноваций преследуют две основные цели - уменьшить диапазон перемещения пальцев
и снять напряжение кистей рук.
При работе со стандартной
клавиатурой пользователю приходится во время набора текста держать руки
горизонтально ладонями вниз. Чтобы уменьшить возникающее при этом напряжение,
клавиатуру делят на две части и выворачивают их наружу; тогда руки принимают
более естественное положение, не вызывающее нагрузки на местные мышцы и
сухожилия.
Конструкция мыши, как и
клавиатуры, за последние годы претерпела существенные изменения. Её корпус
приобрёл округлые очертания, а сравнительно недавно появились устройства
специальной формы. Многие из этих устройств имеют модификации разных размеров,
и даже отдельные версии для правой и левой рук. Цель же всех усовершенствований
одна - обеспечить удобства в работе.
Фирмы Microsoft
и Logitech - ведущие
производители манипуляторов типа "мышь" - используют разные подходы
для достижения этой цели. Мышь Microsoft
Mouse 2.0 отличается
удлинённой суживающееся формой с фигурным бортиком для опоры кисти и запястья,
а устройство Mouse
Man фирмы Logitech
предлагается в вариантах для правой и левой рук.
Исходя из выше изложенного и
основываясь на медицинских исследованиях, социологических опросах и современных
эргономических разработках можно утверждать, что возможна такая организация
автоматизированного рабочего места, при которой минимизируются негативные,
вредные и опасные факторы производственной среды, понизится утомляемость и
заболеваемость работников, повысится уровень производительности труда и общая
культура производства.
Эргономика объективно
анализирует сложившуюся ситуацию и предлагает рекомендации для правильной
разработки как индивидуальных рабочих мест, так и для больших помещений,
оснащенных персональными компьютерами [19].
.6 Требования к освещению рабочего места
грузового диспетчера
Освещение должно быть
смешанным. Система общего освещения должна выполняться в соответствии с
требованиями СниП-479 "Естественное и искусственное освещение. Нормы
проектирования с изменениями с СниП П-4-79 от 04.12.85г. №205".
При выполнении работы категории
высокой зрительной точности коэффициент естественного освещения должен быть не
ниже 1,5%, при зрительной работе средней точности - не ниже 1,0 %. Установка
настольных светильников не допускается.
Величина горизонтальной
освещенности на рабочем месте оператора должна составлять не менее 300 Лк,
вертикальная освещенность на экранах дисплеев - не менее 200 Лк. Коэффициент
пульсации освещенности должен быть не более 10%.
Правильная планировка,
размещение и освещение рабочих мест диспетчеров должны обеспечить повышение
эффективности труда, снижение напряжения и утомляемости работников [20].
Заключение
Задачей дипломной работы являлось поиск наиболее
современного способа улучшения связи на железнодорожном транспорте. Одним из
лучших способов на сегодняшний день является внедрение систем АСУ, позволяющих
улучшить связь между станциями и совершенствовать работу отделений железной
дороги. В данной работе рассмотрено внедрения АРМ ДНЦ. В работе следовало
определить эффект от внедрения АРМ ДНЦ, определить производственный эффект,
рассчитать капитальные вложения. Все эти вопросы в работе рассмотрены.
В первом разделе рассматривается отделение и его
характеристика, а так же история развития систем диспетчерской централизации.
Во втором разделе представлена
технико-эксплуатационная характеристика центра управления перевозками.
Рассмотрена программа реформирования железнодорожного транспорта и её цель.
В третьем разделе рассчитываются массы и длины
состава грузового поезда для определения полезной длинны приёмоотправочных
путей станций.
В четвёртом разделе были рассчитаны
станционные интервалы при заданных условиях, определена наличная и потребная
пропускная способность участков и разработан график движения поездов с
предоставлением технологического окна, продолжительностью 60 мин, в светлое
время суток. Показатели разработанного графика движения поездов следующие:
техническая скорость
= 60 км/ч;
участковая скорость
= 58,6
км/ч; эксплуатируемый парк локомотивов составил 12 локомотивов; средний простой
локомотивов в пунктах оборота
=2,5 часа; производительность
локомотива 3125250 ткм бр/ лок-сут.
В пятом разделе представлена автоматизация
функций диспетчерского персонала при организации автоматизированных рабочих
мест, а так же рассмотрена автоматизированная система ведения и анализа графика
исполненного движения, её основные функции, задачи, возможности и подсистемы.
В шестом разделе предоставлена
технико-экономическая эффективность внедрения АРМ ДНЦ. Рассчитаны:
производственный эффект, экономия эксплуатационных расходов, экономия
капитальных вложений, годовой прирост прибыли, внетранспортный эффект, расходы
связанные с обработкой информации на ЭВМ, капитальные вложения и натуральные
показатели.
В разделе охрана труда рассмотрены условия труда
с учетом компьютеризации и организации рабочего места, воздействия вредных и
опасных факторов производственной среды, режимы труда и отдыха,
профилактические мероприятия. Изложены требования к оборудованию и периферийным
устройствам автоматизированного рабочего места.
Список литературы
1. Биленко Г.М.,
Бородин А.Ф., Епрынцева Н.А., Хомов А.В. Информационные технологии на
транспорте. Учебное пособие, 2006.
2. В.И.
Ковалева, А.Т. Осьминина, Г.М. Грошева. Системы автоматизации и информационные
технологии управления перевозками на железных дорогах. Учебник для вузов.
Москва, 2006.
3. Железнодорожный транспорт. Д.В.
Шалягин. 8'06
4. Железнодорожный транспорт.
Д.В. Шалягин. 9'06
. В.И. Ковалева, А.Т.
Осьминина, Г.М. Грошева. Системы автоматизации и информационные технологии
управления перевозками на железных дорогах. Учебник для вузов. Москва, 2006.
. Биленко Г.М., Бородин А.Ф.,
Епрынцева Н.А., Хомов А.В. Информационные технологии на транспорте, 2006.
7. Бекжанов З.С.
Разработка плана формирования поездов. Методические указания. Алматы, 1999.
. Каретников
А.Д., Воробьёв Н.А. График движения поездов. М.: Транспорт, 1979.
9. Инструкция
по определению станционных и межпоездных интервалов. М.: Транспорт, 1994.
10. Инструкция
по расчету наличной пропускной способности железных дорог. М.: Транспорт, 1991.
11. Каретников
А.Д., Воробьёв Н.А. График движения поездов. М.: Транспорт, 1979.
12. Баранов
А.М., Козлов В.Е., Фельдан Э.Ю. Развитие пропускной и провозной способности
однопутных линий. Труды ВНИИЖТа, вып. 280. М.: Транспорт, 1964.
13. Кулманов
К.А. Определение скоростных показателей графика движения поездов. Методическое
пособие. Т., 1962.
14. Кирилов А.
Г. Диспетчерское руководство на ж/д транспорте. Справочник. Москва, 2005.
. Железнодорожное
дело. Н. И. Ивашевич. 7'05
. В.И.
Ковалева, А.Т. Осьминина, Г.М. Грошева. Системы автоматизации и информационные
технологии управления перевозками на железных дорогах. Учебник для вузов.
Москва, 2006.
. Черникова
Л.П. Охрана труда и здоровья с основами санитарии и гигиены. Омега-Л, 2005.
. Раздорожный
А. Охрана труда и производственная безопасность:
Учебное пособие. Экзамен, 2007.
. Межотраслевые
правила по охране труда при эксплуатации электроустановок. Сибирское
университетское издательство. 2009.