Радиотехнические цепи и сигналы
Федеральное
агентство по образованию Российской Федерации
Рязанский
государственный радиотехнический университет
Кафедра
ТОР
Курсовая
работа
Радиотехнические
цепи и сигналы
Выполнил:
ст. группы Чаплыгин А.О.
Вариант №14
Проверил: Доцент кафедры ТОР
Соколов С.Л.
Город
Рязань 2014 г.
Содержание
1.
Аппроксимация ВАХ нелинейного элемента полиномом второй степени
.
Анализ резонансного усилителя мощности (РУМ)
.
Анализ прохождения смеси сигнал + шум через активную линейную цепь
Список
литературы
1. Аппроксимация ВАХ нелинейного элемента
полиномом второй степени
.
Задание:
Номер варианта - 14
В таблице 1 задана ВАХ
.
- нарисовать в удобном для построения
масштабе форму ВАХ;
- определить коэффициенты её
аппроксимирующей функции
,
,
потребовав совпадение в точках U1 , U2 , U3
(см. таблицу 2);
- сравнить аппроксимированную ВАХ с
заданной в таблице 1, построив их на одном графике во всем диапазоне
напряжений, взятых из таблице 1;
- методом проекций построить в
масштабе временную диаграмму тока i(t) нелинейного элемента. Используя заданную
в таблице 1 ВАХ при гармоническом воздействии
, где
и
;
- сравнить форму колебаний u(t) и
i(t);
- вычислить амплитуды спектральных
составляющих тока I0, I1, I2 и построить
спектральные диаграммы напряжения и тока в масштабе;
- оценить коэффициент нелинейных
искажений тока.
Таблица 1
|
Номер
варианта
|
Вольт-амперные
характеристики
|
|
14
|
U,В
|
0
|
0,1
|
0,2
|
0,3
|
0,4
|
0,5
|
0,6
|
0,7
|
0,8
|
0,9
|
1,0
|
|
I,mA
|
0
|
0,6
|
1,4
|
2,0
|
4,0
|
9,0
|
20
|
34
|
50
|
73
|
100
|
Таблица 2
|
Напряж.
№вар.
|
U1
,В
|
U2
,В
|
U3,В
|
|
14
|
0,4
|
0,6
|
0,8
|
Выполнение задания.
Нарисовать в удобном для построения масштабе
форму ВАХ.
Используя данные
таблицы 1 нарисуем ВАХ нелинейного элемента. График ВАХ изображен на рисунке
1.1.

Определить коэффициенты аппроксимирующей функции
ВАХ
,
,
потребовав совпадение в точках U1, U2, U3
(см. таблицу 2);
В качестве узлов аппроксимации заданы точки
U1=0.4 В; U2=0.6 В; U3=0,8 В; аппроксимация задана уравнением
(1.1),
используя график ВАХ изображенный на рисунке 1
найдем значения тока I в точках U1,U2,U3.
При U1=0.4В I1=4мА; при U2=0.6В I2=20 мА; при
U3=0,8 В I3=50 мА. Для нахождения неизвестных коэффициентов
уравнения
(1.1) необходимо решить систему уравнений:
Расчет произведём методом Гаусса.
Откуда находим:
,
аппроксимирующая функция будет иметь следующий
вид:
Сравнить аппроксимированную ВАХ с заданной в
таблице 1, построив их на одном графике во всем диапазоне напряжений, взятых из
таблице 1.
График заданной и аппроксимированной ВАХ
изображен на рисунке 2.1.
Рисунок 2.1- График ВАХ
Из графика видно,
что аппроксимированная ВАХ практически полностью совпадает с заданной в
окрестности рабочей точки U2=0.6 на интервале аппроксимации при U=0.3-1В.
- Методом проекций построить в
масштабе временную диаграмму тока i(t) нелинейного элемента. Используя заданную
в таблице 1 ВАХ при гармоническом воздействии:
, где
и
;
сравнить форму колебаний u(t) и i(t).
0=U2=0.6
B Um=0.2 B
u(t)=U0+Umcos2πf0t=0.6+0.2*cos2πf0t
Временная диаграмма тока изображена на рисунке
3.1;
Сравнивая формы колебаний u(t) и i(t) видно, что
формы тока и напряжения различны, это является следствием того, что одинаковым
приращениям напряжения отвечают неодинаковые приращения тока, поскольку
дифференциальная крутизна вольт-амперной характеристики на различных участках
также различна.
Вычислить амплитуды спектральных составляющих
тока I0, I1, I2 и построить спектральные
диаграммы напряжения и тока в масштабе. Оценить коэффициент нелинейных
искажений тока.
В окрестности рабочей точки
В,
вольт-амперная характеристика нелинейного элемента представлена в виде:
(1.2);
Приложенное к нелинейному элементу напряжение:
(1.3).
Подставим выражение (1.3) в (1.2) и получим:
;
отсюда вытекают следующие соотношения для
расчета постоянной составляющей и амплитуд гармоник тока:
0=23.5
мА;1=23 мА;2=3.5 мА;
Возьмем сопротивление нагрузки равное 1 Ом,
тогда амплитуды гармоник напряжения равны:
0=23.5
мВ;1=23 мВ;2=3.5 мВ;
Коэффициент нелинейных искажений вычисляется по
формуле
в нашем случае
Построим спектральную диаграмму тока и напряжения
в масштабе.
Составим таблицу значений:
Таблица 3
|
k
|
f,Гц
|
I,мА
|
Uk,мВ
|
|
0
|
0
|
23.5
|
23.5
|
|
1
|
f0
|
23
|
23
|
|
2
|
2∙f0
|
3.5
|
3.5
|
Спектральная диаграмма тока изображена на
рисунке 4.1;
Рисунок 4.1 - Спектральная диаграмма тока
Рисунок 5.1 - Спектральная диаграмма напряжения
. Анализ резонансного усилителя мощности (РУМ)
Исходные данные:
Электрическая схема РУМ (рисунок 2.1) собрана на
биполярном транзисторе с нагрузкой в виде параллельного колебательного контура
с добротностью Q и коэффициентом включения в коллекторную цепь транзистора-p.
На вход усилителя подается напряжение
бэ(t)=Uб0+Uбmcos2πf0t;
колебательный контур настроен на частоту сигнала
f0.
Рисунок 2.1- Электрическая схема РУМ
Рисунок 2.2- ВАХ транзистора.
где:- крутизна ВАХ транзистора,бн -
напряжение отсечки (начальное),бн - напряжение смещения на базе.
Необходимые численные значения параметров
сигнала и схемы заданы в таблице 4.
Таблица 4
|
S,A/B
|
Uбн,
В
|
f0,
МГц
|
L,
мкГн
|
Q
|
p
|
Ек,
В
|
|
0,1
|
0,6
|
1
|
250
|
40
|
0,1
|
15
|
|
Uбm=0.52
В
|
|
Угол
отсечки =90 град.
|
Задание:
- Определить напряжение смещения Uб0
для заданных Uбm и
;
- Рассчитать амплитуду импульса
коллекторного тока Iкm, постоянную составляющую коллекторного тока Iк0
и амплитуды гармоник Iк1, Iк2, Iк3, построить
в масштабе спектральную диаграмму тока;
- Вычислить значение емкости С и
полосу пропускания колебательного контура;
- Вычислить амплитуду напряжения
первой гармоники на коллекторе Uкm, на конденсаторе Ucm;
- Определить среднюю
мощность колебания, выделяемую в контуре Рк, мощность Р0 потребляемую от источника питания Ек и коэффициент
полезного действия (КПД) h=Рк/Р0;
- Изобразить в
масштабе временные диаграммы входного напряжения Uбэ(t),
коллекторного тока iк(t), тока первой гармоники iк(t),
напряжения на выходе Uкэ(t).
Выполнение задания.
Определить напряжение смещения Uб0 для
заданных Uбm и
.
Напряжение смещения Uб0 определяется
из равенства
;
Откуда
В.
Рассчитать амплитуду импульса коллекторного тока
Iкm, постоянную составляющую коллекторного тока Iк0 и
амплитуды гармоник Iк1, Iк2, Iк3, построить в
масштабе спектральную диаграмму тока.
Рассчитаем амплитуду импульса коллекторного тока
:
Амплитуду коллекторного тока вычисляют по формуле
:
Постоянную составляющую и амплитуды гармоник
тока вычисляют по формулам
:
(2.1)
Используя формулы (2.1) находим:
А;
А;
А;
А;
Построим в масштабе спектральную диаграмму тока:
Составим таблицу значений:
Таблица 5:
|
k
|
f,MГц
|
Ik,мА
|
|
0
|
0
|
16
|
|
1
|
1
|
26
|
|
2
|
2
|
11
|
|
3
|
3
|
0
|
Спектральная диаграмма тока изображена на
рисунке 2.3.
Рисунок 2.3- Спектральная диаграмма тока
Вычислить значение емкости С и полосу
пропускания колебательного контура.
Резонансная частота колебательного контура
определяется по формуле:

,
Отсюда следует:
пФ.
Полоса пропускания контура определяется по
формуле:
Гц=25 кГц.
Вычислить амплитуду напряжения первой гармоники
на коллекторе Uкm, на конденсаторе Ucm;
Вычислим характеристическое сопротивление
контура:
.
Вычислим резонансное сопротивление контура:
Амплитуда напряжения первой гармоники на
коллекторе определяется по формуле:
В.
Вычислим сопротивление участка контура с
конденсатором и частью индуктивности L:
Вычислим ток протекающий через емкость:
;
Напряжение на емкости равно:
В
Определить среднюю мощность
колебания, выделяемую в контуре Рк, мощность Р0 потребляемую от источника
питания Ек и коэффициент полезного действия (КПД) h=Рк/Р0;
Средняя мощность колебания
выделяемая в контуре равна:
Вт;
Средняя мощность потребляемая от
источника питания равна:
Вт;
Коэффициент полезного действия
равен:
%;
Изобразить в масштабе временные
диаграммы входного напряжения Uбэ(t), коллекторного тока iк(t),
тока первой гармоники iк(t), напряжения на выходе Uкэ(t).
Рисунок 2.4 - временная диаграмма напряжения
Uбэ(t).
Рисунок 2.5 - временная диаграмма iк(t).
Рисунок 2.6 - временная диаграмма тока первой
гармоники iк1(t).
Рисунок 2.7- временная диаграмма напряжения
Uкэ(t).
. Анализ прохождения смеси сигнал + шум через
активную линейную цепь
Исходные данные:
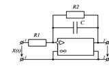
Рисунок 3.1 - Активный ФНЧ
На вход операционного усилителя - активного
фильтра низких частот (рис.9)-действует смесь известного гармонического сигнала
(t)=Um1×cos2πf0t
и шума в виде стационарного случайного процесса
X(t) с равномерной односторонней спектральной плотностью мощности
где fВ - верхняя граничная частота в
спектре шума.
Данные для расчетов заданы в таблице 5, №=16.
Таблица 5
|
Um1,
В
|
f0,
кГц
|
W0,В2/МГц
|
fВ,
кГц
|
R1=R2,кОм
|
С,
нФ
|
|
10-2
|
10(1+0,1×№)=26
|
0,2×10-3
|
250(1+0,1×№)=650
|
10
|
1
|
Задание:
- определить АКФ Кх(t)
и дисперсию шума sх2
на входе цепи;
- построить в масштабе графики Кх(t),
[B2], t [мкс] и Nx(f),[В2/кГц],
f[кГц];
- вычислить отношение сигнал /шум на
входе цепи
1=Um1/sx;
- определить комплексный коэффициент
передачи цепи
H(ω)=Um2/Um1,
коэффициент передачи цепи по мощности |H(ω)|2
и шумовую полосу цепи Dfш;
- определить одностороннюю
спектральную плотность мощности NY(f) и АКФ KY(t)
на выходе цепи, вычислить sY2;
- построить в масштабе графики Кy(t),
[B2], t [мкс] и Ny(f),[В2/кГц],
f[кГц];
- вычислить интервал корреляции tY
и эффективную ширину спектра Dfэф случайного
процесса Y(t) на выходе цепи;
- вычислить амплитуду сигнала Um2
на выходе цепи и отношение сигнал/шум
2=Um2/sY;
- сравнив значения fВ и Dfш
(fВ ><
Dfш)
или интервала корреляции шума на входе и постоянной времени цепи (tк
><
tц),
сделать вывод о возможности считать шум на выходе цепи нормальным стационарным
случайным процессом Y(t);
Выполнение задания:
Определить АКФ Кх(t)
и дисперсию шума sх2
на входе цепи.
Функция корреляции определяется по формуле
:
Для нашего случая данная формула будет иметь
вид:
Дисперсия этого случайного процесса равна:

;
Построить в масштабе графики Кх(t),
[B2], t [мкс] и Nx(f),[В2/кГц],
f[кГц];
График АКФ сигнала изображен на рисунке 3.2.
График спектральной плотности шума на входе
фильтра изображен на рисунке 3.3.
Рисунок 3.2 - АКФ сигнала на входе
фильтра
Рисунок 3.3 - Спектральная плотность
шума на входе фильтра
Вычислить отношение сигнал /шум на входе цепи
1=Um1/sx;
Определить комплексный коэффициент передачи цепи
H(ω)=Um2/Um1,
коэффициент передачи цепи по мощности |H(ω)|2
и шумовую полосу цепи Dfш;
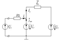
Схема активного фильтра. (рисунок 3.1)
Схема замещения активного фильтра по переменным
составляющим токов и напряжений (рисунок 3.4).
Заменим параллельное соединение конденсатора C и
резистора R2 эквивалентным сопротивлением
Рис. 3.4. Схема замещения активного фильтра
резонансный ток сигнал шум
Комплексный коэффициент передачи фильтра:
Так как коэффициент усиления ОУ равен
бесконечности, то напряжение в точке соединения сопротивлений R1 и Z равно
нулю, отсюда следует:
Так как входное сопротивление идеального ОУ
бесконечно большое
;
- Комплексный коэффициент передачи фильтра.
Согласно задания сопротивления резисторов R1 и
R2 равны, тогда комплексный коэффициент передачи фильтра можно записать в
следующем виде:
- модуль комплексного коэффициента передачи
фильтра.
-АЧХ фильтра
- коэффициент
передачи фильтра по мощности.
Шумовая полоса цепи:
Шумовая полоса цепи определяется по формуле
:
Где
- максимум модуля коэффициента
передачи фильтра.
-коэффициент
передачи фильтра по мощности.
В нашем случае
;
.
Гц=0.25 кГц.
Определить одностороннюю спектральную плотность
мощности NY(f) и АКФ KY(t) на выходе
цепи, вычислить sY2;
Односторонняя спектральная плотность шума на
выходе цепи определяется по формуле
:
,
где
-спектральная
плотность шума на входе цепи;
- коэффициент
передачи фильтра по мощности.
Функция корреляции шума на выходе фильтра
определяется по формуле
:
Функция корреляции шума на выходе фильтра равна:
- АКФ шума на
выходе фильтра.
Дисперсия шума на выходе фильтра равна:
;
Построить в масштабе графики Кy(t),
[B2], t [мкс] и Ny(f),[В2/кГц],
f[кГц];
График АКФ шума на выходе фильтра изображен на
рисунке 3.5
График спектральной плотности мощности шума на
выходе фильтра изображен на рисунке 3.6.
Рис. 3.5. АКФ шума на выходе фильтра

Вычислить интервал корреляции tY
и эффективную ширину спектра Dfэф случайного процесса
Y(t) на выходе цепи;
Интервал корреляции определяется выражением
:
=10 мкс.
Эффективная ширина спектра
определяется
выражением:
Гц=25 кГц.
Вычислить амплитуду сигнала Um2 на
выходе цепи;
-выражение для
определения амплитуды сигнала на выходе цепи.
-выражение для АЧХ
фильтра.
В.
В=5 мВ.
Вычислить отношение сигнал /шум на выходе цепи
2=Um2/sy;
-отношение сигнал
шум на выходе фильтра.
Сравнив значения fВ и Dfш
(fВ ><
Dfш)
или интервала корреляции шума на входе и постоянной времени цепи (tк
><
tц),
сделать вывод о возможности считать шум на выходе цепи нормальным стационарным
случайным процессом Y(t);
Шумовая полоса цепи
Гц=0.25
кГц намного меньше верхней частоты спектра шума
,
отсюда можно сделать вывод, что распределение случайного сигнала на выходе
приближается к нормальному
.
Считая шум на выходе цепи нормальным
(гауссовым), вычислить Р{Y>0,5Um2} - вероятность того, что
значение выходного шума превысит пороговый уровень 0,5Um2;
Вероятность того, что значение Y(t) превысит
пороговый уровень определяется выражением:
,
функция
-интеграл
вероятности.
В нашем случае порог
;
.
;
-вероятность того,
что значение выходного шума превысит пороговый уровень
.
Список литературы
1.
Баскаков С.И. Радиотехнические цепи и сигналы: Учебник - 3-е изд.-М.: Высшая
школа, 2000. - 448 с.
.
Гоноровский И.С Радиотехнические цепи и сигналы: Учебник - 4-е изд.-М.: Радио и
связь, 1986. - 512 с.