|
№ п/п
|
Вид нагрузки
|
Нормативная кН/м2
|
Коэф. надёжности γf
|
Расчётная кН/м2
|
|
1
|
Постоянная (g)
|
|
|
|
|
1.1
|
Конструкция пола: -
линолиум δ
= 0,005 м; ρ = 1,5 кН/м3; - настил δ = 0,01 м; ρ = 12 кН/м3.
- стяжка С3 δ
= 0,02 м; ρ = 16 кН/м3.
|
0,075 0,12 0,36
|
1,2 1,3 1,1
|
0,09 0,156 0,396
|
|
1.2
|
Ж/Б плита* δ = 0,079
м; ρ = 25 кН/м3
|
1,97
|
1,1
|
2,15
|
|
Итого:
|
2,525
|
|
2,792
|
|
2
|
Временная полезная (u),
в том числе: - кратковременная (ush); - длительно-действующая
(ul).
|
7,5 2,25
5,25
|
1,2 1,2 1,2
|
9 2,7 6,3
|
|
3
|
Полная (q),
в том числе: - длительная (ql)
- кратковременная (qch)
|
10,025 7,775 2,25
|
|
11,792 9,092 2,7
|
Погонная нагрузка на 1 п. м. плиты:
полная расчётная qtot = qγnbsup = 11,792∙0,95∙1,8 = 20,16
кH/м;
полная нормативная qn,tot = qnγnbsup = 10,025∙0,95∙1,8 = 17,14
кН/м.
1.2.2 Исходные данные для проектирования
Арматура (табл. 19-23; 29 [1]):
) рабочая предварительно напряжённая класса А-V с характеристиками:
Rs = 680 МПа; Rs,ser = 785 МПа; Rsw = 545 МПа; Es = 19∙104 МПа;
) конструктивная класса Вр-I с
характеристиками:
Rs = 365 МПа; Rs,ser = 405 МПа; Rsс = 365 МПа; Es = 17∙104 МПа;
) монтажная класса А-III с
характеристиками:
Rs = 365 МПа; Rs,ser = 390 МПа; Rsс = 365 МПа; Es = 20∙104 МПа;
) монтажная класса А-I с
характеристиками:
Rs = 225 МПа; Rs,ser = 235 МПа; Rsс = 225 МПа; Es = 21∙104 МПа;
Способ натяжения преднапряжённой арматуры - электротермический, на упоры.
Бетон класса В25 (принимаем по табл. 8 [1]) с характеристиками (табл.
12-18 [1]):
Rb = 14,5 МПа; Rbt =
1,05 МПа; Rb,ser = 18,5 МПа; Rbt,ser = 1,8 МПа; Eb = 30∙103 МПа; Rbp = 12,5 МПа;
1.2.3 Расчёт прочности продольных рёбер по нормальным
сечениям
.2.3.1 Определение усилий
Расчетная схема плиты представляет собой свободноопёртую однопролетную
балку таврового сечения с полкой в сжатой зоне, загруженную равномерно
распределенной нагрузкой (см. рис. 2).
Расчётные изгибающие моменты:
от полной расчётной нагрузки:
кН∙м;
-
от полной нормативной нагрузки:
кН∙м;
Рис. 2 - Расчётная схема плиты
от нормативной длительной нагрузки:
кН∙м;
от
нормативной кратковременной нагрузки:
кН∙м.
Максимальная
расчётная поперечная сила:
кН.
1.2.3.2 Определение параметров расчётного сечения
Расчётное сечение - тавр с полкой в сжатой зоне (рис. 3).
Рис. 3 - Расчётное сечение плиты
h = 350 мм; as = 30 мм; h0 = h - as = 320 мм;
мм;
мм;
мм.
Характеристика
сжатой зоны
ω = 0,85 - 0,008∙Rb = 0,85 - 0,008∙14,5∙0,9 = 0,734.
Граничная
высота сжатой зоны:
;
σsR = Rs + 400 - σsp;
σsc,u = 500 МПа (при γb2 < 1).
Предварительно
принимается:
σsp ≤ Rs,ser - р;
σsp ≥
0,3∙Rs,ser + р;
при
электротермическом способе натяжения арматуры:
МПа;
σsp = 785 -
90 = 695 МПа; σsp = 0,3∙785
+ 90 = 325,5 МПа.
МПа.
1.2.3.3 Определение площади сечения рабочей арматуры
Определяем
рабочий изгибающий момент, воспринимаемый полностью сжатой полкой таврового
сечения при
:
132 кН∙м.
>76.78 кН∙м
Mper,f ≥
М => (1 случай)
;
;
;
см2.
Определяем
число стержней и их диаметр по сортаменту: 2Ø16 А-V; Аsp = 4,02 см2.
1.2.4 Определение геометрических характеристик приведённого
сечения
Определяем отношение модулей упругости:
.
Вычисляем
площадь приведённого сечения (см. рис. 4):
Рис.
4 - Расчётное сечение плиты
Статический
момент приведённого сечения относительно нижней растянутой:
Расстояние
от центра тяжести приведённого сечения до нижней грани:
Расстояние
от центра тяжести приведённого сечения до центра тяжести преднапряжённой
арматуры:
Определяем
момент инерции приведённого сечения относительно оси, проходящей через центр
тяжести приведённого сечения:
Момент
сопротивления приведённого сечения по нижней грани:
Упруго-пластические
моменты сопротивления:
;; здесь γ = 1,75 - для таврового сечения с полкой в сжатой зоне;
1.2.5 Определение потерь предварительного напряжения
Первые потери (σlos1):
от релаксации напряжений стержневой арматуры при электротермическом
способе натяжения σ1 = 0,03σsp = 0,03∙510 = 15.3 МПа;
от температурного перепада σ2 = 0;
от деформации анкеров σ3 = 0;
от деформации стальной формы σ5 = 0.
Определяем
сумму первых потерь без учета
:
;
Величина предварительного напряжения за вычетом первых потерь:
;
Усилие
предварительного обжатия
;
Определяем
напряжение в бетоне на уровне центра тяжести арматуры:
;
Определение
потерь от быстронатекающей ползучести:
при
;
,
,
;
.
Вторые
потери
;
(Потери
от релаксации напряжения);
(От
усадки бетона) для бетона класса В 35 и ниже, табл. 5 [1];
(От
ползучести) при
,
;
(От
смятия бетона под витками спиральной или кольцевой арматуры);
(От
деформации обжатия стыков между блоками);
;
Подсчитываем
величину полных потерь:
.
Величина
предварительного напряжения с учетом полных потерь:
;
Определяем
усилие обжатия с учетом полных потерь:
;
1.2.6 Расчёт прочности наклонного сечения
В соответствии с п. 5.26 - 5.28 [1] и из условия сварки принимаем:
диаметр поперечной арматуры dsw = 5 мм; по сортаменту её площадь asw = 0,196 см2; Вр-I.
Количество поперечных стержней в сечении элемента n = 2; шаг поперечных стержней в
приопорной части элемента предварительно принимаем Sw = 150 мм.
Вычисляем коэффициенты φω1 и φb1 по формулам: φω1 = 1
где
β
= 0,01;
.
Проверяем
работу бетона на действие поперечной силы по наклонной полосе между наклонными
трещинами:
;
;
-
сечение достаточное
Вычисляем
коэффициент φf
учитывающий влияние сжатых полок, и φn
учитывающий влияние продольных сил от предварительного обжатия:
при
этом
;
Проверяем
работу бетона на действие поперечной силы по наклонной трещине:
;
;
поперечная арматура принимается конструктивно.
1.2.7 Расчёт прочности полки плиты
Полка вдоль плиты армируется непрерывно сеткой С-1 с рабочей арматурой в
одном направлениях и конструктивной в другом: продольная - в направлении длины
плиты принимается конструктивно; поперечная - в направлении ширины плиты
(определяется по пролетному моменту).
Рис. 5 - Схема плиты для определения пролётов в свету
Полка рассчитывается как однопролётная балка, жёстко защемлённая в
продольных рёбрах.
Определяем
площадь арматуры:
;
;
;
см2.
Определяем
число стержней и их диаметр по сортаменту: 10Ø5 Вр-I; Аsp = 1,96 см2. Шаг арматуры - 100 мм.
1.2.8 Расчёт поперечного ребра
Армирование поперечного ребра принимается конструктивно.
Поперечное ребро армируется каркасом КР-2
Продольная арматура - 10 А - II
Поперечная арматура - 5 Вр- I с шагом в приопорной зоне - 150 мм. Посреди ребра - 250 мм.
1.2.9 Проверка прочности плиты в стадии монтажа
Поднимают плиту при монтаже при помощи монтажных петель, установленных в
продольных рёбрах на расстоянии 0,8 м от торцов. Расчётная схема (см. рис. 6) -
однопролётная двухконсольная балка с равномерно распределённой нагрузкой от собственной
массы плиты.
Необходимо проверить прочность плиты в местах расположение петель.
Опасным является опорное сечение с изгибающим моментом:
,
где
bs =1,8 м - ширина плиты;
lc =
0,8 м - расстояние от торца плиты до оси строповочной петли;
кН∙м.
Рис. 6 - Расчётная схема плиты при расчёте на монтажную нагрузку
Моменты от силы обжатия для предварительно напряжённой плиты определяем
относительно центра тяжести растянутой арматуры:
, где
здесь
- потери предварительного напряжения в арматуре при
доведении бетона сжатой зоны до предельного состояния, принимается равным 330
МПа;
кН;
кН∙м.
Расчётный
момент в опорном сечении:
М
= |Md + Mp| = 1,73 + 18,35 = 20,08 кН∙м.
Расчётное
сечение - тавр с полкой в растянутой зоне. В расчёт принимаем прямоугольник с
шириной, равной ширине ребра b (приведённое сечение продольных рёбер).
по
табл. III.1 [2] находим значения: ξ = 0,023 и η = 0,988; проверяем
условие:
ξ ≤ ξR;
0,023 ≤ 0,5; площадь сечения арматуры:
см2.
По
сортаменту принимаем верхнюю продольную арматуру каркаса Кр-1: 2Ø10 мм; Аs = 1.57 см2, А-III.
При
подъёме плиты вся её масса может оказаться переданной на три петли. Тогда
усилие на одну петлю:
;
где
кН/м;
кН;
предполагается, что это усилие воспринимается лишь одной ветвью петли. Тогда
необходимая площадь поперечного сечения петли:
.
В
соответствии с Аs и сортаментом принимаем: диаметр петель Ø12 мм; Аs = 1,131 см2,
А-I (см. рис. 7).
Рис.
7 - Петля монтажная МП-1
1.2.10 Расчёт по второй группе предельных состояний
.2.10.1 Расчёт по образованию трещин нормальных к продольной
оси элемента
Рассчитываемая плита имеет 3-ю категорию трещиностойкости; γf = 1.
Проверяем условие:
где
Мr = 76.78 кН∙м - момент от внешних сил;
Мcrc - момент, воспринимаемый сечением при образовании трещин;
кН∙м;
выполняем
расчёт по раскрытию трещин.
1.2.10.2 Расчёт по раскрытию трещин нормальных к продольной
оси элемента
Ширину раскрытия трещин определяем по формуле:
,
где
δ
- коэффициент, принимаемый для изгибаемых
элементов равным 1;
φl -
коэффициент, зависящий от длительности действия нагрузки, принимается равным
при учёте: кратковременных нагрузок и непродолжительного действия постоянных и
длительных нагрузок - 1; продолжительного действия постоянных и длительных
нагрузок φl = 1,6 - 15μ;
η - коэффициент, принимаемый равным при стержневой арматуре периодического
профиля 1;
μ - коэффициент армирования, принимаемый:
;
σs -
приращение напряжений в арматуре, определяемое по формуле:
,
где
М - момент от действия постоянной и длительной нагрузок (для определения acrc1) или
момент от определения полной нагрузки (для определения
и acrc2);
Р
- усилие предварительного обжатия, определяемое с учётом полных потерь;
z1 - плечо внутренней пары сил, принимаемое:
м;
esp -
расстояние от центра тяжести площади сечения арматуры Asp
до точки приложения усилия обжатия, для данного случая esp =
0;
Ширина
раскрытия трещины от непродолжительного действия постоянных и длительных
нагрузок:
;
мм;
Ширина
раскрытия трещины от непродолжительного действия полной нагрузки:
;
мм;
Ширина
раскрытия трещины от продолжительного действия постоянных и длительных
нагрузок:
φl = 1,6 - 15μ = 1,6 -15∙0,007
= 1,495;
мм.
Ширина
непродолжительного раскрытия трещины:
мм.
Проверяем
условие:
Условие
выполняется.
1.2.10.4 Расчёт по деформациям плиты с трещинами в растянутой
зоне
При
расчете плиты по деформациям определяется величина прогиба, ограниченная
эстетическими требованиями. При этом расчет выполняется только на действие
постоянной и длительной действующей временной нагрузки с коэффициентом
надежности по нагрузке
.
,
,
предельно
допустимый прогиб, где l = 6 м
Прогиб
определяется по величине полной кривизны 1/r по формуле:
,
-
кривизна от непродолжительного действия всей нагрузки;
- тоже
от постоянной и длительной нагрузок;
-
кривизна от продолжительного действия постоянных и длительных нагрузок;
-
кривизна, обусловленная выгибом элемента.
Т.к.
величина прогиба ограничивается эстетическими требованиями,
то
=
=0.
Определяем
кривизну от действия постоянных и длительных нагрузок:
;
где
,
Относительная
высота сжатой зоны бетона рассчитывается по формуле:
, где
;
, где
;
,
Эксцентриситет
силы относительно центра тяжести площади сечения арматуры:
;
Плечо
внутренней пары сил рассчитывается по формуле:
;
Рассчитываем
коэффициент, характеризующий неравномерность деформации растянутой арматуры на
участке между трещинами:
;
;
,
;
;
Определяется
кривизна, обусловленная выгибом элемента вследствие усадки и ползучести бетона
от усадки и ползучести от усилия предварительного обжатия:
,
где
,
;
Сумма
потерь предварительного напряжения от усадки и ползучести бетона на уровне
центра тяжести растянутой продольной арматуры:
;
=0, напряжение для напрягаемой арматуры, если бы она,
имелась на уровне крайнего сжатого волокна бетона.
;
;
Полная
кривизна плиты:
;
Прогиб
плиты в середине пролета определяется по формуле:
; условие
выполнено.
2. Расчёт и конструирование ригеля
Расчётная схема сборного разрезного ригеля - свободно опёртая балка с
равномерно распределённой нагрузкой (рис. 2.1).
Расчётное сечение ригеля - прямоугольное с размерами b×h
= 0,3×0,9 м.
Выбираем схему опирания ригеля на колонны (см. рис. 2.2). Расчётный пролёт: l0 = l - hк - b2 - ly∙2. l0 = 8470 мм = 8.47 м.
Рис.
2.1 - Расчётная схема ригеля
Рис.
2.2 - Схема опирания ригеля на колонны
.1 Сбор нагрузок
Нагрузку рассчитываем на 1 п. м. ригеля по раннее подсчитанным нагрузкам
на 1 м2 перекрытия умножением на ширину грузовой площади (см. рис.
2.3) с учётом собственной массы. Собственная масса ригеля на 1 п. м.: qриг = 0,9∙0,3∙25∙1,1∙0,95
= 7.053 кН/м.
Рис.
2.3 - Схема для определения грузовой площади ригеля
.2 Определение усилий

кН∙м;
Максимальная
расчётная поперечная сила:
кН.
2.3 Расчётные данные для подбора сечений
Выбираем класс бетона в зависимости от величины полезной нагрузки на
перекрытие В 20. В качестве ненапрягаемой рабочей арматуры принимаем стержни
класса А-III, монтажную арматуру из стержней класса А-I.
2.3.1 Бетон
Класса В30, D 2500кг/м3,
RB=17 МПа, RBt= 1,2 МПа, RB,ser= 22 МПа,
RBt,ser=1.8 МПа, ЕВ= 29*103 МПа.
.3.2 Арматура
А III Rs=365 МПа, Rs,ser=390 МПа, Es=20*104 МПа, Rsw=290 МПа
А I Rs=225
МПа, Rs,ser=235 МПа, Es=21*104 МПа,
.4 Расчёт прочности нормальных сечений
Ригель
должен быть запроектирован таким образом, чтобы прочность нормальных сечений
обеспечивалась одиночной рабочей растянутой арматурой. При этом должно
выполняться условие
.
Подбираем
площадь арматуры:
вычисляем
значение А0:
;
;
;
σsR = Rs + 400 - σsp = 365 + 400 - 0 = 765 МПа;
σsc,u
= 500 МПа (при γb2 < 1).
Характеристика
сжатой зоны ω
= 0,85 - 0,008∙Rb = 0,85 - 0,008∙17 = = 0,714.
Проверяем
условие
,18
≤ 0,524, условие выполняется.
АR = ξR(1 - 0,5ξR)
= 0,53(1 - 0,5∙0,53) = 0,39
Проверяем
условие
,167
≤ 0,39, условие выполняется.
Так
как условие выполняется, то сжатая арматура по расчёту не требуется.
Определяем
площадь сечения растянутой арматуры:
см2.
Определяем
число стержней и их диаметр по сортаменту: 4Ø28 А-III; Аs= 24,63 см2.
Проверяем
условие:
,
м;
кН∙м;
; условие
выполняется.
2.5
Расчёт прочности наклонных сечений
В
соответствии с п. 5.26 - 5.28 [1] и из условия сварки принимаем: диаметр
поперечной арматуры dsw = 10 мм; по сортаменту её площадь asw = 0,785 см2; А-I. Количество
поперечных стержней в сечении элемента n = 2; шаг
поперечных стержней в приопорной части элемента предварительно принимаем Sw = 150 мм.
Вычисляем
коэффициенты φω1 и φb1 по формулам:
;
;
;
;
где β = 0,01;
.
Проверяем
работу бетона на действие поперечной силы по наклонной полосе между наклонными
трещинами:
;
;
-
прочность сечения достаточное
Коэффициент
φf
учитывающий влияние сжатых полок и коэффициент φn
учитывающий влияние продольных сил от предварительного обжатия в данном случае
равны нулю.
При
этом
;
.
Проверяем
работу бетона на действие поперечной силы по наклонной трещине:
;
;
поперечная арматура принимается по расчёту.
Вычисляем
параметр В:
кН∙м.
Определяем
усилие в хомутах на единицу длины элемента:
;
принимаем
кН.
Шаг
поперечной арматуры в приопорной части элемента:
;
;
.
Принимаем
.
Длина
проекции опасного сечения определяется по формулам:
м;
м.
Длину
проекции опасной наклонной трещины сsw
принимаем меньшей из значений с, с0 и 2h0, но не менее h0: сsw = с = 1,73 м.
Выполняем
проверку прочности наклонного сечения:
;
; 314 ≤
628,1 кН, прочность обеспечена.
Согласно п. 5.27 [1] на остальной части пролёта шаг хомутов принимается:
принимаем
S = 0,5 м = 500 мм
2.6 Определение места обрыва продольных стержней
В целях экономии металла, часть продольных стержней (не более 50 %
расчётной площади) обрывается в пролёте там, где она не требуется согласно
расчёту прочности элемента по нормальным сечениям.
На эпюру моментов от внешних опорных нагрузок наносятся ординаты опорного
момента (Моп), воспринимаемого нормальным сечением железобетонного
элемента с количеством арматуры, доводимым до опоры без обрыва:
.
Точки
пересечения ординаты Моп с эпюрой расчётных моментов определяют
места теоретического обрыва I-I (рис. 2.4).
Уточняем
площадь сечения продольной арматуры, доводимой до опоры без обрыва
:
см2,
=> 2Ø28
А-III + 2Ø28 А-III =
12,32 + 12,32 = 24,63 см2;
см2.
Высота
сжатой зоны элемента в расчёте на
:
м.
Момент,
воспринимаемый сечением с арматурой
:
кН∙м.
Место
теоретического обрыва определяем из условия:
,
где
у1 и у2 - места теоретического обрыва продольной
арматуры;
; у1
= 2,57 м; у2 = 6,86 м.
Определяем
поперечную силу в месте теоретического обрыва из подобия треугольников в эпюре
поперечных сил:
;
кН.
.7 Анкеровка обрываемых стержней
Обрываемые стержни должны быть заведены за место своего теоретического
обрыва согласно эпюре изгибающих моментов на длину на которой в наклонных
сечениях отсутствие обрываемых стержней компенсируется поперечной арматурой.
Определяем анкеровку обрываемой арматуры ω по большему из двух значений:
;
,
кН/м;
Q0 = 0, при отсутствии отгибов в зоне обрыва стержней; d -
диаметр обрываемого стержня;
принимаем
см.
2.8 Конструирование ригеля
Ригель армируется двумя плоскими сварными каркасами, объединёнными в
пространственный каркас.
Плоские каркасы выполняются в соответствии с п. п. 5.5, 5.6, 5.9, 5.15,
5.16, 5.20, 5.21, 5.27 [1]. Продольную сжатую арматуру (монтажную) плоских
сварных каркасов принимаем конструктивно из арматуры класса А-III, выбираем диаметр из условия сварки
10 мм.
3. Расчёт прочности колонны первого этажа со случайным эксцентриситетом
.1 Материалы
.1.1 Бетон
Класса В20, D 2500кг/м3,
RB=11,5 МПа, RBt= 0,9 МПа, RB,ser= 15 МПа,
RBt,ser=1,4 МПа, ЕВ= 27*103 МПа.
.1.2 Арматура
A-V Rs=680 МПа, Rs,ser=778 МПа, Es=19*104 МПа, Rsw=545 МПа, Rsc=500МПа
А III Rs=365 МПа, Rs,ser=390 МПа, Es=20*104 МПа, Rsw=290 МПа, Rsc=365МПа
А I Rs=225
МПа, Rs,ser=235 МПа, Es=21*104 МПа,
3.2 Расчёт ствола колонны
Проверяем
условие:
,
где
- расчётная длина колонны, равная высоте этажа 3 м;
- высота сечения колонны 0,30 м;
, условие
выполняется, колонна рассчитывается как центрально загруженная.
;
и не менее 1 см;
мм;
мм; принимаем
мм.
Таблица
3.1 - Нагрузка на 1 м2 покрытия
|
№ п/п
|
Вид нагрузки
|
Нормативная кН/м2
|
Коэф. надёжности γf
|
Расчётная кН/м2
|
|
1
|
Постоянная (g)
|
|
|
|
|
1.1
|
Конструкция кровли: -
рулонный ковёр δ
= 15 мм; ρ = 10 кН/м3; - асфальтовая стяжка δ = 20 мм; ρ = 18 кН/м3;
- утеплитель δ
= 300 мм; ρ = 1.33 кН/м3; - обмазочная пароизоляция δ = 3 мм; ρ = 17 кН/м3.
|
0,15 0,35 0,4 0,05
|
1,3 1,3 1,2 1,1
|
0.195 0.455 0,48 0,065
|
|
1.2
|
Ж/Б плита δ = 0,079 м; ρ = 25 кН/м3
|
1.97
|
1,1
|
2.167
|
|
Итого:
|
2.92
|
|
3.362
|
|
2
|
Временная (u)
Снеговая нагрузка (по п. п. 5.1, 5,2, 5,3, 5,7 [2]), II Снеговой
район в том числе: - кратковременная (ush2); -
длительно-действующая (ul2).
|
|
|
0,7 0,35
|
|
3
|
Полная (q),
в том числе: - длительно-действующая (ql2)
|
|
|
4.06 3.712
|
Определяем гибкость:
.
Рассчитываем
величину продольной силы от постоянных и временных длительно-действующих
нагрузок;
здесь
n - количество этажей;
-
грузовая площадь колонны;
- собственная масса ригеля;
- собственная масса колонны;
grig
= 7.053 кН;
кН;
кН;
Выбираем
класс бетона и арматуры в зависимости от величины полезной нормативной нагрузки
на перекрытие.
Предварительно
принимаем:
,
.
Определяем
площадь поперечного сечения колонны:
-
принимаем 40 см
Проверяем
условие:
;
.
Фактическая
площадь поперечного сечения колонны:
.
Определяем
значение коэффициента продольного изгиба по табл.
.
Вычисляем
сечение рабочей арматуры:
;
По
сортаменту принимаем 4Ø32,
;
Фактический
коэффициент армирования сечения колонны:
.
Хомуты
принимаем из условия свариваемости Ø10, А-III.
Шаг
хомутов: Sw < 500 мм < 20ds → Sw =
500 мм
Конструирование
колонны смотреть на листе.
3.3 Определение усилия Q, действующего на консоль
Консоль
рассчитывается на действие поперечной силы Q, передаваемого от сборного ригеля:
,
где
= 9 м - расчетный пролет ригеля;
кН.
3.4 Расчёт консоли колонны
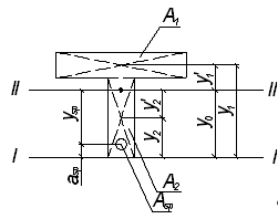
Определяем размеры консоли:
высота колонны на грани колонны h = (0,7…0,8)hbm =
0,63 м;
высота консоли у свободного края hi ≥ h/2; hi = h/2 = 0,32 м;
ширина консоли принимается равной ширине колонны 0,4 м;
угол γ = 45° (см. рис. 3.4).
Консоль выполняется из бетона класса В20; её армирование осуществляется
арматурой класса А-ІІІ и А-І.
Расчет консоли выполняется по величине опорного давления ригеля Q.
Определяем длину площадки передачи нагрузки ригеля на консоль:
см;
Определяем
расстояние от грани колонны до точки приложения силы Q:
мм.
Вычисляем
величину изгибающего момента в опорном сечении консоли (по грани колонны):
кН∙м.
Площадь
сечения верхней продольной растянутой арматуры консоли подбирается по
изгибающему моменту у грани колонны, увеличенному на 25%:
вычисляем
;
ξ = 0,0051 и η = 0,97;
-
определяем
см2;
по
сортаменту принимаем: 2Ø14, Аs = 3,08 см2; А-III.
Поперечная
арматура консоли конструируется следующим образом:
при
h > 2а; 0,42 м > 0,356 м - в виде горизонтальных
хомутов по всей высоте консоли.
Шаг
хомутов: Sw < h/4 = 157,5 мм и Sw < 150 мм,
принимаем Sw = 150 мм.
Хомуты
принимаем из условия свариваемости Ø5 Вр-I.
Проверяем
прочность бетона консоли у грани колонны по наклонной сжатой полосе между
грузом и опорой.
Для
этого вычисляем
- коэффициент, учитывающий влияние хомутов по высоте
консоли;
;
;
где
- площадь сечения хомутов в одной плоскости;
.
Расчетная
ширина наклонной сжатой полосы:
,
где
- угол наклона расчетной сжатой полосы к горизонтали;
.
м.
Проверяем
условие:
кН;
кН;
кН;
4. Расчёт прочности центрально нагруженного фундамента под колонну
.1 Расчёт прочности тела фундамента
По
величине продольной силы
(при γf = 1), определяется необходимая площадь подошвы
фундамента:
,
где
R0 - расчётное сопротивление грунтов основания, R0 = 280
кПа;
- средняя
плотность материала фундамента и грунта на его ступенях,
=20 кН/м3;
Н1
- глубина заложения подошвы фундамента, предварительно принимаем
.
,
где
N - расчётная нагрузка на фундамент от колонны первого
этажа, кН;
γср -
средний коэффициент перегрузки (приближённо равен 1,15);
;
;
м.
Принимаем:
;
.
Определяем
отпор грунта без учёта массы фундамента и грунта на его ступенях:
,
где
Ncol - расчётная продавливающая сила при γf
>1;
кН/м.
Глубину
заложения фундамента определяем из условия его прочности на продавливание.
Определяем
рабочую высоту фундамента с квадратной подошвой по приближенной формуле:
м.
Полная
высота фундамента:
,
где
а = 35 мм (при наличии подготовки под фундамент);
м.
Выполняем
проверку высоты фундамента по конструктивным требованиям обеспечения жесткого
защемления колонны в фундаменте и достаточной анкеровки продольной арматуры.
Для этого проверяем глубину стакана фундамента
по
условиям:
, м;
м;
, м;
где
длина анкеровки арматуры в стакане фундамента,
м.
Тогда
высота фундамента
м.
Окончательно
принимаем высоту фундамента максимальную из всех полученных значений (кратно
300):
м. Принимаем двухступенчатый фундамент.
Выполняем
проверку на продавливание. Продавливающую силу определяем на уровне верха
фундамента за вычетом отпора грунта, распределенного по площади нижнего
основания пирамиды продавливания из выражения:
кН.
Проверяем
условие:
,
где
um -
среднее арифметическое между периметрами верхнего и нижнего оснований пирамиды
продавливания;
м;
;
; условие выполняется.
Расчетную
высоту нижней ступени определяем из условия работы по поперечной силе без
поперечной арматуры.
Расчетная
поперечная сила:
,
Где l - длина консоли нижней ступени, принимаем 0,4 м;
с - длина проекции опасного наклонного сечения, с = 0,76 м;- ширина
нижней ступени, b = 3м;
кН.
Расчетная
высота нижней ступени определяется из условия:
;
;
;
При
этом должны обеспечиваться условия:
;
;
; условие
выполняется.
4.2 Расчёт армирования фундамента
Консоли фундамента работают подобно изгибаемым консолям, заделанным в
массиве фундамента, их рассчитывают по нормальным сечениям.
Армирование фундамента осуществляется сварной сеткой из арматуры класса
А-III. Минимальный диаметр - 10 мм.
Изгибающие моменты в сечениях 1-1, 2-2 как для консольных балок равны:
кН∙м;
кН∙м;
кН∙м;
Расчетная
площадь рабочей арматуры на всю ширину фундамента определяем из условия, что
:
;
Конструирование
сетки выполняем по большему значению Аs c помощью сортамента:
принимаем 7Æ12 A-III с
Шаг
стержней принимаем равным 150 мм симметричным в обоих направлениях.
Список литературы
1. СНиП 2.03.01-84*. Бетонные и железобетонные
конструкции/Госстрой СССР. - М.: ЦИТП Госстроя СССР, 1992
2. СНиП 2.01.07-85*. Нагрузки и воздействия/Госстрой
СССР. - М: ЦИТП Госстроя СССР, 1988
. СНиП 2.01.07-85. Нагрузки и воздействия (Дополнения.
Разд. 10. Прогибы и перемещения) /Госстрой СССР. - М.: ЦИТП Госстроя СССР, 1988
. ГОСТ 21.501-93 Правила выполнения
архитектурно-строительных чертежей. Введ. 01.09.94. - М.: Изд-во стандартов,
1996
. Талантова К.В. Железобетонные и каменные
конструкции. Расчёт и конструирование сборной предварительно-напряженной
ребристой плиты перекрытия/Алт.ГТУ им. И.И. Ползунова. - Барнаул: 1987. - 36 с.
. Талантова К.В. Основы строительных
конструкций/Алт.ГТУ им. И.И. Ползунова. - Барнаул: 1985. - 33 с.
. Талантова К.В. Железобетонные и каменные
конструкции. Сборные железобетонные колонна и фундамент/Алт.ГТУ им. И.И.
Ползунова. - Барнаул: 1988. - 21 с.