Дослідження температури заселеності рівнів атомарного та молекулярного спектрів в плазмі
Дослідження властивостей
електричних розрядів в аерозольному середовищі
Зміст
Реферат
Вступ
. Експериментальні дослідження
.1 Методики досліджень
.1.1 Вимірювання радіусу краплин аерозолю
.1.2 Вимірювання струму
.1.3 Вимірювання напруги
.2 Опис експериментальної установки
.2.1 Будова камери та загальна схема установки
.2.2 Схема подачі напруги на розрядну камеру та
вимірювання параметрів напруги та струму на розрядному проміжку
.2.3 Схема вимірювання радіусу крапель в аерозольному
середовищі
.2.4 Механізм ефективного створення аерозольного
середовища
.2.5 Схема пристрою для керування процесом вимірювання
дифракційного розподілу інтенсивності розсіяного світла
Висновки
Перелік посилань
Реферат
Обсяг роботи -сторінки
Кількість рисунків - 10
Ключові слова - електричний розряд в рідкій фазі, електричний
розряд в аерозолі, плазмокаталітичний риформінг, плазмокаталітичне спалення
рідких палив, дифракційний метод вимірювання радіусу краплин
В даній роботі описується експериментальна установка для
дослідження електричних та фізичних властивостей електричного розряду, що
відбувається в середовищі аерозолю з вимірюваними характеристиками.
Вступ висвітлює особливості плазми з рідкофазними пиловими
частинками у порівнянні з іншими типами плазми та освітлює актуальність
проблеми.
В розділі 2.1 описуються експериментальні методики
вимірювання електричних параметрів розряду та характеристик аерозолю. Описана
методика вимірювання радіуса крапель методом дифракційного розсіяння
когерентного світла.
Розділ 2.2 присвячений опису окремих частин експериментальної
установки, а саме схеми подачі напруги та вимірів електричних параметрів
розряду, оптичної установки для вимірювання радіусу крапель, пристрою для
створення аерозолю методом ультразвукової кавітації та пристрою керування
вимірюванням дифракційної картини.
Вступ
В останній час доволі інтенсивно розвиваються технології, що
використовують плазму для ініціювання та проведення хімічних реакцій.
Прикладами таких застосувань можуть бути плазмокаталітичний риформінг та
високоефективне спалення палива в потужних реактивних двигунах. Дані
застосування, а також багато інших потребують проведення хімічних реакції між
речовинами рідкої та газової фаз. Ефективною формою організації хімічної
реакції може бути аерозольний стан реагуючих речовин.
Використання в цьому випадку плазми зводиться до проведення
електричного розряду в аерозольному середовищі. Проте, слід зазначити, що
розряд в аерозолі є слабко вивченим та потребує розгорнутих досліджень для
ефективного технологічного застосування.
Плазма з дисперсною фазою - іонізований газ, який утримує
малі частинки причому вони можуть впливати на деякі властивості плазми.
Частинки дисперсної фази в плазмі набувають електричний заряд і стають
додатковою зарядженою компонентою плазми. Можна виділити кілька типів такої
плазми, включаючи аерозольну, пилову і кластерну плазму.
Частинки дисперсної фази є центрами рекомбінації плазмових
електронів та іонів, а іноді - джерелами електронів. Тим самим пилова
компонента може істотно впливати на іонізаційну рівновагу. Заряд частинок
дисперсної фази визначається параметрами навколишньої плазми і флуктуює навіть
при постійних параметрах навколишньої плазми, оскільки зарядка є імовірністним
процесом. електричний розряд аерозоль струм
Вимірювання електричних полів в грозових хмарах дають
значення близько 2 - 4 кВ / см. Це значно нижче порога пробою чистого повітря
на цих висотах. Однак відомо, що краплі або інші ініціатори можуть посилювати
електричне поле і створювати коронний розряд. Коронування починається в
невеликому обсязі близько кінчика ініціатора, де електричне поле досить велике
для початку іонізації молекул електронним ударом. Утворені іони мають високу
рухливість і тому можуть викликати хвилю коронування.
На відміну від зарядженої твердої частинки, рідка крапля
здатна сильно деформуватися, розриватися, або зливатися з іншими [3]. На
поверхню краплі діє сила поверхневого натягу Pу = 2у / R, напрямлена
до центру, і тиск електростатичного поля власного заряду PQ = Q2
/ 8рR4. При фіксованому заряді Q можна визначити такий радіус
краплі, коли PQ перевисить Pу.
Відгуком на тиск поля є деформаця краплі або ії розрив на
декілька менших. Найпростішим варіантом деформації є витягнення краплі у формі
еліпсоїда. Критична умова розриву еліпсоїда досягається при PQ >
Pу і має назву критерію нестійкості Релея у безрозмірному вигляді:
Величина критичного заряду становить приблизно 1000е. Краплі
дуже в’язкої або слабкопровідної рідини при більшій деформації розірвуться на
дві рівнозаряджені половинки менших розмірів. У малов’язкої провідної краплі
заряд буде перерозподілятися по поверхні і поле на кінцях буде значно більшим,
що призводитиме до ще більшого розтягнення. Врешті, на кінцях краплі почнуть
утворюватися струмені мілких сильно-заряджених частинок, що уносять надлишковий
заряд. Строгий розрахунок показує, що нестійка крапля емітує кілька сотень
маленьких крапель на два порядки меншого діаметру.
Розвиток капілярної нестійкості з переходом її в нелінійний
режим викличе взаємодію різних мод в квадратичному наближенні за амплітудою
початкового збурення.
Для сильно зарядженої поверхні на гребені нелінійної хвилі
можуть виникати електричні поля порядку 104 - 105 В/см.
Цього достатньо для появи коронування поблизу хвилі.
1. Експериментальні дослідження
.1 Методики досліджень
.1.1 Вимірювання радіусу краплин аерозолю
Відповідно до класичної теорії, вигляд індикатриси
визначається співвідношенням параметрів Z та mc, де
Де Rk - радіус краплі аерозолю;
лс - довжина хвилі розсіяного світла; c
- показник заломлення світла, що визначається фізичними властивостями рідини,
що розпиляється.
Коли діаметр крапель набагато менше довжини хвилі розсіяного
світла, індикатриса є симетричною і інтенсивність розсіяння вперед та назад
однакова.
У випадку, коли Z >> 1, тобто діаметр крапель аерозолю
перевищує довжину хвилі світла, індикатриса деформується, витягуючись вперед.
Наприклад, при довжині хвилі 0,63 мкм крапля є «великою» при радіусі більшому
за 3 мкм.
Для великих крапель аерозолю інтенсивність світла дифракційно
розсіяного під малим кутом б << 1 у напрямку розповсюдження плоскої
монохроматичної хвилі, описується залежністю
де I0 - освітленість крапель пучком падаючого
світла;

-
функція Бесселя першого роду першого порядку.
У наведеній формулі враховується лише дифракційне розсіяння, так як
його інтенсивність в області малих кутів значно більше за розсіяння внаслідок
заломлення.
Дифракційні кільця, що спостерігаються на екрані, представляють собою
локальні екстремуми інтенсивності 
.
Значення кутів, при яких досягається максимальна інтенсивність, знаходяться
взяттям похідної. Враховуючи, що для функції Бесселя справедлива рівність
нульове значення значення похідної отримаємо при 
.
Тобто, значення кутів 
,
які відповідають мінімумам інтенсивості, знаходяться з коренів рівняння 
.
Для першого кільця
Враховуючи періодичність функції Бесселя:
Де n - порядковий номер кільця.
Якщо розглядається полідисперсне середовище малої
концентрації, то, допускаючи відсутність послідовного багатократного розсіяння
окремими краплями, інтенсивність світла буде рівна сумі інтенсивностей світла
від окремих крапель. Інтерференцією можна знехтувати, враховуючи хаотичний
розподіл крапель в просторі.
В такому випадку можна записати:
де 
-
інтенсивність світла, що розсіюється полідисперсним середовищем;

-
функція розподілу крапель по розмірам.
При цьому однократними та двократними розсіяннями можна знехтувати при
умові:
де 
-
інтенсивність світла в центральному пучку після проходження середовища.
Функцію розподілу крапель по розмірах можна звести до вигляду:
де 

функція
Неймана

Це дає можливість отримати різні середні значення розміру крапель
Відношення
прийнято називати заутерівським радіусом краплі.
Іноді при дослідженнях використовують медіанні розміри
крапель:
де 
-
розрахований медіанний радіус;

-
об’ємний медіанний радіус.
Градуювання експериментальної установки може бути виконано за допомогою
виконаного в діафрагмі отвору радіусом 27 мкм. Діафрагма встановлюється замість
дисперсного середовища.
Рис. 1.1.1. Розрахована індикатриса розсіяння при проходженні
крізь отвір радіусом 27 мкм.
Рис. 1.1.2. Розрахована індикатриса розсіяння при проходженні
крізь отвір радіусом 27 мкм в логарифмічній шкалі.
На рис. 1.1.1 та рис. 1.1.2 зображені розраховані вищезазначеним
методом індикатриси розсіяння на щілині.
Накладення їх на експериментально отриману картину кілець
підтверджує співпадіння кілець з мінімумами інтенсивності.
Рис. 1.1.3. Накладення розрахованої індикатриси світла на
картину дифракційних кілець при статичному отворі радіусом 27 мкм.
При використанні цього методу експериментально отримані
результати співпадають з точністю 2% з розрахованими значеннями, що свідчить
про достатньо високу обгрунтованість використання цього методу. Це дає
можливість побудувати розраховану графічну залежність радіусу крапель аерозолю,
що наближається до монодисперсного стану, від радіусу темних кілець на екрані
експериментальної установки (рис 1.1.4) і значно прискорити процес дослідження
дисперсних характеристик.
Рис. 1.1.4. Розрахована графічна залежність радіусів кілець
від радіусу крапель аерозолю
1.1.2
Вимірювання струму
Для вимірювання розрядного струму використовується пояс Роговського, що
представляє собою довгий замкнутий багатовитковий соленоїд довільної форми з
рівномірною намоткою і охоплює вимірюваний струм. Принцип його роботи
заснований на реєстрації зміни магнітного поля, що створюється вимірюваним
струмом 
і
наводить електрорушійну силу індукції на соленоїді. Еквівалентна схема
зображена на рисунку 1.1.3.
Якщо обмотка поясу замкнута на опір навантаження 
,
то зміна струму в поясі 
описується
рівнянням 
+
(r +
,
де L, r, N -індуктивність, опір та кількість витків у поясі. В цьому рівнянні
не врахована паразитна ємність C, впливом якої можна знехтувати, якщо 
,
де 
-
частота найнижчої гармоніки вимірюваного струму.
У випадку, коли тривалість імпульсу 
,
розв'язок рівняння набуває вигляду 
,
або, тобто пояс працює в режимі трансформатора струму.
Рис. 1.1.5 а - схематичне зображення поясу Роговського, б -
його еквівалентна електрична схема
Для даного експерименту пояс калібрувався прямокутними
імпульсами тривалістю порядку тривалості вимірюваних імпульсів. Калібрування
показало, що пояс Роговського при тривалостях імпульсів струму в діапазоні 1-10
мкс практично не спотворює форму імпульсу, що дозволяє застосовувати його при
вимірюванні розрядних струмів порядку мікросекунд. При калібруванні поясу
Роговського прямокутним імпульсом більшої тривалості спостерігались спотворення
сигналу. Відповідні осцилограми наведені на рис. 1.1.6.
Рис. 1.1.6. Калібрування поясу Роговського заданим
прямокутним імпульсом а - 1 мкс, б - 4 мкс, в - 10 мкс, г - 100 мкс тривалості.
Верхній імпульс з генератору імпульсів, нижній - сигнал поясу Роговського
(тривалості розгортки осцилографа для верхнього та нижнього імпульсу однакові)
1.1.3
Вимірювання напруги
Напруга в дослідженнях вимірюється за допомогою
омічно-ємнісного відкаліброваного подільника напруги з коефіцієнтом ділення
1:10000.
1.2 Опис експериментальної установки
1.2.1
Будова камери та загальна схема установки
Реакційна камера представляє собою довгу вертикальну кварцеву
трубу, на нижньому кінці якої розташована форсунка, що розпилює рідину,
утворюючи аерозоль. Особливості цієї форсунки описані в підрозділі 1.2.4. До
форсунки під’єднується шланг, по якому подається повітря регульованого тиску з
компресору і шланг, по якому подається вода з крану системи водопостачання.
За рахунок особливих властивостей аерозолю найважчі частинки
найраніше розвертаються і починають осідати, тому регулюючи висоту робочої
ділянки можна змінювати дисперсність аерозолю. Існує певна висота, на якій
розвертаються найменші краплі аерозолю, і вона становить біля двох метрів. Саме
таку довжину має кварцева труба. На другому кінці труби розташований
водозборник, що не дає аерозолю потрапити за межі труби. На обраній робочій
висоті розташовуються мідні електроди, між якими ініціюється електричний
розряд. До електродів під’єднується коло подачі напруги, яке описане в
підрозділі 1.2.2. Також в перпендикулярному до вісі електродів напрямку
розташована вісь оптичної системи вимірювання радіуса крапель дифракційним
методом, яка описана в підрозділі 1.2.3.
Вимірювання дифракційної картини розсіяння керується за
допомогою блока керування, який описаний в підрозділі 1.2.5.
1.2.2 Схема подачі напруги на розрядну камеру та вимірювання
параметрів напруги та струму на розрядному проміжку
Секція подачі напруги безпосередньо підключається до
електродів камери (рис. 1.2.1) і складається з генератора високої напруги 1,
баластного опору 2, конденсатора 3 з ємністю 15 нФ та комутатора 4, що являє
собою повітряний розрядний проміжок. Генератор через баластний опір заряджає
конденсатор і, коли напруга на конденсаторі досягає пробійної напруги
комутатора, відбувається пробій комутатора і імпульс високої напруги подається
на розрядний проміжок камери, напруга пробою якого є меншою за напругу пробою
комутатора. Баластний опір обмежує струм зарядки і гасить коливання струму в
колі генератора. Подільник напруги 6 підключається до виводів камери; пояс
Роговського знаходиться на заземленому виводі розрядної камери.
1.2.3
Схема вимірювання радіусу крапель в аерозольному середовищі
Експериментальна установка, що використовую метод малих кутів
(рис. 1.2.2), представляє собою оптичну систему, що складається з джерела
когерентного світла 1, коліматора 2 з точковою діафрагмою 3, ультразвукового
диспергатору 4, збираючої лінзи 5, фотодіода 10 з датчиком положення 8,
перетворювача сигналу 11 і осцилографу 9. Дифракційні кільця відображаються на
екрані 7, що розташований у фокальній площині лінзи. Вимірювання інтенсивності
світла відбувається позаду екрана.
Вибором співвідношення фокусних відстаней F1 та F2
можна змінювати ширину променя світла, що проходить крізь факел 5. Відстань
L між факелом та збираючою лінзою при заданому діаметрі цієї лінзи дозволяє
витримувати допустимий кут б при очікуваному розмірі крапель. Фокусна відстань
F3 також залежить від очікуваного розміру крапель.
Рис. 1.2.1 Блок-схема системи подачі напруги: 1 - генератор
формування імпульсу, 2 - баластний опір, 3 - розрядний конденсатор, 4 -
повітряний комутатор, 5 - розрядна камера, 6 - подільник напруги, 7 - пояс
Роговського
Рис. 1.2.2 Схема вимірювання радіусу крапель в аерозольному
середовищі: 1 - джерело лазерного випромінювання, 2 - фокусуючі коліматорні
лінзи, 3 - діафрагма, 4 - джерело аерозолю, 5 - аерозоль, 6 - фокусуюча лінза,
7 - екран, 8 - датчик положення, 9 - осцилограф, 10 - фотодіод, 11 - система
обробки сигналу
Точкова діафрагма 3 дозволяє позбавитись від дефектів
випромінювання джерела світла.
При підборі фокусних відстаней F1, F2
та F3 і відстані L наведена установка дозволяє вимірювати краплі з
розміром від 0.5 мкм до сотень мікрон.
.2.4
Механізм ефективного створення аерозольного середовища
Для створення аерозольного середовища використовується
розробка вчених Київського політехнічного інституту - ультразвукова форсунка,
що діє на принципі ультразвукової механічної кавітації.
Дана розробка схожа по принципу дії до звичайних
ультразвукових форсунок, які використовують генерацію ультразвукових коливань в
турбулентних потоках у соплі форсунки. Проте в даній конструкції присутні деякі
вдосконалення, що надають можливість отримати більш рівномірне і мілкодисперсне
середовище.
В спеціальних пазах у соплі знаходяться металеві циліндри,
які подібно до резонаторів в ультразвукових свистках починають коливатися у
потоці повітря на ультразвукових частотах. Коливаючись, вони вдаряються об
стінки форсунки і змушують вібрувати ії робочу частину, що в свою чергу
призводить до ультразвукової кавітації рідини.
Рис. 1.2.3 Будова ультразвукової форсунки, що створює
аерозольне середовище за допомогою механічної кавітації
1.2.5
Схема пристрою для керування процесом вимірювання дифракційного розподілу
інтенсивності розсіяного світла
Для керуванням процесу вимірювання дифракційного розподілу
інтенсивності розсіяного світла використовується автоматизована скануюча
система, яка складається з фотодіоду з’єднаного з рухомою підставкою, положення
якої регулюється кроковим двигуном. Кроковий двигун керується віддаленим блоком
керування.
Кроковий двигун пересуває підставку зі сталою швидкістю, що
дає змогу пов’язати час із координатою. На кінцях діапазону руху знаходяться
датчики, сигнал з яких поступає до блоку керування і вібповідним чином
відбуваеться керування двигуном.
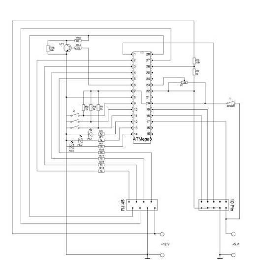
Принципова схема блока керування зображена на рис. 1.2.4.
Логіку керування реалізує мікросхема ATMega8, яка
програмується через 10 контактний ISP роз’єм. Живлення логічної частини 5В
подається через ISP роз’єм або із зовнішнього джерела живлення і вмикається або
вимикається ключом 1.
Інтерфейс оператора реалізується трьома перемикачами 2 та
трома світлодіодами, що знаходяться на передній панелі керування. Через порти
2-5 мікросхеми виводиться логічні сигнали, що через опори R10-R13 виводяться в
лінію зв'язку RJ 45 і подаються на іншому кінці лінії на силові транзистори,
які керують роботою двигуна.
Вимірюваний підсилений сигнал з фотодіода подається на
аналоговий компаратор 28 мікросхеми і може оцифровуватись для передачі на
комп’ютер. Навантаження сигналу може з порта 6 перемикатись між 10 кОм і 50 Ом
в залежності від наявності або відсутності осцилографа з навантаженням в 50 Ом.
Потенціометр R1 призначений для зміни швидкості двигуна.
Подільник R2-R3 слугує для вимірювання напруги живлення
двигуна, яка має бути 12-30 В.
Рис. 1.2.4. Принципова електрична схема пристрою для
керування кроковим двигуном та вимірювання сигналу с фотодіоду.
Висновки
В даній роботі описана будова установки, що призначена для
вимірювання параметрів розряду в аерозольному середовищі. Визначено оптимальні
параметри установки та її будову. Досліджені роботи, пов’язані з генерацією
електричних розрядів в аерозольному середовищі. Визначені і описані методики,
що використовуються для вимірювання параметрів електричного розряду та
параметрів аерозолю.
Зроблений висновок, що дана робота є актуальною і має дати
відповідь на питання про механізм електричного розряду в аерозольному
середовищі і має визначити застосовність даного методу в ряді практичних
технологій.
Перелік посилань
1. Fridman A. Plasma Chemistry / A. Fridman. -
N.Y.: Cambridge Univ. Press, 2008.
. Chernyak V. Sources of nonequilibrium plasma
at atmospheric pressure / I. Prysyazhnevych, V. Chernyak, J.D. Skalnэ, Љ.
Matejиik, V. Yukhymenko, S. Olszewsky, V. Naumov // Ukr. J. Phys. - 2008. -
vol. 53, № 5. - P. 472-476. ISSN 0503-1265.
. Григорьев А.И., Ширяева С.О. // Изв. РАН.
Механика жидкости и газа. 1994. № 3. С. 3-22.
. Bjorn A. M. Hansson, Hans M. Hertz Liquid-jet
laser-plasma extreme ultraviolet sources: from droplets to filaments// J. Phys.
D: Appl. Phys. 37 (2004) 3233-3243
. Юсупалиев У., Шутеев С.А., Маслов А.К., Винке
Е.Э., Еленский В.Г., Юсупалиев П.У. Анизотропия диффузии аэрозольных
(коллоидных) частиц в закрученных потоках плазмы/газа (жидкости)
. V. Broћek, L. Mastnэ, P. Moravec, V. Ћdнmal
Possible way to prepare nanoparticles from aerosols released at plasma
deposition
. Шайдук А.М.
Сверхзвуковой режим испарения аэрозольной частицы и газодинамика солнечного
ветра // Журнал технической физики. - 2007. - 77, №.5 - С. 35-40.
. Титов Д.В.
Нелинейное экранирование в высокотемпературном аерозоле граничащем с проводной
стенкой