Проектирование электронного реле напряжения
Министерство
образования Российской Федерации
Федеральное
государственное образовательное учреждение
высшего
профессионального образования
«Чувашский
государственный университет им. И.Н.Ульянова»
Кафедра
электрических и электронных аппаратов
Расчетно-пояснительная записка
к курсовому проекту на тему
«Проектирование электронного реле
напряжения»
Выполнил:
ст.гр. ЭТ 21-09
Власевский
А.В
Руководитель
Макеев И.М
Чебоксары.
2012
1. Задание на курсовое проектирование
|
Диапазон уставок напряжения срабатывания ,В
|
20..115
|
|
Коэффициент возврата кв
|
0,90
|
|
Данные для расчета входного преобразователя
|
|
Тип сердечника
|
Ш
|
|
Полная мощность нагрузки Sн, ВА
|
2,5
|
|
Коэффициент трансформации кUP
|
0,066
|
|
Максимальное входное напряжение U1max
,В
|
115
|
|
Коэффициент, учитывающий потери в намагничивании кµ
|
1,2
|
|
Данные для расчета частотного фильтра
|
|
Тип фильтра
|
ФНЧ
|
|
Коэффициент передачи на нулевой частоте А0
|
1
|
|
Рабочая частота f0 ,Гц
|
60
|
|
α
|
0,2
|
|
Данные для расчета АЭВВ
|
|
tср , с
|
0,7
|
|
Элементная база
|
К561
|
|
Данные для расчета ЦЭВВ
|
|
tв , c
|
8
|
|
ΔtΣ ,c
|
0,002
|
|
Элементная база
|
К561
|
|
Данные для расчета контактного выходного органа
|
|
Uк , В
|
15
|
|
Iк , А
|
0,25
|
|
nк
|
2з
|
|
Данные для расчета бесконтактного выходного органа
|
|
Uк , В
|
50
|
|
Iк , А
|
0,01
|
|
Данные для расчета логического блока
|
|
Способ минимизации
|
М.Карно
|
|
Элементная база
|
К561
|
2. Блок-схема ЭЭА и его работа
ЭАА включает следующие элементы: входной преобразователь 1, частотный
фильтр 2, активный выпрямитель 3 и сглаживающий фильтр 4, релейный элемент 5,
логический блок 6, аналоговый 7 и цифровой 9 элементы выдержки времени,
бесконтактный 8 и контактный 10 выходные органы, блок сигнализации 11.
Типовая структурная схема электронного аппарата представлена на рис.2.1.
Рис. 2.1
Структурная схема ЭЭА
Аппарат состоит из следующих основных блоков: 1 - входной
преобразователь; 2 - частотный фильтр;3 - активный выпрямитель; 4 -
сглаживающий фильтр; 5 - релейный элемент; 6 - логический блок; 7 - аналоговый
элемент выдержки времени; 8 - бесконтактный выходной орган; 9 - цифровой
элемент выдержки времени; 10 - контактный выходной орган; 11 - блок
сигнализации
Входной преобразователь 1 преобразовывает входную величину в
электрическую, пригодную для дальнейшей обработки блоками ЭЭА. В качестве
входного преобразователя используем промежуточный трансформатор напряжения.
Частотный фильтр 2 выделяет из входного сигнала входного преобразователя,
имеющего сложный спектральный состав, контролируемую гармоническую
составляющую. Выпрямитель 3 преобразует переменный сигнал в однополярный,
который сглаживается фильтром 4. Таким образом, на вход РЭ 5 поступает сигнал в
виде напряжения U4(t), пропорциональный входной величине x. РЭ преобразует аналоговый сигнал U4(t) в дискретный U5(t). При достижении U4(t) значения напряжения срабатывания РЭ Uср, соответствующего параметру
срабатывания ЭЭА, на выходе РЭ U5(t) скачкообразно изменяется. Этот
сигнал поступает на вход x1 ЛБ
6. При соответствующем сочетании сигналов на других входах ЛБ x2, x3, x4, x5 на его выходе появляется логическая
“1”. Этим сигналом запускаются аналоговый 7 и цифровой 9 ЭВВ.
В данном случае аналоговый элемент выдержки времени выполнен на
срабатывание, а цифровой на возврат. Поэтому срабатывание бесконтактного ВО (U8(t)) происходит по истечении времени срабатывания tср, а контактного ВО (U10(t)) по истечении времени выдержки tв. Сработанное состояние ЭЭА (по каналу цифрового ЭВВ)
запоминается БС 11. При снижении входной величины ЭЭА до и ниже параметра
возврата напряжение на выходе сглаживающего фильтра U4(t) также становится
ниже напряжения возврата РЭ Uв. РЭ
переключается в исходное состояние и на выходе ЛБ появляется логический “0”.
При этом цифровой и аналоговый ЭВВ сразу же возвращаются в исходное состояние и
контактный и бесконтактный ВО отключаются.
На выходе ЛБ логический “0” появляется также в том случае, когда
сочетание сигналов x2, x3, x4, x5 на
его входе соответствует нулевому сигналу на выходе. БС 11 возвращается в
исходное состояние путем кратковременного замыкания кнопки SB1.
3. Расчет входного преобразователя напряжения
Для многих ЭЭА, выполняющих функции контроля сигнала переменного тока,
необходим ввод этих сигналов в аппарат. Внешние источники контролируемых
сигналов могут иметь высокие уровни напряжений и токов, что не позволяет
использовать непосредственно первичные сигналы в цепях с электронными
элементами, поскольку большие токи и напряжения представляют опасность как для
самих электронных аппаратов, так и для обслуживающего персонала.
Наиболее эффективным способом ввода сигналов переменного тока в ЭЭА,
обеспечивающим также защиту низковольтных цепей ЭЭА от больших токов и
напряжений является применение промежуточных трансформаторов. Их основное
назначение :
гальваническое разделение цепей ЭАА от первичных цепей с обеспечением
достаточной прочности изоляции;
масштабирование первичных токов и напряжений к уровням, пригодным для
последующей обработки в функциональных частях ЭАА.
Для расчета промежуточного трансформатора напряжения (ПТН) воспользуемся
методикой, изложенной в /2/. Рассчитаем маломощный ПТН минимальных габаритов с
применением броневых ленточных сердечников типа Ш при следующих условиях
(стр.3): Sн=1,2 ВА; кUP=0,15; Bп=1
Тл; U1max=U1дл=67
В; γ=2,5 А/мм2; кµ=1,3.
Расчет проводится в следующей последовательности:
1) находим сечения проводов первичной и вторичной обмоток:
;
;
затем находим диаметры голых проводов:
;
.
Выбираем
провода марки ПЭВ-2 с диаметром голого провода
=0,11 мм
и
=0,25 мм. Из кривых на рис.П1.5 /2/ находим
коэффициенты заполнения: кз1=0,36 и кз2=0,46.
) находим
значение параметра
:
Где
кс и к0 для сердечника Ш-типа соответственно равны 0,85 и 0,8.
.
) выбираем
по таблице П1.2 /1/ типоразмер сердечника Ш9×9, имеющий параметр
=
.
) находим
число витков первичной обмотки
Где
.
Выбираем
,
.
Обычно
ПТН используется совместно со схемами, обеспечивающими регулировку вторичного
напряжения, что требуется для изменения характеристик ЭАА. Совокупность ПТН и
элементов регулировки вторичного напряжения образует датчик напряжения (ДН).
Для реализации уставок используем резистивный делитель напряжения (рис.3.1).
Рис.3.1
Датчик напряжения
Коммутация кнопочных выключателей для получения требуемой уставки
производится в соответствии с табл.3.1.
Табл.3.1
|
Uср, В
|
состояние выключателей
|
|
S4
|
S3
|
S2
|
S1
|
|
30
|
-
|
-
|
-
|
-
|
|
33
|
-
|
-
|
-
|
+
|
|
36
|
-
|
-
|
+
|
-
|
|
39
|
-
|
-
|
+
|
+
|
|
41
|
-
|
+
|
-
|
-
|
|
45
|
-
|
+
|
-
|
+
|
|
48
|
-
|
+
|
+
|
-
|
|
51
|
-
|
+
|
+
|
+
|
|
54
|
+
|
-
|
-
|
-
|
|
57
|
+
|
-
|
-
|
+
|
|
60
|
+
|
-
|
+
|
-
|
|
63
|
+
|
-
|
+
|
+
|
|
66
|
+
|
+
|
-
|
-
|
Расчет делителя начинаем исходя из задачи получения на выходе напряжения U2=4 В. Для определения сопротивления R6 необходимо входное сопротивление
активного фильтра (см. п.4), которое определяем как
;
Тогда
входной ток фильтра можно определить как
.
Ток,
протекающий через делитель
.
Принимаем
по стандартному ряду номиналов резисторов Е96 сопротивление R6=6,19
кОм.
Определяем
коэффициент передачи делителя напряжения при напряжении на входе ПТН U1=30В:
.
С
другой стороны кд можно определить из соотношения резисторов делителя:
Принимаем
по ряду Е96 сопротивление R1=768 Ом.
Определяем
сопротивление R2 при напряжении на входе ПТН U1=33В:
;
Аналогично
находим остальные сопротивления:
R3 при
напряжении на входе ПТН U1=36В:
;
4
при напряжении на входе ПТН U1=42В:
;
5
при напряжении на входе ПТН U1=54В:
;
Принимаем
все сопротивления по ряду Е96:
R2=681 Ом;
R3=1400 Ом;
R4=2740 Ом;
R5=5620 Ом.
фильтр релейный
аналоговый частотный
4. АКТИВНЫЙ
ЧАСТОТНЫЙ ФИЛЬТР
Частотным фильтром называется четырехполюсник, амплитуда и фаза выходного
напряжения которого по отношению к входному синусоидальному напряжению
неизменной амплитуды, имеют различные значения при изменении его частоты.
Свойства частотного фильтра характеризуются его передаточной функцией:
где
m < = n и коэффициент передачи k(p) =
.
Диапазон
частот, передаваемых ЧФ с большими значениями коэффициента k(p),
называется полосой пропускания фильтра.
Независимо
от вида схемы активные ФНЧ второго порядка описываются следующей передаточной
характеристикой:
где
А0 - коэффициент передачи активного фильтра на частоте
;
a - коэффициент
затухания, определяет форму АЧХ на переходном участке и пульсацию АЧХ в полосе
пропускания.
Рис.
4.1. ФНЧ на основе схемы НМОС
Заданы
значения: A0 = 5, f0 = 100 Гц, a = 0.5.
Параметры
элементов активного ФНЧ на основе ОУ в неинвертирующем включении определяются
по формулам:
где
k - вспомогательный коэффициент,
A0 - коэффициент
передачи при нулевой частоте сигнала,
w0 = 2*p*f0=2*3.14*100=628 рад/с.
Зададимся
значением емкости C1 = 10/f0=10/100=0.1 мкФ. По формулам (3.1) - (3.5) найдем
параметры схемы.
Из
стандартного ряда принимаем:
C2 = 0.47 мкФ, C1 =
0.1 мкФ, R7 = 64.9 кОм, К8 = 1кОм, R9 = 4.64 кОм,
R10 = 18.7 кОм.
Построим
АЧХ, ФЧХ и АФХ.
где
q = 1/a = 2 - добротность,
w* = w/w0 - нормированная угловая частота.
Предварительно
с учетом стандартных значений сопротивлений и емкостей определим A0 и a.
1. Графики АЧХ
.
График ФЧХ
5. АКТИВНЫЙ
ВЫПРЯМИТЕЛЬ И СГЛАЖИВАЮЩИЙ ФИЛЬТР
В качестве активного выпрямителя используем активный двухполупериодный
выпрямитель на основе последовательного включения неинвертирующих ОУ (рис.
4.1).
Рис.
5.1 Двухполупериодный активный выпрямитель на основе последовательного
включения неинвертирующих ОУ
В
схеме выпрямление напряжения обеспечивается суммированием с помощью
инвертирующего усилителя DA2 сигнала пропорционального Uвх и
выпрямленного однополупериодного на основе DA1 сигнала
противоположной полярности, пропорционального Uвх. Соотношение
между элементами схемы должно быть таким, чтобы соблюдалось условие:
i1 = -0.5*i2 (рис. 4.2).
В качестве DA2 и DA3 используем операционный усилитель
(ОУ) К533УД2, входной ток которого равен:
Диоды
VD1 иVD2 выбираем типа КД522А.
Коэффициент
передачи выпрямителя принимаем
.
Входной
сигнал имеет амплитуду:
Сопротивление
найдем из условия, что ток через него в минимальном
режиме значительно больше (
)
входного тока усилителя ОУ
. При
этом примем входное напряжение в минимальном режиме значительно меньшим (
) амплитудного значения
.
Из
выражений (3.1), (3.2) и (3.3) следует, что
.
Принимаем
.
Из
тех же соображений, учитывая, что входное напряжение подводится к ОУ DA4
через резистор R14, имеем

.
Выбираем
R14 = 18кОм
.
Коэффициент
передачи однополупериодного выпрямителя на основе DA2
. С учетом этого
Ом.
Принимаем
.
Так
как ток через резистор R19 должен быть в 2 раза больше тока через резистор R14 и
справедливо соотношение
, то
Ом.
Выбираем
R19 = 9.1кОм
.
Сопротивление
резистора R15 находим из условия обеспечения общего коэффициента
усиления
:
Ом.
Принимаем
.
Сопротивление
R24 выбираем из условия симметрирования сопротивлений
схемы относительно входов DA3, т.е.
Ом.
Выбираем
R24 = 9.1кОм
.
Из
тех же соображений находим сопротивление резистора R26:
Ом.
Принимаем
R8 = 4.7кОм
.
Данная схема может быть использована для сглаживания выходного напряжения
выпрямителя с сохранением нулевого сопротивления выпрямителя. Для этого во
втором каскаде устанавливается интегрирующий конденсатор С4, емкость которого
равна 0.47мкФ.
Уравнение, описывающее процессы в схеме имеет вид
Умножив
левую и правую части на R15, получим
,
где
R15*Im - амплитуда напряжения.
Решение
уравнения имеет вид
,
где
- постоянная времени RC-цепи,
состоящей из резистора R15 и конденсатора С4, с;
T - период, с.
=
с
График
представлен на рис. 4.2.
6. РЕЛЕЙНЫЙ
ЭЛЕМЕНТ
6.1 Устройство и принцип действия
Релейные элементы представляют собой многокаскадные усилители постоянного
тока, охваченные положительной обратной связью. Принцип действия компаратора
основан на сравнении двух напряжений.
При достаточно медленно изменяющемся входном сигнале фронт напряжения на
выходе компараторов в момент их переключения не будет прямоугольным. Обычно во
входном сигнале имеются значительные высокочастотные составляющие (шум),
которые при достижении входным сигналом уровня переключения приводят к частым
переключениям (вибрации) компаратора. Устранить это явление, т.е. обеспечить
релейность компаратора, можно путем введения положительной обратной связи. При
этом после переключения компаратора, его порог переключения снижается, т.е.
возврат его в предшествующее состояние происходит при меньшем напряжении, что
обеспечивает надежность переключения и отсутствие вибрации при наличии
высокочастотных помех. Компаратор с положительной обратной связью, имеющий
гистерезисную характеристику переключения вида, показанного на рис. 5.1,
называется триггером Шмитта.
Рис. 6.1 Гистерезисная характеристика
6.2 Расчет параметров релейного элемента
На практике характеристика триггера смещается обычно влево или вправо
(рис. 5.1). Указанное обеспечивается подведением к инвертирующему входу ОУ
смещающего напряжения Eсм.
Переключение схемы происходит при равенстве потенциалов входов ОУ U1 и U2, откуда
Рис.
6.2. Релейный элемент на основе схемы инвертирующего триггера со смещенной
характеристикой
В
выражении (5.1) Eсм - алгебраическая величина, т.е. при положительном Eсм
петля гистерезиса смещается влево от оси ординат, а при отрицательном - вправо,
чему соответствует рис. 5.1.
При
проектировании триггера Шмитта необходимо выбрать ток ОУ Iд
делителей R19, R20, R21, R22, намного превосходящим входной ток ОУ Iвх,
что обеспечивает отсутствие влияния режима работы ОУ на пороги переключения uср, uв.
При заданном токе iд справедливы соотношения:
Решение
системы уравнений (5.1) совместно с указанными условиями позволяет однозначно
найти необходимые значения сопротивлений R19, R20, R21, R22.
При
этом
В
выражения (5.3) входят арифметические значения Uср, Uв, Eсм,
что соответствует
k1 > 0, k2
> 0 при всех возможных условиях.
Имеем
Uср = 2,86 В, Uв = 2,43 В, Eсм =
-15 В, Us = 14В, iвх = 0,4 мкА (для ОУ типа К140УД7). Принимаем iд =
100*iвх = 40 мкА.
Принимаем
R19 = 4,42 кОм, R20 = 348 кОм, R21 =
56,2 кОм, R22 = 316 кОм.
Стабилитрон
VD3 необходим на выходе релейного блока для согласования
уровней, т.к. последующим элементом является ИМС серии К1533, и поэтому
требуется получить однополярное напряжение на выходе блока. В качестве
стабилитрона выбираем КС147А, имеющего напряжение стабилизации 4,1 - 5,2 В.
Сопротивление R23 выбираем достаточным для обеспечения режима
стабилизации VD3. Принимаем R23 = 1,5 кОм.
7. ЛОГИЧЕСКИЙ
БЛОК
Логический блок предназначен для формирования сигнала на его выходе при
определенном, заранее заданном алгоритме входных сигналов. При этом входные и
выходные сигналы формируются в виде логического “0” или “1”, а количество их
может достигать любого целого числа.
Для построения ЛБ воспользуемся аппаратным принципом. Его сущность
заключается в использовании для построения ЛБ дискретных интегральных микросхем
(ИМС), монтажно-соединенных между собой определенным образом. Такие ЛБ носят
названия устройств с “жесткой логикой”.
Алгоритм работы ЛБ задан в виде таблицы истинности (табл. 6.1), где x1, x2, x3, x4, x5 - входные
логические переменные, y -
выходная логическая переменная.
Таблица 6.1
|
x5
|
x4
|
x3
|
x2
|
x1
|
y
|
|
0
|
0
|
0
|
0
|
1
|
1
|
|
0
|
0
|
0
|
1
|
1
|
1
|
|
0
|
0
|
1
|
0
|
1
|
1
|
|
0
|
0
|
1
|
1
|
1
|
0
|
|
0
|
1
|
0
|
0
|
1
|
1
|
1
|
0
|
1
|
1
|
0
|
|
0
|
1
|
1
|
0
|
1
|
0
|
|
0
|
1
|
1
|
1
|
1
|
0
|
|
1
|
0
|
0
|
0
|
1
|
1
|
|
1
|
0
|
0
|
1
|
1
|
1
|
|
1
|
0
|
1
|
0
|
1
|
1
|
|
1
|
0
|
1
|
1
|
1
|
1
|
|
1
|
1
|
0
|
0
|
1
|
0
|
|
1
|
1
|
0
|
1
|
1
|
1
|
|
1
|
1
|
1
|
0
|
1
|
0
|
|
1
|
1
|
1
|
1
|
1
|
1
|
Найдем логическую функцию и произведем ее минимизацию с помощью карты
Карно (табл. 6.2).
Таблица 6.2
|
x2x3 x5x4
|
00
|
01
|
11
|
10
|
|
00
|
1
|
1
|
1
|
0
|
|
01
|
1
|
0
|
0
|
0
|
|
11
|
1
|
1
|
1
|
1
|
|
10
|
0
|
1
|
0
|
1
|
На
основе минимизированной логической функции строим ЛБ.
Рис.
7.1 Структурная схема ЛБ на логических элементах серии К561 4 эл.2И-НЕ,
3эл.3И-НЕ, 2 эл.4И-НЕ,а также 1эл.3И, и 2 эл.2И.
8. Расчет аналогового элемента выдержки времени
Рис.8.1 Аналоговый элемент выдержки времени
На рис. 8.1 представлен ЭВВ с использованием заряда конденсатора. В
исходном состоянии, когда VT1
закрыт, конденсатор разряжен. При открытии транзистора VT1 конденсатор C4
заряжается по экспоненте через сопротивление R24. При достижении Uc напряжения срабатывания Uср
появляется сигнал на выходе ОУ Uвых и
выдержка времени заканчивается. Реагирующим элементом является ОУ типа К140УД7.
В качестве исходных данных берем время выдержки tB ЭВВ, равное 0,4 с.
Инверсный вход ОУ подключается к времязадающей цепи, а другой вход - к
делителю опорного напряжения.
Расчет делителя опорного напряжения.
Ток,
ответвляющийся от делителя в ОУ, должен быть намного меньше тока делителя:
. На практике
,
. Тогда сопротивление делителя опорного напряжения
Сопротивление
нижнего плеча делителя рассчитаем, исходя из требуемого опорного напряжения Uоп:
.
;
;
Принимаем
R26 = 1,40 МОм, R27 = 2,37 МОм.
После
расчета сопротивлений делителя уточним значение Uоп :
.
Расчет времязадающей цепи.
Сопротивление времязадающей цепи R25 рассчитаем исходя из обеспечения входного тока ОУ iвх в момент его срабатывания:
,
где
Uср » Uоп - напряжение
на конденсаторе C4 при срабатывании НИ,
iут = iут1+iут2,
iут1 = 0,5 мкА -
ток Iк0 транзистора VT1 КТ 345А,
iут2 = 0,4 мкА -
входной ток ОУ.
Тогда
;
Принимаем
R25= 6,19 МОм.
Время
выдержки определяется формулой:
,
где
τ - постоянная времени, определяемая как τ=R25·C4;
Uc0- напряжение UБЭS
транзистора VT1 (UБЭS=1,1 В).
Из
последнего выражения определяем
.
Определяем
емкость времязадающего конденсатора
.
Принимаем C4 = 0,011 мкФ.
Сопротивление
R24 необходимо брать равным
.
Берем
; принимаем R24 равным 154 кОм.
Значение
сопротивления R23 выбираем из условия насыщения транзистора VT1.
Для КТ 345 А Uбэs при Iб = 10 мА составляет 1,1 В. Тогда
где
3,5 В - выходное напряжение логической “1” ИМС серии
К561.
Принимаем
R23= 1 кОм.
Погрешность выдержки времени.
Определяем
абсолютное отклонение от номинального значения для
:
,
т.к.
для резисторов ряда Е96.
Максимальная
длительность выдержки времени:
,
где
;
для
конденсатора К73-17-63 В-0,011 мкФ ±10 %.
Относительное
отклонение выдержки времени:
.
Аналогично,
.
Итак,
получаем время выдержки АЭВВ tв=0,4±7 %.
9. Расчет цифрового элемента выдержки времени
Рис.9.1 Аналоговый элемент выдержки времени
Рис. 9.2 - Структурная схема ЦЭВВ
Цифровой элемент выдержки времени (ЦЭВВ) предназначен
в схеме данного ЭЭА для передачи сигнала с выхода ЛБ к ВО с определённой,
предварительно установленной выдержкой времени. Структурная схема представлена
на рис. 11.1.
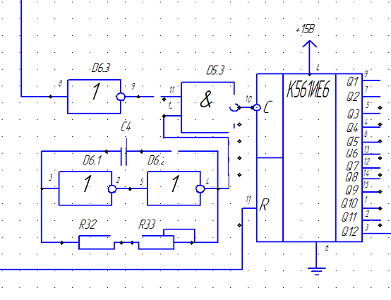
Схема включает в себя следующие основные блоки: ГТИ -
генератор тактовых импульсов, DC -
счётчик импульсов.
Схема ЦЭВВ представлена на рис. 11.2.
В схеме ЦЭВВ ГТИ образован на инверторах микросхемы
К561ЛН2 и время задающей цепи R32 -
С4. Счёт времени производится 12-ти разрядным счётчиком К561ИЕ16.
В данной схеме в исходном состоянии на входе
присутствует уровень логической «1». Тем самым на выходах счётчика будет
уровень логической «0», т.е. отсчёт времени не происходит.
В момент появления на выходе ЛБ логического «0»,
счётчик-делитель начинает отсчитывать импульсы ГТИ, т.е. начинается отсчёт
времени. По окончании отсчёта на соответствующем выходе появится логическая
«1».
Расчёт будем производить для 13-ого разряда, т.е.
количество циклов N = 8192.
Таким образом, период импульсов будет:
где
tср - выдержка времени ЦЭВВ;
Следовательно,
частота генерации:
Рис.
9.3 - Заряд-разряд конденсатора
Для
выбранной схемы ГТИ рассчитаем зависимость периода от номиналов времязадающих
элементов.
1) т.к. генератор постоянно работает, то нет
необходимости учитывать его пуск, т.е известны уровни напряжения с которых
конденсатор заряжается (U0 -
напряжение логического «0» на выходе счётчика К561ЛН2) и разряжается (U1 - напряжение логической «1» на
выходе счётчика К561ЛН2)
2) времязадающая цепь реализована на RС цепочке, соответственно постоянные
времени заряда и разряда будут равны между собой (τз = τр = R28 · С3), так же как и время заряда и разряда (tз = tр) (см. рис. 11.4), т.е. период будет: T = tз + tр =
2· tр.
Время разряда определяется по следующему выражению:
Следовательно, можем получить выражение для вычисления
частоты генерации для данной схемы ГТИ:
где
U0 - напряжение логического «0» на выходе счётчика
К561ЛН2 (U0 = 2,5 В, Uпит = 15 В);
U1 - напряжение
логической «1» на выходе счётчика К561ЛН2 (U1 = 12,5 В, Uпит
= 15 В).
С
учётом этих напряжений:
Из рекомендаций к ГТИ выбираем сопротивление R32 = 360±2% кОм, и вычисляем значение
ёмкости времязадающего конденсатора:
Принимаем
для конденсатора серии К73-16 С3 = 1,0±5% нФ.
Уточним
значение частоты:
Таким
образом будет обеспечиваться следующая выдержка времени:
Для
более точной настройки ЦЭВВ на практике используют подстроенные резисторы.
Используя данный тип резисторов можно, с достаточной степенью точности,
отстроится от погрешностей выдержки времени, вызванных отклонениями значений
резисторов и конденсаторов от номинальных.
Из
выражения для определения частоты ГТИ:
где
R28 учитывает введение подстроечного резистора R33.
Выразим
сопротивление подстроенного резистора R33.
Расчёт
при различных комбинациях отклонений от номинальных даёт ряд значений, из
которых выбираем минимальное и максимальное значение подстроечного резистора:
R33 = 860
36952 Ом.
Выбирается
подстроечный резистор СП5-3 охватывающий данный 3 сопротивлений R33 =
470 47000 Ом.
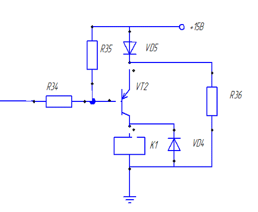
10. Расчет контактного выходного органа
Рис.10.1 Контактный выходной орган
Выходной орган в схеме данного ЭЭА предназначен для
усиления сигнала, появляющегося на выходе ЭВВ. Схема представлен рис. 12.1.
В
качестве исходных данных примем UK = 20 В, Iк = 0,5 А, nк =
1п. По этим данным выбираем промежуточное реле РПГ-3-2301УЗ со следующими
параметрами: nк = 1п, UH = 24 В, Рпотр = 0,3 Вт,
,
.
Номинальный
ток реле
.
Выбираем
транзистор VT2 типа КТ3102А.
Резистор
R30 рассчитаем из условия насыщения транзистора VT3.
где
- напряжение логической «1» на выходе счётчика,
= 14 В;
-
напряжение насыщения на базо-эмиттерном переходе транзистора VT3,
= 0,8 В;
- ток
насыщения базы, IбS = 0,5 мА.
Таким
образом, получим:
Принимаем
для резисторов серии C2-23 из ряда Е192 R34 = 26,4±2%
кОм.
Т.к.
в катушке запасается значительная энергия, то при запирании транзистора диод
открывается и электромагнитная энергия разряжается в контуре катушка-диод.
Поэтому необходимо, чтобы прямой ток диода VD5 превышал ток
обмотки реле K1. Этому условию удовлетворяет диод КД102А Iпр =
50 мА.
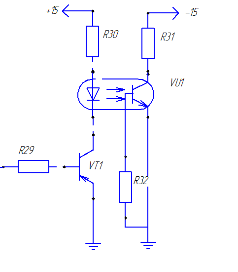
11. Расчет бесконтактного выходного органа
Рис.11.1 Бесконтактный выходной орган
Бесконтактный ВО в схеме данного аппарата предназначен для усиления
сигнала, появляющегося на выходе блока выдержки времени. Данный ВО выполнен с
применением оптрона. Его схема показана на рис. 11.1.
В диагональ выпрямительного моста включена выходная цепь оптопары. При
подаче управляющего сигнала на транзистор VT1 оптопара переходит в открытое состояние, и через нагрузку
течет переменный ток. При снятии управляющего сигнала оптопара запирается в
момент прохождении выходного тока через нуль.
Выбираем элементы схемы:
транзистор VT1 - КТ315Г;
оптрон VU1 - АОУ103А;
диодный мост V1 - КЦ407А.
При срабатывании VT2
открыт, и по оптрону VU1
протекает ток 20 мА, который задается резистором R30
где
Uкэs - напряжение коллектор - эмиттер в режиме насыщения,
UVU - падение
напряжения на оптроне,
IVU - ток
оптрона.
Принимаем
R30 = 620 Ом.
R29 найдем из
условия, что входной ток Iвх равен току коллектора транзистора VT2: Iвх =
IкVT2 = 100 мА.
где
Uвх - напряжение насыщения ОУ DA6,
Uбэs -
напряжение насыщения база - эмиттер транзистора VT2,
Iб = Iвх /
b - ток базы.
.
Принимаем R29 = 6,2 кОм.
Сопротивление нагрузки R31
где
Uк, Iк - коммутируемые ВО напряжение и ток.
Принимаем
R31 = 430 Ом.
12. Расчет блока сигнализации
Блок сигнализации (БС) предназначен для предупреждения персонала,
обслуживающего ЭА, о его срабатывании. Необходимость в таком предупреждении
определяется тем, что срабатывание ЭА, как правило, кратковременно, на время
порядка несколько секунд.
Принцип действия БС заключается в фиксации сигнала, появляющегося хотя бы
кратковременно, при срабатывании ЭА и запоминании сигнала срабатывания на сколь
угодно длительное время. Возврат БС в исходное состояние осуществляется
автоматически или в ручную, например по команде обслуживающего персонала.
Реализация указанных выше принципов, положенных в основу построения БС,
наиболее просто осуществляется с помощью электронных схем, выполненных на базе RS - триггеров.
Воспользуемся таблицей истинности инверсного RS - триггера (табл. 12.1).
Табл.12.1
|
Такт t
|
Такт t+1
|
|
S
|
R
|
Q
|
|
|
0
|
1
|
1
|
0
|
|
1
|
0
|
0
|
1
|
|
1
|
1
|
Qt
|
t
|
|
0
|
0
|
запрет
|
Из
нее следует, что операция “память” обеспечивается при подаче на входы R и S
сигналов логической “1”. Поэтому в исходном состоянии на оба входа должны быть
поданы сигналы “1”. Учитывая, что входной сигнал в несработанном состоянии
равен “0”, необходимо подавать его на установочный вход S
через инвертор, что обеспечивает перевод триггера в единичное состояние при
входном сигнале в режиме срабатывания, равном “1”. Установка триггера в нулевое
состояние (возврат) осуществляется при подаче сигнала “0” на вход R.
Указанную операцию целесообразно осуществить вручную с помощью ключа,
замыкающего кратковременно вход R на нуль питания. Таким образом, в исходном состоянии
на выходе Q будет иметь место сигнал “0”, на выходе
- сигнал “1”. Следовательно, подключение светодиода,
обеспечивающее световую индикацию срабатывания ЭА, необходимо осуществить к
инверсному выходу RS - триггера.
С
учетом вышесказанного принципиальная схема БС имеет вид, представленный на рис.
12.1.
Рис.12.1 Блок сигнализации: RS - триггер выполнен на трех элементах 2И - НЕ (микросхема К561)
Выбираем сопротивление R37 из
условия, что ток протекающий через него, должен быть меньше или равен входного
тока логической «1» микросхемы К561, для которой I1вх=10 мкА, входное
напряжение логической «1» для микросхем этой серии составляет U1вх=3,5 В.
, откуда
.
На
практике сопротивление R51 обычно выбирают в пределах от 1 до 10 кОм; примем по
стандартному ряду Е24 R37=10±5%, кОм.
Прямой
ток светодиода VD5 не должен превышать максимального тока нагрузки (для
микросхем серии К561 112 мА).
Выбираем
светодиод АЛ307БМ:прVD=20 мА, UVD=2,8 В.
Сопротивление
R38 рассчитывается по формуле:
Принимаем
по стандартному ряду Е24 R38=560 Ом.
Список использованной литературы
1. Основы
теории электронных электрических аппаратов: Методические указания к выполнению
курсовых проектов/ Чуваш. ун-т. Чебоксары,1990. - 64 с.: ил.
2. Шнеерсон
Э.М. Проектирование трансформаторных преобразователей тока и напряжения
устройств автоматики: Учебное пособие/ Чуваш. ун-т. Чебоксары, 1989. - 70 с.:
ил.
. Шнеерсон
Э.М. Линейные преобразователи аналоговых сигналов в электрических аппаратах
автоматики: Учебное пособие/ Чуваш. ун-т. Чебоксары, 1990. - 70 с.: ил.
. Шнеерсон
Э.М. Нелинейные преобразователи аналоговых сигналов в электрических аппаратах
автоматики: Учебное пособие/ Чуваш. ун-т. Чебоксары, 1989. - 68 с.: ил.
. Резисторы:
Справочник/В.В.Дубровский, Д.М.Иванов, М.Я.Прагусевич и др.; Под общ. ред.
И.И.Четверткова и В.М.Терехова. - М.: Радио и связь, 1987. - 355 с.:ил.
. Справочник
по электрическим конденсаторам/ М.Н.Дьяконов, В.И.Карабанов, В.И. Присняков и
др.: Под общ. ред. И.И.Четверткова и В.Ф.Смирнова. - М.: Радио и связь, 1983. -
576 с.:ил.
. Справочник
по интегральным микросхемам / Под ред. В.В.Тарабрина. - М.: Энергия, 1990. -
816 с.:ил.
. Полупроводниковые
приборы: Транзисторы: Справочник / В.А.Аронов, А.В.Баюков, А.А.Зайцев и др.;
Под общ. ред. Н.Н.Горюнова. - М.: Энергоиздат, 1985. - 904 с.:ил.
. Полупроводниковые
приборы: Диоды, тиристоры, оптоэлектронные приборы: Справочник / А.В.Баюков,
А.Б.Гитцевич, А.А.Зайцев и др.; Под общ. ред. Н.Н.Горюнова. - М.: Энергоиздат,
1982. - 744 с.:ил.