|
H, мм
|
H1, мм
|
В, мм
|
В1, мм
|
L, мм
|
L1, мм
|
d, мм
|
L2, мм
|
Масса, кг
|
|
500
|
225
|
125
|
160
|
115
|
300
|
2xM12
|
440
|
30
|
Расчет
токоведущих частей контактора
Параметры поперечного сечения определяются формулой 1 [1]:
где
и S - периметр сечения и его площадь;
- удельное электрическое сопротивление проводника; Кт -
коэффициент теплоотдачи с поверхности проводника (
); Тдоп - допустимая
температура нагрева по ГОСТ 8865; Токр - температура
окружающей среды (35-40 С);
- температурный коэффициент сопротивления, Кпэ и Кбл
- коэффициенты поверхностного эффекта и эффекта близости (поскольку необходимо
спроектировать контактор на постоянный ток, то принимаем Кпэ=1 и Кбл=1).
Расчет размеров контактной пластины выполним в программе «Контур»,
интерфейс которой представлен на рис. 2. Введя в программе основные параметры
проводников, получаем ширины и длину пластины.
а=27 мм;
b=14 мм.
Зная толщину и длину пластины, можно найти ее периметр и площадь
сечения.
Рис. 2. Расчет размеров контактной пластины в программе
«Контур»
Максимальная температура
электрического аппарата при повторно-кратковременном режиме нагрева меньше, чем
при продолжительном при условии равенства мощностей источников теплоты в том и
другом случаях. Поэтому вводится коэффициент перегрузки по мощности
, который
показывает во сколько раз можно увеличить мощность источников теплоты в
электрическом аппарате при повторно-кратковременном режиме работы по сравнению
с мощностью при продолжительном режиме при равенства допустимой температуры в
том и другом случаях.
Поскольку при прочих равных условиях
мощность источников теплоты в большинстве случаев пропорциональна квадрату
тока, то вводят коэффициент перегрузки по току, который равен
. Дальнейший
расчет токоведущих частей аппарата будем проводить по эквивалентному току,
который определяется:

Эквивалентный ток нагрева токоведущей части и контактов
электрической дугой определяется зависимостью ВНИИР:
После нахождения эквивалентного тока
необходимо произвести перерасчет размеров контактной пластины с новым значением
тока.
Рис. 3. Расчет размеров контактной пластины в программе
«Контур» при протекании эквивалентного тока
В результате расчета получаем геометрические размеры
контактной пластины:
a=29 мм; b=15 мм.=88 мм; S=435 ммІ.
Расчет
токов термической стойкости
Расчет токов термической стойкости проводится в программе
«Контур». Результаты расчеты представлены на рис. 3. В итоге для трех значений
времени t=1,
5 и 10 с получаем три значения тока термической стойкости.
При tk=1с допустимый ток Iдоп(1)=65,4кА.
При tk=5с допустимый ток Iдоп(5)=29,3кА.
При tk=10с допустимый ток Iдоп(10)=20,7кА.
Расчет
контактной системы.
Для расчета силы контактного нажатия воспользуемся формулой
для сильноточных контактов с учетом отвода тепла по токоведущим шинам и их
теплообмена с окружающей средой:
где
σсм - сопротивление смятия материалов контакта;
ρ и λ - удельное электрическое сопротивление и
теплопроводность материала контактов;
I - номинальный ток нагрева;
p и S - периметр и площадь сечения контактной
пластины;
Tкд и Tк - допустимая и реальная температура контактов (обычно Tкд не превышает Tкд более, чем на 5-10єС).
Электродинамическая сила отталкивания контактов:
где
Для
Ток горячего сваривания определим по формуле:
Ток «холодного» сваривания можно определить по той же формуле,
подставив в нее температуру рекристаллизации материала Трк вместо Тпл.
Результатом расчета являются следующие величины:
- сила контактного нажатия;
- ЭДУ в контактах;
- ток холодного сваривания контактов.
Расчет
контактных соединений
Примем величину удельного давления в контактирующих частях,
выполненных из меди,
Кажущаяся плотность тока:
Площадь поверхности контактирования:
Сила контактного нажатия:
При этом можно использовать 4 болта из стали Ст. 3 с
диаметром резьбы 8 мм.
Сила на 1 болт:
Переходное сопротивление контактирующих поверхностей (при
коэффициент, зависящий от
материала и состояния поверхности контактирующих поверхностей,
- коэффициент, зависящий
от числа точек соприкосновения и типа контактов):
Омическое сопротивление:
где
- величина перекрытия контактного соединения;
- поправочный коэффициент;
Общее сопротивление контактного соединения равно
Полная наружная поверхность контактного соединения:
Превышение температуры контактного соединения:
Температура нагрева в номинальном режиме:
- контактное соединение заданных размеров не
является источником тепла в токоведущем контуре аппарата.
Определим ток приваривания контактов:


Величина тока приваривания значительно превышает величину
отключаемого тока и значение отключаемого тока в режиме редких коммутаций DC4 Iо=4Iном=2,5кА. Следовательно, при данной силе контактного
нажатия и при протекании как номинального тока, так и тока КЗ контактные
соединения не сварятся.
Расчёт
раствора контактов
Расчет раствора контактов проводится в программе «Дуга». Окно
программы представлено на рис. 4. Предварительно по кривой Пашена необходимо
определить значение pl для U=5Uном.
При U=220В pl=8000
.
Рис. 4. Расчет раствора контактов в программе «Дуга»
В результате расчета получаем необходимый раствор контактов,
равный 240,9 мм. Такое расстояние неприемлемо, поэтому необходимо использовать
дугогасительную камеру. Предварительная величина раствора контактов принимается
равной β=0,8 мм.
Расчёт контактной пружины
Для расчета контактной пружины зададимся индексом
и жесткостью пружины
С=160 Н/мм, а также выберем материал пружины - сталь углеродистая нормальной
прочности. Тогда допустимое напряжение кручения
а модуль сдвига
Диаметр проволоки пружины d:
Pк - сила контактного нажатия;
Число витков пружины N:
C - принятая ранее жесткость пружины.
Принимаем N=2 витка.
Диаметр пружины D:
Проверка механических напряжений в пружине
Расчёт
возвратной пружины
Для возвратной пружины примем следующие значения жесткости и
силы контактного нажатия:
Жесткость пружины С=15 Н/мм,
Также зададимся индексом
Диаметр проволоки пружины d:
Число витков пружины N:
Принимаем N=13 витков.
Диаметр пружины D:
Проверка механических напряжений в пружине
Расчёт износа дугогасительных контактов
На рис. 5 представлено окно программы «Контур», где
производился расчет износа контактов. Итогом этого расчета является значение
провала контактов, которое составило
Окончательно примем
Поскольку величина провала контактов оказалась больше ранее
принятого значения раствора β=0,8 мм, то необходимо
подкорректировать значение последнего. Окончательная величина раствора
контактов принимается равной β=20 мм.
Рис. 5. Расчет провала контактов в программе «Контур»
Рис. 6. Тяговые характеристики пружин аппарата
Расчёт
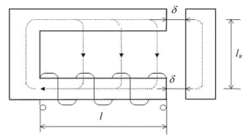
магнитной системы
Начальный зазор якоря: δн= β +
Определим конструктивный фактор
На основе зависимости Bδ от
(рис. П3.5 из [2]) находим, что
Bδ=0,2 Тл.
Найдем площади полюса и якоря:
Зададимся размерами магнитопровода:
a= 40 мм; R0=40 мм; с=3 мм; dс= 35 мм; h= 28 мм; e=0 мм.
Рис. 7. Основные размеры магнитопровода
Рис. 8. Дополнительные размеры магнитопровода
Расчёт
проводимостей
Проводимость зазора:
Удельная проводимость рассеяния:
Алгоритм
расчета магнитной системы по участкам
Для расчёта магнитной системы методом участков разобьем длину
сердечника на n
участков и определим удельную МДС f=F/l. Обозначим длины участков
как ∆xi и составим схему
замещения магнитной цепи. Введем обозначения:
Rмя - магнитное сопротивление
якоря;
RδΣ - суммарное магнитное сопротивление зазоров;
Rм1, RмІ - магнитные сопротивление
участков магнитопровода;
Rd1, Rd2 - магнитное сопротивление
рассеяния;
Rм0 - магнитное сопротивление
основания
Рис. 9. К расчету магнитной системы электромагнита методом
участков
F'=1,25 (Uмδ+Uмя), где
Uмδ - магнитное напряжение в зазоре;
Uмя - магнитное напряжение в
якоре;
Найдём МДС по формуле:
F= Uмδ+ Uмя+ Uм0+ΣUмi
Расчёт должен проводиться до тех пор, пока расхождение междуF и F' не станет меньше
допустимого.
На начальном этапе расчёта по известному магнитному потоку в
зазоре определяется магнитная индукция в зазоре:
Bя= Φδ/Sя, где
Sя - площадь сечения якоря.
Затем по кривой намагничивания выбранного материала
магнитопровода находится значение Hя, а по нему магнитное
напряжение в якоре:
Uмя=Hяlя, где lя - длина якоря.
Магнитное напряжение в зазоре:
Uмя= ΦδRδΣ
Поток рассеяния на первом участке:
Φd1= (Uмδ+ Uмя)/Rd1
Поток в сердечнике на первом участке:
Φ1= Φd1+ Φδ
Магнитная индукция на первом участке:
B1= Φ1/S, где S - площадь сечения сердечника.
По кривой намагничивания находится напряжённость магнитного
поля для первого участка H1, а по нему магнитное напряжение на первом
участке:
Uм1=H1∆x1, где
∆x1 - длина 1-ого участка.
Поток рассеяния на втором участке:
Φd2= (Uмδ+ Uмя+ Uм1 - ∆x1)/Rd2, гдеf=F'/l=1,25 (Uмδ+Uмя)/l
И так далее для каждого участка.
Расчет производится для магнитопровода, выполненного из стали
20880.
Рис. 10. Кривая намагничивания стали 20880
Рис. 11. Окно программы «Магнит» с исходными данными и
результаты расчета
Рис. 12. Зависимость индукции в зазоре от МДС обмотки
Для полученной МДС 6423 А, используя кривые зависимости
магнитной индукции от МДС для различных значений воздушного зазора (рис. 12)
найдем значения магнитной индукции, а по ним при помощи формулы Максвелла (
) значения
электромагнитной силы. Результаты представлены в табл. 2
Табл. 2. Зависимость силы и индукции от величины зазора
|
зазор б, мм
|
B, Тл
|
F, Н
|
|
22
|
0,4
|
124,9968
|
|
16
|
0,5
|
156,2981
|
|
11
|
0,67
|
259,4756
|
|
6
|
1,02
|
601,3777
|
|
1
|
1,45
|
1215,299
|
Рис. 13. Согласование характеристик пружин и электромагнита
Для всех значений зазора характеристика электромагнитной силы
лежит выше суммарной характеристики противодействующих усилий. На основание
этого можно сделать заключение о работоспособности спроектированного
электромагнита.
Вывод
Размеры дугогасительного устройства аналога получились
незначительно больше, чем размеры спроектированного устройства. Это можно
объяснить тем, что при проектировании была принята идеальная модель. Реальные
устройства проектируются с учетом опыта эксплуатации, результатов испытаний
опытных образцов. Поэтому полученные расхождения можно считать приемлемыми.
Список литературы
1. И.С.
Таев Расчет электромагнитных коммутационных реле и контакторов // Московский
энергетический институт, 1997 г.
2. А.В.
Савельев Проектирование электромеханических аппаратов автоматики с применением
ЭВМ // Московский энергетический институт, 1998 г.
. Е.Г.
Акимов Проектирование дугогасительных устройств контакторов // Московский
энергетический институт, 1982 г.
. Ю.К.
Розанов Электрические и электронные аппараты // Информэлектро, 2001 г.