Проектирование тракта передачи данных между источником и получателем информации
Введение
Актуальность курсовой работы: Развитие телекоммуникационных сетей привело
к необходимости в более подробном изучении цифровых систем передачи данных.
Этому посвящена дисциплина «Технологии цифровой связи», которая излагает
принципы и методы передачи цифровых сигналов, научные основы и современное
состояние технологий цифровой связи; дает представление о возможностях и
естественных границах реализации цифровых систем передачи и обработки, уясняет
закономерности, определяющие свойства устройств передачи данных и задачи их
функционирования.
Новизна и практическая значимость. Курсовой проект по данной дисциплине
позволяет более подробно изучить разделы данной дисциплины.
Целью данной курсовой работы является освоение курса «Технологии цифровой
связи» и получение навыков в решении задач.
В курсовой работе необходимо спроектировать тракт передачи данных между
источником и получателем информации. Так как необходима высокая верность
передачи, то при проектировании используется система с решающей обратной связью,
непрерывной передачей и блокировкой приемника. Для кодирования используется
циклический код.
Оценка современного состояния решаемой проблемы: с развитием компьютерных
технологий для моделирования телекоммуникационных систем стали использоваться
программные средства. В связи с этим в работе необходимо собрать схему
кодирующего и декодирующего устройства циклического кода с использованием
модуляции и демодуляции и с использованием пакета «System View».
Объект исследование: система передачи информации.
1 Теоретическая часть
.1 Модель частичного описания дискретного канала (модель Пуртова Л.П.)
Зависимость вероятности появления искаженной комбинации от ее длины n и вероятность появления комбинации
длиной n с t ошибками.
Зависимость вероятности появления искаженной комбинации от ее длины n характеризуется как отношение числа
искаженной комбинации к общему числу переданных кодовых комбинаций.
. (1)
Эта вероятность является неубывающей величиной функции n. Когда n=1, то Р=РОШ, когда
, Р=1.
В модели Пуртова вероятность вычисляется:
, (2)
где α - показатель группирования ошибок.
Если α = 0, то пакетирование ошибок отсутствует и появление ошибок следует
считать независимым.
Если 0.5 < α < 0.7, то это пакетирование ошибок наблюдается на
кабельных линиях связи, т.к. кратковременные прерывания приводят к появлению
групп с большой плотностью ошибок.
Если 0.3 < α < 0.5, то это пакетирование ошибок наблюдается в
радиорелейных линиях связи, где наряду с интервалами большой плотности ошибок
наблюдаются интервалы с редкими ошибками.
Если 0.3 < α < 0.4, то наблюдается в радиотелеграфных каналах.
Распределение ошибок в комбинациях различной длины оценивает и вероятность
комбинаций длиной n c t наперед заданными ошибками.
. (3)
Сравнение результатов вычисленных значений вероятностей по формулам (2) и
(3) показывает, что группирование ошибок приводит к увеличению числа кодовых
комбинаций, пораженных ошибками большей кратности. Также можно заключить, что
при группировании ошибок уменьшается число искаженных кодовых комбинаций,
заданной длины n. Это понятно
также из чисто физических соображений. При одном и том же числе ошибок пакетирование
приводит к сосредоточению их на отдельных комбинациях (кратность ошибок
возрастает), а число искаженных кодовых комбинаций уменьшается.
.2 Виды модуляции
Сигналы формируются путём изменения тех или иных параметров физического
носителя в соответствии с передаваемым сообщением. Этот процесс (изменения
параметров носителя) принято называть модуляцией.
Общий принцип модуляции состоит в изменении одного или нескольких
параметров несущего колебания (переносчика) f (t,
, ...) в соответствии с передаваемым
сообщением. Так если в качестве переносчика выбрано гармоническое колебание
то можно образовать три вида
модуляции: амплитудную (AM),
частотную (ЧМ) и фазовую (ФМ).
Рисунок 1. Формы сигналов при двоичном коде для различных видов
дискретной модуляции
данные передача
дискретный канал
1.2.1 Амплитудная модуляция
Амплитудная модуляция состоит в пропорциональном первичному сигналу x(t) изменении амплитуды переносчика
.
В простейшем случае гармонического сигнала
амплитуда
. (4)
В результате имеем АМ колебание:
. (5)
Рисунок 2. Графики колебаний
.
Рисунок 3. Спектр АМ колебания
На рисунке 2 изображены графики колебаний
. Огибающая АМ колебания
соответствует выражению (3) Максимальное отклонение амплитуды
от
представляет амплитуду огибающей
; согласно (3)
. Отношение амплитуды огибающей к амплитуде несущего
(немодулированного) колебания
. (6)
называется коэффициентом модуляции. Обычно
. Коэффициент модуляции, выраженный в
процентах, т. е. (m 100)%, называют
глубиной модуляции. Коэффициент модуляции пропорционален амплитуде
модулирующего сигнала.
Используя (5), выражение (4) записывают в виде
. (7)
Для определения спектра АМ колебания раскроем скобки в выражении (6):
. (8)
Согласно (7) АМ колебание является суммой трех высокочастотных
гармонических колебаний близких частот (поскольку
или
):
а) колебания несущей частоты f0 с амплитудой U0,
б) колебания верхней боковой частоты f0+F с амплитудой
,
в) колебания нижней боковой частоты f0-F с такой же
амплитудой
.
Спектр АМ колебания (7) приведен на рисунке 3. Ширина спектра равна
удвоенной частоте модуляции: ∆fAM=2F. Амплитуда несущего колебания при
модуляции не изменяется; амплитуды колебании боковых частот (верхней и нижней)
пропорциональны глубине модуляции, т. е. амплитуде Х модулирующего сигнала. При
m=1 амплитуды колебаний боковых частот
достигают половины несущей (0,5U0).
Несущее колебание никакой информации не содержит, и в процессе модуляции
оно не меняется. Поэтому можно ограничиться передачей только боковых полос, что
и реализуется в системах связи на двух боковых полосах (ДБП) без несущей.
Больше того, поскольку каждая боковая полоса содержит полную информацию о
первичном сигнале, можно обойтись передачей только одной боковой полосы (ОБП).
Модуляция, в результате которой получаются колебания одной боковой полосы,
называется однополосной (ОМ).
Очевидными достоинствами систем связи ДБП и ОБП являются возможности
использования всей мощности передатчика на передачу только боковых полос (двух
или одной) сигнала, что позволяет повысить дальность и надежность связи. При
однополосной модуляции, кроме того, вдвое уменьшается ширина спектра
модулированного колебания, что позволяет соответственно увеличить число
сигналов, передаваемых по линии связи в заданной полосе частот.
1.2.2 Угловая модуляция
Рассмотрим особенности обоих видов угловой модуляции: фазовой и частотной.
Фазовая модуляция заключается в пропорциональном первичному сигналу x(t) изменении фазы φ переносчика
. (9)
где а - коэффициент пропорциональности. Амплитуда колебания при фазовой
модуляции не изменяется, поэтому аналитическое выражение ФМ колебания
. (10)
Если модуляция осуществляется гармоническим сигналом x(t) =Xsin Ωt, то мгновенная фаза
. (11)
Первые два слагаемых (10) определяют фазу немодулированного колебания,
третье - изменение фазы колебания в результате модуляции.
Фазомодулированное колебание наглядно характеризуется векторной
диаграммой рисунок 4, построенной на плоскости, вращающейся по часовой стрелке
с угловой частотой w0.
Немодулированному колебанию соответствует неподвижный вектор U0. Фазовая модуляция заключается в
периодическом с частотой Ω повороте вектора U относительно U0 на угол ∆φ(t)=aXsinΩt. Крайние положения вектора U обозначены U’ и U’’. Максимальное
отклонение фазы модулированного колебания от фазы немодулированного колебания
M=∆φmax=aX. (12)
называется индексом модуляции. Индекс модуляции М пропорционален
амплитуде Х модулирующего сигнала. Он в такой же степени характеризует ФМ
колебание, как коэффициент модуляции т - AM колебание.
Используя (11), перепишем ФМ колебание (9) как
. (13)
Мгновенная частота ФМ колебания
. (14)

Таким образом, ФМ колебание в разные моменты времени имеет различные
мгновенные частоты, отличающиеся от частоты несущего колебания
на величину
, что позволяет рассматривать ФМ
колебание как модулированное по частоте.
Наибольшее отклонение частоты ω от ω0 называется девиацией частоты ∆ωД. Согласно (13):
∆ωд =MΩ или ∆fД =MF. (15)
Частотная модуляция заключается в пропорциональном первичному сигналу x(t) изменении мгновенной частоты переносчика:
ω=ω0+ax(t). (16)
где а - коэффициент пропорциональности. Мгновенная фаза ЧМ колебания:
.
Аналитическое выражение ЧМ колебания с учетом постоянства амплитуды можно
записать в виде:
. (17)
В простейшем случае модуляции гармоническим колебанием
мгновенная частота
, где
- девиация частоты, т. е. максимальное ее отклонение от несущей
частоты ω0, вызванное модуляцией. Аналитическое
выражение этого ЧМ колебания:
.
Слагаемое
характеризует изменение фазы, получающееся при ЧМ. Это
позволяет рассматривать ЧМ колебание, как ФМ колебание с индексом модуляции
, (18)
и записать его аналогично:
. (19)
Из сказанного следует, что ФМ и ЧМ колебания имеют много общего. Так
колебание вида (18) может быть результатом как ФМ, так и ЧМ гармоническим первичным
сигналом. Кроме того, ФМ и ЧМ характеризуются одними и теми же параметрами
(индексом модуляции М и девиацией частоты ∆fД), связанными между собой одинаковыми соотношениями: (14) и
(17).
Наряду с отмеченным сходством частотной и фазовой модуляции между ними
имеется и существенное отличие, связанное с различным характером зависимости
величин М и ∆fД от частоты F первичного
сигнала:
при ФМ индекс модуляции не зависит от частоты F, а девиация частоты
пропорциональна F;
при ЧМ девиация частоты не зависит от частоты F, а индекс модуляции
обратно пропорционален F.
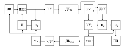
1.3 Структурная схема системы с РОСнп и блокировкой и структурная схема
алгоритма работы системы
Структурная схема системы с РОСнп и блокировкой (рисунок 5) аналогична
структурной схеме с решающей обратной связью и ожиданием решающего сигнала
(РОС-ож).
Передача информации в системе осуществляется следующим образом. При
поступлении от источника информации ИИ кодовой комбинации происходят ее
кодирование помехоустойчивым кодом (в КУ) и запись в накопитель передачи Н1.
Закодированная информация передается по прямому дискретному каналу.
Принятая из прямого дискретного канала (ДКпр) кодовая комбинация
декодируется (в ДКУ) и записывается в накопитель приема Н2. Комбинация может
быть декодирована правильно, т.е. соответствовать переданной кодовой
комбинации; она может содержать необнаруженную ошибку в результате перехода
переданной кодовой комбинации в другую разрешенную кодовую комбинацию; наконец,
в результате декодирования может быть обнаружена ошибка (если переданная
кодовая комбинация перешла в неразрешенную). Вероятность наступления каждого из
трех указанных событий зависит от характеристик дискретного канала,
помехоустойчивого кода и метода декодирования.
В зависимости от результатов декодирования решающее устройство РУ
принимает решение о выдаче кодовой комбинации из накопителя приема через схему
И2 потребителю или о ее стирании в накопителе. Первое из этих решений
принимается в случае отсутствия ошибок или при необнаруженных ошибках, а второе
- при обнаружении ошибок. В первом случае одновременно с выдачей кодовой
комбинации получателю информации ПИ устройством управления УУ2 и устройством
УФС формирования сигнала ОС формируется сигнал подтверждения, который по
обратному дискретному каналу (ДКобр) передается в передатчик. После получения
сигнала подтверждения и его декодировании в УДС УУ1 передатчика запрашивает у
источника информации следующую кодовую комбинацию и описанный выше цикл работы
повторяется. Схема И1 при этом закрыта, поэтому при поступлении новой кодовой
комбинации ранее переданная комбинация в накопителе стирается. Во втором случае
одновременно с решением о стирании в УФС формируется сигнал переспроса, который
по обратному дискретному каналу передается в передатчик. После получения и декодирования
сигнала переспроса из накопителя передачи через схему ИЛИ повторно передается
та же кодовая комбинация.
Рисунок 5. Структурная схема системы с РОС
Рисунок 6. Структурная схема алгоритма системы с РОСНП
2 Расчетная часть
.1 Определение оптимальной длины кодовой комбинации, при которой
обеспечивается наибольшая относительная пропускная способность
Рассчитаем пропускную способность R, соответствующую заданному значению n, по формуле (20).
(20)
|
n
|
a
|
b
|
c
|
d
|
e
|
R
|
r
|
|
31
|
0,107097
|
0,537547
|
1,920819
|
9,322581
|
0,002511
|
0,719468592
|
8,16177574
|
|
63
|
0,052698
|
0,700776
|
1,920819
|
6,619048
|
0,003505
|
0,841852769
|
8,70369533
|
|
127
|
0,026142
|
0,862142
|
1,920819
|
5,299213
|
0,004873
|
0,903306325
|
9,23942873
|
|
255
|
0,01302
|
1,022592
|
1,920819
|
4,647059
|
0,006762
|
0,93146092
|
9,7721238
|
0,006497
|
1,182589
|
1,920819
|
4,322896
|
0,009374
|
0,940130931
|
10,3033131
|
|
1023
|
0,003245
|
1,34236
|
1,920819
|
4,16129
|
0,01299
|
0,935926818
|
10,8337529
|
|
2047
|
0,001622
|
1,502018
|
1,920819
|
4,080606
|
0,017997
|
0,921418374
|
11,3638187
|
|
4095
|
0,000811
|
1,66162
|
1,920819
|
4,040293
|
0,02493
|
0,896661966
|
11,8936977
|
Максимальное R=1,82589
Следовательно n=511
.2 Определение числа проверочных разрядов в кодовой комбинации, обеспечивающих
заданную вероятность необнаруженной ошибки
Нахождение параметров циклического кода n, k, r.
Значение r находится по
формуле (21).
(21)
n -
длина кодовой комбинации,
k -
количество информационных символов,
r -
количество проверочных символов.
r=10
Параметры циклического кода n, k, r ;
n, k, r имеют следующую зависимость
Следовательно k = n - r = 511 - 7 = 504
.3 Выбор типа порождающего (образующего) полинома
Образующий полином степени r
находится по таблице неприводимых полиномов и с учетом последней цифры зачетной
книжки:
g(x) = х8+х4+х3+х+1
.4 Построение схемы кодера для выбранного образующего полинома и
пояснение его работы
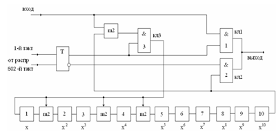
Работа кодера на его выходе характеризуется следующими режимами.
1.Формирование k элементов информационной группы и
одновременно деление полинома, отображающего информационную часть хr m(х), на порождающий (образующий ) полином g(х) с целью получения остатка от
деления r(х).
2.
Формирование проверочных r
элементов путем считывания их с ячеек схемы деления хr m(х) на выход кодера.
Структурная схема кодера приведена на рисунке 6.
Цикл работы кодера для передачи n = 511 единичных элементов составляет n тактов. Тактовые сигналы формируются
передающим распределителем, который на схеме не указан.
Первый режим работы кодера длится k = 501 такт. От первого тактового импульса триггер Т занимает
положение, при котором на его прямом выходе появляется сигнал "1", а
на инверсном - сигнал "0". Сигналом "1" открываются ключи
(логические схемы И) 1 и 3 . Сигналом "0" ключ 2 закрыт. В таком
состоянии триггер и ключи находятся k+1 тактов, т.е. 502 такта. За это время на
выход кодера через открытый ключ 1 поступят 504 единичных элементов
информационной группы k = 504.
Одновременно через открытый ключ 3 информационные элементы поступают на
устройство деления многочлена хr m(х) на g(х).
Деление осуществляется многотактным фильтром с числом ячеек, равным числу
проверочных разрядов (степени порождающего полинома). В рассматриваемом случае
число ячеек r=7. Число сумматоров в устройстве
равно числу ненулевых членов g(х) минус единица. В данном случае число
сумматоров равно четырем. Сумматоры устанавливаются после ячеек,
соответствующих ненулевым членам g(х).
Поскольку все неприводимые полиномы имеют член х°=1, то соответствующий этому
члену сумматор установлен перед ключом 3 (логической схемой И).
После k=504 такта в ячейках устройства деления окажется записанным
остаток от деления r(х).
При воздействии k+1=502
тактового импульса триггер Т изменяет свое состояние: на инверсном выходе
появляется сигнал "1", а на прямом - "0". Ключи 1 и 3 закрываются, а ключ 2
открывается. За оставшиеся r=10
тактов элементы остатка от деления (проверочная группа) через ключ 2 поступают
на выход кодера, также начиная со старшего разряда.
Рисунок 6. Структурная схема кодера
.5 Построение схемы декодера для выбранного образующего полинома и
пояснение его работы
Функционирование схемы декодера (рисунок 7) сводится к следующему.
Принятая кодовая комбинация, которая отображается полиномом Р(х) поступает в
декодирующий регистр и одновременно в ячейки буферного регистра, который
содержит k ячеек. Ячейки буферного регистра
связаны через логические схемы "нет", пропускающие сигналы только при
наличии "1" на первом входе и "0" - на втором (этот вход
отмечен кружочком). На вход буферного регистра кодовая комбинация поступит
через схему И1. Этот ключ открывается с выхода триггера Т первым тактовым
импульсом и закрывается k+1 тактовым импульсом (полностью аналогично работе
триггера Т в схеме кодера) . Таким образом, после k=501 тактов информационная группа элементов будет записана в
буферный регистр. Схемы НЕТ в режиме заполнения регистра открыты, ибо на вторые
входы напряжение со стороны ключа И2 не поступает.
Одновременно в декодирующем регистре происходит в продолжение всех n=511 тактов деление кодовой
комбинации (полином Р(х) на порождающий полином g(х)). Схема декодирующего регистра полностью аналогична схеме
деления кодера, которая подробно рассматривалась выше. Если в результате
деления получится нулевой остаток - синдром S(х)=0, то последующие тактовые импульсы спишут
информационные элементы на выход декодера.
При наличии ошибок в принятой комбинации синдром S(х) не равен 0. Это
означает, что после n-го (511) такта хотя бы в
одной ячейке декодирующего регистра будет записана “1”.Тогда на выходе схемы
ИЛИ появится сигнал. Ключ 2 (схема И2) сработает, схемы НЕТ буферного регистра
закроются,
а очередной тактовый импульс переведет все ячейки регистра в состояние
"0".
Неправильно принятая информация будет стерта. Одновременно сигнал стирания
используется как команда на блокировку приемника и переспрос.
Рисунок 7. Структурная схема декодера
.6 Получение схемы кодирующего и декодирующего устройства циклического
кода с применением пакета «System View»
На вход кодера подается сигнал 1 и 510 нулей
Рисунок 8. Схема кодера
Рисунок 10
Рисунок 11. Схема декодера
Рисунок 12. Сигналы декодера, полученные в окне анализа
На рисунке 13 представлен декодер с исправлением ошибок.
Рисунок 13. декодер с исправлением ошибок
Рисунок 14. Сигналы декодера с исправлением ошибок
.7 Определение объема передаваемой информации при заданном темпе Tпер и критерии отказа t отк
Объем передаваемой информации находится по формуле (22).
W = R.B.(Tпер - tотк). (22)
(бит).
где R -
наибольшая относительная
пропускная способность для выбранных параметров циклического кода.
.8 Определение емкости накопителя
Емкость накопителя определяется по формуле (23)
, (23)
где tp - время распространения сигнала по
каналу связи, с;
tk -
длительность кодовой комбинации из n разрядов, с.
Но
,
где L - расстояние между оконечными
станциями, км;
V -
скорость распространения сигнала по каналу связи, км/с;
B -
скорость модуляции, Бод.
(с).
(c).
.
2.9 Расчет характеристик основного и обходного каналов ПД
Для основного канала:
1) Максимальная скорость работы канала В = 1200 Бод.
2) Распределение вероятности возникновения хотя бы одной ошибки на
длине n.
(24)
.
3) Распределение вероятности возникновения ошибок кратности t и более на длине n.
. (25)
.
4) время распространения сигнала tp =
с.
5) вероятность необнаруживаемой декодером ошибки.
(26)
6) вероятность обнаружения кодом ошибки.
. (27)
.
7) избыточность кода.
. (28)
.
8) скорость кода.
. (29)
.
9) Средняя относительная скорость передачи в РОСнп бл
tож = tр + tр + tак + tас + tс =
+
+
+
= 0.9892 с.
tк = tс=
tак = tас = 0.5 tк = 0.5. 0.4258 = 0.2129 с.
10) Вероятность правильного приема.
(31)
Для обходного канала:
1) максимальная скорость работы канала В = 75 Бод.
с.
) Распределение вероятности возникновения хотя бы одной ошибки на длине n.
.
3) Распределение вероятности возникновения ошибок кратности t и более на длине n.
.
4) время распространения сигнала tp =
с.
5) вероятность необнаруживаемой декодером ошибки.
6) вероятность обнаружения кодом ошибки.
.
7) избыточность кода.
.
8) скорость кода.
.
9) Средняя относительная скорость передачи в РОСнп бл
tож = tр + tр + tак + tас + tс =
+
+
+
= 13.7636 с.
tк = tс=
tак = tас = 0.5 tк = 0.5.
= 3.407 с.
10) Вероятность правильного приема.
(21)
.10 Построение временной диаграммы работы системы
Система с решающей обратной связью, непрерывной передачей и блокировкой
приемника строят таким образом, что после обнаружения ошибки приемник стирает
комбинацию с ошибкой и блокируется на h комбинаций (т. е. не принимает h последующих комбинаций), а передатчик по сигналу переспроса повторяет h комбинаций (комбинацию с ошибкой и h-1комбинаций, следующих за ней). Эти
системы позволяют организовать непрерывную передачу кодовых комбинаций с
сохранением порядка их следования. Поэтому одновременно с формированием сигнала
переспроса УУ приемной стороны блокирует (т. е. запрещает) вывод информации
потребителю из Нпр на время, равное h комбинациям. Получив сигнал переспроса по обратному каналу, УУ приемной
стороны ожидает конца передачи последней комбинации, во время которой получен
этот сигнал. Затем ИС блокируется также на время передачи h комбинаций, а из Нпер в это время в
канал через кодер передаются хранящиеся в накопителе последние h комбинаций. После их передачи ИС
опять получает разрешение на передачу очередных комбинаций. Таким образом,
последовательность передаваемых и принимаемых комбинаций не нарушается.
Временная диаграмма, соответствующая параметры h, tож и tр, которые были рассчитаны выше (п.
2.9), изображена на рисунке 15.
Рисунок 15. Временная диаграмма работы системы ПДС с РОСнпбл
2.11 Выбор по
географической карте Казахстана двух пунктов, отстоящих на L км
Магистраль на карте:
Шымкент - 0 км;
Тараз - 185 км;
Шу - 450 км;
Алматы -700 км;
Капчагай - 780 км;
Балхаш - 1650 км;
Астана - 4700 км.
Заключение
В
данном курсовом проекте произведены основные расчеты для проектирования
кабельных линий связи (так как показатель группирования ошибок 
).
В
теоретической части работы изучена модель Пуртова Л.П., которая используется в
качестве модели частичного описания дискретного канала, построена структурная
схема системы РОСнпбл и описан принцип работы этой системы, а также рассмотрена
относительная фазовая модуляция.
В
соответствие с заданным вариантом найдены параметры циклического кода и по ним
определен порождающий полином. Для полученного циклического кода были построены
кодирующее и декодирующее устройство. Также схемы кодера и декодера были
построены с использованием пакета «System View».
В работе представлены все структурные схемы и рисунки.
Для
основного и обходного канала передачи данных рассчитаны основные характеристики
(распределение вероятности возникновения хотя бы одной ошибки на длине n,
распределение вероятности возникновения ошибок кратности t и
более на длине n, скорость кода, избыточность кода, вероятность
обнаружения кодом ошибки и др.). В данной работе построена временная диаграмма,
соответствующая работе системы РОСнпбл.
Список использованной литературы
1. Скляр Б.
Цифровая связь. Теоретические основы и практическое применение: 2-е изд. /Пер.
с англ.- М.: Издательский дом «Вильямс»,
2003. - 1104 с.
2. Прокис
Дж. Цифровая связь. Радио и связь, 2000.-797с.
. А.Б.
Сергиенко. Цифровая обработка сигналов: Учебник для вузов. - М.:-2002.
. Фирменный
стандарт. Работы учебные. Общие требования к построению, изложению, оформлению
и содержанию. ФС РК 10352-1910-У-е-001-2002. - Алматы: АИЭС, 2002.
5. 1
Шварцман В.О., Емельянов Г.А. Теория передачи дискретной информации. - М.:
Связь, 1979. -424 с.
. Передача
дискретных сообщений / Под ред. В.П. Шувалова. - М.: Радио и связь, 1990. -464
с.
7. Емельянов
Г.А., Шварцман В.О. Передача дискретной информации. - М.: Радио и связь, 1982.
- 240 с.
. Пуртов
Л.П. и др. Элементы теории передачи дискретной информации. - М.: Связь, 1972. -
232 с.
. Колесник
В.Д., Мирончиков Е.Т.. Декодирование циклических кодов.- М.: Связь, 1968.