|
Рно(х 10-6)
|
2,5
|
|
L, км
|
5000
|
|
tотк , с
|
45
|
|
Тпер , с
|
600
|
|
d0
|
4
|
|
Α
|
0,47
|
|
Тип модуляции
|
Квадратурная амплитудная модуляция
|
Введение
Развитие телекоммуникационных сетей увеличивает роль и значение передачи
дискретных сообщений в электросвязи.
Целью дисциплины ТЦС является:
· изложение принципов и методов передачи цифровых сигналов,
научных основ и современное состояние технологии цифровой связи;
· дать представление о возможностях и естественных границах
реализации цифровых систем передачи и обработки,
· уяснить закономерности, определяющие свойства устройств
передачи данных и задачиих функционирования.
Основная задача -
обучить теоретическим знаниям и алгоритмам построения систем ПДС, а также
привить практические навыки по методологии инженерных расчетов основных
характеристик и обучить методам технической эксплуатации цифровых систем и
сетей.
Курсовой проект посвящен проектированию тракта
передачи данных между источником информации и получателем информации. К
качеству тракта передачи данных (ТПД) предъявляются очень высокие требования по
верности передачи данных и надежности, поэтому проектируются некоммутируемой
ТПД. Для повышения верности передачи использовать систему с решающей обратной
связью, непрерывной передачей и блокировкой приемника. Тип кода - циклический.
Решение этих задач раскрывает выполнение основной цели
задания - моделирование телекоммуникационных систем.
Кроме того, необходимо собрать схему с применением
пакета "SystemView" для моделирования
телекоммуникационных систем, кодирующего и декодирующего устройства
циклического кода с использованием модуляции и демодуляции.
1.
Теоретическая часть
.1 Модель
частичного описания дискретного канала (модель Пуртова Л.П.)
По этой модели можно определить зависимость вероятности появления
искаженной комбинации от ее длины n и вероятности появления комбинации длиной n с t
ошибками.(t<n)
Зависимость вероятности появления искаженной комбинации от ее длины n характеризуется как отношение числа
искаженных кодовых комбинаций Nош(n) общему числу переданных комбинаций N(n):
P(>=1, n) =
, (1)
где
вероятность P(>=1, n) - неубывающая функция n.
При
n=0, P(>=1, n) = Рош. При n
, P(>=1,
n)
1
P(>=1, n)=
, (2)
где
α
- показатель группирования ошибок
α = 0 - пакетирование ошибок отсутствует, и появление ошибок
следует считать независимым.
α = 0,5
0,7 - наблюдается на кабельных линиях связи, т.к.
кратковременные прерывания приводят к появлению групп с большой плотностью
ошибок.
α = 0,3
0,5 - пакетирование в радиорелейных линиях связи с
интервалами большой плотности ошибок; имеется интервалы с редкими ошибками.
α = 0,3
0,4 - в радиотелеграфных каналах.
P(>= t, n)=
. (3)
Группирование
ошибок приводит к увеличению числа кодовых комбинаций, пораженных ошибками
большой кратности.
При
группировании ошибок уменьшается число искаженных кодовых комбинаций заданной
длины n.
Примеры
зависимости
от длины блока n показаны на
рисунке 1.
Эти
зависимости, снятые в реальных каналах связи и отмеченные на рисунке 1 точками,
хорошо аппроксимируются прямыми линиями при логарифмических масштабах. Для
определенной вероятности ошибок (Pош=0,002) пунктиром показаны две зависимости. Если бы ошибки не
зависели друг от друга, то вероятность
не
зависела бы от n и шла под углом 45˚. Если бы ошибки были
сгруппированы подряд в одну группу, то
не
зависела бы от длины кодовой комбинации n и была бы
параллельна оси абсцисс. Из рисунка 1 видно, что характеристика реального
канала (прямая 2) лежит между этими двумя предельными характеристиками.
1.2 Система
передачи данных с РОС
На рисунке 2 представлена структурная схема системы с РОСнп и
блокировкой. Здесь: ИИ - источник информации; КУ - кодирующее устройство; ДК -
прямой дискретный канал; РУ - решающее устройство; ДКУ - декодирующее
устройство; УУ - устройство управления; УДС - устройство декодирования сигнала;
УФС - устройство формирования сигнала; ПИ - получатель информации
Передача
информации осуществляется следующим образом. При поступлении от источника
информации ИИ кодовой комбинации происходят ее кодирование помехоустойчивым
кодом (в КУ) и запись в накопитель передачи
.
Закодированная информация передается по прямому дискретному каналу.
Принятая
из прямого дискретного канала (
) кодовая
комбинация кодируется (в ДКУ) и записывается в накопитель приема
. Комбинация может быть декодирована правильно, то
есть соответствовать переданной кодовой комбинации; она может содержать
необнаруженную ошибку в результате перехода переданной кодовой комбинации в
другую разрешенную кодовую комбинацию; наконец, в результате декодирования
может быть обнаружена ошибка (если переданная кодовая комбинация перешла в
неразрешенную). Вероятность наступления каждого из трех указанных событий
зависит от характеристик дискретного канала, помехоустойчивого кода и метода
декодирования.
В
зависимости от результатов декодирования решающее устройство РУ принимает
решение о выдаче кодовой комбинации из накопителя приема через схему
потребителю или о ее стирании в накопителе. Первое из
этих решений принимается в случае отсутствия ошибок или при необнаруженных
ошибках, а второе - при обнаружении ошибок. В первом случае одновременно с
выдачей кодовой комбинации получателю информации ПИ устройством управления
и устройством УФС формирования сигнала ОС формируется
сигнал подтверждения, который по обратному дискретному каналу (
) передается в передатчик. После получения сигнала
подтверждения и его декодировании в УДС,
передатчика
запрашивает у источника информации следующую кодовую комбинацию и описанный
выше цикл работы повторяется. Схема
при этом
закрыта, поэтому при поступлении новой кодовой комбинации ранее переданная
комбинация в накопителе передачи стирается. Во втором случае одновременно с
решением о стирании в УФС формируется сигнал переспроса, который по обратному
дискретному каналу передается в передатчик. После получения и декодирования
сигнала переспроса из накопителя передачи через схему ИЛИ повторно передается
та же кодовая комбинация.
Блоки
управления приемником и передатчиком работают согласно структурной схеме
алгоритма, представленной на рисунке 3.
Рисунок
1 - Вероятности ошибки
в зависимости от длины n: 1 - КВ
радиотелеграфный канал; 2 - коммутируемый канал ТЧ кабельной линии; 3 - канал
ТЧ радиорелейной линии; 4 - телеграфный канал кабельной линии; 5 -
некоммутируемый канал ТЧ кабельной линии
Рисунок 2 - Структурная схема системы с РОСнп и блокировкой
Рисунок 3 - Структурная схема алгоритма системы с РОСнп и
блокировкой
приемник передача амплитудный модуляция
1.3 Квадратурная амплитудная модуляция
КАМ (quatrature amplitude modulation - QAM) можно считать логическим продолжением QPSK, поскольку сигнал QAM также состоит из двух независимых
амплитудно-модулированных несущих. Каждый блок из k бит (k
полагается четным) можно разделить на два блока из k/2 бит, подаваемых на цифро-аналоговые преобразователи (ЦАП),
которые обеспечивают требующее модулирующее напряжение для несущих. В приемнике
оба сигнала обнаруживаются независимо с помощью согласованных фильтров.
Передачу сигналов, модулированных QAM, можно также рассматривать как комбинацию амплитудной (amplitudeshiftkeying - ASK) и фазовой (phaseshiftkeying - PSK)
манипуляций, откуда альтернативное название амплитудно-фазовая манипуляция (quatratureamplitudeshiftkeying - QASK).
Рисунок 4- 16-ричная QAM
Рисунок 5 - Модулятор QAM
Рисунок 6 - Модель канала
На рисунке 4 показано двухмерное пространство сигналов и набор векторов
сигналов, модулированных 16 - ричной QAM и изображенных точками, которые расположены в виде прямоугольной
совокупности. На рисунке 4 показан канонический модулятор QAM. На рисунке 5 изображен пример
модели канала, в которой предполагается наличие лишь гауссовского шума. Сигналы
передаются в виде пары (х, у). На модели показано, что координаты сигнальной
точки (х, у) передаются по раздельным каналам и независимо возмущаются,
переменными гауссова шума (nx, ny), каждый компонент которого имеет
нулевое среднее и дисперсию N.
Можно также сказать, что двухмерная точка сигнала возмущаются двухмерной переменной
гауссова шума. Если средняя энергия сигнала равна S, тогда отношение сигнал/шум равно S/N. Простейший
метод цифровой передачи сигналов через подобные системы - это применение
одномерной амплитудно-импульсной модуляций (pulseamplitudemodulation - PAM) независимо к каждой координате сигнала. При
модуляции PAM для передачи k битов каждая точка сигнала принимает
значение одной из 2к равномерных эквидистантных амплитуд. Точки
сигналов принято группировать в окрестности пространства на амплитудах ±1, ±3,
. . . , ±(2к-1).
2. Расчетная
часть
Определение
оптимальной длины кодовой комбинации
Найдем наибольшую относительную пропускную способность:
(4)
Т а б л и ц а 2 - Значение величины R, r, k.
|
R
|
n
|
r
|
k
|
|
0.677
|
31
|
9
|
22
|
|
0.818
|
63
|
10
|
53
|
|
0.886
|
127
|
10
|
117
|
|
0.915
|
255
|
11
|
244
|
|
0.920
|
511
|
11
|
500
|
|
0.908
|
1023
|
12
|
1011
|
|
0.879
|
2047
|
12
|
2035
|
|
0.832
|
4095
|
13
|
4082
|
Из таблицы 2 видно, что наибольшую пропускную способность R = 0.920 обеспечивает циклический код
с параметрами n = 511, r=11, k=500
Выбор порождающего полинома
G(x)=x11+x7+x3+x2+1
Построение
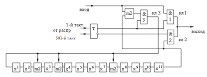
схемы кодера для выбранного образующего полинома и пояснение его работы
Работа кодера на его выходе характеризуется следующими
режимами:
1.Формирование k элементов информационной группы и
одновременно деление полинома, отображающего информационную часть xrm(х), на порождающий (образующий) полином g(х) с целью получения остатка от
деления r(х).
2.
Формирование проверочных r
элементов путем считывания их с ячеек схемы деления xrm(х) на выход кодера.
Цикл работы кодера для передачи n = 511 единичных элементов составляет n тактов. Тактовые сигналы формируются
передающим распределителем, который на схеме не указан .
Первый режим работы кодера длится k = 500 тактов. От первого тактового импульса триггер Т
занимает положение, при котором на его прямом выходе появляется сигнал
"1", а на инверсном - сигнал "0". Сигналом "1"
открываются ключи (логические схемы И) 1 и 3 . Сигналом "0" ключ 2
закрыт. В таком состоянии триггер и ключи находятся k+1тактов, т.е. 501 тактов.
За это время на выход кодера через открытый ключ 1 поступят 500 единичных
элементов информационной группы k = 500.
Одновременно через открытый ключ 3 информационные элементы поступают на
устройство деления многочлена xrm(х) на g(х).
Деление осуществляется многотактным фильтром с числом ячеек, равным числу
проверочных разрядов (степени порождающего полинома). В рассматриваемом случае
число ячеек r = 11. Число сумматоров в устройстве
равно числу ненулевых членов g(х) минус единица. В нашем случае число
сумматоров равно четырем. Сумматоры устанавливаются после ячеек,
соответствующих ненулевым членам g(х).
Поскольку все неприводимые полиномы имеют член х° = 1, то соответствующий этому
члену сумматор установлен перед ключом 3 (логической схемой И).
После k = 500 тактов в ячейках устройства деления окажется записанным
остаток от деления г(х).
При воздействии k+1=
501 тактового импульса триггер Т изменяет свое состояние: на инверсном выходе
появляется сигнал "1", а на прямом - "0". Ключи 1 и 3
закрываются, а ключ 2 открывается. За оставшиеся r = 11 тактов
элементы остатка от деления (проверочная группа) через ключ 2 поступают на
выход кодера, также начиная со старшего разряда.
Рисунок 7 - Структурная схема кодера
Построение
схемы декодера для выбранного образующего полинома и пояснение его работы
Функционирование схемы декодера сводится к следующему. Принятая кодовая
комбинация, которая отображается полиномом Р(х) поступает в декодирующий
регистр и одновременно в ячейки буферного регистра, который содержит k ячеек. Ячейки буферного регистра
связаны через логические схемы "нет", пропускающие сигналы только при
наличии "1" на первом входе и "0" - на втором (этот вход
отмечен кружочком). На вход буферного регистра кодовая комбинация поступит
через схему И1. Этот ключ открывается с выхода триггера Т первым
тактовым импульсом и закрывается k+1 тактовым импульсом (полностью аналогично
работе триггера Т в схеме кодера) . Таким образом, после k = 500 тактов информационная группа
элементов будет записана в буферный регистр. Схемы НЕТ в режиме заполнения
регистра открыты, ибо на вторые входы напряжение со стороны ключа И2
не поступает.
Одновременно в декодирующем регистре происходит в продолжение всех n=511 тактов деление кодовой
комбинации (полином Р(х) на порождающий полином g(х)). Схема декодирующего регистра полностью аналогична схеме
деления кодера, которая подробно рассматривалась выше. Если в результате
деления получится нулевой остаток- синдром S(х)=0, то последующие
тактовые импульсы спишут информационныеэлементы на выход декодера.
При наличии ошибок в принятой комбинации синдром S(х) не равен 0. Это
означает, что после n - го (511) такта хотя бы в одной ячейке декодирующего
регистра будет записана "1".Тогдана выходе схемы ИЛИ появится сигнал.
Ключ 2 (схема И2) сработает, схемы НЕТ буферного регистра закроются,
а очередной тактовый импульс переведет все ячейки регистра в состояние
"0". Неправильно принятая информация будет стерта. Одновременно
сигнал стирания используется как команда на блокировку приемника и переспрос.
Рисунок 8 - Структурная схема декодера
Получение
схемы кодирующего и декодирующего устройства циклического кода с применением
пакета "SystemView"
Рисунок 9 -
Схема кодера

Рисунок 10 - Матрица результата на выходе кодера
На рисунке 11 представлены входной и выходной сигнал
кодера, полученные в окне анализа.
Рисунок 11 - Входной и выходной сигналы кодера
Рисунок 12 - Схема декодера
На рисунке 13 представлены сигналы декодера,
полученные в окне анализа.
Рисунок 13 - Входной и выходной сигналы декодера
Рисунок 14 - выход синдрома
Определение
объема передаваемой информации при заданном темпе Tпер и критерии отказа t ОТК
Объем передаваемой информации находится по формуле (6).
W = R.B.(Tпер - tотк). (6).
где R -
наибольшая относительная
пропускная способность для выбранных параметров циклического кода.
(бит).
Определение
емкости накопителя
Емкость накопителя определяется по формуле (7)
, (7)
где
tp- время распространения сигнала по каналу связи, с;
tk-
длительность кодовой комбинации из n разрядов, с.
Но
,
где
L - расстояние между оконечными станциями, км;
V - скорость
распространения сигнала по каналу связи, км/с;
B - скорость
модуляции, Бод.
(с).
(c).
.
Расчет
характеристик прямого и обратного дискретного канала
Для прямого канала:
1) максимальная скорость работы канала В = 1200 Бод.
2) Распределение вероятности возникновения хотя бы одной ошибки на
длине n.
(8)
.
3) распределение вероятности возникновения ошибок кратности t и более на длине n.
. (9)
а)
.
.
б)
.
4) время распространения сигнала tp = 0.063 с.
5) вероятность необнаруживаемой (n, k) - кодом ошибки.
(10)
.
6) вероятность обнаружения кодом ошибки.
. (11)
.
7) избыточность кода.
. (12)
.
8) скорость кода.
. (13)
.
9) Средняя относительная скорость передачи в РОСнпбл
tож = tр + tр + tак + tас + tс = 0.063
+ 0.063 +0,026 + (0,5*0,026)*2 = 1.312 с.
tк = tс.
tак = tас = 0.5 tк = 0.5.0.026 = 0.013 с.
10) Вероятность правильного приема.
(16)
Для обратного канала:
1) максимальная скорость работы канала В = 200 Бод.
с.
2) Распределение вероятности возникновения хотя бы одной ошибки на
длине n определим по формуле (8).
3)
Распределение вероятности возникновения ошибок кратности t и
более на длине n найдем по формуле (9).
.
а)
.
б)
3) время распространения сигнала tp = 0.063 с.
4) вероятность необнаруживаемой (n, k) - кодом ошибки
определим по формуле (10).
5) вероятность обнаружения кодом ошибки найдем, испольлзуя формулу
(11).
6) избыточность кода найдем по формуле (12).
7) скорость кода определим по формуле (13).
8) среднюю относительную скорость передачи в РОСнпблопределим
по формулам (14) и (15).
tож = tр + tр + tак + tас + tс = 0.063
+ 0.063 +0.155 + (0,5*0.155)*2 =0.436 с.
tк = tс.
tак = tас = 0.5 tк = 0.5.0.155 = 0,0775 с.
9) Вероятность правильного приема
Выбор по
географической карте Казахстана двух пунктов, отстоящих на L км
Выберем
магистраль протяженностью 5000 км между городами Уральск и Павлодар и разобьем
ее на ряд участков длинной 500 - 1000 км (см. рисунок 15 и таблицу 3).
Рисунок 15 - Географическая карта РК с выбранными населенными пунктами и
магистралью
Таблица 2 - Длины участков
|
Город
|
Город
|
Расстояние между городами
|
|
Уральск
|
Атырау
|
500
|
|
Атырау
|
Аральск
|
800
|
|
Аральск
|
Жезказган
|
600
|
|
Жезказган
|
Кызылорда
|
500
|
|
Кызылорда
|
Шымкент
|
500
|
|
Шымкент
|
Алматы
|
700
|
|
Алматы
|
Усть-Каменогорск
|
900
|
|
Усть-Каменогорск
|
Павлодар
|
500
|
Построение временной диаграммы работы системы.
Система с решающей обратной связью, непрерывной передачей и блокировкой
приемника строят таким образом, что после обнаружения ошибки приемник стирает
комбинацию с ошибкой и блокируется на h комбинаций (т. е. не принимает h последующих комбинаций), а передатчик по сигналу переспроса повторяет h комбинаций (комбинацию с ошибкой и h-1комбинаций, следующих за ней). Эти
системы позволяют организовать непрерывную передачу кодовых комбинаций с
сохранением порядка их следования. Поэтому одновременно с формированием сигнала
переспроса УУ приемной стороны блокирует (т. е. запрещает) вывод информации
потребителю из Нпр на время, равное h комбинациям. Получив сигнал переспроса по обратному каналу,
УУ приемной стороны ожидает конца передачи последней комбинации, во время
которой получен этот сигнал. Затем ИС блокируется также на время передачи h комбинаций, а из Нпер в
это время в канал через кодер передаются хранящиеся в накопителе последние h комбинаций. После их передачи ИС
опять получает разрешение на передачу очередных комбинаций. Таким образом,
последовательность передаваемых и принимаемых комбинаций не
нарушается.Параметры h, tож и tр рассчитаны в пункте 2.8.
Рисунок 16 - Временная диаграмма работы системы ПДС с РОСнпбл
Заключение
В данном курсовом проекте произведены основные расчеты для проектирования
тракта передачи данных между двумя источниками и получателями информации,
отстоящими друг от друга на L км.
В соответствие с заданным вариантом найдены параметры циклического кода и
по ним определен порождающий полином. Для полученного циклического кода были
построены кодирующее и декодирующее устройство. Также схемы кодера и декодера
были построены с использованием пакета "SystemView". В работе представлены все
структурные схемы и рисунки.
Для прямого и обратного канала передачи данных рассчитаны основные
характеристики (распределение вероятности возникновения хотя бы одной ошибки на
длине n, распределение вероятности
возникновения ошибок кратности t и
более на длине n, скорость кода,
избыточность кода, вероятность обнаружения кодом ошибки и др.). В данной работе
построена временная диаграмма, соответствующая работе системы РОСнпбл.
По географической карте РК выбраны два пункта (Уральск и Павлодар),
отстоящие на 5000 км. Выбранная между ними магистраль разбита на ряд участков
длиной 500 - 1000 км. Пункты переприема привязаны к крупным населенным пунктам.
Это отражено в таблице и на представленной в работе карте.
Список
литературы
1. А.Б. Сергиенко. Цифровая обработка сигналов: Учебник
для вузов. - М.:-2002.
2. Емельянов Г. А., Шварцман В. О. Передача дискретной
информации. - М.: Радио и связь, 1982. - 240 с.
. Колесник В.Д., Мирончиков Е.Т.. Декодирование
циклических кодов.- М.: Связь, 1968.
. Передача дискретных сообщений / Под ред. В. П.
Шувалова. - М.: Радио и связь, 1990. -464 с.
. Прокис Дж. Цифровая связь. Радио и связь,
2000.-797с.
. Пуртов Л.П. и др. Элементы теории передачи
дискретной информации. - М.: Связь, 1972. - 232 с.
. Скляр Б. Цифровая связь. Теоретические основы и
практическое применение: 2-е изд. /Пер. с англ.- М.: Издательский дом "Вильямс", 2003. - 1104 с.
. Фирменный стандарт. Работы учебные. Общие требования
к построению, изложению, оформлению и содержанию. ФС РК
10352-1910-У-е-001-2002. - Алматы: АИЭС, 2009.
9. Шварцман В.О., Емельянов Г.А. Теория передачи
дискретной информации. - М.: Связь, 1979. -424 с.