Антенна импульсной РЛС с подавлением отражений от метеоосадков
МИНИСТЕРСТВО ОБРАЗОВАНИЯ И НАУКИ
РОССИЙСКОЙ ФЕДЕРАЦИИ
Федеральное государственное
автономное образовательное учреждение высшего профессионального образования
«САНКТ-ПЕТЕРБУРГСКИЙ ГОСУДАРСТВЕННЫЙ
УНИВЕРСИТЕТ АЭРОКОСМИЧЕСКОГО ПРИБОРОСТРОЕНИЯ»
КАФЕДРА РАДИОТЕХНИЧЕСКИХ И
ОПТОЭЛЕКТРОННЫХ КОМПЛЕКСОВ
ПОЯСНИТЕЛЬНАЯ ЗАПИСКА К КУРСОВОЙ
РАБОТЕ
ПО ДИСЦИПЛИНЕ: устройства свч и антенны
антенна
импульсной рлс с подавлением отражений от метеоосадков
УСВЧ и ант.
21.210601. 06 КР
РАБОТУ
ВЫПОЛНИЛ
СТУДЕНТ ГР. 2140 Пономаренко
В.С.
РУКОВОДИТЕЛЬ
доц., к.т.н. Федорова
Л.А.
Санкт-Петербург
Оглавление
Задание курсовой работы
Введение
Обзор литературы
Глава 1. Обоснование структурной и принципиальной схем1
.1 Структурная схема радиотехнической системы
.2 Принципиальная схема антенно-фидерного тракта
Глава 2. Выбор типа линии передачи
Глава 3. Расчет геометрических размеров облучателя и зеркала
Глава 4. Расчет диаграммы направленности облучателя в главных
плоскостях
Глава 5. Расчет распределения поля в раскрыве зеркала и
аппроксимирующих функций
Глава 6. Расчет диаграмм направленности зеркала в главных
плоскостях и КУ
Глава 7. Расчет элементов фидерного тракта
Глава 8. Описание конструкции
Список используемой литературы
Заключение
Чертеж антенного устройства
Курсовая работа
«Устройства СВЧ и антенны»
Санкт-Петербургский государственный университет аэрокосмического
приборостроения
Факультет №2 Кафедра №21
Задание №6
На тему: Антенна импульсной РЛС с подавлением отражений от метеоосадков
Выдано студенту: Пономаренко В.С._________________группа №2140
Дата выдачи задания «_____»_____2014г. Срок выполнения ________2014г.
. Технические условия
. Тип антенной системы: зеркальная антенна в виде параболоида
вращения, облучатель - конический рупор.
. Рабочая длина волны - λ = 4,5см.
. Ширина диаграмма направленности антенны в главных плоскостях на
уровне половинной мощности в горизонтальной плоскости 2φ̊P/2=
(H-плоскость), в вертикальной плоскости 2
P/2=
(Е-плоскость).
. Уровень поля на краю зеркала - выбрать.
. Уровень первого бокового лепестка не более -25 дБ.
. Поляризация - линейная и круговая.
. Мощность излучения P∑=50кВт
Антенна работает на прием и передачу.
. Обзор пространства по азимуту 360̊, по углу места ±
.
. Содержание проекта.
. Введение. 2. Структурная схема радиотехнической системы и
принципиальная схема антенно-фидерного тракта. 3. Выбор типа линии передачи. 4.
Расчет геометрических размеров облучателя и зеркала. 5. Расчет диаграммы
направленности облучателя в главных плоскостях. 6. Расчет распределения поля в
раскрыве зеркала и аппроксимирующих функций. 7. Расчет диаграмм направленности
зеркала в главных плоскостях и КУ. 8. Расчет допусков на изготовление
отражателя и установку облучателя. 9. Расчет элементов фидерного тракта. 10.
Разработать конструкцию антенны и привести её описание. 11. Разработать
регламентные работы при эксплуатации антенны и привести описание схем и аппаратуры
необходимой при изменениях основных характеристик антенно-фидерной системы. 12.
Спецификация к чертежам. 13. Список литературы. 14. Заключение.
. Оформление проекта.
. Проект представляется в виде пояснительной записке с рисунками и
расчетными таблицами объёмом 30-40 стр.
. Чертежи: Общий вид антенного устройства с габаритными размерами -1лист.
Деталировка узла -1 лист. Диаграмма направленности антенны - 1лист.
. Общие указания.
Пояснительная записка должна быть выполнена на листах формата 210х297 мм
черной шариковой ручкой. Используемые расчеты формулы приводятся приводить со
ссылкой на литературу в буквенном обозначении с кратким пояснением, а затем с
числовыми значениями расчеты кривых давать в таблицах. Рисунок или несколько
рисунков приводятся на отдельных страницах. Чертежи должны быть выполнены
карандашом.
Выполненные проекты не возвращаются.
. Рекомендуемая литература.
.
.
Руководитель проекта _________________________________________
Задание принял к исправлению студент __________________________
ВВЕДЕНИЕ
Зеркальными антеннами называют антенны, у которых поле в раскрыве
формируется в результате отражения электромагнитной волны от металлической
поверхности специального рефлектора (зеркала). Источником электромагнитной
волны обычно служит какая-нибудь небольшая элементарная антенна, называемая в
этом случае облучателем зеркала или просто облучателем. Зеркало и облучатель
являются основными элементами зеркальной антенны.
Зеркало обычно изготовляется из алюминиевых сплавов. Иногда для
уменьшения парусности зеркало делается не сплошным, а решетчатым. Поверхности
зеркала придается форма, обеспечивающая формирование нужной диаграммы
направленности. Наиболее распространенными являются зеркала в виде параболоида
вращения, усеченного параболоида, параболического цилиндра или цилиндра
специального профиля. Облучатель помещается в фокусе параболоида или вдоль
фокальной линии цилиндрического зеркала. Соответственно для параболоида
облучатель должен быть точечным, для цилиндра - линейным. Наряду с однозеркальными
антеннами применяются и двухзеркальные.
Рассмотрим принцип действия зеркальной антенны. Электромагнитная волна,
излученная облучателем, достигнув проводящей поверхности зеркала, возбуждает на
ней токи, которые создают вторичное поле, обычно называемое полем отраженной
волны. Для того чтобы на зеркало попадала основная часть излученной
электромагнитной энергии, облучатель должен излучать только в одну полусферу в
направлении зеркала и не излучать в другую полусферу. Такие излучатели называют
однонаправленными.
В раскрыве антенны отраженная волна обычно имеет плоский фронт для
получения острой диаграммы направленности либо фронт, обеспечивающий получение
диаграммы специальной формы. На больших (по сравнению с длиной волны и
диаметром зеркала) расстояниях от антенны эта волна в соответствии с законами
излучения становится сферической. Комплексная амплитуда напряженности
электрического поля этой волны описывается выражением
нормированная диаграмма направленности, сформированная зеркалом.
Принцип действия простейшей зеркальной антенны приведен на рисунке:
- зеркало,
- облучатель,
- сферический фронт волны облучателя,
- плоский фронт волны облучателя,
- диаграмма направленности облучателя,
- диаграмма направленности зеркала.
Точечный облучатель (например, маленький рупор), расположенный в фокусе
параболоида, создает у поверхности зеркала сферическую волну. Зеркало
преобразует ее в плоскую, т.е. расходящийся пучок лучей преобразуется в
параллельный, чем и достигается формирование острой диаграммы направленности.
Геометрические характеристики параболоидного зеркала.
Вспомним основные геометрические свойства параболоида.
Нормаль к поверхности параболоида в любой точке
лежит в плоскости, содержащий ось Z,
и составляет угол
с прямой, соединяющей эту точку с фокусом.
Любое сечение параболоида плоскостью, содержащее ось Z, является параболой
с фокусом в точке F. Кривая, получающаяся сечения параболоида плоскостью,
параллельной оси Z, является также и параболой с тем же фокусным расстоянием f.
Из первого свойства следует, что если поместить точечный источник
электромагнитных волн в фокусе параболоида, то все лучи после отражение будут
параллельны оси Z.
Это означает, что отраженная волна будет плоской с фронтом,
перпендикулярным оси Z параболоида.
Из второго свойства следует, что для анализа вопросов отражения волн от
поверхности зеркала и наведения на нем токов можно ограничиться рассмотрением
любого сечения зеркала плоскостью, проходящей через ось Z или параллельно ей.
Кроме того, из второго свойства вытекает, что для контроля точности изготовления
параболического зеркала достаточно иметь только один шаблон.
При анализе параболических зеркал удобно одновременно использовать
различные системы координат, переходя в процессе анализа от одной к другой,
более удобной для последующих расчетов. Такими системами координат являются:
Прямоугольная
с началом в вершине параболоида и осью Z, совпадающей с осью
его вращения. Уравнение поверхности зеркала в этой системе координат имеет вид
Цилиндрическая система
. Здесь
и
- полярные координаты, отсчитываемые в плоскости Z=const.
Угол
отсчитывается от плоскости XOZ.
Уравнение параболоида в этих координатах будет
Цилиндрическую систему координат удобно использовать при определении
координат точек истока (т.е. точек источников поля).
Сферическая система координат
с началом в фокусе F и полярной
осью, совпадающей с осью Z. Здесь
- полярный угол, отсчитываемый от
отрицательного направления оси
- азимут, тот же, что в цилиндрической системе. Уравнение
поверхности зеркала в этой системе координат нами уже было получено:
Эта система координат удобна для описания диаграммы направленности
облучателя.
Сферическая система координат
с началом в фокусе параболоида.
Здесь
- полярный угол, отсчитываемый от
положительного направления оси Z;
- азимут, отсчитываемый от плоскости
XOZ. Эта система координат удобна для определения координат точки наблюдения и
будет использована при расчете поля излучения.
Поверхность, ограниченная кромкой параболоида и плоскостью
, называется раскрывом зеркала.
Радиус
этой поверхности называется радиусом
раскрыва. Угол
, под которым видно зеркало из фокуса, называется углом
раскрыва зеркала.
Форму зеркала удобно характеризовать либо отношением радиуса раскрыва к
двойному расстоянию (параметру параболоида)
либо величиной половины раскрыва
.
Зеркало называют мелким,или длиннофокусным, если
, глубоким, или короткофокусным,
если
Легко найти связь между отношением
и углом 
Из рисунка следует, что
откуда
У длиннофокусного параболоида
, у короткофокусного
При
(фокус лежит в плоскости раскрыва
зеркала)
Обзор литературы
В структурной схеме радиотехнической системы используется антенный
переключатель (АП).
АП - Использование: в радиотехнике, в качестве переключателя в
радиолокационных станциях, использующих одну и ту же антенну для излучения и
приема сигналов. Сущность изобретения: в антенном переключателе, содержащем
разветвление, плечи которого являются входами для подключения антенны,
приемника и передатчика, соответственно, LC-фильтр нижних частот, включенный в
плечо приемника, выполнен Т-образным, индуктивные элементы которого образованы
последовательно соединенными первой и второй индуктивностями, а ключевой
конденсатор и ключевой элемент включены между точкой соединения первой и второй
индуктивностей и общей шиной.
Суть изобретения: Использование: в радиотехнике, в качестве переключателя
в радиолокационных станциях, использующих одну и ту же антенну для излучения и
приема сигналов. Сущность изобретения: в антенном переключателе, содержащем
разветвление, плечи которого являются входами для подключения антенны,
приемника и передатчика, соответственно, LC-фильтр нижних частот, включенный в
плечо приемника, выполнен Т-образным, индуктивные элементы которого образованы
последовательно соединенными первой и второй индуктивностями, а ключевой
конденсатор и ключевой элемент включены между точкой соединения первой и второй
индуктивностей и общей шиной.
Номер патента: 2022418
Дата подачи заявки: 16.01.1989
Дата публикации: 30.10.1994
Заявитель(и): Харьковский институт радиоэлектроники им.акад.М.К.Янгеля
(UA)
Автор(ы): Дудник Борис Саввич[UA]; Моисеев Виктор Петрович[UA]
Патентообладатель(и): Харьковский институт радиоэлектроники
им.акад.М.К.Янгеля (UA)
Описание изобретения: Изобретение относится к радиотехнике и может быть
использовано в радиолокационных станциях, использующих одну и ту же антенну как
для излучения сигналов передатчика, так и для приема сигналов.
Из известных антенных переключателей наиболее близким по технической
сущности к заявляемому является переключатель, содержащий один диод,
устанавливаемый в месте соединения антенны с линией, идущей к передатчику, и
другой диод, включенный параллельно входу приемника, в линии, соединяющей
приемник с антенной, на расстоянии λ / 4 от антенны.
Недостатком этого устройства является высокий уровень сигнала
передатчика, попадающего на вход приемника, что ограничивает набор усилительных
элементов, используемых во входной ступени радиоприемного тракта. Вследствие
конечной величины сопротивления открытого второго диода линия, соединяющая
приемник с антенной длиной λ / 4, работает не в чистом режиме
короткого замыкания, а уровень сигнала, создаваемый на сопротивлении открытого
второго диода, попадает на вход приемника. Величина его зависит от величины
сопротивления открытого диода и тока, создаваемого передатчиком.
Целью изобретения является уменьшение уровня сигнала передатчика,
попадающего на вход приемника.
На чертеже приведена принципиальная электрическая схема антенного
переключателя.
Антенный переключатель содержит разветвление 1 линий передачи, одно плечо
2 которого является входом для подключения антенны, а два других плеча 3 и 4 -
для подключения передатчика и приемника соответственно. Длина отрезка
коаксиальной линии, включенной в плечо 4, обеспечивает максимум сопротивления
прохождению мощных сигналов передатчика, и в это плечо включен LC-фильтр нижних
частот, включающий первую и вторую индуктивности 5, 6, конденсатор 7 и ключевой
элемент 8. В плечо 3 включен ключевой элемент 9.
Антенный переключатель работает следующим образом.
В режиме приема сигналов, наводимых в антенне, ключевые элементы 8 и 9
закрыты. При этом входное сопротивление LC-фильтра, содержащего первую и вторую
индуктивности 5 и 6 и конденсатор 7, равно входному сопротивлению приемника
либо волновому сопротивлению фидера, соединяющего вход приемника с плечом 4,
поэтому в коаксиальной линии устанавливается режим бегущих волн и сигнал от
антенны до приемника проходит без дополнительного затухания.
При работе передатчика ключевые элементы 8 и 9 открыты. Сигнал
передатчика с плеча 3 через открытый ключевой элемент 9 поступает в плечо 2, к
которому подключена антенна.
Коаксиальная линия, включенная в плечо 4 совместно с первой
индуктивностью 5 LC-фильтра и малым сопротивлением открытого второго ключевого
элемента 8, является эквивалентом короткозамкнутого отрезка длиной λ
/ 4.
При этом в коаксиальной линии устанавливается режим стоячих волн.
Напряжение на втором ключевом элементе 8 минимально, но не равно нулю
вследствие конечности сопротивления этого открытого элемента. Это напряжение
дополнительно ослабляется делителем напряжения, последовательное плечо которого
образовано второй индуктивностью 6, а параллельное плечо - входным
сопротивлением приемника. Если сопротивление второй индуктивности 6 на частоте
сигнала обозначить Х, а входное сопротивление приемника -R, то дополнительное
затухание сигнала К определяется как
=
Эффективность дополнительного затухания сигнала передатчика зависит от
соотношения между R и Х, но с увеличением сопротивления Х усиливается
неравномерность коэффициента передачи LC-фильтра в заданной полосе частот, что
и ограничивает величину достигаемого дополнительного ослабления сигнала
передатчика на входе приемника.
В антенном коммутатоpе дополнительное ослабление сигнала передатчика,
работающего на частоте 60 МГц, составило 14 дБ. Полоса частот по уровню 0,9
составила 5,5 МГц.
В качестве ключевых элементов были использованы pin-диоды. При мощности
передатчика 20 кВт в импульсе напряжение на втором ключевом элементе составило
25 В, на входе приемника - 5 В, что позволило применить транзисторы во входной
ступени приемного тракта.
В качестве ключевых элементов могут быть использованы и газовые
разрядники. При использовании газовых разрядников типа РБ-2 напряжение
возросло. Сопротивление газового разрядника типа РБ-2 такое же, как и
используемого рin-диода типа КА528-2, увеличение напряжения можно объяснить
большим индуктивным сопротивлением выводов газового разрядника.
Формула изобретения: АНТЕННЫЙ ПЕРЕКЛЮЧАТЕЛЬ, содержащий разветвление
линий передачи, одно плечо которого является входом для подключения антенны, а
два других - для подключения передатчика и приемника соответственно, при этом в
плечо для подключения приемника включен LC-фильтр нижних частот, включающий в
себя первую индуктивность, один конец которой подсоединен к разветвлению, а
другой - к одним выводам конденсатора и ключевого элемента, другие выводы
которых соединены с общей шиной, отличающийся тем, что, с целью снижения уровня
сигнала передатчика, LC-фильтр нижних частот выполнен Т-образным и его
индуктивные элементы образованы последовательно соединенными первой и введенной
второй индуктивностями.
Так же в структурной схеме используется вращающееся
сочленение.
Вращающееся сочленение - Изобретение относится к
радиотехнике СВЧ и может быть использовано в радиолокационных станциях (РЛС) с
вращающимся антенным устройством. Технический результат заключается в
широкополосности волноводно-коаксиального перехода с большим диаметром
коаксиальной линии, что обеспечивает большие возможности сочленения по рабочей
полосе частот, уровню мощности и числу каналов. Волноводное вращающееся
сочленение состоит из двух волноводно-коаксиальных переходов, подвижно
сочленяемых по выходным концам проводников коаксиальной линии. Переход от
волновода к коаксиальной линии выполнен путем свертывания волновода по спирали
в Е-плоскости с одновременным переходом на пониженную высоту и последующей
ориентации его по окружности с одновременным 90-градусным изгибом в Н-плоскости
и соединением с проводниками коаксиальной линии. Также предлагается вариант
волноводного вращающегося сочленения, в котором переход от волновода к
коаксиальной линии выполнен делением волновода в Е-плоскости на два волноводных
канала одинаковой высоты с последующим расположением волноводных выходов по
окружности с одновременным 90-градусным изгибом в Н-плоскости и соединением их
с проводниками коаксиальной линии. В сочленении может быть использован и
четырехканальный делитель мощности. 2 н. и 2 з.п.ф-лы, 5 ил.
<#"891786.files/image041.jpg">

Изобретение относится к радиотехнике СВЧ и может быть
использовано при создании широкополосных и многоканальных вращающихся сочленений
для радиолокационных станций (РЛС) с вращающимся антенным устройством.
Конструктивно волноводное вращающееся сочленение
(ВВС), как правило, состоит из двух волноводно-коаксиальных переходов (ВКП),
подвижно сочленяемых по коаксиальной линии. Поэтому основные характеристики ВВС
(число каналов, широкополосность, уровень пропускаемой мощности) во многом
определяются свойствами используемых ВКП. В известных конструкциях ВВС (патент
РФ №2127011, 1996 г.) обычно используется ВКП пуговичного типа, представляющий
собой короткозамкнутый с одного конца отрезок прямоугольного волновода,
сочленяемый с коаксиальной линией, ориентированной перпендикулярно широкой
стенке волновода. Очевидными недостатками такого ВКП, ограничивающими
возможность его применения в составе ВВС, являются: узкополосность
согласования, наличие режима короткого замыкания и ограничение среднего
диаметра коаксиальной линии (Dcp ), который, во избежание условий
распространения в нем волноводных волн высшего порядка, не должен превышать
значения Dcp
к/
, где
к - самая короткая длина волны рабочего диапазона
длин волны. Ограничение на Dcpтакого ВКП оказывается принципиальным
недостатком для применения его в составе многоканальных ВВС, так как
коаксиальные линии всех каналов имеют одну общую ось, т.е. охватывают одна
другую.
Целью предлагаемого изобретения является создание
широкополосного ВКП с большим диаметром коаксиальной линии и на их основе -
вращающегося сочленения с широкими возможностями по рабочей полосе частот,
уровню мощности и числу каналов. Сущность изобретения заключается в плавном
переходе от волновода к коаксиальной линии с сохранением режима бегущей волны и
использованием многоканальных делителей мощности.
На фиг.1, 2 приведена конструкция ВКП улиткообразной
формы, на фиг.3, 4 - ВКП с использованием двухканального делителя мощности. На
фиг.5 - ВКП с четырехканальным делителем мощности.
Конструкция ВКП, приведенная на фиг.1 и 2, состоит из
входного волновода 1 с фланцем 2, согласующего трансформатора выполненного в
виде трехступенчатого Е-перехода 3, 4 и 5 к кольцевому волноводу 6,
располагаемого по кольцу со средним диаметром D cp. Параметры
согласующего трансформатора (число ступенек, их высота b1, b2,
b3, длина) могут быть рассчитаны без учета влияния кривизны
кольцевого волновода по таблицам (Справочник по элементам волноводной техники.
М.: изд. “Сов. Радио”, 1967), исходя из требуемой полосы согласования и
допустимого коэффициента отражения. Кольцевой волновод 6 с одновременным
плавным изгибом в плоскости Е претерпевает 90-градусный изгиб в плоскости Н
подобно винтовой лестнице, как показано на фиг.1, и возбуждает коаксиальную
линию 7, образованную наружным проводником 8 и внутренним проводником 9.
Собственно переход от кольцевого волновода 6 к коаксиальной линии 7 выполнен
сопряжением наружного проводника 8 и внутреннего проводника 9 коаксиальной
линии с наружной и внутренней стенками кольцевого волновода 6 через крышку 10,
являющуюся узкой стенкой кольцевого волновода. На выходных концах наружного
проводника 8 и внутреннего проводника 9 предусмотрены кольцевые проточки для
дроссельного сочленения двух ВКП, образующих ВВС.
Широкополосность ВКП, в зависимости от перепада
волновых сопротивлений и числа ступенек согласующего трансформатора, может
достигать 40%, т.е. работать во всей рабочей полосе кольцевого волновода.
Технологически волноводная часть ВКП может быть
выполнена фрезерованием на глубину широкой стенки кольцевого волновода с
последующей пайкой или приваркой крышки 10 совместно с наружным проводником 8 и
внутренним проводником 9.
Электропрочность ВКП определяется в основном высотой
кольцевого волновода, поскольку в нем отсутствуют другие источники
рассогласований.
Для предотвращения условий распространения по
коаксиальной линии волноводных типов волн (Н10, Н20, Е11и
др.), приводящих к модуляции электрических параметров ВВС при вращении, средний
диаметр коаксиальной линии Dcp, как и в ВКП-прототипе, не должен
превышать значения
к/
. Этот недостаток устранен в другой конструкции ВКП,
приведенной на фиг.3 и 4. Входной волновод 1 делится в Е-плоскости на два
волноводных канала половинной высоты 11 и 12, волноводные выходы 13 и 14
которых, располагаясь по диаметру Dcp, как и в предыдущем варианте,
претерпевают 90-градусные изгибы в Н-плоскости и возбуждают коаксиальную линию
со средним диаметром Dcp , формируя результирующую волну ТЕМ-типа.
Очевидно, что значения диаметров Dcp и d0 в этом случае
будут в два раза большими при прочих равных условиях, по сравнению с предыдущим
вариантом ВКП.
Что касается широкополосности и электропрочности, то и
эти параметры улучшаются. Однако, в составе ВВС два таких ВКП могут дать
резонансные провалы в характеристике потерь из-за нарушения электрической
симметрии (неравенство коэффициентов деления в трехступенчатых Е-переходах или
неравенство электрических длин волноводных каналов). Для устранения этих
резонансов в области Е-разветвления вмонтирована коаксиальная нагрузка 15,
электрически связанная с двумя волноводными выходами 13 и 14 через
четвертьволновую щель 16. В коаксиальной нагрузке 15 поглощаются только
противофазные составляющие волн, подходящих к E-разветвлению по двум
волноводным каналам. На синфазные составляющие волн, проходящих через
Е-разветвление в любом направлении, нагрузка 15 влияния не оказывает.
На фиг.5 приведена еще одна конструкция ВКП с
использованием четырехканального делителя мощности. Для согласования входного
волновода 1 с волноводными выходами 13, 14, располагаемыми по окружности
диаметра Dcp, использованы ступенчатые трансформаторы 17.
Как и в предыдущем варианте, в области Е-разветвления
установлена коаксиальная нагрузка 15. Очевидно, что с увеличением числа каналов
делителя мощности пропорционально возрастают допустимый диаметр коаксиальной
линии Dcp и диаметр центрального отверстия d0, что
является существенным для многоканальных ВВС.
ФОРМУЛА ИЗОБРЕТЕНИЯ
. Волноводное вращающееся сочленение, состоящее из
двух волноводно-коаксиальных переходов, подвижно сочленяемых по выходным концам
проводников коаксиальной линии, отличающееся тем, что переход от волновода к
коаксиальной линии выполнен путем свертывания волновода по спирали в
Е-плоскости с одновременным переходом на пониженную высоту, последующей
ориентации его по окружности с одновременным 90-градусным изгибом в Н-плоскости
и соединением с проводниками коаксиальной линии.
. Волноводное вращающееся сочленение, состоящее из
двух волноводно-коаксиальных переходов, подвижно сочленяемых по выходным концам
проводников коаксиальной линии, отличающееся тем, что переход от волновода к
коаксиальной линии выполнен делением волновода в Е-плоскости на два волноводных
канала одинаковой высоты с последующим расположением волноводных выходов по
окружности с одновременным 90-градусным изгибом в Н-плоскости и соединением их
с проводниками коаксиальной линии.
. Волноводное вращающееся сочленение по п.2,
отличающееся тем, что переход от волновода к коаксиальной линии выполнен с
использованием четырехканального делителя мощности.
. Волноводное вращающееся сочленение по п.2,
отличающееся тем, что в Е-разветвлениях волноводных каналов вмонтирована
коаксиальная нагрузка, электрически связанная с волноводными выходами через
четвертьволновую щель.
В качестве облучателя используется гофрированный
рупор.
Фиг.
Патент на полезную модель №:140983
Автор: Букреев Валентин Григорьевич (RU), Коваленко
Светлана Даниловна (RU)
Патентообладатель: Открытое акционерное общество
"Таганрогский научно-исследовательский институт связи" (ОАО
"ТНИИС") (RU)
Дата публикации:20 Мая, 2014
Начало действия патента:26 Декабря, 2013
Полезная модель «Широкополосный гофрированный рупор» относится к области
техники СВЧ и предназначен для приема и излучения СВЧ сигналов в широком
диапазоне частот. Технической задачей на решение которой направлена полезная
модель, является построение конструктивно простого рупора с осесимметричной ДН
с уровнем боковых лепестков ниже 30 дБ и шириной на уровне минус 3 дБ, равной
45±3° и значением КСВН<1,3 в диапазоне частот fмакс/fмин
2. Широкополосный гофрированный рупор
состоит из усеченной конической секции, на внутренней поверхности которой
выполнены канавки и круглого волновода, при этом усеченная коническая секция с
углом при вершине, равным 120°, диаметром большого основания, равным 2,8
мин, где
мин - минимальная длина волны рабочего
диапазона частот, и диаметром малого основания, равным 1,33
мин, состоит из двух участков, первый из
которых имеет три канавки, параллельные оси секции, с периодом равным 0,13
мин, глубина первой канавки, примыкающей
к окружности большого основания конической секции, равна 0,28
мин, а глубина второй и третьей канавок,
равна по 0,22
мин, второй участок расположен от третьей канавки до меньшего основания
конической секции. Переход с круглого волновода, образованного малым основанием
усеченной конической секции на прямоугольный волновод со сторонами а=1,330
мин и в=0,436
мин имеет длину, равную 0,77
мин. Габаритная высота широкополосного
гофрированного рупора составляет 1,2
мин. Илл. 1.
Предлагаемый гофрированный рупор относится к области антенной техники и
может быть использован для приема (излучения) СВЧ колебаний.
Известна рупорная антенна [Патент ФРГ
2930932 кл. H01Q 13/02, 1982 г.].
Рупорная антенна выполнена в виде усеченного конуса, который состоит из
трех секций: гладкой секции и двух ребристых секций.
К недостаткам рупорной антенны можно отнести значительные габариты по
сравнению с длиной волны и невозможностью получить стабильную, на уровне минус
3 дБ, диаграмму направленности (ДН) шириной около 45° на уровне минус 3 дБ в
широком диапазоне частот.
Известен гофрированный рупор [Патент США
3754273 кл. 343-786 H01Q 13/02, 1973
г.]. Конический гофрированный рупор выполнен с дополнительными выемками в
глубине канавок вдоль образующих наружных поверхностей волновода и рупора. К
недостаткам гофрированного рупора можно отнести конструктивную сложность и
меняющуюся ширину ДН в широком диапазоне частот.
Известен гофрированный рупор с малым стабильным коэффициентом стоячей
волны [Заявка Великобритании
4645 МКИ H01Q 13/02, 1978 г.]. В антенне экспоненциального
вида с гофрированным рупором, глубина углублений в гофрах уменьшается
экспоненциально от горла рупора до его раскрыва. Ширина и расстояние между
углублениями может также экспоненциально изменяться в том же направлении. Рупор
обладает малым коэффициентом стоячей волны и малыми боковыми лепестками ДН.
К недостатком данной антенны можно отнести значительные габариты и
недостаточную стабильность ширины ДН в широком диапазоне частот.
Известен широкополосный рупор на круглом волноводе с двумя гребнями
[Патент США
4021814 МКИ H01Q 13/02 НКИ 343-786, 1977 г.]. Конический
рупор выполнен вместе с круглым волноводом на котором установлены клинья,
согласующие волновод с коаксиальным соединителем. На коническом рупоре имеются
несколько ребер определенной ширины, между которыми располагаются промежутки
определенной ширины. Ширина промежутков превышает ширину ребер и равна 0,3
,, где
- длина волны на верхней граничной
частоте рабочего диапазона частот и глубина промежутков меньше одной четверти
длины волны на нижней граничной частоте рабочего диапазона частот.
К недостаткам рупорной антенны можно отнести значительные габариты по
сравнению с длиной волны и невозможностью получить стабильную, на уровне 3 дБ,
диаграмму направленности шириной около 45° на уровне минус 3 дБ в широком
диапазоне частот.
Технической задачей, на решение которой направлена полезная модель,
является построение конструктивно простого малогабаритного широкополосного
рупора с осесимметричной диаграммой направленности, низким уровнем боковых
лепестков и шириной на уровне минус 3 дБ, равной 45±3° в диапазоне частот с
отношением
макс/fмин
2.
Технический результат достигается тем, что в широкополосном гофрированном
рупоре, содержащем усеченную коническую секцию, на внутренней поверхности
которой, выполнены канавки и круглый волновод, при этом усеченная коническая
секция с углом при вершине, равным 120°, диаметром большого основания, равным
2,8
М11Н, где
мин минимальная длина волны рабочего
диапазона частот, и диаметром малого основания, равным 1,33
мин, состоит из двух участков, первый из
которых имеет три канавки, параллельные оси секции, с периодом равным 0,1
мин, глубина первой канавки, примыкающей
к окружности большого основания конической секции, равна 0,28
мин, а глубина второй и третьей канавок,
равна 0,22
мин, второй участок расположен от третьей канавки до меньшего основания
конической секции, переход с круглого волновода, образованного малым основанием
усеченной конической секции на прямоугольный волновод со сторонами а=1,330А,мин
и в=0,436
мин имеет длину, равную 0,77
мин, причем габаритная высота
широкополосного гофрированного рупора составляет 1,2
мин.
Существенные признаки, отличающие заявленный широкополосный гофрированный
рупор от прототипа не поддаются самостоятельной квалификации, так как
неотделимы от целого объекта. Взаимное положение и размеры всех элементов,
входящих в рупор, окончательно определены экспериментально и позволяют
построить антенну простой конструкции и небольших размеров по сравнению с
длиной волны с осесимметричной диаграммой направленности шириной на уровне
минус 3 дБ, равной 45±3°, боковыми лепестками ниже 30 дБ и значением
КСВН<1,3 в диапазоне частот при fмакс/fмин
2.
На Фиг. приведен чертеж предлагаемого широкополосного гофрированного
рупора, на котором изображено:
|
1 - коническая секция;
|
2 - переход;
|
|
3 - второй участок;
|
4 - третья канавка;
|
|
5 - вторая канавка;
|
6 - первая канавка.
|
Широкополосный гофрированный рупор состоит из конической секции 1 и
перехода 2 с круглого волноводного выхода конической секции 1 на прямоугольный
волновод со сторонами a=1,330
мин и в=0,436
мин. Коническая секция 1 состоит из гладкого второго участка 3 и первого
участка, на котором расположены третья 4, вторая 5 и первая 6 канавки. Габариты
антенны: диаметр равен 2,8
мин и высота равна 1,2
мин.
Антенна работает следующим образом:
Ребристый первый участок конической секции с 4, 5 и 6 канавками формирует
в раскрыве антенны амплитудно-фазовое распределение поля СВЧ, обеспечивающее
осесимметричную ДН с низким уровнем боковых лепестков; расфазированный участок
антенны - переход 2 с прямоугольного волновода на круглый волновод конической
секции 1 корректирует ширину ДН в высокочастотной части рабочего диапазона.
Размер гладкого второго участка 3 конической секции 1 выбран из условия
широкополосного согласования рупора с питающим волноводом.
Коническая секция 1 и переход 2 формируют частотно-независимую ДН в
диапазоне частот с отношением fмакс/fмин
2. В разных участках сантиметрового
диапазона волн экспериментально исследован заявляемый широкополосный
гофрированный рупор, у которого в диапазоне частот с отношением fмакс/fмин
2 значение КСВН было не более 1,3,
боковые лепестки ниже 30 дБ и ширина ДН на уровне минус 3 дБ, равна 45±3°.
Заявляемый широкополосный гофрированный рупор может быть изготовлен на
любом среднетехническом предприятии страны из алюминиевых и медных сплавов,
которые широко применяются в промышленности.
По сравнению с прототипом предлагаемый широкополосный гофрированный рупор
имеет улучшенные технические и экономические показатели:
более простую конструкцию и соответственно более низкую цену;
улучшенные электрические параметры, позволяет получить частотно
независимую ширину ДН в широком диапазоне частот при низком уровне боковых
лепестков и хорошем согласовании с питающим трактом.
Широкополосный гофрированный рупор, содержащий усеченную коническую
секцию, на внутренней поверхности которой выполнены канавки, и круглый
волновод, отличающийся тем, что усеченная коническая секция с углом при
вершине, равным 120°, диаметром большого основания, равным 2,8
мин, где
мин - минимальная длина волны рабочего
диапазона частот, и диаметром малого основания, равным 1,33
мин, состоит из двух участков, первый из
которых имеет три канавки, параллельные оси секции, с периодом, равным 0,13
мин, глубина первой канавки, примыкающей
к окружности большого основания конической секции, равна 0,28
мин, а глубина второй и третьей канавок
равна 0,22
мин, второй участок расположен от третьей канавки до меньшего основания
конической секции, переход с круглого волновода, образованного малым основанием
усеченной конической секции, на прямоугольный волновод со сторонами a=l,330
мин и в=0,436
мин имеет длину, равную 0,77
мин, причем габаритная высота
широкополосного гофрированного рупора составляет 1,2
мин.
Глава 1. Обоснование структурной и
принципиальной схем
.1 Структурная схема радиотехнической системы
Рисунок 1. Структурная схема радиотехнической системы.
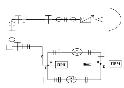
1.2 Принципиальная схема антенно-фидерного
тракта
Рисунок 2. Принципиальная схема антенно-фидерного тракта.
Схема
нарисована с использованием ГОСТ 2.735-68 (условные графические обозначения в
схемах. Антенны и радиостанции).
Глава 2. Выбор типа линии передачи
Существует множество видов линий передачи, основные из них прямоугольный
волновод, круглый волновод, коаксиальный кабель, полосковая линия.
Выберем прямоугольный волновод и круглый волновод.
Для длины волны, заданной в техническом задании λ=4,5 см, выбираем линии передачи.
|
Вид
|
Тип
|
Размеры, мм
|
Затухание α, дБ/м
|
|
Прямоугольный волновод
|
МЭК-70
|
34х15
|
0,07
|
|
Прямоугольный волновод
|
МЭК-120
|
19х10
|
0,17
|
|
Прямоугольный волновод
|
МЭК-32
|
72х34
|
0,02
|
|
Круглый волновод
|
С65
|
32,54
|
0,59
|
|
Круглый волновод
|
С170
|
12,7
|
1,02
|
|
Круглый волновод
|
С30
|
71,42
|
1,65
|
Выбор линий передач для нашей антенны остановится на
МЭК-70:
F = 7
Ггц
Внутренний размер axb:
34х15 мм
Толщина стенок = 1,63 мм
lкр Н10 = 7 см
lкр Н20 = 3,5 см
Затухание = 0,07
и
С65:
F =
6,5 Ггц
Fкр (Н11)
= 5,4 см
lкр (Н11) = 5,5 см
Fкр
(Е01) = 7,05 см
lкр (Е01) = 4,26 см
Fкр
(Н21) = 8,96 см
lкр (Н21) = 3,35 см
Диаметр волновода = 32,54 мм
Толщина стенок = 1,65 мм
МЭК-70 обладает более низким коэффициентом затухания волны, по сравнению
с другими прямоугольными волноводами. Если же сравнивать с МЭК-32, то значение λср очень отличается от нашей длины
волны.
Выбор круглого волновода остановился на С65, потому что волновод имеет
относительно небольшой диаметр и толщину стенок.
Глава 3. Расчет геометрических размеров
облучателя и зеркала
Рисунок 3. Расчет геометрических размеров облучателя и зеркала
Раскрыв облучателя рассчитывается из соотношения [1, с.14] U =
* sin Y, где k =
- волновое число,
- угол раскрыва.
= 2.79 см.
Радиальная длинна рупора находится по формуле R =
- 0.15
, где
- рабочая длинна волны.
Расчет апертурных антенн начинают с определения размера раскрыва,
необходимого для формирования требуемой диаграммы направленности.
Ширина диаграммы направленности на уровне половинной мощности связана с
рабочей длиной волны и размером раскрыва антенны соотношением [1, с.12]:
P/2 = А0 *
,
где
- ширина ДН по ТЗ, А0 - коэффициент, учитывающий
закон распределения амплитуды поля на раскрыве.
.80 = 67.2670*
D =
168.16 см
Фокусное расстояние параболического зеркала связано с углом раскрыва
соотношением [1, с.13]:
f =
* ctg
,
где f - фокусное расстояние
параболического зеркала,
- угол раскрыва.
Угол
для параболических зеркальных антенн выбирают чаще всего в
пределах 65…700 (в нашем случае 680).
f =
62.3 см
Рассчитываем профиль зеркала в полярной системе корд. по выражению [1,
с.14]:
r =
Результаты расчета представлены в таблице 1, а профиль в пол. сист. корд.
на рис. 4.
Таблица
1 Профиль зеркала в полярной системе координат
|
Y
|
0
|
5
|
10
|
15
|
20
|
25
|
30
|
35
|
40
|
45
|
50
|
55
|
60
|
65
|
68
|
|
r
|
62.3
|
62.6
|
62.9
|
63.4
|
64.2
|
65.3
|
66.8
|
68.52
|
70.59
|
73
|
75.9
|
79.2
|
83
|
87.63
|
90.7
|
Рисунок 4. График раскрыва.
Для каждого угла
рассч. соотв. координату на раскрыве [1, с.14]: r = r * sin
. Резуьтаты расчета представлены в таблице 2.
Таблица
2 Координаты на раскрыве r
|
Y
|
0
|
5
|
10
|
15
|
20
|
25
|
30
|
35
|
40
|
45
|
50
|
55
|
60
|
65
|
68
|
|
r
|
0
|
5.45
|
10.9
|
16.4
|
21.9
|
27.6
|
33.4
|
39.3
|
45.3
|
51
|
58
|
64
|
71
|
79
|
84
|
и нормируем ее к радиусу раскрыва зеркала [1, с.14]:: r0 = D/2. r0 = 84.08. В дальнейшем рассчитываем Em(
) (Глава 5) и строем ее в координатах
раскрыва r/r0.
|
Y
|
0
|
5
|
10
|
15
|
20
|
25
|
30
|
35
|
40
|
45
|
50
|
60
|
65
|
68
|
|
r/r0
|
0
|
0.06
|
0.13
|
0.19
|
0.26
|
0.32
|
0.39
|
0.46
|
0.53
|
0.61
|
0.69
|
0.7
|
0.8
|
0.9
|
1
|
Глава 4. Расчет диаграммы направленности облучателя
в главных плоскостях
Диаграмма направленности конического рупора с волной H11 рассчитывается по выражениям [1,
с.15]:
E
пл-ть: Fобл (Y) =
* L1 (U)
H
пл-ть: Fобл (Y) =
*
,
здесь углы отсчитываются от нормали к раскрыву рупора; U =
* sin Y ; k =
- волновое число; L1 (U) и
- лямбда функция и функция Бесселя
соответственно. Результаты расчета для Е-пл. представлены в таблице 3, для
Н-пл. в таблице 4.
Таблица
3
|
Y
|
Fобл (Y)
|
|
0
|
1
|
|
5
|
1
|
|
10
|
0.986
|
|
15
|
0.962
|
|
20
|
0.96
|
|
25
|
0.905
|
|
30
|
0.808
|
|
35
|
0.824
|
|
40
|
0.77
|
|
45
|
0.701
|
|
50
|
0.685
|
|
55
|
0.639
|
|
60
|
0.594
|
|
65
|
0.562
|
|
70
|
0.53
|
|
75
|
0.456
|
|
80
|
0.425
|
Таблица
4
|
Y
|
Fобл (Y)
|
|
0
|
1
|
|
5
|
0.993
|
|
10
|
0.98
|
|
15
|
0.952
|
|
20
|
0.91
|
|
25
|
0.879
|
|
30
|
0.856
|
|
35
|
0.779
|
|
40
|
0.709
|
|
45
|
0.661
|
|
50
|
0.611
|
|
55
|
0.56
|
|
60
|
0.51
|
|
65
|
0.459
|
|
70
|
0.433
|
|
75
|
0.385
|
|
80
|
0.359
|
Диаграмма направленности облучателя в главных плоскостях построена на
рисунке 5.
Рисунок 5. Диаграмма направленности облучателя в главных плоскостях.
Из полученного графика видно, что плоскость H шире плоскости E. Чтобы уровнять эти диаграммы, необходимо использовать широкополосный
гофрированный рупор (описание рупора и патент подробно рассмотрены в обзоре
литературы).
Глава 5. Расчет распределения поля в раскрыве
зеркала и аппроксимирующих функций
По формуле Ems = cos2
fобл(Y) производится расчет поля в раскрыве [1, с.14]. Далее
подбирают теоретическую аппроксимирующую функцию [1, с.14]:
Ems = D +
(1 - D) * [1 - (
)2]p
Рассчитанные значения r/r0 для всех
значений P представленный в таблице 5.
Таблица
5 Рассчитанные значения r/r0 для всех
значений P
|
r/r0
|
(r/r0)2
|
P=1
|
P=2
|
P=3
|
|
0
|
0
|
1
|
1
|
1
|
|
0.2
|
0.04
|
0.96
|
0.921
|
0.886
|
|
0.4
|
0.16
|
0.84
|
0.705
|
0.592
|
|
0.6
|
0.36
|
0.64
|
0.409
|
0.262
|
|
0.8
|
0.64
|
0.36
|
0.129
|
0.046
|
|
1
|
1
|
0
|
0
|
0
|
Рисунок 7. Аппроксимирующие функции.
Выбираем функцию при p = 2.
Глава 6. Расчет диаграмм направленности зеркала
в главных плоскостях и КУ
Диаграмма направленности антенны для круглого раскрыва диаметром D имеет вид [1, с.16]:
f (Q) =
*
Значения
лямбда-функции от аргумента U =
* sinQ. При расчете аргумента U угол задается в пределах и с шагом, необходимым для расчета
5 … 7 точек на главном лепестке диаграммы направленности и прохождения
максимума первого бокового лепестка (в нашем случае достаточно 4, потому что
уже на 4 значении (2.50) диаграмма уходит в отрицательную плоскость
и проходит максимум первого бокового лепестка).
|
Q
|
f (Q)
|
|
0
|
1
|
|
0.5
|
0.842
|
|
1
|
0.631
|
|
1.5
|
0.263
|
|
2
|
0.104
|
|
2.5
|
- 0.018
|
Рисунок 8. Диаграмма направленности антенны.
Глава 7. Расчет элементов фидерного тракта
В антенной системе используется
) поляризатор;
) вращающееся сочленение;
) АП.
Принцип работы вращающегося сочленения и АП подробно рассмотрены в обзоре
литературы. Волноводный поляризатор же обеспечивает увеличение развязки по
поляризации в рабочем диапазоне частот. Поставленная задача решается тем, что в
волноводный поляризатор, состоящий из отрезка волновода, например, круглого поперечного
сечения и фазосдвигающей секции, выполненной в виде решетки из прямолинейных
проводников, расположенных в плоскости, проходящей через ось волновода,
согласно изобретению фазосдвигающая секция выполнена в виде густой решетки из
прямолинейных коротких проводников, содержащей бесконтактные проводники, причем
бесконтактные проводники закреплены внутри волновода с помощью диэлектрических
держателей, например в виде трубок, или с помощью общей диэлектрической
пластины.
Глава 8. Описание конструкции
Разработанная антенная система состоит из вращающегося сочленения по УМ,
вращающегося сочленения по АЗ, антенного переключателя, прямоугольных и круглых
волноводов, облучателя в виде гофрированного рупора, зеркала в виде параболоида
вращения. Подробное описание и патенты всех перечисленных составляющих
приведены в обзоре литературы курсовой работы. Одним из условия технического
задания является создание антенна импульсной РЛС с подавлением отражений от
метеоосадков. Метеоосадки ориентированы в пространстве стабильно (вертикально
либо горизонтально), поэтому при излучении сигнала вертикальной или
горизонтальной поляризации, от них будет сильное отражение, из-за которого мы
не будем наблюдать цели. Чтобы избежать этого, необходимо излучать сигнал с
круговой поляризацией, для этого в нашем устройстве используется фазовращатель.
При излучении сигнала с круговой поляризацией, отражений от осадков будет
значительно меньше, чем при использовании вертикальной или горизонтальной
поляризации, но они все же будут, но по сравнению с сигналом, отраженного от
цели, отражения будут малы.
Заключение
Результатом работы является спроектированная зеркальная антенна в виде
параболоида вращения, облучатель - конический рупор, удовлетворяющая заданным
техническим требованиям. Рассчитанная диаграмма направленности антенны (рис.8),
правильно подобранный облучатель, разработанная принципиальная схема
антенно-фидерного тракта (рис.2) и структурная схема радиотехнической системы
(рис.1). В данной работе в качестве облучателя подобран широкополосный
гофрированный рупор (рис.6). Спроектированная антенна с реальными размерами
отражена на чертеже, прикрепленному к курсовой работе.
Список используемой литературы
1. Устройства
сверхвысоких частот и антенны. Методические указания к курсовому
проектированию. Составитель Л. А. Федорова.
. Расчет и
проектирование линзовых антенн. Методические указания к курсовому и дипломному
проектированию. Составители Л. А. Федорова. и А. Ю. Мельникова.
. Антенны и
устройства сверхвысоких частот. Расчет и проектирование устройств СВЧ. Учебное
пособие. Б.Т. Никитин, Л. А. Федорова, Ю. Н. Данилов.
. Лекции Л.
А. Федоровой по курсу «Устройства СВЧ и антенны».
. Разработка
и оформление конструкторской документации РЭА: Справочник / Под ред. Э.Т.
Романычевой.
. Расчет и
конструирование антенно-фидерных устройств. Харьков: Изд-во Харьковск ун-та,
1960.
.
Изготовление элементов конструкции СВЧ. Волноводы и волноводные устройства.
Учебное пособие для вузов. Бушминский Н.П. Высшая школа, 1974.
. Устройства
сверхвысоких частот. Альтман Д.Т. 1968.
. Антенны и
устройства СВЧ. Расчет и проектирование антенных решеток и их излучающих
элементов: Учеб. Пособие для вузов/ под ред. Д. И. Воскресенского. Радио и
связь, 1994.