Проектирование сети передачи данных на участке железной дороги
Реферат
Курсовой проект содержит страницы, 7 рисунков,
14 таблиц, 33 источника, 5 приложений.
Сеть передачи данных, глобальная сеть, локальная
сеть, удаленные абоненты, мультиплексор, маршрутизатор, коммутатор, точка
доступа, трансивер, медиаконвертер, радиомост, OTU,
GPON, Ethernet.
Цель работы - проектирование сети передачи
данных на участке железной дороги.
Курсовой проект содержит основные сведения о
технологиях, применяемых при построении сети передачи данных на железной
дороге, а также краткую характеристику оборудования различных фирм, которое
может быть использовано при построении сети.
В процессе работы требовалось спроектировать
сеть передачи данных на участке железной дороги Узуново - Ожерелье - Узловая -
Тула.
Курсовой проект выполнен в текстовом редакторе
Microsoft Word, графический материал выполнен с использованием Microsoft Visio.
Содержание
Введение
. Описание участка железной дороги
. Технологии глобальных сетей
.1 Оптическая транспортная сеть OTN
.2 Технологии спектрального
уплотнения DWDM и CWDM
. Технологии локальных сетей
.1 Технология пакетной передачи
данных Ethernet
(IEEE 802.3)
.1.1 Fast
Ethernet
.1.2 Gigabit
Ethernet
.2 Технология пассивных оптических
сетей GPON (ITU-T
G.984)
.3 Технология беспроводных сетей IEEE
802.11
.4 Технология передачи данных по ЛЭП
HomePlug
. Технологии удаленного доступа
.1 Коммутируемый удалённый доступ
.2 Технологии xDSL
.2.1 Технологии ADSL/ADSL2/ADSL2+
.2.2 Технологии VDSL/VDSL2
.2.3 Технологии G.SHDSL/G.SHDSLbis
. Оборудование, используемое в
проекте
.1 Оптическая транспортная платформа
OptiX OSN 8800 T16
.2 Оптическая мультисервисная
платформа OptiX OSN 1800 I
.3 Компактная CWDM-система
«Иртыш» 2,5 Гбит/с
.4 Маршрутизатор HUAWEI
AR2220
.5 Маршрутизатор HUAWEI
AR1220W
.6 Интерфейсные платы HUAWEI
SIC и
WSIC
.7 Маршрутизаторы HUAWEI
AR151/AR201/AR207
.8 Коммутаторы 2ур. HUAWEI
серии S1700
.8.1 Коммутатор HUAWEI
S1700-8-AC
.8.2 Коммутатор HUAWEI
S1700-24-AC
5.8.3 Коммутатор
HUAWEI S1700-28FR-2T2P-AC
5.9 Медиаконвертер SNR-CVT-1000SFP-V2
.10 Двухволоконный модуль SFP
1000BaseLX
.11 Оптический разветвитель FlexGain-GPON-SPLITTER
1x4
.12 ONU
GPON ZyXEL
PSG1282N
.13 Мультиплексор IP
DSLAM D-Link
DAS-3216/RU
.14 Модем ADSL2+
ZyXEL P660RT3
ЕЕ
.15 Модем/мост VDSL2 ZyXEL
P-871M
5.16 Модем
56К
ZyXEL U-336E Plus EE
.17 Модемы LTU/NTU Watson 5
G.SHDSL.bis
5.18 Радиомосты QTECH
QWR-2M-8
и QWR-2M-14
5.19 Powerline-центр HomePlug
AV ZyXEL NBG318S EE
.20 Powerline-адаптер
HomePlug AV ZyXEL PLA470 EE
6. Описание схем сетей передачи
данных
.1 Магистральная сеть передачи данных
.2 Сеть передачи данных станции
Узуново
.3 Сеть передачи данных станции
Ожерелье
.4 Сеть передачи данных станции
Узловая
.5 Сеть передачи данных станции Тула
Заключение
Библиографический список
Приложения
магистральный сеть маршрутизатор
коммутатор
Введение
Сети передачи данных на железной дороге сегодня
играют решающую роль в обеспечении взаимодействия сотрудников внутри ОАО «РЖД»,
ее контор, офисов, станций и филиалов, расположенных как в непосредственной
близости, так и на значительном удалении друг от друга, удаленных сотрудников,
партнеров, клиентов и т.д.
В ряде случаев для организации передачи данных
различного характера можно использовать обычное подключение к сети Интернет,
при условии, что оно имеет достаточную пропускающую способность. Но речь идет о
возможности передачи конфиденциальной информации, от которой напрямую зависит
эффективность и безопасность деятельности организации в целом, необходимо
побеспокоиться о том, чтобы сеть передачи данных была надежна, стабильна и
защищена. Для ОАО «РЖД» требуется разработка и внедрение собственной сети
передачи данных, максимально оптимизированной под характер ее деятельности.
При проектировании сети передачи данных участка
железной дороги необходимо:
построить схему магистральной сети участка;
выбрать технологии и оборудование глобальной
сети;
построить схемы крупных станций участка;
выбрать технологии и оборудование локальной
сети;
выбрать технологии и оборудование удаленного
доступа;
часть промежуточных мелких станций на участках
магистрали (в зависимости от расстояния до ближайшей крупной станции) следует
отнести к удаленным абонентам.
На рисунке 1.1 приведена схема участка железной
дороги, на котором необходимо построить сеть передачи данных. На схеме указаны
станции и километраж от станции Тула.
Рисунок 1.1 - Схема участка железной дороги
Данный участок относится к Московской железной
дороге. Все ветви данного участка являются частями магистральных линий, ведущих
к Москве. Карта данного района приведена на рисунке 1.2.
Рисунок 1.2 - Схема участка железной дороги
2. Технология глобальных сетей
Глобальные сети (Wide Area Networks, WAN),
которые также называют территориальными компьютерными сетями, служат для того,
чтобы предоставлять свои сервисы большому количеству конечных абонентов,
разбросанных по большой территории - в пределах области, региона, страны,
континента или всего земного шара. Ввиду большой протяженности каналов связи
построение глобальной сети требует очень больших затрат, в которые входит
стоимость кабелей и работ по их прокладке, затраты на коммутационное
оборудование и промежуточную усилительную аппаратуру, обеспечивающую
необходимую полосу пропускания канала, а также эксплуатационные затраты на
постоянное поддержание в работоспособном состоянии разбросанной по большой
территории аппаратуры сети.
Типичными абонентами глобальной компьютерной
сети являются локальные сети предприятий, расположенные в разных городах и
странах, которым нужно обмениваться данными между собой. Услугами глобальных
сетей пользуются также и отдельные компьютеры. Крупные компьютеры класса
мэйнфреймов обычно обеспечивают доступ к корпоративным данным, в то время как
персональные компьютеры используются для доступа к корпоративным данным и
публичным данным Internet.
В нашем случае глобальная сеть полностью
создается какой-нибудь крупной корпорацией ОАО «РЖД» для своих внутренних нужд.
В этом случае сеть называется частной. Очень часто встречается и промежуточный
вариант - корпоративная сеть пользуется услугами или оборудованием общественной
глобальной сети, но дополняет эти услуги или оборудование своими собственными.
Наиболее типичным примером здесь является аренда каналов связи, на основе
которых создаются собственные территориальные сети.
В идеале глобальная вычислительная сеть должна
передавать данные абонентов любых типов, которые есть на предприятии и
нуждаются в удаленном обмене информацией. Для этого глобальная сеть должна
предоставлять комплекс услуг:
передачу пакетов локальных сетей, передачу
пакетов мини-компьютеров и мейнфреймов, обмен факсами, передачу трафика офисных
АТС, выход в городские, междугородные и международные телефонные сети, обмен
видеоизображениями для организации видеоконференций, передачу трафика кассовых
аппаратов, банкоматов и т.д. и т.п.
Нужно подчеркнуть, что когда идет речь о
передаче трафика офисных АТС, то имеется в виду обеспечение разговоров только
между сотрудниками различных филиалов одного предприятия, а не замена
городской, национальной или международной телефонной сети. Трафик внутренних
телефонных разговоров имеет невысокую интенсивность и невысокие требования к
качеству передачи голоса, поэтому многие компьютерные технологии глобальных
сетей справляются с такой упрощенной задачей.
Большинство территориальных компьютерных сетей в
настоящее время обеспечивают только передачу компьютерных данных, но количество
сетей, которые могут передавать остальные типы данных, постоянно растет.
.1 Оптическая транспортная сеть OTN
Технология Optical Transport Network (OTN),
описанная стандартом ITU G.709, в том числе упоминаемая как “digital wrapper”
("цифровой упаковщик") - это новейший набор стандартизированных
протоколов нового поколения, позволяющий максимально эффективно
мультиплексировать различные типы трафика в оптических сетях.
"Сеть Optical Transport Network (OTN)
состоит из набора оптических сетевых элементов (Optical Network Elements),
объединенных оптоволоконными связями. Сеть OTN обладает функционалом
транспорта, мультиплексирования, маршрутизации, управления, мониторинга и
отказоустойчивости оптических каналов, передающих клиентские сигналы, согласно
рекомендациям стандарта ITU Recommendation G.872.
Отличительная характеристика OTN - это настройка
транспорта для любого цифрового сигнала независимо от специфичных для клиента
аспектов связи, то есть полная независимость от клиентов (типа, скорости,
протокола, управления и т.п.)".
Технология OTN, в отличие от близких по родству
технологий мультиплексирования позволяет коммутировать трафик прямо в
оборудовании оптической передачи, минуя лишние стадии коммутации данных. OTN
позволяет объединить каналы различного типа, от устаревших протоколов до
новейших стандартов, через единый транспорт. Кроме того, технология OTN
позволит интегрировать в оптическую сеть и новейшие протоколы и стандарты,
которые еще не появились.
Гибкие возможности мульттиплексирования
технологии OTN позволяют различным типам трафика - включая Ethernet, сети SAN,
цифровое видео, а также SONET/SDH - передаваться через единый пакет Optical
Transport Unit (OTU, используемый в сетях DWDM), будь то OTU-1 на скорости 2.7
Гб/с, OTU-2 на 10.7 Гб/с, OTU-3 на 43 Гб/с или OTU-4 на 112 Гб/с.
В дополнение к мультиплексированию, технология
OTN очень хорошо адаптирована к изменениям любых аспектов сетевого взаимодействия
и удовлетворяет практически любым требованиям связи. Немаловажной особенностью
технологии OTN является встроенное управление оптическими каналами. Так как
технология позволяет контролировать и управлять трафиком на полной скорости
каналов для всех видов связи, перечисленных выше, она, например, идеально
подходит для передачи каналов 10 Gigabit Ethernet, так как обеспечивает
исключительно удобную модель для управления производительностью сети и для
устранения неполадок в сетях Ethernet.
Ценовая эффективность технологии OTN, её
простота во внедрении и относительная простота очень удачно подходит множеству
компаний как дальнейший прямой и безболезненный путь для развития своих сетей
связи.
Достоинства OTN:
) Защищает сеть от неблагоприятных «смешиваний»
разнородных сервисов, экономит полосу пропускания и прозрачно переносит любой
трафик
) Использует оптимальный тип мультиплексирования
для увеличения эффективности сетей
) Легко масштабируется, поддерживает выделенные
каналы Ethernet на скоростях 1GbE, 10GbE, 40GbEи 100GbE и выше (находящихся на
стадии разработки)
) Обеспечивает многоуровневый контроль
производительности и расширенные функции контроля работы сети, что особенно
важно для сигналов, передающихся через сети нескольких операторов
) С использованием технологии OTNControlPlane,
позволяет создавать автоматические полносвязные (mesh) конфигурации с
восстановлением связи за 50 миллисекунд для сервисов Ethernet, OTN, SONETи SDH.
Таблица 2.1 - Скоростная
ёмкость контейнеров OTU
|
Тип
OTU
|
Скорость
OTU (Gbps)
|
Скорость
данных в OTU (Gbps)
|
Типы
сигналов
|
|
OTU1
|
2.6661
|
2.48832
|
STM-1/OC-3,
STM-4/OC-12, STM-16/OC-48, FC-100/200, GbE, CMGPON
|
|
OTU1e
|
11.049
|
10.3215
|
10GbE LAN (BMP w/o fixed stuff)
|
|
OTU2
|
10.709
|
9.9953
|
STM-64/OC-192, FC-400/800, 10GbE WAN, 10GbE
LAN (GFP), IB SDR/DDR
|
|
OTU2e
|
11.095
|
10.356
|
FC-1200, 10GbE LAN (BMP w/ fixed stuff)
|
|
OTU3
|
43.018
|
40.150
|
STM-256/OC-768, 40GbE, IB QDR
|
|
OTU3e1
|
44.5709
|
41.6111
|
4
x ODU2e (AMP)
|
|
OTU3e2
|
44.5833
|
41.5995
|
4
x ODU2e (GMP)
|
|
OTU4
|
111.80997
|
104.35597
|
100GbE
|
2.2 Технологии спектрального уплотнения DWDM
и CWDM
Спектральное уплотнение каналов (англ.
Wavelength-division multiplexing, WDM, буквально мультиплексирование с
разделением по длине волны) - технология, позволяющая одновременно передавать
несколько информационных каналов по одному оптическому волокну на разных
несущих частотах.
Технология WDM позволяет существенно увеличить
пропускную способность канала, причем она позволяет использовать уже
проложенные волоконно-оптические линии. Благодаря WDM удается организовать
двустороннюю многоканальную передачу трафика по одному волокну. Преимуществом
DWDM-систем является возможность передачи высокоскоростного сигнала на
сверхдальние расстояния без использования промежуточных пунктов (без
регенерации сигнала и промежуточных усилителей). Эти преимущества крайне
востребованы для передачи данных через малонаселенные земли.
Современные WDM-системы на основе стандартного
частотного плана (ITU-T Rec. G.692) можно подразделить на три группы:
) грубые WDM (Coarse WDM - CWDM) - системы с
частотным разносом каналов более 2500 ГГц, позволяющие мультиплексировать не
более 18 каналов. Используемые в настоящее время CWDM работают в полосе от 1270
нм до 1610 нм, промежуток между каналами 20 нм (2500 ГГц), можно
мультиплексировать 16 спектральных каналов.
) высокоплотные WDM (High Dense WDM - HDWDM) -
системы с разносом каналов 50 ГГц и менее, позволяющие мультиплексировать более
64 каналов.
Частотный план для CWDM-систем определяется
стандартом ITU G.694.2. Область применения технологии CWDM - городские сети с
расстоянием до 50 км. Достоинством этого вида WDM систем является низкая (по
сравнению с остальными типами) стоимость оборудования вследствие меньших
требований к компонентам.
Частотный план для DWDM-систем определяется
стандартом ITU G.694.1. Область применения - магистральные сети. Этот вид
WDM-систем предъявляет более высокие требования к компонентам, чем CWDM (ширина
спектра источника излучения, температурная стабилизация источника и т. д.).
Рисунок 2.1 - Диапазоны CWDM
и DWDM
3. Технологии локальных сетей
В локальных сетях, как правило, используется
разделяемая среда передачи данных (моноканал) и основная роль отводится
протоколами физического и канального уровней, так как эти уровни в наибольшей
степени отражают специфику локальных сетей.
Сетевая технология - это согласованный набор
стандартных протоколов и реализующих их программно-аппаратных средств,
достаточный для построения локальной вычислительной сети. Сетевые технологии
называют базовыми технологиями или сетевыми архитектурами локальных сетей.
Сетевая технология или архитектура определяет
топологию и метод доступа к среде передачи данных, кабельную систему или среду
передачи данных, формат сетевых кадров тип кодирования сигналов, скорость
передачи в локальной сети. В современных локальных вычислительных сетях широкое
распространение получили такие технологии или сетевые архитектуры, как:
Ethernet, Token-Ring, ArcNet, FDDI и другие.
В курсовом проекте локальные вычислительные сети
построены на базе архитектуры Ethernet
с применением различных технологий.
.1 Технология пакетной передачи данных Ethernet
(IEEE 802.3)
В настоящее время эта сетевая технология
наиболее популярна в мире. Популярность обеспечивается простыми, надежными и
недорогими технологиями. В классической локальной сети Ethernet применяется
стандартный коаксиальный кабель двух видов (толстый и тонкий).
Однако все большее распространение получила
версия Ethernet, использующая в качестве среды передачи витые пары, так как
монтаж и обслуживание их гораздо проще. В локальных сетях Ethernet применяются
топологии типа “шина” и типа “пассивная звезда”, а метод доступа CSMA/CD.
Стандарт IEEE802.3 в зависимости от типа среды
передачи данных имеет модификации:
BASE5 (толстый коаксиальный кабель) -
обеспечивает скорость передачи данных 10 Мбит/с и длину сегмента до 500 м;
BASE2 (тонкий коаксиальный кабель) -
обеспечивает скорость передачи данных 10 Мбит/с и длину сегмента до 200 м;
BASE-T (неэкранированная витая пара) - позволяет
создавать сеть по звездной топологии. Расстояние от концентратора до конечного
узла до 100 м. Общее количество узлов не должно превышать 1024;
FOIRL - (акроним
от
англ.
Fiber-optic inter-repeater link). Базовый стандарт
для технологии Ethernet, использующий для передачи данных оптический кабель.
Максимальное расстояние передачи данных без повторителя 1 км.
BASE-F, IEEE 802.3j - Основной термин для
обозначения семейства 10 Мбит/с ethernet-стандартов, использующих оптический
кабель на расстоянии до 2 километров: 10BASE-FL, 10BASE-FB и 10BASE-FP. Из
перечисленного только 10BASE-FL получил широкое распространение.
BASE-FL (Fiber Link) - Улучшенная версия
стандарта FOIRL. Улучшение коснулось увеличения длины сегмента до 2 км.
BASE-FB (Fiber Backbone) - Сейчас неиспользуемый
стандарт, предназначался для объединения повторителей в магистраль.
BASE-FP (Fiber Passive) - Топология «пассивная
звезда», в которой не нужны повторители - никогда не применялся.
В развитие сетевой технологии Ethernet созданы
высокоскоростные варианты: IEEE802.3u/Fast Ethernet и IEEE802.3z/Gigabit
Ethernet.
3.1.1 Fast
EthernetEthernet - общее
название для набора стандартов передачи данных в компьютерных сетях по
технологии Ethernet со скоростью до 100 Мбит/с, в отличие от исходных 10
Мбит/с.Ethernet также использует метод передачи данных CSMA/CD. Когда плата
Ethernet должна послать сообщение, то сначала она ждет наступления тишины,
затем отправляет пакет и одновременно слушает, не послал ли кто-нибудь
сообщение одновременно с ним. Если это произошло, то оба пакета не доходят до
адресата. Если коллизии не было, а плата должна продолжать передавать данные,
она все равно ждет несколько микросекунд, прежде чем снова попытается послать
новую порцию. Это сделано для того, чтобы другие платы также могли работать, и
никто не смог захватить канал монопольно. В случае коллизии, оба устройства
замолкают на небольшой промежуток времени, сгенерированный случайным образом, а
затем предпринимают новую попытку передать данные. При использовании
коаксиального кабеля коллизия определялась сразу всеми станциями. В случае с
витой парой используется "jam" сигнал, как только станция определяет
коллизию, то она посылает сигнал концентратору, последний в свою очередь
рассылает "jam" всем подключенным к нему устройствам. Из-за коллизий
ни Ethernet, ни Fast Ethernet не могут достичь максимальной производительности
10 или 100 Мбит/с. Как только начинает увеличиваться трафик сети, временные
задержки между посылками отдельных пакетов сокращаются, а количество коллизий
увеличивается. Реальная производительность Ethernet не может превышать 70% его
потенциальной пропускной способности, и может еще ниже, если линия серьезно
перегружена.
Для того чтобы снизить перегрузку, сети
стандарта Ethernet разбиваются на сегменты, которые объединяются с помощью
мостов и маршрутизаторов. Это позволяет передавать между сегментами лишь
необходимый трафик. Сообщение, передаваемое между двумя станциями в одном
сегменте, не будет передано в другой и не сможет вызвать в нем перегрузки.
При построении центральной магистрали,
объединяющей серверы используют коммутируемый Fast Ethernet.
Ethernet-коммутаторы можно рассматривать как высокоскоростные многопортовые
мосты, которые в состоянии самостоятельно определить, в какой из его портов
адресован пакет. Коммутатор просматривает заголовки пакетов и таким образом
составляет таблицу, определяющую, где находится тот или иной абонент с таким
физическим адресом. Это позволяет ограничить область распространения пакета и
снизить вероятность переполнения, посылая его только в нужный порт. Только
широковещательные пакеты рассылаются по всем портам.
У технологии Fast Ethernet есть несколько
ключевых свойств, которые определяют области и ситуации ее эффективного
применения. К этим свойствам относятся: большая степень преемственности по
отношению к классическому 10-мегабитному Ethernet; высокая скорость передачи
данных - 100 Мбит/с; возможность работать на всех основных типах современной
кабельной проводки - UTP Category 5, UTP Category 3, STP Tуре 1, многомодовом
оптоволокне.
BASE-TX, IEEE 802.3u - развитие стандарта
10BASE-T для использования в сетях топологии «звезда». Задействована витая пара
категории 5, фактически используются только две неэкранированные пары
проводников, поддерживается дуплексная передача данных, расстояние до 100 м.
BASE-T4 - стандарт, использующий витую пару
категории 3. Задействованы все четыре пары проводников, передача данных идёт в
полудуплексе. Практически не используется.
BASE-T2 - стандарт, использующий витую пару
категории 3. Задействованы только две пары проводников. Поддерживается полный
дуплекс, когда сигналы распространяются в противоположных направлениях по
каждой паре. Скорость передачи в одном направлении - 50 Мбит/с. Практически не
используется.
BASE-FX - вариант Fast Ethernet с использованием
волоконно-оптического кабеля. В данном стандарте используется длинноволновая
часть спектра (1300 нм) передаваемая по двум жилам, одна для приёма (RX) и одна
для передачи (TX). Длина сегмента сети может достигать 400 метров (1 310 футов)
в полудуплексном режиме (с гарантией обнаружения коллизий) и двух километров (6
600 футов) в полнодуплексном при использовании многомодового волокна. Работа на
больших расстояниях возможна при использовании одномодового волокна. 100BASE-FX
не совместим с 10BASE-FL, 10 Мбит/с вариантом по волокну.
BASE-SX - удешевленная альтернатива 100BASE-FX с
использованием многомодового волокна, так как использует недорогую
коротковолновую оптику. 100BASE-SX может работать на расстояниях до 300 метров
(980 футов). 100BASE-SX использует ту же самую длину волны как и 10BASE-FL. В
отличие от 100BASE-FX, это позволяет 100BASE-SX быть обратно-совместимым с
10BASE-FL. Благодаря использованию более коротких волн (850 нм) и небольшой
дистанции, на которой он может работать, 100BASE-SX использует менее дорогие
оптические компоненты (светодиоды (LED) вместо лазеров). Все это делает данный
стандарт привлекательным для тех, кто модернизирует сеть 10BASE-FL и тех, кому
не нужна работа на больших расстояниях.
BASE-BX - вариант Fast Ethernet по одножильному
волокну. Используется одномодовое волокно, наряду со специальным мультиплексором,
который разбивает сигнал на передающие и принимающие волны.
BASE-LX - 100 Мбит/с Ethernet с помощью
оптического кабеля. Максимальная длина сегмента 15 километров в полнодуплексном
режиме по паре одномодовых оптических волокон.
BASE-LX WDM - 100 Мбит/с Ethernet с помощью
волоконно-оптического кабеля. Максимальная длина сегмента 15 километров в
полнодуплексном режиме по одному одномодовому оптическому волокну на длине
волны 1310 нм и 1550 нм. Интерфейсы бывают двух видов, отличаются длиной волны
передатчика и маркируются либо цифрами (длина волны), либо одной латинской
буквой A(1310) или B(1550). В паре могут работать только парные интерфейсы: с
одной стороны передатчик на 1310 нм, а с другой - на 1550 нм.
.1.2 Gigabit
Ethernet
Основой гигабитного Ethernet является стандарт
IEEE 802.3z, который был утвержден в 1998 году. Однако в июне 1999 года к нему
вышло дополнение - стандарт гигабитного Ethernet по медной витой паре
1000BaseT. Именно этот стандарт смог вывести гигабитный Ethernet из серверных комнат
и магистральных каналов, обеспечив его применение в тех же условиях, что и
10/100 Ethernet.
До появления 1000 BaseT для гигабитного Ethernet
необходимо было использовать волоконно-оптический или экранированный медный
кабели, которые вряд ли можно назвать удобными для прокладки обычных локальных
сетей. Данные кабели (1000 BaseSX, 1000 BaseLX и 1000 BaseCX) и сегодня
используются в специальных областях применения, поэтому мы не будем их
рассматривать.
Группа гигабитного Ethernet 802.3z прекрасно
справилась со своей работой - она выпустила универсальный стандарт, в десять
раз превышающий скорость 100 BaseT. 1000 BaseT также является обратно
совместимым с 10/100 оборудованием, он использует CAT-5 кабель (или более
высокую категорию).
BASE-T, IEEE 802.3ab - стандарт, использующий
витую пару категорий 5e. В передаче данных участвуют 4 пары. Скорость передачи
данных - 500 Мбит/с по одной паре. Используется метод кодирования PAM5, частота
основной гармоники 62,5 МГц. Расстояние до 100 метров
BASE-X - общий термин для обозначения стандартов
со сменными приёмопередатчиками GBIC или SFP.
BASE-SX, IEEE 802.3z - стандарт, использующий
многомодовое волокно в первом окне прозрачности с длинной волны равной 850 нм.
Дальность прохождения сигнала составляет до 550 метров.
BASE-LX, IEEE 802.3z - стандарт, использующий
одномодовое или многомодовое оптическое волокно во втором окне прозрачности с
длинной волны равной 1310 нм. Дальность прохождения сигнала зависит только от
типа используемых приемопередатчиков и, как правило, составляет для
одномодового оптического волокна до 5 км и для многомодового оптического
волокна до 550 метров.
BASE-CX - стандарт для коротких расстояний (до
25 метров), использующий экранированную витую пару, используются 2 пары из 4.
Заменён стандартом 1000BASE-T и сейчас не используется.
BASE-LH (Long Haul) - стандарт, использующий
одномодовое волокно. Дальность прохождения сигнала без повторителя до 100
километров.
.2 Технология пассивных оптических сетей GPON
(ITU-T
G.984)
Распределенная архитектура GPON - система, в
которой роль агрегирующей платы, а также модуля управления и коммутации
выполняет сконфигурированный особым образом коммутатор, объединяющий активный
элемент (ОАЭ). Линейные же модули представляют собой отдельные законченные
устройства, в том числе и уличного исполнения, и могут быть удалены от ОАЭ на
расстояние до 80 км без использования регенераторов. Кроме того, ОАЭ берет на
себя и функции коммутатора ядра сети GPON.
Основная идея архитектуры PON - использование
всего одного приёмопередающего модуля в OLT (optical line terminal) для
передачи информации множеству абонентских устройств ONT (optical network
terminal), также называемых ONU (optical network unit), и приёма информации от
них.
Число абонентских узлов, подключенных к одному
приёмопередающему модулю OLT, может быть настолько большим, насколько позволяет
бюджет мощности и максимальная скорость приёмопередающей аппаратуры. Для
передачи потока информации от OLT к ONT - прямого (нисходящего) потока, как
правило, используется длина волны 1490 нм. Наоборот, потоки данных от разных
абонентских узлов в центральный узел, совместно образующие обратный
(восходящий) поток, передаются на длине волны 1310 нм. Для передачи сигнала
телевидения используется длина волны 1550 нм. В OLT и ONT встроены
мультиплексоры WDM, разделяющие исходящие и входящие потоки.
Прямой поток на уровне оптических сигналов
является широковещательным. Каждый абонентский узел ONT, читая адресные поля,
выделяет из этого общего потока предназначенную только ему часть информации.
Фактически, мы имеем дело с распределённым демультиплексором.
Все абонентские узлы ONT ведут передачу в
обратном потоке на одной и той же длине волны, используя концепцию
множественного доступа с временным разделением TDMA (time division multiple
access). Чтобы исключить возможность пересечения сигналов от разных ONT, для
каждого из них устанавливается свое индивидуальное расписание по передаче
данных с учётом поправки на задержку, связанную с удалением данного ONT от OLT.
Эту задачу решает протокол TDMA.
3.3 Технология беспроводных сетей IEEE 802.11
802.11 - набор стандартов связи для коммуникации
в беспроводной локальной сетевой зоне частотных диапазонов 0,9; 2,4; 3,6 и 5
ГГц. В курсовом проекте задействована аппаратура, поддерживающая три модификации
этого стандарта - IEEE 802.11b/g/n.
Они различаются максимальной возможной скоростью
передачи данных и дальностью, на которой может быть установлено соединение.
Стандарт 802.11n
повышает скорость передачи данных практически вчетверо по сравнению с устройствами
стандартов 802.11g
(максимальная скорость которых равна 54 Мбит/с брутто или около 20 Мбит/с
нетто), при условии использования в режиме 802.11n
с другими устройствами 802.11n.
Теоретически 802.11n способен
обеспечить скорость передачи данных до 600 Мбит/с брутто, применяя передачу
данных сразу по четырём антеннам. По одной антенне - до 150 Мбит/с.
Устройства 802.11n
работают в диапазонах 2,4-2,5 или 5,0 ГГц.
Кроме того, устройства 802.11n
могут работать в трёх режимах:
) наследуемом (Legacy),
в котором обеспечивается поддержка устройств 802.11b/g
и 802.11a;
) смешанном (Mixed),
в котором поддерживаются устройства 802.11b/g,
802.11a и 802.11n;
) «чистом» режиме - 802.11n
(именно в этом режиме и можно воспользоваться преимуществами повышенной
скорости и увеличенной дальностью передачи данных, обеспечиваемыми стандартом
802.11n).
Обычно схема Wi-Fi
сети содержит не менее одной точки доступа и не менее одного клиента. Также
возможно подключение двух клиентов в режиме точка-точка (Ad-hoc),
когда точка доступа не используется, а клиенты соединяются посредством сетевых
адаптеров «напрямую». Точка доступа передаёт свой идентификатор сети SSID
помощью специальных сигнальных пакетов на скорости 0,1 Мбит/с каждые 100 мс.
Поэтому 0,1 Мбит/с - наименьшая скорость передачи данных для Wi-Fi.
Зная SSID сети,
клиент может выяснить, возможно ли подключение к данной точке доступа. При
попадании в зону действия двух точек доступа с идентичными SSID
приёмник может выбирать между ними на основании данных об уровне сигнала. Стандарт
Wi-Fi
даёт клиенту полную свободу при выборе критериев для соединения. Более подробно
принцип работы описан в официальном тексте стандарта.
Однако, стандарт не описывает всех аспектов
построения беспроводных локальных сетей Wi-Fi.
Поэтому каждый производитель оборудования решает эту задачу по-своему, применяя
те подходы, которые он считает наилучшими с той или иной точки зрения. Поэтому
возникает необходимость классификации способов построения беспроводных
локальных сетей.
По способу объединения точек доступа в единую
систему можно выделить:
) Автономные точки доступа (называются также
самостоятельные, децентрализованные, умные).
) Точки доступа, работающие под управлением
контроллера (называются также «легковесные», централизованные).
) Бесконтроллерные, но не автономные
(управляемые без контроллера).
По способу организации и управления
радиоканалами можно выделить беспроводные локальные сети:
) Со статическими настройками радиоканалов.
) С динамическими (адаптивными) настройками
радиоканалов.
) Со «слоистой» или многослойной структурой
радиоканалов.
Электрические розетки в зданиях связаны между
собой электропроводкой в единую электросеть. PLC-технология HomePlug AV (PLC -
Power Line Communication/Carrier), разработанная группой компаний HomePlug
Powerline Alliance, позволяет использовать электропроводку для высокоскоростной
передачи данных - от одной розетки к любой другой. Максимальная дальность соединения
достигает 300 метров, а бетонные перекрытия и стены любой толщины не являются
препятствиями.
Применение Powerline-адаптеров позволит
пользователю подключаться к сети без прокладки новых проводов в любом удобном
месте дома, где есть электрическая розетка. Кроме того, Powerline-адаптеры
представляют собой оптимальное решение в ситуации, когда требуется подключение
к сети в тех местах помещения, где прокладка новых кабелей нежелательна или
невозможна, а беспроводная сеть Wi-Fi не обеспечивает необходимого покрытия или
неэффективна.
Технология HomePlug AV работает в диапазоне
частот 1,8-30 МГц и использует 917 несущих частот (тонов) из 1155 возможных.
Максимальная скорость 200 Мбит/с, заявленная стандартом HomePlug AV, относится
к физическому уровню и используется для передачи как пользовательских данных,
так и служебной информации, на которую приходится около 60% пропускной
способности сети HomePlug. Реальная скорость (например, передачи видеопотока)
даже в условиях помех составляет от 40 до 70 Мбит/с. При передачи файлов с
компьютера на компьютер скорость может снижаться из-за добавления накладных
расходов протоколов SMB и TCP.
4. Технологии удаленного доступа
.1 Коммутируемый удалённый доступ
Коммутируемый удалённый доступ - сервис,
позволяющий компьютеру, используя модем и телефонную сеть общего пользования,
подключаться к другому компьютеру (серверу доступа) для инициализации сеанса
передачи данных.
Телефонная связь через модем не требует никакой
дополнительной инфраструктуры, кроме телефонной сети. Подключение к сети с
помощью модема по обычной коммутируемой телефонной линии связи - единственный
выбор, доступный для большинства сельских или отдалённых районов, где получение
широкополосной связи невозможно из-за низкой плотности населения и требований.
Таблица 4.1 - Скорости на различные стандарты dial-up
|
Соединение
|
Битрейт
<#"803669.files/image004.gif"> - волоконно-оптический кабель;
- неэкранированная витая пара пятой
категории;
- телефонный кабель ТПП;
- беспроводная связь.
.1 Магистральная сеть передачи
данных
Схема магистральной сети передачи
данных приведена в приложении А. На станциях установлено оборудование
глобальной сети: мультиплексоры и маршрутизаторы. В качестве технологии
глобальной сети использована технология OTN.
На крупных станциях участка
установлены оптические системы (мультиплексоры) OptiX OSN 8800T16 фирмы HUAWEI, которые
связаны линейными потоками OTU4 (111.81 Гбит/с). Так как
используется система спектрального уплотнения DWDM существуют большие
перспективы увеличения и наращивания скорости передачи данных. Так же на
крупных станциях расположены мультиплексоры Optix OSN 1800 I.
Мультиплексоры OSN 1800 и OSN 8800 на
станциях объединены потокм OTU2. А трибами OSN 1800
являются потоки GigabitEthernet от соседних станций и от
маршрутизаторов AR2220.
На некоторых небольших станциях
установлены компактные мультиплексоры «Иртыш», которые связаны между собой и с
крупными станциями потоком GE через CWDM уплотнение.
В целях экономии многие маленькие станции не имеют в составе сетевого
оборудования мультиплексоры, а являются удаленными абонентами соседних станций.
Так сеть станции Криволучье объединяется с сетью станции Тула с помощью ADSL2+, а сеть
станции Пчеловодное соединена с сетью станции Ожерелье с помощью VDSL2. К
остальным станциям, не имеющим собственного мультиплексора, проведено
оптоволокно от соседних станции. Это сделано с целью экономии денежных средств,
так как расстояния между такими станциями невелико, и прокладка оптоволоконного
кабеля обойдется дешевле, чем приобретение мультиплексора.
На каждой маленькой станции
установлены небольшие маршрутизаторы серии AR201/AR207, к
которым подключено по 3 персональных компьютера.
.2 Сеть передачи данных станции
Узуново
Здания станции Узуново объединены в
сеть с топологией звезда с центром в здании А, а так же имеется связь между
зданиями В и Г.
Сеть между зданием А и другими построена на базе
технологии GPON.
Маршрутизатор AR2220 в
здании А дополнен платой расширения SIC
GPON, которая выполняет
функции оптического линейного терминала OLT.
На этой же станции установлен оптический разветвитель «1:4», от которого четыре
одномодовых оптоволоконных кабеля идут каждый в свое здание. Во всех зданиях,
куда приходят кабели GPON,
установлено абонентское оборудование ONU
GPON фирмы ZyXEL.
В дополнительные функции ONU
ZyXEL заложен коммутатор
на 4 порта Ethernet,
а так же точка доступа 802.11b/g/n.
Связь между зданиями В и Г осуществлена с помощью радиомостов QWR-2M-8
по технологии 802.11n.
К сети станции также относятся три удаленных
абонента: два из них подключены к маршрутизатору в здании А через модемное
оборудование Watson5 по
технологии G.SHDSLbis,
а третий соединен с сетью здания Д через модемный мост по технологии VDSL2.
Также к сети станции Узуново примыкает сеть
соседней станции Богатищево: между ними проложено оптоволокно 1000BaseLX.
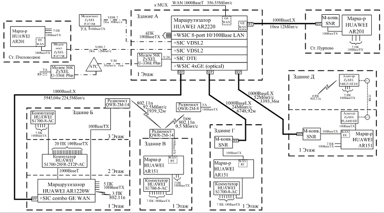
6.3 Сеть передачи данных станции Ожерелье
Здания А, Б, Г и Д на станции Ожерелье
объединены в сеть с топологией звезда с центром в здании А, а здание В
подключено к сети через здание Б.
Здания А, Б, Г и Д соединены оптоволокном 1000 BaseLX.
Для этого потребовалось расширить маршрутизатор на станции А дополнительной
платой WSIC с
оптическими интерфейсами GE.
Связь между зданиями Б и В осуществлена через радиомосты QWR-2M-14.
Причем в сеть здания В включен удаленный абонент, связь с которым тоже
осуществляется по радиомосту. Таким образом радиомост здания В работает в
режиме точка-многоточка. Для обеспечения заданных скоростей передачи данных
сетевое оборудование здания Б отличается более высокими мощностями по сравнению
с оборудованием зданий В, Г и Д. Например, отличительной особенностью здания Б
является 28-портовый Ethernet
коммутатор с гигабитным uplink
портом, а так же более мощный маршрутизатор AR1220W
по сравнению с маршрутизаторами AR151
зданий В, Г и Д.
Еще одной отличительной особенностью обладает
сеть здания Д. Связь между пользователями первого и второго этажа
обеспечивается через электропроводку по технологии HomePlug
AV через
соответствующие адаптеры фирмы ZyXEL.
Powerline-адаптер на втором
этаже обладает встроенным 4-портовым Ethernet
коммутатором и точкой доступа 802.11b/g/n.
Таким образом, в здании Д почти отсутствует кабельная инфраструктура.
У здания А имеется два удаленных абонента. Один
из них подключен по технологии VDSL2,
а другой по технологии коммутируемого доступа. Для этого маршрутизатор AR2220
дополнен платой SIC
с VDSL2 модемом и платой SIC
с синхронного/асинхронного последовательного порта. Вторая плата функционирует
в режиме DTE и к ней по
интерфейсу V.24 подключен
коммутируемый модем 56К фирмы ZyXEL.
Такой же модем установлен у удаленного абонента. Связь между ними
осуществляется через АТС.
Также к сети станции Ожерелье примыкает сеть
соседней станции Пчеловодное: между ними организована связь по технологии VDSL2.
Для этого маршрутизатор AR2220
здания А дополнен второй платой SIC
с модемом VDSL2, а на
станции Пчеловодное установлен модем/мост VDSL2.
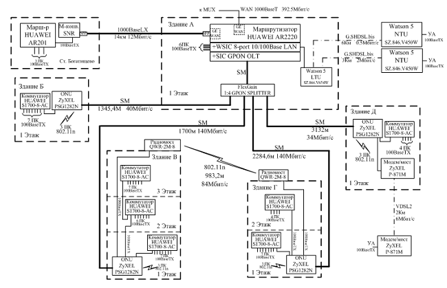
.4 Сеть передачи данных станции Узловая
Все здания на станции Узловая объединены в сеть
с топологией звезда с центром в здании А. Сеть между зданием А и другими
построена на базе технологии GPON.
Маршрутизатор AR2220 в
здании А дополнен платой расширения SIC
GPON, которая выполняет
функции оптического линейного терминала OLT.
На этой же станции установлен оптический разветвитель «1:4», от которого четыре
одномодовых оптоволоконных кабеля идут каждый в свое здание. Во всех зданиях,
куда приходят кабели GPON,
установлено абонентское оборудование ONU
GPON фирмы ZyXEL.
В дополнительные функции ONU
ZyXEL заложен коммутатор
на 4 порта Ethernet,
а так же точка доступа 802.11b/g/n.
К сети станции также относятся два удаленных
абонента. Один из них подключен к маршрутизатору в здании А через модемное
оборудование Watson5 по технологии G.SHDSLbis. Второй удаленный абонент
соединен с сетью здания Г по технологии ADSL2+
через мультиплексор DSLAM
D-Link
и ADSL-модем ZyXEL.
Также к сети станции Узловая примыкает сеть
соседней станции Дедилово: между ними проложено оптоволокно 1000BaseLX.
6.5 Сеть передачи данных станции Тула
Здания Д и Б станции Тула соединены со зданием А
через оптоволокно 1000 BaseLX.
Так как между зданиями Б и В небольшое
расстояние в целях экономии их сети были объединены по витой паре по технологии
100BaseTX. Однако такое
решение накладывает ограничения на перспективы расширения сети здания В,
несмотря на свободность портов некоторых коммутаторов, потому что сети Ethernet
работают эффективно при загруженности полосы пропускания не более 50-60%, а в
нашем случае уже требуется обеспечивать скорость передачи данных в 84 Мбит/с.
Сети зданий Г и Д имеют связь по радиомосту QWR-2M-8.
Сеть здания Д включает в себя удаленного абонента, связь с которым
осуществляется по технологии VDSL2.
Для этого маршрутизатор здания Д расширен платой SIC
VDSL2, а у удаленного
абонента установлен модем/мост VDSL2
ZyXEL.
Так как маршрутизатор AR2220
на станции А не имеет фиксированных LAN
портов в него установлена WSIC
плата с Ethernet
коммутатором уровня L2/L3
на 8 портов 10/100Base
и 1 порт 10/100/1000Base.
Так же сеть здания А имеет двух удаленных абонентов подключенных по технологии ADSL2+,
для этих целей к маршрутизатору подключен мультиплексор DSLAM
D-Link.
У одного удаленного абонента стоит ADSL2+
модем ZyXEL. В качестве
второго удаленного абонента выступает соседняя станция Криволучье. На ней
установлен маршрутизатор AR207,
который имеет ADSL2+ WAN
порт.
Заключение
В данной курсовой работе была спроектирована
сеть передачи данных для участка железной дороги. В проекте были разработаны
схема магистральной сети передачи данных и схемы локальных станционных сетей.
Сетевые технологии и оборудование, используемые в курсовой работе являются
актуальными на сегодняшний день. В заключении хотелось бы описать перспективы
дальнейшего развития расширения спроектированной сети.
В составе магистральной оптической транспортной
сети используется оборудование, поддерживающие технологию DWDM.
Это означает, что магистральная сеть может быть расширена использованием новых
оптических каналов без изменений кабельной инфраструктуры.
В ходе курсового проектирования почти во всех
маршрутизаторах и коммутаторах были оставлены неиспользуемые порты. Эти порты
могут быть использованы для дальнейших подключений и расширения локальных
сетей.
Однако большое внимание нужно уделять не только
ресурсу свободных портов, но и ресурсу пропускной способности. Во всех зданиях,
где установлены маршрутизаторы AR151/AR201,
ресурс пропускной способности ограничен 100-мегабитными WAN
интерфейсами. Однако некоторые здания (например, здания Г и Д на станции Ожерелье
и многие промежуточные станции) с такими слабыми маршрутизаторами обеспечены
хорошей оптоволоконной кабельной инфраструктурой, и сеть можно расширить,
заменив маршрутизаторы и медиаконвертеры на более мощные с гигабитными
интерфейсами.
Отдельное внимание следует уделить сети здания В
на станции Тула. В этой сети ресурс пропускной способности между зданиями Б и В
практически исчерпан и уже пересек черту эффективной работы сети Ethernet. Для
дальнейшего расширения этой сети можно использовать оставшиеся пары и
установить еще одно соединение 100Base TX между зданиями, но лучше заменить
маршрутизатор в здании В на новый с гигабитным WAN интерфейсом и проложить
между зданиями оптоволоконный кабель.
Сети, построенные по технологии GPON
на станциях Узловая и Узуново также могут быть расширены до 64 ONU
при использовании дополнительных сплиттеров.
Все маршрутизаторы AR1220W,
ONU ZyXEL
PSG1282N
и Homeplug-адаптер ZyXEL
NBG318S
имеют встроенные точки доступа 802.11b/g/n,
что тоже создает перспективы расширения локальных сетей в зданиях, где
установлено это оборудование.
Используемые радиомосты QWR-2M-8
и QWR-2M-14
имеют возможность работы в режиме точка-многоточка, поэтому так же возможно
расширение сети по технологии 802.11b/g/n
на территориях, покрываемых сигналом радиомостов.
Во многих маршрутизаторах AR2220
и AR1220W
остались не задействованы некоторые слоты под SIC
и WSIC платы. Это
открывает большие перспективы в расширении сети.
В здании Г станции Узловая свободны 7 ADSL2+
портов в мультиплексоре DSLAM.
А в здании А на станции Тула в DSLAM
свободно 6 ADSL2+ портов.
Это дает возможность подключения новых удаленных абонентов по технологии ADSL2+.
В здании А станции Узуново в оборудовании LTU
Watson 5 свободно два
модема, а в здании А станции Узловая в таком же оборудовании свободно три
модема. Это дает возможность подключения новых удаленных абонентов по
технологии G.SHDSLbis.
В здании Д станции Ожерелье используется
технология передачи данных по электропроводке HomePlug
AV. Используя эту
технологию, в здании можно увеличить сеть, докупив дополнительные powerine-адаптеры
для новых пользователей, без расширения кабельной инфраструктуры, так как её
заменяет уже существующая электропроводка.
Библиографический список
1 Основы компьютерных сетей / Олифер
В.Г., Олифер Н.А.; Питер: 2009 г.
WAN -
#"803669.files/image008.gif">
Рисунок А.1 - Схема магистральной сети передачи
данных
Приложение Б
Схема сети передачи данных станции Узуново
Рисунок Б.2 - Схема сети передачи данных станции
Узуново
Приложение В
Схема сети передачи данных станции Ожерелье
Рисунок В.1 - Схема сети передачи данных станции
Ожерелье
Приложение Г
Схема сети передачи данных станции Узловая
Рисунок Г.1 - Схема сети передачи данных станции
Узловая
Приложение Д
Схема сети передачи данных станции Тула

Похожие работы на - Проектирование сети передачи данных на участке железной дороги
|