Внешнее электроснабжение промышленного района
Введение
Электроэнергетика, как отрасль промышленности
страны, в результате различных видов деятельности общества получила ведущее
место. Не даром уровень развития современной цивилизации определяется
количеством потребляемой электрической энергии на душу населения. Так с
повышением научно-технического прогресса электрическая энергия становится одним
из основных и дешевых видов энергии.
В месте с тем, электроэнергетика при
производстве, передаче, распределении и потреблении электроэнергии испытывает
неизбежные трудности, связанные с эксплуатацией основного силового
оборудования. Плотность данных трудностей со временем все более возрастает, что
определяется в первую очередь естественным износом. В результате последних
исследований было выявлено, что 20 процентов генерирующих мощностей на
электростанциях выработало свой ресурс. Возрастная структура машин и
оборудования в электроэнергетике, например, свыше 15 лет составляет 63,3 %.
Данные цифры заставляют серьезно подойти к проблеме дальнейшего развития отрасли.
Процесс производства и передачи электроэнергии
является столь динамичным и постоянно подверженным случайным возмущающим
воздействиям, что без автоматического управления его функционирование
невозможно. Такие особенности, как равенство в каждый момент времени
генерируемой и случайно изменяющийся, требуемой нагрузкой, мощностей, время от
времени возникающие короткие замыкания, высокая быстротечность электромагнитных
и электромеханических переходных процессов, обусловили развитие технических
средств автоматического управления ещё в начальный период становления
электроэнергетики.
Для того чтобы продолжать намеченные планы по
наращиванию экономического потенциала страны, необходим ввод в действие новых
мощностей на электростанциях отрасли, тем самым, создавая в электроэнергетике
резервы для надежного электроснабжения страны.
С этой целью, а также для повышения
экономической эффективности самой отрасли, должно быть предусмотрено улучшение
использования имеющегося оборудования, модернизация устаревшего оборудования и
обеспечения замены узлов, отработавших свой ресурс.
Так одним из этапов осуществления этой программы
является проектирование и строительство новых электроустановок, а в частности
электрических подстанций, которые являются неотъемлемой частью всего энергетического
комплекса. Качество электрической энергии, надежность электроснабжения зависят
кроме прочих факторов, также от правильности и рациональности принимаемых
решений при проектировании подстанций, что осуществляется в данном дипломном
проекте.
Кроме проектирования подстанции, данная работа
предусматривает электрические режимы, анализ характерных режимов
электропотребления, решения задач охраны труда, релейной защиты объектов
электрической сети.
1. Характеристика электропотребителя
электрической сети
Существующая электрическая сеть представлена:
1. Источники питания:
- ТЭЦ блочного типа, выдающая мощность
с шин высшего напряжения (ВН) 110 кВ;
- узловая понизительная подстанция
(ПС) с установленным оборудованием 2×АТДЦТН
- 63000/220/110;
- линии электропередач (ЛЭП),
связывающие энергетические объекты в единую сеть 110 кВ.
. Потребитель, получает питание с шин низшего
напряжения (НН) 10 кВ понизительной подстанции. Данные промышленного района
электроснабжение которого необходимо спроектировать приведены в таблице 1.1
Таблица 1.1 - Характеристика промышленного
района
|
Промышленный
объект
|
Ррасч,
МВт
|
Cos φ
|
Категория
электропотребителя
|
Тmax, ч
|
|
Механо-сборочный
завод
|
15,5
Pmin=6,4
МВт
|
0,65
|
II
|
4800
|
|
Котельная
|
2,7
|
0,85
|
II
|
5600
|
|
Жилой
массив
|
2,7
|
0,85
|
III
|
3200
|
|
Гараж
|
0,1
|
0,7
|
III
|
3200
|
1.1 Составление вариантов схем соединения
электрических сетей
Число вариантов схемы зависит от числа узлов.
Чем больше узлов, тем больше вариантов схем их соединения. Эти варианты могут
различаться по ряду параметров: протяженности, потерям напряжения, технико -
экономическим затратам на сооружение, надежности электроснабжения /1/. Без
дополнительных расчетов можно выделить несколько конкурентно способных
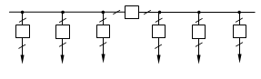
вариантов электрических сетей. Варианты показаны на рисунке 1.1. Вариант а) -
это вариант разомкнутого типа, он обеспечивает кратчайшее расстояние от узлов
выработки электроэнергии до узлов ее потребления, что сопровождается
минимальными потерями при передаче напряжения и мощности. При этом
обеспечивается достаточная надежность электроснабжения потребителя. Вариант б)
- это вариант замкнутого типа схем электрических сетей. Он обладает повышенной
надежностью относительно варианта а, но за это приходится платить
дополнительными затратами на сооружение дополнительного участка трассы.
а) б)
Рисунок 1.1 - Варианты схемы соединения
электрической сети
.2 Расчет баланса мощности в проектируемой
электрической системе
На начальной стадии проектирования необходимо проверить
возможность работы ЭС с допустимыми показателями качества электроэнергии во
всех нормальных эксплуатационных режимах. С этой целью составляем балансы
активной и реактивной мощностей. При этом, для обеспечения потребителей
электроэнергией с заданными показателями качества - отклонениями частоты и
напряжения, для управления ими необходимо иметь в ЭС достаточный резерв
активной и реактивной мощностей, позволяющий поддерживать балансы мощностей на
требуемом электро потребителями уровне.
Дефицит активной мощности приводит к снижению
частоты во всех ЭС, при дефиците реактивной мощности происходит общее снижение
уровня напряжения в ЭС и в наибольшей степени в узле изменения баланса по
реактивной мощности.
Балансовые расчёты, то есть выявление дефицита
(или избытка) мощности позволяет установить возможные направления передачи
электроэнергии, оказывающие влияние на формирование схемы проектируемой ЭС, и
выбор параметров её элементов.
В данном дипломном проекте баланс мощностей
составляет только для режима максимальных активных и реактивных нагрузок,
принимая допущения, что потребление наибольших нагрузок у всех потребителей ЭС
происходит одновременно.
.2.1 Баланс активной мощности
Суммарная активная мощность потребляемая
нагрузкой, МВт,
,
где
- потребление активной мощности
Механо-сборочного завода;
- потребление активной мощности
котельной;
- потребление активной мощности
гаража;
потребление активной мощности
жилищного массива.
Суммарные потери активной мощности,
МВт,
.
Необходимый резерв активной
мощности, МВт,
.
Суммарная нагрузка, МВт,
.
Небаланс по активной мощности в
электрической системе, МВт,
,
где РГ - активная
мощность, генерируемая электрической станцией ТЭЦ.
Небаланс больше нуля, т.е. данная
система избыточна по активной мощности.
.2.2 Баланс реактивной мощности
Суммарная реактивная мощность,
потребляемая нагрузкой, Мвар,
Суммарные потери реактивной
мощности, Мвар,
.
Необходимый резерв реактивной
мощности, Мвар,
.
Суммарная потребление реактивной
мощности, Мвар,
.
Мощность генерируемая в
электрической системе ТЭЦ, Мвар,
.
Небаланс по реактивной мощности в электрической
системе, Мвар,
.
Небаланс больше нуля, т.е. данная
система избыточна по реактивной мощности.
Определим полное
потребление мощности нагрузки, МВА,
.
Определим сosφ нагрузки, о.е.,
.
Значение коэффициента
мощности cosφ при выдаче реактивной мощности по ВЛ U
= 35-220 кВ принимается равным cosφ=
0,9 /1, с. 12/, в данном случае передача реактивной мощности осуществляется по
ВЛ U =110 кВ принимая сosφ
для энергосистемы равный 0,9 определяем мощность компенсирующих
устройств (КУ), Мвар,
.
По рассчитанной мощности
выбираем по /2/ КУ типа 3´БСК-3,8-10
Таким образом, полная
мощность потребляемая нагрузкой определится, МВА,
.
2. Расчет приближенного
потокораспределения
.1 Расчет приближенного
потокораспределения для схемы показанной на рисунке 1.1 а)
Данная схема относится к
разомкнутому типу. Расчет потокораспределения можно определить, составив
балансовые соотношения по первому закону Кирхгофа для мощностей /1, с. 18/:
(2.1)
Составив, уравнения по данному
закону получим, следующие балансовые соотношения:
, (2.2)
. (2.3)
Получим следующие полные мощности в
комплексной форме, МВА,
;
.
Подставим эти в значения в
полученные выше балансовые соотношения и решим их, МВА,
=>
=>
.2 Расчет приближенного
потокораспределения для схемы показанной на рисунке 1.1 б)
Данная схема относится к кольцевому
типу. Расчет потокораспределения проведем методом контурных уравнений. Для
этого составим одно уравнение по второму закону Кирхгофа и два по первому
закону Кирхгофа. За контурную мощность примем
. Обход контура начнем с первого
узла по часовой стрелке, электрическую сеть примем однородной.
, (2.3)
, (2.4)
. (2.5)
где
мощность участка цепи;
длина линии
участка цепи;
количество
параллельных ветвей участка.
Выразим неизвестные потоки мощности
из уравнений составленных по первому закону Кирхгофа и подставим в уравнение,
составленное по первому закону Кирхгофа, получим.
, (2.6)
, (2.7)
. (2.8)
Таким образом получили контурное
уравнение. Подставляем в него известные величины и решаем его, МВА,
,
Далее через найденную мощность
находим остальные потоки мощности по формулам (2.6), (2.7), МВА,
3. Технико-экономическое обоснование
варианта проектируемой линии электропередачи и подстанции
Технико-экономическое обоснование заключается в
выявлении из предложенных вариантов, варианта с наилучшими показателями
присущими для проектируемой линии электропередач и подстанции.
.1 Выбор основного оборудования
Вариант А.
По условию надежности электроснабжения, на
подстанции (пс) необходимо устанавливать два трансформатора. Это позволяет даже
при аварийном или плановом отключении одного из трансформаторов сохранить
электроснабжение потребителя. С учетом того, что трансформатор допускает,
перегрузку на 40% трансформаторы выбирают по условию его загрузки в нормальном
режиме на 60-70% /1/.
Номинальная мощность трансформаторов
определяется, МВА,
, (3.1)
где
- мощность нагрузки на подстанции;
- номинальная мощность
трансформатора.
.
По данному условию с учетом номинальных
напряжений выбираем трансформаторы по /2, с. 196/ ТРДН-25000/110
Таблица 3.1 - Характеристики трансформатора
|
Тип
трансформатора
|
Sном МВ×А
|
Предел
регулирования,%
|
Каталожные
данные
|
Расчётные
данные
|
|
|
|
Uном обмоток,
кВ
|
uк,%
|
∆Рк,
кВт
|
∆Рх,
кВт
|
Ix, %
|
R, Ом
|
X, Ом
|
∆Qх, квар
|
|
|
|
ВН
|
НН
|
|
|
|
|
|
|
|
|
ТРДН
|
25
|
±9×1,78
|
115
|
10,5/10,5
|
10,5
|
120
|
27
|
0,7
|
2,54
|
55,9
|
175
|
Определим коэффициент загрузки, %,
где
- число трансформаторов.
Определим коэффициент загрузки в
послеаварийном режиме, %,
.
Коэффициент загрузки в нормальном режиме не
должен превышать величины 60-70% в нашем случае это условие выполняется.
Сечение проводов двухцепной ЛЭП 110 кВ, питающей
ПС электропотребителя, выбираем по условию экономической плотности тока с
учетом отключения одной из цепей /3/.
Мощность, протекающая по ЛЭП ТЭЦ-Нагрузка, при
допущении неучета потерь мощности. Тогда возможный максимальный ток
определяется по выражению, А,
где UНОМ - номинальное напряжение ЛЭП;
nЦ - число цепей ЛЭП.
Определяем сечение провода, мм2,
,
где jЭК - экономическая плотность тока выбранная по / /.
По определенному сечению
выбираем ближайшее стандартное сечение провода по /2 / АС 300/39. Проведем
проверку провода по нагреву,
=>
,
где IДОП - допустимый ток нагрузки, А.
Таблица 3.1 - Параметры ЛЭП ТЭЦ -
Электропотребитель /4/
|
Марка
провода
|
Число
цепей
|
Длина,
км
|
rо, Ом/км
|
xо, Ом/км
|
bо, Cм/км 10-6
|
Q0с, МВар/км
|
|
АС
300/39
|
2
|
6
|
0,108
|
0,392
|
2,91
|
0,0385
|
Мощность, протекающая по ЛЭП
"Электропотребитель - Узловая подстанция", при допущении не учета
потерь. Тогда возможный максимальный ток определяется по выражению, А,
Определяем сечение провода, мм2,
.
где jЭК - экономическая плотность тока выбранная по /1/.
По определенному сечению
выбираем ближайшее стандартное сечение провода по /2/ АС 240/32. Проведем
проверку провода по нагреву,
=>
Таблица 3.2 - Параметры ЛЭП ТЭЦ - Нагрузка
|
Марка
проводаЧисло цепейДлина, кмrо, Ом/кмxо, Ом/кмbо, Cм/км 10-6Q0с, МВар/км
|
|
|
|
|
|
|
|
АС
240/32
|
2
|
1,2
|
0,125
|
0,405
|
2,81
|
0,038
|
Вариант Б.
Выбор сечения ВЛ варианта б) производим
аналогично. Результаты сводим в таблицу 3.3.
Таблица 3.3 - Параметры ЛЭП
|
Район
|
Марка
провода
|
Число
цепей
|
Длина,
км
|
rо, Ом/км
|
xо, Ом/км
|
bо, Cм/км 10-6
|
Q0с, МВар/км
|
|
Т-Узл/п
|
АС
240/32
|
2
|
5,88
|
0,125
|
0,405
|
2,81
|
0,038
|
|
Т-Эл.пот
|
АС
120/19
|
1
|
6
|
0,249
|
0,427
|
2,66
|
0,036
|
|
Эл.пот-Узл/п
|
АС
70/11
|
1
|
1,2
|
0,428
|
0,444
|
2,4575
|
0,034
|
Для обеспечения экономически приемлемого уровня
потерь электроэнергии на корону в ВЛ напряжением выше 35 кВ необходимо выбирать
сечения сталеалюмиевых проводов не менее минимально допустимых. Для Uном
= 110 кВ - 70 мм2.
.2 Определение потерь электроэнергии
Для энергосистемы состоящей из нескольких
потребителей с различным временем использования максимума Тм, то
определяют время по формуле, ч,
Определим потери электроэнергии в
обоих вариантах. Для этого потребуется вычисление времени максимальных потерь τ, ч,
.
где Тм - время
использования максимума нагрузок, ч;
Тгод - число часов в
году, равное 8760.
Вариант А.
Потери электроэнергии в линии /5/,
, (3.2)
где ΔAW - потери
электроэнергии в линии, МВт·ч;
ΔРкор - потери
мощности на корону, кВт не учитываем при U = 110 кВ;
ΔРм - нагрузочные потери
мощности, МВт.
, (3.3)
Расчет потерь элетроэнергии в линии
"ТЭЦ-Электропотребитель", МВт×ч,
.
Расчет потерь электроэнергии в линии
"Электропотребитель - Узловая подстанция", МВт×ч,
.
Потери в трансформаторах
где ΔРк
- потери мощности короткого замыкания, кВт, /раздел 3.1/;
ΔРх - потери
мощности холостого хода, кВт, / раздел 3.1/.
Суммарные потери, МВт×ч,
.
Вариант Б:
Потери электроэнергии в линиях без учета потерь
на корону т.к. U=110 кВ.
Расчет потерь в линии ведем
"ТЭЦ-Электропотребитель", МВт×ч,
.
Расчет потерь в линии
"Электропотребитель - Узловая подстанция", МВт×ч,
.
Расчет потерь в линии
"ТЭЦ-Узловая подстанция", МВт×ч,
.
Потери в трансформаторах, МВт×ч,
где ΔРк
- потери мощности короткого замыкания, кВт.
ΔРх - потери
мощности холостого хода, кВт.
Суммарные потери электроэнергии, МВт×ч,
.3 Технико-экономическое обоснование
выбора варианта строительства подстанции и линии
В качестве критерия выбора варианта
технического решения принимаем вариант с минимальными обоснованными затратами
/6/,
, (3.4)
где Зобосн - суммарные
затраты, тыс.руб.;
Ен - норма дисконта, ,
принимается на 2005 год 0,15;
К∑ - суммарные
капитальные вложения, тыс.руб.;
И∑ - суммарные
годовые издержки, тыс.руб.;
У - народнохозяйственный ущерб от
недоотпуска электроэнергии, так как потребитель имеет двухстороннее питание, то
расчёт ущерба нецелесообразен, тыс.руб.
Ипот - стоимость
потерянной электроэнергии, тыс.руб./год.
(3.5)
где β - стоимость
потерянной электроэнергии, равная 27,75 коп/кВт·ч.
Для определения суммарных капитальных вложений
необходимо предварительно на проектируемой подстанции выбрать схемы главных
соединений на всех сторонах и высоковольтные выключатели без учета токов
короткого замыкания.
Сторону НН в обоих вариантах в силу ее
однотипности из расчетов исключаем. Главные схемы соединений выбираем в
соответствии с /7/, а высоковольтные выключатели по /7/.
Вариант а) на стороне ВН выбираем схему
"Одна рабочая система шин с обходной с совмещенным секционным и обходным
выключателем".
Вариант б) на стороне ВН имеет следующее число
присоединений: 2 - линии, питающие ПС; 2 - трансформатора. С учетом этого
принимаем главную схему соединений на стороне ВН - "Мостик с выключателем
в цепи трансформатора ".
Выключатели на подстанции также как и
трансформаторы являются дорогостоящим оборудованием, и их количество и
стоимость могут повлиять на выбор варианта энергоснабжения. Для технико-экономического
обоснования достаточно выбрать выключатели по двум условиям: напряжению и
номинальному току, а более подробные расчеты приведем в последующих пунктах.
Примем для варианта а) выключатели на стороне
110 кВ ВВБК-110Б ( В -выключатель, В - воздушный, Б - баковый, К - камерный.
Для варианта б) также примем выключатели ВВБК -110Б. Количество выключателей
принято по чертёжу 1.
Суммарные капиталовложения на сооружение
проектируемых ПС и ЛЭП вариантов энергоснабжения определиться по следующей
формуле /6/:
, (3.6)
где
- капиталовложения в вооружение ЛЭП;
- суммарные капиталовложения в
вооружение ПС.
Капиталовложений на сооружение ЛЭП определяются
по следующей формуле:

, (3.7)
где КiЛЭП - удельная
стоимость 1 км ЛЭП соответствующего напряжения, тыс руб./км;
li - длина
линии, км.
Определяем капитальные вложения в
сооружение подстанции, тыс.руб.,
, (3.8)
где КТРi, КЯЧj -
соответственно стоимость силового трансформатора и ячейки выключателя
соответствующего напряжения;
nТРi, nЯЧj - число
трансформаторов и ячеек выключателя разного напряжения;
КПОСТ -
постоянная часть затрат.
Стоимостные характеристики для наглядности
представим в виде таблиц.
Таблица 3.4 - Капитальные вложения в ПС для
варианта а)
|
U, кВ
|
Наименование
оборудования
|
Стоимость
единицы оборудования, тыс.руб.
|
Количество
оборудования, шт
|
Суммарная
стоимость, тыс.руб. в ценах 1982 г.
|
|
110
|
ТРДН-25000/110
|
98
|
2
|
196
|
|
ВВБК-110Б
|
26
|
7
|
182
|
|
КПОСТ
|
250
|
1
|
250
|
|
К∑ПС
|
|
|
628,0
|
|
Итого,
в ценах 2005 года, =55,6732960,6
|
|
Таблица 3.5 - Капитальные вложения в ПС для
варианта б)
|
U, кВ
|
Наименование
оборудования
|
Стоимость
единицы оборудования, тыс.руб.
|
Количество
оборудования, шт
|
Суммарная
стоимость, тыс.руб. в ценах 1982 г.
|
|
110
|
ТРДН-25000/110
|
98
|
2
|
196
|
|
ВВБК-110Б
|
26
|
3
|
78
|
|
КПОСТ
|
250
|
250
|
|
К∑ПС
|
|
|
524
|
|
Итого,
в ценах 2005 года, =55,6729871,1
|
|
Таблица 3.6 - Капитальные вложения в сооружение
ЛЭП для варианта а)
|
U, кВ
|
Марка
провода
|
Стоимость
одного км ЛЭП, тыс.руб./км
|
Суммарная
длина, км.
|
Количество
цепей, шт
|
Суммарная
стоимость, тыс.руб. в ценах 1982 г.
|
|
110
|
АС
300/39
|
23,8
|
6
|
1
|
142,8
|
|
АС
240/32
|
22,9
|
1,2
|
1
|
27,4
|
|
Итого,
в ценах 2005 года, =55,679375,0
|
|
Таблица 3.6 - Капитальные вложения в сооружение
ЛЭП для варианта б)
|
U, кВ
|
Марка
провода
|
Стоимость
одного км ЛЭП, тыс.руб./км
|
Суммарная
длина, км.
|
Количество
цепей, шт
|
Суммарная
стоимость, тыс.руб. в ценах 1982 г.
|
|
110
|
АС
240/32
|
22,9
|
5,9
|
1
|
135,1
|
|
АС
120/19
|
16,6
|
6,0
|
1
|
99,6
|
|
АС
70/11
|
16,6
|
1,2
|
1
|
20,0
|
|
Итого,
в ценах 2005 года, =55,6714180,0
|
|
3.3.1 Расчет эксплуатационных издержек
Издержки на передачу электроэнергии
можно представить в виде суммы амортизационных расходов
, как
наибольшей составляющей, и затрат на обслуживание
:
. (3.9)
Издержки на амортизацию можно
разделить на две составляющие:
, (3.10)
где
- издержки на амортизацию ЛЭП;
- издержки на амортизацию ПС.
Ежегодные издержки на амортизацию
ЛЭП определяться по формуле:
, (3.11)
где
- норма амортизации, равная 2,0 %
для линий 110 кВ м выше на металлических опорах.
Ежегодные издержки на амортизацию
для подстанций определяться по формуле:
, (3.12)
где
- норма амортизации, равная 4,4 %
для силового электротехнического оборудования и ОРУ.
Затраты на обслуживание также
разделить на две составляющие:
, (3.13)
где
- издержки на обслуживание ЛЭП;
- издержки на обслуживание ПС.
Ежегодные издержки на обслуживание
ЛЭП определяться по формуле:
, (3.14)
где
- норма отчислений на обслуживание,
равная 0,8 % для линий 110 кВ на металлических опорах.
Ежегодные издержки на обслуживание
для подстанций определяться по формуле:
, (3.15)
где
- норма отчислений на обслуживание,
равная 5,9 % для силового электротехнического оборудования и ОРУ.
Представим результаты расчетов в
таблице 3.7.
Таблица 3.7 - Сравнение вариантов по
капиталовложениям и издержкам.
|
Величина,
тыс. руб.
|
Вариант
А
|
Вариант
Б
|
|
9375,014180,0
|
|
|
|
187,5283,6
|
|
|
|
75,0113,4
|
|
|
|
32960,629871,1
|
|
|
|
1450,21314,3
|
|
|
|
1944,61762,4
|
|
|
|
42335,644051,1
|
|
|
|
3657,33473,7
|
|
|
Издержки на возмещение потерь электроэнергии,
для первого и второго варианта, тыс. руб.,
,
,
где β - стоимость
1 кВт·ч потерь электроэнергии.
Определим обоснованные затраты для
первого и второго варианта, тыс. руб.,
,
.
Оба рассмотренных варианта оказались
экономически равноценны (различие приведённых затрат составляет 1,2%), то
оптимальный вариант выбираем по качественным показателям. В этом случае
предпочтение отдаём варианту с более высокой надёжностью электроснабжения,
оперативной гибкостью схемы, с меньшим расходом цветного металла на провода
ЛЭП, таким вариантом является вариант а).
4. Технико-экономические показатели
ЭС
4.1 ТЭП
Основными ТЭП являются: максимум нагрузки
электрических сетей; годовой отпуск электроэнергии; потери мощности в сетях;
годовые потери электроэнергии в сетях; годовой полезный отпуск электроэнергии
потребителям; КПД электрических сетей; капитальные вложения; удельные
капитальные вложения; средний процент амортизации; суммарные амортизационные
отчисления; численность персонала,; среднегодовая заработная плата; суммарные
эксплуатационные расходы.
Определим суммарные эксплуатационные расходы
электрической энергии, тыс.руб.,
.
Определим затраты на амортизацию основных
фондов, тыс.руб.,
где НА - норма
амортизации ;
К - капиталовложения рассчитаны в
/разделе 3.3/.
Определим основную заработную плату
(за год), тыс.руб.,
,
где З - средняя заработная плата;
Ч - численность. Расчет численности
персонала произведем по укрупненным нормативам /6, с.29/, составляет 25
человек.
Определим дополнительную заработную
плату (за год), тыс.руб.,
.
Определим расходы на оплату труда,
тыс.руб.,
.
Определим затраты на единый
социальный налог, тыс.руб.,
.
Определим затраты на материалы,
тыс.руб.,
.
Определим прочие расходы, тыс.руб.,
.
Определим отпущенную электроэнергию,
кВт·ч,
.
Определим время максимальных потерь,
ч,
.
Определим максимальные потери в
электрических сетях, кВт,
.
Определяем потерянную
электроэнергию, кВт·ч,
Определим коэффициент полезного
действия электрических сетей, %,
Определим удельные капиталовложения,
руб./кВА,
SНОМ -
установленная мощность трансформаторов всех пс.
Определим средний процент
амортизации, %,
Все расчеты сведем в таблицу 4.1.
Таблица 4.1 - Технико-экономические
показатели ПЭС
|
Наименование
показателя
|
Ед.
измерения
|
Значение
|
|
Максимум
нагрузки электрических сетей
|
МВт
|
22,2
|
|
Годовой
отпуск энергии
|
млн.
кВт·ч
|
194,5
|
|
Потери
мощности в сетях
|
%
|
4,17
|
|
Годовые
потери мощности в сетях
|
млн.
кВт·ч
|
8,11
|
|
Годовой
полезный отпуск электроэнергии потребителям
|
млн.
кВт·ч
|
103,67
|
|
КПД
электрических сетей
|
%
|
96,5
|
|
Капитальные
вложения
|
тыс.
руб.
|
42335,6
|
|
Удельные
капитальные вложения
|
руб./кВА
|
846,7
|
|
Средний
процент амортизации
|
%
|
3,9
|
|
Суммарные
амортизационные отчисления
|
тыс.
руб./год
|
1637,8
|
|
Суммарная
численность персонала
|
чел.
|
25
|
|
Среднегодовая
заработная плата
|
руб./чел.
|
3050,0
|
|
Годовой
фонд заработной платы
|
тыс.
руб.
|
76250,0
|
|
Суммарные
эксплуатационные расходы
|
тыс.
руб./год
|
71660,4
|
5. Расчет токов короткого замыкания.
Проектирование подстанции
5.1 Расчет токов короткого замыкания
При проектировании подстанции (выборе
оборудования) необходимо произвести расчет токов трёх фазного короткого
замыкания (КЗ) на ВН и НН шинах подстанции. Причем для выбора основного
силового оборудования рассчитывается трехфазное КЗ на всех сторонах. На ВН с
глухозаземленной нейтралью (110 кВ) рассчитываем ток однофазного КЗ для выбора
защитного заземления.
Расчет токов КЗ проводится на ЭВМ с помощью
вычислительного комплекса (программы) расчетов токов короткого замыкания - TKZ.
Для реализации данной программы необходимо составить эквивалентную схему
замещения полной сети прямой, обратной и нулевой последовательностей (рисунок
5.1 и 5.2).
Расчет токов КЗ при проектировании проводится с
некоторыми принятыми допущениями:
пренебрегаем активными сопротивлениями элементов
сети;
не учитываются емкостные проводимости линий
электропередачи;
приближенный учет нагрузок;
рассматриваемая система симметрична.
Также к дополнительному допущению можно отнести
допущение о равенстве схем прямой и обратной последовательностей.
При составлении схем замещения для расчетов
токов КЗ сопротивления всех элементов сети приводятся к стороне Uср
= 115 кВ. Причем приведению подлежат только: повышающие трансформаторы на ТЭЦ;
автотрансформаторы на Узловой подстанции; приемная система GS1;
генераторы ТЭЦ.
Расчет сопротивлений элементов ведется в
относительных единицах при точном приведении, причем для эквивалентированной
схемы. Индексы в обозначении сопротивлений имеют сквозную нумерацию. Примем Uб=115
кВ, Sб=100
МВА.
Составляем схему прямой последовательности
(рисунок 5.1). Данная схема содержит только те ветви, которые непосредственно
влияют на величины токов КЗ.
Сопротивление приемной системы,
(5.1)
где
- сверхпереходное сопротивление
прямой последователь ности, отн.ед.
Сопротивление генератора на ТЭЦ,
(5.2)
где
- сверхпереходное сопротивление
турбогенератора.
Сопротивление трансформатора,
(5.3)
где ХТ - сопротивление
трансформатора.
Сопротивление автотрансформатора,
(5.4)
где ХТ - сопротивление
автотрансформатора.
Сопротивление линии W1
электропередач определяется
, (5.5)
где Xw1 -
эквивалентное сопротивление ЛЭП.
Сопротивление линии W2
электропередач определяется,
, (5.6)
где Xw2 -
эквивалентное сопротивление ЛЭП.
Сопротивление стороны ВН трансформатора,
(5.7)
где ХТвн=0,125·ХТ=0,125·55,9=6,99
- сопротивление трансформатора ВН.
Сопротивление стороны НН трансформатора,
где ХТнн=1,75·ХТ=1,75·55,9=97,82
- сопротивление трансформатора НН.
Сопротивление нагрузки,
(5.8)
где
- сверхпереходное сопротивление
нагрузки, отн.ед.;
Рисунок 5.1 - Схема замещения прямой
последовательности
На основе допущения, принятого выше, схема
замещения обратной последовательности будет аналогична схеме замещения прямой
последовательности.
Составляем схему замещения нулевой
последовательности, (рисунок 5.2). Для чего пересчитаем сопротивления линий и
системы. Для двухцепных ЛЭП 110 кВ со стальными тросами отношение для W1
X(0)/X(1)
= 4,3, а для W2 X(0)/X(1)
= 3,8 / /. Схема замещения нулевой последовательности будет иметь свою сквозную
нумерацию.
Такие элементы как, генераторы ТЭЦ и обмотки
среднего напряжения автотрансформаторов в схему замещения нулевой
последовательности не входят. Кроме случаев, когда за обмоткой СН имеется
элемент с заземленной нейтралью. Все рассчитываемые ниже сопротивления
определяем в относительных единицах.
Рисунок 5.2 - Схема замещения нулевой
последовательности
, (5.9)
, (5.10)
. (5.11)
Машинная (расчетная) схема замещения, которая
образуется в результате совмещения схем прямой, обратной и нулевой последовательностей.
Данные для реализации TKZ
(файл исходных данных) приведен в приложении А. Узлы с обозначением
"0" соответствуют генераторным узлам.
Выпишем необходимые для дальнейших
расчетов токи КЗ, по приложению А, в табличной форме. При этом следует помнить,
что все значения полученных токов приведены к напряжению 115 кВ. Полученные
данные расчётным путём необходимо перевести в именованные единицы путём
домножения на
.
Действительные значения на сторонах НН получаем путем перемножения на
коэффициент трансформации
соответственно.
Таблица 5.1 - Значения токов КЗ
В килоамперах
|
Короткое
замыкание
|
|
Узел
|
Трехфазное
КЗ
|
Однофазное
КЗ
|
|
8
|
7,02
|
2,62
|
|
4
|
1,257·115/10,5=13,8
|
-
|
|
5
|
1,257·115/10,5=13,8
|
-
|
5.2 Выбор токоведущих частей
Сборные шины и ошиновка в пределах
распределительного устройства (РУ) согласно нормам технологического
проектирования выбираются по длительно допустимому току, который должен быть
больше либо равен току рабочему максимальному Iраб.макс.
Токи в трансформаторах на сторонах ВН в
соответствии с / / определяются по номинальной мощности трансформатора
(5.12)
(5.13)
где Iнорм
- номинальный ток, А.
На стороне ВН имеем номинальный ток, А,
,
Токи в обмотке НН определяется по ее загрузке,
А,
(5.14)
. (5.15)
Максимальный рабочий ток в линии,
питающей ПС Электропотребитель, при условии, что одна из цепей будет отключена,
А,
. (5.16)
5.2.1 Выбор гибких шин
Гибкие шины (токопроводы) в
соответствии с /8/ на термическое действие тока короткого замыкания не
проверяются. Условиями выбора и проверки являются:
проверка сечения по нагреву (по
допустимому току)
(5.17)
на электродинамическое действие тока
КЗ проверяются гибкие шины РУ при I(3)к ≥ 20
кА, проверка по условиям короны
(5.18)
где Е - напряженность электрического
поля около поверхности провода, кВ/см;
Е0 - начальная критическая
напряженность, кВ/см.
ОРУ-110 кВ
Сборные шины и ошиновка в пределах открытых и
закрытых РУ всех напряжений проверке по экономической плотности тока не
подлежит.
2 По длительно допустимому току,
согласно условию:
проверяем
провод АС 70/11;
;
,7 А ≤ 265 А;
Проверка на термическую стойкость
(не проверяем)
Механический расчет проводников
Механический расчет гибких
проводников проводится, если ток КЗ больше 20 кА [1, с. 233]. У нас ток
КЗ меньше 20 кА / таблица 5.1 /.
Проверка по короне
Необходима для гибких проводников 35
кВ и выше.
Расстояние между проводами для U 110 кВ
= 3 м.
Разряд в виде короны возникает при
максимальном значении начальной критической напряженности электрического поля, кВ/см
; (5.19)
ro - радиус
провода, см
Напряженность электрического поля
около поверхности нерасщепленного провода определяется по выражению:
; (5.20)
При горизонтальном расположении фаз
;
;
.
Условие образования короны:
,07∙E ≤ 0,9∙Eo
,07∙27,45 ≤ 0,9∙34,86
,37 ≤ 31,37
Условие выполнилось
Сечение 70 мм² удовлетворяет
проверке на корону, таким образом на стороне высшего напряжения шины выполняем
гибким проводом АС 70/11
5.2.2 Выбор жестких шин
Жесткие шины выбираются для РУ 10 кВ.
Предварительно перед выбором сборных шин 10 кВ проверяется коммутационная
способность высоковольтных выключателей 10 кВ, т.е. возможность отключения
трехфазного тока КЗ на шинах НН. По таблице 5.1 суммарный ток трехфазного КЗ
равен 13,8 кА. Максимальный рабочий ток в цепи НН трансформатора составляет
1438,1 А.
На основании полученных значений
трехфазного тока КЗ проведем выбор жестких шин. Принимаем шины прямоугольного
сечения алюминиевые (80×10)
мм,
по / /,
.
Проверяем шины по нагреву (5.17), А,
,1 < 1480
Проверка по термической стойкости
тока КЗ осуществляется по величине теплового импульса,
, (5.21)
где Iтер - ток
термической стойкости, кА;
tтер -время
действия термической стойкости, с;
Вк - тепловой импульс
тока КЗ, кА2·с.
(5.22)
где tотк - время
отключения, принимаемое на предварительном этапе по зонам отключения в
соответствии с /7/, с; Та - постоянная времени затухания по /7/, с.
Минимальное сечение шин проверяется
по термической стойкости, мм2,
(5.23)
где С - функция, по /7/ равна для
алюминиевых шин 91 А·с1/2/мм2.
что меньше выбранного сечения 80´10=800 мм2.
Проверяем шины на механическую стойкость
в результате действия на них тока КЗ.
Наибольшее удельное усилие при
трёхфазном КЗ, Н/м
; (5.24)
где а - расстояние между фазами примем
0,3м;
ударный ток КЗ, кА.
,
где ку - ударный коэффициент,
принимаемый по /8/.
Определим напряжение в материале
шины, возникающее при воздействии изгибающего момента, МПа,
; (5.25)
где l - длина шин
между соседними опорными изоляторами, принята из условия максимальной ширины
ячейки комплектного распределительного устройства (КРУ) (КР10-Д10),м;
W - момент
сопротивления шины относительно оси, перпендикулярной действию, см3.
W=b·h2/6, b - высота
шин, h - ширина
шины.
что меньше допустимого для
алюминиевых шин марки АДЗ1Т σдоп = 75 МПа.
5.3 Выбор опорных изоляторов
Для крепления жестких шин используются опорные
фарфоровые изоляторы марки ОФ, которые проверяются на механическую прочность, в
результате действия на них изгибающей силы.
Выбираем изолятор по /2/ ОФ-10-2000У3, Fразр
= 20000 Н - запас по разрушающей силе; высота изолятора Низ = 134
мм.
При расположении изоляторов вертикально,
расчетная сила определится по выражению, Н,
, (5.26)
где кh =
; (5.27)
b, h - размеры
шин прямоугольного сечения.
Условием проверки является
Fрасч ≤ Fдоп (5.28)
Допустимая разрушающая нагрузка
принимается 60 % от разрушающей.
Проверим выбранный изолятор
ОФ-10-2000У3 по 5.28
,2< 0,6·20000 = 12000
данный изолятор по условию проверки
проходит.
5.4 Выбор высоковольтных
выключателей и разъединителей
Высоковольтные выключатели и разъединители
выбираются по условиям длительного режима работы и проверяются по условиям
коротких замыканий.
Допускается производить выбор выключателей по
важнейшим параметрам:
по номинальному напряжению сети Uсети
ном
Uсети ном
≤ Uном,
(5.29)
где Uном
- номинальное напряжение выключателя, кВ;
по длительному рабочему току цепи I
макс
Iмакс
≤ Iном,
(5.30)
где Iном
- номинальный ток выключателя, А.
На электродинамическую стойкость выключатель
проверяется по предельному сквозному току КЗ
Iпо ≤
Iдин,
(5.31)
iу
≤ iдин,
(5.32)
где Iдин
-
действующее значение предельного сквозного тока допустимого для рассматриваемого
выключателя, кА.
Iпτ≤
Iотк.ном,
(5.33)
где Iпτ
- периодическая составляющая тока КЗ, соответствующая расчетному времени
отключения КЗ τ, кА.
τ = tз,min
+ tс.в,
(5.34)
где tз.min
- минимальное время действия релейной защиты 0,01с;
tс.в
- собственное время отключения выключателя, с.
Затем проверяется возможность отключения
апериодической составляющей тока КЗ iа.ном
-
номинального допускаемого значения апериодической составляющей в отключаемом
токе для времени τ .
iа,τ ≤ iа.ном =
, (5.35)
где iа,τ
- апериодическая составляющая тока КЗ в момент расхождения контактов τ,
кА;
- номинальное относительное содержание
апериодической составляющей в отключаемом токе.
На термическую стойкость выключатель
проверяется по тепловому импульсу
Вк ≤ I2тер·tтер
(5.36)
Выбор выключателей и разъединителей на стороне
ВН.
Начальное значение периодической составляющей в
соответствии с таблицей 5.1 в точке 8 - шины ВН I(3)по
= 7,02 кА. Максимальный ток в цепи данного выключателя равен 463 А. Значения
постоянной времени затухания и ударного коэффициента по /7/ принимаем Та
= 0,15 с; ку = 1,608.
Выбираем воздушный выключатель ВВБК-110Б-50/3150
У1 и разъединитель РНДЗ.1-110/2000 У1.
Проводим расчет
τ = 0,01 + 0,045 = 0,055 с;
tотк
= 0,06 + 0,01 = 0,07 с;
кА;
Проверяем выбранное оборудование.
Таблица 5.2 - Сравнительные характеристики
оборудования
|
Расчетные
данные
|
Выключатель
ВВБК-110Б-50/3150 У1
|
Разъединитель
РНДЗ.1-110/2000 У1
|
|
Uсети ном= 110 кВ
|
Uном = 110 кВ
|
Uном = 110 кВ
|
|
Iмах = 463 А
|
Iном = 3150 А
|
Iном = 2000 А
|
|
Iпо = 7,02 кА iу = 16,0 кА
|
Iдин= 50 кА iдин = 128 кА
|
------
iдин = 100 кА
|
|
Iпτ =
Iпо =7,02 кА
|
Iотк.ном = 50 кА
|
------
|
|
iaτ
=
6,9 кА
|
iа.ном= ------
|
|
|
Вк=
7,022·(0,07+0,15)= 10,8 кА2с
|
I2терtтер=562·3=9408
кА2с
|
I2терtтер=402·3=4800
кА2с
|
Выключатель ВВБК-110Б-50/3150 У1 и разъединитель
РНДЗ.1-110/2000 У1 по условиям выбора проходят.
Выбор выключателей на стороне НН.
Начальное значение периодической составляющей на
стороне 10 кВ I(3)по
= 13,8 кА. Максимальный ток в цепи данного выключателя равен 1438,1 А.
Выбираем выключатель МГГ-10-5000-45 У3 ( М -
маломасляный, Г - с Горшковым выполнением полюсов ). Разъединители на стороне
НН не выбираются, считается, что они являются встроенными в ячейки КРУ.
Проводим расчет
τ = 0,01 + 0,12 = 0,13
с;
tотк
= 0,15 + 0,01 = 0,16 с;
кА ;
Проверяем выбранный выключатель.
Таблица 5.3 - Сравнительные характеристики
выключателя
|
Расчетные
данные
|
Выключатель
МГГ-10-5000-45 У3
|
|
Uсети ном= 10 кВ
|
Uном = 10 кВ
|
|
Iмах = 1438,1 А
|
Iном = 5600 А
|
|
Iпо = 13,8 кА iу = 31,4кА
|
Iдин= 45 кА iдин = 120 кА
|
|
Iпτ =
Iпо =13,8 кА
|
Iотк.ном = 45 кА
|
|
iaτ
=
8,2 кА
|
iа.ном= --------
|
|
Вк=
13,82·(0,16+0,15) =59,0 кА2с
|
I2терtтер = 452·4
= 8100 кА2с
|
Выключатель МГГ-10-5000-45 У3 по условиям выбора
проходит.
Выбор выключателей на стороне НН в цепях
отходящих линий.
Принимается, что мощность отходящей линии равна
2,5 МВА. Тогда число отходящих присоединений, при условии раздельной работы
обмоток НН трансформаторов, определится
. (5.37)
принимаем целое число равное 6.
В этом случае максимальный рабочий
ток в отходящих линиях, А,
(5.38)
Выбираем вакуумный выключатель
ВВЭ-10-31,5 ( В - выключатель, В -вакуумный, Э - электромагнитный ) по /9/.
Проводим расчет
τ = 0,01 + 0,055 = 0,065 с;
tотк
= 0,075 + 0,01 = 0,085 с;
Проверяем выбранный выключатель
Таблица 5.4 - Сравнительные характеристики
выключателя
|
Расчетные
данные
|
Выключатель
ВВЭ-10-31,5
|
|
Uсети ном= 10 кВ
|
Uном = 10 кВ
|
|
Iмах =125,5 А
|
Iном = 630 А
|
|
Iпо = 13,8 кА iу = 31,4 кА
|
Iдин= 31,5 кА iдин = 80 кА
|
|
Iпτ =
Iпо =13,8 кА
|
Iотк.ном = 31,5 кА
|
|
iaτ
=
8,2 кА
|
iа.ном=
|
|
Вк=
13,82·(0,085+0,15) = 44,7 кА2с
|
I2терtтер = 202·3
= 1200 кА2с
|
Выбранный выключатель ВВЭ-10-31,5 по условиям
проверки проходит.
5.5 Выбор главных схем электрических
соединений
В соответствии с /10/ для открытого
распределительного устройства (ОРУ) 110 кВ принимаем главную схему
электрических соединений "Одна рабочая, секционированная выключателем, и
обходная системы шин".
Число присоединений складывается из числа
подходящих ЛЭП и числа подключенных трансформаторов
(5.39)
Рисунок 5.3 - Схема с одной рабочей и обходной
системами шин
Закрытое распределительное устройство (ЗРУ)
имеет следующее число присоединений
На основании этого принимаем схему "Одна
секционированная система шин".
Рисунок 5.4 - Одна секционированная система шин
5.6 Выбор измерительных
трансформаторов тока и напряжения
Измерительные трансформаторы тока и напряжения
выбираются для осуществления контроля за режимом работы основного оборудования
подстанции с помощью контрольно-измерительных приборов (КИП). Количество которых
и определяет основные условия выбора измерительных трансформаторов.
Приведем перечень КИП, устанавливаемых во всех
цепях автотрансформаторов, линий и сборных шин, таблица 5.5, в соответствии с
/7/.
Таблица 5.5 - Контрольно-измерительные приборы
на подстанции
|
Цепь
|
Место
установки
|
Перечень
приборов
|
|
Трансформатор
|
ВН
|
Датчик
тока, ваттметр, варметр, счетчик активной энергии, счетчик реактивной энергии
|
|
НН
|
Датчик
тока, ваттметр, варметр, счетчик активной энергии, счетчик реактивной энергии
|
|
Сборные
Шины (на каждой системе шин)
|
110
кВ
|
Вольтметр
с переключателем для измерения трех междуфазных напряжений и регистрирующий
вольтметр, осциллограф, фиксирующий прибор (U0)
|
|
10
кВ
|
Вольтметр
для измерения междуфазного напряжения и вольтметр с переключателем для измерения
трех междуфазных напряжений
|
|
Линии
|
110
кВ
|
Датчик
тока, ваттметр, варметр, счетчик активной энергии, счетчик реактивной
энергии; фиксирующий прибор, используемый для определения места КЗ
|
|
10
кВ
|
Датчик
тока, счетчик активной энергии и счетчик реактивной энергии, принадлежащих
потребителю
|
5.6.1 Выбор измерительных
трансформаторов тока
Трансформаторы тока при их выборе
проверяются по условиям, приведенных в 5.29, 5.30, 5.32, 5.36, а также по
допустимой вторичной нагрузке
, по выражению
£
(5.40)
где
- номинальное сопротивление
вторичной обмотки, Ом.
Выбираем трансформатор тока в цепи
автотрансформатора на стороне ВН.
Загрузку выбираемых трансформаторов
проверяем пофазно, в виде таблицы.
По /2/ выбираем ТФЗМ 110Б-III
Общее сопротивление приборов
, (5.41)
где
- мощность приборов в наиболее
загруженной фазе, В·А;2 - вторичный ток трансформатора, А.
Ом
Допустимое сопротивление проводов
, (5.42)
где rконт = 0,1 Ом - сопротивление
контактов.
Расчетное сечение контрольных проводов
, (5.43)
где r - удельное сопротивление материала провода, для
алюминия
r=0,0283
;расч
- расчетная длина проводов, принимаемая по /7/, м.
Фактическое сопротивление проводов,
Ом,
(5.44)
Фактическая вторичная нагрузка
трансформатора тока, Ом,
(5.45)
Проверяем выбранный трансформатор тока по
вторичной нагрузке, по (5.40).
Таблица 5.6 - Вторичная нагрузка трансформатора
тока
|
Прибор
|
Тип
|
Нагрузка
фазы, В×А
|
|
|
А
|
В
|
С
|
|
Датчик
тока
|
Е-824
|
--
|
1,0
|
--
|
|
Ваттметр
|
Е-849
|
1,0
|
--
|
1,0
|
|
Варметр
|
Е-830
|
1,0
|
--
|
1,0
|
|
Счетчик
активной энергии
|
САЗ-И670
|
2,5
|
--
|
2,5
|
|
Счетчик
реактивной энергии
|
СР4-И676
|
2,5
|
--
|
2,5
|
|
Итого
|
7,0
|
1,0
|
7,0
|
Проведем расчет по (5.41) - (5.45)
,
,
.
Принимаем контрольный кабель АКРВГ с
жилами сечением 2,5 мм2.
,
условие проверки 30 > 1,74,
выполняется.
Выбираем трансформатор тока в цепи
автотрансформатора стороны ВН ТФЗМ 110Б-III.
Выполним расчеты необходимые для условий
проверки;
,
,
Принимаем контрольный кабель АКРВГ с
жилами сечением 2,5 мм2.
,
Таблица 5.7 - Сравнительные характеристики
трансформатора тока
|
Расчетные
данные
|
Трансформатор
тока ТФЗМ 110Б-III
|
|
Uсети ном= 110 кВ
|
Uном = 110 кВ
|
|
Iмах = 175,7 А
|
Iном = 1500 А
|
|
iу = 17,74
кА
|
iдин = 158 кА
|
|
Вк=
19,6 кА2с
|
I2терtтер = 682·3
= 13872 кА2с
|
|
Z2 = 1,34 Ом
|
Z2 ном = 20 Ом
|
Выбираем трансформатор тока в цепи отходящих
линий 110 кВ ТФЗМ 110Б-III.
Приборы, подключенные к данному трансформатору аналогичны приборам,
подключенным к трансформатору тока в цепи трансформатора стороны ВН. В силу
однотипности расчет проверочных условий не проводится.
электрический сеть мощность замыкание
Выбираем трансформатор тока в цепи
автотрансформатора стороны НН ТПШЛ-10 У3. Проверяем его по условию допустимой
нагрузки вторичной обмотки. Перечень приборов, представляющих нагрузку для
данного трансформатора тока, аналогичен приборам, указанных в таблице 5.6.
Ом;
Ом;
Принимаем контрольный кабель АКРВГ с
жилами сечением 2,5 мм2.
;
Таблица 5.8 - Сравнительные характеристики
трансформатора тока
|
Расчетные
данные
|
Трансформатор
тока ТПШЛ-10 У3
|
|
Uсети ном= 10 кВ
|
Uном = 10 кВ
|
|
Iмах = 1438,1 А
|
Iном = 5000 А
|
|
iу = 21,7 кА
|
iдин = --
|
|
Продолжение
таблицы 5.8
|
|
Вк=
14,8 кА2с
|
I2терtтер = 352·3
= 3675 кА2с
|
|
Z2 = 0,45 Ом
|
Z2 ном = 0,8 Ом
|
Трансформатор тока ТПШЛ-10 У3 по условиям
проверки проходит.
В цепи отходящих потребительских линий 10 кВ
принимается трансформатор тока ТПЛК-10 У3. Нагрузка состоит из следующих КИП
Таблица 5.9 - Вторичная нагрузка трансформатора
тока
|
Прибор
|
Тип
|
Нагрузка
фазы, В×А
|
|
|
А
|
В
|
С
|
|
Датчик
тока
|
Е-824
|
--
|
1,0
|
--
|
|
Счетчик
активной энергии
|
САЗ-И670
|
2,5
|
--
|
2,5
|
|
Счетчик
реактивной энергии
|
СР4-И676
|
2,5
|
--
|
2,5
|
|
Итого
|
5,0
|
1,0
|
5,0
|
Ом;
Ом;
Принимаем контрольный кабель АКРВГ с
жилами сечением 2,5 мм2.
;
Таблица 5.10 - Сравнительные характеристики
трансформатора тока
|
Расчетные
данные
|
Трансформатор
тока ТПШЛ-10 У3
|
|
Uсети ном= 10 кВ
|
Uном = 10 кВ
|
|
Iмах = 125,6 А
|
Iном = 200 А
|
|
iу = 21,7 кА
|
iдин = --
|
|
Вк=
14,8 кА2с
|
I2терtтер = 9,452·3
= 268 кА2с
|
|
Z2 = 0,37 Ом
|
Z2 ном = 0,4 Ом
|
Выбор встроенных трансформаторов тока в
трансформаторы проводится только по номинальному напряжению и длительному
рабочему току по /2/.
На стороне ВН выбираем ТВТ 110-I-2000/5.
На стороне НН выбираем ТВТ 10-I-12000/5.
.6.2 Выбор измерительных трансформаторов
напряжения
Трансформаторы напряжения проверяются только по
допустимой нагрузке вторичной обмотки, по условию
(5.46)
На стороне 110 кВ выбрана главная
схема соединений, содержащая одну секционированную систему шин с обходной.
Трансформаторы напряжения устанавливаются на каждую секцию, для которых
рассчитывается нагрузка в виде установленных на каждой секции КИП. Перечень
таких приборов приведен в таблице 5.5.
Таблица 5.11 - Вторичная нагрузка
трансформатора напряжения
|
Прибор
|
Тип
|
S
одной обмотки, В×А
|
Число
обмоток
|
cosj
|
sinj
|
Число
приборов
|
Общая
потребляемая мощность
|
|
|
|
|
|
|
|
P,
Вт
|
Q,
вар
|
|
Сборные
шины ВН
|
Ваттметр
|
Е-849
|
10
|
--
|
1
|
0
|
1
|
10
|
--
|
|
Варметр
|
Е-830
|
10
|
--
|
1
|
0
|
1
|
10
|
--
|
|
Счетчик
активной энергии
|
САЗ-И670
|
1,5
Вт
|
2
|
0,38
|
0,925
|
1
|
3,0
|
7,3
|
|
Счетчик
реактивной энергии
|
СР4-И676
|
3,0
Вт
|
2
|
0,38
|
0,925
|
1
|
6,0
|
14,6
|
|
Линии
110 кВ
|
Ваттметр
|
Е-849
|
10
|
--
|
1
|
0
|
2
|
--
|
|
Варметр
|
Е-830
|
10
|
--
|
1
|
0
|
2
|
20
|
--
|
|
Счетчик
активной энергии
|
САЗ-И670
|
1,5
Вт
|
2
|
0,38
|
0,925
|
2
|
6,0
|
14,6
|
|
Счетчик
реактивной энергии
|
СР4-И676
|
3,0
Вт
|
2
|
0,38
|
0,925
|
2
|
12,0
|
29,2
|
|
Итого
|
|
87
|
65,7
|
(5.47)
Выбираем трансформатор напряжения по
/2/ НКФ-110-83У1, в классе точности 0,5 номинальная мощность одной обмотки 400
ВА.
Тогда по условию 5.46
,0 < 3 · 400 = 1200
Трансформатор напряжения
НКФ-110-83У1 по условию проверки проходит.
Сторона 10 кВ имеет четыре секции, с
каждой отходит по три линий. На каждой секции устанавливается по одному
трансформатору напряжения.
Определим в соответствии с таблицей
5.5 число приборов, осуществляющих контроль за состоянием оборудования и
счетчиков электрической энергии на каждой секции.
Таблица 5.12 - Вторичная нагрузка трансформатора
напряжения
|
Прибор
|
Тип
|
S
одной обмотки, В×А
|
Число
обмоток
|
cosj
|
sinj
|
Число
приборов
|
Общая
потребляемая мощность
|
|
|
|
|
|
|
|
P,
Вт
|
Q,
вар
|
|
Сборные
шины ВН
|
Вольтметр
для измерения междуфазных напряжений
|
Н-394
|
10
|
--
|
1
|
0
|
1
|
10
|
--
|
|
Вольтметр
для измерения фазных напряжений
|
Н-393
|
10
|
--
|
1
|
0
|
1
|
10
|
--
|
|
Ввод
НН
|
Ваттметр
|
Е-849
|
10
|
--
|
1
|
0
|
1
|
10
|
--
|
|
Варметр
|
Е-830
|
10
|
--
|
1
|
0
|
1
|
10
|
--
|
|
Счетчик
активной энергии
|
САЗ-И670
|
1,5
Вт
|
2
|
0,38
|
0,925
|
1
|
3,0
|
7,3
|
|
Счетчик
реактивной энергии
|
СР4-И676
|
3,0
Вт
|
2
|
0,38
|
0,925
|
1
|
6,0
|
14,6
|
|
Линии
10 кВ
|
Счетчик
активной энергии
|
САЗ-И670
|
1,5
Вт
|
2
|
0,38
|
0,925
|
8
|
24
|
58
|
|
Счетчик
реактивной энергии
|
СР4-И676
|
3,0
Вт
|
2
|
0,38
|
0,925
|
8
|
48
|
116,8
|
|
Итого
|
|
121
|
196,7
|
(5.48)
Выбираем трансформатор напряжения по
/2/ ЗНОЛ.06-10У3, в классе точности 1,0 номинальная мощность одной обмотки 150
ВА.
Тогда по условию 5.46
,9 < 3 · 150 = 450
Трансформатор напряжения
ЗНОЛ.06-10У3 по условию проверки проходит.
5.7 Выбор трансформаторов
собственных нужд
Мощность трансформаторов собственных
нужд (ТСН) выбирается по нагрузкам собственных нужд с учетом коэффициента
загрузки и одновременности по следующему выражению:
(5.49)
где кс - коэффициент
спроса, принимается кс = 0,8.
Определим состав оборудования
установленного на подстанции по /7/, исходя из него найдем мощность собственных
нужд.
Таблица 5.13 - Потребители
собственных нужд подстанции
|
Вид
потребителя
|
Количество
|
Мощность
на единицу, кВт
|
Р,
кВт
|
Q, квар
|
|
Подогрев
выключателей и приводов: ВВБК-110Б
|
7
|
1,8
|
12,6
|
--
|
|
Подогрев
шкафов КРУ
|
16
|
1,0
|
16
|
--
|
|
Подогрев
приводов разъединителей, шкафов зажимов
|
41
|
0,6
|
24,6
|
--
|
|
Отопление,
освещение, вентиляция: ОПУ………………………………………………………... ЗРУ………………………………………………………….
|
70
5,5
|
--
--
|
70
5,5
|
--
--
|
|
Освещение
ОРУ: 110 кВ……………………………………………………….
|
7,0
|
--
|
7,0
|
--
|
|
Компрессорная:
электродвигатели………………………………………...... отопление, освещение……………………………………..
|
30
15
|
--
--
|
30
15
|
18,6
--
|
|
Маслохозяйство
|
1
|
--
|
75
|
--
|
|
Подзарядно-зарядный
агрегат ВАЗП
|
2
|
23
|
46
|
--
|
|
Система
охлаждения трансформаторов
|
2
|
44,4
|
88,8
|
75,6
|
|
Итого
|
390,5
|
94,2
|
Мощность ТСН определяется, кВА,
. (5.50)
Выбираем по /11/ 2 × ТМ 250/10.
5.8 Выбор ограничителей
перенапряжения нелинейных
В соответствии с ПУЭ для защиты
оборудования от грозовых и коммутационных перенапряжений на подстанции
устанавливаются ограничители перенапряжения нелинейные (ОПН).
На ОРУ 110 кВ непосредственно у
трансформаторов напряжения и у выводов обмотки ВН трансформаторов устанавливаем
ОПН-110/80-10(II)-УХЛ1.
На стороне НН, а именно у выводов
трансформаторов напряжения для защиты шин устанавливаем ОПН-10/12-10(II)-УХЛ2.
5.9 Расчет заземляющего устройства
подстанции
Все металлические части электроустановок,
нормально не находящиеся под напряжением, но могущие оказаться под напряжением
из-за повреждения изоляции, должны надежно соединяться с землей. Такое
заземление называется защитным, так как его целью является защита
обслуживающего персонала от опасных напряжений прикосновения. Заземление,
предназначенное для создания нормальных условий работы аппарата или
электроустановки, называется рабочим заземлением. Для защиты оборудования от
повреждения ударом молнии применяется грозозащита с помощь разрядников,
искровых промежутков, стержневых и тросовых молниеотводов, которые
присоединяются к заземлителям. Такое заземление называется грозозащитным.
Обычно для выполнения всех трех типов заземления
используют одно заземляющее устройство.
Проведем расчет заземляющего устройства для
ОРУ-110 кВ. Расчет будем производить с учетом допустимого напряжения
прикосновения [8, с. 514].
Определим расчетную длительность воздействия
с,
где
- общее время отключения
выключателя,
= 0,08 с.
С учетом длительности воздействия, по /8/
находим наибольшее допустимое напряжение прикосновения
В реальных условиях удельное
сопротивление грунта неодинаково по глубине. В расчетах многослойный грунт
представляется двухслойным: верхний толщиной h с удельным
сопротивлением
, нижний с
удельным сопротивлением
. Величины
,
, h
определяются на основе замеров. По /8/ примем
= 500 Ом/м,
= 60 Ом/м,
h = 2 м.
Определим коэффициент прикосновения
где M - параметр,
зависящий от отношения
, М = 0,806
при
,
S
- площадь, м2,
LВ
- длина вертикальных заземлителей, LВ
=
5м,
LГ - суммарная
длина всех горизонтальных заземлителей, определяется по плану подстанции,
,
а -
расстояние между вертикальными заземлителями, а = 6,5 м,
- коэффициент, определяемый по
сопротивлению тела и сопротивлению растекания тока от ступней
,
где
= 1000 Ом,
= 1,5
.
Определим размеры подстанции по /8,
с. 488/. Длинна ОРУ, м,
где а, б, в, г,
к, л - размеры типового ОРУ выбранные по /8, с. 514/;
- расстояние от оборудования до
забора;
- расстояние необходимое для
размещения трансформатора напряжения и разрядника выбранное по /8, с. 511/.
Определим ширину ОРУ, м,
,
где
- размер типового ОРУ выбранный по
/8, с. 514/;
- количество ячеек;
- ширина дороги.
С учетом найденных размеров можем
представить план заземления подстанций на рисунке 5.5
Рисунок 5.5 - План заземления
подстанции
Итак,
Определяем напряжение на заземлителе
В,
Допустимое сопротивление
заземляющего устройства можно определить по выражению, Ом,
,
где
- ток, стекающий с заземлителя при
однофазном коротком замыкании на землю.
Для дальнейшего расчета заменяется сложный
действительный заземлитель подстанции на более простую квадратную расчетную
модель. Замена производится из условия равенства площадей реального
заземляющего устройства и его модели. Длина стороны модели определится из
следующего выражения, м,
Определим число ячеек расчетной модели
,
принимаем m = 11.
Длина полос, м,
.
Длина сторон ячейки, м,
.
Число вертикальных заземлителей по
периметру контура:
.
Общая длина вертикальных
заземлителей, м,
.
Относительная глубина
,
<0,075<0,1 ,
тогда
.
По таблице /8, с.600/ для условий
= 8,3 ,
= 1 ,
,
находим
= 1,4, тогда
Ом×м.
Найдем общее сопротивление
заземлителя, Ом,
.
Общее сопротивление заземлителя
должно быть меньше допустимого
,461 Ом
1,24 Ом.
Так как необходимое условие
выполняется, то делаем вывод о пригодности заземляющего устройства.
Найдем напряжение прикосновения, В,
В,
Проверим по напряжению прикосновения
,
В
400 В.
5.10 Расчет грозозащиты подстанции
Грозозащита оборудования, установленного на ОРУ
110 кВ, выполняется путем установки молниеотводов на линейных и
трансформаторных порталах. Причем на на ОРУ 110 кВ через три. Принимаем высоту
молниеотвода 42 м.
Зона защиты из четырех молниеотводов показана на
рисунке 5.10.
Рисунок 5.4 - Система из четырех молниеотводов
Найдем длину диагонали Д, м,
,
где а1 - ширина
двух ячеек, равная 9 · 2 = 18,0 м;
а2 -
расстояние между молниеотводами по длине ячейки, равное 40,5 м
.
Внутренняя часть зоны на высоте hх системы из
четырех молниеотводов будет защищена в том случае, если
,
где h - высота
молниеотвода, м
hx - высота
защищаемого объекта, м
ha=h - hx - активная
высота молниеотвода, м
р - коэффициент, зависящий от
высоты молниеотвода, если h£30 м, р=1;
Таким образом
, т.е.
,2<108
Зона защиты одиночного стержневого
молниеотвода представляет собой пространство вблизи молниеотвода, ограниченное
поверхностью вращения, радиус которой на любой высоте рассчитывается, м,
.
Фактический радиус rф = 15 м
т. е. 13,9 м < 15 .
Ширина зоны защиты
.
где i
=1,2 - индексы, соответствующие разным сторонам прямоугольника, образованного
молниеотводами.
,
.
6. Полный электрический расчет сети
Полный электрический расчет предполагает
рассмотрение максимального, минимального и аварийного режимов. Максимальный
режим соответствует состоянию сети с максимальными нагрузками, которые
предложены в задании. Минимальный режим будем рассматривать как снижение
потребляемой нагрузки ПС до 70 % от максимальных. Аварийный режим соответствует
отключению одной цепи двухцепной линии 110 кВ, которая питает ПС и отключению
одного из трансформатора на подстанции.
Для анализа состояния сети проведем расчет
только максимального режима, приложение Б. При заданных нагрузках подстанций и
выдаваемой ТЭЦ мощности режим по напряжениям в узлах не удовлетворительный, т.е
имеются узлы с низкими значениями напряжения. Это относится к узлам 110 и 10
кВ. В общем, по сети, в узлах 110 кВ напряжение находится в допустимых пределах
±15 %. Длительные нагрузочные токи в линиях электропередачи не превышают
допустимого значения.
Проведем оптимизацию режимов, которую будем
осуществлять поддержанием желаемых уровней напряжения. Первоначально
оптимизацию проводим в нагрузочных узлах 10 кВ. Желаемые уровни напряжения
поддерживаем в пределах (1,05 - 1,08)·Uc.
Поддерживать уровень напряжения встречным
регулированием с помощью устройства РПН удастся только на стороне 110 кВ.
Другой кардинальный способ регулирования
напряжения это установка устройств компенсации реактивной мощности. Наиболее
простым и дешевым устройством является батарея статических конденсаторов (БСК).
Установка БСК в узлах 10 кВ позволит поддерживать уровни напряжения не только
на стороне НН. Возможность не предавать часть реактивной мощности по линиям
электропередачи за счет установки БСК, также влияет на поддержание уровней
напряжения на стороне ВН.
Учитывая топологию сети, установка БСК на
отдельных подстанциях приводит к поддержанию напряжения непосредственно на них
же, а влияние на другие подстанции проявляется очень слабо.
Уровни напряжения во всех узлах находятся в
допустимых пределах. Желаемые напряжения в узлах 110 и 10 кВ поддерживаются во
всех режимах. Токи, протекающие по линиям электропередачи не превышают
допустимых.
7. Микропроцессорная РЗ SPAC
Характеристика традиционных РЗ
В настоящее время определяющим исходным условием
технического перевооружения устройств РЗА следует считать наличие в
эксплуатации 35%, или 500 тыс. устаревших устройств, подлежащих реконструкции
или замене. При этом их количество увеличивается с каждым годом, так как замена
выработавших ресурс и устаревших устройств происходит в недостаточном объеме
из-за ограниченных финансовых возможностей эксплуатирующих организаций.
Анализ статистических данных показывает величину
количества случаев неправильной работы устройств РЗА из-за старения. Вместе с
тем каких-либо отраслевых документов по вопросам реконструкции и замены
устаревших устройств в настоящее время нет.
Ориентировочные оценки по выборочному
обследованию ряда энергосистем показывают, что около 10% всех устройств
эксплуатируется более 35 лет, 20% - 25-30 лет, 50% - 15 - 25 лет и 20% - менее
15 лет.
В среднем в настоящее время в энергосистемах в
эксплуатации находится более 35% электромеханических устройств, которые
эксплуатируются не менее 25 лет, превысив более чем в два раза средний срок
службы 12 лет, установленный техническими условиями на электромеханические
устройства и релейную аппаратуру. Как показывает опыт эксплуатации, фактический
средний срок службы электромеханических устройств составляет примерно 25 лет.
Это подтверждается, с частности, практически постоянным процентом правильной
работы устройств РЗА в течение многих лет. Так взять, например, защиту
трансформатора собственных нужд, системы шин 6-10 кВ, высоковольтные
электродвигатели, кабельные линии 6-10 кВ релейная защита выполняется с помощью
индукционных и электромагнитных реле, таких как РТ-40, РТ-80, РНТ-565 и др.
Для поддержание в работоспособном состоянии
электромеханических устройств, проработавших 25 лет и более, обеспечивается за
счет повышения затрат на их техническое обслуживание из-за необходимости
проведения дополнительных регулировок, ремонта или замены отдельных реле и
другой аппаратуры, контрольных и высокочастотных кабелей. По мере имеющихся
возможностей производится и замена выработавших ресурс и устаревших устройств
РЗА, аппаратуры ВЧ каналов, контрольных кабелей.
Вопрос замены устройств РЗА, выработавших срок
службы, будет обостряться с каждым годом, если уже сейчас не начать их
планомерную замену или реконструкцию. Тем более, что наблюдается рост доли
случаев неправильной работы устройств из-за старения в общем количестве случаев
неправильной работы, не связанных с действиями или ошибками эксплуатационного
персонала, персонала проектных или наладочных организаций и с любыми внешними
воздействиями.
Около 12 лет назад началось внедрение в эксплуатацию
микроэлектронных и около пяти лет - микропроцессорных устройств РЗА. Доля их
пока еще невелика и составляет на начало 2000 г. около 1,2%.
Особенности внедрения МПРЗ
В технике РЗ произошла подлинная революция: на
смену электромеханическим и статическим аналоговым реле пришли цифровые
(микропроцессорные) реле - терминалы управления и защиты электроустановок.
Основным направлением технического
перевооружения устройств РЗА в энергетике должно являться внедрение
микропроцессорных устройств, обладающих существенными преимуществами перед
электромеханическими и микроэлектронными аналогами.
Однако из-за финансовых ограничений, высокой
стоимости микропроцессорных устройств, особенно импортных, большого количества
подлежащих замене устройств в течение ряда лет наряду с внедрением
микропроцессорных устройств взамен устаревших нельзя будет исключить
применение, для их замены или модернизации выпускаемых в настоящее время
электромеханических и микроэлектронных устройств и аппаратуры.
Кроме того, опыт внедрения импортных
микропроцессорных устройств РЗА показывает, что отличие в технической идеологии
этих устройств от принятой в России, невысокое качество перевода технической
документации, ошибки в тексте и схемах функций вызывают определенные трудности
при их внедрении и требуют в ряде случаев внесения изменений в их конфигурацию.
Целесообразно на каждом предприятии иметь
периодически пересматриваемый перечень подлежащих замене устройств РЗА в
порядке очередности замены с учетом срока их эксплуатации, защищаемого оборудования,
возможных последствий отказа или ложной работы, наличия отечественных микро
электронных аналогов и др.
Внедрение микропроцессорных устройств РЗА
требует как повышения квалификации релейного персонала, так и оснащения служб
РЗА современными автоматизированными устройствами для их технического
обслуживания.
Следует отметить, что внедрению
микропроцессорных устройств должны предшествовать специальные испытания для
оценки электромагнитной обстановки (ЭМО) на энергообъекте и проведения при
необходимости мероприятий, обеспечивающих ее совместимость с уровнем
помехозащищенности устройств. Необходимость таких испытаний вызывается тем, что
до последнего времени при проектировании энергообъектов, в частности, их
заземляющих устройств вопросы электромагнитной совместимости не учитывались.
Цифровые реле обладают многими новыми
свойствами, в том числе непрерывной самодиагностикой, памятью, высокой
точностью, малыми габаритами при больших функциональных возможностях.
Однако и для самых современных цифровых РЗ сохраняется
необходимость выбора характеристик и параметров срабатывания, чтобы затем
установить на реле соответствующие "уставки" по току, времени,
напряжению и т.д. При этом сохраняются традиционные требования к РЗ:
- селективность, обеспечивающая
отключение только поврежденной части электроустановки;
- быстродействие, не допускающее
серьезных повреждений электрооборудования и обеспечивающее устойчивость
параллельной работы синхронных электрических машин;
- надежность, предотвращающая излишние
срабатывания РЗ - например при неопасных перегрузках);
- чувствительность в основной и
резервных зонах, обеспечивающая действие РЗ при любых коротких замыканиях,
когда имеется необходимость отключения электроустановки.
Выбранные в результате расчетов характеристики и
параметры срабатывания РЗ должны обеспечить выполнение этих требований. Однако
очень часто эти требования вступают в противоречие друг с другом, как например,
селективность и быстродействие, надежность несрабатывания при допустимых
перегрузках и чувствительность при удаленных КЗ. Расчетчик уставок должен уметь
находить разумный компромисс.
Преимущества цифровых реле
Для производителей изготовление цифровых реле
значительно проще, чем аналоговых, особенно электромеханических, поскольку
производство и контроль качества цифровых реле максимально автоматизированы.
Для потребителей цифровые реле также привлекательны, так как обладают рядом
уникальных достоинств. В первую очередь надо отметить уже упоминавшуюся
непрерывную самодиагностику, которая обеспечивает высокую надежность
срабатывания и несрабатывания этих реле и позволяет существенно сократить
объемы и сроки периодических профилактических проверок защитных устройств.
Цифровые РЗ при умелом использовании их
характеристик обеспечивают отключение КЗ более быстрое, чем это могут сделать
электромеханические зашиты. Для электрических машин цифровые реле позволяют
дополнительно осуществить так называемые "профилактические" защиты от
опасных ненормальных режимов, предотвращающие возникновение КЗ. Вместе с
высокой надежностью срабатывания эти возможности цифровых реле помогают снизить
величину ущерба от недоотпуска электроэнергии потребителям и затраты на
обслуживание и ремонт электрооборудования.
Цифровые реле, выполненные на компьютерной
элементной базе, органично входят в современную цифровую АСУ электроустановок,
как ее нижний уровень. Эти реле-терминалы обеспечивают не только защиту от КЗ и
ненормальных режимов, но и управление коммутационными аппаратами, регистрацию
параметров нормальных и аварийных режимов, учет электроэнергии, передачу данных
на верхний уровень АСУ и прием приходящих команд.
Производство микропроцессорных устройств серии SPAC
Наиболее широкое распространение на
энергопредприятиях России получила МПРЗ SPAC.
Элементная база устройств серии SPAC,
в основном, состоит из высоконадежных компонентов ведущих западных фирм. Каждый
используемый элемент проходит обязательный входной контроль. По каждой позиции
комплектации, для обеспечения своевременных качественных поставок по
минимальным ценам, обязательно наличие нескольких поставщиков.
Изделия собираются с применением двойной системы
контроля:
- обычная - операции контроля по
техпроцессу;
- дополнительная - каждая операция
проверяется исполнителем последующей операции (в некоторых случаях -
перекрестно) с указанием замечаний в сопроводительном листе.
Вся информация о производственном процессе и
выявленных дефектах собирается и анализируется на основании листов
сопровождения выполнения технологических операций. По результатам анализа
принимаются меры по улучшению качества выполнения как отдельных операций, так и
изделий в целом.
Автоматизирована пайка печатных блоков. Качество
пайки электронных компонентов на печатных платах, обеспечивается с помощью
автоматизированной, оснащенной компьютером, установки пайки "волной"
фирмы "Seho"
(Германия), Основные оптимальные параметры режима пайки - скорость подачи и
температуру, в зависимости от плотности печатного монтажа, выбирает компьютер
установки. При пайке используются расходные материалы (припой, безпромывочный
флюс, защитная паста) производства фирмы "Multicore".
Контроль производится с помощью программы
тестирования, которая определяет в какой последовательности проводить тесты, с
какими начениями сравнивать результаты измерений и какова логика оценки
результатов сравнений, Устройство SPACONT,
в сочетании с новой испытательной системой "Реле - Томограф - 41" и
персональным компьютером, обеспечивают качественно новые возможности проверок
характеристик нашей продукции - устройств релейной защиты и автоматики - как
при проведении приемо-сдаточных испытаний, так и при выполнении операций
калибровки и регулировки.
Управление выключателем и диагностика
Предусмотрено три режима управления
выключателем: кнопками на лицевой панели устройства, внешними ключами
управления и от АСУ. Выбор режима управления (внешними ключами или от АСУ)
производится ключом "М/Д" или настройкой программируемых
переключателей. Управление с лицевой панели может быть разрешено/запрещено из
"меню" при задании уставок релейным персоналом.
Терминалы производят вычисления остаточного
коммутационного и механического ресурса выключателя по известным заводским
параметрам. Износ выключателя определяется для каждой фазы в отдельности по
регистрируемым величинам токов аварийных режимов, остаточный ресурс выводится в
% от нормируемого заводского ресурса. Ресурс выключателя задаётся в виде кривой
с указанием нормируемого количества циклов отключений в диапазоне токов (10
диапазонов).
Производится постоянный контроль целостности
цепей управления, а также дополнительно контролируются времена включения и
отключения выключателя. Для элегазовых выключателей предусмотрены цепи
сигнализации и блокирования действия выключателя при снижении давления элегаза,
а также контроль цепей управления вторым электромагнитом отключения.
Индикация и регистрация
Устройство производит постоянный контроль
целостности цепей управления, а также дополнительно контролируются времена
включения и отключения выключателя. Для элегазовых выключателей предусмотрены
цепи сигнализациии блокирования действия выключателя при снижении давления
элегаза, а также контроль цепей управления вторым электромагнитом отключения.
Индикация токов и напряжений производится в первичных величинах, для чего при
задании уставок вводятся коэффициенты трансформации измерительных
трансформаторов тока и напряжения.
Реализованные в устройстве токовые защиты имеют
расширенный диапазон уставок от 0,1Iном. Также есть независимый
высокочувствительный орган тока УРОВ.
В устройство включен аварийный осциллограф с
возможностью записи 8 аналоговых (4 тока и 4 напряжения) и до 64 дискретных
сигналов. Информация о событиях, аварийные значения токов, напряжений и
осциллограммы имеют метку времени с полной датой. Устройства сохраняют
сигнализацию, события, уставки и осциллограммы при потере питания.
Устройства могут применяться на объектах с
переменным или выпрямленным оперативным током без резервирования. Устройство
обеспечивает время готовности не более 0,3 с. Устройства позволяют реализовать
защиту секции шин, для чего предусмотрены функции индивидуального УРОВ и
"логическая защита шин". Такие меры позволяют отключать секцию при
отказе выключателя или наличии на ней повреждения с временем действия не более
0,25 с. Устройства имеют низкое входное сопротивление входных дискретных цепей,
благодаря чему обеспечивается сигнализация замыканий на землю в цепях
оперативного тока общестанционной системой контроля изоляции, а также
повышается надёжность работы приёмных цепей вследствие гарантированного пробоя
оксидной плёнки на контактах промежуточных реле.
Вся информация об уставках, событиях, а также
дополнительных параметрах выводится на 4-х строчный (по 16 символов в строке)
ЖКИ дисплей с русским "меню". Сигнализация пуска, срабатывания
ступеней защит и автоматики выводится на 16 свободно программируемых
светодиодов. Сигнализация положения выключателя производится лампами красного и
зелёного цвета, которые располагаются рядом с кнопками "Включить",
"Отключить".
Индикация токов и напряжений производится в
первичных величинах, для чего при задании уставок вводятся коэффициенты
трансформации измерительных трансформаторов тока и напряжения. Информация о
событиях, аварийные значения токов и напряжений содержит метку времени с полной
датой. Устройства сохраняют сигнализацию, события, уставки и осциллограммы при
потере питания.
Интеграция в АСУ технологического процесса
Одним из недостатков устройств SPAC
800 было наличие всего одного порта связи, что создавало неудобства при
обслуживании устройств. В новой серии предусмотрено до 3-х портов связи.
Расширены возможности по интеграции устройств SPAC
810 в новые и существующие системы АСУ за счёт применения стандартного
международного протокола обмена IEC
870-5-103
и традиционно используемого протокола SPA.
Конструктивное исполнение
Терминалы серии SPAC 800 выполнены в виде
двухяpусной 19" кассеты европейского стандарта. Гибкая конфигурация по
аппаратной части позволяет оптимизировать ценовые показатели для реализации
систем РЗА на различных объектах. В минимальной конфигурации устройство
выполняет все необходимые функции по управлению выключателем, функциям защит,
сигнализации, автоматики. Для выполнения более сложных схем (вводной
выключатель, секционный выключатель, мощные двигатели и т.п.) используются
терминалы с большим количеством входных и выходных цепей и, соответственно,
более сложные схемы в части автоматики, блокировок, управления.
Устройствами серии SPAC
800 защищаются присоединения секций собственных нужд. Ячейки трансформаторов
6/0,4 кВ оснащаются терминалами SPAC
801-111, защита двигателей выполняется с использованием терминалов SPAC
802. Защиту питательных насосов обеспечивают устройства SPAC
803 с использованием основной дифференциальной защиты и комплекта резервных
защит. Защита и автоматика двухскоростных двигателей выполняется на устройствах
SPAC 802-104. Для
защиты рабочих и резервных вводов в дополнение к устройствам SPAC800
предусматриваются комплекты дистанционной защиты на базе терминалов REL511.
Защита рабочих и резервных ТСН выполняется с использованием дифференциальных
реле RET 316*4 и
комплекта резервных зашит.
Основные достоинства МПРЗ серии SPAC:
- многофункциональность;
- местное и дистанционное управление.
Возможность интегрирования в систему управления
верхнего уровня. Прием сигналов от внешних защит с последующим действием на
отключение.
Назначение
Комплектные устройства защиты, управления и
автоматики распределительных сетей серии SPAC 800 (терминалы) выполнены на
микропроцессорной элементной базе и предназначены для защиты и автоматики
присоединений комплектных распределительных устройств (КPУ). Терминалы
выполняют функции местного или дистанционного управления, защиты, автоматики,
измерения, сигнализации, а также необходимые блокировки. Фидерные терминалы
являются интерфейсными устройствами нижнего уровня для построения системы
управления энергообъектов (АСУ ТП). Терминалы входят в семейство SPACOM и
совместимы с комплексной системой защиты и управления концерна АВВ.
Рисунок 1 - Вид сзади и расположение клемм на
терминале SPAC 800
Индикация и регистрация
Терминалы осуществляют индикацию текущих и
аварийных значений токов, уставок и сработавших каналов на цифровом дисплее и
индикаторах.
В памяти сохраняются параметры пяти последних
аварийных событий, позволяющие анализировать и оценивать повреждения, а также
учитывать ресурс оборудования
Терминалы сохраняют сигнализацию при потере
питания.
Общие технические характеристики терминалов
|
Напряжение
оперативного постоянного или выпрямленного переменного тока
|
(88...242)
В
|
|
Потребляемая
мощность
|
не
более 25 Вт
|
|
Потребляемая
мощность по цепям переменного тока:
|
цепи
МТЗ
|
Параметры соответствующие МЭК
|
Электрическое
сопротивление изоляции
|
100
Мом при пост. напряжении 500 В
|
|
Испытательное
напряжение между входными и выходными цепями и между цепями и корпусом:
|
для
проверки сопротивления изоляции
|
|
импульсное
испытательное напряжение
|
2000
В, 50 Гц, 1 мин
|
Климатические условия
|
Диапазон
рабочей температуры
|
(-25...+55)°С
|
|
Диапазон
температуры хранения
|
(-40...+70)°С
|
|
Влажность
|
95%
|
|
Масса
устройства
|
не
более 8,5 кг
|
Функциональная схема терминала SPAC
800
Измерительно-вычислительная функциональная часть
терминала содержит измерительные преобразователи ИП (Чертёж - 4,рисунок - 1) -
вторичные (входные) измерительные трансформаторы фазных токов TAL
и тока нулевой последовательности TALo,
нагруженные на балластные резисторы Rб,
и вычислительный модуль SPCJ
4D28, выполняющий
функции программных устройств защитного отключения.
Логическая часть реализуется программным блоком
управления L2210 (Чертёж - 4,
рисунок - 2). Он формирует алгоритмы функционирования автоматики повторного
включения выключателей АПВ и резервирования отказов их действия на отключение
УРОВ, обеспечивает взаимодействие токовой защиты и АПВ, а именно ускорение ее
действия УСК, до и после АПВ осуществляет самодиагностику терминала, выполняет
функции управления выключателем внешними воздействиями, от ключа оператора, от
АСУ и автоматики ограничений изменений режимных параметров.
Исполнительная часть представляет собой
релейно-контактный блок выходов, цепи от контактов электромагнитных реле
(герконов) которого выведены на штепсельные разъемы Х15-Х17. Обмотки реле
подключаются к выходам блока управления логическими операциями И (DX2,
DX5-DXN)
с ключом SG1.8
готовности цепей управления. Цепи входных дискретных сигналов заведены на
разъемы X18-X19
(Чертёж - 4, рисунок - 1).
К контактам разъема ХО проводятся вторичные токи
первичных измерительных трансформаторов фазных токов и тока нулевой
последовательности (на схеме не обозначены). К соответствующим контактам
разъемов ХО подключены указанные вторичные (входные) измерительные
преобразователи токов в напряжения.
Через макси-селектор max
наибольшее по амплитуде напряжение на резисторах Rб,
пропорциональное соответствующему фазному току, и напряжение, пропорциональное
току нулевой последовательности, поступают в вычислительный модуль.
По соответствующим программам вычислительный
модуль производит сравнение преобразованных АЦП (па схеме не обозначен)
указанных напряжений с установленными значениями, определяемыми уставками токов
срабатывания трехступенчатой токовой защиты ТЗ (программные измерительные реле
максимального тока KAl-KА3)
от междуфазных КЗ, двухступенчатой (реле КА5, КА6) - от замыканий на землю и
защиты (реле КА4) от несимметричных режимов работы и обрывов фаз.
Задержки срабатывания первых ступеней, выдержки
времени второй ступени защиты от КЗ создаются таймерами микропроцессоров DT1,
DT2, DT4,
DT5, а
обратнозависимых от токов выдержек времени третьей ступени защиты от КЗ и
второй ступени защиты от однофазных замыканий на землю вычисляются но заданным
аналитическим соотношениям: вычислительные операции условно обозначены на схеме
элементами времени DТ3 и DT6.
Выходные сигналы SS1-SS3
и ТS1, TS2
(рис. 1) вычислительного модуля о срабатывании указанных защит поступают в блок
управления (рис. 2). По цепям дискретных входных сигналов в блок управления
поступают сигналы от фототиристорного датчика электродуговой защиты КРУ и
газового реле защиты трансформатора, автоматической частотной разгрузки АЧР,
ключа ввода в действие АПВ, команды от ключа управления включением РКВ и
отключением РКО, сигналы от вспомогательных сигнальных контактов выключателя
для релейного фиксирования его включенного РПВ и отключенного РПО состояний,
сигнального контакта автоматического выключателя шин питания ШП, команды
переключения управления выключателем с местного на дистанционное и сигнал
запрета действия (блокировки).
Блок управления программными логическими
операциями, зафиксированными в ПЗУ микроЭВМ и условно обозначенными на рис. 2
соответствующими логическими элементами, формирует сигналы управления
выключателем, воздействующие на выходные герконы KLl.2,
KLl.3, KL2.3
и KL2.4. Сигналы
информации поступают на светодиоды VD1-VD8,
четырехразрядный цифровой индикатор (на схеме не показан), электромагнитные
реле дискретных выходных сигналов и на оптоэлектрический преобразователь (рис.
1) волоконно-оптической линии связи ВОЛС с вышестоящими уровнями АСУ.
Блок управления осуществляет автоматическое
тестирование и самодиагностику терминала с выдачей сигналов о неисправностях.
Логические алгоритмы устанавливаются набором
ключей SG1-SG4
(рис. 2), расположенных, как и ключи уставок SG1-SG10
программных измерительных реле, на передней панели терминала.
Воздействие на отключение
выключателя выдается возбуждением геркона KL1.2
сигналом, формируемым логическими операциями DW1, DX1 (рис. 1), DW2-DW5 и
- операция
ЗАПРЕТ (рис. 2). Через DW2 проходят сигнал ТS2 от первой
(KА1) и второй
(KА2) ступеней
токовой защиты (цепь 2), сигналы от газовой зашиты (цепь 6) и цепи 10 внешнего
отключения. При необходимости (ключ SG1.7) они
запоминаются по обратной связи DW4 (для отключения с
"защелкой"): память снимается кнопкой SB.
Сигналы отключения через DW5 также с
запоминанием по обратной связи через
(при отсутствии логической единицы
в цепи 25 от РПО - выключатель отключен) и операцию DX2 блока
выходов, контролирующую готовность выходных цепей (ключ SG1.8),
воздействуют на электромагнитное реле KL1.2
отключения.
Операциями DX1, DW3 и DW5
разрешается прохождение сигналов отключения SS1 (цепь 4):
- от второй (KА2)
ступени токовой защиты с ускорением (с небольшой задержкой DT8)
логической единицей цепи 13 инверсного выхода элемента памяти DS1
сигнала от РПО, снимающего ускорение через tуск
= 1 с после отключения выключателя - логическая единица ключа SG1.2
цепи 18: ускорение вводится при включении выключателя от ключа управления (на
случай его включения на КЗ);
- от ключа управления - реле команды отключения
РКО (цепь 1) при отсутствии логической единицы на инверсном входе
от ключа
"местное/дистанционное" управление;
- от противоаварийной автоматики (цепь 7 с ключом
5(71.5), в частности от АЧР (цепь 3);
- от фототиристорного датчика электродуговой
защиты (цепь 8), проходящего через
(цепь 9) на вход DW3 (при замкнутом
SG1.6) при
условиях срабатывания второй ступени (КА2) токовой защиты (единица SS1 в цепи 4 с
инверсией DU1 (НЕ) и
замкнутым SG3.2, -
операция DW7):
логический нуль, обусловленный инверсией на входе DW7, снимает
запрещающую единицу с инверсного входа
) при отсутствии логической единицы
на инверсном выходе контакта X19 : 7 входного разъема (цепь 19,
замкнут SG3.1); первое
из указанных условий - это пуск электродуговой защиты по току, а второе -
отсутствие ее блокировки внешним сигналом (и блокировки других защит -
инверсные входы элементов времени DT1-DT6).
При этом по цепи 9 через DW10
выдается сигнал (светодиод VD5)
о действии электродуговой защиты; светодиод зажигается и при неисправности
(пробое) фототиристориого датчика операцией DX3
(цепь 24, элемент времени DT14)
при длительном (свыше 10 с) единичном сигнале в цепи 8 в нормальном режиме,
когда сигнал SS1 от токовой
защиты соответствует логическому нулю (на выходе DU1
и DW7 логическая
единица); при этом через DW8,
DT12, DW9
и ключ SG3.6
возбуждается выходное реле KL1.6
предупредительной сигнализации.
Третья (KA3)
ступень токовой зашиты от междуфазных КЗ с обратно зависимой от тока выдержкой
времени DT3 (сигнал ТS1,
цепь 23) действует на сигнализацию о перегрузке и на отключение, возбуждая
выходные электромагнитные реле KL1.6
- через DW9 длительно
или (ключ SG2.6) в
течение импульсного сигнала формирователя F2,
и соответственно KL2.3,
при этом через DW13
возбуждается и реле KL1.7
общей сигнализации о срабатывании защит.
Вторая ступень (KА5,
DT5) защиты от
однофазных замыканий на землю (сигнал SS2,
цепь 5) может действовать на отключение (в положении 1 ключа SG3.7)
с дополнительной задержкой DT15,
возбуждая выходное реле KL2.4,
или на предупредительный сигнал: возбуждается репе KLl.6
и загорается светодиод VD4.
При отказе выключателя в действии на отключение
КЗ формируется воздействие на отключение предыдущего неповрежденного
присоединения УРОВ: возбуждается выходное электромагнитное реле KL1.4
через DW1, DT7
и ключ SG1.1 (цепь
17) или сигналом TS2
(цепь 2) первой и второй ступеней токовой защиты, или при введенном ускорении
действия защиты (цепь 18), или при внешнем отключении (цепь 10, ключ SG1.3).
Автоматика повторного включения выключателя,
отключенного защитой, АПВ или автоматической частотной разгрузкой - частотное
повторное включение ЧАПВ, действует при отсутствии сигнала ЗАПРЕТ (операция DX5)
от DW6 (ИЛИ) на
отключение от:
- первой ступени (KА1)
токовой защиты (сигнал SS3
цепи 16);
- цепи 17 УРОВ;
- реле РКО команды на отключение
ключом управления (цепь 1);
- газовой защиты трансформатора (цепь
6 при включенном SG2.4);
- электродуговой защиты (цепь 9 при
включенном SG2.2);
- внешней противоаварийной автоматики
(цепь 7 при включен ном SG2.1);
- цепи внешнего отключения (цепь 10
при включенном SG2.3).
Автоматическое повторное включение производится
по сигналу Пуск, формируемому при несоответствии состояния выключателя -
отключен: логические единицы от РПО и положения ключа управления -
зафиксирована команда на включение выключателя. Сигнал Пуск формируется
операцией DX8 при
наличии логических единиц:
- на выходе элемента DS1
(цепь 13) в течение обозначенного на схеме времени (tуск
= 1 с) запоминания им логической единицы от сигнального контакта выключателя,
поступающей при его отключении на РПО;
- от реле фиксации команды включения
выключателя ключом управления РФК (цепь 21) - сигнал готовности Гот;
- на выходе DWII
от ключа управления АПВ (цепь 14) - сигналразрешения Разр.
Ключом SG2.6
через DW11 может
разрешаться повторное включение внешней противоаварийной автоматикой (цепь 7),
в частности ключом SG2.5
- автоматикой частотной разгрузки (цепь 3).
Программное реле AKS
повторного включения двукратного действия. Второй цикл АПВ2 вводится ключом SG2.7.
Повторные включения выключателя производятся с выдержками времени таймеров DT1
(АПВ1), DT2 (АПВ2) и DT3
(ЧАПВ) - через DW12.
Время готовности АПВ к новому действию 20 с.
Прохождение сигнала АПВ или (операция DW12)
сигнала дистанционного управления включением (цепь 15) контролируется операцией
DX6 наличия питания
(цепь 11) и отсутствия на инверсном входе DX6
логической единицы от реле блокировки от многократных включений РБМВ
выключателя. Формирователем F3
и операцией DX9 сигналов
по цепям 21 (от РФК) и 25 (от РПО) возбуждается реле KL2.5
сигнализации об аварийном отключении выключателя в цикле АПВ.
Воздействие на включение выключателя выдается
электромагнитным реле KL1.3,
возбуждаемым на достаточное для включения время формирователем импульса F1
при готовности цепей управления (операция DX5
и включенный ключ SG1.8).
На схеме (рис. 2) показаны светодиоды VD1-VD8,
расположенные на лицевой панели терминала, местной индикации и электромагнитные
реле блока выходов, формирующие внешние (обозначенные на схеме) сигналы
информации о функционировании терминала. Условно обозначен и программный
контроль его исправности.
Применение
Терминалы применяются в схемах вторичной
коммутации для использования в качестве основных и резервных защит
энергообъектов напряжением 6 (10) кВ. Используются для защиты и автоматики
кабельных и воздушных линий, трансформаторов малой и средней мощности,
синхронных и асинхронных двигателей различной мощности, реакторов и других
присоединений.
Один терминал заменяет большое количество
электрических аппаратов (измерительные, сигнальные, выходные и другие
электромеханические реле).
Область применения:
- электрические станции и подстанции;
- промышленные предприятия;
- предприятия нефтегазового комплекса;
- предприятия коммунального хозяйства
и др.
Объекты применения:
- комплектные трансформаторные подстанции;
- ячейки КРУ 6 (10) кВ (в т.ч. и
модернизируемые);
- камеры КСО 6 (10) кВ;
- распределительные устройства;
- низковольтные комплектные устройства
и др.
Современные технологии SPAC-800.
Уже хорошо известны специалистам и пользуются растущим спросом у ведущих
отечественных энергетических и нефтегазовых компаний. В эксплуатации находится
более 7 000 устройств SPAC
800 для сетей 6-35 кВ, а также около 1000 шкафов РЗА для сетей 110…750 кВ.
Только за этот год предприятие выпустит более 2000 устройств SPAC
800 и более 300 шкафов со сложными защитами. Такой спрос свидетельствует о
качестве выпускаемой продукции и наличии спроса на микропроцессорную (МП)
технику.
Наиболее массовая продукция - терминалы защиты и
управления SPAC 800
выпускаются уже более 7 лет. За эти годы потребители МП техники убедились в её
преимуществах по сравнению с традиционной электромеханической техникой РЗА,
несмотря на сравнительно высокие цены. Опыт показывает, что качественно
проведённые работы по проектированию, наладке и соблюдение условий эксплуатации
устройств являются гарантией надёжной и долговременной работы МП устройств SPAC
800.
Следует признать, что в целом отношение к МП
технике положительное, о чём свидетельствует ряд решений РАО "ЕЭС России"
по применению на вновь строящихся объектах новой техники взамен традиционных
устройств РЗА. Конечно, первые годы эксплуатации выявили некоторые упущения и
недоработки, которые в целом не испортили положительного впечатления от МП
устройств РЗА. Актуальная потребность в МП устройствах РЗА привела скорее не к
количественному, а качественному росту техники, что послужило толчком для
коренной модернизации устройств SPAC
800, проводимой в настоящее время.
Безопасность и
экологичность
Электрическая энергия является
главной из всех видов энергии, которая используется во всех сферах
производства. Причем с ростом уровня научно - технического прогресса она все
более глубже проникает в жизнь человека, становясь не заменимой как в
производстве, так и в быту. Поэтому жизнь без электрической энергии на
сегодняшний день просто не мыслима.
Электрическая энергия является наиболее
универсальным видом энергии. Она очень просто и экономично преобразуется в
другие виды энергии - тепловую, механическую, световую и т.д. она находит
значительное применение в устройствах автоматики, электроники, без которых
немыслимы современные аппараты и технические сооружения.
Всё вызывает необходимость опережающих темпов
развития энергетики и электрификации, непрерывного роста производства электроэнергии
и тепла.
Главная задача данной работы
является обеспечение непрерывной и высокого качества электроэнергии. В данном
проекте рассматриваются следующие вопросы безопасности.
1
Идентификация и анализ опасных и вредных факторов условий и причин их проявления
в электроустановках
Работы, выполняемые на
подстанции, относятся к категории работ с повышенной опасностью, требующих
больших физических и нервно-психических затрат в связи с повышенной
ответственностью обслуживающего персонала за надежность электроснабжения и
сохранность сложного и дорогостоящего оборудования. Кроме того, персонал, обслуживающий электроустановки, особенно
ремонтный и оперативный (дежурный), в процессе осмотров, ремонтов и монтажа
электрооборудования подвергается опасностям поражения электрическим током,
падения с большой высоты, вредного воздействия электрических полей,
электромагнитных излучений, различных химических веществ, неблагоприятных
климатических условий и др.
Самым опасным
фактором, связанным с опасностью поражения электрическим током является то, что
наличие напряжения на токоведущих частях не обнаруживается органами чувств
человека на расстоянии без применения специальных приборов.
Территория ОРУ-110
кВ согласно ПУЭ относится к категории особо опасных территорий из-за наличия
двух условий повышенной опасности это: первое - наличие земляных
(токопроводящих) полов на территории распределительного устройства; второе -
возможность одновременного прикосновения человека к имеющим соединение с землей
металлоконструкциям зданий, механизмам, с одной стороны и к металлическим
корпусам электрооборудования - с другой.
Электропитание
подстанции осуществляется переменным током частотой 50 Гц, по линиям 110 и 10
кВ. Электрические сети напряжением 110 кВ и выше выполняются только с глухозаземленными
нейтралями. Сеть напряжением 10 кВ с изолированной или компенсированной
нейтралями, данные сети являются более опасными в отношении поражения
электрическим током.
Опасная зона,
обусловленная радиусом воздушного промежутка вокруг токоведущих частей
находящихся под напряжением, согласно Правилам техники безопасности (ПТБ) /22/
регламентируется в зависимости от класса напряжения следующими допустимыми
расстояниями (таблица 1).
При несоблюдении
указанных расстояний возникнет опасность поражения электрическим током,
электрическая дуга может пробить оставшийся промежуток и это послужит либо
причиной аварии и неисправностью электрооборудования, либо, если допустимое
расстояние человек нарушил частью тела, это будет причиной его травмирования
или смерти.
Таблица 1 -
Допустимые расстояния до токоведущих частей, находящихся под напряжением
В метрах
|
Напряжение, кВ
|
Расстояние от людей и применяемых ими инструментов и
приспособлений, от временных ограждений
|
Расстояние от механизмов и грузоподъемных
машин в рабочем и транспортном положении, от стропов, грузозахватных
приспособлений и грузов
|
|
До 1
|
На
ВЛ
|
0,6
|
1,0
|
|
В остальных электроустановках
|
Не нормируется (без прикосновения)
|
1,0
|
|
10
|
0,6
|
1,0
|
|
110
|
1,0
|
1,5
|
Исход поражения в
таких случаях зависит от различных факторов. Причиной поражения человека может
оказаться также нарушение расстояния до токоведущих частей от механизмов и
грузоподъемных машин.
Факторами,
усугубляющими исход электропоражения являются: продолжительность воздействия
тока на тело человека (по мере увеличения времени воздействия повышается
степень тяжести травмы и риск летального исхода); повышенная температура
окружающей среды, влажность воздуха, сырые полы в помещении; играет
значительную роль фактор внезапности действия тока; индивидуальные свойства
человека, квалификация человека также сказывается на результатах воздействия
тока, опыт и умение правильно оценить степень возникшей опасности и применить
рациональные приемы освобождения себя от действия тока часто оказываются
решающими аргументами, опытный электротехник быстрее сориентируется в ситуации
и сможет свести опасность поражения к минимуму или устранить ее
заблаговременно.
Повышенной
восприимчивостью к электрическому току обладают лица, страдающие рядом
заболеваний, в первую очередь болезнями кожи, сердечнососудистой системы,
органов внутренней секреции, легких, нервными болезнями и др. В связи с этим
Правила техники безопасности предусматривают обязательное медицинское
освидетельствование персонала, обслуживающего действующие электроустановки, как
при поступлении на работу, так и периодически 1 раз в 2 года.
Электрический ток,
проходя через организм человека, производит термическое, электролитическое и
биологическое действия:
термическое
действие тока проявляется в ожогах отдельных участков тела, нагреве до высокой
температуры кровеносных сосудов, нервов, сердца, мозга и других органов, что
вызывает в них серьезные функциональные расстройства.
электролитическое
действие тока выражается в разложении органической жидкости, в том числе и крови,
что вызывает в них серьезные функциональные расстройства.
биологическое
действие тока проявляется в раздражении и возбуждении живых тканей организма, а
также в нарушении внутренних биоэлектрических процессов, протекающих в
нормально действующем организме и теснейшим образом связанных с его жизненными
функциями.
Кроме того, при
поражении электрическим током он вызывает следующие электрические травмы:
металлизация кожи -
проникновение в верхние слои кожи мельчайших частичек металла, расплавившегося
под действием электрической дуги.
электрические
знаки, представляют собой резко очерненные пятна серого или бледно-желтого
цвета на поверхности тела человека, подвергшегося действию электрического тока.
Обычно знаки имеют круглую или овальную форму и размеры 1 - 5 мм с углублением
в центре.
электроофгальмия -
это поражение глаз вследствие воздействия ультрафиолетового излучения
электрической дуги или ожогов.
электрический шок -
своеобразная тяжелая нервно рефлекторная реакция организма в ответ на
чрезмерное раздражение электрическим током, сопровождающаяся глубокими
расстройствами кровообращения, дыхания, обмена веществ и тому подобное. Шоковое
состояние длится от нескольких десятков минут до суток.
Основными условиями
поражения электрическим током в электроустановках являются:
доступ к открытым
токоведущим частям (нарушение изоляции, отсутствие ограждения) и приближение на
опасное расстояние;
случайное появление
напряжения на металлических корпусах и кожухах электрооборудования (нарушение
изоляции);
- случайное
появление силового напряжения (в результате короткого замыкания на землю);
случайное появление
напряжения на отключенных токоведущих частях (в следствии ошибочных действий
персонала, обратной трансформации, остаточных емкостных токов).
Причины поражения можно
разделить на:
технические причины
(проектные), ошибки при проектировании и конструировании;
- технологические
причины - связаны с нарушением технологии эксплуатации;
-
санитарно-технические причины;
-
организационно-технические - неправильная организация работы,
неквалифицированное обучение;
психологические
причины - несовместимости человека и машины, несовместимости членов бригады.
Согласно ГОСТ
12.1.038 - 83 ССБТ наибольшие предельно допустимые уровни напряжения
прикосновения и тока, продолжительность их воздействия на организм человека
составляют:
в нормальном режиме
напряжение прикосновения Uпр = 2 в, I = 0,3 мА;
в аварийном режиме
- в соответствии с таблицей 2.
Таблица 2 -
Предельно допустимые уровни напряжения прикосновения в аварийном режиме
|
Продолжительность воздействия тока тв , с
|
0,1
|
0,2
|
0,5
|
0,7
|
1,0
|
3,0
|
|
Наибольшее допустимое напряжение прикосновении Uпр , В
|
500
|
400
|
200
|
130
|
100
|
65
|
2
Защитные меры и средства, обеспечивающие недоступность токоведущих частей под
напряжением
Для предупреждения случайного
приближения человека, машин и механизмов на опасные расстояния к открытым
токоведущим частям при проектировании подстанции выполняются мероприятия:
Безопасная
планировка и компоновка электрооборудования, которая обеспечивает безопасность
проходов, проездов, рабочих площадок на территориях и в помещениях подстанции;
это выполняется по типовым проектам и государственным стандартам, (ПУЭ, СНиП)
/чертёж 4/.
Ограждения и изоляция открытых
токоведущих частей под напряжением, их расположение на недоступной и безопасной
высоте. Внешнее ограждение подстанции, для предотвращения попадания посторонних
лиц, выполнено железобетонными плитами высотой 2,3 м. Кроме внешнего ограждения
территории подстанции, предусмотрены внутренние ограждения территорий ОРУ (высотой
1,6 м), а также в целях
безопасности выполнения работ используются ограждения рабочего места и
вывешиваются предупредительные плакаты.
На входных воротах
(выездах с подстанции), установлены системы оптической электронной
сигнализации, оповещающая персонал о проникновении на территорию. Кроме того,
предусмотрены механические и электрические замки на всех воротах и калитках. На
дверях зданий и помещений установлены устройства, автоматически отключающие
напряжение при вскрытии опасных зон и проникновении в них человека.
3 Средства и меры безопасности при
случайном появлении напряжения на металлических корпусах электрооборудования и
шагового напряжения
С целью предупреждения
вероятности случайного появления напряжения на металлических нетоковедущих
частях, корпусах, кожухах электрооборудования и шагового напряжения, а также
для снижения степени поражения электрическим током применяются:
Рисунок 1 - Контурное
заземление:
а - график распределения
напряжения прикосновения и напряжения шага в продольном направлении; б - план
размещения заземлителей; в - график распределения напряжения прикосновения и
напряжения шага в поперечном направлении.
- защитное
заземление, расчет приведен в разделе 5. Заземляются металлические корпуса
трансформаторов, приводов разъединителей и выключателей, фундаменты на которых
устанавливается электрооборудование и др.;
- релейная защита,
которая установлена на автотрансформаторах данной подстанции, в частности
(дифференциальная защита, максимальная токовая защита с пуском минимального
напряжения направленная, токовая защита нулевой последовательности), расчет
данных защит представлен в разделе 6, которая срабатывает при различных видах
короткого замыкания и перегрузках;
защита от прямых
ударов молнии выполняется с помощью установленных на территориях ОРУ 110 кВ
защитных молниеотводов высотой 42 метра, а также дополнительных молниеотводов
на здании ЗРУ;
от волн набегающих
с линий электропередач и коммутационных перенапряжений в соответствии с ПУЭ в
цепях силовых автотрансформаторов и измерительных трансформаторов напряжения
установлены ограничители перенапряжения нелинейные (ОПН);
- электрозащитные
средства и инструменты (основные
- изолирующие штанги, указатели высокого
напряжения (УВН), изолирующие клещи; дополнительные
- диэлектрические перчатки, боты, коврики,
изолирующие подставки.
4
Организационные и технические мероприятия по технике безопасности
Цель мероприятий -
обеспечить оптимальный безаварийный режим работы электроустановок и
безопасность обслуживающего персонала в процессе монтажа, оперативного
обслуживания, ремонтов и при испытаниях электрооборудования; предупредить
случайное появление напряжения на отключенных токоведущих частях и случайное
приближение на опасное расстояние к токоведущим частям под напряжение.
Организационными
мероприятиями по обеспечению безопасности работы являются:
выдача нарядов и
распоряжений;
- допуск;
надзор во время
работы;
- перевод на другое
рабочее место;
перерыв в работе и
ее окончание.
Для подготовки
рабочего места при работах со снятием напряжения выполняются в указанном
порядке следующие технические мероприятия:
- производятся
необходимые отключения и приняты меры, препятствующие ошибочному или
самопроизвольному включению коммутационной аппаратуры;
на приводах ручного
и на ключах дистанционного управления коммутационной аппаратурой вывешены
запрещающие плакаты;
проверяется
отсутствие напряжения на токоведущих частях, на которых должно быть наложено
заземление для защиты людей от поражения электрическим током;
накладываются
заземления (включены заземляющие ножи, установлены переносные заземления);
- вывешиваются
предостерегающие и разрешающие плакаты, ограждены при необходимости рабочие
места и оставшиеся под напряжением токоведущие части. В зависимости от местных
условий токоведущие части ограждаются до или после наложения заземлений.
Все работы,
выполняемые на подстанции проводятся по нарядам.
Нарядом является
составленное на специальном бланке задание на безопасное производство работы,
определяющее содержание работы, место, время ее начала и окончания, необходимые
меры-безопасности, состав бригады и лиц, ответственных за безопасность
выполнения работы.
Работы в
действующих электроустановках должны производиться по наряду ремонтным,
оперативно-ремонтным персоналом, а также персоналом строительно-монтажных
организаций (СМО).
Самовольное
производство работ и самовольное расширение рабочих мест, определенных нарядом
или распоряжением, запрещается.
При организации и проведении каких либо работ,
ответственными за безопасность являются:
- выдающий наряд,
отдающий распоряжение с группой допуска V;
- ответственный
руководитель работ, группа допуска V ;
- допускающий,
группа допуска III;
- производитель
работ, группа допуска IV;
- наблюдающий,
группа допуска III;
члены бригады.
Выдающий наряд,
назначает производителя работ (наблюдающего) и членов бригады, определяет
место, содержание, время производства работ и меры по подготовке рабочего
места, обеспечивающие их безопасность.
Право выдачи
нарядов и распоряжений может быть предоставлено лицам из числа
административно-технического персонала предприятия (или его структурных
подразделений).
Право выдачи
нарядов и распоряжений имеют при производстве неотложных работ, в случае
отсутствия лиц имеющих право выдачи нарядов и распоряжений лица с группой IV из дежурного персонала
данной электроустановки.
Ответственный
руководитель работ проверяет перед допуском подготовку рабочего места,
проинструктировав при допуске бригаду и организовывает безопасное выполнение
работы.
Допускающий убеждается
в правильности подготовки рабочих мест и допускает бригаду к работе.
Допускающие
назначаются из числа лиц дежурного и оперативно-ремонтного персонала.
Производитель работ
(наблюдающий)непосредственно должен:
- принять рабочее
место от допускающего, выяснить у него, какие меры приняты при подготовке этих
мест, а в пределах рабочих мест убедиться осмотром в их выполнении;
-
проинструктировать бригаду о мерах безопасности, которые необходимо соблюдать
при выполнении работы;
- обеспечить
выполнение членами бригады необходимых мер безопасности;
- контролировать
исправность и пригодность инструмента, инвентарных средств защиты, такелажных
приспособлений и т.п, а также сохранность установленных на рабочих местах
заземлений, ограждений, плакатов, запирающих устройств приводов.
Ответственность за
безопасность, связанную с технологией работы, является лицо, возглавляющее
бригаду, которое должно входить в ее состав и постоянно находиться на рабочем
месте.
Состав бригады по
численности и квалификации определяется с учетом условий выполнения работы, а
также исходя из возможности обеспечения необходимого надзора за членами бригады
со стороны производителя работ (наблюдающего).
При работе по
наряду бригада должна состоять не менее чем из двух человек: производителя работ
и члена бригады с группой IV или наблюдающего и члена бригады с группой III.
При работах
допускается одно из следующих совмещений:
выдающий наряд:
ответственный руководитель работ, производитель работ, допускающий;
- ответственный
руководителем работ: производитель работ, допускающий;
производитель
работ: допускающий.
Подготовку рабочих
мест и допуск могут производиться только по разрешению (распоряжению) дежурного
или лица административно-технического персонала, уполномоченных на это
указанием руководства предприятия.
Допускающий перед
допуском должен убедиться в выполнении технических мероприятий по подготовке
рабочего места. Убеждаться можно личным осмотром, по записям в оперативном журнале, по
оперативной схеме, по сообщениям дежурных, оперативно-ремонтного персонала и
персонала потребителей.
Производитель работ
проверку подготовки рабочих мест может выполнять совместно с руководителем
работ или с допускающим, а если руководитель
работ не назначен, то только с допускающим.
О проверке
подготовки рабочих мест руководитель (производитель) работ после инструктажа
бригады должен расписаться в предназначенной для этого строке наряда (только
при первичном допуске).
Допуск бригады
разрешается только по одному наряду (распоряжению).
При допуске бригада
должна быть проинструктирована:
- допускающим;
- производителем
работ или руководителем (если он назначен).
Без проведения
инструктажа допуск бригады запрещается.
Допуск производится
после проверки подготовки рабочего места.
При этом
допускающий обязан:
проверить соответствие
состава бригады указанному в наряде;
ознакомить бригаду
с содержанием наряда, указать границы рабочего места, показать оборудование и
токоведущие части к которым запрещается приближаться независимо от того
находятся они под напряжением или нет;
доказать бригаде
отсутствие напряжения показом наложенных заземлений, проверкой отсутствия
напряжения, а в ЗРУ - последующим прикосновением рукой к токоведущим частям.
Оформление допуска
производится подписями допускающего и производителя работ в таблице наряда с
указанием даты и времени допуска.
После допуска
надзор за соблюдением бригадой требований безопасности возлагается на
производителя работ (наблюдающего), который должен вести контроль за всеми
членами бригады, находясь по возможности на том участке рабочего места, где
выполняется наиболее ответственная работа.
Наблюдающему
запрещается совмещать надзор с выполнением работы.
Допускается с
разрешения производителя работ кратковременный уход с рабочего места одного или
нескольких членов бригады. При этом количество членов бригады, оставшихся на
рабочем месте, должно быть не менее двух.
При обнаружении
нарушений Правил ТБ или выявлении других обстоятельств, угрожающих безопасности
работающих, бригада должна быть удалена с рабочего места, по устранении обнаруженных
нарушений бригада с разрешения выдавшего наряд может быть допущена к работе в
общем порядке.
Изменение состава
бригады производится лицом, выдавшим наряд или заменяющим его по должности, а
также вышестоящим лицом из числа административно-технического персонала,
имеющего право выдачи наряда.
При необходимости
замены производителя работ должны быть выданы новый наряд или распоряжение. При
работе по одному наряду на разных рабочих местах одного присоединения, перевод
с одного рабочего места на другое производится дежурным, допускающим или с их
разрешения руководителем работ.
При перерыве в
работе в связи с окончанием рабочего дня бригада должна быть удалена с рабочего
места. Плакаты, ограждения, заземления остаются на своих местах.
Производитель работ
сдаёт наряд допускающему, а при отсутствии последнего оставить в отведенном для
этого месте, например в папке действующих нарядов.
Повторный допуск в
последующие дни выполняет допускающий с оформлением в обоих экземплярах наряда
или с его разрешения руководитель работ. При допуске, выполняемом руководителем
работ или производителем работ, оформление делается в экземпляре наряда,
находящегося у производителя работ.
После полного
окончания работы производитель работ должен удалить бригаду с рабочего места,
снять установленные бригадой временные ограждения, переносные плакаты и
заземления, запереть двери РУ (в случае работы в нем) и сдать наряд
допускающему.
Допускающий после
получения им от производителя работ наряда, в котором оформлено полное
окончание работ, должен осмотреть рабочие места и сообщить лицу, выдавшему ему
разрешение на подготовку рабочих мест и допуск, о полном окончании работ и о
возможности включения электроустановки в работу.
Включать
электроустановку в работу можно только после получения на это разрешения лица,
выдавшего разрешение на подготовку рабочих мест и допуск, или лица, его
сменившего.
Допускающему из
числа оперативно-ремонтного персонала может быть предоставлено право после
полного окончания работы на электроустановке включить ее без разрешения
дежурного, выдавшего разрешение на подготовку рабочих мест и допуск.
Предоставление такого права должно быть записано в строку наряда
"Отдельные указания".
В аварийных случаях
дежурный персонал или допускающий могут включить в работу выведенное в ремонт
электрооборудование или электроустановку в отсутствие бригады до сдачи наряда
при условии, что до прибытия производителя работ и возвращения им наряда на
рабочих местах расставлены лица, обязанные предупредить производителя работ о
том, что электроустановка включена, и возобновление работ запрещается.
5
Обеспечение пожарной безопасности
Пожароопасными
материалами, применяемыми на территории подстанции являются трансформаторное
масло и электроизоляционные материалы (оболочки кабелей, кабельных муфт и др.)
Трансформаторное
масло является горючей жидкостью (ГЖ) с температурой воспламенения 300°С,
температурный предел вспышки:
- нижний 122°С;
- верхний 200°С.
Пожароопасной зоной
называется пространство внутри и вне помещений, в пределах которого постоянно
или периодически обращаются горючие (сгораемые) вещества и в котором они могут
находиться при нормальном технологическом процессе или при его нарушениях.
Классификация
пожароопасных зон имеющихся на территории подстанции:
зоны класса П-III - расположенные вне
помещения зоны, в которых обращаются горючие жидкости с температурой вспышки
выше 60°С или твердые горючие вещества. Такими зонами являются места установки
силовых трансформаторов, трансформаторов собственных нужд и маслонаполненных
трансформаторов напряжения.
Причины возгораний,
пожаров, взрывов в трансформаторах и выключателях.
Причины
электрического характера:
- искрение в
электрических аппаратах и машинах, искрение в результате электростатических
разрядов и ударов молнии;
- токи коротких замыканий
и перегрузок проводников, вызывающие их перегрев до высоких температур, что
может привести к воспламенению их изоляции;
плохие контакты в
местах соединений проводов, когда по причине большого переходного сопротивления
выделяется значительное количество тепла и резко повышается температура;
электрическая дуга,
возникающая между контактами коммутационных аппаратов, особенно при
неправильных операциях с ними, а также при дуговой электросварке;
аварии с
маслонаполненными аппаратами, когда происходит выброс в атмосферу продуктов
разложения масла и смешивание их с воздухом;
перегрузка и
неисправность обмоток трансформаторов при отсутствии надежной защиты.
Причины
неэлектрического характера:
- неосторожное
обращение с огнем, невнимательность при проведении газо-электросварочных работ;
неправильное
обращение с огнем при плавлении кабельных масс и пропиточных составов
газосварочной аппаратурой, паяльными лампами и другими приборами;
курение в
пожароопасных и взрывоопасных помещениях и объектах;
самовоспламенение и
самовозгорание некоторых материалов.
Для профилактики и
предотвращения пожаров в трансформаторах и на территориях ОРУ предусмотрены
следующие средства и системы безопасности:
релейная защита
(газовая защита трансформатора);
противоаварийная и
противопожарная сигнализация;
система
эффективного охлаждения электрооборудования в процессе работы;
средства контроля
за состоянием изоляции, загрязнением и старением трансформаторного масла;
молниеотводы и
защитное заземление, исключающие искрение при электростатических разрядах и
ударах молнии.
Обеспечена
противопожарная планировка и размещение электрооборудования: безопасный подъезд
к зданиям и сооружениям, два и более проходов и выходов из помещений и
территорий ОРУ, подстанции.
Фундаменты под
трансформаторы и другие маслонаполненные аппараты выполнены из несгораемых
материалов.
Для предотвращения
растекания масла и распространения пожара при повреждениях маслонаполненных
силовых трансформаторов выполнены маслоприемники, рассчитанные на полное
поглощение трансформаторного масла, маслоотводы и маслосборник за пределами
территории подстанции, гравийная подсыпка.
Методы и средства
пожаротушения на подстанции:
- дренчерная автоматическая
установка пожаротушения, которая представляет собой автоматическое устройство
пожаротушения, оборудованное
автоматической пожарной сигнализацией;
- пожарные
водопроводы;
углекислотный
огнетушитель ОУ-2, предназначенный для небольших загораний всех видов;
пенный огнетушитель
ОХП-10;
песок, асбестовые
одеяла, противопожарный инвентарь.
6
Экологичность проекта
Проблемы окружающей
среды, связанные со строительством и эксплуатацией подстанции, отрицательно
влияющие на условия жизни человека, нарушающие и уничтожающие сложившиеся в
данной местности экосистемы и биоценозы:
- нарушение ландшафта
за счет застройки территории, производства земляных работ, складирования
топлива и отходов производства;
уничтожение и
нарушение почвенного слоя транспортными, монтажными, землеройными машинами в
процессе строительства, монтажа и эксплуатации подстанции;
- нарушение
материального баланса почвенного слоя вследствие его загрязнения отходами
производства: нефтепродуктами (например, трансформаторным маслом), продуктами
окисления и разложения цветных и черных металлов, изоляционных материалов.
Рассмотрим подробнее
проблему сохранения плодородного слоя почвы.
Почва - это особое
природное образование, обладающее рядом свойств, присущих живой и неживой
природе, которыми она отличается от материнской (почвообразующей) породы. Она
состоит из генетически связанных горизонтов, возникающих в результате
преобразования поверхностных слоев литосферы под совместным воздействием воды,
воздуха и организмов. Плодородие почвы, то есть способность обеспечивать
растения водой и пищей, позволяет ей участвовать в воспроизведении биомассы.
Почва состоит из
твердой (минеральной и органической), жидкой (почвенная вода) и газообразной
(почвенный воздух) составляющих.
Твердая часть почвы
определяет ряд физических, физико-химических и водно-физических свойств. От них
зависит почвенная структура, режим питания растений. Твердая часть почвы
аккумулирует ряд химических элементов, необходимых растениям для их
жизнедеятельности.
Жидкая часть -
почвенный раствор является активным компонентом почвы, который осуществляет
перенос веществ внутри нее, вынос из почвы и снабжение растений водой и
растительными элементами питания.
Газообразная часть,
заполняет поры не занятые водой. Количество и состав почвенного воздуха, в
который входят N2 ,O2 ,CO2 , летучие органические
соединения и прочие не постоянны и определяются характером множества
протекающих в почвах химических, биохимических, биологических процессов.
Под влиянием
факторов почвообразования (климат, материнская порода, растительный и животный
мир, рельеф и географический возраст территории, хозяйственная деятельность
человека) в почве протекают разнообразные процессы, которые объединяются в три
основные группы:
) обмен веществами
и энергией между почвой и другими природными телами;
) процессы
превращения энергии и веществ, происходящие в самом почвенном теле без
перемещения веществ;
) процессы
передвижения веществ и энергии в почве.
Почвенные процессы
протекают в тесной взаимосвязи и взаимозависимости, охватывая всю почвенную
толщину или сосредотачиваясь в отдельных частях. Важную роль в круговороте
веществ в природе, почвообразовании и формировании плодородия играют почвенные
микроорганизмы, для которых естественной средой обитания служит почва.
На каждом гектаре почвенного
слоя содержится более 1 тонны бактериальной массы, обеспечивающей жизнедеятельность
множества растительных, микро- и животных организмов. Эти весьма ценные
природные качества почвы сравнительно легко и быстро уничтожаются в результате
воздействия различных механических повреждений, эрозий и других воздействий со
стороны нооценозов (процессов при строительстве, эксплуатации подстанции).
Процесс же естественного восстановления плодородия почвы очень сложен и
длителен. Например, для восстановления слоя плодородной почвы толщиной 100 мм
требуется 100 лет.
Снятие плодородного слоя почвы,
как один из способов сохранения ее свойств, проводится, как правило, в талом
состоянии в теплый и сухой период года. Плодородный слой почвы снимается как с
территории постоянного отвода (территория подстанции), так и с территорий,
отводимых во временное пользование для размещений временных зданий и
сооружений. Плодородная почва вывозится и складируется в штабеля на специально
отведенном для этого места. Отсюда она используется для рекультивации
сосредоточенных карьеров, территории промышленных площадок, временных дорог,
повышения плодородия малопродуктивных угодий и других сельскохозяйственных
целей. При сооружении проездов для строительных, транспортных и других машин и
механизмов плодородный слой почвы сдвигается в валы на границе полосы отвода.
Для стока поверхностных вод в валах через 40 - 60 м устраивают разрывы шириной
6 - 8 м. Снятие плодородного слоя почвы производится бульдозерами или
автогрейдерами последовательными заходами с перекрытием 0,25 - 0,3 м.
Особое внимание при хранении
плодородной почвы следует обращать на недопустимость ее застойного
переувлажнения, так как в этом случае накапливаются вредные закисные соединения
железа, подвижные соединения алюминия и другие соединения, снижающие плодородие
почвы.
При строительстве подстанции
происходит определенное изменение естественной поверхности земли. Нарушение
земной поверхности приводит к изменениям экологических систем, проявляющимся
через изменение территорий, разделение природного ландшафта, экологического
режима, непосредственное влияние вторгающихся нооценозов и биогеоценозы. В
процессе строительства происходит интенсивная эрозия обнаженных грунтовых
поверхностей, вызывающая засорение земель.
Очередным методом сохранения
плодородного баланса почвы можно добиться рекультивацией выработок.
Рекультивация нарушенных земель
в результате строительства подстанции должна проводится в соответствии с ГОСТ
17.5.1.02-85.
Рекультивационные работы
проводятся в два этапа: технический и биологический. Технический этап
рекультивации производится организацией осуществляющей строительство.
Начинаются они в период строительства, а заканчиваются не позже, чем через год
после их окончания. Техническая рекультивация выполняется непосредственно в
процессе земляных работ или сразу же после освобождения временно занимаемых
земель. Биологический этап включает агрохимические мероприятия по
восстановлению плодородия нарушенных земель, а также непосредственное
возвращение земель к первоначальному виду.
Перечень работ по рекультивации
нарушенных земель составляет:
подготовку поверхности для
снятия растительного слоя (уборку пней, кустарников, камней, рыхление);
снятие плодородного слоя почвы;
нагрузку и транспортировку
плодородных грунтов на рекультивируемую поверхность или во временные отвалы;
выполаживание (создание откосов
с заданными уклонами, при которых возможна биологическая рекультивация);
террасирование (создание
минимально необходимой горизонтальной площадки для проведения биологической
рекультивации);
формирование рекультивационного
горизонта (планировка рекультивационной поверхности);
биологическая рекультивация
(посев многолетних трав, кустарников, лесных культур, повышение почв путем
внесения минеральных удобрений).
Трансформаторное
масло действует на все три составляющие части почвы. Изменяя физико-химические,
водно-физические свойства твердой части почвы, затрудняет снабжение растений
водой и испарение ее растениями. Уменьшается пористость почвы и газообмен между
почвенным воздухом и атмосферой. Трансформаторное масло изменяет состав
почвенного воздуха (возрастает содержание углекислого газа и уменьшается
содержание кислорода). Для исключения вредного воздействия трансформаторного
масла на плодородный слой почвы на подстанции применяются: автоцистерны,
маслобаки, маслопроводы для перевозки, складирования отвода масла; применяют
поддоны при сливе и заливке масла в местах соединения маслопроводов. На
подстанции в целях исключения аварийного разлива трансформаторного масла
ведется жесткий контроль за исправностью маслосистемы.
Особое внимание при
строительстве подстанции, а также ее эксплуатации уделяется контролю за
выбросом цветного и черного металла (испорченных гирлянд изоляторов,
бракованных изделий и др.). Это мероприятие заключается в обеспечении монтажных
площадок металлическими баками, предназначенными для сбора мусора, и
последующей его утилизацией и переработкой.
Исключаем пагубное воздействие
на плодородный слой почвы гусеницами мощных тракторов, осуществляющих какие
либо работы, можно путем применения современной техники с исключительно низким
удельным давлением на единицу площади поверхности, т.е. применением тракторов с
широкими траками, вертолётами и воздушными шарами.
Список использованных источников
1. Герасименко,
А. А. Проектирование районной электрической системы. Учеб. пособие / А. А.
Герасименко, В. М. Таюрский. - Красноярск, КПИ, 1982. - 120 с.
. Неклепаев,
Б.Н. Электрическая часть электростанций и подстанций: Справочные материалы для
курсового и дипломного проектирования: Учеб. пособие для вузов / Б. Н.
Неклепаев, И. А. Крючков. - М.: Энергоатомиздат, 1989. - 608 с.
. Идельчик,
В. И. Электрические системы и сети: Учебник для вузов. / В. И. Идельчик. - М.:
Энергоатомиздат, 1989. - 592 с.
. Планирование
себестоимости передачи электрической энергии: Метод. Указания к выполнению
курсовой работы для студентов специальностей 100200 -
"Электроэнергетические системы и сети" и 210400 - "Релейная
защита и автоматизация электроэнергетических систем" /Сост. Т. И.
Поликарпова. Красноярск: ИПЦ КГТУ, 2001. 39 с.
. Герасименко,
А. А. Приложение к курсовому проекту по электрическим системам и сетям. Учеб.
пособие / А. А. Герасименко, В. М. Таюрский, Л. И. Пилюшенко. - Красноярск.:
Изд. КПИ, 1984. - 52 с.
. Петренко,
Л. И. Электричекие сети. Сборник задач: Л. И. Петренко - Высшая школа, 1976. -
216 с.
. Рожкова,
Л. Д. Электрооборудование станций и подстанций: Учебник для техникумов. / Л. Д.
Рожкова, В.С. Козулин. - М.: Энергоатомиздат, 1987. - 648 с.
. Герасименко,
А. А. Электроэнергетические системы и сети. Расчёты параметров и режимов работы
электрических сетей: Учеб. пособие: В 2ч. Ч. 1 / А. А.Герасименко, Т. М. Чупак.
Красноярск: ИПЦ КГТУ,2004. - 222 с.
. Электрическая
часть станций и подстанций. Конструкции и технические характеристики
высоковольтного оборудования: Методические указания для студентов специальностей
10.01, 10.02, 10.04 при курсовом и дипломном проектировании / Сост. А. А.
Егонский, М. Д. Чижова; КГТУ, Красноярск, 1995. 51 с.
. Гук,
Ю.Б. Проектирование электрической части станций и подстанций: Учеб. пособие для
вузов / Ю.Б. Гук, В.В. Кантан, С.С. Петрова. - Л.: Энергоатомиздат, 1985. - 312
с.
. Смирнов,
А. Д. Справочная книжка энергетика. / А. Д. Смирнов, К. М. Антипов. - М.:
Энергоатомиздат, 1984. - 440 с.
. Правила
устройства электроустановок С-Петербург: Изд. ДЕАН, 2001. -928 с.
. Кочкин,
В.И. Управляемые статические устройства компенсации реактивной мощности для
линий электропередачи / В.И. Кочкин // Электричество. - 2000. - №9. - С. 13 -
19.
. Овчаренко,
Н. И. Автоматика электрических станций и электроэнергетических систем: Учебник
для вузов / Под ред. А. Ф. Дьякова. - М.: Изд-во НЦ ЭНАС, 2000. - 504 с.
. Межотраслевые
правила по охране труда (правила безопасности) при эксплуатации
электроустановок. М.: НЦЭНАС, 2003. - 216 с.
17. Кормилицин,
В. К. Основы экологии. Уч. Пособие / В. К. Кормилицин, М. С. Цицкишвили, Ю. И.
Яламов. - М.: МПУ, 1997. - 368 с.
. Правила
технической эксплуатации электрических станций и сетей РФ. М.: СПО ОРГРЭС,
1996. -308с.
. Охрана
труда в электроустановках / Под ред. Б.А.Князевского. М.: Энергоатомиздат,
1983.-336 с.
20. СНиП
21-01-97. Пожарная безопасность зданий и сооружений. М.: Стройиздат, 1997.
. ГОСТ
17.4.3.04-85. Охрана природы. Почвы. Общие требования к контролю и охране от
загрязнения.
. ГОСТ
17.5.3.06-85. Охрана природы. Земли. Требования к определению норм снятия
плодородного слоя почвы при производстве земляных работ
. СТП
КГТУ 01-02. Общие требования к оформлению текстовых и графических студенческих
работ. Текстовые материалы и иллюстрации. - Красноярск: ИПЦ КГТУ, 2004. - 52 с.
ПРИЛОЖЕНИЕ А
Расчет токов короткого замыкания
А.1 Файл исходных данных
А.2 Результаты расчета токов короткого замыкания
Таблица А.1 - Трехфазное КЗ в узле 8
Таблица А.2 - Однофазное КЗ в узле 8
Таблица А.3 - Трехфазное КЗ в узле 4
Таблица А.4 -Трехфазное КЗ в узле
ПРИЛОЖЕНИЕ Б
Таблица Б.1 - Расчёт максимального режима
Б.2 Минимальный режим
Таблица Б.2 - Расчёт минимального режима
Б.3 Послеаварийный режим
Таблица Б.3 - Расчёт послеаварийного режима
Максимальный режим
Максимальный режим
Минимальный режим
Минимальный режим
Послеаварийный режим
Послеаварийный режим