Организация перевозки скоропортящихся продуктов

  • Вид работы:
    Ответы на вопросы
  • Предмет:
    Транспорт, грузоперевозки
  • Язык:
    Русский
    ,
    Формат файла:
    MS Word
    569,17 Кб
  • Опубликовано:
    2015-05-11
Вы можете узнать стоимость помощи в написании студенческой работы.
Помощь в написании работы, которую точно примут!

Организация перевозки скоропортящихся продуктов

1. СПГ, их классиф-ия, направления перевозки СПГ

Скоропортящиеся грузы - это продукты питания, качество которых при длительном или даже при кратковременном хранении ухудшается.

. по номенклатурным группам Правил перевозок СПГ

мясо и мясопродукты

рыба и рыбопродукты

плодоовощи свежие

продукция молочной, масло-сыродельной и жировой промышленности, яйца

прочие СПГ

. по происхождению: растительные, животные

. по способу обработки: натуральные, переработанные

. по состоянию термической обработки: мороженные, охлажденные, неохлажденные

Направления перевозок:

. Кавказское - фрукты, овощи, вино, мясо, ранняя зелень

. Юго-западное - ягоды, фрукты, растительное масло

. Мурманское - рыба и рыбопродукты

. Дальневосточное - рыба, рыбопродукты, импортные яблоки, бананы, цитрусовые

. Среднеазиатское - фрукты, овощи, бахча, соки

. Астраханское - рыба, рыбопродукты, ранние томаты и арбузы

. Балтийское - рыба, рыбные консервы, импортное мясо, куры, масло растительное, пиво

. Московское и Сибирское - пиво, вино, соки, масло растительное, молочные продукты

2. Исторический обзор

-1870-е - пик перевозок СПГ, т.к. Англия и Франция стали массово вывозить СПГ из колоний. Так как возили морским транспортом, то появилась необходимость создания морских рефрижераторных судов. До этого использовали лед и лед+соль(дольше не тает).

В 1860 году в России создан 1-ый вагон ледник с льдо-соляным охлаждением.

год - США, уч. Дэвис запатентовал вагон-ледник с пристенными карманами.

г. - Машинная система охлаждения с использованием холодильных машин. - Рефрижерация. Создание судна-рефрижератора для перевозки мяса.

г. - Станционный рефрижератор (холодильник) в Мурманске.

г. в России вагон-ледник.

г. - В Астрахани была создана баржа-рефрижератор для перевозки рыбы.

г.- В России впервые в мире был создан контейнер для перевозки СПГ(передвижная камера для охлаждения СПГ Подберезкового), но себестоимость доставки была огромна из-за несовершенного оборудования.

г.-В СССР появляется рефрижераторный п.с. немецкого производства: 23 и 21 вагонные реф. поезда;

-ти и 12-ти вагонные секции; АРВ

г. - Прекращен выпуск вагонов-ледников.

г. - Международный конгресс по холоду.

г. - Международный институт холода.

Структура управления хладотранспортом.

. МПС

.3 департамента:

деп. вагонного хоз-ва (ЦВ)

деп. перевозок (ЦД)

деп. конт. перевозок и ком. работы (ЦМ)

. ЦФТО

. ЦЛ

. ГУП “Реф.сервис”(гос-ое унитарное предприятие)

3. Химический состав СПГ

Химический состав:

. органические вещ-ва (углеводы, жиры, белки, витамины)

. неорганические вещ-ва (вода, миниральные вещ-ва)

Углеводы - главный энергетический источник.

Группы углеводов:

. моносахариды (глюкоза, фруктоза), 2. полисахариды I группы (сахароза, лактоза), 3. полисахариды II группы (крахмал, целлюлоза)

Жиры - смесь сложных эфиров глицерина: 1. растительного происхождения, 2. животного происхождения

Белки - сложные соединения, состоящие в среднем из 20 аминокислот: 1. твердые (волос, ногтей, копыт), 2. жидкие (молока, плазмы, крови), 3. полужидкие (мышц)

и 3 делают продукт скоропортящимся

. набухают, поглощая воду

. свертываются под воздействием высоких t и ионизации воздуха

. теряют влагу

. утрата природной конфигурации белков под воздействием различных факторов

Витамины - низкомолекулярные органические соединения: водорастворимые (В1,В2), жирорастворимые (А)

Ферменты - белковые вещ-ва, вырабатываемые живыми клетками организма.

Кислоты определяют вкус продукта.

Вода - самый распространенное неорганическое вещ-во.

В продуктах вода бывает: внутриклеточной и невнутриклеточной.

Минеральные вещ-ва делятся на: макроэлементы (кальций, фосфор), микроэлементы (цинк, иод, марганец), ультромикроэлементы (ртуть, золото)

Физические св-ва СПГ.

. Механические

) Плотность - отношение массы продукта к его объему;

) Концентрация - совокуп-ть св-в продукта, к-ми можно определить осязание, вязкость;

) Сопр-ие нагрузкам: статич и динам.

. Теплофизические

) удельная теплоемкость - кол-во тепла, необходимое для нагревания и охлажд 1 кг продукта на 1 градус.

) теплопроводность - интенсивность прохождения тепла в массе продукта.

) температуропроводность - ск-ть изменения темп-ры тепли при нагр. или охл.

4)теплосодержиние(энтальпия) - тепловое состояние продукта

. Теплотехнические свойства СПГ

.Удельная теплоемкость.(С) - кол-во тепла, необходимое для нагревания или охлаждения 1 кг. продукта на 1 градус.

С = Св∙φ +Сcв∙(1-φ), (кДж∕кг∙град)

Св - уд. теплоемкость воды.

Ссв - уд. теплоемкость сухих в-в

φ - содержание воды в продукте

Для мороженых грузов:

См = Сл∙φ∙ω+Ссв∙(1-φ) + Св∙(1-ω)∙φ

Сл - уд. теплоемкость сухих веществ

ω - кол-во вымороженной воды

ω = 0 начало вымораживания соков продукта (криоскопическая темп-ра t = от -0,5 до -4,8)

ω = 1 полное вымерзание соков продукта (эвтектическая t (соотв-ет полному замерзанию соков) = от -55 до -60)

. Теплопроводность - интенсивность прохождения тепла в массе продукта.

Закон Фурье:

λ =(ρ∕ρв)∙λсв∙(1-φ) + (ρ∕ρв)∙λв∙φ, (Вт∕м2∙град)

λ - коэф-т теплопроводности - кол-во теплоты, переносимой через единицу площади пов-ти продукта в единицу времени при перепаде темп-р в 1 градус.

В заморож. продукте добавляется теплопр. льда.

.Температуропроводность характеризует скорость изменения тепла при нагревании или охлаждении.

Хар-ся коэф-том температуропроводности - а

2∕с)

Получается опытным путем.

. Теплосодержание (энтальпия) - i - тепловое состояние продукта., (кДж∕кг)

Коэф-т теплосодержания показывает какое кол-во тепла содержит 1 кг. продукта при заданной температуре.

5. Порча продуктов и ее причины

Причины порчи продуктов:

. Различный хим. состав продуктов

. Наличие в продуктах микроорганизмов и доп. поступления микробов из внешней среды.

Микроорганизмы делят:

. по виду: - бактерии; - плесень - выделяют ферменты, растворяют жиры, белок и углеводы. Меняют состав продукта; - дрожжи - в продуктах разлагают сахар на спирт и углекислый газ.

. по отношению к t: - термофилы(+30-+90); - мезофиллы; - креофилы(-11 -+30)

. по типу дыхания: - аэробные (разв-ся при кислороде, воздухе); - анаэробные

Условия для развития микроорганизмов:

нарушение правил приема груза к перевозке и хранению; - нарушение установл. режима перевозки; - нарушение сроков доставки; - антисанитарные условия

виды порчи у мясных грузов: ослизнение, плесневение, пегментация, кислое брожение, загар, гниение

признаки порчи у рыбных грузов: изменение окраски жабр, тускнеют глаза, мутнеет слизь, изменяется запах

виды порчи у рыбных грузов: загар, затяжка (гнилостный распад белковых вещ-в), тухлянка, повреждение вредителями

виды порчи у плоовоовощей: плодовая гниль, поражение белой плесенью, микробами и грибкамиСливочное масло

. изменение вкуса - м.б. затхлый, сырой, гнилостный и др. привкусы.

. плесневение масла - в рез-те развития на пов-ти монолита разл. плесеней.

. пигментация - красноватые, желтоватые, зеленоватые и черные пятна на пов-ти масла

. штафф - возникает на пов-ти монолита масла из-за плохой герметичности коробки.(вызывается анаэробными микробами и окислит. процессами). Масло изменяет вкус и цвет.

Сыр

. вспучивание - маслянокислые бактерии. Вкус солистый;

. аммиачный и гнилостный запахи - при изменении белковых соединений. Признаки гниения;

. Плесневение - осповидная и подкорочная

6. Классификация способов сохранения продуктов

Основаны на следующих принципах:

. Биоз - поддержание жизненных процессов продуктов. Основан на исп-ие иммунитета продуктов.

. Анабиоз - подавление жизнедеятельности микроорганизмов, воздействую на продукты различными физическими и химическими свойствами. После анабиоза можно практически полностью восстановить первонач. вид и св-ва продукта. tхр близка, но ниже криоскопической. Продукт как-бы охлажденный.

криоанабиоз - t ниже криоскопической, но не эвтектическая.

осмоанабиоз - замедляются процессы, действующие в продукте за счет повышения осматического давления.

психроанабиоз - t хранения близка, но ниже криоскопической.

. Ценоанабиоз - введение различных микроорганизмов в продукт, которые уничтожают вредную микрофлору. (молочно-кислые бактерии и дрожжи)

. Абиоз - полное прекращение деятельности микроорганизмов. Изменяется вкус, цвет, запах.

Способы:

. физические (высокие и низкие t, обезвоживание, ионизация)

. химические (антибиотики, газы, углекислота, антисептик)

. физико-химические (соль, сахар, маринование, посол)

способы сохранения при высоких t: стерилизация, пастеризация

способы сохранения при обезвоживании: сушка (естественная и искусст-ая), молекулярная сушка, вяление

способы сохранения при ионизации: облучение, радиоионизация

7. Виды холодильной обработки продукта

Виды обработки: охлаждение, переохлаждение, подмораживание, замораживание, отепление, размораживание.

Охлаждение - отвод тепла от продукта с понижением t не более, чем до криоскопической (от 0 до +9)

Переохлаждение - понижение t более, чем до криоскопической, но без обращения в лед находящейся в продукте воды.

Подмораживание - отвод тепла от СПГ с понижением их t на 1-2º ниже криоскопической, при частичном обращении в лед соержащейся в продукте воды.

Замораживание - отвод тепла от СПГ с понижением их t больше, чем на криоскопиескую при обращении в лед всей или большей части воды.

Отепление и размораживание - обратные процессы охлаждения и замораживания.

Охлаждающие среды:

. газообразные (азот, атмосферный воздух, регулируемая газовая среда)

. жидкие (вода, водосоленые растворы)

. твердые (водный лед, сухой лед, асептический лед)

. промежуточные (снег)

параметры охлаждающих сред: t, скорость движ-я, относительная влажность, удельная энтальпия

преимущества жидких сред: обладают большой теплоемкостью, теплоотдача в 20 раз выше, чем у газообразных сред

недостаток жидких сред: активно воздействует на продукт - происходит выход соков в жидкость

8. Определение кол-ва тепла, отводимого от продукта при холод. обработке груза

способа:

. Конвекция - перемещение макроскопических частиц тела, приводящее к массо - и теплообмену

массообмен - перенос массы или ее компонента то одного вещества к другому.

Теплообмен - передача тепла или энергии.

Ковективный теплообмен (теплоотдача) - между движущейся средой и пов-тью ее раздела с другой средой (жидкость и газы, жидкость и тв. тело)

. Радиация - теплообмен между телами, который осущ-ся впоследствии испускания или поглощения электомагнитных излучений.

. Испарение - отделение наиболее активных молекул. Приводит к усушке (уменьшение массы продукта). Продукт освобождается от влаги.

) Для охлажденных грузов:

ох = Gп ∙Сп∙(tн - tк)

Gп - масса груза; Сп - теплоемкость груза; tн - начальная темп-ра, с которой поступаетк - температурный режим перевозки

Qох = Gп∙(iн - iк)

) Для замороженных продуктов:

з = Gп∙[Спо∙(tн - tкр) + φ∙ω∙r + Спм∙(tкр - tк)]

- уд. скрытая теплота льдообразования; Спо - теплоемкость охлаждаемого продукта

Спм - теплоемкость мороженого продукта; tкр - криоскопическая температура

φ - доля воды в продукте; ω- доля льда в продукте

з = Gп∙(iн - iк)

. Физические основы и способ. получ. холода

. Ледяное и льдосоляное

Основано на таяние льда или льдосоляной смеси.

) криоскопическая смесь - t плавления льдосоляной смеси зависит от содержания соли. Но повышать %-ое содержание соли можно до известного предела - криогидратной точки.

) эвтектическая смесь - раствор соли, содержание которой соответствует криогидратной t. Преимущества: простота, дешевизна и надежность.

Недостатки: большие габаритные размеры, большая масса смеси, невозможность поддержания низких t, добавление соли приводит к коррозии металла и требуется частая экипировка. Применение: - на судах - охл-т рыбу; - на фермах - молоко

на жд тр-те - живорыбные в-ы

. Сухоледное. Преимущества: объемная холодопроиз-ть в 3-8 раз выше, чем у смеси льда. Недостатки: Высокая стоимость и на сети нет пунктов экипировки льдом.

Применение: Для охлаждения мороженого.

. Охлаждение жидкими газами. Азотом, углекислым газом, воздухом и кислородом.; Принцип: кипение данных газов при низких t-х.

Жидкоазотное охлаждение (самое распр.)

На жд России исп-ся только в реф. контейнерах. Принцип: орошение груза жидким грузом, но груз не контактирует с азотом, так как капли мгновенно испаряются. Преимущества: Простота, надежность, автоматизация, стерильная инертная атмосфера, меньше кап. вложений, чем у маш. систем, меньшая трудоемкость при обслуживание и высокая ск-ть охл-ия. Недостатки: Высокая стоимость азота, отсутствие заправочных станций и неуниверсальность данного п.с.

. Термоэлектрическое охлаждение

Основано на исп-ие эффекта Пельтье. При пропуске пост. тока через термоэл-т, состоящий из 2-х разнородных полупроводников, соединенных между собой медными пластинами на одном из спаев тепло поглащается(он охл-ся), а на другом - выделяется (спай нагрев-ся). Преимущества: Бесшумно, надежно и просто по уст-ву. Недостатки: При больших t-х перепадах снаружи и внутри из. в-а холодильный коэф-т темоэл. холод. установки в несколько раз меньше, чем у паровых компрессионых холод. машин. Применение: Выгодно исп-ие для конденционирования воздуха.

. Машинное охлаждение

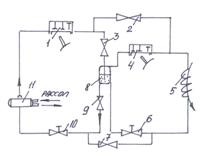
10. Принципиальная схема работы холодильной машины

В - окружающая среда, А - грузовое помещение

t1<t2, Q = Q0+L, L = Q-Q0

ε= Q0/L >1

ε= Q0/ (Q-Q0)>1

ε - холодильный коэф-т


11. Типы холодильных машин

В зав- ти от способа реализации холодильного цикла:

. Компрессионные

Последовательное изменение характеристик хладагента.

паровые (реф. в-ы)

воздушные (хладагент не меняет свое агрегатное состояние)

. Сорбционные:

) Абсорбционные - исп-ся 2 компонета: хладагент и абсорбент (жидкий поглотитель).

) Адсорбционные - в качкстве поглотителя паров хладагента - адсорбент (твердое в-во).

. Струйные:

В основе работы - образование кинет. энергии потока газа или пара.

эжекторные

- вихревые

. Принц. сх.раб. паров.компресс.холод.маш

Компрессор (1), на работу которого затрачивается электроэнергия, всасывает из испарителя (5) сухой насыщенный пар с низким давлением (P0) и температурой (t0) (на диаграмме это состояние хладагента соответствует точке "1" теоретического цикла, находящейся на правой пограничной кривой паросодержания).


Затем компрессор производит адиабатическое сжатие пара (процесс 1-2) до давления в конденсаторе (PК). При этом пары хладагента нагреваются до температуры нагнетания (перегрева сжатия) за счет работы сжатия в компрессоре и поступают в конденсатор (2). Здесь пары при постоянном давлении (PК) сначала охлаждаются от температуры перегрева до температуры конденсации (tК) (процесс 2-а), а затем конденсируются (а-3) при постоянном давлении (PК) и температуре (tК) в процессе отвода тепла от хладагента через стенки оребренных труб воздуху, омывающему конденсатор. Далее жидкий хладагент с высоким давлением и умеренной температурой накапливается в ресивере (3), представляющем собой цилиндрический сосуд. Из ресивера он поступает в регулирующий вентиль (4), проходит его и при этом дросселируется (изоэнтальпический процесс 3-4) с понижением давления (от РК до Р0) и температуры (от tК до t0). Затем парожидкостная смесь направляется в испаритель. Воздухоохладитель грузового вагона имеет два испарителя), где жидкий хладагент кипит при постоянном давлении (P0) и температуре (t0) (процесс 4-1), отнимая тепло от охлаждаемого объекта (воздуха грузового помещения вагона), за счет соприкосновения с поверхностью испарителя. Образующиеся пары хладагента отсасываются компрессором, и цикл повторяется снова.

13. Построение и расчет теоретического цикла

т1-всасывание, пр 1-2 адиабатическое сжатие пара, пр 2-а пары охлаждаются от температуры перегрева до температуры конденсации, процесс 3-4 изоэнтальпический - понижение давления и температуры; процесс 4-1-хлад.аг.кипит.

Цель расчета: определение потребной подачи и мощности компрессора и тепловой нагрузки конденсатора.

Исходные данные: энтальпии в точках 1,2,3 и 4, Ро, Рк, V1.

. Удельная холодопроизводительность qо.

(4-1 - хладагент кипит, а значит выделяет холод)

о = i1 - i4, кДж∕кг

. Работа, затрачиваемая в компрессоре на сжатие 1 кг хладагента:

= i2 - i3 , кДж∕кг

. Тепло, отданное 1 кг хладагента охлаждающей воде или воздуху в конденсаторе:


qк = i2 - i3 = qо + l , кДж∕кг

ε = qо∕l = (i1 - i4)∕(i2 - i1)

. Кол-во хладагента, циркулирующего в системе:

x = (3,6∙Qо)∕qо , кг∕ч

. Теоретическая подача компрессора,

объем пара, всасываемого компрессором.

V = Gx∙V1 = (3,6∙Qо∕qо)∙(qо∕qв) = (3,6∙Qо)∕qв , кг∕м3

. Удельная объемная холодпроиз-ть хладагента:

в = qо∕V1

. Потребная теоретическая мощность компрессоров:

Nт = (Gx∙l)∕3,6 = Qо∙ε, Вт

. Тепловая нагрузка на конденсатор:

к = Qо + Nт = (Qо∙(ε+1))∕ε

14. Расчет действительного цикла

Цель расчета: определение потребной подачи и мощности компрессора и тепловой нагрузки конденсатора. Исходные данные: энтальпии в точках 1,2,3 и 4, Ро, Рк, V1.

. Удельная холодопроизводительность qо

(4-1 - хладагент кипит, а значит выделяет холод)

о = i1 - i4, кДж∕кг

. Работа, затрачиваемая в компрессоре на сжатие 1 кг хладагента:

= i2 - i3 , кДж∕кг

. Тепло, отданное 1 кг хладагента охлаждающей воде или воздуху в конденсаторе:

qк = i2 - i3 , кДж∕кг

. Кол-во хладагента, циркулирующего в системе:

x = (3,6∙Qо)∕qо, кг∕ч

. Теоретическая подача компрессора, - объем пара, всасываемого компрессором.

V = Gx∙V1 = (3,6∙Qо∕qо)∙(qо∕qв) = (3,6∙Qо)∕qв , кг∕м3

. Удельная объемная холодпроиз-ть хладагента: qв = qо∕V1

7. Потребная теоретическая мощность компрессоров:

Nт = (Gx∙l)∕3,6 = Qо∙ε, Вт

. Тепловая нагрузка на конденсатор:

к = Qо + Nт = (Qо∙(ε+1))∕ε

. Тепловая нагрузка на испаритель:

Qп = (Gx∙qп)∕3,6 , Вт, qп = i3 - i3

Отличия:

. компрессор всасывает не сухой насыщенный пар (точка 1), а перегретый (точ. 1’)

. перегрев происходит в испарителе, во всасывающем трубопроводе или спец. теплообменниках

всасывание перегретого пара предотвращает попадание жидкого хладагента в компрессор

. для сжатия паров хладагента в компрессоре требуется затратить больше энергии (процесс 1’-2’)

. жидкий хладагент переохлаждается в конденсаторе для обеспечения 100% содержания жидкости в перерегулирующем вентиле, это увел-ет холодопроизводит-ть машины

. имеются потери на трения в компрессоре

15. Схема двухступенчатой холодильной машины

- КНД; 4 - КВД; 5 - конденсатор; 11 - испаритель, 8 - промежуточный сосуд; 2,7,3,9 - запорные вентили; 6,10 - регулирующие вентили

Жидкий хладагент из конденсатора 5 дросселируется через регулирующий вентиль 6 до промежуточного давления Рпр и частично при этом испаряется. Парожидкостная смесь поступает в пром. сосуд 8, где пар отделяется от жидкости. Часть жидкости исп-ся в 8, охлаждая перегретые пары, нагнетаемые из КНД, а основная масса поступает через второй регулирующий вентиль 10 в испаритель 11, где кипит при низком давлении Ро и темп-ре tо.. КНД 1 засасывает пары из испарителя, сжимает их до Рпр и нагнетает их в промежуточный сосуд 8. Здесь он охл-ся до tпр кипящим хладагентом. Охлажденный пар вместе с парами, образовавшимися при первом дросселировании засасывается КВД -4, сжимается до Рк и нагнетается в конденсатор 5. Здесь он конденсируется.


Для одноступенчатого сжатия - закрываем 3,9,6 и открываем 2 и 7

16. Схема цикла работы двухступенч. холод. машины

-2 - сжатие паров хладагента в КНД.

-3 - промежуточное охлаждение в промежуточном сосуде.

-4 - сжатие паров хладагента в КВД

-а - охлаждение паров в конденсаторе

а-5 - конденсация паров в конденсаторе

-6 - переохлаждение жидкого хладагента

-7 - первое дросселирование (6)

-9 - второе дросселирование (10)

-3 - кипение жидкого хладагента в промежуточном сосуде


Закрываются запорные вентили. Жидкий хладагент из конденсатора дросселируется до промеж-го давления и, проходя регулирующий вентиль, попадает в промежуточный сосуд. Частично хладагент при этом испаряется. В промеж-ом сосуде пар отделяется от жидкости. Часть пара испаряется за счет паров, поступающих из КНД. Основная часть жидкости поступает через регулирующий вентиль в испаритель. В испарителе пары хладагента кипят при tо и Ро. Всасываются КНД и вместе с парами из промеж-го сосуда нагнетаются КВД в конденсатор.

. Хладагенты и хладоносители

. Хладагенты

Требования к хладагентам:3

. высокие термодинамические св-ва:

низкая t кипения при атмосф. давлении.

умеренное давление конденсации

. должны обладать малой вязкостью и плотностью, а также быть хорошо растворимыми в воде.

. должны быть химически инертными, негорючими, невзрывоопасными, неядовитыми, дешевыми и недефицитными.

) Аммиак

Преимущества: По термодинамическим качествам самый лучший хладагент. Плохо растворяется в смазке, но хорошо в воде. Не разрушает цинк, медь, сплавы, черные металлы.

Недостатки: Имеет резкий запах, токсичен.

Применение: Исп-ся только в стационарных холодильных установках.

) Фреоны (хлорфторозаменимые углероды). С 1973 года переименованы в хладоны.

Хладон 12-R12

Преимущества: Негорюч, невзрывоопасен, бесцветный газ со слабым запахом, нейтрален ко всем металлам, хорошо растворим в масле и нетоксичен.

Недостатки: (по сравнению с аммиаком)

объемная холодопроиз-ть ниже в 1,6 раза

стоимость выше

больше плотность паров, а значит и больше диаметр трубопровода.

Применение: БМЗ, АРВ, ZB5, реф. контейнеры, в пас.в-х - конденционирование

Хладон 22

Для конденционирования в-в.

. Хладоносители

в-ва, предназначенные для отвода тепла от охлаждаемого объекта и передачи ее хладагенту в испарители холодильных машин.

Рассол: - вода или вода с солью; - хлористый кальций

. Основные требования к трансп. холод. установкам

Холод. установка - это совокупность холод. машины с другими элементами, кот. осущ-ют процессы распределения и потребления искусственного холода.

Состоит из: холодил. машины (компрессор, конденсатор, испаритель, регулирующий вентиль), рессивера, маслосборника, маслоотделителя и т.д.

. Должны обеспечивать заданную скорость охлаждения, которая позволит охладить груз от tгр до tперевозки.

2. Должны обладать высокой степенью автоматизации и надежности в эксплуатации.

Транспортировка без обслуживающего персонала.

. иметь малые габариты и массу.

. Должны выдерживать высокие ускорения и вибрации, соударения и оставаться в рабочем состоянии

. Невысокая стоимость изготовления. Не требовать частного профилактического осмотра.

. Д.б. долговечными и экономичными в эксплуатации.

. Должны работать при высоких темп-ах наружного воздуха > 45.

Должны обеспечивать 1-ой холод. установкой в вагоне минус 10 градусов.

19. Компрессоры и их классификация

Это основной наиболее сложный элемент холод.машины, необх-ый для отстаивания паров хладагента из испарителя с целью поддержания в нем низкого давления кипения, сжатия паров и нагнетания их в конденсатор

Классификация:

. по стандартной холодопроиз-ти:

малые; - средние; - крупные

. по расположению осей цилиндров:

вертикальные; - горизонтальные; - V-образные; - веерообразные

. по числу цилиндров

одно; - двух; - 8-ми; - многоцилиндровые

. по напр-ию дв-ия хладагента в цилиндре компрессора:

прямоточные; - непрямоточные

. по назначению:

общепромышленного исполнения; - экспортно-тропического; - для др.тр-та

. по числу ступеней сжатия

одно; - двух; - многоступенчатые

. по степени герметичности:

открытого типа (сальниковые); - полугерметичные; - герметичные

. по виду работ:

ротационные; - поршневые; - винтовые

недостатки поршневого: большой износ поршня, небольшая надежность. Преимущества поршневого: небольшая масса и габариты, небольшая потребляемая энергия, хорошо освоенная технология производства

20. Схема. Основные преимущества и недостатки поршневых компрессоров

Поршневой компрессор состоит из: цилиндра, всасывающего клапана, нагнетательного клапана, поршня, кривошипно-шатунного механизма и трубопровода холод. установки.

Вредное пространство (между крышкой и поршнем) влияет на коэф-т подачи компрессора. Оно необх-о, чтобы исключить возможность удара поршня о крышку при удлинении кривошипно-шатунного механизма при нагревании:


Vд - действительно всасываемые пары

Vп - объем паров, который имеется в полном геометрическом пр-ве компрессора

Преимущества:

. масса, габариты, и потребная энергия меньше, чем у других типов.

. хорошо освоенная технология произ-ва и обслуживания

. разность между атмосф. давлением и давлением конденсации значительна, поэтому более эффективная работа

Недостатки:

. большой износ движущейся части (поршня)

. меньшая надежность и ухудшается теплопередача в конденсатор.

21. Расчет и подбор компрессора

Для одноступенчатых:

Основная хар-ка для расчета и подбора - холодопроиводительность Qоо = (Vд∙qv)∕3,6 , Вт

v - объемная холодопроизводительность

Побор осуществляется по стандартной холодопроизводительности:

ст = Qо∙ [(λст∙qvст)∕(λр∙qvр)]

Расчет производится по объему, описываемому поршнями КВД и КНД.

. Определить промеж-ое давление Р = РоРк, 2.опред.кол-во хладагента, проходящего через КНД и испаритель Со = Qо3,6/(i1-i9), кг/ч, 3.опред.кол-во хладагента, испаряющегося в промеж-ом сосуде G = Gо (i2-i3)/(i3-i8), кг/ч, 4.опред.кол-во хладагента, проходящего через КВД и конденсатор

кнд = (GоV1)∕λн, м3∕часквд = (GV3)∕λв, м3∕час, v3 - удельный объем пара на всасывании в КВД

- кол-во хладагента, проходящего через КВД и конденсатор:

= (Gо +G1)( 1-х1), кг/ч

х1 - паросодержание после первого дросселирования в точке 7

22. Конденсаторы. Расчет и подбор

Предназначены для отвода тепла от хладагента 2-мя способами:

наружным воздухам (воздушные) - в любом п.с.

водой (водяные) - в стац. уст-х большой произ-ти

Конденсатор - змеевидная или трубчатая система с коллектором. Трубки (диаметр 15 мм) закрепляются на раме, их омывают воздухом вентиляторы, а значит темп-ра хладагента изм-ся и он конденсируется.

В отличие от воздушных в водяных конденсаторах пары подаются в пространство между воздухом и трубами, которые омываются соответственно водой.

Тепловая нагрузка на конденсатор:

Qk = Qo + Nт , Вт

Nт - потребная теоретическая мощность компрессора

Qo - холодопроиз-ть

Nт = (G∙l)∕3600 , Вт

l - работа

G - кол-во хладагента

Расчет конденсаторов сводится к определению теплопередающей пов-ти

F = Qk∕(Kk∙∆tk)

Qk - тепловая нагрузка на конденсатор

Kk - коэф-т теплопередачи

∆tk - средняя разность темп-р конденсирующегося хладагента и охлаждающего воздуха или воды.

. Испарители. Расчет и подбор

Испарители бывают 2-х типов:

для охлаждения жидкостей (рассол или вода)

воздухоохладители

Воздухоохладители расположены в грузовых помещениях. По конструкции схожи с конденсаторами.

На трубах испарителя образуется иней или “снеговая шуба”. Иней снижает коэф-т теплопередачи воздухоохладителя, увеличивает сопротивляемость его движению. Поэтому требуется произ-ть оттайку «снеговой шубы». Горячий хладагент пропускается не в конденсатор, а в испаритель. Максимальное время оттайки - 1,5 часа. Периодичность зависит от темп-ры наружного воздуха. Также для оттайки возможно исп-ть электропечи.

Расчет произ. по теплопередающей поверх-ти:

Fв=Qовв*∆tв

Qов-холодопроиз. установки

Кв - коэфф. Теплопередачи воздухоохладителя

∆tв-разность темп. воздуха и кипящего хладагента

. Понятие непрерывной холодильной цепи, её эл-ты, схема НХЦ

НХЦ - совокупность технических средств и технологических процессов, обеспечивающих подготовку, хранение и транспортировку СПГ от момента и места их произ-ва до момента и места их потребления.

Элементы НХЦ (3 группы):

гр. Стационарные холодильники: 1) производственные ПХ; 2) заготовительные ЗХ; 3) перегрузочные (с одного вида тр-та на др.) ПгХ; 4) распорядительный РтХ; 5) реализационный РХ; 6)домашний

гр. Транспортные средства: - воздушный; - жд; - морской ; - речной; - автомобильный

группы: - с разл. способами охлаждения; - типа “термос”

гр. Вспомогательные объекты - пункты экипировки, пункты ТО, льдозаводы, реф. депо, дезопромывочные ст-ии.

Непосредственно в процессе хранения и транспортировки не участвует, но функционирование НХЦ без них невозможно.

Схема НХЦ - графическое изображение последовательности прохождения грузопотоков через отд. эл-ты системы.(см рис.)

Схема НХЦ будет являться логистической цепочкой, если:

. производитель и потребитель на всех этапах следования груза имеет инф-ию о нем.

. когда осущ-ся доставка требуемой партии груза по принципу “точно в срок” от производителя до потребителя, 3.при функционировании НХЦ обеспечивается качество груза., 4. на всем протяжении миним-ые затраты.

Аспекты (параметры) НХЦ: 1. эксплуатационный - рассматривается пропускная способность каждого эл-та и п.с., чтобы не было узких мест; 2. тарно-упаковочный - важно исп-ть укрупненный погрузочный модуль - контейнер; 3. экономический - миним-ые затраты на каждом эл-те; 4. информационное и документальное обеспечение; 5. управленческий - “компании операторов”; 6. юридический - д.б. двусторонние договора о сотрудничестве.

Признаки НХЦ: 1. признак эксплуатационной непрерывности; 2. признак технологической непрерывности; 3. признак плотности загрузки; 4. высокая стоимость СПГ, холодильников, трансп. средств и вспомог. Объектов; 5. признак обеспечения темп-го режима, 6. признак технологического предела;

τпр ≤ τНХЦ - предельный срок доставки груза от производителя к потребителю должен быть больше или равен продолжительности перевозки по всем элементам НХЦ.

25. Холодильные склады и базы, их классификация

Холод. склад - комплекс сооружений для хранения СПГ при низких t.

Классификация:

. по назначению:

производственные; - заготовительные; - перегрузочные; - распределительные

реализационные; - бытовые

. по отраслям народного хоз-ва: холодильники

рыбной пром-ти; - мясной; - молочной и т.д.

. по роду груза

универсальные; - специализированные

. по вместимости

малые - до 500 т.; - средние - до 5000 т.; - крупные - свыше 5000 т.

особо крупные - свыше 20000 т.

. по этажности -

одноэтажные; - высотные; - подземные

. по способу охлаждения

с маш. охл-ем: -непосредств. охл-ие

рассольная система охл-ия -

охлаждение готовыми хладоносителями

типа “термос”

скоропортящийся холодильный компрессор подвижной

26. Классификация ИПС. Требования к нему

ИПС - п.с. для перевозки СПГ, в котором поддерживается требуемая t и влажность воздуха, не зависимая от t наружного воздуха.

Требования к ИПС:

. Возможность дистанционного и стабильного поддержания оптимальные t в грузовом помещении при эксплуатации в-а в разл. климат. зонах;

. нормальная циркуляция и вентиляция воздуха в грузовом помещении;

. хорошая герметичность ограждения груз. помещения;

. возможность автоматической работы оборудования и контроль t.(АРВ);

. высокий уровень надежности оборудования и простота его обслуживания.

. обеспечение заданной скорости охлаждения плодов и овощей до t транспортировки.

. высокая эффективность исп-ия в процессе перевозки.

Классификация ИПС:

. - универсальный; - специальный

. по способу охлаждения: - рефрижераторный (с маш. охл-ем); - охлаждаемые готовыми хладоносителями; - без охл-ия с усиленной термоизоляцией, типа “термос”

. по конструкции

) ИВ - изотермические вагоны:

а) универсальные

. групповой РПС

реф. поезда: (23, 21-вагонные)

реф. секции: 12-вагонные

-ти ваг. БМЗ; 5-ти ваг. ZB5; 5-ти ваг. ZА5

. одиночный п.с. - АРВ (19 и 21 метровые)

. вагоны - ледники: с пристенными карманами и с потолочными баками

б) специальные

. вагоны-ледники:

ЦС-ледник для вина; - ЦС-ледник для молока; - живорыбный вагон-ледник

. реф. вагоны:

5-ти ваг. секция для виноградного вина; - живорыбные секции

АРВ-Э - для эндокринного сырья

. вагоны-термосы: «Термосы» - эт специал-ый п/состав с усиленной термоизоляцией

ЦС-термос для вина; - ЦС-термос для молока; - вагон-термос для ТШГ

4. По типу охлаждения: - непосредственного охлаждения (5-ти ваг.секции, АРВ); - рассольная система охлаждения

. Ваг охл гот хлад, особ устр и эксплуат.

Ваг-лед. - изотермическое тр. ср-во, в котором при помощи источника холода(естественного льда с добавлением или без добавления соли) можно понижать температуру кузова и поддерживать её.

Создан в 1862г. В н.в. не выпускаются.

типа

Вагон с пристенными карманами и 2 потолочными охлаждающими приборами.

. для перевозки охл. мяса оборудованы поперечными балками с крючьями. Недостаток - невозможность обеспечения равномерной температуры в вагоне и поддержание её.

. В их грузовом помещении температуры распределены более равномерно. Погрузочная площадь на 30% больше. Баки оборудованы ус-ми для слива рассола с приборов охлаждения.

Преимущества

дешевизна

простота обслуж.

Недостатки

невозможность создания низких температур

невозможность поддержания пост. темп. в пути.

требуется частая экипировка

соль приводит к коррозии металла.

28. 5-вагонные секции. Композиция группового рефрижераторного подвижного состава

Способы их холодо- и энергоснабжения. Краткая техническая и эксплуатационная характеристика рефрижераторных секций.

-вагонные секции БМЗ - универс. групповой рефриж. п/состав с машинной системой охлаждения и электрического отопления, позволяющий поддерживать температуру в грузовом помещении от +14 до -20°С, а также охлаждение и перевозку предварительно не охлажденных плодов и овощей. Температурный режим перевозки СПГ в 5-вагонных секциях БМЗ приведен в Правилах перевозки грузов.

-ваг. Секции БМЗ типа РС-4 состоят из 4-х грузовых вагонов габарита 1-Т и вагона с дизель электростанцией и служебным помещением. На секциях типа РС-4 служебный вагон располагается в середине секции и имеет дизельное отделение, кабину управления, салон-кухню, тамбур, отделение для отдыха проводников.

Грузовой вагон 5-ваг. секции БМЗ состоит из грузового помещения и машинного отделения. В качестве теплоизоляционного материала для стен и пола использ. полистирол. На полу находятся 36 напольных решеток 1190*1179. Дверь вагона одностворчатая 2700*2200.

Секция РС-4 оснащена холодильно- нагревательным агрегатом ВР-1М-паровая компрессионная хладоновая холодильная установка непосредственного охлаждения с одноступенчатым сжатием паров. Компрессионно-конденсаторный агрегат расположен в машинном отделении, а воздухоохладитель с электронагревателем непосредственно в грузовом помещении и отделены от груза только щитком. Непосредственная система охлаждения 5-ваг. секции БМЗ эффективнее рассольной системы, что обусловлено отсутствием хладоносителя (рассола) и наличием одного температурного перепада м/у охлаждающим воздухом в вагоне и кипящим хладогентом. Кроме того, нет расхода электроэнергии на работу рассольных насосов, а также доп-ой тепловой нагрузки на установку от превращения работы в тепло.

-ваг. секции обслуживают бригады реф-х механиков, которые приписаны к секции, время работы одной бригады 45 суток, всего 2 бригады. Прием и сдача секции проводится в порожнем состоянии и время передачи сост. 3 часа. Перед погрузкой секция проходит КО, ТО, технич-ое обслуживание, экипировку и если нужно предварительное охлаждение или отопление. В пути следования произ-я: 1)поддержание температурных режимов, если необходимо вентилирование.2)контроль за темп-ми режимами осущ-я дистанционно ч/з каждые 4 часа. 3)оттайка «снеговой шубы» на испарителе и следующее если необходимо - экипировка. После выгрузки - санитарная обработка, дезинфекция и промыва, следование секции под выгрузку или в резерв.

29. АРВ

Наиболее распространен вагон без служебного помещения. В нем имеется 2 машинных отделения и грузовое помещение. Оборудование вагона рассчитано на поддержание t - от +14 до -18 при темп-ах наружного воздуха от -45 до 40 и термическую обработку плодоовощей в течение 60 часов.

Для теплоизоляции кузова применен полистирол.

В грузовом помещении размещены напольные решетки, датчики температуры, воздуховод, приборы управления холодильной установкой.

В машинном помещении размещены холодильный аппарат с приборами управления, дизель-генераторная установка с пультом управления. Для запуска дизеля в зимних условиях предусмотрен подогрев картера с помощью спец. котла.

Работа холодильной установки полностью автоматизирована. Выбор установление спец. режима осущ. механики ПТО АРВ ст-ций погрузки. Температуру в грузовом помещении измеряют с помощью переносной термостанции.

Система обслуживания АРВ включает: ТО-1, ТО-2, ТО-3, УТО-1(укрупненные), УТО-2

Перед погрузкой: ТО-1, предварительное отопление или охлаждение, регистрация в журнале всех действий механиков

После погрузки: установление приборов на автоматич-ую работу, уведомление н след-ее ПТО

В пути следования: ТО-2 на ПТО, экипировка, уведомление на след-ее ПТО

На станции выгрузки: вскрытие АРВ в присутствии механиков, перед вскрытием проверка t воздуха в грузовом помещении, ТО-3. АРВ обращаются только на определенном перегоне.

. Специализ. в-ны

Цистерна - термос по сравнению с в-ном - ледником для перевозки молока в бидонах позволяет улучшить использование грузоподъемности в 3-5 раз, высвободить из оборота в расчете на одну цистерну 500 бидонов, сократить потерю молока при разливе в мелкую тару, лучше обеспечить сохранение его качества, уменьшить потребность в рабочей силе на местах погр. и выгр.

Котел цистерны разбит на 3 секции, что позволяет организовать перевозку молока различного качества или 3х отправителей. Теплоизоляция котла защищает молоко от нагрева или переохлаждения. В качестве теплоизоляционного материала используют стекловолокно.

Вагон-термос предназначен для перевозки термически обработанных грузов, не выделяющих тепла дыхания, может эксплуатироваться в диапазоне температур наружного воздуха от +50 до -50. Допускаемый срок перевозки груза зависит от исходной температуры груза и допускаемой конечной, а также от температуры наружного воздуха. Стены, пол и двери вагона выполнены в конструкции сэндвич, а крыша - облегченной стальной конструкции. Грузовое помещение выполнено герметично.

Вагоны для вина в вагонах- цистернах наиболее эффективны, т.к. использование спец. в-на с теплоизоляцией, в котором смонтированы 2 ёмкости на 31т, полностью исключает замерзание грузов, сокращает расходы на потребительскую и тр-ную тару. Котлы цистерн из листовой стали, внутренняя часть покрыта кислотоустойчивой эмалью. Охлаждение в-в осуществляется 4мя потолочными балками, в который загружают водный лед. Для отопления в-в предусмотрен водяной котёл с разводящейся сетью трубопроводов. В в-не имеется служебное отделение для проводника, в не размещены необходимые хоз-ные и санитарные приспособления и ус-ва.

Для живой рыбы используются в-ны с ледяной системой охлаждения, АРВ и рефрижераторные 3х в-ные секции постройки БМЗ. В реф. в-н загружают около 12т. Электроснабжение осуществляется от 2х дизель-генераторных установок. Жизнеобеспечение перевозимой рыбы поддерживается системой аэрации и циркуляции воды. Система аэрации состоит из 2-х центробежных насосов, электродвигателя м 2-х 4-хструйных инжекторов. Циркуляцию воды обеспеч-ет насос.

31. Контейнеры для перевозки СПГ. Технические средства для перевозки контейнеров

Изотермический контейнер - наиболее эффективное транспортное средство для перевозки СПГ. Он может быть со специальным холодильно-отопительным устройством и без него. В последнем варианте сохранность перевозимых грузов обеспечивается тепловой изоляцией от внешней среды.

За рубежом распространены изотермические контейнеры, охлаждаемые навесными или встроенными холодильно-отопительными агрегатами. Их масса брутто колеблется от 5 до 30т. Крупнотоннажные контейнеры, специализ-е для перевозки пищевых продуктов, классифицируют по наличию источников холода, по типу применяемой системы охлаждения или отопления. В соответствии с требованиями ИСО контейнеры проектируют для эксплуатации при наружных температурах от+45 до -45°С. Система охлаждения (отопления) должна сохранять работоспособность при наружных температурах от+55 до -50°С и атмосферном давлении от 86,5 до 107 кПа. Холодоснабжение может осуществляться от машинной холодильной установки, чаще фреоновой, установки с жидким азотом или сухим льдом. Машинным охлаждением оснащено около 90% парка контейнеров. К числу преимуществ такого охлаждения следует отнести универсальность, автономность, экономичность. Его недостатки - сложность и низкая надежность.

В качестве теплоизоляционных материалов используют в современных конструкциях пенополиретан. По конструкции двери двухступенчатые с углом поворота 270°. Воздухораздача в изотермических контейнерах может быть верхней или нижней. В контейнерах типов IAA, IBB, ICC установлены приспособления для перевозки мяса подвесом. Транспортируют такие контейнеры в специальном подвижном составе, платформах, автомобилях, судах-контейнеровозах, а перерабатывают мощными средствами механизации.

Вагоны, охлаждаемые готовыми хладоносителями (льдом, льдосоляной смесью жидким азотом и др.), особенности их устройства и эксплуатации. Преимущества и недостатки использования вагонов с готовыми хладоносителями.

Вагоном-ледником называют такое изотермическое транспортное средство, в котором при помощи источника холода (естественного льда с добавлением или без добавления соли, сухого льда с приспособлением, позволяющим регулировать его сублимацию или без такового; сжиженных газов с устройствами для регулирования испарения или без такового и т. д ) можно вонижать температуру кузова и поддерживать еезатем при средней температуре (+30С) на уровне в зависимости от технических возможностей в пределах от +7 до -20°С. На отечественных ж. Дорогах эксплуат-я вагоны в двух конструктивных исполнениях: вагоны с приставленными карманами и потолочными охлаждающими приборами. Теплоизоляционный материал: мипора. Для перевозки охлаждаемого мяса вагоны оборудованы поперечными балками с крючьями. Основным недостатком этого типа вагонов является невозможность обеспечения равномерной температуры по всему грузовому объему вагона и надежного поддержания ее на необходимом уровне (это вагоны-ледники с пристенными приборами охлаждения). Вагоны с потолочными приборами охлаждения имеют следующие достоинства: универсальность, возможность длительного поддержания более низких и равномерных темп-ур, таяние льда в потолочных боках меньше влияет на равномерность темп-ры в вагоне, погрузочная площадь вагона увеличиваетя почти на 30%.

Опытные образцы вагонов с жидкоазотной системой охлаждения в нашей стране проходят испытания. В странах Западной Европы используются вагоны с сухоледной системой охлаждения.

32. Цель и содержание теплот. расчета

При обосновании рационального варианта организации перевозок СПГ теплотехнический расчет п/состава выполняют для сопоставления холодопроизводительности холодильных установок и величины теплопоступлений в грузовое помещение РПС, а также для определения нагрузки на холодильное оборудование и продолж-ти его работы.

Этот метод позволяет относительно точно определить расход холода на заданном направлении для условий, соответствующих фактическим. Теплопоступления в грузовое помещение учитываются комплексно в зависимости от времени и местонахождения п.с.: тепловой баланс грузового помещения РПС рассчитывается с заданной достоверностью. При этом расход холода ставится в зависимость от изменяющейся температуры наружного воздуха, вида подвижного состава, заданного температурного режима перевозки. Расчет теплопритоков, поступающих в грузовое помещение вагона или контейнера, выполняется на каждой станции и участ-х между ними в летний период перевозок.

Суммарные теплопритоки Qс состоят из непрерывных Qн периодических Qп и разовых Qp.

К непрерывным относятся теплопритоки через ограждения кузова ИПС вследствие теплопередачи от наружного воздуха и воздуха машинного отделения Q1, через не плотности дверей, люков, в местах прохода трубопроводов Q2, от груза и тары при их охлаждении либо при нагревании в течение периода изменения температуры груза и тары до заданных параметров Q3, а также теплопритоки за счет биохимического тепла, выделяемого плодами и овощами вследствие продолжающихся процессов жизнедеятельности Q4.

К периодическим относятся теплопритоки от воздействия солнечной радиации Q5, за счет воздуха, поступающего при вентилировании вагона Q6, от работающих вентиляторов в ИПС с принудительной циркуляцией воздуха Q7, и теплопритоки при оттаивании снеговой шубы на испарителях холодильных машин Q8. К разовым относятся теплопритоки за счет первичного, часто предварительного охлаждения элементов кузова и оборудования вагона или контейнера Q9 и теплопритоки через открытые двери при погрузке Q10.

. Система обслуживания РПС

Комплекс мероприятия ТО ИПС:

.подгтовка в-в к погрузке и обслуживание ваг-в после выгрузки.

.поддержание требуемых режимов перевозки грузов.

.периодическая и плановая проверка оборудования вагонов.

.текущий и планово-предупредительный ремонт вагонов.

. контроль за соблюдением условий перевозок.

На жд тр-те для обслуживания ИПС принята планово-предупредительная система обслуживания и ремонта ИПС, которая включает:

. заводской (кап.) ремонт ЗР

. деповской ремонт ДР

. различные виды ТО.

Заводской ремонт осущ-ся на специализ. вагоноремонтных заводах. Деповской ремонт осущ-ся специализ. вагонных реф. депо. ТО проводится силами механиков обслуживающей секции.

Периодичность:

ЗР I-го объема - через 8 леи после постройки п.с. или через 8 лет после ЗР II -го объема.

ЗР II-го объема - через 6 лет после ЗР I-го объема.

ДР - через 2 года после постройки п.с. или ЗР II-го объема или через каждые 1,5 года.

(срок службы РПС - 28 лет: 1 ЗР I, 2 ЗР II, 14ДР)

Нормы простоя:

ДР - 5-11 рабочих дней; ЗР - до 30 суток

Документы для ремонта:

. Комплект документов нерабочего парка.(порож)

. Сопроводительный листок ВУ-26.

. Уведомление ВУ-23. Оно выдается там, где обнаружена техн. неисправность после того, как составлен акт о техн. состоянии ваг-в.

34. Пункты обслуживания ИПС

Обслуживание группового РПС.

Обслуживает бригада из 2- человек:

начальник секции - ВНР; - механик

бригада работает 45 суток. Относится к депо приписки секции.

Бригада должна обеспечивать: исправное состояние оборудования и сохранность грузов.

Техническая документация секции:

. рабочий журнал;

. чертежи и инструкции по обслуживанию;

. маршрут (состояние секции в опр. момент); 4.журнал учета ТО; 5.журнал учета неисправностей

ТО секций:

для дизель-генераторной установки - ежедневное ТО1, ТО2 и ТО3. (после опр-го кол-ва часов наработки)

электрооборудование - то же самое; - холод. оборудование - ТО1 и ТО2

При подготовке секций к перевозке:

ТО, КО, исправность энергохолодильного оборудования, экипировка (если надо), охлаждение или отепление (если надо)

В пути следования:

поддержание температурно-влажностного режима;

оттайка снеговой шубы;

экипировка (если надо);

сохранность груза

После выгрузки:

санитарная обработка, дезинфекция или механическая чистка

следование секции под погрузку по документам нерабочего парка или в резерв

Пункты обслуживания: Рефрижераторные вагонные депо обслуживают секции, приписанные к этому депо. Деповской ремонт. М.б.произведена экипировка. Специализация по типам п.с.

Пункты экипировки:

) основные - экипировка п.с. всеми видами экипировочных материалов (диз.топливом, водой смазкой, хладагентом, рассолом);

) вспомогательные - экипировка в основном диз. топливом и водой. (может запр-ся водой там, где запр-ся пас. вагоны)

Обслуживание АРВ: Экспл-ся в основном без обслуживающего персонала.; Созданы в 1966 году; Бывают 19 и 21метровые.

Система ТО АРВ: ТО1, ТО2, ТО3, УТО1(укрупненный), УТО2, ДР (деповской), ЗР (заводской); ТО1- перед погрузкой; ТО2- в пути следования (через 24-30 часов) - 1 час; ТО3 - при выгрузке.; УТО1 -через 120-180 часов работы диз. генератора;

УТО2 - через 400-600; ТО1, ТО2, ТО3 - контрольная проверка параметров работающего оборудования и настройка его на необходимый режим.

Ответственность несет механик ПТО АРВ. Передвижение АРВ ускоренными поездами.

Недостатки: АРВ имеет значит. порожний пробег и ограничены дороги эксплуатации АРВ.

Классификация АРВ: 1.основные - все виды УТО1, УТО2 - располагают при депо приписки, но могут быть и вне; 2.укрупненные - УТО1, ТО2, ТО1, ТО3. - на с.с. расф-ия поездов с АРВ в районах массовой погрузки и погрузки; 3.конторльные - ТО1, ТО2, ТО3 - в токам же как и 2 и на крупных с.с. основных направлений следования груженых АРВ.

Специализ. в-ы и в-ы ледники: 1.ледники - льдопункты и льдозаводы; 2.специализ вагоны - принадлежат предприятиям или арендаторам и они сами их обслуживают или при помощи МПС за деньги.

35. Организация вагонопотоков со СПГ

Грузы СПГ:

особой срочной доставки - продолж-ть перевозки ограничена Прав.перевозок и колебание t-х режимов для них невозможно (бананы).

срочной доставки - t режим может колебаться, но срок ограничен ПП

остальные грузы - режим и срок колеблется

Для того, чтобы организовать перевозку СПГ сущ-ют пункты зарождения вагонопотоков.

Они делятся:

гр. - по произ-ти

малый - 1 и более п-в в сутки

средний - ядро из СПГ - 1 поезд

маломощный - 1 в-н в сутки

гр. - по периодичности действия

систематические потоки - зарождаются на крупных промыш. предприятиях

периодические потоки (лов рыбы)

эпизодические - 1 или 2 раза в год

Поезда со СПГ:

. скорые холодные грузовые поезда; 2.ускоренные холодные грузовые поезда

Особенности организации вагонопотоков со СПГ:

. п/состав следует в поездах ускоренного продвижения. Экономия вагоно-часа в сутки.

. Реф. вагоны в пути следования имеют меньше задержек из-за отказа п.с.

. Ускоренная доставка способствует лучшему сохранению качества груза и его товарного вида.

Весовая норма: ускоренные поезда - 1600 т.

скорые поезда - 1200 т. Поезд формируется так, чтобы в пути следования не требовалось расф-ие состава, а только отцепка вагонов.

36. Техническое нормирование ИПС

особенности: значительный груженый рейс изотерм-их вагонов, большой % порожнего пробега, сезонность производства продуктов питания, задержки в продвижении п/состава, связанные с экипировкой. Техническое нормирование - это показатели работы ИПС: - качественные (оборот в-а, среднесуточный пробег) - количественные (объемы погрузки, выгрузки, передача груженых и порожних вагонов.)

Оборот изотерм. вагона:


lгр - вагонное плечо - расстояние между техническими ст-ми, км.; τгр - время нахождения под одной грузовой операцией, ч; lиз - среднее расстояние между вспомогательными пунктами экипировки, км

τивпэ - время простоя на вспомог. пунктах экипировки, ч; τивм - время простоя на основном пункте экипировки до момента погрузки, ч; Lив - полный рейс вагона, км

Lив = Lивгр + Lивпор, км

Vуч - участковая скорость, км∕ч

км - коэф-т местной работы

Особенность: Lивпор намного больше Lивгр

Среднесуточный пробег ИВ:

Sив = Lив∕θив

Норма рабочего парка:

nив = θив∙Uив, ваг; Uив - работа дороги или отделения

Uив = Uивпогр + Uивприем

Коэффициент порожнего пробега:

λпор = ∑nSгр∕∑nSпор

Статическая нагрузка:

Рст = ∑Ро∕∑Uп

∑Ро - общий объем отправления грузов, т

∑Uп - общее кол-во погр. в-в, ваг.

Динамическая нагрузка:

Рдин = ∑Рl∕∑nSгр

Оборот вагона:

Wв = Рдин∙Sгр∙(1∕(1+ λпор))

Wв = ∑Рl∕( nив∙365)

37. Мясо и мясопродукты

Погрузка в вагоны мяса разрешается после осмотра их ветеринарным врачом органа Госветнадзора. О времени погрузки мяса и мясопр. грузоотправитель уведомляет местный орган Госветнадзора не менее чем за 24 часа до подача в-в под погрузку.

Мясо

) Заморож. мясо говядины, баранины и козлятины - t в толще мышц у костей не выше -8, а мясо свинины - не выше -10. Заморож. мясные блоки д.б. завернуты в пленку, упакованы в ящики или специализ. карт. изотерм. конт-ы. t в толще блоков: из мяса на костях - -8, из жилованного мяса и субпродуктов мяса и птицы - -12, из мяса птицы мех. Обработки и из мясной массы - -18. t мяса на экспорт - не выше -10, блоков - -12 - 18

) Мясо охлажденное принимается к перевозке с послеубойным сроком хранения не более 4 суток. При погрузке оно должно иметь температуру в толще мышц у костей от 0 до +4, сухую поверхность и корочку подсыхания без следов плесени, ослизнения и увлажнения. Общий срок его накопления и перевозки в летний и зимний периоды года не должен превышать 12 суток, а в переходный период - 14 суток.

Мясо охлажденное в тушах, полутушах, четвертинах перевозят в подвешенном состоянии на балках с крючьями так, чтобы они не соприкасались между собой.

) В остывшем состоянии перевозят в переходный и зимний периоды года говядину, баранину и конину с послеубойным сроком хранения не более 2 суток. Остывшее мясо должно иметь корочку подсыхания на пов-ти и t в толще мышц=+4-+12

) Подморож. мясо при погрузке в реф. в-ы должно иметь t =-3 -5 на глубине 1 см. от пов-ти. Оно перевозится в реф. в-х при t =0 - -3. Общий срок его накопления и перевозки не должен превышать от момента убоя в летний период -11 суток, в переходный - 12 суток, в зимний - 15 суток.

Птица

Мясо птицы должно предъявляться к перевозке упакованным в ящики. Тушки птицы в замороженном состоянии должны иметь t не выше -8, а потрошенные тушки в охл. состоянии - от 0 до +2. Общий срок хранения до погрузки и продолж-ть перевозки охл. мяса птицы д. б. меньше 5 суток со дня выработки. Мясо птицы заморож. на экспорт должно иметь t не выше -18.

Кролики

t не выше -9.

Субпродукты

Должны предъявляться к перевозке только в заморож. состоянии при t не выше -12. Они д.б. упакованы в карт. ящики. Должна быть отметка в графе “Особые заявления и отметки отправителя” о том, что субпродукты предназначены для пищ. целей или на корма животным.

Мясопродукты

Мясокопчености перевозят в ящиках. Темп-ра =от 0 до -9. Колбасы сырокопченые должны предъявляться к перевозке с t не выше +12, а полукопченые и варено-копченые -от -4 до -9. Должны быть упакованы в ящики. Пельмени в пачках, мясные полуфабрикаты в упаковке и сардельки, уложенные в карт. ящики предъявляются к перевозке при t не выше -18

38. Рыба и рыбопродукты

Рыба

) Предъявляемая к перевозке рыба мороженая при погрузке должна иметь температуру не выше минус -18.

Признаками доброкачественности рыбы мороженой являются: поверхность тела - чистая, естественной окраски; жабры - светло - красные или темно - красные; запах (после оттаивания) - свежей рыбы без порочащих признаков.

Перевозка мороженой рыбы допускается только в упаковке: в ящиках, мешках продуктовых. Рыба мороженая, упакованная в пакеты пленочные, укладывается в ящики. Дощатые и фанерные ящики с рыбой должны быть забиты и по торцам обтянуты стальной упаковочной лентой или стальной проволокой. Ящики из гофрированного картона с продукцией должны быть обтянуты стальной проволокой или оклеены клеевой лентой в два пояса. Мешки с рыбой мороженой должны быть плотно зашиты, а бочки с рыбой - хорошо закупорены. Рыба мороженая, упакованная в мешки, укладывается плотным штабелем.

) Рыба охл. перевозится в реф. в-х в ящиках или в сухотарных бочках. Охл. рыба должна иметь t в толще мяса у позвоночника от -1 до +3.

) Соленые рыбные грузы, упакованные в бочки и залитые тузлуком, перевозятся в реф. в-х, вагонных-термосах и КР при условии застилки грузоотпр. Напольных решеток изот. в-в и пола крытого ваг-а бумагой.

) Рыба и балычные изделия холодного и горячего копчения и другие работовары перевозятся только в таре.

Перевозка рыбы и бал. изделий горяч. копчения допускается только в заморож. виде.t при погрузке - не выше -18. На ящиках с заморож. рыбой горяч. копчения д.б. нанесена надпись “замороженная”

Рыба и балычные изделия холодного копчения при погрузке должны иметь t не выше 0.

) Рыба живая д.б. подготовлена к условиям перевозки. Она перевозится с проводниками грузоотправителя за его ответственностью.

Икра

Нерасфасованная икра упаковывается в новые заливные бочки, емкостью не более 50 дм3.

Расфасованная в металлические и стеклянные банки икра должна укладываться в ящики

. Прочие СПГ

) Дрожжи хлебопекарные прессованные д.б.:

Цвет - сероватые с желтоватым оттенком без пятен

Консистенция - плотная

Вкус и запах - свойственные дрожжам

Дрожжи при погрузке в в-н должны иметь t от 0 до +4. При погрузке грузоотправитель берет пробы для контрольного определения стойкости дрожжей. Рез-ты анализа хранятся на ст-ии отпр-ия и у грузоотправителя.

) Консервы в стекл. или металл. перевозятся в ящиках, а не упакованная - в бочках.

Банки и бочки с продукцией должны быть плотно укупорены и не давать течи.

Стеклянные банки ставятся в ящики, имеющие поперечные и продольные перегородки, образующие клетки. Горизонтальные ряды металлических банок в ящиках должны быть переложены картонными или плотными бумажными прокладками. Допускается перевозка консервированной продукции в жестяных банках в виде блоков, обтянутых термоусадачной пленкой. Блоки перевозятся только объединенными в пакеты на поддонах с обвязкой пакета термоусадачной пленкой.

) Вина перевозятся в бутылках, размещенных в ящкики. Закрытые дерев. ящики обтягиваются проволокой или стальной лентой. На закрытые ящики наносятся манипуляционные знаки. Они перевозятся в ИПС или КР в зависимости от периода года и вида продукции.

Шампанское, игристые и шипучие вина во все периоды года перевозятся в ИПС. Темп-ра при погрузке - +8-+16.

Ликеры, водки - в летний и переходный периоды года - в ИПС и КР, а в зимний период - в ИПС.

Вино может перевозится в спец. цистернах -термосах.

) Минеральная и газированная воды предъявляются к перевозке в стекл., жестяной или полимерной упаковке в ящиках или специализ. конт-х. Перевозка без тары не допускается.

) Пиво в стекл., полимерных бутылках, жестяных банках и бочках перевозится в ИПС. Оно предъявляется к перевозке при t от +2 до +12. Летом и в переходный период пастериз. пиво можно перевозить в КР.

) Пчелы перевозятся в ульях или фанерных пакетах в сопровождении проводников грузоотправителя или грузополучателя.

При t меньше +10 - в КР, а при t больше +10 - в реф. в-х.

)Масло растит. в ПЭТ-бутылках перевозится с кладкой их в ящики из гофр. картона или в виде блоков из неск. бутылок, обтянутых полимерной пленкой.

42.Скорость и сроки доставки СПГ. Документальное оформление перевозок СПГ

При предъявлении СПГ вместе с комплектом перевозочных документов Г-О предъявляет спец. Документы, удостоверяющие качество СПГ. Документы должны быть датированы днем погрузки.

На пищевые продукты и продукты животного происхождения - ветеринарное свидетельство. При отгрузке плодовоовощей из зон, объявленных под карантином, а также экспортно-импортных грузов требуется фитосанитарный карантинный сертификат. Эти документы следуют с грузом и выдаются Г-П. Акт экспертизы выдает эксперт Торгово-промышленной палаты России на пограничных станциях или в портах на импортные СПГ.

В документах указывается точное наименование груза, качественное состояние, срок транспортабельности.

При приеме СПГ необх-о учитывать сроки доставки грузов:

. установленный - срок, в течение кот-го груз должен быть доставлен Г-П и за него перевозчик несет имущественную ответственность

τу = τн-к + Lт/vм + ∑τдоп , сут

. предельный - зависит от рода груза, термической обработки, типа п/состава, климатического периода перевозки и способа перевозки

. срок транспортабельности - устанавливается Г-О в зависимости от технологических особенностей производства данного груза

Перевозчик принимает к перевозке грузы, когда τу ≤ τпр, τу ≤ τтр

43. Приборы для измерения температуры воздуха и окружающей среды в транспортных установках

Приборы, кот-ые измеряют t до 500-600 С назыв-ся термометрами, более высоку - пирометрами. На хладотр-те применяют только термометры.

Дилатометрические термометры основаны на измерении меняющихся с t размеров тел. Контактный термометр служит для поддержания постоянной t контролируемой среды. Манометрические термометры основаны на измерении давления, меняющегося в замкнутом пространстве с изменением t. Термометры сопротивления основаны на измерении величины электрического сопротивления проводника или полупроводника, изменяющегося с t. Металлические термометры применяют для измерения t в 5вагонных секциях БМЗ, а также в холодильных складах на входе и выходе воздуха из испарителя холодильной установки непосредственного охлаждения. Термограф - прибор для измерения и регистрации t. В термографах рефриж-ых вагонов и контейнеров в качестве термометров используют термометры сопротивления. Термопары по способу действия основаны на изменении электродвижущей силы постоянного тока в спае 2х разнородных металлов в следствии разности t окружающей среды у рабочего спая и свободных концов. С помощью термопары измеряют t в пределах от -50 до 1000 С и выше.

44. Приборы для изм влаж , скор и плот

Для измерения относительной влажности воздуха в изотермических вагонах применяют гигрометры, гигрографы и психрометры.

Гигрометры - приборы для определения абсолютной и относительной влажности воздуха:

а) весовые - состоят из системы V-образных трубок, наполненных гигроскопическим веществом, поглощающим влагу из воздуха. (Гигроскопичность - это свойство материалов поглощать влагу из воздуха за счет образования химического соединения с водой или за счет капиллярной конденсации);

б) пленочные - имеют чувствительный элемент из органической пленки, которая растягивается при повышении влажности и сжимается при её понижении;

в) волосные - основаны на свойстве обезжиренного человеческого волоса изменять свою длину при изменении влажности воздуха, что позволяет измерять относительную влажность от 30 до 100 %.

Гигрографы - приборы для непрерывной регистрации относительной влажности воздуха. Чувствительным элементом гигрографа служит пучок обезжиренных человеческих волос или органическая пленка, изменяющие свою длину в зависимости от влажности и перемещающие посредством системы рычагов специальное пишущее перо.

Психрометры - приборы для измерения влажности воздуха и его температуры. Существуют несколько типов: стационарные, аспирационные, дистанционные.

Скорость движения воздушного потока при холодильной обработке и хранении СПГ измеряют с помощью анемометров, электроанемометров, кататермометров и др.

Анемометр состоит из крыльчатого или чашечного колесика, насаженного на ось счетчика. При проходе воздуха колесико вращается, а счетчик отсчитывает скорость. Принцип действия электроанемометра основан на зависимости t проволоки, нагретой постоянным током, от скорости воздуха, в кот-ом находится проволочная нить. Кататермометры - термометры с цилиндрическом сосудом для спирта применяют для незначительных скоростей воздуха (до 0,5 м/с) при его слабой естественной циркуляции в охлаждаемом помещении. Работа с прибором заключается в определении охлаждающего эффекта воздуха.

Плотность раствора измеряют ареометром. Этот прибор состоит из стеклянной трубки, нижняя часть которой имеет увеличенный диаметр и заканчивается шариком, заполненным мелкой дробью или ртутью. Верхняя тонкая трубка имеет деления с обозначениями плотности жидкости (г/см3). Ареометр погружается в сосуд с жидкостью тем глубже, чем меньше ее плотность. Существуют спец. ареометры: лактометром (плотность молока), спиртометром (измеряют содержание спирта в растворе)

. Несохранные перевозки СПГ

Случаи несохранности - это хищения, траты и порча груза.

Хищения - случаи недостачи груза, установленные документально и выявленные при след-щих обстоятельствах: при проломах стен, крыши, пола вагона; повреждения, вскрытие грузовых мест; срывы пломб, обнаружение следов их повреждения и подделок.

Факты недостачи мест - случаи, при кот-ых зафиксированы отклонения числа мест, по сравнению с указанными в документах.

. когда на ст.отправления было произведено неправильное взвешивание

. нарушение упаковки грузов

Недостача массы учитывается для грузов, перевозимых навалом, насыпью или наливом.

Факты утраты, порчи и повреждения грузов - случаи полного или частичного уничтожения, а также порчи и повреждения груза, допущенные при неправильной или небрежной погрузке, при авариях, крушениях, пожарах, вследствие неправильных маневров и при погрузке в технически и коммерчески неисправный п/состав, при нарушениях сроков доставки и tго режима.

Все несохранности оформляются коммерческим актом (3 экземп.), актом общей формы и актом о техническом состоянии вагона. При составлении комм-го кта необх-о выявить, превышает ли недостача норму естественной убыли. Коммерч-ий акт подписывает начальник станции, заведующий ГД, приемосдатчик, Г-П, работник хладотранспорта. Акт общей формы удостоверяет обстоятельства, не связанные с изменением кол-ва груза и не требующие составления ком-го акта: утрата документов, простой вагонов на станции в ожидании подачи по вине Г-П, неочистка вагона Г-П и т.д.

46. Экономические задачи хладотранспорта

задач:

.сравнение различных вариантов перевозки грузов

в качестве критерия для сравнения используется оценка вагоно-часа, эконом-ая составляющая - это приведенная затрата, кот-ая складывается:

Св-ч = Св-ч + Св-ч’’ + Cв-ч’’’, руб

Cв-ч- приведенные затраты на 1 ваг-час без учета охлаждения, отопления и потерь груза, Cв-ч’’ - приведенные затраты на 1 ваг-час на охлаждение или отопление, Cв-ч’’’ - приведенные затраты на 1 ваг-час на естественную убыль потери груза, не связанные с условиями перевозок.

Cв-ч’’ рефриж-ых вагонов:

. на эксплуатацию,

. на охлаждение или отопление Cв-ч’’’:

. затраты, связанные с понижением качества,

. затраты, связанные со снижением стойкости при дальнейшем хранении

Св-чест уб = gyc/ θ,

g - грузоподъемность,

y - доля естественной убыли,

с - стоимость грузов,

θ - оборот вагона.

Св-ч возрастает при увеличении t наружного воздуха и сезонностью.

. расчет себестоимости перевозок СПГ расходы делятся на независимые от типа п/состава; зависимые от типа п/состава; на охлаждение, отопление и эн/снабжение

Расчет производится умножением измерителей затрат п/состава на расходную ставку.

. эконом-ая оценка хранения СПГ в стационарных холодильниках и изотермических вагонах

Расчет производится с определения затрат на увеличение вместимости холодильника, срока окупаемости.

. эффект-ть различных вариантов прокладки грузовых ускоренных поездов прокладка ускоренных поездов с более высокой скоростью по разрозненным ниткам графика; прокладка ускоренных поездов в 1ом пакете с пассажирскими

. эффек-ть предварительного охлаждения плодов и овощей сравнивают затраты на строительство и обслуживание складов для предварительного охлаждения, и экономию предварительного охлаждения

Зспо = кFн + Сэ,

к - капит.вложения,

Fн - нормативный коэф-т,

Сэ - экспл-ые расходы

39. Плодоовощи

Плодоовощи должны предъявляться к перевозке свежими, чистыми, без механических повреждений и повреждений вредителями и болезнями, без излишней влажности, а также однородными по степени зрелости в каждой повагонной партии. Содержание в плодах токсичных элементов, пестицидов и нитратов не должно превышать уровни, установленные медико-биологическими требованиями и санитарными нормами качества продовольственного сырья и пищевых продуктов.

Плодоовощи д.б. упакованы в соответствующую для каждого вида тару:

Картофель поздний - в ящики, ящичные поддоны, мешки, а картофель ранний - в жесткую тару.

Свекла и морковь столовые - в ящики, мешки тканевые и ящичные поддоны

Лук репчатый - в ящики дощатые, мешки

Чеснок - в ящики

Огурцы, баклажаны, кабачки, капуста цветная - в ящики дощатые

Капуста раннеспелая - в ящики, а среднеспелая, среднепоздняя и позднеспелая - в ящики и ящичные поддоны

Дыня мелкоплодная - в ящики дощатые, а дыня крупноплодная и тыква - в специализ. контейнеры и клетки

Арбузы - в ящичные поддоны

Томаты, перец сладкий - в ящики дощатые и ящики-лотки

Яблоки, груши, айва - в ящики дощатые, а яблоки поздние - в ящики из гофрированного картона

Гранаты, хурма - в ящики дощатые

Виноград, абрикосы, персики, алыча, слива, вишня и черешня - в ящики дощатые и ящики-лотки

Смородина и крыжовник - в ящики-лотки

Земляника - в ящики-лотки и кузовки с укладкой в обрешетку

Цитрусовые плоды - в дерев. и карт. ящики

Плодоовощи в закрытую тару уклад-ся плотно вровень с краями тары так, чтобы они не бились и не терлись.

Плодоовощи в реф. в-х и реф. контейнерах перевозятся только в таре. Бананы перевозятся только в реф. секциях или в АРВ и во время перевозки должны вентилироваться при + t наружного воздуха - 2 раза в сутки, при - t - один раз в сутки с включением вентиляторов на 15-20 мин. Кукурузные початки перевозятся только в реф. в-х. Они упаковываются в ящики-лотки или дощатые ящики. Живые растения и цветы перевозятся только в сопровождении проводников грузоотправителя. Срок перевозки указ-ся грузоотправителем в накладной.

40. Молочная, маслосыродельная и жировая промышленность, яйца

) Молоко и молочные продукты должны предъявляться к перевозке в охл. состоянии при t не выше +4. Молоко и молочные продукты должны быть расфасованы:

молоко и сливки нестерилиз. - во фляги

молоко и сливки стерилиз. - в пакеты или в стекл. упаковку

сметана - во фляги, в пакеты или стекл. банки

творог, сырки охл. - в жесткой таре и в ящиках

творог заморож. - в ящики

Они перевозятся ИПС. Также могут перевозиться в собственных или арендованных молочных цистернах между ст-ми, на которых у грузоотпр. и грузоплуч. Имеются средства для налива, слива и промывки ЦС.

В летний период года при t наружного воздуха до +30 молоко при наливе в ЦС должно иметь t не выше +4, а при более высоких наружных t - не выше +2. В зимний период молоко при наливе в ЦС должно иметь t не ниже +8. ЦС при наливе должны заполняться молоком до половины высоты колпака.

) Масло сливочное принимается к перевозке упакованным в ящики

Масло топленое перевозится упакованным в деревянные бочки или в стекл. или жестяные бочки, уложенные в ящики. Ящики при перевозке масла монолитом д.б. выстланы пергаментом или полимерной пленкой.

Масло при предъявлении к перевозке должно иметь t: сливочное и топленое - не выше -6 отправляемое на экспорт - не выше -14

) Маргарин тв., застывшие жиры, расфасованные в бруски, завернутые в пергамен тили фольгу упаковываются в ящики, а нефасованные укл-ся в ящики, выстланные пленкой. Маргарин тв. и застывшие жиры при погрузке в в-ы должны иметь t +10-+15. Маргарин мягкий принимается к перевозке с tыше +10. Маргарин твердый, застывшие жиры перевозятся в изотермических вагонах, а в переходный период при температуре наружного воздуха не выше +10 допускается перевозка этих грузов в крытых вагонах.

) Майонез предъявляется к перевозке расфасованным в стекл. упаковку в ящиках с внутр. перегородками и прокладками.

Температура майонеза при погрузке д.б. не выше +4 и не ниже 0. Майонез перевозится только в ИПС.

) Сыры тв. упаковывают в ящики. При погрузке сыры должны иметь t в летний и переходный периоды года не выше +4, в зимний - не ниже +8. Сыр плавленый д.б. упакован в ящики и иметь t при погрузке в летний период года - не выше +2, а в зимний период - не ниже +5.

6) Яйца куриные пищевые (неохл. и охл.) перевозятся в спец. ячеистой упаковке, укладываемой в ящики. Охл. яйца предъявляются к перевозке с t не выше +6. Яйца неохл. в летний период года при t наружного воздуха не выше +25 и при полож. t наружного воздуха в переходный период года перевозятся в КР.

Похожие работы на - Организация перевозки скоропортящихся продуктов

 

Не нашли материал для своей работы?
Поможем написать уникальную работу
Без плагиата!
Без нейросетей!