Автоматизация регулирования температуры перегрева парового котла
Содержание
Введение
1. Краткое описание объекта контроля
2. Функциональная схема контроля
3. Обоснование выбора приборов и аппаратуры
3.1 Термопреобразователь сопротивления ТМ-9201-02
3.2 Автоматический уравновешенный мост КСМ2-018-01
3.3 Диафрагма ДКС 10-250
3.4 Дифференциальный манометр Сапфир-22ДД-Вн типа 2460
3.5 Автоматический потенциометр КСУ2-022
3.6 Преобразователь давления Кристалл-22Вн-ДИ типа 2111
3.7 Автоматический потенциометр КСУ2-030-01
4. Специальное задание
4.1 Расчет сужающего устройства
4.2 Описание принципиальной электрической схемы автоматического
урановешенного моста КСМ2-018-01
4.3 Описание правил монтажа дифманометра Сапфир-22ДД-Вн типа 2460 и
диафрагмы ДКС 10-250
Выводы по курсовому проекту
Список используемой литературы
Введение
Измерение давления и температуры различных сред широко
применяется в технологических процессах, коммерческом учете и технологическом
учете различных энергоносителей.
Бурный рост количества узлов учета тепла, газа, как в
промышленности, так и в бытовом секторе, провоцирует рост рынка приборов
теплотехнических измерений.
Перспективы развития рынка довольно радужные. Как и рынок
средств измерений в целом, сегмент приборов для измерения давлении и
температуры растет каждый год завидными темпами. Насыщение рынку в ближайшем
будущем не грозит, но конкуренция ужесточается буквально с каждым днём.
Растущий рынок притягивает инвестиции и новые предприятия - изготовители
появляются практически каждый квартал.
Современные мощные паровые котлы и протекающие в них рабочие
процессы настолько сложны и многообразны, что для более полного изучения их
необходимы глубокие знания соответствующих физико-химических процессов. Они
изучаются в курсе " Котельные установки и парогенераторы". Для
практического закрепления теоретических знаний предусмотрено выполнение
курсового проекта. Учебная работа студентов над курсовым проектом связана с
необходимостью использования в процессе проектирования не только нормативных
данных и рекомендаций для расчета, но также и знания конструкций котлоагрегатов.
Наличие чертежей и схем в приложении к методическому пособию поможет
разобраться с принципом работы котлоагрегата и с особенностями конструктивного
оформления отдельных поверхностей нагрева.
1. Краткое описание объекта контроля
Паровой котел Е-500-13,8 ГМ предназначен для получения
перегретого пара высокого давления при сжигании природного газа и мазута.
Паровой котел, однобарабанный, с естественной циркуляцией,
имеет П-образную сомкнутую компоновку поверхностей нагрева. Котел газоплотный с
уравновешенной тягой.
Стены топочной камеры, подъемного и опускного конвективного
газоходов экранированы газоплотными панелями из труб, между которыми вварена
полоса.
В подъемном газоходе расположены 2 ступени горизонтального
ширмового пароперегревателя, а в опускном газоходе - 3 ступени конвективного
пароперегревателя и 2 ступени водяного экономайзера. Для подогрева воздуха за
пределами котла установлено 2 регенеративных воздухоподогревателя.
Регулирование температуры перегрева осуществляется впрыском
собственного конденсата. На боковых стенах топки встречно расположены в три
яруса 12 вихревых горелок, рассчитанных на раздельное и совместное сжигание
газа и мазута и позволяющих организовать ступенчатое сжигание топлива с целью
максимального подавления выбросов окислов азота.
Процессы питания котла, горения и регулирования температуры
перегрева пара полностью автоматизированы. Поперечный разрез котлоагрегата
изображен на рисунке 1. Основные параметры котла указаны в таблице 1,
габаритные в таблице 2.
паровой котел регулирование перегрев
Таблица 1 - Основные параметры котла Е-500-13,8 ГМ
|
Производительн.,
кг/с (т/ч)
|
Давлен. на
выходе, МПа
|
Температура
пара, ˚С
|
Основной вид
топлива
|
Общий вес
металла, т
|
КПД котла
(брутто), %
|
|
|
|
|
|
|
|
138,9 (500)
|
13,8
|
560
|
Природный газ
Мазут
|
2100
|
94,5 90,5
|
Таблица 2 - Габаритные размеры котла Е-500-13,8 ГМ
|
Габаритные
размеры, м
|
|
Ширина в осях
колонн
|
Глубина в осях
колонн
|
Отметка на
верхн. точке котла
|
|
14,6
|
17,9
|
41,6
|
Рисунок 1 - Поперечный разрез котлоагрегата Е-500-13,8 ГМ
2. Функциональная схема контроля
Функциональная схема автоматического контроля и управления
содержит упрощенное изображение технологической схемы автоматизируемого
процесса или агрегата. На функциональной схеме изображаются системы
автоматического контроля, регулирования, дистанционного управления,
сигнализации, защиты и блокировок. Все элементы систем управления показываются
в виде условных изображений и объединяются в единую систему линиями
функциональной связи. Нанесенные на условные изображения буквенные обозначения
отражают функции, выполняемые аппаратурой управления.
Функциональная схема контроля котла Е-500-13,8 ГМ изображена
на рисунке 2. В таблице 3 приводим описание условных обозначений приборов и
средств автоматизации в функциональной схеме контроля.
Рисунок 2 - Функциональная схема контроля котлоагрегата
Е-500-13,8 ГМ
Таблица 3 - Условное обозначение приборов и средств автоматизации
|
Обозначение
|
Наименование
|
|
1
|
2
|
|
|
Первичный
измерительный преобразователь (чувствительный элемент) для измерения
температуры, установленный по месту, термометр сопротивления ТМ-9201-02.
|
|
Прибор для измерения температуры
показывающий, установленный на щите, автоматический уравновешенный мост
КСМ2-018-01.
|
|
|
|
Первичный
измерительный преобразователь (чувствительный элемент) для измерения расхода,
установленный по месту, диафрагма ДКС 10-250.
|
|
|
Прибор для
измерения расхода показывающий, установленный по месту, дифференциальный
манометр Сапфир-22ДД-Вн типа 2460.
|
|

|
|
|
Прибор для
измерения давления (разряжения) бесшкальный с дистанционной передачей
показаний, установленный по месту, Кристалл-22-Вн-ди типа 2111.
|
|
Прибор для измерения давления
(разряжения) регистрирующий, установленный на щите, автоматический
потенциометр КСУ2-030.
|
|
3. Обоснование выбора приборов и аппаратуры
3.1
Термопреобразователь сопротивления ТМ-9201-02
С учетом заданной температуры 
, а также с учетом работы прибора со вторичным заданным прибором
автоматическим уравновешенным мостом мы выбираем первичный термопреобразователь
ТМ-9201-02 для измерения температуры.
Принцип действия прибора основан на изменении электрического
сопротивления металлических проводников в зависимости от температуры. Металлы,
как известно, увеличивают при нагреве свое сопротивление. Следовательно, зная
зависимость сопротивления проводника от температуры и определяя это
сопротивление при помощи электроизмерительного прибора, можно судить о
температуре проводника.
Термометр сопротивления имеют специальную арматуру, состоящую из
электроизоляции, защитного чехла и головки для присоединения внешних проводов.
Арматура изолирует чувствительный элемент термометра, защищает его от вредного
воздействия окружающей среды, обеспечивает необходимую прочность термометра и
возможность закрепления его в месте установки. Для закрепления термометра в
месте установки он имеют неподвижный штуцер с резьбой.
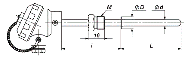
Термопреобразователь сопротивления типа ТМ-9201-02 предназначен
для измерения температуры жидких и газообразных химически неагрессивных сред.
Основные характеристики термопреобразователя сопротивления типа ТМ-9201-02
указаны в таблице 4. Общий вид термопреобразователя показан на рисунке 3.
Таблица 4 - Основные характеристики термопреобразователя
сопротивления типа ТМ-9201-02.
|
Наименование
|
Значение
|
|
Диапазон
рабочих температур
|
от - 50 до
180°С
|
|
Время
термической реакции
|
20-40 с
|
|
Диапазон
условных давлений
|
0,4 - 10 МПа
|
|
Класс допуска
|
С
|
|
Материал
защитного чехла
|
сталь 12Х18Н10Т
|
Рисунок 3 - Термопреобразователь сопротивления ТМ-9201-02
3.2
Автоматический уравновешенный мост КСМ2-018-01
Автоматический уравновешенный мост КСМ2-018-01 является одним
из вторичных приборов, которые работают в комплекте с термопреобразователями
сопротивления.
Автоматический малогабаритный уравновешенный мост является
показывающим и самопишущим прибором. Прибор имеет одну точку измерения
температуры. Технические характеристики указаны в таблице 5. Принципиальная
схема моста изображены на рисунке 4.
Таблица 5 - Технические характеристики КСМ2-018-01
Предел допускаемой основной погрешности приборов по показаниям:
показаний записи 
0,5
|
|
|
|
Длина шкалы и
ширина диаграммной ленты, мм
|
160
|
|
Количество
каналов измерения и записи
|
1
|
|
Цикл измерения
и печати, не более
|
15
|
|
Время
прохождения указателем всей шкалы, с, не более
|
10
|
|
Номинальная
средняя скорость перемещения диаграммной ленты, мм/ч
|
20-2400
|
|
Питание от сети
однофазного переменного тока
|
220 В; 50 Гц
|
|
Потребляемая
мощность приборов ВА, не более
|
23
|
|
Габаритные
размеры, мм
|
240 320
|
|
Масса приборов,
кг, не более
|
не более 14
|
Рисунок 4 - Принципиальная схема автоматического моста
КСМ2-018-01
Измерение и запись температуры производятся следующим
образом. Изменение сопротивления терморезистора нарушает равновесие мостовой
схемы, и в диагонали АВ моста возникает напряжение рассогласования, которое
поступает на входной трансформатор, затем усиливается усилителем до значения,
достаточного для приведения в действие реверсивного двигателя РД. Выходной вал
двигателя, вращаясь в ту или иную сторону в зависимости от знака сигнала
рассогласования, перемещает движок реохорда и перо самописца СП. При достижения
равновесия мостовой схемы выходной вал двигателя останавливается, а движок
реохорда, указатель и перо самописца занимают положение, соответствующее
измеряемому сопротивлению термометра, а следовательно, температуре измеряемого
объекта.
3.3 Диафрагма
ДКС 10-250
В качестве первичного преобразователя для измерения расхода
была выбрана камерная диафрагма ДКС 10-250.
Диафрагмы камерные стандартные ДКС предназначены для создания
перепада давления при измерении расхода жидкостей, газов или пара по методу
переменного перепада давления во фланцах трубопровода.
Диафрагма ДКС 10-250 применяется при диаметре условного
прохода 250 мм и избыточном давлении в трубопроводе не более 10 МПа.
Представляют собой сборочный узел, состоящий из самой
диафрагмы, двух кольцевых камер ("плюсовой" и "минусовой")
корпуса, прокладки и патрубков отбора давления. Отбор давления среды в корпуса
кольцевых камер ДКС выполняется через кольцевую щель. Выпускается в
коррозионно-стойком исполнении из стали 12Х18Н10Т. Поперечный разрез диафрагмы
ДКС 10-250 изображен на рисунке 5.
Наличие у диафрагмы кольцевых камер позволяет усреднить
давление по окружности трубопровода, что обеспечивает более точное измерение
перепада давления. Точность измерения расхода при помощи диафрагм зависит от
степени остроты входной кромки отверстия, влияющей на значение коэффициента
расхода α. Кромка не должна иметь скруглений, заусенцев и зазубрин.
Рисунок 5 - Поперечный разрез камерной диафрагмы ДКС 10-250
3.4
Дифференциальный манометр Сапфир-22ДД-Вн типа 2460
Преобразователь давления комплекса Сапфир-22ДД-Вн типа 2460
предназначен для непрерывного преобразования значения измеряемого
параметра-давления абсолютного, избыточного, разрежения, гидростатического и
разности давлений нейтральных и агрессивных сред, а так же преобразования
уровня в унифицированный токовый выходной сигнал.
Преобразователи давления предназначены для работы в системах
автоматического контроля, регулирования и управления технологическими
процессами в различных отраслях промышленности, в том числе для применения во
взрывоопасных производствах нефтяной и газовой промышленности, на объектах
атомной энергетики (ОАЭ) и для поставок на экспорт.
Преобразователь давления состоит из измерительного и
электронного блоков. Все преобразователи имеют унифицированный электронный блок
и отличаются лишь конструкцией измерительного блока.
Принцип действия датчиков давления Сапфир-22ДД-Вн типа 2460
основан на воздействии измеряемого давления (разности давления) на мембраны
измерительного блока, что вызывает деформацию упругого чувствительного элемента
и изменение сопротивления тензорезисторов тензопреобразователя. Это изменение
преобразуется в электрический сигнал, который передается от тензопреобразователя
из измерительного блока в электронный преобразователь, и далее в виде
стандартного токового унифицированного сигнала [ (0-5), (0-20), (4-20), (5-0),
(20-0) или (20-4)] мА. Преобразователь имеет взрывозащитное исполнение.
Преобразователи давления взрывозащищенные предназначены для
установки во взрывоопасных зонах помещений и наружных установок, согласно
документам, регламентирующим применение электрооборудования во взрывоопасных
зонах.
Преобразователи разности давлений могут использоваться для
преобразования значений уровня жидкости.
Встроенный фильтр радиопомех, защита от импульсов высоких
энергий, взрывозащищенное исполнение с видом взрывозащиты "искробезопасная
электрическая цепь" и "взрывонепроницаемая оболочка" позволяют
использовать преобразователи давления Сапфир-22ДД в жестких условиях
эксплуатации. Преобразователь состоит из измерительного и электронного блоков.
Электронный блок имеет встроенный цифровой жидкокристаллический индикатор
(ЖКИ).
Наличие ЖКИ позволяет наблюдать цифровое значение измеряемой
величины и контролировать процесс изменения характеристик преобразователя с
помощью встроенной клавиатуры. Электронный блок имеет встроенную клавиатуру,
управляемую магнитным манипулятором, поставляемым в комплекте. Манипулятор позволяет
управлять преобразователем с целью изменения его характеристик, а также
является ключом, предотвращающим несанкционированный доступ к изменению
характеристик.
При необходимости изменения характеристик преобразователя
манипулятор вводится в отверстия корпуса электрического блока, находящиеся под
откидной крышкой преобразователя, без нарушения взрывозащищенности.
Для удобства наблюдения конструкция преобразователя
предусматривает возможность изменения ориентации электрического блока
относительно измерительного в пределах ± 180°.
Основная функция прибора - преобразование измеряемой величины
в стандартный выходной сигнал с одновременным отображением значения измеряемой
величины на экране ЖКИ.
3.5
Автоматический потенциометр КСУ2-022
Автоматические многоканальные регистрирующие приборы КСУ2-022
предназначены для измерения, регистрации и регулирования (при наличие
регулирующего устройства) температуры и других величин, изменение значений
которых может быть преобразовано в унифицированные сигналы силы, напряжения
постоянного тока или в активное сопротивление. Применяются при автоматизации
технологических процессов во всех отраслях промышленности.
Таблица 6 - Технические характеристики автоматического
потенциометра КСУ2-022
Предел допускаемой основной погрешности приборов по показаниям,
выраженных в процентах от нормирующего значения: показаний записи 
0,5
|

|
160
|
|
Количество
каналов измерения и записи
|
1
|
|
Цикл измерения
и печати, не более
|
15
|
|
Время
прохождения указателем всей шкалы, с, не более
|
10
|
|
Номинальная
средняя скорость перемещения диаграммной ленты, мм/ч
|
20-2400
|
|
Питание от сети
однофазного переменного тока
|
220 В; 50 Гц
|
3.6
Преобразователь давления Кристалл-22Вн-ДИ типа 2111
ерия принципиально новых преобразователей давления -
Кристалл-22Вн-ДИ типа 2111 включает в себя датчики избыточного,
вакуумметрического и избыточно-вакуумметрического давления.
Преобразователи отличаются высокой точностью и стабильностью
измерения, расширенным диапазоном рабочих температур и малыми габаритами.
Кристалл-22Вн-ДИ типа 2111 является многопредельным изделием. Каждый датчик
может быть настроен на любой из диапазонов (пределов) измерений по заказу
потребителя и может быть перенастроен на другой предел в лабораторных условиях.
Основное отличие "Кристаллов" от прочих -
взрывобезопасное и/или взрывозащищенное исполнение. То есть Кристалл-22Вн-ДИ
типа 2111 исполнен так, что выдерживает взрыв в измеряемой системе без
разрушения и прорыва газов наружу. Кроме этого, естественно, есть и меры по
недопущению искрения в электрических цепях и/или отсутствию контакта внешней
атмосферы с узлами датчика.
Конечно, в очень опасных по взрыву условиях надо применять
манометры с пневмовыходом (и, соответственно, пневмоавтоматику), но всем
хочется иметь легко обслуживаемую электронику, а не МТП, трубопроводы и прочие
громоздкие и малонадежные нагромождения. И "Кристаллы" вполне
способны справляться и с такими задачами.
3.7
Автоматический потенциометр КСУ2-030-01
Автоматические многоканальные регистрирующие приборы КСУ2
предназначены для измерения, регистрации и регулирования (при наличие
регулирующего устройства) температуры и других величин, изменение значений
которых может быть преобразовано в унифицированные сигналы силы, напряжения
постоянного тока или в активное сопротивление. Применяются при автоматизации
технологических процессов во всех отраслях промышленности. Технические
характеристики потенциометра КСУ2-030-01 предоставлены в таблице 7.
Таблица 7 - Технические характеристики потенциометра
КСУ2-030-01
|
Предел
допускаемой основной погрешности приборов по показаниям: показаний записи
|
\
|
|
Предел
допускаемого значения вариации приборов, выраженных в процентах от
нормирующего значения по сигнализации, не более
|
|
|
Длина шкалы и
ширина диаграммной ленты, мм
|
160
|
|
Количество
каналов измерения и записи
|
3
|
|
Питание от сети
однофазного переменного тока
|
220-240 В;
50-60 Гц
|
|
Потребляемая
мощность приборов ВА, не более
|
22
|
4. Специальное задание
4.1 Расчет
сужающего устройства
Исходные данные:
Наибольший измеряемый массовый расход 
Средний измеряемый массовый расход 
Абсолютное давление воды перед сужающим устройством 
Температура воды перед сужающим устройством 
Материал трубопровода ст. 20
Материал сужающего устройства Сталь 12X18Н10Т
Внутренний диаметр трубопровода, округленный по ГОСТу до
стандартного при температуре 

Определение недостающих для расчета данных
Плотность воды при 
; 
определяем по приложению 8 [8, с.111]:

.
Средний коэффициент линейного теплового расширения материала
трубопровода ст.20 определяем по таблице 1 [8, с.543]:

.
Определяем поправочный множитель на тепловое расширение материала
трубопровода по формуле:

; [1]

.
Определяем внутренний диаметр трубопровода по формуле:

; [2]

.
Динамическая вязкость воды в рабочих условиях определяем по
приложению 26 [26, c.249]:

.
Определение минимального перепада давления дифманометра
Верхний предел измерения дифманометра 
:

.
Определяем вспомогательную величину C по формуле:

; [3]

.
Определяем номинальный перепад давления дифманометра по приложению
32 [8] для m=0,15;

.
Определяем число Рейнольдса соответствующее верхнему пределу
измерения дифманометра:

; [4]

.
Определение параметров сужающего устройства
Наибольший предел давления на диафрагме 
:

.
Определяем вспомогательную величину 
:

. [5] Определяем коэффициент расхода по формуле:
αу=
· [0,5959+0,0312m1.05-0,184m4+0,0029m1.25
]; [6]
αу=
·

.
Определяем вспомогательную величину по формуле:
F1=
=0,091.
Определяем относительное отклонение δ1:
δ1=
·100%; [8]
δ1=
=9,64%.
Т.к. δ1<10%, то значения m1=0,15 и αy1=0,609 считаем окончательным.
Проверка ограничений числа Рейнольдса
Минимальное число Рейнольдса Re:
Re= 0,0361· 
; [9]
Re =
= 29013,3.
Минимальное допустимое число Рейнольдса
Remin=5·103. [п.5.1.1]
Условие Re>Remin выполняется.
Средний коэффициент линейного теплового расширения материала
сужающего устройства по таблице 1 [6]:
β’t=
=16,6·10-6 1/˚C.
Поправочный множитель на тепловое расширение материала
сужающего устройства K’t:
K’ t= [1+β’t
(t-20)]; [10]
K’ t =
=1,0023 1/˚C.
Диаметр отверстия диафрагмы при температуре 20 0С:
d20=
; [11]
d20=
.
Определяем диаметр отверстия диафрагмы при температуре 100 0С:
d=d20 ·k’t;
[12]
d=90,96·1,0023= 91,17 мм.
Проверка расчета
Расход, соответствующий предельному перепаду давления:
Qм пр=0,01252·αy·d2·
; [13]
Qм пр=
=6048 кг/ч.
4.2 Описание
принципиальной электрической схемы автоматического урановешенного моста
КСМ2-018-01
Усиление напряжения разбаланса измерительной схемы
производится электронным полупроводниковым усилителем ЭУ. В
отличие от полупроводникового усилителя, применяемого в автоматических
потенциометрах, входное устройство его не имеет вибропреобразователя. В
остальном схемы усилителей одинаковы.
Питание измерительной схемы прибора осуществляется от
силового трансформатора усилителя ЭУ переменным током напряжением 0,3 В,
частотой 50 Гц. К выходному каскаду усилителя присоединены резистор обратной
связи Rос
через конденсатор С1 - обмотка управления асинхронного
реверсивного микродвигателя РД. Обмотка возбуждения этого двигателя
подключена через фазосдвигающий конденсатор С2 и ослабляющий помехи конденсатор
С3 к сети переменного тока.
Двигатель РД с помощью тросика перемещает вдоль шкалы
отсчетного устройства ОУ подвижную каретку а с расположенными на ней
движком реохорда Rр, указателем и записывающим (печатающим) механизмом. Перемещение
в приборе диаграммной ленты общей длиной 20 м, сматываемой с рулона, и привод
переключающего термометры и печатающего механизмов производится синхронным
микродвигателем СД через редуктор. В схеме прибора с временем пробега
кареткой шкалы 2,5 с для успокоения ротора двигателя РД применен
тахометрический мост.
4.3 Описание
правил монтажа дифманометра Сапфир-22ДД-Вн типа 2460 и диафрагмы ДКС 10-250
Сужающие устройства должны монтироваться в
предварительно установленных фланцах только после очистки и продувки
технологических трубопроводов (желательно перед их опрессовкой). Установка
сужающих устройств должна производиться так, чтобы в рабочем состоянии
обозначения на их корпусах были доступны для осмотра.
Сужающее устройство можно устанавливать
только на прямом участке трубопровода независимо от положения этого участка в
пространстве. При выборе места установки сужающего устройства необходимо иметь
в виду, что измеряемый поток в этом месте должен целиком заполнить сечение
трубопровода.
К основным конструктивным факторам
трубопровода, влияющим на погрешности измерения расхода, относятся: отклонение
действительных диаметров участков от расчетных значений, овальность
трубопроводов, дефекты прямых участков трубопровода, длина прямых участков до и
после сужающего устройства.
Действительный внутренний диаметр участка
трубопровода перед сужающим устройством определяют как среднее арифметическое
результатов измерений в двух поперечных сечениях: непосредственно у сужающего
устройства и на расстоянии 2D2O от него, причем в каждом
из сечений не менее чем в четырех диаметральных направлениях. Результаты
отдельных измерений не должны отличаться от среднего значения более чем на 0,3
%.
Прямой участок трубопровода перед сужающим
устройством должен иметь круглое сечение на длине не менее 2D2O. Результаты отдельных
измерений диаметра на этой длине в любых различных плоскостях не должны
отличаться более чем на 0,3% от среднего диаметра.
На внутренней поверхности участка
трубопровода длиной 2D20 перед сужающим устройством и за ним не должно
быть никаких уступов, а также заметных невооруженным глазом наростов и
неровностей от заклепок, сварных швов и т.п.
Сужающие устройства необходимо
устанавливать на прямых участках трубопроводов, не имеющих непосредственно у
сужающего устройства местных сопротивлений (колен, угольников, задвижек,
вентилей, конических вставок и т.п.). Одним из важнейших факторов, влияющих на
точность измерения расхода жидкостей и газов, является правильно выбранные
расстояния между местными сопротивлениями и сужающим устройством (L1 - перед и L2 - после сужающего
устройства, а также L3 - между соседними сужающими устройствами), т.е. оптимальные длины
прямых участков.
Существует ряд особенностей взаимного
расположения местных сопротивления и сужающего устройства. Если расстояние
между единичными коленами в трубопроводе превышает 15 D20, то каждое колено
считают одиночным. Если это расстояние меньше указанного, то данную группу
коленьев считают одним местным сопротивлением данного типа. Это допущение
справедливо при условии равенства или превышения радиусов кривизны коленьев
диаметра трубопровода. Когда ближайший к сужающему устройству оказывается такое
местное сопротивление, как форкамера (емкость большого диаметра), то местные
сопротивления, расположенные до этой емкости, при выборе длины прямого участка
трубопровода во внимание принимают. При необходимости установить сокращенную
длину прямого участка трубопровода перед сужающим устройством при любом типе предстоящих
местных сопротивлений (кроме гильзы термометра) она не должна быть менее 10D20. Сокращение нормируемых
длин прямых участков трубопровода недопустимо, когда на последнем расположено
последовательно нескольких сужающих устройств.
Места расположения сужающих устройств указываются в
технологической части проекта. Врезка диафрагм осуществляется организациями,
монтирующими технологическое оборудование и трубопроводы.
Монтаж дифманометров включает в себя две
основные операции: установку и обвязку. Установка - это закрепление приборов на
строительных элементах зданий и сооружений, которая выполняется с помощью
установочных конструкций. Операция обвязки заключается в соединении
дифманометра с измерительной схемой. Импульсные линии, соединяющие прибор с сужающим
устройством, имеют достаточную протяженность (до 50 м). Для мембранных
дифманометров типа ДМ это расстояние бывает не более 15 м.
Монтаж основного протяженного участка
импульсных линий (трассы трубных проводок), сводится к, укладке и закреплению
на установленных конструкциях в основном прямых длинных отрезов труб. Включение
прибора в измерительную схему требует выполнения довольно сложного трубного
соединения, называемого узлом обвязки.
Бывают измерительные схемы с узлами
обвязки при расположении дифманометра ниже либо выше сужающего устройства.
Целесообразно выполнять эти узлы вне зоны монтажа в стационарных условиях, что
обеспечивает высокое качество работ при минимальных трудозатратах. Узлы обвязки
позволяют присоединить прибор как к импульсным, так и к продувочным линиям.
Определяющими условиями выбора конструкции
установки и обвязки дифманометров являются: тип и конструктивные особенности
дифманометра, измеряемая среда и ее параметры, вид выходного сигнала и
разновидность питания, взаимное расположение дифманометра и отборного
устройства, окружающая среда, место установки.
Любая установочная конструкция для
большинства дифманометров разделяется на две основные составляющие: подставку
под прибор и опору для крепления к элементу здания, сооружения и т.п. Такое
разделение в большинстве случаев позволяет сделать опору независимой от типа
дифманометра.
Перед подачей на монтаж дифманометры
должны пройти предмонтажную проверку, которая представляет собой комплекс
контроля отдельных характеристик приборов с целью обнаружения возможных
неисправностей, вызванных условиями хранения, транспортировки и т.п. В
предмонтажную проверку приборы принимают после проведения тщательного внешнего
осмотра.
При предмонтажной проверке определяют
целостность электрических и трубных цепей, сопротивление изоляции электрических
цепей, основную приведенную погрешность, срабатывание регулирующей части и
переключателей.
Приборы, прошедшие проверку, готовят к
доставке на место монтажа: прибор предохраняют от попадания в него грязи, пыли,
влаги (запирают арматуру и вставляют пробки заглушки отверстий вентильного
блока, отверстий подвода питания и т.п.)
Готовят место установки прибора. В
подготовленное место доставляют установочные конструкции (кронштейны, опоры). К
месту монтажа доставляют также собранный и замаркированный уел обвязки
дифманометра и устанавливают его на заранее закрепленную опору. Затем
устанавливают дифманометр и соединяют его с соответствующими концами труб узла
обвязки.
Соединительные линии для соединения сужающего устройства с
дифманометром называются импульсными и должны: изготавливаться из материала,
устойчивого против коррозирующего действия среды; быть герметичными и
рассчитанными на рабочее давление; иметь обоснованные проектом, с учетом
рабочих параметров и условий прокладки, диаметр и минимальную длину. Плюсовая и
минусовая линии должны находится в одинаковых температурных условиях; линии
должны быть проложены вертикально или с уклоном к горизонтали не менее 1: 10,
при этом желательно, чтобы на всем протяжении уклон линии был направлен в одну
сторону. Изгибы труб соединительных линий должны быть плавными и не должны
иметь острых углов и вмятин.
Выводы по
курсовому проекту
Согласно заданию по курсовому проектированию мной была рассмотрена
тема "Технологический контроль котлоагрегата Е-500-13,8 ГМ" с
паропроизводительностью 500 т/ч, давлением пара на выходе из котла 13,8 МПа и
температурой пара 560
.
На функциональной схеме представлено размещение всех приборов
и аппаратуры, ведущей контроль за регулируемыми параметрами.
В разделе "Обоснование выбора приборов и аппаратуры"
были описаны приборы, их принцип действия, принцип работы, технические
характеристики и назначения. В разделе расчетов мы определили число Рейнольдса,
нашли проходное отверстие диафрагмы при температуре 20
равное 90,96 мм, а при температуре 150
диаметр отверстия составил 91,17 мм. Определили относительное
отклонение δ1 = 9,64%, которое менее 10%, что позволило
принять величины m1=0.15 и αy1 = 0.609 считать окончательными.
В графической части курсового проекта имеется два чертежа. На
первом чертеже представлена принципиальная электрическая схема автоматического
уравновешенного моста КСМ2-018-01, принцип работы которой представлен в пункте
4.2, а на втором представлена установка дифманометра Сапфир 22ДД-Вн и камерной
диафрагмы ДКС10-250, монтаж которых описан в пункте 4.3.
Список литературы, использованной в ходе разработки данного
курсового проекта, предоставлен в конце пояснительной записки.
Список
используемой литературы
1. Каталог
ОАО ТКЗ "Красный котельщик", Таганрог, стр.12
. Проектирование
систем автоматизации технологических процессов: Справочное пособие. / А.С.
Клюев, Б.В. Глазов, Ф.Ч. Дубровский - 2-е издание. - Москва: Энергоатомиздат,
1990 - 464 с.
3. Теплотехнически
измерения: Учебник для техникумов. / Мурин. Г.А. - 5-е изд., перераб. и доп. -
М.: Энергия, 1979. - 424 с.
. Каталог
продукции: "Термопреобразователи". Обнинск 1999. Издательство
"Принтер".
. Вторичные
приборы: Каталог. - М., Энергоатомиздат, 1985.