Система автоматического регулирования разрежения в топке котла
Министерство
ОБРАЗОВАНИЯ И НАУКИ КРАСНОЯРСКОГО КРАЯ
Краевое
ГОСУДАРСТВЕННОЕ Автономное ОБРАЗОВАТЕЛЬНОЕ УЧРЕЖДЕНИЕ среднего
профессионального образования
(СРЕДНЕЕ
СПЕЦИАЛЬНОЕ УЧЕБНОЕ ЗАВЕДЕНИЕ)
Ачинский
техникум нефти и газа
КУРСОВОЙ
ПРОЕКТ
Система
автоматического регулирования разрежения в топке котла
Пояснительная
записка
Специальность
220301 Автоматизация технологических процессов и производств (по отраслям)
Разработал.A.Толстов
Руководитель
курсового проекта
Е.Н. Ступаков
Ачинск,
2014
СОДЕРЖАНИЕ ПОЯСНИТЕЛЬНОЙ ЗАПИСКИ
ВВЕДЕНИЕ
.
ОБЩАЯ ЧАСТЬ
.1
Описание технологического процесса
.
ТЕХНИЧЕСКАЯ ЧАСТЬ
.1
Описание работы схемы автоматизации
.2
Устройство и работа составных частей (приборов)
.3
Расчет и выбор регуляторов
.4
Выбор приборов и исполнительных устройств
.5
Заказная ведомость
.
ОХРАНА ТРУДА И ПРОМЫШЛЕННАЯ БЕЗОПАСНОСТЬ
ЗАКЛЮЧЕНИЕ
ВВЕДЕНИЕ
По уровню автоматизации теплоэнергетика занимает
одно из ведущих мест среди других отраслей промышленности. Теплоэнергетические
установки характеризуются непрерывностью протекающих в них процессов. При этом
выработка тепловой и электрической энергии в любой момент времени должна
соответствовать потреблению(нагрузке). Почти все операции на
теплоэнергетических установках механизированы, а переходные процессы в них
развиваются сравнительно быстро. Этим объясняется высокое развитие
автоматизации в тепловой энергетике.
Автоматизация параметров дает значительные
преимущества:
) обеспечивает уменьшение численности рабочего
персонала, т.е. повышение производительности его труда,
) приводит к изменению характера труда
обслуживающего персонала,
) увеличивает точность поддержания параметров
вырабатываемого пара,
) повышает безопасность труда и надежность
работы оборудования,
) увеличивает экономичность работы
парогенератора.
Автоматизация парогенераторов включает в себя
автоматическое регулирование, дистанционное управление, технологическую защиту,
теплотехнический контроль, технологические блокировки и сигнализацию.
Автоматическое регулирование обеспечивает ход
непрерывно протекающих процессов в парогенераторе (питание водой, горение,
перегрев пара и др.)
1. ОБЩАЯ ЧАСТЬ
.1 Описание технологического процесса
Паровым котлом называется комплекс агрегатов,
предназначенных для получения водяного пара. Этот комплекс состоит из ряда
теплообменных устройств, связанных между собой и служащих для передачи тепла от
продуктов сгорания топлива к воде и пару. Исходным носителем энергии, наличие
которого необходимо для образования пар из воды, служит топливо.
Основными элементами рабочего процесса,
осуществляемого в котельной установке, являются:
) процесс горения топлива,
) процесс теплообмена между продуктами сгорания
или самим горящим топливом с водой,
) процесс парообразования, состоящий из нагрева
воды, ее испарения и нагрева полученного пара.
Во время работы в котлоагрегатах образуются два
взаимодействующих друг с другом потока: поток рабочего тела и поток
образующегося в топке теплоносителя.
В результате этого взаимодействия на выходе
объекта получается пар заданного давления и температуры.
Одной из основных задач, возникающей при
эксплуатации котельного агрегата, является обеспечение равенства между
производимой и потребляемой энергией. В свою очередь процессы парообразования и
передачи энергии в котлоагрегате однозначно связаны с количеством вещества в
потоках рабочего тела и теплоносителя.
Горение топлива является сплошным
физико-химическим процессом. Химическая сторона горения представляет собой
процесс окисления его горючих элементов кислородом. проходящий при определенной
температуре и сопровождающийся выделением тепла. Интенсивность горения, а так
же экономичность и устойчивость процесса горения топлива зависят от способа
подвода и распределения воздуха между частицами топлива. Условно принято
процесс сжигания топлива делить на три стадии: зажигание, горение и дожигание.
Эти стадии в основном протекают последовательно во времени, частично
накладываются одна на другую.
Расчет процесса горения обычно сводится к
определению количества воздуха в м3, необходимого для сгорания единицы массы
или объема топлива количества и состава теплового баланса и определению
температуры горения.
Значение теплоотдачи заключается в теплопередаче
тепловой энергии, выделяющейся при сжигании топлива, воде, из которой
необходимо получить пар, или пару, если необходимо повысить его температуру
выше температуры насыщения. Процесс теплообмена в котле идет через
водогазонепроницаемые теплопроводные стенки, называющиеся поверхностью нагрева.
Поверхности нагрева выполняются в виде труб. Внутри труб происходит непрерывная
циркуляция воды, а снаружи они омываются горячими топочными газами или
воспринимают тепловую энергию лучеиспусканием. Таким образом, в котлоагрегате
имеют место все виды теплопередачи: теплопроводность, конвекция и лучеиспускание.
Соответственно поверхность нагрева подразделяется на конвективные и
радиационные. Количество тепла, передаваемое через единицу площади нагрева в
единицу времени носит название теплового напряжения поверхности нагрева.
Величина напряжения ограничена, во-первых, свойствами материала поверхности
нагрева, во-вторых, максимально возможной интенсивностью теплопередачи от
горячего теплоносителя к поверхности, от поверхности нагрева к холодному
теплоносителю.
Интенсивность коэффициента теплопередачи тем
выше, чем выше разности температур теплоносителей, скорость их перемещения
относительно поверхности нагрева и чем выше чистота поверхности.
Образование пара в котлоагрегатах протекает с
определенной последовательностью. Уже в экранных трубах начинается образование
пара. Этот процесс протекает при больших температуре и давлении. Явление
испарения заключается в том, что отдельные молекулы жидкости, находящиеся у ее
поверхности и обладающие высокими скоростями, а следовательно, и большей по
сравнению с другими молекулами кинетической энергией, преодолевая силовые
воздействия соседних молекул, создающее поверхностное натяжение, вылетают в
окружающее пространство. С увеличением температуры интенсивность испарения
возрастает. Процесс обратный парообразованию называют конденсацией. Жидкость,
образующуюся при конденсации, называют конденсатом. Она используется для
охлаждения поверхностей металла в пароперегревателях.
Пар, образуемый в котлоагрегате, подразделяется
на насыщенный и перегретый. Насыщенный пар в свою очередь делится на сухой и
влажный. Так как на теплоэлектростанциях требуется перегретый пар, то для его
перегрева устанавливается пароперегреватель, в данном случае ширмовой и
коньюктивный, в которых для перегрева пара используется тепло, полученное в
результате сгорания топлива и отходящих газов.
Описание конструкции объекта : Паровые котлы
типа ДЕ паро производительностью 6,5 т/ч, с абсолютным давлением 1,3 МПа (14
кгс/см2) предназначены для выработки насыщенного или перегретого пара,
используемого для технологических нужд промышленных предприятий, на
теплоснабжение систем отопления и горячего водоснабжения. Масса котельной
установки 16,5 т, температура питательной воды 100 С, температура пара 210 С. В
качестве сжигаемого топлива используют газ или мазут.
Котлы двухбарабанные вертикально-водотрубные
выполнены по конструктивной схеме «Д», характерной особенностью которой
является боковое расположение конвективной части котла относительно топочной
камеры.
Основными составными частями котлов являются
верхний и нижний барабаны , конвективный пучок и образующие топочную камеру,
левый топочный экран (газоплотная перегородка), правый топочный экран, трубы
экранирования фронтальной стенки топки и задний экран.
Снизу в топку подается нужный для сгорания
топлива воздух посредством дутьевых вентиляторов . Процесс горения топлива
протекает при высоких температурах, поэтому экранные трубы котла воспринимают
значительное количество тепла путем излучения.
Продукты сгорания топлива, называемые иначе
газами, поступают в котельные газоходы, при этом обогревается поверхность
пароперегревателя , омывают трубы экономайзера , в котором происходит подогрев
питательной воды до температуры, близкой к 200 С, поступающей в барабаны котла
. Далее дымовые газы проходят в дымоход и поступают в воздухоподогреватель . Из
него газы через дымовую трубу выходят в атмосферу. Вода в котел подается по
трубопроводу , газ-трубопроводу . Пар из барабана котла, минуя
пароперегреватель , поступает на паропровод.
Система автоматического регулирования разряжения
в топке котла сделана для поддержания топки под наддувом, то есть чтобы
поддерживать постоянство разряжения (примерно 4 мм.вод. ст.). При отсутствии
разряжения пламя факела будет прижиматься, что приведет к обгоранию горелок и
нижней части топки. Дымовые газы при этом пойдут в помещение цеха, что делает
невозможным работу обслуживающего персонала.
В питательной воде растворены соли, допустимое
количество которых определяется нормами. В процессе парообразования эти соли
остаются в котловой воде и постепенно накапливаются. Некоторые соли образуют
шлам - твердое вещество, кристаллизующееся в котловой воде. Более тяжелая часть
шлама скапливается в нижних частях барабана и коллекторов.
Повышение концентрации солей в котловой воде
выше допустимых величин может привести к уносу их в пароперегреватель. Поэтому
соли, скопившиеся в котловой воде, удаляются непрерывной продувкой, которая в
данном случае автоматически не регулируется. Расчетное значение продувки
парогенераторов при установившемся режиме определяется из уравнений баланса
примесей к воде в парогенераторе. Таким образом, доля продувки зависит от
отношения концентрации примесей в воде продувочной и питательной. Чем лучше
качество питательной воды и выше допустимая концентрация примесей в воде, тем
доля продувки меньше. А концентрация примесей в свою очередь зависит от доли
добавочной воды, в которую входит, в частности, доля теряемой продувочной воды.
Сигнализация параметров и защиты, действующие на
останов котла, физически необходимы, так как оператор или машинист котла не в
силах уследить за всеми параметрами функционирующего котла. Вследствие этого
может возникнуть аварийная ситуация. Например при упуске воды из барабана,
уровень воды в нем понижается, вследствие этого может быть нарушена циркуляция
и вызван пережег труб донных экранов. Сработавшая без промедления защита,
предотвратит выход из строя парогенератора
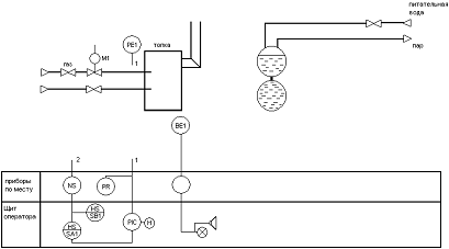
2. ТЕХНИЧЕСКАЯ ЧАСТЬ
.1 Описание работы схемы автоматизации
Датчик РЕ измеряет величину давления в топке
котла. Выходной сигнал датчика давления РЕ подается на вторичный прибор PR,
который установлен по месту. Далее сигнал передается на регулятор PIC, который
сравнивает его с сигналом задатчика Н при равенстве нулю этих сигналов,
выходной сигнал от регулятора отсутствует. При расхождении регулятор PIC
вырабатывает сигнал, который в электронных блоках регулятора усиливается и
преобразуется. Далее сигнал подается на ключ SA1, предназначенный для
переключения режимов управления «автоматический - полуавтоматический».
«Выходной сигнал с ключа SA1 подается на усилитель мощности NS». Усиленный
сигнал поступает на исполнительный механизм М1, состоящий из размещенных в
одном корпусе электродвигателя и редуктора. Исполнительный механизм М1 изменяет
положение газового клапана это приводит к изменению расхода газа. При этом
давление пара в парогенераторе изменяется до тех пор пока парогенератор не
выйдет на заданный режим давления. Кнопочный переключатель SB1 предназначен для
установленного включения электродвигателя исполнительного механизма М1 в ручном
режиме управления.
2.2 Устройство и работа составных частей
(приборов)
Измеритель - регулятор микропроцессорный
программируемый типа ТРМ12-PIC совместно с датчиком предназначен для измерения
входного параметра и импульсного управления электроприводом
запорно-регулирующих и трехходовых клапанов по
пропорционально-интегрально-дифференциальному (ПИД) закону. Прибор позволяет
обеспечить высокую точность поддержания значения измеряемого параметра для
объектов с большой инерционностью и с малым запаздыванием.
Прибор, оснащенный по желанию заказчика платой
расширения ПР-01, формирует стандартный ток, пропорциональный измеряемому
значению для регистрирующего устройства, например самописца, а также
обеспечивает работу под управлением ЭВМ с регистрацией на ней измеряемого
значения. Подключение прибора к ЭВМ производится через адаптер сети АС2,
выпускаемого предприятием-изготовителем данного прибора.
Прибор предназначен для автоматизации систем
отопления, горячего водоснабжения, а также управления технологическими
процессами в пищевой и медицинской промышленности, сельском и коммунальном
хозяйстве.
Магнитные воздушные пускатели второй величины
ПМЕ-200, общепромышленного применения предназначены, главным образом, для
дистанционного управления трехфазными асинхронными электродвигателями с
короткозамкнутым ротором переменного тока частоты 50 и 60 Гц а именно:
для пуска непосредственным подключением к сети и
остановки (отключения) электродвигателя (нереверсивные пускатели);
Пускатели предназначаются для работы в следующих
условиях:
) высота над уровнем моря - не более 1000 м;
) температура окружающего воздуха от -40 до
+40°С;
) относительная влажность окружающего воздуха -
не более 90% при +20°С и не более 50% при +40°С;
) окружающая среда - невзрывоопасная, не
содержащая значительного количества пыли и агрессивных газов и паров в
концентрациях, разрушающих металлы и изоляцию; в запыленной среде допускается
эксплуатация только пускателей пылебрызгонепроницаемого исполнения;
) отсутствие непосредственного воздействия
солнечной радиации;
) отсутствие резких толчков (ударов) и сильной
тряски;
) вибрация мест крепления пускателей с частотой
до 25 Гц при ускорении не более 0,7 g;
Манометр самопишущий ДМ 2001 предназначен для
измерения и непрерывной записи во времени на дисковой диаграмме избыточного
давления жидких и газообразных сред неагрессивных к материалам манометра, для
работы при температуре от -10 до +60 °C.
Самопишущие устройство манометра состоит из:
Диска диаграммного DR-250
Часового механизма
Продолжительность хода механизма от одной полной
заводки пружины не менее 8 суток.
Диапазон измерения записи избыточного давления,
МПа: от 0 до 1
Класс точности манометра: 1; 1,5
Предел допускаемой основной погрешности, % от
верхнего значения диапазона записи:
для класса точности 1,0: ±1,0
для класса точности 1,5: ±1,5
Время одного оборота диаграммного диска, час: 24
Погрешность хода привода диаграммного диска, %,
от времени одного оборота, не более: 0,2
Назначение датчика давления(Электрического)
СВД-И : Непрерывное преобразование, в электрический аналоговый или цифровой
сигнал, значения измеряемого параметра давления абсолютного, избыточного,
разряжения, давления-разряжения. Датчик может применяться для измерения
давления газов, паров, парогазовых и газовых смесей (в том числе газообразного
кислорода и кислородсодержащих газовых смесей) и некристаллизующихся,
незатвердевающих жидкостей (в том числе морской воды, масла, дизельного
топлива, мазута, керосина, бензина).
Функциональные возможности датчика давления:
В датчиках давления СДВ реализован ряд
конструктивных защит от негативных воздействий во время эксплуатации:
чувствительный элемент с 3-х кратным запасом прочности; двухмембранная
конструкция чувствительного элемента, исключающая прорыв измеряемой среды;
наличие встроенных элементов погашения импульсных сетевых помех.
Настройка датчика производится коммуникатором
СДВ (по сути «электронной отвёрткой»), с помощью которого возможна подстройка,
а также переключение диапазона ВПИ непосредственно на месте эксплуатации, не
разбирая сам датчик. Датчик с выходным сигналом 0,4-2,0 В обладают пониженным
энергопотреблением (менее 2 мА) и напряжение питания 3,6 В (литиевая батарея),
во время установления выходного сигнала после подачи напряжения питания -
порядка 100 мс, что позволяет использовать датчики в системах автономного
питания.
Исполнительный механизм МЭО-40
Сервопривод - устройство, предназначенное для
перемещения регулирующего органа в системах автоматического регулирования или
дистанционного управления, а также в качестве вспомогательного привода
элементов следящих систем, рулевых устройств транспортных машин и т. п.
Изменение положения регулирующего органа вызывает изменение потока энергии или
материала, поступающих на объект, и тем самым воздействует на рабочие машины,
механизмы и технологические процессы, устраняя отклонения регулируемой величины
от заданного значения. И. м. не только изменяет состояние управляемого объекта,
но и перемещает регулирующий орган в соответствии с заданным законом
регулирования при минимально возможных отклонениях. В большинстве случаев И. м.
действуют от посторонних источников энергии, так как непосредственное
управление И. м. от первичных элементов регулирования (реле, датчиков и др.)
невозможно вследствие их малой мощности, недостаточной для воздействия на
регулирующий орган. автоматическое
регулирование топка котел
И. м. обычно состоит из двигателя,
передачи и элементов управления, а также элементов обратной связи,
сигнализации, блокировки, выключения. И. м. для регулирования потока жидкостей
и газов представляет собой клапан, задвижку или затвор, перемещаемые
гидравлическим, пневматическим или электрическим приводом. В пневматических
системах автоматики применяют мембранные и поршневые Пневмопривод
<#"722871.files/image002.gif">
(2)
Параметры настройки

(3)
Где:
- регулирующее воздействие; 
- отклонение регулируемой величины;

- время первого полупериода
колебаний; 
- изменение отклонения регулируемой
величины; 
- коэффициент передачи регулятора.
Характерный переходный процесс
Вид переходного процесса
С 20%-м перерегулированием, т.е. с
отношением двух соседних амплитуд колебаний 
Характерные особенности
Положительные. Большое регулирующее
воздействие. Небольшое динамическое отклонение. Степень затухания 
Минимальное время первого
полупериода колебаний.
Отрицательные. Большое время
регулирования.
Рекомендации по применению
В случае если технологический режим
объекта допускает перерегулирование регулируемой величины.
Кривые выбора регулятора для переходного
процесса с 20%-м перерегулированием
1 -
И; 2 - П; 3 - ПИ; 4 - ПИД
Кривые выбора регулятор.
.4 Выбор приборов и исполнительных
устройств
Манометры самопишущие ДМ-2001
предназначены для измерения и непрерывной записи
во времени на дисковой диаграмме
избыточного давления жидких и газообразных
неагрессивных сред.
По устойчивости к воздействию к
температуре и влажности окружающего воздуха манометры соответствуют группе В4
по ГОСТ 12997-84 и имеют исполнение УХЛ, категорию 4 по ГОСТ 15150-69, но для
работы при температуре от минус 10°С до плюс 60°С; исполнение Т, категорию 3 по
ГОСТ 15150-69, но для работы при температуре от минус 10°С до плюс 60°С.
Самопишущие устройство манометра
состоит из:
Диска диаграммного DR-250
Часового механизма
Продолжительность хода механизма от
одной полной заводки пружины не менее 8 суток.
Диапазон измерения записи
избыточного давления, МПа: от 0 до 1
Класс точности манометра: 1; 1,5
Предел допускаемой основной
погрешности, % от верхнего значения диапазона записи:
для класса точности 1,0: ±1,0
для класса точности 1,5: ±1,5
Время одного оборота диаграммного
диска, час: 24
Погрешность хода привода
диаграммного диска, %, от времени одного оборота, не более: 0,2
Изменение показаний (записи) Δ от
воздействия температуры окружающего воздуха, выраженное в процентах от
диапазона показаний (записи) не должно превышать значения,
определяемого по формуле:
Δ = ±Кt Δ t, (1)
где Кt - температурный коэффициент,
не более 0,06 % / °С;
Δ t - абсолютное значение
разности температур, определяемое по формуле:
Δ t = t1 - t2 , (2)
где t1 - температура окружающего
воздуха, равная (20±2)°С или (23±2)°С
для манометров класса точности 1, и
(20±5)°С
или (25±5)°С для манометров класса
точности 1,5;
действительное значение температуры
в рабочем диапазоне
Устройство и работа изделия
Основными сборочными единицами
манометров является пружина Бурдона, передаточный механизм, самопишущая часть,
привод диаграммного диска.
Рис. 1. Конструкция манометра.
-пружина Бурдона; 2-наконечник;
3-штуцер; 4-трубка; 5-перо; 6,7-тяга; 8-диаграмма;
-наконечник; 10-корректор нуля;
11-арритир; 12-упор; 13-привод диаграммного диска
Пружина Бурдона 1 представляет собой
полую изогнутую по дуге окружности трубу овального сечения. Один конец пружины
закреплен в неподвижном основании с трубкой 4 и штуцером 3, второй конец
герметично закрыт наконечником 2 и посредством тяг (6,7) соединен с механизмом
Самопишущая часть состоит из пера 5
и наконечника для чернил 9.
Запись давления производится пером 5
на диаграммном диске 8. Качество записи зависит от уровня чернил в наконечнике
9.
Перо имеет корректор нуля, при
помощи которого во время регулировки оно
устанавливается на нуль диаграммного
диска, и подгибанием пера обеспечивается необходимый прижим его к диаграммному
диску
Вращение диаграммного диска
осуществляется с помощью часового механизма.
Действие манометра основано на уравновешивании
измеряемого давления силой упругой деформации пружины Бурдона. Измеряемое
давление через штуцер 3, трубку 4 поступает в полость пружины Бурдона 1,
вызывая перемещение свободного конца пружины.
Перемещение пружины через тяги
передается на перо 5, записывающее показания на диаграммный диске 8. вращение
которого осуществляется от привода диаграммного диска
Подготовка к работе
Первое включение манометра должно
производится только после ознакомления со всеми разделами настоящей инструкции.
Перед включением манометра в работу
необходимо:
Проверить герметичность соединений
манометра с подводящей линией давления, превышающим верхний предел измерения
манометра не более, чем на 5 %;
. Заполнить чернилами наконечник
пишущего узла;
. Установить диаграммный диск на
диаграммодержатель и закрепить его после установки пера и диаграммы на
соответствующей линии времени;
. Обеспечить прижим пера к
диаграммному диску при закрытой крышке, регулируя положение упора 12, который
нажимает на арретир 11;
. Пустить в ход приводное устройство
диаграммного диска 13
Техническое обслуживание и ремонт
Манометры надежны в эксплуатации, но
следует учитывать, что качество записи зависит от уровня чернил, который должен
занимать 3/4 объема наконечника.
Регулируя уровень, можно добиться
хорошей и устойчивой записи. По мере расходования чернил следует их добавлять в
наконечник.
В процессе эксплуатации манометры не
должны подвергаться перегрузкам, т.е. измеряемое давление не должно превышать
верхний предел измерений, указанный в паспорте.
Указание мер безопасности
К обслуживанию манометров должны
допускаться лица, ознакомленные с их назначением, схемой и устройством.
При работе с манометрами необходимо
соблюдать общие правила безопасности труда, распространенные на приборы, измеряющие
давление.
Не допускается:
эксплуатация манометров в системах,
давление в которых превышает верхнее значение диапазона записи избыточного
давления;
производить какие-либо работы по
монтажу и демонтажу при наличии давления в соединительных линиях.
Присоединение манометра к
соединительной линии производить только за штуцер манометра гаечным ключом.
Правила транспортирования и хранения
Манометры в транспортной таре
следует транспортировать транспортом любого вида в крытых транспортных
средствах в соответствии с правилами, действующими на транспорте каждого вида,
в условиях 4 по ГОСТ 15150.
Упакованные манометры должны
храниться в условиях 2 по ГОСТ 15150.
Способ укладки ящиков на
транспортирующее средство должен исключать их перемещение.
Характерные неисправности и методы
их устранения
|
Наименование
и внешнее проявление неисправности
|
Возможная
причина
|
Метод
устранения
|
|
1.
Перо манометра не реагирует на изменение измеряемого давления 2. Показания
манометра занижены и непостоянны 3. Перо не пишет или дает прерывистую и
неравномерную линию 4. Часовой механизм работает, а диаграммный диск не
вращается
|
1.
Свободное поворачивание пера на оси . 1.2 Засорение подводящей давление
линии 2. Не герметичность подводящей линии 3. Засорение канала пера 4. Ослабленная
затяжка винта, скрепляющего диаграммодержатель с осью
|
1.1.
Отключить штуцер от измеряемой среды, поставить перо в нулевое положение и
закрепить 2.2. Почистить подводящую давление линию 2. Устранить не
герметичность 4. Прочистить канал пера с помощью перочистки и по возможности
промыть в горячей воде, продуть 4. Затянуть винты
|