Параметрический стабилизатор напряжения
Оглавление
Введение
Описание
стабилизированного источника питания с непрерывным регулированием
Описание
стабилизатора напряжения с импульсным регулированием
Расчет
ПСН
Список
использованной литературы
Введение
стабилизированный напряжение
импульсный питание
Для выполнения задания были выбраны две схемы (с
непрерывным и импульсным регулированием) и рассчитан параметрический
стабилизатор напряжения (далее - ПСН).
Схема с непрерывным регулированием представляет
собой источник питания со стабилизацией по напряжению и току. Оригинальная
схема была взята из журнала Радио, №10
за 2006г.
Схема с импульсным регулированием - это
импульсный стабилизатор напряжения, построенный на микросхеме ШИМ - контроллера
TL494 фирмы Texas Instruments
(ШИМ - Широтно-импульсная модуляция). Материал по этой схеме взят на ресурсе
#"802842.files/image001.gif">
Рис.1 Типовая схема включения микросхемы LM317
Регулировка выходного напряжения осуществляется
посредством изменения коэффициента деления делителя напряжения R1+R2.
Конденсаторы - сглаживающие.
. Микросхема операционного усилителя
(далее - ОУ) LM308 фирмы Linear Technology
2. Описание принципа работы схемы с
непрерывным регулированием
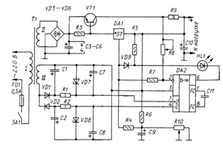
Схема, изображенная на рис.2, работает
следующим образом:
Трансформатор Т1, имеющий две вторичные обмотки,
преобразует сетевое напряжение 220 В в два напряжения, снимаемых с обмоток II
и III.
Напряжение, снимаемое со вторичной обмотки, обозначенной
II, выпрямляется при помощи двухполупериодного выпрямителя, построенного
на диодах VD3-VD6 и сглаживающих конденсаторах С3-С6 и
прикладывается к левому (по схеме) выводу резистора R3 и эмиттеру
транзистора VT1, который разгружает стабилизатор напряжения DA1
при больших токах нагрузки.
Напряжение, снимаемое с обмотки III,
прикладывается к двухполярному источнику питания, построенному на
однополупериодных выпрямителях VD1+C1 и VD2+C2 соответственно для
каждого полупериода, а также двух ПСН (VD7+R1 и VD8+R2) со
сглаживающими конденсаторами C7и C8. Этот источник предназначен
для питания микросхемы DA2 (ОУ), реализующей функции компаратора в цепи
ООС по току.
Рис.2 Принципиальная схема линейного
стабилизатора напряжения
На микросхеме DA1 и резисторах R6 и
R10 собран регулируемый стабилизатор напряжения. Регулировка
осуществляется перемещением движка резистора R10, за счет чего на выходе
DA1, а, следовательно, и на выходе (+) всей схемы устанавливается
требуемое напряжение. При малых токах нагрузка питается по цепи: обмотка II
трансформатора Т1 - выпрямитель - R3 - вход DA1- выход DA1 -
нагрузка.
Если ток нагрузки достигнет некоторого уровня,
это вызовет падение напряжения на резисторе R3, имеющего небольшой
номинал (30 Ом), которое приложится к переходу база-эмиттер мощного транзистора
VT1, за счет чего транзистор начнет открываться и пропускать через себя
ток. Ток нагрузки разделяется, и нагрузка питается уже по двум цепям: одна
описана выше, а другая начинается в точке соединения R3 и выпрямителя: VT1
- R9 - нагрузка. Таким образом, транзистор VT1 разгружает микросхему
стабилизатора DA1 по току и препятствует её чрезмерному нагреву и выходу
из строя.
По описанному принципу в данной схеме
реализуется стабилизация по напряжению. На выходе схема имеет сглаживающий
конденсатор C10, обеспечивающий сглаживание пульсаций уже
стабилизированного напряжения.
Стабилизация по току реализована следующим
образом.
Сигнал обратной связи по току снимается с
резистора R9 и поступает через резистор R8 на инвертирующий вход
ОУ DA2. R9
имеет маленький номинал (0,75 Ом) и является датчиком тока. Этот ток протекает
через переменный резистор R8, резисторы R7, R4, R10. Последние
два имеют значительно меньшее сопротивление, чем R8
и R7
и не оказывают существенного влияния на напряжение, приложенное к
инвертирующему входу ОУ. Таким образом, R8
и
R7
образуют делитель напряжения, и снимаемое с него напряжение оказывается
приложенным к выводу 2 микросхемы DA2.
Поскольку вывод 3 этой же микросхемы присоединен
к выходу DA1,
то напряжение на выводе 6 (выход ОУ) будет иметь высокий уровень до тех пор,
пока ток, протекающий через нагрузку и цепь R8-R7
и
регулируемый резистором R8,
не
создаст на выводе 2 напряжение, близкое к тому, что приложено к выводу 3 (то
есть к напряжению на нагрузке). Это вызовет понижение напряжения на выводе 6,
что спровоцирует протекание тока через диод VD9
и светодиод HL1.
Диод VD9,
смещенный в прямом направлении, вместе с резистором R5
образует делитель напряжения, подключенный к DA1.
Этот делитель задает микросхеме такой режим работы, при котором напряжение на
её выходе резко понижается, из-за чего уменьшается и ток, протекающий через
нагрузку.
Описание стабилизатора напряжения с
импульсным регулированием
Данный стабилизатор напряжения построен на
микросхеме TL494 фирмы Texas Unstruments (в схеме - DA1), которая представляет
собой регулируемый ШИМ - контроллер.
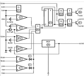
Для понимания работы схемы, изображенной на рис.4,
необходимо ознакомиться с функциональной схемой микросхемы DA1, представленной
на рис.3.
Рис.3 Функциональная схема микросхемы TL494
стабилизированный напряжение
импульсный питание
Рассмотрим состав и назначение
функциональных элементов микросхемы:
1. Времязадающий
генератор (Oscillator) вырабатывает
импульсы для тактирования узлов микросхемы. Частота следования импульсов
определяется величинами времязадающих резистора, подключаемого на вывод 6, и
конденсатора (вывод 5) и рассчитывается по формуле:
=1/(Rt-Ct)
Генератор рассчитан на работу в
диапазоне частот 1...300 кГц. При этом рекомендуется выбирать номиналы
резистора в диапазоне 1...500 кОм, конденсатора - 470 ПФ...10 мкФ.
2. Компаратор
плавного (задержанного) запуска (Dead-Time Comparator) обеспечивает задержку при переключении выходных транзисторов, пока
напряжение на выводе 4 больше максимального напряжения на времязадающем
конденсаторе. Внутреннее смещение на неинвертирующем входе компаратора
составляет порядка 110-120 мВ и обеспечивает минимальное время задержки включения
примерно на 3% при заземленном входе 4. При изменении напряжения на этом входе
в диапазоне 0...3,3 В, время задержки включения изменяется соответственно от 3
до 100%.
3. Входной
компаратор широтно-импульсного модулятора (PWM Comparator) сравнивает пилообразное напряжение на времязадающем конденсаторе
с выходным сигналом усилителей ошибки 6 и 7 (выв. 3). При этом для формирования
выходного управляющего сигнала напряжение на выходе усилителей ошибки должно
быть на 0,7 В выше, чем текущее напряжение на времязадающем конденсаторе (за
счет внутреннего смещения 0,7 В). При изменении выходного напряжения усилителей
ошибки от 0,5 до 3,5 В ширина выходных импульсов изменяется от 97% до 0.
4. Компаратор (U V
Lockout 1) обеспечивает блокировку выходного
каскада при напряжении на входе 12 ниже, чем 4,9 В.
5. Компаратор (UV
Lockout 2) обеспечивает блокировку выходного
каскада при напряжении на входе источника опорного напряжения (выв. 14) ниже,
чем 3,6 В.
6. Усилитель ошибки
2 (Error Amplifier 2) предназначен для организации
обратной связи. Обычно он используется для организации цепей защиты. Входы
усилителей ошибки рассчитаны на диапазон входных напряжений от -0,3 до 2 В,
хотя допускается подача и более высоких напряжений. Следует помнить, что при
минимальном напряжении на выходе усилителей ошибки достигается максимальная
(97%) длительность выходных импульсов.
7. Усилитель ошибки
1 (Error Amplifier 1) предназначен для
организации обратной связи. Обычно он используется для организации обратной
связи по напряжению.
8. Разделительный
диод усилителя ошибки 2 (Error Amplifier Diod).
9. Разделительный
диод усилителя ошибки 1 (Error Amplifier Diod).
10. Элемент 4ИЛИ.
11. D-триггер - делитель на два для создания двухфазного выходного сигнала.
12. 13. Элементы 2И, необходимые для блокировки выходных транзисторов с помощью
внешней схемы через выв. 13.
. 15. Элементы 2ИЛИ-НЕ,
необходимые для реализации парафазного режима.
16.17. Выходные транзисторы. Оба
транзистора имеют открытые коллекторные и эмиттерные выводы. Каждый транзистор
рассчитан на ток до 200 мА. Выходные транзисторы защищены от превышения
мощности рассеивания и имеют каскады ограничения тока, что позволяет
использовать их в режиме источника тока.
18. Формирователь опорного напряжения +5 В (5V Reference Regulator). Обеспечивает стабильное напряжение питания в диапазоне входных
напряжений 7.. .40 В.
Теперь рассмотрим принципиальную схему
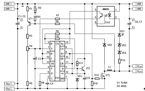
импульсного стабилизатора напряжения, изображенную на рис.4:
Рис.4 Принципиальная схема импульсного
стабилизатора напряжения
Конденсаторы C1,C2 имеют большую емкость
(4700 мкФ) и составляют входной фильтр.
Контроллер управления, собранный на микросхеме DA1
с элементами обвязки работает на частоте около 66 КГц. Частота задается
элементами R6,C4. Коллекторы выходных транзисторов соединены вместе
(выводы 8 и 11) и подключены ко входу питания микросхемы (выв. 12) (однофазный
режим). Эмиттеры
также соединены (выв. 9, 10) и нагружены на резистор R12, сигнал с которого
через резистор R13 подается на затвор полевого транзистора VT3. Второй
усилитель ошибки микросхемы не используется, поэтому его входы (15, 16)
соединены с выходом опорного напряжения (14). Резистор R9
подключен к инвертирующему входу первого усилителя ошибки (вывод 2), а резистор
R10 включен
между инвертирующим входом и выходом этого же усилителя ошибки (выв. 2 и 3),
таким образом связка R9,
R10
задают коэффициент усиления для схемы инвертирующего усилителя, построенного на
первом усилителе ошибки и резисторах R9,
R10.
Весь ШИМ-контроллер управляет мощным полевым
транзистором VT3,
работающим в ключевом режиме.
Мощный дроссель L1
и конденсаторы C6,C7,
имеющие большую емкость (33000 мкФ) образуют собой выходной фильтр. Диод VD2
разряжает дроссель.
Для питания микросхемы управления
имеется линейный стабилизатор на 15В- R11,VT2, VD1 , С5. Здесь R11 и VD1 образуют ПСН, задающий
постоянное напряжение на базе VT2, а конденсатор C5 - сглаживающий. Выходное напряжение линейного стабилизатора
выбрано исходя из рабочего диапазона напряжений питания микросхемы DА1 (7.. .40
В), а также из того факта, что напряжение на затворе полевого транзистора
(около 15В) соответствует току стока примерно 27 А.
В связи с тем, что описываемый
стабилизатор имеет общий плюс, а микросхема DА1 предназначена для работы в
схемах с общим минусом, возникла необходимость в создании схемы инверсии
обратной связи. Она создана на элементах R8, R2, R1, VT1, R3, R4, R5, СЗ.
Выходное напряжение импульсного стабилизатора подается на резистор R8,
составляющий с резисторами R2, R2A делитель напряжения. Напряжение с
этого делителя подается на базу транзистора VT1, инвертируется и с
коллектора поступает на делитель R3-R4-R5, с которого подается на неинвертирующий вход первого усилителя
ошибки (вывод 1). Резистором R2 устанавливается режим работы транзистора.
Резистором R4 устанавливается выходное напряжение импульсного
стабилизатора. Таким образом, увеличение выходного (отрицательного) напряжения
приведет к увеличению напряжения база-эмиттер транзистора, увеличится ток
коллектора, следовательно, увеличится напряжение на делителе R3-R4-R5, и, соответственно, напряжение на входе первого усилителя ошибки,
что приведет к сужению выходных импульсов напряжения и снижению выходного
напряжения.
Микросхема оптрона DА2,
светодиод SD1, два стабилитрона VD3 и VD4 на общее
напряжение стабилизации 50 В и резистор R13 образуют цепь защиты от превышения
выходного напряжения. Цепь работает следующим образом. При номинальном
напряжении на выходе стабилизатора (50 В) стабилитроны не включены, оптрон
также выключен и не влияет на работу всей схемы. При превышении выходного
напряжения уровня примерно 53 В происходит пробой стабилитронов и включаются
светодиод SD1, индицирующий о превышении выходного напряжения, и оптрон DА2.
При этом открытый транзистор оптрона подключает ко входу усилителя ошибки
источник опорного напряжения +5 В через резистор R7, что приводит к
резкому снижению выходного напряжения. Эта цепь используется только в момент
включения импульсного стабилизатора, когда конденсатор СЗ разряжен и
медленно заряжается через инвертор обратной связи VT1. Сам же
конденсатор СЗ необходим для подавления самовозбуждения этого каскада на
частоте примерно 3 кГц.
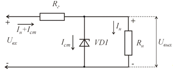
Расчет параметрического
стабилизатора напряжения
Рис.5 Принципиальная схема параметрического
стабилизатора напряжения
Требуется расчитать ПСН, имеющий следующие
характеристики:
= 8.4 В
= 6 мА
= 30 мА
= 23
=
=
0,1
. Выбирают стабилитрон Д808, имеющий
следующие характеристики:
= 7.0 В
= 8.5 В
= 6 Ом
= 3 мА
= 43 мА
=
0.07 %/К
= 380 мВт
. Уточняют значение выходного напряжения
стабилизатора по минимальному и максимальному значениям напряжения стабилизации
стабилитрона:
=
=
7.75 В
3. Проверяют выполнение условия по
температурной компенсации выходного напряжения для выбранного стабилитрона:
=
=
5,4 мВ/К
Учитывая, что найденное значение абсолютного
температурного коэффициента напряжения
меньше заданного значения
,
т.е.
,
то стабилитрон выбран верно.
. Определяют максимальное значение
коэффициента стабилизации
ПСН
=
35
Кст =
23 < Кст max
= 35.
5. Выбирают относительную амплитуду α~
переменной
составляющей входного напряжения ПСН. α~
=0.02
. Определяют номинальное, минимальное и
максимальное напряжения на входе ПСН
= 
31,8 В

28,6 В

35,2 В
. Вычисляют величину гасящего резистора

612 Ом
Выбирают типовое значение номинала резистора
7. Определяют
=
40 мА
=
3 мА
Предельное значение тока стабилитрона Д808 равно
43 мА, что больше полученного максимального значения тока через стабилитрон,
равного 40 мА.
. Определяют РVD
max
=
=
340 мВт
Выбранный стабилитрон может рассеять при Т=25 С
мощность, равную 380 мВт.
. Определяют амплитуду переменной составляющей
выходного напряжения
и внутреннее
сопротивление
стабилизатора по формулам
=
7
мВ
где
-
коэффициент сглаживания пульсаций, приблизительно равный
.
. Вычисляют КПД стабилизатора
0,19
. Определяют максимальный ток
,
потребляемый стабилизатором
46 мА
Список использованной литературы
1. П.
Хоровиц, У. Хилл - Искусство схемотехники (The art of electronics), издание 6,
Москва "Мир" 2003
2. Журнал
Радио, №10, 2006
3. Материал
с интернет-ресурса http://cxem.net/pitanie/5-162.php
4. Материал
с ресурса http://www.interlavka.narod.ru/stats03/impustab.htm
5. Материалы
с сайта http://vrtp.ru/