Стабилизаторы постоянного напряжения и тока

  • Вид работы:
    Реферат
  • Предмет:
    Информатика, ВТ, телекоммуникации
  • Язык:
    Русский
    ,
    Формат файла:
    MS Word
    340,96 Кб
  • Опубликовано:
    2013-07-18
Вы можете узнать стоимость помощи в написании студенческой работы.
Помощь в написании работы, которую точно примут!

Стабилизаторы постоянного напряжения и тока

Стабилизаторы постоянного напряжения и тока

При питании различных устройств радиоаппаратуры часто требуется поддерживать постоянство питания напряжения. Изменение этого напряжения может протекать по причине изменения напряжения первичного источника питания, из-за изменения сопротивления нагрузки либо условий работы питаемой аппаратуры. Для поддержки постоянства питающего напряжения используется автоматическое устройство - стабилизатор напряжения.

Стабилизатор должен автоматически реагировать как на медленные так и на достаточно быстрые изменения питающего напряжения.

Качество стабилизатора может быть охарактеризовано следующими параметрами.

. Коэффициент стабилизации напряжения.

Ксти=∆U0вх /U0вх:∆U0вых /U0вых, In=const

(или коэффициент стабилизации тока)

. Внутреннее сопротивление

Ri=∆U/∆I

. Коэффициент сглаживания пульсации

K=Uвхг/Uвх0=Uвыхг/Uвых0

. Температурный коэффициент не стабильности

γ=∆Uвых/∆toокр

5. Коэффициент полезного действия

ή=Pn/(Pn+Pcn)

Где Рст-мощность потребляемая самим стабилизатором

Классификация стабилизаторов

По принципу действия:

. Параметрическая (основана на элементах с нелинейными вольт-амперными характеристиками: газовые стабилитроны, п/п стабилитронами, бареттеры.)

. Компенсационные стабилизаторы (может быть с непрерывным или импульсным регулированием).

По способу включения регистрирующего элемента по отношению к нагрузке: параллельное и последовательные.

Малая стабилизация: мал 2 - 5%; ср 0.5 - 2%; высокое 0.1 - 0.5%; очень высокое менее 0.1%. Клистронный генератор до 1%.

Параметры стабилизатора напряжения тока

Unn используется не линейность В-А характеристик определительных приборов для стабилизации напряжения (газотроны - приборы с хол. катодом заполненным инертным газом, и п/п стабилитроны - плоскостные диоды, изготовленные специальным образом).

П/п стабилитроны включаются в обратном направлении и используется пологий участок его ВАХ.

Стабилизатор тока использует пологий участок бареттера (газонаполненный прибор с натянутой внутри нитью вольфрама или стали. Он обладает высоким температурным коэффициентом сопротивления.)

Полупроводниковые параметрические стабилизаторы постоянного напряжения.

Строим характеристики стабилитрона и нагрузочного сопротивления


Общая характеристика строится на основании двух зависимостей:

I0=I н+ Icт;вых= Uст= IнRн;


Отложив на оси ординат значение U0, подаваемое на вход, строим внешнюю характеристику источника до стабилизатора. Как видно при изменении входного напряжения от U0min до U0max напряжение на нагрузки изменяется от Uвых1 до U0вых2 причем ∆Uвых значительно меньше ∆ U0.

На рабочем участке характеристика стабилитрона практически линейна, поэтому связь между напряжением и током присутствует в следующем виде

Uст= U0+ rgIст,

где rг - динамическое сопротивление стабилитрона.

Учитывая это выражение можно составить эквивалентную схему стабилитрон


По схеме видно:

∆U0=(∆Iст+∆Iн) Rг+∆Uвых (1)

∆Iст=∆Uвых/rд ∆Iн=∆Uвых/Rн (2)

Из (1) Kcт=∆U0 Uвых /∆Uвых U0 (3)

Так как rг мало Кст =(Uвых/U0) (Rr/rг) (1+Rг/Rн)<< Rr/rг чем больше rг, тем больше Кст.

При U0=const ∆Iн≈-∆Iст, чтобы Uвых почти не изменилось ∆Iст вызывает ∆Uвых = - ∆Iст rг.

ri=∆Uвых/∆Iн≈rд

Выходное сопротивление стабилитрона определяется динамическим сопротивлением стабилитрона и не зависит от величины Rr.

Температурный коэффициент γ стабилитрона определяется ТКН стабилитрона. Для уменьшения γ включается после диода или стабилитрона ТКН в положительном направлении диода отрицателен. В итоге при изменении температуры напряжение изменяется незначительно. КПД мал и определяется следующим выражением:

Для увеличения точности стабилитрона применяется многоканальные схемы.


Выходное сопротивление равно приблизительно динамическому сопротивлению стабилитрона Д1. Т.о. повышает стабильность по входному напряжению, однако поток и нагрузка остается такой же как и в однокаскадном.

Параметры стабилизатора.

Переменное напряжение.

Принцип действия основан на использовании нелинейных элементов с малым динамическим сопротивлением потока. Таким элементом может являться дроссель с насыщенным сердечником. Простейший стабилитрон содержит дроссель с насыщенным сердечником и линейный дроссель.



Предположим что Zн= ∞. Если выбрать диапазон изменения Uс, то видно что соответствующие ему ∆Uвых значительно меньше ∆ Uвх, что и говорит обо эффекте стабилизации.

Непостоянна по потерям не имеет практического применения.

. Cos.φ очень низок и составляет 0.2 ÷ 0.3.

2. Большой ток требуется для захода в область насыщения, следовательно большие габариты дросселей.

. Коэффициент стабилизации невелик, что привело к использованию более сложных схем, где параллельный пелин дросселя подключается специально в выбранный конденсатор.


Динамическая емкость позволяет сместить рабочий участок в область малых токов. При малых напряжениях индукция дросселя велика, ток в дросселе мал и результирующий ток имеет емкостную характеристику. Параметры выбраны так, что при определении напряжения в схеме возникает резонанс токов, схема называется феррорезонансной. ∆ Uн меньше ∆ Uлн, следовательно повысится коэффициент стабилизации.

Недостатки:

1.      Относительно большие габариты.

2.      Сложность обеспечения резонанса на низких частотах.

.        Чувствителен к частоте питающего напряжения. При изменении f на 1 ÷ 2% → U на 2 ÷ 3.5%.

.        Наличие искажения формы напряжения. Однако Cos.φ выше чем U стабилизации без С. На практике используется следующая схема:


U2 >U1, что бы обеспечить стабильное понижение напряжения при снижении входного напряжения.


Uвых = U2 - Uк

Достоинство феррорезонаторной стабилизации напряжения: простота, высокая надежность, высокий КПД (до 0.85), стойкость к перегрузкам и механического воздействия.

Один способ стабилизации переменного напряжения на п/п приборов.


Другой способ.


Компенсационные стабилизаторы напряжения и тока

Компенсационные стабилизаторы являются устройствами автоматического регулирования с импульсным и непрерывным регулированием.

Компенсационные стабилитроны могут классифицироваться также по виду стабилизируемого напряжения: постоянного и переменного.

М.б. комбинированные с использованием одновременно стабилизации по переменному и постоянному току, а также с использованием одновременно импульсного и непрерывного регулирования.

По способу включения регулирующего элемента стабилизаторы бывают с последовательным и переменным регулированием.


С1 - используется для уменьшения пульсации выходного напряжения. Сн - препятствует самовозбуждению так как из за большого коэффициента усиления в ЦОС такие устройства склонны к самовозбуждению.

VД2 и VД3 обеспечивает температурную компенсацию.

R3 и R4 задают режим работы РЭ по постоянному току.

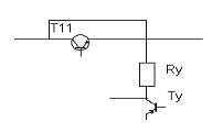
Применение в качестве регулирующего элемента в качестве составного примера имеющего общий коэффициент усиления по току h21c = h21 (11) h21 (12) h21 (13) позволяет составить мощный транзистор VT11 с маломощным усилителем, а также повысить коэффициент стабилизации.

Kст= μpKy αUвых/Uв

ri=-1/ SpKy α

μp - коэффициент усиления по напряжению составного транзистора,

α - коэффициент деления выходного делителя,

ri - внутреннее сопротивление,

Sp - крутизна регистрационного транзистора.

Компенсационный транзистор постоянного напряжения с непрерывным регулированием.

Они могут быть выполнены как на транзисторах, так и на электронных лампах.

Структурные схемы не зависят от типа электронных элементов и имеют следующий вид:


Сх с параллельным включением применяется ограниченный и используется преимущественно при импульсном токе нагрузки. Стабилизация с последовательным регулированием имеет более высоки КПД и применяется очень широко.

Принцип действия, как следует из структурных схем для ламповых и полупроводниковых стабилитронов одинаков, поэтому рассмотрим его на примере п/п транзистора постоянного напряжения.

При увеличении Uвх, увеличивается Uвых, что приводит к увеличению тока через VTу, при этом подзапирается составной транзистор VT11 - VT13. на транзисторе VTу таким образом собрано схема сравнения и УПТ. Источник опоры по прям. построен на Rг и VД.

Возможны вариации основного варианта схемы за счет изменений условий питания УПТ, схемы сравнения.

Использование отдельного источника не всегда удобно (например при питании от аккумулятора). При питании УПТ со входа высокого качества работы схемы добиться трудно.


Для повышения качества работы УПТ применяют в качестве его нагрузки стабилизатор тока в виде эмитторного повторителя. В этом случае не только ток коллектора Т2 мало зависит от Uвх, но и Rу экв. Много больше Rу, что значительно повышает качество стабилизации.


По разному могут строится и схемы сравнения и УПТ. Использование дифференциального усилителя позволяет компенсировать температурный дрейф усилителя.

Рассмотрим возможности по типу нагрузки выходному напряжению при ограниченном выборе транзисторов, можно использовать последовательное и параллельное включение регулирующих транзисторов.


В большинстве случаев мощный транзистор становится на радиатор.

Стабилизаторы постоянного напряжения с регулятором в цепи переменного тока.

В ряде сигналов, например, в высоковольтных стабилизаторах напряжения, регулирующий элемент включается в цепь переменного тока.

В качестве таких Рэ используются магнитные усилители с самонасыщением, транзисторы включенные по определенной схеме, тиристоры и т.д.

Фрагмент схемы с транзистором:


Принцип действия.

Тримистер транзистора Тр1 не обязательно и вызвано необходимостью гальванической развязки между сетью и РЭ. Кроме этого его применение позволяет использовать в схеме транзистор с небольшими рабочими напряжениями.

Транзисторные регуляторы в цепи периодического тока применяются в высоковольтных транзисторных стабилизаторах.

Тиристорные регуляторы по сравнению с транзисторными могут пропустить значительно большие токи и выдерживать значительно большие напряжения. В связи с этим стабилизаторы на тиристорах могут быть выполнены на значительно большие мощности, чем стабилизаторы на транзисторах.


Принцип действия стабилизатора основан на изменении угла включения тиристоров α. При изменении выходного напряжения стабилизатора изменяется сигнал на выходе схемы сравнения и на выходе усилителя постоянного тока. Изменение сигнала на выходе усилителя изменяет фазу управляющих импульсов, а следовательно и угол включения тиристоров.

При увеличении, например, входного напряжения в результате воздействия цепи обратной связи угол α увеличивается от величины от величины α1 до α2, что уменьшает напряжение на первичной обмотке транзистора и снимает выходное напряжение стабилизатора до первичного значения.

При уменьшении выходного напряжения угол α уменьшается.

Стабилизаторы с непрерывным регулированием

Существенным недостатком стабилизаторов с непрерывным регулированием являются их низкая экономичность, что ведет к увеличению габаритов.

В импульсных стабилизаторах регулирующий транзистор работает в ключевом режиме, который характеризуется быстрым переходом рабочей точки из области отсечки в область насыщения. При этом мощность, рассеиваемая на регулируемом элементе во много раз меньше, чем при его работе в линейном режиме. Повышение КПД стабилизатора при ключевом режиме работы позволяет уменьшить габариты.

В общем виде структурная схема импульсных стабилизаторов имеет следующий вид:


СФ - сглаживающий фильтр принципиально необходим, так как ток в нагрузку поступает импульсно.

ИФ - импульсный элемент служит для управления работой регулирующего элемента.

Наибольшее применение получили два типа импульсных стабилизаторов: стабилизатор с ШИМ и релейные или двухпозиционные стабилизаторы.

В стабилизаторах с ШИМ регулирующий элемент переключается с постоянной частотой, по времени открытого и закрытого состояния силового транзистора изменяется импульсным элементом таким образом, чтобы выходное напряжение оставалось неизменным. Т.е. изменяется скважность Q=T/tu, оставляя неизменным значение постоянной составляющей Uo выходного напряжения.

В релейных стабилизаторах в качестве импульсного элемента применяется триггер, который управляет процессом переключения регулирующего транзистора. При подаче постоянного напряжения на вход стабилизатора в первый момент регулирования транзистор открыт и напряжение на входе стабилизатора увеличится. Соответственно растет сигнал на входе схемы сравнения. При определенной величине выходного напряжения величина сигнала на выходе схем сравнения станет достаточной для срабатывания триггера, последний срабатывает и закрывает регулирующий элемент. Напряжение на входе стабилизатора начинает уменьшаться, что приведет к уменьшению сигнала (нижний порог срабатывания) триггер вновь срабатывает и откроет регулирующий транзистор. Напряжение на выходе стабилизатора начинает увеличиваться. Таким образом будет повторяться. Изменение входного напряжения или тока нагрузки стабилизатора приведет изменению продолжительности открытого или закрытого состояния регулирующего транзистора и к изменению частоты его переключения, а среднее значение выходного напряжения будет поддерживаться неизменным с определенной степенью точности.

Наиболее значительный узел изучаемой дисциплины - это силовая часть импульсного стабилитрона, которая независимо от типа содержит в себе регулируемый транзистор VT11, дроссель L1, емкость С1 и коммутирующий диод VD1, включены по следующей схеме:


Рассмотрим процессы, происходящие в регулирующем транзисторе и коммутирующем диоде токов и напряжений, представленных на рисунке.

В момент t1 в цепь базы закрытого транзистора VT11 подается импульс тока, достаточный для насыщения цепи коллектора. Рабочая точка перемещается из области отсечки в область насыщения за время tin, которое зависит от величины тока базы и частотных свойств транзистора.

Исходя из постоянного тока в дросселе, ток диода VД1 уменьшается, напряжение на диоде мало а к транзистору приложено напряжение равное входному Uвх. Из-за конечного времени запирания диода ток диода некоторое время имеет обратный знак, на токе коллектора появляется выброс.


В момент времени t2 коллекторный ток транзистора становится равным I к11 min = IД2 min. Напряжение UК11 уменьшается до напряжения насыщения, а ток в диоде Д1 падает до 0. в интервале времени t2 - t3 ток коллектора возрастает, ток диода равен обратному току а напряжение на диоде равно входному.

В момент t3 на базу транзистора подается запаздывающее напряжение, ток базы меняет свое напряжение, а ток коллектора начинает уменьшаться с задержкой на время рассасывания избыточной концентрации не основных носителей в базе.

Как только транзистор начинает закрываться, ЭДС самоиндукции дросселя меняет знак и диод включается. Напряжение на диоде падает до 0. Переход транзистора из насыщенного состояния в режиме отсечки происходит за время величина которого зависит от частотных свойств транзистора и от величины тока базы ∆Iбз.

В момент времени t4 ток iк11 уменьшается до минимальной величины, а ток iД2 увеличивается до IД2 max = I к11 max.

В интервале t4 - t5 ток диода уменьшается. Напряжение Uк11 = Uвх. Начиная с момента времени t5, процесс повторяется.

Очень важным параметром импульсного стабилитрона является мощность, рассеиваемая регулирующим транзистором. Величина этой мощности определяет КПД всего устройства и в значительной степени влияет на его габариты.

Она состоит из трех: мощности в режиме отсечки Рко, в режиме насыщения Ркн и в режиме переключения Ркп

Рко = Uо Iко (1-γ)

Ркн = Uкэ нас Iкmax γ

Ркп = Uо Iкmax (t in + t off) fo/2

Рк = Рко + Ркн + Ркп

Где Iко - начальный коллекторный ток транзистора;

Uкэ нас - напряжение коллектор-эмиттер транзистора в режиме насыщения;

Iкmax - максимальный коллекторный ток;

t in - время включения;

t off - время выключения;

fo - частота переключения;

γ - относительное время открытого состояния транзистора, γ = Ти / То

При малых Iко суммарная мощность в основном определяется Ркн и Ркп.

В стабилизаторах напряжения γ = Uвых / Uо чем больше Uо тем меньше γ и меньше Ркн.

Составляющая Ркп зависит от частотных свойств транзистора (t in + t off) и частоту переключений fo.

На входе фильтра импульсного стабилизатора напряжения имеем форму прямоугольных импульсов. Амплитуда пульсации выходного напряжения максимальна при γ = 0.5.

В качестве импульсных элементов стабилизаторов напряжения используются триггеры, мультивибраторы и т.д.

Рассмотрим схему с триггером на туннельном диоде.

стабилизатор напряжение стабилитрон импульсный


Схема сравнения аналогична схеме в стабилизаторе с непрерывным регулированием.

Положим в момент tо напряжение на входе стабилизатора уменьшится до величины при которой срабатывает триггер. Ток коллектора ТУ скачком уменьшается до нуля.

Закрываются транзисторы Т3 и Т2 и транзисторы Т12 и Т11 открываются, а емкость Сзап заряжается через сопротивление RZ1. напряжение на входе фильтра скачком возрастает до Uвх. Диод VD2 закрывается. Ток дросселе и транзисторе Т11 начинает увеличиваться. Напряжение на выходе стабилизатора определяется некоторым временем перехода, пока ток в дросселе не сравняется с током нагрузки, а затем начинает расти. В момент t1 напряжение на базе Ту достигает такой величины, при которой вновь срабатывает триггер. Ток коллектора Т4 скачком достигает максимума. Транзисторы Т2 и Т3 открываются, подключая между базой и эмиттером транзисторов Т11 и Т12 емкость Сзап. Т11 и Т12 закрываются. Дроссель начинает разряжаться через VD2 на нагрузку, поэтому напряжение на входе стабилизаторы еще некоторое время увеличивается пока ток в дросселе больше тока нагрузки, а затем начинает уменьшатся. Приходим к первоначальному состоянию, когда открылся регулирующий транзистор, так процесс повторяется.

При изменение входного напряжения или тока нагрузки изменяется скважность импульсов тока регулирующих транзисторов, а среднее значение выходного напряжения остается неизменным.

Коэффициент затухания фильтра повышают, увеличив индуктивность дросселя при соответствующем уменьшении емкости (из условия постоянства резонанса частот). Однако это приводит к значительному увеличению габаритов дросселя.

Повышение частоты колебании без изменения параметров фильтра, порогов срабатывания триггера и коэффициента усиления усиление может быть достигнуто введением дополнительных ускоряющих элементов, которые значительно снижают амплитуду пульсации.

Подавление пульсации, которое особенно затруднено при большой выходной мощности более эффективно осуществляется в непрерывно - импульсных стабилизаторах.

Литература

1.   Борисов Ю.М. Электротехника: учеб. пособие для вузов / Ю.М. Борисов, Д.Н. Липатов, Ю.Н. Зорин. - Изд.3-е, перераб. и доп.; Гриф МО. - Минск: Высш. шк. А, 2007. - 543 с

2.      Григораш О.В. Электротехника и электроника: учеб. для вузов / О.В. Григораш, Г.А. Султанов, Д.А. Нормов. - Гриф УМО. - Ростов н/Д: Феникс, 2008. - 462 с

.        Лоторейчук Е.А. Теоретические основы электротехники: учеб. для студ. учреждений сред. проф. образования / Е.А. Лоторейчук. - Гриф МО. - М.: Форум: Инфра-М, 2008. - 316 с.

.        Федорченко А.А. Электротехника с основами электроники: учеб. для учащ. проф. училищ, лицеев и студ. колледжей / А.А. Федорченко, Ю.Г. Синдеев. - 2-е изд. - М.: Дашков и К°, 2010. - 415 с.

.        Катаенко Ю.К. Электротехника: учеб. пособие / Ю.К. Катаенко. - М.: Дашков и К°; Ростов н/Д: Академцентр, 2010. - 287 с.

.        Москаленко В.В. Электрический привод: Учеб. пособие для сред. проф. образования / В.В. Москаленко. - М.: Мастерство, 2000. - 366 с.

.        Савилов Г.В. Электротехника и электроника: курс лекций / Г.В. Савилов. - М.: Дашков и К°, 2009. - 322 с.

.        Синдеев Ю.Г. Электротехника с основами электроники: учеб. пособие для проф. училищ, лицеев и колледжей / Ю.Г. Синдеев. - Изд. 12-е, доп. и перераб.; Гриф МО. - Ростов н/Д: Феникс, 2010. - 407 с.

.        Евдокимов, Ф.Е. Теоретические основы электротехники: учеб. для средн. проф. обр. / Ф.Е. Евдокимов - М.: Academia, 2004. - 560 c.

.        Данилов, И.А. Общая электротехника с основами электроники / И.А. Данилов - М.: Высш.шк., 2000. - 752 с.

Похожие работы на - Стабилизаторы постоянного напряжения и тока

 

Не нашли материал для своей работы?
Поможем написать уникальную работу
Без плагиата!
Без нейросетей!