Мостовые электрические краны
Введение
Кранами называются грузоподъемные устройства,
служащие для вертикального и горизонтального перемещения грузов на небольшие
расстояния. По особенностям конструкции, связанным с назначением и условиями
работы, краны разделяются на мостовые, портальные, козловые, башенные и др. В
цехах предприятий электромашиностроения наибольшее распространение получили
мостовые краны, с помощью которых производятся подъем и опускание тяжелых
заготовок, деталей и узлов машин, а также их перемещение вдоль и поперек цеха.
Вид мостового крана в основном определяется спецификой цеха и его технологией,
однако многие узлы кранового оборудования, например механизмы подъема и
передвижения, выполняются однотипными для различных разновидностей кранов.
На рис. 1.1 показан общий вид нормального
(крюкового) мостового крана. Несущая сборная конструкция крана представляет
собой мост с двумя главными балками коробчатого сечения (или с решетчатыми
фермами), перекинутыми через пролет цеха, и концевыми балками и на которых
установлены ходовые колеса. Колеса перемещаются по рельсам подкранового пути,
закрепленным на балках опорных конструкций в верхней части цеха. Привод ходовых
колес осуществляется от электродвигателя через редуктор и трансмиссионный бал.
Вдоль моста проложены рельсы, по которым на
колесах, приводимых во вращение электродвигателем через редуктор, перемещается
тележка с подъемной лебедкой. На барабан лебедки наматываются подъемные канаты
с подвешенным к ним на блоках крюком для захвата грузов. Барабан приводится во
вращение электродвигателем через редуктор.
Управление работой механизмов крана производится
из кабины оператора-крановщика, в которой установлены контроллеры или
командоконтроллеры - органы ручного управления электроприводами механизмов.
Электроаппаратура управления приводами размещается в шкафах, установленных на
мосту крана. Здесь же располагаются ящики резисторов.
Рис. 1.1 - Общий вид мостового крана
(1 - кабина, 2 - рельс, 3 -колесо , 4 - мост, 5
- гибкий токоподвод, 6 - барабан для легких грузов, 7 - барабан для тяжелых
грузов, 8 - электропривод тележки, 9 - трос, 10 - ремонтная кабина, 12 -
тележка, 13 - электропривод моста)
Для проведения операций обслуживания механизмов
и электрооборудования предусмотрен выход на мост из кабины через люк.
Электроэнергия к крану подводится при помощи скользящих токосъемников от
главных троллеев, уложенных вдоль подкранового пути. Для подвода питания к
электрооборудованию, размещенному на тележке, служат вспомогательные троллеи,
идущие вдоль моста.
В зависимости от вида транспортируемых грузов на
мостовых кранах используют различные грузозахватывающие устройства: крюки,
магниты, грейферы, клещи и т.п. В связи с этим различают краны крюковые,
магнитные, грейферные, клещевые и т.д. Наибольшее распространение получили
краны с крюковой подвеской или с подъемным электромагнитом, служащим для
транспортировки стальных листов, скрапа, стружки и других ферромагнитных
материалов. Питание электромагнита, подвешиваемого к крюку, осуществляется с
помощью гибкого кабеля, для намотки которого на кране установлен кабельный
барабан, приводимый во вращение через передачу от барабана лебедки.
У всех типов кранов основными механизмами для
перемещения грузов являются подъемные лебедки и механизмы передвижения. Это
позволяет выделить ряд общих вопросов электропривода кранов: расчет статических
нагрузок, выбор двигателей по мощности, анализ режимов работы, выбор системы
электропривода и другие.
Так как двигатели обычно имеют угловую скорость
значительно большую, чем скорость подъемного барабана или ходовых колес моста
(тележки), то движение к рабочим органам механизмов крана передается через
редукторы. Для механизмов подъема наибольшее применение получили схемы с
полиспастом, при помощи которого движение от барабана, передается крюку.
Механизм передвижения тележки обычно имеет четыре ходовых колеса. Два из них,
соединенные валом, приводятся в движение через редуктор от двигателя. Передача
движения к ходовым колесам концевых балок от двигателя, установленного на мосту,
может осуществляться через редуктор, расположенный в средней части моста.
Широко применяется также схема механизма
передвижения моста с раздельным приводом ходовых колес. Каждый механизм крана
имеет механический тормоз, который устанавливается на соединительной муфте
между двигателем и редуктором или на тормозном шкиве, на противоположном конце
вала двигателя. Номинальные скорости движения крюка 0,15-0,2 м/с, тележки
0,65-1 м/с, моста 2,0- 2,3 м/с.
На рис. 1.2 представлен общий вид тележки
мостового крана. НА тележках устанавливается два механизма подъёма - для легких
и для тяжелых грузов с целью увеличения производительности и уменьшения потерь
при перемещение тяжелого крюка.
Рис. 1.2 - Тележка мостового крана
(1 -гибкий токоподвод, 2, 4,15 - тормозные
механизмы, 3 - электропривод перемещения тележки, 5 - редуктор механизма
перемещения тележки, 6, 12 - электроприводы механизмов подъёма, 7,13 - крюки
механизмов подъёма, 8, 14 - барабаны механизмов подъёма, 9 - направляющие, 10 -
колесо, 11 - корпус тележки, 12 - электропривод механизма подъёма легких
грузов, 13 - крюк для подъёма легких грузов, 6,17 - редукторы механизмов
подъёма)
По грузоподъёмности мостовые краны условно
разделяют на малые (масса груза 5-10 т), средние (10- 25 т) и крупные (свыше 50
т). Обычно на тележках мостовых кранов грузоподъемностью свыше 15 т.
Устанавливают два механизма подъема: главный - для подъема тяжелых грузов с
малой скоростью, и вспомогательный - для подъема легких грузов с большой скоростью
(с соотношением грузоподъемности, например, 20/5, 30/5, 50/10 т). Вызвано это
тем, что поднимать грузы малого веса тяжелым крюком невыгодно, так как
расходуется лишняя электроэнергия.
1. Общая часть
.1 Краткая технология участка. Роль
проектируемого механизма. Требования к электроприводу. Механическое устройство.
Кинематика
Современная технология промышленного
производства требует постоянного насыщения средствами комплексной механизации
трудоёмких процессов и исключения тяжелых ручных работ.
Поэтому в производственном процессе играют не
последнюю роль грузоподъёмные машины для подъема и перемещения грузов,
называемых кранами.
Электрические краны получили широкое
распространение в различных областях промышленности.
Мостовые краны являются наиболее распространённым
типом кранов, применяемых для внутрицехового и внутрискладского транспорта во
всех отраслях промышленности.
В цехе 32 производственный процесс без кранов
невозможен. Краны используются для погрузки (разгрузки) грузовых машин, для
переноса слитков, расходуемых электродов и других грузов. Краны применяются при
загрузке электродов в печь и перемещения плавильного инструмента. С помощью них
осуществляется перенос готовых слитков на последующую обработку, загрузка
слитков в грузовые машины.
По заданию проекта необходимо выбрать
электрооборудование и электропривод для мостового крана грузоподъемностью 50
тонн.
Для выбора системы электропривода необходимо
четко представлять себе технологические требования к приводу того механизма,
для которого, он выбирается.
Установление таких требований облегчает выбор
оптимальной системы электропривода, т.е. такой, которая наиболее проста и
дешева из всех систем, обеспечивающих желаемые эксплуатационные показатели
механизма.
Для качественного выполнения подъема, спуска и
перемещения грузов электропривод крановых механизмов должен удовлетворять
следующим основным требованиям:
1. Регулирование
угловой скорости двигателя в сравнительно широких пределах (для обычных кранов
до 4: 1, для специальных кранов - до 10:1 и более) в связи с тем, что тяжелые
грузы целесообразно перемещать с меньшей скоростью, а пустой крюк или
ненагруженную тележку - с большей скоростью для увеличения производительности
крана. Пониженные скорости необходимы также для осуществления точной остановки транспортируемых
грузов с целью ограничения ударов при их посадке и облегчают работу оператора,
так как не требуют многократного повторения пусков для снижения средней
скорости привода перед остановкой механизма.
2. Обеспечение
необходимой жесткости механических характеристик привода, особенно
регулировочных, с тем чтобы низкие скорости почти не зависели от груза.
3. Ограничение
ускорений до допустимых пределов при минимальной длительности переходных
процессов. Первое условие связано с ослаблением ударов в механических передачах
при выборе зазора, с предотвращением пробуксовки ходовых колес тележек и
мостов, с уменьшением раскачивания подвешенного на канатах груза при
интенсивном разгоне и резком торможении механизмов передвижения; второе
необходимо для обеспечения высокой производительности крана.
4. Реверсирование
электропривода и обеспечение его работы, как в двигательном, так и в тормозном
режимах работы.
Кинематические схемы перемещения моста
представлены на рис. 1.3.
В зависимости от длинны кран-балки приводы могут
выполняться с общим приводом на одну ось либо с раздельным приводом на каждое
колесо. Приведение в движение колес (5) кран-балки осуществляется от
электродвигателя (1) через редуктор (4).
На валу двигателя установлен тормоз,
предотвращающий перемещение при выключенном двигателе, чем обеспечивается
безопасность работы крана.
а
б
Рис. 1.3 - Кинематические схемы механизмов
передвижения моста с общим (а) и раздельным (б) приводом колес
На рис. 1.4. представлена кинематическая схема
механизма передвижения тележки мостового крана. Мощность, создаваемая
двигателем (1) передаётся на колеса тележки (4) через редуктор (3). Движение
осуществляется по рельсам (5), находящимся на балке мостового крана.
Рис. 1.4. Кинематическая схема механизма
перемещения тележки
Кинематическая схема механизма подъема крана
приведена на рисунке 1.5. Электродвигатель (1) вращательного движения через
редуктор с шестернями (3) приводит во вращение барабан (4) подъемной лебедки,
который с помощью троса, полиспаста и крюка поднимает (опускает) груз с
линейной скоростью. На валу двигателя установлен тормоз (2).
Рис. 1.5. Кинематическая схема механизма подъёма/опускания
груза
2. Специальная часть
.1 Выбор рода тока и систем электропривода
Металлургические предприятия являются одним из
наиболее мощных потребителей электроэнергии. Важное место, занимаемое
металлургическим приводом в современном научно-техническом прогрессе,
определяет необходимость правильного выбора типа электропривода и приводного
двигателя на конкретных рабочих машинах.
Выбор рода тока для электрооборудования крана
имеет важное значение, поскольку с ним связаны такие показатели, как технические
возможности привода, капиталовложения и стоимость эксплуатационных расходов,
масса и размеры оборудования, его надежность и простота обслуживания.
Для привода крановых механизмов возможно
применение различных двигателей и систем электропривода. Их выбор определяется
грузоподъемностью, номинальной скоростью движения, требуемым диапазоном
регулирования скорости привода, жесткостью механических характеристик, числом
включения в час и др. В настоящее время на кранах применяют системы управления
различного типа: простые (в которых двигатели получают питание от сети
переменного или постоянного тока неизменного напряжения через
пускорегулировочные резисторы) и сложные (регулирование скорости).
Привод с асинхронными двигателями с
короткозамкнутым ротором применяется для механизмов кранов небольшой мощности,
работающих в легком режиме. Если необходимо регулировать скорость или
обеспечить точную остановку механизма, то можно использовать двух - или
трехскоростные двигатели.
Наибольшее распространение на кранах получил
привод с асинхронными двигателями с фазным ротором и ступенчатым регулированием
угловой скорости путем изменения сопротивления в цепи ротора. Такой привод
достаточно прост, надежен, допускает большое число включений в час и
применяется при средних и больших мощностях. С помощью резисторов в цепи ротора
можно в широких пределах изменять момент пря пуске, получать желаемые ускорения
и плавность пуска, уменьшать токи и потери энергии в двигателе при переходных
процессах, а также получать пониженные угловые скорости. Однако этот привод не
обеспечивает необходимую жесткость регулировочных характеристик и устойчивую
работу при пониженных скоростях. Он неэкономичен вследствие значительных потерь
энергии в пускорегулировочных сопротивлениях; кроме того, имеет место
повышенный износ двигателя, электромеханических тормозов и контактной
аппаратуры управления.
Если к электроприводу крановых механизмов
предъявляются повышенные требования в отношении регулирования скорости, а также
необходимо обеспечить низкие устойчивые угловые скорости в различных режимах,
то применяют двигатели постоянного тока. Для механизмов подъема приводы на
постоянном токе.
Привод крана работает в повторно-
кратковременном режиме с частыми пусками и торможениями.
Асинхронные двигатели с короткозамкнутым ротором
имеют большие пусковые токи, и по условиям нагрева число включений в час у них
ограничено и составляет примерно 200 включений в час. У асинхронных двигателей
с фазным ротором допустимое число включений в час 500-700. У двигателя постоянного
тока более 1000 вкл./час.
Исходя из требований к электроприводу мостового
крана, выбираем асинхронный двигатель с фазным ротором, так как он обеспечит
необходимую частоту включений в час, при наименьших габаритах и весе и к нему
не предъявляют высоких требований по плавности и точности регулирования
скорости.
Выбор рода тока для электрооборудования крана
имеет важное значение, поскольку с ним связаны такие показатели как технические
возможности привода, капиталовложение и стоимость эксплуатационных расходов,
масса и размеры оборудования, его надежность и простота обслуживания.
Использование постоянного тока влечет за собой необходимость преобразования
переменного тока в постоянный, что связано с увеличением капитальных затрат,
дополнительными потерями энергии и эксплуатационными расходами. Исходя из
этого, выбираем привод переменного тока.
.2 Расчет мощности электродвигателя механизма
подъема груза
Технические данные механизма подъёма
Расчёт статических нагрузок
Время пуска и торможения
.
Путь, проходимый с установившейся скоростью
.
Время движения с установившейся скоростью
.
Вес груза
.
Вес крюка
Так как
,
предварительный выбор двигателя можно осуществить по нагрузочной диаграмме
исполнительного механизма.
Статический момент при подъёме номинального
груза
.
Статический момент при подъёме пустого
грузозахватывающего устройства

.
Статический момент при спуске номинального груза
(тормозной спуск)
.
Статический момент при спуске пустого
грузозахватывающего устройства (силовой спуск)
.
Время работы
.
Время цикла
.
Нагрузочная диаграмма двигателя представлена на
рис. 2.1.
Рис. 2.1 - Нагрузочная диаграмма двигателя за
цикл работы
Действительная продолжительность включения
.
Среднеквадратичный момент нагрузки при
.
Ближайшая каталожная продолжительность включения
.
Пересчитываем к этому значению ПВ среднеквадратичный момент
Требуемая номинальная скорость двигателя
.
Требуемая мощность двигателя
,
где
-
коэффициент запаса, учитывающий неизвестный момент инерции;
.
Тогда расчётная мощность двигателя
.
Требуемая номинальная скорость двигателя
.
Исходя из расчётов выбираем по каталогу
двигатель типа 4МТМ 280 S8
[6] из условия, что
и,
.
Данные двигателя 4МТМ 280 S8
. Номинальная частота вращения
.
. Номинальная мощность
.
. Номинальное напряжение
.
. Момент инерции двигателя
.
. Перегрузочная способность по моменту
.
. КПД
.
. Коэффициент мощности
.
.3 Расчет и выбор регулировочных резисторов
механизма подъема груза
Исходные данные
Марка двигателя: 4МТМ 280 S8
Режим работы: S3.
Продолжительность включения
Мощность
двигателя:
. ЭДС ротора:
.
Ток ротора:
.
Номинальный ток при
:
.
Номинальная скорость:
.
Частота сети:
. Момент
критический:
. Число пар полюсов:
.
2.3.1 Расчёт естественной механической
характеристики асинхронного двигателя
Скорость вращения вращающегося магнитного поля
.
Угловая синхронная скорость двигателя
.
Угловая скорость вращения ротора
.
Номинальное скольжение
.
Номинальный момент двигателя
.
Перегрузочной способности двигателя по моменту
.
Критическое скольжение
.
Текущее значение момента
. (1)
Построение механической характеристики выполняем
в системе Mathcad по (1). Скольжение задаем в пределах
с
шагом
.
Естественная механическая характеристика двигателя представлена на рис. 2.2.
Рис. 2.2 -
Естественная механическая характеристика асинхронного двигателя 4МТМ 280 S8
.3.2 Расчёт ступеней пусковых резисторов
Типовой задачей для ЭП с АД с фазным ротором
является расчет резисторов цепи ротора, обеспечивающих заданную пусковую
диаграмму двигателя. Пусковая диаграмма представляет собой совокупность
нескольких искусственных механических характеристик АД. При построении пусковой
диаграммы АД допустимый момент при запуске двигателя
обычно
принимается (0,8..0,9)Мк, а момент переключения с одной ступени на другую М2
должен составлять (1,1…1,2)Мн. Принимаем
и
,
тогда
,
.
Число характеристик (ступеней) пусковой
диаграммы m и значения
моментов
и
связаны
между собой следующим соотношением
Принимаем число пусковых ступеней
.
Кратность пускового момента и момента
переключения
.
При заданном количестве ступеней переключения
целесообразно
пользоваться следующей формулой:
Номинальное сопротивление цепи ротора
.
Активное сопротивление цепи ротора
.
Полные сопротивления цепи ротора на второй,
третьей и четвертой ступенях
;
;
.
Сопротивления секций пускового реостата
;
;
.
Коэффициенты возрастания сопротивления в цепи
ротора на ступенях №2-4
;
;
.
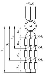
Схема включения регулировочных сопротивлений
представлена на рис. 2.3.
Рис. 2.3 - Схема включения АД с фазным ротором
Текущие значения момента определяем по формулам
;
;
.
Искусственные механические характеристики
двигателя представлены на рис. 2.4.
Рис. 2.4 - Регулировочные механические
характеристики двигателя
.4 Расчет и выбор тормозных резисторов
При управлении электроприводом подъёма груза
командоконтроллером возможно реализовать тормозные режимы работы привода. Такие
режимы могут использоваться для быстрого реверса двигателя, экономии
электроэнергии, точной остановки двигателя. На практике при управлении с
помощью командоаппаратов реализуется два основных режима рекуперация и
торможение противовключением.
.4.1 Торможение противовключением
Торможение противовключением осуществляется
двумя путями. Один из них связан с изменением чередования на статоре двух фаз,
путем переключения любых двух фаз обмоток двигателя. При этом меняется
направление вращения вращающегося магнитного поля статора, а следовательно и
электромагнитный момент меняет своё направление, при этом ротор сохраняет
направление движения вследствие инерции. Величина скольжения становится больше
единицы
.
Это приводит к тормозному режиму с очень большими величинами тока и момента.
Кинетическая энергия электропривода переходит в
электрическую. Одновременно происходит приток энергии из сети, поэтому
торможение получается весьма эффективным. Чтоб уменьшить ток и ослабить резкий
толчок от тормозного момента, на время торможения в цепь ротора необходимо
включить добавочное сопротивление.
Другой путь перевода асинхронного двигателя в
режим торможения противовключением может быть использован при активном
характере момента нагрузки. Противовключение при спуске груза возникает, если
для этого АД включается на подъем с большим добавочным сопротивлением в цепи
ротора. Вследствие превышения моментом нагрузки пускового момента двигателя
груз начнет опускаться с некоторой установившейся скоростью.
Принимаем условия для первого случая.
Момент противовключения выбирается из
соотношения
, но не более
величины перегрузочной способности двигателя по моменту
.
Исходя из указанных условий принимаем
.
Угловая скорость противовключения в момент
реверса принимается равной номинальной скорости
.
Скольжение при торможении противовключением
.
Ток ротора при торможении противовключением
.
Полное сопротивление ротора в режиме торможения
противовключением
.
Сопротивление тормозной секции, включенной
последовательно с пусковым резистором
Коэффициент изменения сопротивления
.
Текущее значение момента в режиме
противовключения определяется по формуле
.
.4.2 Рекуперативное торможение
Это торможение получается, если скорость ротора
больше скорости поля:
. При этом величина
скольжения становится отрицательной
.
Электромагнитный момент тоже будет отрицательным, т.е. направленным против
вращения. При этом кинетическая энергия преобразуется асинхронным двигателем в
электрическую и рекуперируется в сеть. Двигатель начинает работать в
генераторном режиме.
Рекуперативное торможение можно получить двумя
путями.
Первый вариант связан с включением двигателя на
спуск груза тогда ротор набирает очень большую скорость за счет вращающегося
момента и веса груза. В этом случае характеристики рекуперативного торможения
располагаются в IV
четверти, а двигательного режима в III
четверти.
Резким уменьшением синхронной скорости
работающего двигателя за счет быстрого переключения обмоток статора на большее
число пар полюсов или за счет снижения частоты питающего тока. Тогда ротор по
инерции будет вращаться некоторое время со скоростью
до
тех пор, пока не затормозится до скорости
.
Принимаем для первого случая следующие условия и
параметры работы:
режим работы двигателя в III
и в IV четверти;
скорость двигателя в режиме рекуперации
;
момент рекуперации
.
Скольжение при рекуперативном торможении
.
Ток ротора в начале торможения
Полное сопротивление при рекуперативном
торможении
.
Находим сопротивление тормозной секции
рекуперативного торможения, включаемой последовательно с ротором
.
Коэффициент повышения сопротивления в цепи при
рекуперативном торможении
.
Текущее значение момента определяем по формуле
.
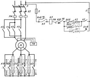
.5 Выбор релейной схемы управления
Схемы электроприводов с силовыми кулачковыми
контроллерами и торможением противовключением широко применяются для тихоходных
кроной малой и средней грузоподъемности при отсутствии специальных
технологических требований в отношении точности остановки и посадки груза из-за
простоты, надежности и невысокой стоимости (выше приведённые характеристики полностью
удовлетворяет нашим условиям). Регулирование скорости подъема и спуска
осуществляется путем изменения величины сопротивления резисторов, включенных в
цепь ротора.
На рис. 2.5 приведена схема асинхронного
электропривода с кулачковым контроллером. Контроллер имеет пять фиксированных
положений для каждого направления движения и обеспечивает ступенчатый спуск,
ступенчатое регулирование скорости, реверс и торможение.
Включение электродвигателя и его реверс
производятся контактами К2, К4, К6, К8. Коммутирование ступеней резисторов
выполняется по несимметричной схеме с помощью контактов К7, К9-К12. Контакты К1
служат для обеспечения нулевой блокировки, предотвращающей включение
электродвигателей крана, если рукоятка хотя бы одного контроллера не находится
в нулевом положении.
Рис. 2.5 - Схема управления электропривода
подъёма тележки с применением кулачкового командоконтроллера
При переводе рукоятки контроллера из нулевого в
первое положение подъема или спуска к обмотке статора через контакты
соответственно К4 и К.8 или К2 и К6 от В и С подводятся две фазы и одна фаза А
- напрямую, минуя контакты контроллера. Электродвигатель запускается при
полностью введенном сопротивлении в цепи ротора. При переходе на последующие
положения постепенно уменьшается сопротивление резисторов в цепи ротора. В
последнем положении из цепи ротора выведены все резисторы, и он замкнут
накоротко.
Эта схема, как и другие схемы с силовыми
контроллерами, имеет ряд защит максимальную токовую, нулевую и конечную,
осуществляемых с помощью защитной панели.
Кулачковому контроллеру присуще невысокое
качество регулирования скорости электродвигателя, так как пониженная скорость
может быть получена только при относительно больших моментах нагрузки. При
меньших нагрузках и при работе в генераторном режиме пониженные скорости
получают только путем переключений контроллера с позиции на позицию изменением
сопротивлений резисторов и периодическим механическим торможением при установке
контроллера в нулевое положение.
.6 Расчет проводов и кабелей. Определение
сечения проводов и кабелей по допустимому нагреву
Сечение проводов и кабелей напряжением до 1000 В
по условию нагрева выбирается по эквивалентной силе тока - Расчётному значению
длительной силы тока
, допустимой по
нагреву).
Приближённо для групп асинхронных двигателей
крановых механизмов
определяют по
следующей формуле:
,
где
-
расчетная мощность группы электродвигателей, кВт;
- номинальное
напряжение сети, В;
и
-
усреднённые значения соответственно к.п.д. и коэффициента мощности
электродвигателей.
Расчетная мощность может быть определена по
формуле
,
где
-
установленная мощность всех электродвигателей, кВт;
- установленная
мощность трёх наиболее мощных электродвигателей, кВт;
- коэффициент
использования ([3] стр. 80 табл. 16);
- расчётный
коэффициент ([3] стр.80 табл. 16).
Исходя из условия
,
где
-
сила тока, допустимая по нагреву, А
для троллеев выбираем троллейный токопровод из
угловой стали 50*50*5 сечением 480 мм2 и длительно допустимым током 315 А ([3]
стр.80 табл.17)
В случае, когда требуемая длительная токовая
нагрузка проводника, выбранная по условиям нагрева, не совпадает с требуемыми
данными по приведенным выше условиям, допускается применение проводника
ближайшего меньшего сечение, но не менее чем это требуется по расчетному току.
.7 Защита электрооборудования
Согласно ПУЭ все электрические сети делятся на
две группы защищаемые от перегрузки и токов короткого замыкания; защищаемые
только от токов короткого замыкания.
Защите от перегрузки подлежат следующие типы
сетей.
. Внутри помещений, проложенные открыто
незащищёнными изолированным и проводниками и с горючей оболочкой.
. Внутри помещений, проложенные защищенными
проводниками в трубах, в несгораемых строительных конструкций и т.п.
. Осветительные в жилых, общественных и торговых
помещениях, служебно-бытовых помещениях промышленных предприятий. Включая сети
для бытовых и переносных электроприёмников, а также в пожароопасных
производственных помещениях.
. Силовые в промышленных предприятиях, в жилых и
общественных зданиях, в торговых помещениях, когда по условиям технологического
процесса или режима работы сети может возникать длительная перегрузка проводов
и кабелей.
. Всех видов во взрывоопасных наружных
установках независимо от условий технологического процесса или режима работы
сети. Все остальные сети не требуют защиты от перегрузки и защищаются только от
токов короткого замыкания.
.8 Монтаж электрооборудования, построение
монтажных схем и схем внешних соединений
Электроснабжение кранов осуществляется с помощью
главных троллеев, в том числе с помощью главных троллеев, в том числе с помощью
малогабаритного троллейного шинопровода, стационарных питательных пунктов, по
токосъемным контактам которых скользят укрепленные на кране отрезки троллеев
("контактные лыжи"); кольцевого токоподвода; гибкого кабеля;
стационарного токоподвода (для кранов, установленных на фундаменте). Исполнение
электрооборудования (электродвигатели, аппараты, и т.п.) кранов, должно
соответствовать условиям окружающей среды.
Неизолированные токоведущие части
электрооборудования крана ограждают, если их расположение не исключает
случайного прикосновения к ним лиц, находящихся в кабине управления, на
галереях и площадках крана, а также возле него.
Электрооборудование с независимыми токоведущими
частями (магнитные контроллеры, ящики сопротивлений и др.), с которого
автоматически снимается напряжение при входе в места его расположения, а также
электрооборудование, установленное в аппаратных кабинах и других
электропомещениях, закрытых во время эксплуатации крана, не ограждается.
В аппаратных, кабинах и других электропомещениях
ширина проходов, расположенных как с лицевой, так и с задней стороны щитов и
панелей, имеющих сплошные или сетчатые ограждения, должна быть не менее 0.6 м.
расстояние от не огражденных неизолированных токоведущих частей, расположенных
на высоте менее 2.2 м по одну сторону прохода до стены и оборудования с
изолированными или огражденными токоведущими частями, расположенными по другую
сторону прохода, должно быть не менее 1.2 м.
Главные троллеи крана выполняются, как правило,
из стали. Эти троллеи запускается выполнять из алюминиевых сплавов. Применение
меди и биметалла для главных троллеев и троллеев крана должно быть специально
обоснованно. Троллеи делают жесткими или гибкими; они могут подвешиваться на
тросах и располагаться в коробах или каналах. При применении жестких троллеев
необходимо предусматривать устройства для компенсации линейных изменений от
температуры и осадки здания.
При питании крана электроэнергией через гибкий
кабель следует руководствоваться требованиями ПУЭ и передвижными
токоприемниками. Прокладку проводов на кранах выполняют на лотках, в коробах и
трубах, применяя провода и кабели как с медными так и с алюминиевыми жилами
сечением для вторичных цепей не менее 2.5 мм2 для медных и 4 мм2 для
алюминиевых жил.
Вторичные цепи на кранах, работающих с жидким и
горячим металлом (разливочные, заливочные и завалочные краны, краны
нагревательных колодцев и др.), и на быстроходных кранах (уборочные краны,
перегружатели) выполняются проводами и кабелями с медными жилами и термостойкой
изоляцией.
Алюминиевые жилы проводов и кабелей в первичных
цепях кранов должны быть многопроволочными сечением не менее 16 мм2, провода и
кабели с однопроволочными алюминиевыми жилами в первичных цепях кранов не
применяется.
На электроталях, работающих как отдельно, так и
входящих состав других грузоподъемных машин, применяют защищенные провода с
медными жилами сечением: во вторичных цепях и в цепях электромагнита тормоза -
не менее 0.75 мм2; В цепях электродвигателей - не менее 1.5 мм2;
кроме того в указанных случаях допускается применение защищенных проволочных
проводов с алюминиевыми жилами сечением 2.5 мм2.
Присоединение посторонних токоприемников к
главным троллеям магнитных кранов, кроной, транспортирующий жидкий металл, не
допускается. Заземление и зануление на кранах выполняют в соответствии с
требованиями ПУЭ. Считается достаточным, если части, подлежащие заземлению или
занулению, присоединены к металлическим конструкциям крана; при этом должна
быть обеспечена непрерывность электрической цепи металлических конструкций.
Если электрооборудование крана установлено на его заземленных металлических
конструкциях и на опорных поверхностях предусмотрены зачищенные и не
закрашенные места для обеспечения электрического контакта, то дополнительное
заземления не требуется.
Рельсы кранового пути должны быть надежно
соединены на стыках (сборкой, приваркой перемычек достаточного сечения,
приваркой к металлическим подкрановым балкам) для создания непрерывной
электрической цепи. В электроустановках, для которых в качестве защитного
мероприятия применяется заземление или зануление, рельсы кранового пути должны
быть соответственно заземлены или занулены.
При установке крана на открытом воздухе рельсы
кранового пути, кроме того, должны быть соединены между собой и заземлены; при
этом для заземления рельсов необходимо предусматривать не менее двух
заземлителей, присоединяемых к рельсам в разных местах. Стыки рельсов, по
которым перемещается кран, надёжно соединяют путем приварки перемычек, образуя
непрерывную электрическую цепь. Кроме того, на кранах, установленных на
открытом воздухе рельсы подкранового пути соединяют между собой. При управлении
с пола корпуса кнопочных аппаратов управления, если они выполнены не из
изоляционного материала, заземляют не менее чем двумя проводниками.
На электрических кранах устанавливают
электродвигатели, пусковые и регулировочные сопротивления, тормозные
электромагниты, контроллеры, защитную, пускорегулирующую, сигнальную, блокировочную,
и осветительную аппаратуру, конечные выключатели, токосъемники, электротали.
Аппараты управления краном размещают в кабине управления так, чтобы можно было
работать сидя.
кран мостовой релейный электропривод
3. Техника безопасности
.1 Техника безопасности при ремонтах и
эксплуатации электрооборудования
. Требования к устройству грузоподъемных кроной,
их эксплуатации и ремонту регламентированы правилами устройства и безопасной
эксплуатации грузоподъемных кранов Госгортехнадзора, Правилами устройство
электроустановок (ПУЭ), правилами технической эксплуатации электрооборудования
и техники безопасности (ПТЭЭП и ТБ).
2. Ответственность за исправное состояние
грузоподъемных кранов возлагается на ИТР участка, цеха, которому подчинен
персонал, обслуживающий кран.
3. Лица, ответственные за исправное состояние
крана обязаны обеспечить следующие виды работ:
а) регулярные осмотры и ремонты крана,
грузоподъемных приспособлений и т.д.;
б) обслуживание и ремонт крона обязанным
аттестованным персоналам;
в) хранение паспортов и технической документации
на грузоподъемные краны, ведение журнала аттестации и периодических проверок
знаний обслуживающего персонала;
г) своевременную остановку и подготовку к
техническому освидетельствованию крана и вывод их в ремонт в соответствие с
графиком.
Крановщик может приступить к роботе на кране
только при получение ключа или марки на время управления краном. Слесари,
электромонтеры при осмотре крана должны брать у крановщика ключ или марку на
время пребывания их на кране. В соответствии с правилами в каждом цехе на
участке робот кранов в каждую смену из системы ИТР назначается ответственный по
перемещению грузов.
3.2 Электробезопасность
Важной мерой, обеспечивающей электробезопасность
обслуживающего персонала, является защитное заземление, или зануление
металлических, нетоковедущих частей электрооборудования (корпуса электронного
двигателя). Заземление преднамеренное металлическое соединение с заземляющим
устройством элементов электронных установок (корпус электронного двигателя), не
находящихся под напряжением.
Защитное заземление при повреждении изоляции и
переходе напряжения на части металлической конструкции электроустановки
автоматически отключат поврежденное электрооборудование или снижает напряжение
на частях конструкции до безопасного значения;
Крановщики должны быть обеспечены защитными
средствами (коврики, перчатки, галоши и т.3.):
Электрооборудование кранов должно быть в
исполнении и соответствовать мероприятиям по защите окружающей среды.
Рубильники главных троллей и рубильники,
установленные на кране, должны быть закрытого типа без прорезей в кожухах и
смонтированы в местах доступных для быстрого отключения. Рубильники должны
иметь надписи "Крановые"
Цепи управления, защиты, блокировки должны быть
подключены после главного рубильника.
При осмотре кранов перед работой необходимо
проверить исправность блокировки дверей, конечных выключателей ограничителей
передвижения тележки, крана, высоты подъема.
Для безопасности работы на кране от поражения
электрическим таком части двигателей (клеммы, щетки), аппаратов, осветительных
приборов, рубильники и др. оборудование, находящееся по напряжением, должно
быть ограждено.
.3 Правила противопожарной безопасности
Категория цеха по пожарной безопасности НПБ
105-03 - Г. Здание цеха относится к II степени огнестойкости, с пределом
огнестойкости 45 мин. по СНиП 21-01-97.
Для тушения пожара внутри корпуса цеха и в
здании административно-бытового комплекса предусмотрена водопроводная сеть в
виде стояков с внутренними пожарными кранами.
Так же имеется установка пожаротушения, срабатывающая
от пожарной и охранно-пожарной сигнализации расположенной непосредственно в
местах наиболее возможного возникновения пожара.
Цех обеспечивается пенными и углекислотными
огнетушителями. В корпусе расположены ящики с песком, щиты с необходимым инвентарем.
В цехе организованна добровольная пожарная
дружина. В случае пожара каждый член дружины отвечает за закреплённый за ним
участок и выполняет все действия, написанные в боевом расчёте. В обычное время
на членов ДПД возлагается контроль за соблюдением и выполнением в цехе
противопожарного режима работы, надзор за исправным состоянием первичных
средств пожаротушения. Ответственность за состояние пожарной безопасности на
отдельных участках цеха, складах возлагается на начальников этих подразделений.
Связь с пожарной охраной осуществляется с
помощью пожарной сигнализации, установленной в помещениях и по телефону 01.
В производственных условиях, а также при
выполнении ремонтно-монтажных работ при нарушении противопожарных мер не
исключено возникновение очагов загорания, которые могут превратиться в пожар.
Но пожар не возникает без причины, а причина всегда в людях, нарушающих правила
безопасности, не думающих о последствиях от брошенной горящей спички или
окурка. При пожаре внутри цеха крановщик больше всех в первую очередь
подвергается опасности - огонь и дым могут мгновенно достать мостовой кран,
надо немедленно спускаться или уходить от опасности, если позволяет конструкция
цеха.
Основные требования противопожарного режима на
любом предприятии следующие. Рабочие места, проходы и проезды необходимо
содержать в чистоте; промасленный обтирочный материал собирать в закрывающие
железные ящики и ежедневно убирать из цеха.
В цехах запрещается хранить бензин, керосин,
нитрокраски, масло и другие жидкости.
Для хранения спецодежды устраиваются специальные
помещения, где загрязненная, промасленная спецодежда храниться в железных
шкафах в развернутом виде. В карманах запрещается оставлять промасленную ветошь
и тряпки.
В каждом цехе на случай возникновения пожара
должна быть обеспечена возможность быстрой и безопасной эвакуации людей через
эвакуационные выходы-двери, ворота, проходы. Выходы считаются эвакуационными,
если они ведут из помещений первого этажа непосредственно наружу; в соседние
помещения того же этажа, имеющие выход наружу непосредственно или через
лестничные клетки; в проход или в коридор с непосредственным выходом наружу или
через лестничную клетку.
На пожара- и взрывоопасных участках предприятия
вывешивается предупреждающий плакат "Курить запрещается". Курение
разрешается только в специально отведенных местах, где имеются урны или бочки с
водой для окурков. В этих местах устанавливается надписи "место для
курения". На многих передовых предприятиях приняли более решительные меры.
Перед выходом установили плакат "на территории завода курить
запрещено".
Для крановщика пожар на кране особенно опасен
нет пути для отступления при разбитии пожара, и помощь ему трудно оказывать из
за большой высоты крана. Пожары на кранах иногда возникают вследствие
неисправностей электрооборудования.
Чаще всего горят обмотки тормозных
электромагнитов переменного тока, перегребающиеся при неплотном соединении
якоря магнита с сердечником. Реже возгораются обмотки электродвигателей. Но
такие пожары, имеющие малые объём и границы, длятся 2-3 с. и гаснут сами при
отключении тока.
Для тушения пожара на кране применяются сухой
огнетушитель типа ОУ-2, снабженный стальным баллоном до 17 мПа. Для приведения
в действие ручного углекислотного огнетушителя ОУ-2 необходимо взять его левой
рукой за рукоятку, а правой повернуть снегообразователь в сторону очага
горения, затем поворотом маховичка открыть вентиль до отказа по часовой стрелке
и направить струю углекислого снега на горящий предмет.
Применять пенные жидкости огнетушители на кранах
недопустимо, потому что струя пены проводит ток и может вызвать поражение
электрическим током человека, работающего с огнетушителем. Кроме того, пена
содержит едкие вещества и при попадании на работающих может привести к ожогам
кожи и порче одежды.
При любом воспламенении на кране крановщик
обязан немедленно отключить главный рубильник и приступить к тушению огня.
Курить как в кабине, так и на мосту крана
запрещается.
.4 Мероприятия по защите окружающей среды
На промышленных предприятиях для работающего
персонала окружающей средой является воздух рабочих зон (помещений) и
прилегающих к ним территорий. Основным негативным фактором, в литейном цехе
влияющим на организм человека является шум, вибрация.
При работе на кране применяются нефтепродукты,
которые при определенных условиях могут загораться (машинное масло для смазки,
керосин для промывания подшипников и очистки механизмов от старой смазки и
т.д.), а также возможно самовоспламенение при хранении более 8 часов
(обтирочные концы, ветошь пропитания маслом). Вследствие этого в воздухе
появляются вредные вещества, поэтому по очистке воздуха применяют следующие
мероприятия:
запрет по хранению на кране запасов смазочного
масла, керосина и обтирочных концов, которые необходимо удалять;
запрет на применение для очистки механизмов
бензина, ацетона и других, легко воспламеняющихся жидкостей, а следует их
заменять керосином;
применение естественной, приточной, вытяжной,
приточно-вытяжной вентиляции, а также пыле отделителей. Шум и Вибрация
оказывают вредное влияние на организм человека. При длительном воздействии шума
у человека снижается острота слуха и зрения, повышается кровяное давление,
ухудшается деятельность органов дыхания, происходит ослабление.
Мероприятия по снижению шума
. Применение, по возможности, малошумного
производственного оборудования.
. Выполнение своевременного и качественного
ремонта машинного оборудования, так как причиной недопустимого шума является
износ трущихся деталей, подшипников, неточная сборка машин при ремонтах.
. Применение индивидуальных средств защиты от
шума, а так же уплотнений конструкции, кожухов для источников шума и т.д.
Мероприятия по снижению вибраций
. Установка упругих элементов между вибрирующей
машиной (механизмом) и основанием.
. Применение вибропоглощений путем нанесения на
вибрирующую поверхность слоя резины, мастик или пластмасс.
. Применение индивидуальных средств защиты от
вибраций обувь на виброгасящей подошве, виброгасяшие рукавицы (перчатки)
Заключение
В общей части курсового проекта выполнен обзор
конструкции мостового крана, расположение отдельных элементов оборудования,
приведены общий вид крана и кинематические схемы механизмов передвижения моста,
тележки и подъёма (опускания) грузов; представлена краткая технология
производственного участка.
Здесь же определены технологические требования,
на основании которых выбран привод переменного тока с управлением от
командоконтроллера.
В втором разделе выполнены расчёты статических
нагрузок на механизм подъёма крана за цикл работы; построена нагрузочная
диаграмма и выбран двигатель, позволяющий обеспечить выполнение технологических
требований к механизму подъёма крана. Так же в разделе рассмотрена схема работы
релейной системы управления электроприводом, приведён принцип работы этой
схемы. Рассчитаны и выбраны провода (кабеля), аппараты защиты и управления.
Третий раздел посвящен проблемам безопасности
эксплуатации мостового крана и охраны окружающей среды. Здесь рассмотрены
мероприятия по снижению влияния и защиты персонала от влияния опасных и вредных
производственных факторов, таких как уровень шума, вибраций, применение
различных мероприятий для выполнения требований безопасной эксплуатации
электрообрудования крана и др.
Курсовой проект выполнен в соответствии с
требованиями соответствующих государственных нормативных стандартов [10-15].
Библиографический список
1. Зимин Е.Н. Электрооборудование
промышленных предприятий и установок. М.: Энергоатомиздат, 1981. - 456 с.
2. Кашицын А.В. Методическое указание
по выполнению курсового и дипломного проекта по курсу "Монтаж, ремонт и
эксплуатация электрооборудования промышленных предприятий". Верхняя Салда,
2003. - 60 с.
3. Рапутов Б.М. Электрооборудование
металлургических кранов. М.: Металлургия, 1990. - 272 с.
4. Яуре А.Г., Певзнер В.М. Крановый
электропривод. Справочник. М.: Энергоатомиздат, 1988. - 558 с.
5. Москаленко В.В. Электрический
привод. М.: Высшая школа, 2000. - 656 с.
6. Двигатели асинхронные крановые серий
МТ, 4МТ. Руководство по эксплуатации. ОАО "Сибэлектромотор",
http://www.sibelektromotor.ru/
7. Ушаков Н.С. Мостовые электрические
краны. - Л.: Машиностроение, 1988. - 352 с.
8. Богословский А.П.
Электрооборудование кранов / А.П. Богословский, Е.М. Певзнер, Н.Ф. Семерня и
др. - М.: Машиностроение, 1983. - 310 с.
9. Шеховцов В.Н. Электрическое и
электромеханическое оборудование. - М.: ФОРУМ-М: ИНФРА-М, 2004. - 407 с.
10. ГОСТ 7.82-2001. Система стандартов
по информации, библиотечному и издательскому делу. Библиографическая запись.
Библиографическое описание электронных ресурсов. Общие требования и правила
составления
11. ГОСТ 7.32-2001 Система стандартов по
информации, библиотечному и издательскому делу. Отчет о
научно-исследовательской работе. Структура и правила оформления.
12. ГОСТ 2.105-95 Единая система
конструкторской документации. Общие требования к текстовым документам
13. ГОСТ Р 7.0.5-2008 Библиографическая
ссылка. Общие требования и правила составления.
14. ГОСТ 7.1-2003 Система стандартов по
информации, библиотечному и издательскому делу. Библиографическая запись.
Библиографическое описание. Общие требования и правила составления.
15. ГОСТ 7.80-2000. Система стандартов
по информации, библиотечному и издательскому делу. Библиографическая запись.
Заголовок. Общие требования и правила составления.