Компрессорная установка

  • Вид работы:
    Отчет по практике
  • Предмет:
    Транспорт, грузоперевозки
  • Язык:
    Русский
    ,
    Формат файла:
    MS Word
    2,07 Мб
  • Опубликовано:
    2014-07-04
Вы можете узнать стоимость помощи в написании студенческой работы.
Помощь в написании работы, которую точно примут!

Компрессорная установка

Содержание

Введение

1. История завода

2. Структура энергоснабжения ЗАО «УК БМЗ»

3. Тепловозы 2ТЭ25А

. Компрессорная установка

5. Охрана труда

. Экология

Список используемой литературы

Введение

На современном этапе, характеризующемся приоритетным развитием машиностроения и автоматизации производства, автоматизированный электропривод сформировался как самостоятельное направление, в значительной степени определяющее прогресс в области техники и технологии, связанных с механическим движением, получаемым путём преобразования электрической энергии. Этим объясняется большой интерес специалистов к новым разработкам в данной отрасли техники и к её научным проблемам.

Чётко определился объект научного направления - система, отвечающая за управляемое электромеханическое преобразование энергии и включающая два взаимодействующих канала - силовой, состоящий из участка электрической сети, электрического, электромеханического, механического преобразователей, технологического рабочего органа, и информационный канал.

Среди различных видов приводов (гидравлические, пневматические и др.) электропривод занимает ведущее место. Данная ситуация имеет место потому, что электрическая энергия обладает рядом преимуществ перед другими видами энергии. Так, электроэнергия достаточно легко может быть преобразована в другие виды энергии, её можно передавать на большие расстояния при сравнительно небольших потерях она легко распределяется между потребителями. Поэтому электроэнергия широко используется во всех отраслях промышленности, в сельском хозяйстве, на транспорте и в быту.

Развитие микроэлектроники и её широкое применение в промышленном производстве, в устройствах и системах управления разнообразными объектами, в измерительных процессах является в настоящее время одним из основных направлений научно-технического прогресса. Использование микроэлектронных средств в изделиях производственного назначения приводит к повышению технико-экономических показателей изделий и позволяет не только многократно сократить сроки разработки, но и придаёт им принципиально новые потребительские качества. С повышением требований к качеству промышленной продукции возрастает значение средств контроля размеров, из которых наибольшие перспективы имеют приборы, основанные на использовании процессорных измерительных средств.

Для того чтобы грамотно и рационально работать с автоматизированными системами управления производственными процессами необходимо овладевать основами производства, принципом работы электропривода, познакомиться со сложными структурами промышленных предприятий.

1. История завода

Изначально завод основан как лесопильный, на предприятии изготавливались шпалы для сооружавшейся Риго-Орловской железной дороги.

июня 1873 года было подписано Высочайшее разрешение «на учреждение Акционерного общества Брянского рельсопрокатного, железоделательного и механического завода для добывания металлов и минералов, для выплавки чугуна, выделки железа и стали и приготовления из них изделий на продажу». Учредителями общества стали П. Губонин и В. Голубев. электрооборудование тепловоз агрегат компрессорный

Завод быстро рос, вокруг него образовался поселок Бежица, давший жизнь крупному впоследствии промышленному району. В дореволюционный период завод выпускал рельсы, железнодорожные мосты, бульдозеры, паровые насосы, речные пароходы, паровозы, вагоны, артиллерийские снаряды и много других изделий. В 1892 году на предприятии построен первый паровоз со стальными колесами серии ОД, который являлся лучшим достижением транспортного машиностроения конца 19 века не только в России, но и во всем мире. В 1896 году продукция завода экспонировалась на Всероссийской промышленной выставке в Нижнем Новгороде. Среди экспонатов были товарный восьмиколесный паровоз, пассажирский вагон Ш класса, вагон-цистерна на 1500 пудов керосина, котел системы Бобков и Валькокс, большая коллекция стальных литых колес, фасонного литья. На выставке 1905 года в Омске завод получил высшую награду - Большую золотую медаль за чугунные трубы, которые использовались для водопроводов, канализации и других сооружений. К 1910 году завод сформировался в крупнейшее промышленное предприятие с хорошо организованными производствами паровозостроения, вагоностроения, общего машиностроения, сельскохозяйственного машиностроения, производства военной техники.

Со времени начала первой Мировой войны Брянский завод поставлял для фронта фугасные снаряды. 20 апреля 1915 года завод посетил царь Николай II. В пролете кранового цеха для него организовали общезаводскую выставку. После Октябрьской революции БМЗ выпускал бронепоезда, давал 19 процентов всего производства паровозов в стране, 60 процентов большегрузных вагонов. В 1930 году на базе завода был открыт Бежицкий машиностроительный институт, превратившийся сегодня в технический университет, который готовит специалистов более чем по десяти направлениям машиностроения. К 1940 году завод выпускал 28 процентов паровозов серии СО, сто процентов большегрузных цистерн, 38 процентов изотермических вагонов, 29 процентов большегрузных вагонов и платформ от общего выпуска в стране.

Во время Великой Отечественной войны завод был эвакуирован. Основная масса оборудования и работающих - шесть тысяч вагонов и 15 тысяч человек - были отправлены в Красноярск. После освобождения Брянска началось восстановление разрушенного завода, и в 1945 году он был передан в ведение Народного Комиссариата транспортного машиностроения.

В 1946 году изготовлен и испытан первый паровоз «Победа», а год спустя было возобновлено вагоностроение. Конструкторы разработали свыше 20 типов вагонов и цистерн. В течение 10 лет завод выпускал паровые турбины и одновременно организовал производство новой для страны продукции - передвижных паровых электростанций (энергопоездов). В 1958 году заводу было поручено организовать выпуск маневровых тепловозов ТЭМ1. Спустя десять лет БМЗ начал выпускать тепловозы марки ТЭМ2. Важным событием в жизни коллектива явилось решение о подготовке и организации впервые в стране производства мощных малооборотных судовых дизелей. Первый двигатель был испытан в сентябре 1961 года. С того времени собрано и отправлено на судостроительные верфи почти тысяча двигателей. С 1962 года завод изготавливал рефрижераторные секции с машинным охлаждением и электроотоплением для перевозки скоропортящихся грузов на дальние расстояния. В 1965 году проведена реорганизация структуры управления заводом. Созданы специализированные производства - дизельное, транспортного машиностроения, металлургическое. С тех пор специализация сохраняется.

В 70-х годах, ориентируясь на спрос, предприятие организует производство товаров народного потребления, среди которых большую долю занимает выпуск газовых баллонов и отопительных котлов для бытовых нужд.

В 80-е годы на территории БМЗ началось строительство завода тепловозных дизелей (ЗТД), который производил двигатели 10Д100. Сегодня на площадях бывшего ЗТД разворачивается производство комплектующих для выпуска магистральных тепловозов и рам тележек для электровозов.

В 1992 году на базе предприятия образовано открытое акционерное общество «Брянский машиностроительный завод».

В 1996 году реорганизована структура акционерного общества с разделением функций и ответственности подразделений. Созданы дочерние общества с ограниченной ответственностью, которые затем были реорганизованы в открытые акционерные общества. В материнскую компанию (головное предприятие) вошли общезаводские инженерные службы и отделы, кадровая служба и служба качества, а также управления: снабжения, маркетинга, сбыта и обслуживания продукции, капитального строительства и эксплуатации, специального технического оборудования и средств механизации, комплексной автоматизации производства.

В 1997 году передовые технологии, технический прогресс позволили вывести продукцию завода на мировой уровень, получить высокие знаки отличия на выставках и ярмарках различного уровня. За вклад в развитие международной торговли и сотрудничество предприятию были присуждены «Золотой Меркурий», «Международная Золотая Звезда за качество», «Факел Бирмингема», «За коммерческий престиж».

В июле 1998 года система качества ОАО БМЗ прошла сертификацию и получила удостоверяющие сертификаты Российского Морского Регистра судоходства и Регистра систем качества Госстандарта России.

В 2000 году ОАО БМЗ в номинации «Эффективные системы управления качеством» присвоено звание лауреата программы - конкурса «100 лучших товаров России».

В 2002 году Брянский машиностроительный завод вошел в состав «Трансмашхолдинга».

С января 2004 года начался серийный выпуск хопперов для минеральных удобрений модели 19-3054-01.

Начинается работа над созданием первых российских магистральных грузовых тепловозов - 2ТЭ25, и уже через год состоялась презентация коллекторного локомотива 2ТЭ25К, который получил имя «Пересвет». Грузовой магистральный тепловоз с асинхронным приводом 2ТЭ25А «Витязь» представлен потенциальным заказчикам в августе 2006 года на выставке железнодорожной техники в Санкт-Петербурге.

С 2011 года идет работа над локомотивами ТЭМ35 с гибридной силовой установкой, 2ТЭ25АМ с дизелем немецкой фирмы MTU.

2. Структура энергоснабжения ЗАО «УК БМЗ»

Существуют самые разнообразные области применения электроэнергии, такие как промышленность, сельское хозяйство, транспорт связь, медицина, сфера обслуживания и т.д.

В связи с интенсивным развитием, увеличением производительности оборудования, автоматизацией производства, постоянно растёт расход электроэнергии на нужды промышленности.

Основными требованиями, предъявляемыми к электроснабжению промышленных предприятий, являются надёжность, минимум потерь и высокое качество электроснабжения. С учётом этих требований применяется схема электроснабжения промышленных предприятий, источниками питаний которых служат энергосистемы, такие как ТЭЦ.

Подача электроэнергии из районной энергосистемы в новые промышленные предприятия производится, как правило, на главную понижающую подстанцию (ГПП) предприятия при повышенном напряжении (220, 110 или 35 кВ). Для повышения надёжности и экономичности энергоснабжения предприятий всё шире применяется глубокий ввод высокого напряжения. Глубоким вводом называется система энергоснабжения с приближением высокого напряжения к энергоустановкам потребителей с минимальным количеством ступеней промежуточной трансформации и аппаратов.

От шин вторичного напряжения ГПП получают питание трансформаторные, преобразовательные и распределительные подстанции, крупные электродвигатели и мощные электропечи. Местная ТЭЦ питает цеховые подстанции при генераторном напряжении (6, 10 кВ) и связана с районной энергосистемой через ГПП или непосредственно при повышенном напряжении (35 кВ и выше).

Глубокий ввод повышенного напряжения сокращает расход металла на внецеховые сети генераторного напряжения, уменьшает потери электроэнергии и повышает надёжность электроснабжения.

Предприятие БМЗ имеет сложную структуру энергоснабжения, которая включает само предприятие и прилегающие микрорайоны. Она состоит из внешних и внутренних (автономных) источников электроэнергии. Внутренние цепи включают тройную резервацию. Имеются два воздушных ввода (ЛЭП 110 кВ) от Радицкой подстанции, кабельный ввод (6 кВ) от Бежицкой подстанции и собственная ТЭЦ (турбогенератор).

Существуют три категории потребителей электроэнергии:

·        потребители первой категории - нарушение электроснабжения недопустимо;

·        потребители второй категории - допустимо кратковременное отключение электроэнергии.

·        Потребители третьей категории - отключение электроэнергии не несёт за собой очень серьёзных последствий.

Электрическая энергия поступает на ГПП, где находятся три понижающих трансформатора. Мощность каждого трансформатора составляет 40 мВт, подводимое напряжение - 110 кВ. Трансформаторы защищены от перегрузок и перенапряжений с помощью разрядников и других защитных устройств. От перегрева они защищены с помощью масляного и воздушного охлаждения. От ГПП по ЛЭП подземным кабелем подаётся напряжение (6 и 10 кВ) к 19 цеховым подстанциям, которые понижают его до рабочего (380 В) и подают на распределительный щит. Также, на подстанциях идёт процесс компенсации реактивной мощности. Для этого там устанавливают конденсаторные батареи со специальными мерами защиты от перегрузки, а также синхронные компенсаторы.

В ряде случаев при дефиците мощности в системе энергоснабжения более выгодным является понижение напряжения на 10-15% по сравнению с номинальным. Это позволяет без ущерба для технологического процесса уменьшить убытки.

Для защиты потребителей от скачков напряжения и короткого замыкания на каждой рабочей подстанции имеются защитные устройства - фидеры. (рис. 1).

Фидер работает примерно следующим образом: при достижении током некоторого критического значения токовое реле разрывает цепь посредством масляного выключателя, через определённый промежуток времени происходит восстановление цепи посредством того же масляного выключателя, и если величина тока в восстановительной цепи не превышает критического значения, то система продолжает работать. Если после восстановления цепи ток в ней по-прежнему превышает критическое значение, то происходит повторный разрыв цепи, после чего до вмешательства инженера-электрика ничего более не происходит.

На каждой подстанции существует разнообразная измерительная аппаратура, с помощью которой производится контроль напряжения, тока и фазы.

Рис. 1 Защитное устройство, фидер.

ВВ-высоковольтный ввод, ВР - видимый разъединитель, МВ - масляный выключатель, ТР - токовое реле, ТТ - токовый трансформатор.

. Тепловоз 2ТЭ25А

Основные сведения

Рис. 2. Внешний вид тепловоза 2ТЭ25А ("Витязь")

Тепловоз магистральный двухсекционный 2ТЭ25А мощностью 5000кВт (2500 кВт в секции) с электрической передачей мощности переменно-переменного тока соответствует утвержденному типажу нового подвижного состава. Тепловоз предназначен для вождения грузовых поездов на железных дорогах Российской федерации и стран СНГ колеи 1520 мм. Тепловоз и его оборудование изготавливаются в климатическом исполнении «У», категория размещения 1, 2, 3 по ГОСТ 15150-69. Максимальная высота полигона эксплуатации над уровнем моря 1300м.

Таблица 1

Технические характеристики

Мощность тепловоза по дизелю (полная) по ГОСТ 10150, кВт (л.с.)

2x2500 (2x3400)

Служебная масса (при 2/3 запаса топлива и песка), т

2x144

Осевая (колесная) формула

2х(Зо-Зо)

Статическая нагрузка от колесной пары на рельсы, кН (тс)

235,4 (24)

Расчетная сила тяги при троганш с места максимальная, кН (тс)

441,5 (45,0)

380 (39,8)

Скорость конструкционная, м/с (км/ч)

33,3 (120)

Минимальный радиус горизонтальной кривой, проходимой тепловозом, м

125

Ширина колеи, км

1520

Габарит по ГОСТ 9238

Тип передачи

электрическая переменного тока с асинхронными тяговыми двигателями с поосным регулированием силы тяги

Запасы, кг: - топлива - песка

 7000  600

Напряжение бортовой сети, управления и освещения, в цепей

110


Компоновка разрабатываемого магистрального грузового двухсекционного тепловоза 2ТЭ25А выполнена на базе созданного магистрального грузового двухсекционного тепловоза 2ТЭ25К «Пересвет» мощностью 2x2500 кВт с электрической передачей переменно-постоянного тока с коллекторными тяговыми двигателями.

На тепловозе 2ТЭ25А сохранены габаритные размеры, разбивка кузова тепловоза на отсеки, компоновочные решения, основное и комплектующее оборудование тепловоза 2ТЭ25К «Пересвет».

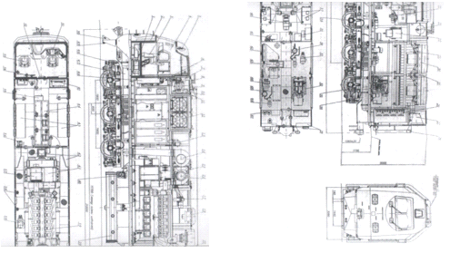
Оборудование секции тепловоза монтируется на раме или крепится к крышевым блокам и стенам кузова. Кузов секции тепловоза устанавливается на две новые трёхосные бесчелюстные тележки разработки ВНИКТИ.

Внутри кузова секции тепловоза располагаются: модуль кабины управления; отсек аппаратной камеры, отделенный от дизельного помещения перегородкой; дизельное помещение; холодильная камера шахтного типа; концевой отсек вспомогательного оборудования.

Управление тепловозом осуществляется из кабины машиниста. Кабина тепловоза имеет современный внешний вид и представляет собой модульную конструкцию, отвечающую современным санитарно-гигиеническим, антропометрическим и климатическим требованиям. Тепловоз предусматривает управление локомотивной бригадой, состоящей из 2-х человек.

Непосредственно за кабиной машиниста находится отсек аппаратной камеры, в которой размещены: аппаратная камера (по центру отсека); тяговые преобразователи частоты (по боковым стенкам отсека); управляемый двухканальный выпрямитель возбуждения тягового агрегата; устройство обработки информации, унифицированный блок тормозного оборудования, блоки радиостанции, КЛУБа, ТСКБМ (устанавливаются на задней стенке кабины); шкаф для одежды. В крышевом блоке над аппаратной камерой размещен: блок электродинамического тормоза номинальной мощностью 2800 кВт с принудительным охлаждением тормозных резисторов, обеспечивающий эффективное торможение от конструкционной скорости до 24 км/ч.

В дизельном помещении установлен модульный дизель-агрегат, состоящий из двенадцатицилиндрового дизеля и тягового агрегата, смонтированных на общей поддизельной раме. На тяговом агрегате установлен стартер-генератор постоянного тока повышенной мощности. Кроме дизель-агрегата в дизельном помещении расположены: топливоподкачивающий и маслопрокачивающий насосы; фильтры грубой очистки топлива; топливоподогреватель; бункеры передних песочниц; санузел, включающий в себя биологически чистый туалет и умывальник с подогревом воды.

В крышевых блоках дизельного помещения расположены центробежные мотор-вентиляторы охлаждения: тягового агрегата с системой очистки охлаждающего воздуха, тяговых двигателей передней тележки с системой очистки, тяговых преобразователей с системой очистки (все три мотор-вентилятора вместе с блоками мультициклонов объединены в один крышевой блок); вытяжной вентилятор; объединенный вентилятор отсоса пыли от систем очистки воздуха для охлаждения тягового электрооборудования.

За дизельным помещением размещена холодильная камеры крышевого типа, в которой размещены охлаждающие секции, два осевых мотор-вентилятора, термоизолированные баки системы автоматизированного слива охлаждающей жидкости с устройством ее подогрева.

Под шахтой холодильной камеры устанавливаются: центробежный мотор- вентилятор охлаждения тяговых электродвигателей задней тележки с мультициклонной системой очистки воздуха и мотор-вентилятором отсоса пыли; модуль компрессорной установки с отключаемым электроприводом; два водяных циркуляционных и масляный насосы системы подогрева тепловоза.

За отсеком холодильной камеры расположен концевой отсек вспомогательного оборудования, в котором размещены: тиристорные преобразователи частоты питании асинхронных электродвигателей привода вентиляторов охлаждения тягового элетрооборудования и охлаждающего устройства дизеля; резервуары системы газового пожаротушения; мотор- вентилятор охлаждения асинхронных электродвигателей привода вентиляторов охлаждающего устройства (установлен в крышевом блоке).

Требуемый запас дизельного топлива размещен в подвесном топливном баке, который крепится к нижним поясам главной рамы по центру тепловоза.

- установка обеспечения микроклимата кабины, 2 - устройство антиаварийное, 3 - холодильник пищи, 4 - кабина машиниста, 5 - прожектор, 6 - телемеханическая система контроля бодрствования машиниста (ТСКБМ), 7 - установка аппаратов КЛУБ-У и радиостанции, 8 - антенны метрового и гектометрового диапазонов, 9 - резервуары уравнительные, 10 - блок управления и коммутации кондиционера, 11 - преобразователь питания кондиционера, 12 - тормоз электрический обдуваемый, 13 - мотор-вентилятор охлаждения 2-х канального выпрямителя, 14 - мотор-вентилятор охлаждения ТЭД передней тележки, 15 - мультициклонный блок очистки воздуха, 16 - мотор-вентилятор охлаждения тягового агрегата, 17 - мотор-вентилятор отсоса пыли, 18 - мотор-вентилятор вытяжной, 19 - глушитель шума на выхлопе, 20 - мотор-вентилятор отсоса пыли воздухоочистителя дизеля, 21 - бак водяной расширительный, 22 - умывальник, 23 - охлаждающие секции, 24 - мотор-вентилятор холодильной камеры, 25 - камера холодильная, 26 - преобразователи питания собственных нужд, 27 - мотор-вентилятор охлаждения электродвигателей холодильной камеры, 28 - переход межсекционный 29 - бункеры песочниц задних, 30 - резервуары воздушные, 31 - тележка, 32 - агрегат компрессорный, 33 - насос масляный, 34 - электронагреватели, 35 - биотуалет, 36 - датчик ДПС-У системы КЛУБ-У, 37 - воздухоочистители дизеля, 38 - бак топливный, 39 - дизель, 40 - батарея аккумуляторная, 41 - агрегат тяговый, 42 - бункеры песочниц передних, 43 - преобразователи тяговые, 44 - камера аппаратная, 45 - унифицированный комплекс тормозного оборудования, 46 - микропроцессорное устройство обработки информации (УОИ), 47 - главная рама тепловоза, 48 - догружатель, 49 - катушка приемная КПУ-1 системы КЛУБ-У, 50 - путеочиститель, 51 - пульт управления, 52 - кресло машиниста инструктора, 53 - кресла машиниста и помощника, 54 - тормоз ручной, 55 - шкаф для одежды, 56 - выпрямитель двухканальный, 57 - стартер-генератор, 58 - фильтр топливный, 59 - агрегат топливоподкачивающий, 60 - насос маслоподкачивающий, 61 - топливоподогреватель, 62 - мультициклонный блок очитски воздуха, 63 - мотор-вентилятор охлаждения ТЭД задней тележки, 64 - мотор-вентилятор отсоса пыли, 65 - блок осушки сжатого воздуха, 66 - электронасосы системы подогрева, 67 - установка газового пожаротушения.

Электрооборудование тепловоза 2ТЭ25А

Электрооборудование и электрическая схема магистрального тепловоза 2ТЭ25А с электрической передачей переменного тока разрабатываются в соответствии с принятым типажом тепловозов при использовании электропередачи переменного тока.

На тепловозе 2ТЭ25А предполагается применить комплект электрооборудования, характерными отличиями которого от электрооборудования серийных тепловозов с электрической передачей переменно-постоянного тока являются:

применение вместо двух электрических машин (тягового и вспомогательного генераторов ) однокорпусного тягового агрегата;

использование в качестве тяговых электродвигателей двигателей асинхронных электродвигателей с короткозамкнутым ротором;

использование комплексной микропроцессорной системы управления с функцией поосного регулирования силы тяги (МПСУ-ТП), в которой реализованы функции регулирования работы тягового и вспомогательного оборудования, управления тепловозом в зависимости от условий движения поезда, работы по системе многих единиц, бортовой диагностики узлов и агрегатов локомотива;

применение унифицированных тяговых статических преобразователей частоты на IGВТ-транзисторах. Тяговые преобразователи имеют встроенную микропроцессорную систему управления, связанную с комплексной микропроцессорной системой управления (МПСУ-ТП) тепловоза;

использование во вспомогательных электроприводах асинхронных двигателей, частота и напряжение на которых регулируется от вспомогательных статических преобразователей частоты на IGВТ- транзисторах;

применение на тепловозе электрического тормоза;

применение на тепловозе электронного регулятора частоты вращения коленчатого вала дизеля;

применение на тепловозе системы обогрева в длительном отстое;

применение на тепловозе унифицированного комплекса тормозного пневматического и электропневматического оборудования со встроенными микропроцессорными средствами управления.

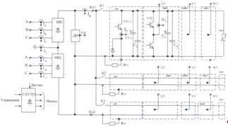
Тяговый статический преобразователь частоты М-ТЗТП-Т-1-У2

Тяговый СПЧ предназначен для питания асинхронных тяговых двигателей грузовых тепловозов при их работе как в режиме тяги, так и в режиме электрического торможения.

Преобразователь (рис. 7) выполняется на основе выпрямителя (В) и автономных инверторов напряжения и состоит из:

-        двух неуправляемых трехфазных выпрямителей (НВ1, НВ2), включенных последовательно;

-        конденсатора фильтра (С 1.1);

-        трех автономных инверторов напряжения (МФ), (по одному на каждый электродвигатель), выполненных на основе IGВТ-транзисторов;

- трех регуляторов тока электрического реостатного тормоза (МТ), выполненных каждый на основе IGВТ-транзисторов;

-        трех вакуумных контакторов (К1 - КЗ);

- комплекта измерительных датчиков тока, напряжения, цепей защиты и управления;

- системы автоматического управления тяговым преобразователем (САУТП).

Рис. 7. Схема электрическая принципиальная силовой части преобразователя

Выпрямитель тягового СПЧ выполнен по схеме, предусматривающей последовательное соединение в группу двух трехфазных мостов, питание каждого из которых осуществляется от одной из двух трехфазных статорных обмоток тягового генератора.

Каждый МФ состоит из шести силовых модулей и входного фильтрового конденсатора. В состав регулятора тока электрического реостатного тормоза входит IGВТ - модуль и обратный диод.

Преобразователь укомплектован набором датчиков тока и напряжения, обеспечивающих контроль, регулирование и диагностирование его элементов.

Основные параметры тягового СПЧ: схема соединения фаз двигателей - звезда, номинальная выходная мощность 3x370 кВт, действующее значение входного линейного напряжения 1450 В, диапазон изменения частоты выходного напряжения 0.3 - 120 Гц, диапазон изменения действующего входного линейного напряжения 360-1460 В, номинальное действующее значение выходного тока 314А.

Система автоматического управления тяговым преобразователем (САУТП) обрабатывает поступающую на ее вход информацию о задающих сигналах от МПСУ верхнего уровня и сигналах обратных связей от датчиков и формирует импульсы управления силовыми IGВТ-транзисторами в соответствии с принятыми алгоритмами управления, а также осуществляет автоматический переход от одного алгоритма к другому.

4. Компрессорная установка

1 Общие требования

Агрегаты компрессорные должны соответствовать требованиям настоящих ТУ и комплекта документации согласно основного конструкторского документа указанного в таблице 1, а во всем не оговоренном - требованиям ГОСТ 10393 И ГОСТ 9219.

Таблица 1

УСЛОВНОЕ ОБОЗНАЧЕНИЕ ИСПОЛНЕНИЯ

ОБОЗНАЧЕНИЕ ОСНОВНОГО КОНСТРУКТОРСКОГО ДОКУМЕНТА ПО ИСПОЛНЕНИЯМ

МАССА, КГ

Агрегат компрессорный роторный винтовой АКРВ 3,2/10-1000 У2 М2

АКРВ 3,2/10.00.000-М2

1100

Агрегат компрессорный роторный винтовой АКРВ 3,2/10-1000 У2-01 М2

АКРВ 3,2/10.00.000-01М2

Агрегат компрессорный роторный винтовой АКРВ 3,2/10-1000 У2-02 М2

АКРВ 3,2/10.00.000-02М2



Основные параметры и характеристики

Основные параметры и характеристики агрегата компрессорного должны соответствовать значениям, указанным в таблице 2.

Таблица 2

НАИМЕНОВАНИЕ ПАРАМЕТРА, ХАРАКТЕРИСТИКИ

ЗНАЧЕНИЕ НОРМАТИВНОГО ПОКАЗАТЕЛЯ, ХАРАКТЕРИСТИКИ

Производительность при ном. частоте вращения вала эл. двигателя, конечном давлении нагнетаемого воздуха, приведенная к условиям всасывания м3 /мин

 3,2±0,1

Конечное давление нагнетания(избыточное), кг/см2(МПа)

10,0(0,98)

Температура сжатого воздуха на выходе из системы охл. (концевой масловоздушный радиатор), °С

не должна превышать температуру окр. среды более чем на 15°С

Мощность, потребляемая компрессором, кВт, не более

25

Мощность, потребляемая вентилятором системы охл., кВт, не более

1

Мощность, потребляемая системой подогрева, кВт, не более

1

Температура масла в картере компрессора, К(°С),не более

383(110)

Расход масла при работе агрегата компрессорного,(при работе с ПВ 100%), г/ч, не более

6

Амплитуда виброускорения, м/сек2,не более

2,0

Корректированный уровень звуковой мощности, дБА, не более

102


Все значения нормативны показателей, характеристик таблицы указаны при нормальных значениях климатических факторов внешней среды по ГОСТ 15150 и частоте вращения вала электродвигателя не превышающей номинальную. За номинальную частоту вращения вала электродвигателя принимать 1000мин-1.

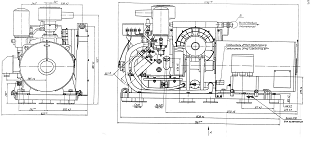
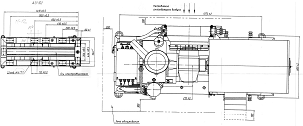
Агрегаты компрессорные должны состоять из:

компрессора (компактный винтовой модуль со встроенным мультипликатором)

электродвигателя привода компрессора ДПТ-25 УХЛ2 16-05810695-046-98

электродвигателя привода вентилятора системы охлаждения П12У3 ТУ 3355-001-05743131-2008

системы всасывания атмосферного воздуха

системы подогрева

системы смазки;

системы охлаждения (воздушной) масла сжатого воздуха;

системы управления и контроля;

эластичной муфты (устройство передачи энергии от электродвигателя компрессору);

основания (рамы);

Рис 4. Агрегат компрессорный роторный винтовой АКРВ 3,2/10-1000 У2 М2

5. Охрана труда

Электрический ток. Случаи поражения человека электрическим током возможны лишь при замыкании электрической цепи через тело человека.

Опасность такого поражения оценивается силой тока и напряжением, приложенным к человеку и зависит от схемы включения системы питания., напряжения сети, степени изоляции токоведущих частей от земли, состояния самого человека и т.д. При действии электрического тока на организм возможны электрические травмы, такие как электрические ожоги, электрические метки, механические повреждения (ушибы, переломы, металлизация).

Ток в 100 мА вызывает смерть при его действии более 0,1 секунды. В настоящее время в Российской Федерации поражения электрическим током со смертельным исходом составляют до 3% от общего числа несчастных случаев.

Для исключения опасности поражения человека электрическим током, в электроустановках используют защитные меры:

.Применение малых напряжений (до 36В)

. Электрическое разделение сети при помощи трансформаторов

. Контроль и профилактика повреждений изоляции

. Защита от случайного соприкосновения в электроустановках (ограждение, изоляция, блокировки)

. Заземление - преднамеренное соединение с землей металлических частей электрооборудования не находящихся под напряжением в обычных условиях, но которые могут оказаться под напряжением в результате нарушения изоляции

. Зануление - присоединение к неоднократно заземленному нулевому проводу питающей сети, корпусов и других конструктивных металлических частей электрооборудования, которое может оказаться под напряжением

. Аварийное отключение преобразователя от сети при коротких замыканиях и перенапряжениях.

Освещение. Производственное освещение при его недостаточном уровне может представлять опасность для рабочих цеха. При малом уровне освещенности рабочего места снижается уровень зрительного восприятия объекта производства.

Это приводит как к резкому ухудшению зрения работающего, так и к возможным производственным травмам (работа на станке, прессе и т.д.). Чрезмерный уровень освещенности также отрицательно сказывается на здоровье рабочего, поскольку приводит к постепенной потере зрения.

Естественное и искусственное освещение в помещениях регламентируется нормами СНиП 23-05-95 в зависимости от характера зрительной работы, системы и вида освещения, фона, контраста объекта с фоном. Характеристика зрительной работы определяется наименьшим размером объекта различения (например, при работе с приборами-толщиной линии градуировки шкалы, при чертежных работах - толщиной самой тонкой линии). В зависимости от размера объекта различения все виды работ, связанные со зрительным напряжением, делятся на восемь разрядов, которые в свою очередь в зависимости от фона и контраста объекта с фоном делятся на четыре подразряда.

Шум и вибрация - постоянные спутники механического производства. Источниками производственного шума являются различные станки, машины, вентиляторы, электродвигатели, сварочные трансформаторы, электрифицированные и пневматические инструменты, транспортные средства и др.

Длительное пребывание в цехах с повышенным уровнем шумов характеризуется появлением головных болей, частичной или полной потерей слуха. Шум с уровнем громкости порядка 80 дБ и выше может быть причиной серьезного заболевания всего организма и в первую очередь является причиной тугоухости и даже глухоты. При шумах с уровнем 90-100 дБ у человека появляются головные боли, головокружение, ослабевает сердечная деятельность, повышается кровяное давление. Косвенно шум может быть причиной травматизма..

Вибрации. Колебания тел с частотой, меньшей 16 Гц, воспринимаются организмом человека только как вибрации. Часто вибрации сопровождаются и шумом. Особенно опасны вибрации непосредственного действия, когда источник колебаний находится в непосредственном контакте с телом человека (ручной электроинструмент, пневмоинструмент и др.) при этом возможно заболевание кровеносных сосудов и нервной системы, сопровождаемое головными болями, головокружением, немением рук, повышенной утомляемостью, т.е. так называемой виброболезнью, относящейся к профессиональным заболеваниям.

В СН 245-71 приведены допустимые значения параметров вибрации на постоянных рабочих местах в производственных помещениях при непрерывном воздействии в течение рабочего дня (8 ч).

Согласно ГОСТ 12.1.003-83 уровень шумов и вибраций на производстве не должен превышать 71 дБ.

К системам обеспечения параметров микроклимата относятся:

.Отопление;

.Вентиляция;

.Кондиционирование.

6. Экология

Общие требования экологичности к производственному оборудованию и процессам установлены СН 1042-73, а также стандартами системы стандартов «Охраны природы». Последние устанавливают принципы охраны и рационального использования природных ресурсов, в частности воды, воздуха, земель, полезных ископаемых, а так же показатели качества природных средств, параметры загрязняющих выбросов и сбросов и показатели использования природных ресурсов.

Основными нормативными показателями экологичности производственного оборудования и технологических процессов, а также предприятий и транспортных средств являются предельно допустимые выбросы в атмосферу, предельно допустимые сбросы в гидросферу, а предельно допустимые энергетические воздействия шума, вибрации, ЭМП, обеспечивающие предельно допустимые уровни в зонах, прикрепленных к предприятиям и в частности жилой застройке.

В условиях чрезвычайных ситуаций, в частности при пожаре, в результате термического разложения электронных компонентов и изоляционных материалов в атмосферу могут выделиться ядовитые вещества, опасные для окружающей среды и для здоровья человека.


Список литературы

1. Тепловоз 2ТЭ25А. Руководство по эксплуатации.

. Михальченко Г. С., Федяева Г. А., Федяев В. Н. Взаимовлияние динамических процессов в электрической и механической подсистемах тягового электропривода тепловозов при переходных режимах // Тяжелое машиностроение. 2005. № 12. С. 28...32.

. Федяева Г. А. Моделирование асинхронного тягового привода тепловоза с системой прямого управления моментом // Мир транспорта. 2006. № 4. С. 10...15.

. Минов Д. К. Повышение тяговых свойств электровозов и тепловозов с электрической передачей. М.: Транспорт, 1965. 267 с.

. Федяева Г. А., Федяев В. Н. Программный комплекс для расчета электромеханических процессов в тяговых электроприводах локомотивов при нестационарных и аварийных режимах / БГТУ // Вест. Брянского техн. ун-та. 2004. № 2. С. 117...123.

. Федяева Г. А. Моделирование динамики пуска и электрического торможения асинхронного тягового привода тепловоза со скалярным управлением при ухудшении условий сцепления //Вестник ВНИИЖТ. 2006. № 5. С. 26...31.

Похожие работы на - Компрессорная установка

 

Не нашли материал для своей работы?
Поможем написать уникальную работу
Без плагиата!
Без нейросетей!