Модернизация микрокриогенной системы

  • Вид работы:
    Дипломная (ВКР)
  • Предмет:
    Информатика, ВТ, телекоммуникации
  • Язык:
    Русский
    ,
    Формат файла:
    MS Word
    860,47 Кб
  • Опубликовано:
    2012-07-06
Вы можете узнать стоимость помощи в написании студенческой работы.
Помощь в написании работы, которую точно примут!

Модернизация микрокриогенной системы

МИНОБРНАУКИ РОССИИ

Федеральное государственное бюджетное образовательное учреждение

Высшего профессионального образования

“Санкт-Петербургский государственный электротехнический университет “ЛЭТИ”

им. В.И. Ульянова (Ленина) ” (СПбГЭТУ)

Направление Радиотехника

Кафедра телевидения и видеотехники



ВЫПУСКНАЯ КВАЛИФИКАЦИОННАЯ РАБОТА

БАКАЛАВРА

Тема: Модернизация микрокриогенной системы



Студент

Стрельцова О.Г.

Руководитель

Евстигнеев А.А.

Зав. кафедрой

Лысенко Н.В.


Санкт-Петербург 2012 г.

Реферат

 

____ с., 18 рис., 2 табл., библ.13 ист.

РАЗРАБОТКА, РАДИОТЕЛЕСКОП, КВАЗАР-КВО, СИСТЕМА УПРАВЛЕНИЯ, МИКРОКРИОГЕННАЯ СИСТЕМА, БЛОК УПРАВЛЕНИЯ КОМПРЕССОРНОЙ УСТАНОВКОЙ, ПАНЕЛЬ УПРАВЛЕНИЯ, МИКРОКОНТРОЛЛЕР, СХЕМА ЭЛЕКТРИЧЕСКАЯ ПРИНЦИПИАЛЬНАЯ

Объектом разработки данной дипломной работы является модернизированная система управления микрокриогенной аппаратурой радиотелескопа РТ-32, включающая панель управления и блок управления компрессорной установки (КУ). Целью работы было создание принципиальной схемы, макетирование и отладка элементов системы управления. В процессе разработки использовалась система автоматизированного проектирования электронных схем P-CAD 2004, пакет программ для моделирования электрических цепей Proteus VSM, пакет программ AVR Studio для загрузки тестовых программ в микроконтроллер, КОМПАС 3D LT V11 для оформления электрических схем согласно отечественным ГОСТам. В ходе работы была разработана структурная схема будущего устройства, электрические принципиальные схемы отдельных его узлов, был произведен выбор элементной базы и разработана принципиальная схема. Также было проведено макетирование и отладка устройства с помощью тестовых программ микроконтроллера.

Содержание

Введение

1. Микрокриогенная система

1.1 Структура и принцип действия

1.2 Цели и задачи модернизации

2. Модернизация системы управления микрокриогенной аппаратуры

2.1 Панель управления микрокриогенной системы

2.1.1 Выбор микроконтроллера

2.1.2 Управление микроохладителями и компрессорной установкой

2.1.3 Связь с центральным компьютером

2.1.4 Органы внешнего управления и индикации.

2.1.5 Регулировка и контроль давлений

2.1.6. Счетчики моточасов и датчики температуры

2.2 Компрессорная установка и блок управления компрессорной установкой

2.2.1 Устройство и работа блока включения компрессорной установки

2.2.2 Плата управления и защиты

3. Результаты испытаний разработанных устройств

Заключение

Список использованной литературы

Введение

Микрокриогенная система (МКС) - автономная электроустановка, работающая по принципу низкотемпературного теплового насоса, и являющаяся важной составной частью радиотелескопов интерферометрического комплекса "Квазар-КВО" [1].

Радиоинтерферометрический комплекс "Квазар-КВО" - специализированный комплекс для решения задач фундаментально-координатного обеспечения страны в интересах фундаментальной и прикладной науки: астрономии, геодинамики, астрофизики, космологии, геодезии, космической навигации и метрологии. Комплекс представляет собой систему, состоящую из трех радиообсерваторий, а также центра управления и обработки данных [2]. Несколько телескопов, размещенных в разных местах и разнесенных на как можно большее расстояние, резко увеличивают разрешающую способность системы. Эта методика получила название радиоинтерферометрии со сверхдлинной базой (РСДБ).

Основным элементом каждой радиоастрономической обсерватории комплекса являются радиотелескопы РТ-32 диаметром 32 метра. Главным аппаратным средством каждого радиотелескопа, обеспечивающим его чувствительность по потоку, является высокочувствительный криогенный приемный СВЧ-комплекс [3].

Криоблок входит в состав приемного комплекса в качестве основного устройства, реализующего функции усиления слабых СВЧ-сигналов при минимальном уровне собственных шумов, что достигается при минимальной физической температуре усилителей. Охлаждение элементов каждого криоблока обеспечивается при помощи соответствующей МКС.

В настоящей дипломной работе произведена разработка модернизированной системы управления МКС.

модернизация микрокриогенная аппаратура радиотелескоп

1. Микрокриогенная система


1.1 Структура и принцип действия


Микрокриогенная система МСМР-180А-3,2/20 [4], используемая для охлаждения, представляет собой автономную установку, работающую по циклу низкотемпературного теплового насоса (система Джиффорда-Макмагона [5]). Компрессорная установка и дистанционно расположенный микроохладитель замкнуты по криоагенту (газообразному гелию высокой степени очистки). Микроохладитель установлен непосредственно в криоблоке. Требуемое давление газообразного гелия (прямого потока - высокое и обратного потока - низкое) в соединяющих трубопроводах устанавливается и поддерживается за счет непрерывной работы компрессорной установки.

В состав МКС входят следующие элементы (рисунок 1.1):

) установка компрессорная (КУ);

) микроохладители (МО) - 2 шт.;

) панель управления (ПУ);

) газораспределительное устройство (ГРУ);

) газораспределительная панель (ГРП);

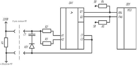
Частями МКС, непосредственно отвечающими за управление (выделены цветом), являются: панель управления, газораспределительная панель и блок включения КУ. Остальные устройства (МО, КУ, ГРУ) являются исполнительными. Управление осуществляется с помощью центрального компьютера управления радиотелескопом (ЦКУР)

Рисунок 1.1 - блок-схема МКС

Принцип получения холода в МКС основан на эффекте охлаждения криоагента при расширении и обеспечивается двухступенчатым микроохладителем. Тепло от криостатируемых устройств отводится потоком криоагента (в трубопроводе низкого давления), который поступает в компрессорную установку, где после сжатия охлаждается в теплообменнике окружающим воздухом при помощи вентилятора.

Компрессорная установка МКС может обеспечивать работу одновременно с двумя микроохладителями, с которыми соединяется трубопроводами через ГРУ.

Газораспределительное устройство служит для перераспределения и регулирования уровней давления газовых потоков между двумя микроохладителями и трубопроводом низкого давления.

Для обеспечения требуемых температур криостатирования в заданном диапазоне в МКС предусмотрена регулировка газовых потоков с помощью ГРУ, что позволяет оператору:

поддерживать минимально необходимый перепад давлений с целью создания более "щадящего" режима работы микроохладителей;

перераспределять газовые потоки между высоким давлением на входе МО и низким на выходе, тем самым меняя в небольших пределах температуру криостатирования.

1.2 Цели и задачи модернизации


Необходимость модернизации МКС на интерферометрическом комплексе "Квазар-КВО" была обусловлена тем, что МКС, разработанная в 90-х годах прошлого столетия, была значительно изношена за многие годы эксплуатации и уже не в полной мере соответствовала современным требованиям. Отмечено, что моральное устаревание элементов управления МКС ограничивает полноценное использование оборудования по следующим причинам:

) отсутствие в производстве необходимых компонентов;

) сложности в обслуживании и ремонте оборудования;

) проблемы сопряжения с другим оборудованием радиотелескопа.

При этом существенно возросли требования к возможностям дистанционного управления аппаратурой МКС.

Целью модернизации было улучшение технических характеристик, повышение эксплуатационной надежности, а также снижение массы и габаритов аппаратуры. Это потребовало разработки на современной элементной и технологической базе всех элементов системы управления МКС, в результате чего ожидается существенное улучшение эксплуатационной надежности и ремонтопригодности аппаратуры, а также значительное расширение возможности управления узлами МКС.

В соответствии с поставленной целью решались следующие задачи:

2)      Формулирование требований к модернизируемым отдельным элементам устройства;

)        Разработка схемотехники отдельных каскадов, расчет и выбор электронных компонентов, разработка общей принципиальной схемы;

)        Макетирование и испытание разработанных элементов модернизированной системы управления МКС.

2. Модернизация системы управления микрокриогенной аппаратуры


2.1 Панель управления микрокриогенной системы


Управление МКС осуществлялось при помощи двух блоков - панели управления и газораспределительной панели. Первый управлял микроохладителем (МО) и компрессорной установкой (КУ) - обеспечивал питание МО, вырабатывал сигналы старта и остановки компрессоров, осуществлял подсчет времени наработки МО, индикацию работы управляемых устройств, автоматическое выключение второго МО. Второй управлял газораспределительным устройством, обеспечивая примерную индикацию высокого и низкого давлений (через показания вольтметра), управление регуляторами давления и распределения криоагента.

Все управление осуществлялось непосредственно с ПУ при отсутствии возможности дистанционного управления с ЦКУР, блоки имели большие габариты и вес. К недостаткам штатного устройства также можно отнести недостаточный уровень защиты от нежелательных состояний (например, возможность работы КУ без включенного МО, что было запрещено инструкцией по эксплуатации компрессора).

Модернизация ПУ подразумевает устранение недостатков имеющейся установки, для чего предусматривается объединение функций ПУ и ГРП в едином блоке, что упрощает конфигурацию системы и экономит место, соединительные кабели и питание. Необходимо также осуществить возможность полноценного дистанционного управления МКС с ЦКУР, предусмотреть ряд дополнительных возможностей (точная индикация давлений, расширение функции ручного управления с панели, возможность дальнейшей модернизации).

Таким образом, задачи разрабатываемого устройства выглядят следующим образом:

обеспечение питания двигателей МО;

включение / выключение МО, в том числе дистанционно;

включение / выключение КУ, в том числе дистанционно;

температурный контроль важных узлов МКС, в том числе дистанционно;

подсчет времени наработки МО и КУ и выдача этой информации, в том числе дистанционно;

индикация высокого и низкого давлений;

управление регуляторами давления, в том числе дистанционно;

управление регулятором распределения, в том числе дистанционно;

автоматическую защиту от всех нежелательных состояний, в том числе автоматическое выключение второго МО;

индикация всех параметров работы МКС - включение устройств, температуры, давлений, в том числе дистанционно;

2.1.1 Выбор микроконтроллера

За последние годы в микроэлектронике бурное развитие получило направление, связанное с выпуском однокристальных микроконтроллеров (МК), которые предназначены для “интеллектуализации" оборудования различного назначения. Однокристальные (однокорпусные) микроконтроллеры представляют собой приборы, конструктивно выполненные в виде БИС и включающие в себя все составные части “голой” микроЭВМ: микропроцессор, память программ и память данных, а также программируемые интерфейсные схемы для связи с внешней средой. Использование микроконтроллеров в системах управления обеспечивает достижение исключительно высоких показателей эффективности при столь низкой стоимости (во многих применениях система может состоять только из одной БИС микроконтроллера), что микроконтроллерам, видимо, нет разумной альтернативной элементной базы для построения управляющих или регулирующих систем. К настоящему времени более двух третей мирового рынка микропроцессорных средств составляют именно однокристальные микроконтроллеры.

Использование микроконтроллеров в изделиях не только приводит к повышению технико-экономических показателей (стоимости, надежности, потребляемой мощности, габаритных размеров), но и делает их легко модифицируемыми и адаптивными. Использование микроконтроллеров в системах управления обеспечивает достижение высоких показателей эффективности при низкой стоимости. Аппаратные и схемотехнические решения переносятся в плоскость программного кода. Так как одной из целей модернизации МКС было уменьшение габаритов устройства и повышение надежности, использование микроконтроллера представляется совершенно необходимым для решения поставленной задачи.

В ходе работы был выбран микроконтроллер ATmega16 от фирмы Atmel - лидера по разработке и производству высокоинтегрированных полупроводниковых компонентов, в частности микроконтроллеров, энергонезависимой памяти, программируемой логики и радиочастотных компонентов. Поставленные задачи не отличаются программной сложностью при возможно большом объеме - 8-битного микроконтроллера достаточно, обеспечивая его низкое потребление энергии и стоимость. МК архитектуры AVR [6] от фирмы Atmel - 8-битные RISC-микроконтроллеры для встраиваемых приложений - являются, мощным инструментом для создания современных высокопроизводительных и экономичных устройств управления.

В настоящее время в рамках единой базовой архитектуры микроконтроллеры AVR подразделяются на несколько семейств:

Tiny AVR;

Mega AVR;

Mega AVR для специальных применений;

ASIC/FPGA AVR.

Для решения задачи оптимальным выглядит устройство из семейства Mega. Микроконтроллеры этого семейства имеют наиболее развитую периферию, наибольшие среди всех микроконтроллеров AVR объемы памяти программ и данных.

Микроконтроллеры семейства Mega поддерживают несколько режимов пониженного энергопотребления, имеют блок прерываний, сторожевой таймер и допускают программирование непосредственно в готовом устройстве. Кроме того, аналогичные микроконтроллеры используются в других устройствах, разработанных в ИПА РАН, что значительно облегчает их программирование и сопряжение.

Отличительные особенности ATmega16:

Четыре 8-ми битных портов ввода/вывода;

Кбайт программируемой Flash памяти (1000 циклов стирания/записи);

байт EEPROM (100000 циклов стирания/записи);

Кбайт встроенной SRAM;

возможность программирования непосредственно в системе через последовательные интерфейсы SPI и JTAG;

-ми канальный 10-битный аналогово-цифровой преобразователь;

Внутренние и внешние источники прерываний;

Рабочее напряжение 4,5 - 5,5 В.

2.1.2 Управление микроохладителями и компрессорной установкой

Одной из задач ПУ является питание двигателей МО. По сравнению со штатной ПУ, схема питания не изменилась и приведена на рисунке 2.1 Устройства питаются от 220 В, которое образуется как напряжение между одной из фаз и нейтралью входной переходной фазной сети (380 В). В линии, идущей от фазы имеется фазосдвигающая цепочка, состоящая из R3 и C1, к двигателям МО.

Сигнал о статусе питания МО приходит с МК и замыкает цепь питания с помощью сдвоенного 5 В реле. Однако, непосредственно МК не может выработать достаточно тока для переключения реле. Для решения этой проблемы был предусмотрен усилитель на транзисторе общего назначения VT1 (BC847) с токоограничивающими резисторами R2 (30 Ом) и R1 (1 кОм)

Рисунок 2.1 - схема питания МО

Далее рассмотрим часть панели управления МКС отвечающую за формирование сигналов включения/выключения КУ и двух МО. МК вырабатывает соответствующие сигналы согласно протоколу обмена между центральным компьютером радиотелескопа и системой управления СВЧ приемным комплексом [7] и подает их через разъем WF-8 на исполнительное устройство - рассмотренное выше низковольтное реле с усилителями (для МО) и блок включения в составе КУ.

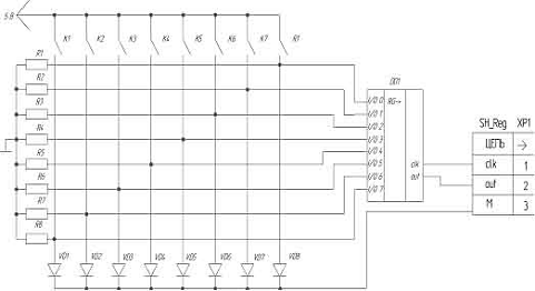
Схема представлена на рисунке 2.2 В схеме использован элемент DD2 - 74НС595 - восьмиразрядный сдвиговый регистр с последовательным вводом, последовательным или параллельным выводом информации, триггером-защелкой и тремя состояниями на выходе. Расположение выводов и описание их функций в таблице 2.1

Рисунок 2.2 - принципиальная схема узла управления МО и КУ

Назначение выводов DD2 табл.2.1

Выводы 1-7, 15

Q0…Q7

Параллельные выходы

Вывод 8

GND

Общий провод

Вывод 9

Q7"

Выход для последовательного соединения регистров

Вывод 10

MR

Сброс значений регистра.

Вывод 11

SH_CP

Вход для тактовых импульсов

Вывод 12

ST_CP

Синхронизация ("защелкивание") выходов

Вывод 13

OE

Вход для переключения состояния выходов из высокоомного в рабочее

Вывод 14

DS

Вход для последовательных данных

Вывод 16

Питание


Использование сдвигового регистра вызвано экономией портов ввода-вывода у микроконтроллера. В случае, когда требуются порты, работающие только на вывод, наиболее удобным решением является применение последовательно-параллельных сдвиговых регистров. Одним из представителей таких микросхем является 74HC595. Преимущество использования данного устройства очевидно - вместо 8-ми портов ввода-вывода, задействовано всего три линии - “data" - данные, “latch” - "защелкивание" выходов и “clock” - вход для тактовых импульсов.

Выходные сигналы Q0 - Q7 передаются на управляемые устройства через стандартный разъем WF-8. При этом предлагается следующее расположение выводов:

импульс старта КУ;

импульс остановки КУ;

статус МО №1;

статус МО №2.

На данный момент задействовано 4 вывода из 8-ми. Тем не менее, система управления МКС подразумевает использование второй КУ, управление которой в протоколе обмена на данный момент не учтено, что потребует еще двух выводов. Остальные два вывода оставлены на случай, если протокол будет расширен. Одним из недостатков штатной ПУ является отсутствие каких-либо элементов обратной связи. Иными словами, система управления только осуществляла включение/выключение МО и КУ, никаким образом не контролируя реакцию исполнительных устройств. Кроме того, в ходе эксплуатации был обнаружен эффект заклинивания МО вследствие загрязнения криоагента, что требует постоянного отслеживания и немедленного вмешательства оператора. Модернизированная система должна учитывать эти состояния. В случае с КУ сигнал статуса нормальной работы КУ вырабатывается блоком включения. Для МО же необходимо разработать соответствующий узел схемы. Параметр, через который осуществляется контроль - ток, потребляемый двигателем МО. Принципиальная схема узла обратной связи МО изображена на рисунке 2.3.

Рисунок 2.3 - принципиальная схема узла обратной связи с МО

Разработанный элемент учитывает следующий факт: в случае исправной работы МО потребляемый ток равен 0.2 А, если устройство не включилось или отсутствует - 0 А, если произошло заклинивание - 0.27А (определено экспериментально). Таким образом, узел обратной связи представляет датчик потребляемого тока. В цепь питания МО включен мощный (1 Вт) резистор R1 номиналом 10 Ом, через который проходит потребляемый установкой ток. Действующее напряжение на R1, если управляемый элемент работает исправно, составляет 2В, если двигатель МО заклинило - 2,7 В. В узле обратной связи на входе стоит однополупериодный выпрямитель на конденсаторе С1 и диоде VD1, который преобразует переменное напряжение в постоянное.

В зависимости от напряжения на выходе выпрямителя меняется ток на резисторах R2 (10 кОм) и R3 (3,5 кОм), от величины этого тока срабатывают соответствующие каскады оптрона DA1, передавая сигнал о состоянии МО на МК. Достоинством данной схемы является то, что она обеспечивает полную гальваническую развязку от напряжения 220 В.

2.1.3 Связь с центральным компьютером

Связь ПУ с центральным компьютером осуществляется по следующей структурной схеме (рисунок 2.4):

Рисунок 2.4 - структурная схема связи панели управления МКС с центральным компьютером

Сигналы с микроконтроллера приводятся в соответствие стандарту RS-232 [8], конвертируются в RS-485, передаются по шине данных до места наблюдения, конвертируются трансивером обратно в RS-232 и считываются центральным компьютером.

Данная конфигурация устройств передает информацию со скоростью 9600 бит/с, обеспечивая необходимое расстояние передачи (110 м от операторской до компрессорной) осуществляет управление не только с ПУ МКС, но и СВЧ приемным комплексом, для которого она была разработана изначально

На уровне взаимодействия с отдельными блоками в системе применяется последовательный интерфейс синхронной и асинхронной передачи данных, определяемый стандартом EIA-232-С (RS-232-C) - интерфейс между терминалом данных и передающим оборудованием линии связи, применяющий последовательный обмен двоичными данными. Максимальная скорость передачи данных, согласно стандарту - 115 кбит/с.

В качестве достоинств данного интерфейса стоит отметить: полную аппаратную реализацию, программную независимость, доступность в управлении со всех уровней, развитую систему сигналов и настроек (можно свободно выбирать скорость, режим и паритет передачи данных) и универсальность применения стандарта.

Недостатки RS-232:

низкая скорость обмена, тем не менее, вполне достаточная для панели управления;

недостаточная мощность для питания периферии от разъема (МКС имеет собственное питание);

невозможность горячего отключения/подключения - в этом отсутствует необходимость, ПУ МКС должна быть включена постоянно;

отсутствие возможности многоточечного соединения - МКС на шине RS-232 всегда одна и необходимость в поддержке нескольких устройств отсутствует;

небольшое расстояние связи - достаточное для работы соединения с трансивером

Второй стандарт, использованный для передачи сигналов от ПУ к центральному компьютеру - RS-485 (Recommended Standard 485 или EIA/TIA-485-A), не описывает программную модель обмена и протоколы обмена. RS-485 создавался для расширения физических возможностей интерфейса RS232 по передаче двоичных данных. Максимальная скорость передачи: 10 Мбит/с, максимально расстояние передачи: 1200 м.

Достоинства RS-485:

хорошая помехоустойчивость;

большая дальность связи;

однополярное питание +5 В;

простая реализация драйверов;

возможность широковещательной передачи;

многоточечность соединения.

Недостатки:

большое потребление энергии;

отсутствие сервисных сигналов;

возможность возникновения коллизий.

Таким образом, использование сразу двух интерфейсов компенсирует недостатки обоих и в конечном итоге обеспечивает качественную и удобную для пользователя связь МКС с центральным компьютером.

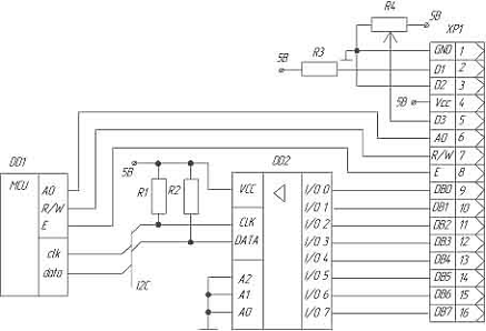
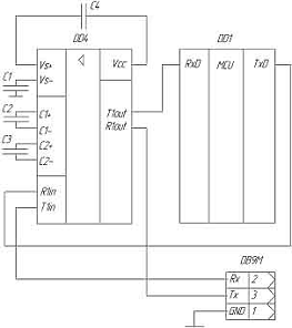
Аппаратно связь с ЦКУР осуществлена по схеме, представленной на рисунке 2.5 В схеме использованы следующие элементы:

- MAX232 - интегральная схема, преобразующая сигналы последовательного порта RS-232 в сигналы, пригодные для использования в цифровых схемах на базе ТТЛ или КМОП технологий. MAX232 работает приемопередатчиком и преобразует сигналы RX и TX.

Конденсаторы C1…C4 (1 мкФ) являются необходимыми внешними элементами для работы MAX232, номинал выбран согласно документации производителя.

Рисунок 2.5 - схема узла связи с ЦКУР

Разъем DB9M - 9-ти штырьковый разъем, в котором используются два сервисных сигнала стандарта RS-232 - Rx и Tx, также называемым COM-портом (Communication port). Использование 9-ти штырькового разъема в телекоммуникационном оборудовании, работающем по стандарту RS-232C разрешено ассоциацией телекоммуникационной промышленности (Telecommunications Industry Association - TIA), стандарт TIA-574. Использование данного разъема удобно для непосредственного управления платой панели управления МКС от компьютера в целях отладки.

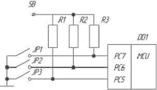
Каждая МКС, подключенная к общей шине передачи данных, должна иметь уникальный номер в диапазоне 16-31. Адрес выставляется аппаратно с помощью джамперов, считывается микроконтроллером при старте и записывается в память микроконтроллера (рисунок 2.6).

Рисунок 2.6 - адресный узел ПУ

2.1.4 Органы внешнего управления и индикации.

Панель управления МКС представляет собой устройство, непосредственно взаимодействующее с оператором и имеющее соответствующие органы ручного управления и индикации.

В штатной ПУ органы индикации представляли собой несколько светодиодов, встроенных в корпус и отражавших состояние используемых устройств. Для индикации давления на ГРП было предусмотрено несколько неградуированных вольтметров. В модернизированной ПУ МКС было решено заменить все эти устройства на полноценный ЖК дисплей, предоставляющий пользователю всю необходимую информацию в удобном виде. В качестве такого дисплея был выбран MT-20S4M [9] - алфавитно-цифровой ЖК модуль, имеющий 4 строки по 20 символов, каждый символ отображается в ячейке 5х8 точек).

Жидкокристаллический модуль MT-20S4M состоит из встроенного контроллера управления и ЖК панели. Контроллер управления КБ1013ВГ6, производства ОАО "АНГСТРЕМ", аналогичен HD44780 фирмы HITACHI и KS0066 фирмы SAMSUNG.

Возможности MT-20S4M:

модуль имеет программно-переключаемые две страницы встроенного знакогенератора (алфавиты: русский, украинский, белорусский, казахский и английский);

прием команд с шины данных;

запись данных в ОЗУ с шины данных;

чтение данных из ОЗУ на шину данных;

чтение статуса состояния на шину данных;

хранение в памяти до 8-ми изображений символов, задаваемых пользователем;

вывод мигающего или постоянного курсора двух типов;

управление контрастностью и подсветкой.

Для подключения модуля было необходимо дополнительно освободить 8 выводов контроллера (параллельная 8-битная передача данных), вместо чего была использована микросхема экспандера PCF8574. Посредством двухлинейной двунаправленной шины (I2C) она обеспечивает необходимое расширение порта ввода - вывода общего назначения в МК. Три служебные линии (E,A,R/W) подключены непосредственно к МК. Схема подключения модуля показана на рисунке 2.7

Рисунок 2.7 - схема подключения ЖК модуля.

DD2 - экспандер PCF8574, XP1 - IDC-16MS, вилка прямая.

Резисторы подключены и выбраны согласно документации на модуль и экспандер. Адресные биты экспандера А0-А2 выведены на общий провод, используемый адрес устройства - 000.

За ручное управление ПУ отвечает специально разработанный модуль клавиатуры, размещенный на отдельной плате. Основной его частью является сдвиговый регистр с параллельной загрузкой SN74HC165, ориентированный на последовательный ввод данных, передаваемых на МК через разъем. Схема устройства для 8 клавиш представлена на рисунке 2.8

Рисунок 2.8 - модуль клавиатуры

При нажатии любой клавиши на ПУ замыкается соответствующий ключ (К1…К8). Стягивающие резисторы гарантируют отсутствие напряжения в разомкнутой цепи.

Номинал таких резисторов рекомендуется брать от 10кОм и выше. Диоды (VD1…VD8) образуют 8-ми входовой логический элемент ИЛИ, который срабатывает даже при изменении состояния одного управляемого устройства, подавая сигнал "M" на МК. По этому сигналу контроллер начинает считывать 8-битную последовательность со сдвигового регистра DD1, подавая тактовые импульсы на вход clk.

При необходимости количество клавиш может быть легко увеличено без задействования дополнительных портов ввода-вывода МК.

2.1.5 Регулировка и контроль давлений

Важной частью панели управления МКС является газораспределительная панель (ГРП). Она управляет газораспределительным устройством (ГРУ), где находятся регуляторы давления газа, управляемые постоянным напряжением, изменяющимся в пределах 0-25 В, при силе тока 200 мА. В новом устройстве эту задачу выполняет разработанный каскад, схема которого приведена на рисунке 2.9.

Рисунок 2.9 - узел регулировки давлений

- Atmega16, DA1 - LM358, DD3 - DS1844, VT1 - MJE15030, K1 - регулятор давления

Задачу регулировки различных параметров (звука, контраста, яркости и т.д.) в большинстве случаев выполняют переменные резисторы.

В данном случае, оправданным является применение цифрового потенциометра, рабочие функции которого совпадают с обычными переменными резисторами, но цифровой интерфейс позволяет значительно упростить схемотехнику устройства и в то же время повысить стабильность заданных параметров регулировки.

В отличие от механических потенциометров, цифровые устройства имеют высокую точность регулировки, надежность в эксплуатации и возможность прямого управления через микропроцессорную среду.

Приборы DS1844 были разработаны для обеспечения возможности подстройки и калибровки нескольких параметров.

Интерфейс делает их идеальными приборами для автоматической настройки и калибровки в самых различных применениях.

Преимущества использования микросхемы DS1844:

четыре независимых потенциометра в одном корпусе;

цифровое управление 64 позициями каждого потенциометра;

-проводной адресный интерфейс управления (TWI, I2C);

максимальное значение сопротивления: 10 кОм;

диапазон рабочих температур - 40…+85°C.

Также в разработанном узле присутствует LM358 - низкопотребляющий двухканальный операционный усилитель, включенный по схеме дифференциального усилителя [10].

В общем виде выходное напряжение Uout на операционном усилителе рассчитывается по следующей формуле:


где Uout - выходное напряжение,

U2 и U1 - входные напряжения,

Rf,R1,R2 - сопротивления резисторов согласно рисунку 1, g - переменный резистор. Роль которого выполняет цифровой потенциометр (вывод W1). После подстановки известных величин U2=5 B.,

U1 = 0 B., Rf = 100 кОм., R1 = 100 кОм., R2 = 10 кОм. приводим к следующему виду:


Как видно из формулы, при изменении номинала переменного резистора от 0 до 10 кОм, выходное напряжение меняется в пределах от 0 до 5 В.

Напряжение Uout через резистор R4 в 1 кОм подается на базу мощного биполярного низкочастотного транзистора MJE15030.

Ток базы плавно изменяет значение напряжения коллектор-эмиттер в пределах диапазона 0.25 В, управляя регулятором давления. Таким образом происходит регулирование давления криоагента.

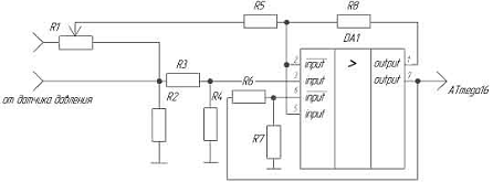
Механизм действия измерительной цепи выглядит следующим образом: датчик давления меняет свое сопротивление в зависимости от значения давления, как показано на рисунке 2.10.

Рисунок 2.10 - график характеристики датчика давления

Разработанная схема (рисунок 2.11) реагирует на изменения сопротивления изменением напряжения при помощи LM358, один канал которого подключен как дифференцирующий усилитель (необходимо отсечь постоянное напряжение и фиксировать только изменения в его значениях), второй - включен по схеме неинвертирующего усилителя.

Значение напряжения на выходе узла оцифровываются в АЦП микроконтроллера. Значения давления в конечном счете представляются в виде кодов АЦП и выдаются на ЦКУР или дисплей ПУ.

Рисунок 2.11 - измерительная цепь ПУ

В ходе испытаний модернизированного узла измерения давления было выяснено, что достигаемая точность измерений - около 0,5 атм на отсчет.

2.1.6. Счетчики моточасов и датчики температуры

Датчики температуры являются необходимыми элементами ПУ МКС, предназначенными для температурного контроля важных узлов МКС. В модернизированной МКС контролируется температура более нагревающихся узлов - нагнетателей КУ, в цепи питания охладителя (в ходе работы устройств значительно нагреваются мощные резисторы фазосдвигающей цепи) и температуры непосредственно внутри ПУ.

В ходе разработки системы управления МКС был выбран датчик температуры AD7416 компании Analog Devices, обладающий наилучшей комбинацией диапазона и точности измерений, габаритов и стоимости, которые удовлетворяют самым жестким требованиям современных систем и обеспечивают устойчивые в работе и экономически эффективные решения. Подобные датчики часто используются в аппаратуре, разработанной в ИПА РАН.- цифровой датчик температуры с 10-битным АЦП и точностью измерений 0,25 градуса, погрешностью ±1 ºC. Время преобразования от 15 до 40 мкс, диапазон рабочих температур - 40…+125º C, напряжение питания 2,7…5,5 В. Обмен данными и передача команд осуществляется через последовательный протокол I2C, активно использующегося в модернизированной ПУ МКС, показания предоставляются сразу в виде градусов Цельсия. Выбираемый адрес последовательной шины позволяет подключить до 8 датчиков на одну линию. При этом датчик обладает низкой стоимостью и широко распространен.

Счетчик времени наработки (моточасов) предназначен для учета времени работы оборудования, в которое он встраивается - МО и КУ. Штатная ПУ МКС оборудована счетчиками моточасов 228 ЧМ-III-0 - электромеханическими устройствами со следующими техническими характеристиками:

форма представления информации - цифровая индикация;

емкость - 99999,9 ч.;

питание: постоянный ток с напряжением 27 (+2-5) В.;

устойчив к импульсам перенапряжения до 300 В.;

диапазон рабочих температур: - 50+55°С;

срок службы: 10 лет;

габаритные размеры: 59,2 (диаметр) х 65,5 мм.

Счетчик ведет учет времени наработки с момента включения питания и до момента его выключения. Исходя из характеристик устройства, можно сделать вывод, что его использование допустимо и в модернизированной системе управления МКС.

Тем не менее, недостатками 228 ЧМ-III-0 являются повышенное напряжение питания (27В), отсутствие подсветки шкалы, возможности дистанционного считывания информации и невозможность сброса информации, что затрудняет контроль за своевременной заменой элементов МКС.

Таким образом, задачей для дальнейшей модернизации является поиск или самостоятельная разработка счетчика моточасов с индикацией времени наработки оборудования на ЖК дисплее, поддерживающего обмен информацией с ПУ при помощи интерфейса I2C и работающего от 5 В для унификации питающего напряжения ПУ. Возможно использование коммерческого устройства, удовлетворяющего этим требованиям.

2.2 Компрессорная установка и блок управления компрессорной установкой


Компрессорная установка (КУ) [11] применяется в микрокриогенной системе, работающей по циклу низкотемпературного теплового насоса переноса тепловой энергии от источника низкопотенциальной тепловой энергии (с низкой температурой) к потребителю (теплоносителю) с более высокой температурой) и предназначена для сжатия криоагента (гелий) и очистки его от примесей масла.

Компрессорная установка состоит из следующих элементов:

фильтров для очистки масла;

датчиков температуры;

вентилятора;

маслоотделителя;

адсорбера;

теплообменника;

компрессора;

блока управления.

КУ представляет собой стационарный агрегат, составные части которого смонтированы на основании. Компрессор, маслоотделитель, адсорбер, теплообменник и блок управления крепятся непосредственно к основанию.

Составные части КУ стыкуются трубопроводами с помощью штуцерно-торцевых соединений с уплотняющими медными прокладками, муфтами и электрическими соединителями.

На панели размещены манометры и муфты для подключения трубопроводов системы. Подсоединение компрессорной установки к охладителю производится с помощью трубопроводов с самоуплотняющимися муфтами.

Функции элементов КУ состоят в следующем: фильтры очищают масло компрессора от механических примесей размерами более 16 мкм. Два датчика температуры подают сигнал при перегреве электродвигателя компрессора выше допустимого значения, еще два - сигнализируют о перегреве криоагента в нагнетательном трубопроводе. Вентилятор обеспечивает принудительное воздушное охлаждение. Маслоотделитель отвечает за отделение частиц масла из смеси криоагент-масло, поступающей из компрессора, т.е. очистку криоагента. Адсорбер окончательно очищает криоагент от паров масла. Теплообменник необходим для охлаждения смеси криоагент - масло. Компрессор - основная часть компрессорной установки, предназначенная для сжатия криоагента. Блок управления осуществляет функции управления и контроля компрессорной установки.

Согласно технической документации, запуск КУ можно производить при температуре окружающей среды от (5±3) º С до (40±3) º С и влажности до 95% при температуре (+25±3) º С.

Основные технические данные КУ таблица 2.2

Наименование

Технические данные

1) Избыточное давление усреднения при температуре окружающей среды (+25±1) º С, атм.

15,8-0,5

2) Избыточное давление криоагента в установившемся режиме КУ, атм. 1.1) всасывания 1.2) нагнетания

 6,9+1,0 21,7±1,0

3) Мощность, потребляемая от сети трехфазного переменного тока с фазным напряжением (220±22) В, частотой (50±2,5) Гц, кВт, не более.

4

4) Потребляемый ток, А.

5) Назначенный ресурс КУ, ч. 5.1) замена адсорбера, периодичность 5.2) замена двигателя вентилятора, периодичность 5.3) замена фильтра, периодичность 5.4) замена фильтроэлемента в фильтре, периодичность 5.5) замена нагнетательного клапана компрессора, периодичность 5.6) замена масла в компрессоре 5.7) проверка сопротивления изоляции электродвигателя компрессора, периодичность

15000 3000 6000 6000 6000 12000 6000 6000 6000

6) Масса, кг, не более

100

7) Габариты, мм.

690х424х510


2.2.1 Устройство и работа блока включения компрессорной установки

Блок включения предназначен для управления КУ на базе расширительных машин с ротационным компрессором. Блок включения КУ позволяет:

осуществлять одновременный запуск компрессорной установки и охладителя и сигнализировать о подаче напряжения на элементы МКС;

осуществлять остановку охладителя через (60±20) с после выключения компрессорной установки;

измерять время наработки в часах;

автоматически выключать МКС при температурах нагнетательного трубопровода и корпуса компрессора выше допустимых и сигнализировать о перегреве;

Функциональная схема штатного блока управления представлена на рисунке 2.12

Рисунок 2.12. - функциональная схема штатного блока включения

Длительный опыт эксплуатации показал неоправданность некоторых инженерных решений, принятых в процессе разработки штатного блока включения. Так, например, датчик температуры показывал только перегрев компрессорной установки, но не низкую температуру окружающей среды. Присутствовал узел, отвечающий за питание микроохладителя, дублирующий аналогичный в панели управления. Элементы блока питались от разных напряжений (380В/220В, 27В, 5В) для обеспечения которых в блоке находился массивный трансформатор. Блок включения не контролировал собственно включение компрессорной установки, в связи с чем не была полностью исключена возможность работы устройства в условиях, запрещенных для его эксплуатации. Само устройство состояло, в основном, из аналоговых компонентов, которые уступают цифровым по таким параметрам как точность измерений, долговечность и экономичность.

Стоит также отметить моральное устаревание блока, а именно ограничение полноценного использования оборудования по следующим причинам:

) отсутствие в продаже необходимых компонентов;

) сложности в поиске специалистов, способных обслуживать и ремонтировать оборудование;

) проблемы сопряжения с другим оборудованием.

Вышеперечисленные причины потребовали разработки модернизированного блока управления.

При модернизации основной управляющей части компрессорной установки блока включения требовалось согласование с техническими данными компрессорной установки. Особое внимание было уделено соблюдению требований, предъявляемых к температуре окружающей среды. Номинальный потребляемый ток учитывался при разработке датчика начала работы установки, запускающего счетчик моточасов для отсчета времени работы КУ. Назначенный ресурс срока службы отдельных частей и всей КУ, сформировал требования к счетчику моточасов - количество отображаемой информации, точность отсчета и индикации времени.

В разработанном устройстве (рисунок 2.13) применена новая схема датчика температуры - он показывает допустимость эксплуатации с учетом обоих тепловых границ при данной температуре среды и обеспечивает соблюдение требований эксплуатации прибора. Сигнал с датчика автоматически выключает установку, также, он может запрещать включение при ненадлежащих условиях. Полностью изъята цепь питания микроохладителя. Применение современных компонентов, обладающих единым стандартом напряжения питания позволило использовать только 380/220 и 5 В, вырабатываемые малогабаритным импульсным блоком питания.

 

Рисунок 2.13. - функциональная схема модернизированного блока управления

2.2.2 Плата управления и защиты

Плата управления и защиты является основным элементом модернизированного блока управления компрессорной установки. Именно она отвечает за непосредственное управление компрессорной установкой, согласовывая сигналы с датчика температуры, импульсы ручного управления и сигналы, полученные дистанционно с панели управления микрокриогенной системой.

Задачи платы управления и защиты:

ручное управление включением и выключением компрессорной установки:

дистанционное управление, независимое от ручного;

контроль температуры - защита компрессорной установки от работы при температурах, находящихся вне допустимого диапазона (5º…40º С);

автоматическое выключение при перегреве;

исключение возможности включения при перегреве;

визуальная индикация температуры среды.

Входные сигналы:

сопротивление термистора как датчика температуры среды;

импульс ручного включения с панели;

импульс ручного выключения с панели;

импульс дистанционного включения с панели управления МКС;

импульс дистанционного выключения с панели управления МКС.

Выходным сигналом является индикация температуры среды на панели, а также светодиод "КУ включена".

Принцип работы разработанной платы включения и защиты заключается в следующем. Непосредственно на плате установлен датчик температуры представляет собой термистор, реагирующий на изменение температуры пропорциональным увеличением своего электрического сопротивления. Сигнал с датчика температуры сравнивается с фиксированными напряжениями с помощью операционного усилителя LM358 в режиме компаратора (рисунок 2.14), где DA1 - LM358, R1=R4=R5=10 кОм, R2=18 кОм, R3=5,1 кОм. Сопротивления выбраны по снятому графику термистора (рис.2.15-2.16).

Рисунок 2.14. - схема включения усилителя LM358

При температуре выше 40º С возникает сигнал запрета включения, осуществляется принудительное выключение компрессорной установки, RGB светодиод на панели индикации переключается на красный.

Рисунок 2.15. - значения сопротивлений термистора для значений температуры в районе 5º С

Рисунок 2.16. - значения сопротивлений термистора для значений температуры в районе 40º С

При температуре ниже 5º С срабатывает защита компрессорной установки аналогично перегреву, - возникает сигнал запрета включения, осуществляется принудительное выключение компрессорной установки, RGB светодиод на панели индикации переключается на синий.

При температуре, находящейся в пределах допустимого диапазона, возможно свободное включение/выключение компрессорной установки вручную и дистанционно, сигнал RGB светодиода зеленый.

Импульсы ручного включения проходят через логическое ИЛИ [12] с сигналами дистанционного включения, затем складываются с сигналом перегрева/переохлаждения на логическом И-НЕ и выставляют логическую единицу на D-триггере, переводя компрессорную установку в режим "включено"

Выключение реализуется через логическое ИЛИ с сигналами дистанционного управления, затем складываются с сигналом перегрева/переохлаждения на логическом ИЛИ-НЕ и выставляют логический ноль на D-триггере, переводя компрессорную установку в режим "выключено".

При дистанционном управлении сигналы с панели управления микрокриогенной системой дополнительно проходят через инвертирующий оптрон, еще раз инвертируются на логических элементах И-НЕ и подаются, аналогично импульсу с ручного управления, на логическое ИЛИ.

Сигнал с D-триггера активирует высоковольтное реле, которое, в свою очередь, активирует мощный контактор, замыкающий 380-вольтовую цепь питания нагнетателя КУ. Этот же сигнал выводится на светодиод внешней индикации. Дополнительная RC-цепочка стабилизирует начальное состояние В-триггера - состояние "выключено".

3. Результаты испытаний разработанных устройств


Разработанное устройство находится в стадии макета, однако каждый из узлов панели управления МКС и блок включения КУ были испытаны на работоспособность. К таким узлам относятся:

узел связи с ЦКУР;

узел обратной связи с МО;

узел управления МО и КУ;

узел связи с жидкокристаллическим модулем:

узел связи с клавиатурой;

датчик давления;

регулятор давления;

термодатчики.

Методика проверки подразумевала использование тестовых программ для микроконтроллера, написанных специально для этих целей. Ниже описаны методики проверки относительно конкретных элементов.

Связь с центральным компьютером

Для проверки работоспособности узла был использован COM Port Toolkit 3.9 - бесплатная программа для работы с последовательным портом компьютера, сочетающая в себе возможности терминала, просмотра, журналирования и экспорта данных. Она используется для создания, отладки или реверс-инженеринга последовательных протоколов обмена. Программа может отправлять и получать данные как в ASCII, так и в шестнадцатеричном виде. В настройках порта возможно менять некоторые данные приема-передачи, включая установку нестандартных скоростей обмена.

Контрольной схеме ПУ с помощью джамперов на выводах ADDRESS1 - ADDRESS3 был присвоен номер 17 - JP2 замкнут, JP3 и JP4 разомкнуты, после считывания МК в регистр записывалось значение "1" и программно складывалось с "16" (согласно протоколу обмена между центральным компьютером радиотелескопа и системой управления СВЧ приемным комплексом номер должен был располагаться в диапазоне 16-31). Для проверки была написана программа типа "эхо": на адрес контрольного устройства передавалось некоторое 2-байтное сообщение, МК должен был его считать и переслать обратно на компьютер, где первый байт - адрес, МК выдает "эхо" только если адрес равен 17.

В ходе испытаний изначально передаваемая информация вернулась в исходном состоянии, что подтвердило работоспособность разработанной схемы.

Параметры последовательного интерфейса, использованные при передаче сообщения: скорость обмена 9600 бод, длина слова 8 бит, один стоп-бит, контроль четности отключен.

Термодатчик

Тестовая программа по запросу компьютера через СОМ-порт выполняла измерение температуры датчика AD7416. Сам датчик был закреплен на медной пластине с контрольным датчиком температуры и влажности SHT75. Последний является частью разработанного в ИПА устройства для мониторинга температуры в надзеркальной кабине радиотелескопа и имеет точность измеряемой температуры 0,01º С. Оба устройства - макет панели управления и монитор температуры - контролировались с компьютера и опрашивались одновременно.

LCD-модуль

Первым этапом контрольных испытаний была проверка экспандера PCF8574 аналогично проверке сдвигового регистра - с AtMega16 через выводы сlk и data посредством двунаправленной шины I2C [13] с интервалом в 1 с передавались байты 01010101 и 10101010 и вольтметром замерялись уровни на выводах I/O 0 - I/O 7. По итогам проверки напряжения на контактах с логической единицей вольтметр показал 5 В, с логическим нулем - 0В. При этом не присутствовало никаких промежуточных значений, очередность битов была верной, что исключало ошибочное срабатывание системы.

Затем использовалась тестовая программа от "монитора температуры" - устройства в составе контрольной аппаратуры радиотелескопа использующее аналогичный дисплей. В программе процедура вывода данных через параллельный порт была заменена на специально написанную подпрограмму для вывода этих же данных через экспандер. С помощью нее была произведена инициализация дисплея и вывод тестового текстового сообщения. Устройство произвело вывод данных корректно.

Клавиатура

Для проверки работоспособности собранной на макетной плате клавиатуры на 8 управляющих клавиш была написана тестовая программа, выдающая через COM-порт сообщение - байт с битами, соответствующими нажатым клавишам. Сигнал прерывания с клавиатуры и тактовые импульсы дополнительно визуально контролировались с помощью осциллографа.

Нажатие одиночных клавиш в различном порядке, а также одновременное нажатие нескольких и сравнение с байтом-сообщением показало, что разработанное устройство корректно выполняет передачу данных о нажатых клавишах.

Управление МО и КУ

На сдвиговый регистр 74HC595 с выводов ShReg1 - ShReg3 МК передавался последовательный двоичный код. Выходной параллельный код регистра контролировался с помощью вольтметра. Программа поочередно с интервалом в 2 с выставляла на регистре значения 01010101 и 10101010. По итогам проверки напряжения на контактах с логической единицей вольтметр показал 5 В, с логическим нулем - 0В. При этом не присутствовало никаких промежуточных значений, очередность битов была верной, что исключало ошибочное срабатывание системы.

Узел обратной связи с МО

Для проверки работы узла обратной связи с МО была собрана экспериментальная установка с двигателем МО и узлом питания. Изначально ток через узел отсутствовал, что соответствовало выключенному МО. Через нормально работающий двигатель проходил ток 0,2 А (контролировалось амперметром). Для проверки заклинивания двигатель искусственно тормозился, ток при этом составлял 0,27 А.

Программа с интервалом в 1 с считывала уровни на двух цифровых выводах оптронов-датчиков тока и выдавала это значение через COM-Port в виде сообщения длиной 1 байт - "нормальная работа", "выключено" и "двигатель заклинило". Выдаваемые сообщения корректно отражали состояние двигателя МО.

Датчик давления

В измерениях, связанных с давлением, пневматическая часть МКС не использовалась, поэтому роль датчика давления играл прецизионный магазин сопротивлений. Тестовая программа периодически (1 с) опрашивала входы P. S.1.1 и P. S.1.2 МК, полученные коды АЦП выводились в виде двух байтов в окне программы COM Port Toolkit. Результаты измерений представлены в таблице 3.1.

Таблица 3.1.

Зависимость кодов АЦП от сопротивления

R, кОм

U, В

коды АЦП

2,10

3,72

775

2,11

3,72

775

2,12

3,71

773

2,13

3,69

769

2,14

3,67

765

2,15

3,64

758

2,16

3,62

754

2,17

3,59

748

2,18

3,56

742

2, 19

3,53

735

2, 20

3,51

731

2,21

3,48

725

2,22

3,45

719

2,23

3,43

715

2,24

3,40

708

2,25

3,37

702

2,26

3,35

698

2,27

692

2,28

3,29

685

2,29

3,27

681


На основе этих данных построен график зависимости значений кодов АЦП от сопротивления на входе датчика давления (рисунок 3.1).

Рисунок 3.1 - зависимость значений кодов АЦП от сопротивления на входе датчика давления

Как показывает анализ приведенного графика, разработанная система обеспечивает достаточно линейное преобразование "сопротивление - код" в диапазоне 2,18 - 2,26 кОм (давление 0 - 20 атмосфер). На этот участок графика приходится примерно 42 отсчета АЦП, что соответствует точности измерения давления в 0,5 атмосферы. Использовавшиеся ранее для приблизительной индикации давления стрелочные вольтметры имели аналогичную или меньшую точность при полном отсутствии градуировки в единицах давления и возможности дистанционного контроля.

Регулятор давления.

В установке для проверки работоспособности регулятора давления был использован реально применяемый регулятор из штатной МКС. Тестовая программа принимала управляющие байты (в диапазоне значений 0х00 - 0х3F или 0-63) через COM Port Toolkit и меняла сопротивление потенциометра (0 - 10 кОм), отвечающего за управление напряжением на регуляторе давления. Напряжение контролировалось вольтметром. На основе полученных результатов построен график (рисунок 3.2)

Рисунок 3.2 - зависимость значений выходного напряжения от отсчетов ЦАП

Из приведенного графика следует, что разработанная схема способна осуществлять преобразование "код - напряжение" с достаточной степенью линейности, а, следовательно, регулировать давление в необходимых пределах и с приемлемой точностью. Участок на графике в диапазоне 0 - 7 отсчетов, при котором отсутствует напряжение на регуляторе, практически не влияет на работу системы, что можно при необходимости учесть программно.

Заключение


В настоящей работе рассмотрены вопросы разработки модернизированной панели управления и блока включения микрокриогенной системы радиотелескопа РТ-32 комплекса "Квазар-КВО". Два устройства - панель управления и блок включения, представляющие собой очередной этап развития системы питания и управления аппаратуры радиотелескопа, были успешно разработаны, смакетированы и отлажены. В процессе работы были пройдены следующие этапы:

) Был изучен полный комплект документации на штатную систему управления МКС. В ходе изучения были выявлены следующие основные недостатки штатной системы управления МКС:

отсутствие какого-либо дистанционного управления системой;

низкая "интеллектуальность" системы управления - крайне ограниченный набор автоматических действий;

общее моральное устаревание установки, ее комплектующих и ряда инженерных решений;

)        Были сформулированы требования к отдельным каскадам будущего модернизированного устройства с учетом недостатков штатной системы. В основу разрабатываемого устройства был положен микроконтроллер как эффективное и современное решение, способное обеспечить как дистанционное управление, так и высокий уровень автоматизации. Остальные каскады предназначались для сопряжения микроконтроллера с исполнительными устройствами, обеспечивая непосредственно управление и контроль;

3)      Была разработана схемотехника панели управления МКС и блока включения на уровне принципиальной электрической схемы основных частей. При выборе отдельных элементов особое внимание уделялось надежности, доступности и использованию уже существующих в аппаратуре управления радиотелескопа решений;

4) Разработанные устройства были смакетированы, отлажены и проверены в условиях, максимально приближенных к реальной работе. Испытания показали работоспособность устройств и их соответствие предъявляемым требованиям.

Таким образом, главные задачи данной выпускной квалификационной работы - разработать, смакетировать и испытать устройство - решены. В процессе работы сформулированы требования, созданы функциональная и принципиальная схемы, разработаны и применены методики проверки работоспособности устройства. Результаты данной работы будут использованы в основе модернизации системы управления микрокриогенной частью радиотелескопов комплекса "Квазар-КВО".

Список использованной литературы


1. www.ipa. nw.ru <http://www.ipa.nw.ru>

. Финкельштейн А.М., Ипатов А.В., Смоленцев С.Г. Радиоинтерферометрическая сеть "Квазар" - научные задачи, техника и будущее // Земля и Вселенная, №4. М.: Наука, 2004.110 с.

3. Приемники радиоинтерферометрической сети "Квазар" / Д.В. Иванов, А.В. Ипатов, В.В. Мардышкин, А.Г. Михайлов. СПб.: ИПА РАН, 2000.350 с. (Труды ИПА РАН. Вып.2.)

. Система микрокриогенная МСМР-180А-3,2/20. Техническое описание и инструкция по эксплуатации. Омск.: Сибкриотехника, 1976.45 с.

. Холодильные машины. // А.В. Бараненко, Н.Н. Бухарин, В.И. Пекарев, Л.С. Тимофеевский. СПб.: Политехника, 2006.944 с.

. Евстифеев А.В. Микроконтроллеры AVR семейства Mega. Руководство пользователя. М.: Додека, 2007.432 с.

. Лавров А.С., Михайлов А.Г. Универсальный мультиадресный протокол обмена данными и его реализация в системе управления СВЧ приемным комплексом радиотелескопов сети "Квазар-КВО". СПб.: ИПА РАН, 2006.200 с. (Труды ИПА РАН. Вып.15.)

. Гук М. Интерфейсы ПК. СПб.: Питер, 1999.416 с.

. Документация на жидкокристаллический модуль MT-20S4M, // www.gaw.ru/pdf/lcd/lcm/melt/char/MT-20S4M. pdf

. Хоровиц П., Хилл У. Искусство схемотехники. Т.1. М.: Мир, 1993.413 с.

. Установка компрессорная. Техническое описание и инструкция по эксплуатации. Омск.: Сибкриотехника, 1976.34 с.

. Бирюков С.А. Применение цифровых микросхем серии ТТЛ и КМОП. М.: ДМК-Пресс, 2000.240 с.

. Семенов Б.Ю. Шина I2C в радиотехнических конструкциях. М.: Солон-Р, 2002.192 с.

Похожие работы на - Модернизация микрокриогенной системы

 

Не нашли материал для своей работы?
Поможем написать уникальную работу
Без плагиата!
Без нейросетей!