Электрооборудование подстанций

  • Вид работы:
    Контрольная работа
  • Предмет:
    Физика
  • Язык:
    Русский
    ,
    Формат файла:
    MS Word
    128,48 Кб
  • Опубликовано:
    2015-02-04
Вы можете узнать стоимость помощи в написании студенческой работы.
Помощь в написании работы, которую точно примут!

Электрооборудование подстанций

Содержание

1. Требования, предъявляемые к электрооборудованию подстанций

. Виды и типы защит электрооборудования

. Трансформаторные подстанции на напряжение 6 - 10 / 0,38 кВ в распределительных сетях

. Техника безопасности при эксплуатации электрооборудования

Список использованной литературы

1. Требования, предъявляемые к электрооборудованию подстанций

Изоляция оборудования должна обладать достаточной электрической прочностью, чтобы противостоять наибольшему рабочему напряжению, а так же коммутационным и атмосферным перенапряжениям.

Выдерживать тепловые и механические действия токов короткого замыкания, т.е. обладать термической и динамической стойкостью.

Быть безопасным для обслуживающего персонала.

Температура в наиболее нагретых частях оборудования и электрических обмоток не должна превышать нормированного значения.

Электрическая подстанция - это электроустановка, предназначенная для преобразования и распределения электрической энергии.

Трансформаторная подстанция предназначена для преобразования электрической энергии одного напряжения в электрическую энергию другого напряжения с помощью трансформаторов.

Электрическое распределительное устройство (РУ)(ЗРУ - закрытое РУ, ОРУ - открытое РУ) - служит для приема и распределения электроэнергии и содержит коммутационные аппараты, которые содержат сборные и соединительные шины, вспомогательные устройства (аккумуляторные), а также устройства защиты автоматики и измерительные приборы.

Электрический распределительный пункт (РП) - это распределительное устройство не входящее в состав подстанции.

Преобразовательная подстанция предназначена для преобразования рода тока (с помощью инвертора) или его частоты.

Комплектная трансформаторная подстанция (КТП).

КРУ - внутренняя установка.

КРУН - наружная установка.

КТП состоит из шкафов или блоков со встроенными в них коммутационными аппаратами, оборудованием, устройствами защиты и автоматики, поставляемые в собранном или полностью подготовленным для сборки в виде.


2. Виды и типы защит электрооборудования

Защиты делятся на основные и резервные. Основные защиты работают без выдержки времени, то есть мгновенно и защищают строго определенный участок (зону). Резервные защиты имеют выдержку времени и работают (защищают оборудование) в случаях отказа основных защит своего оборудования (ближнее резервирование), а также при отказе защит или выключателей смежного оборудования (дальнее резервирование).

По принципу действия защиты разделяются на междуфазные, земляные и дифференциальные.

В сетях с изолированной нейтралью применяются только междуфазные защиты (т.е. защиты от КЗ между фаз) типа МТЗ и ТО, в виду отсутствия больших токов замыкания на землю и в связи с этим со сложностью выполнения защиты от замыкания на землю (и отсутствием острой необходимости в такой защите). Защиты от замыкания на землю в сети с изолированной нейтралью устанавливаются только на генераторах с величиной тока замыкания 5 А и более. В распределительных сетях с изолированной нейтралью выполнена сигнализация поавления в сети замыкания на землю. Эта сигнализация выполнена с помощью реле, установленного в цепи разомкнутого треугольника вторичной обмотки трансформаторов напряжения, на котором появляется напряжение из-за возникновения несимметрии в треугольнике при замыканиях на землю.

В сетях с заземленной нейтралью в связи с более сложной конфигурацией (схемой) этих сетей и обилием линий с двухсторонним питанием, а значит и со сложностью обеспечения селективности работы защит, применяют более разнообразный набор различных видов защит.

Междуфазные защиты реагируют только на междуфазные КЗ и нечувствительны к КЗ на землю по той простой причине, что ток срабатывания (уставка по току) у них значительно выше нежели ток КЗ на землю в данной сети. Одна из наиболее сложных междуфазных защит - это дистанционная защита. Сложность ее заключается в том, что она имеет несколько защищаемых зон (до четырех). Каждая зона имеет свою уставку по времени и току. Зоны отсчитываются от места установки защиты в сторону направления их действия. 1-я зона имеет самую большую уставку по току и самую маленькую по времени. 4-я зона наоборот самую маленькую по току и самую большую по времени, потому что чем дальше место КЗ, тем меньше ток. Каждая зона защищает свой отрезок дистанции от места установки защиты до места КЗ, обеспечивая тем самым селективность работы основных защит и резервируя их в случае отказа. Чувствительность зон осуществляется с помощью реле сопротивлений. Так как до каждой зоны линия имеет определенное сопротивление, то реле сопротивлений настроены так, что первые зоны никогда не сработают на КЗ в последующих зонах.

Земляные защиты, то есть защиты от замыкания на землю, не реагируют на междуфазные КЗ, а реагируют только на токи нулевой последовательности, которые возникают в реле земляной защиты только при КЗ на землю. Сразу опять возникает вопрос (у нормальных людей), зачем такие сложности с разделениями защит на междуфазные и земляные? Неужели нельзя сделать одну защиту, ведь токи в сети с заземленной нейтралью возрастают сверх допустимых, как при междуфазных КЗ, так и при однофазных КЗ на землю, а значит их может улавливать обыкновенная МТЗ? Без такого разделения в сложной сети невозможно добиться селективности работы защит. Земляные защиты в силу того, что реагируют только при появлении замыкания на землю, можно делать любой чувствительности, что удобно при осуществлении дальнего резервирования, а 90% КЗ в сети относятся именно к КЗ на землю. Поэтому земляные защиты делают многоступенчатыми (до 4-х ступеней). Каждая ступень имеет свою уставку по току и по времени (1-я ступень имеет самую большую уставку по току и самую маленькую по времени, а последняя наоборот). Это означает, что чем ближе КЗ, тем больше ток и тем быстрее его надо отключать. А междуфазные защиты нельзя сделать высоко чувствительными, т.к. они могут отработать на токи нагрузки при набросе нагрузки на линию или на КЗ вне защищаемой зоны.

Междуфазные и земляные защиты могут быть направленного и ненаправленного действия. Ненаправленные защиты проще по исполнению и реагируют только на факт увеличения тока не учитывая его направление. Они устанавливаются на тупиковых линиях, где ток течет всегда в одном направлении - от питания к потребителю. На линиях с двусторонним питанием уже требуется учитывать направление тока КЗ, дабы зря не отключить линию, когда КЗ находится не в зоне этой линии. Для этого защиты дополняются реле направления мощности, которое устроено так, что в нем с помощью взаимодействия двух обмоток, напряженческой (питается от трансформатора напряжения) и токовой (питается от трансформатора тока), создается вращающий момент, поворачивающий диск то в одну, то в другую сторону в зависимости от направления тока в обмотке и тем самым либо разрешает действовать защите либо нет.

Дифференциальные защиты применяются там, где нужно иметь четкие границы защищаемого участка. Они устроены по принципу сравнения направления тока на границах защищаемого участка. Как известно, при КЗ все токи текут по направлению к точке КЗ, поэтому дифференциальная защита при КЗ сравнивает направления токов на границах защищаемого участка и если токи текут во внутрь защищаемого участка, что свидетельствует о наличии КЗ на нем, отключает оборудование. Границы действия дифференциальных защит обусловлены местами установки трансформатора тока, от которых берутся контролируемые токи.

. Трансформаторные подстанции на напряжение 6 - 10 / 0,38 кВ в распределительных сетях

Трансформаторные подстанции 6...10/0,38 кВ, которые часто называют потребительскими, предназначены для питания распределительных линий напряжением 0,38 кВ, в большинстве случаев трехфазных четырехпроводных с заземленной нейтралью.

В распределительных сетях используются как однотрансформаторные, так и двухтрансформаторные трансформаторные подстанции мощностью от 25 до 630 кВ-А в большинстве случаев наружной установки. При специальном обосновании могут устанавливаться закрытые трансформаторные подстанции (ЗТП). В настоящее время в большинстве случаев проектируются сети с комплектными трансформаторными подстанциями наружной установки, хотя для потребителей первой категории по надежности электроснабжения все более широко используются ЗТП. В эксплуатации находятся также мачтовые трансформаторные подстанции наружной установки.

Основные схемы первичных соединений распределительного устройства 10 кВ комплектной трансформаторной подстанции (КТП) приведены на рисунке 1 (в некоторых схемах не показаны дополнительные разъединители, которые могут устанавливаться на концевых опорах для присоединения КТП к линиям). Комплектная трансформаторная подстанция тупикового типа с одним трансформатором (рис. 3.1, а) широко применяется для электроснабжения сельскохозяйственных потребителей.

Рисунок 3.1. Главные схемы соединений распределительного устройства РУ 10 кВ трансформаторных подстанций 10/0,38 кВ

Разъединитель, как правило, устанавливают на концевой опоре линии 10 кВ, а предохранители 10 кВ - в КТП. Вместо разъединителя в цепи трансформатора при соответствующем обосновании может быть использован выключатель нагрузки. Схема б также с одним трансформатором и шинами с выключателями нагрузки может применяться в сетях 10 кВ, не только с односторонним, но и с двусторонним питанием, когда по условиям надежности допускаются ручные послеаварийные переключения. Трансформатор присоединяют к шинам через разъединитель и предохранители.

При включенных выключателях нагрузки может осуществляться питание от одного источника с транзитом мощности через шины подстанции. В этой схеме допускается один из выключателей нагрузки заменить на разъединитель с выполнением соответствующих блокировок.

Схема совмещает однотрансформаторную подстанцию с пунктом автоматического секционирования или пунктом автоматического включения резерва (АВР) линии 10 кВ. Схема применяется в сетях напряжением 10 кВ с односторонним и двусторонним питанием, в которых по условиям надежности электроснабжения требуются автоматическое и ручное секционирования линий 10 кВ.

Схема г - распределительное устройство с двумя трансформаторами и шинами 10 кВ, секционированными выключателем нагрузки и разъедителем применяется в основном в сетях 10 кВ с двусторонним питанием, где допускается ручное секционирование линий 10 кВ.

Основной режим работы подстанции - питание каждого трансформатора от независимого источника по линии 10 кВ (секционный выключатель нагрузки отключен). При включенном секционном выключателе нагрузки можно осуществить питание от одного источника с транзитом мощности через шины трансформаторной подстанции. Вместо секционного выключателя нагрузки может быть установлен масляный выключатель (с заменой выключателя нагрузки на разъединитель с левой стороны от него, схема г). Такая схема (схема мостика с одним выключателем) совмещает двухтрансформаторную подстанцию с пунктом автоматического секционирования или пунктом АВР линии 10 кВ.


Рисунок 3.2. Главная схема соединений подстанции УЗТП 10/0,38 кВ

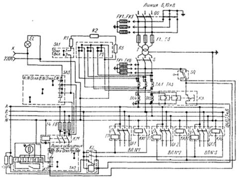
Принципиальная электрическая схема комплектной трансформаторной подстанции 10/0,38 кВ мощностью 25... 160 кВ-А приведена на рисунке 3.3.

Рисунок 3.3. Схема электрическая соединений КТП-25... 160/10

Распределительное устройство (РУ) 10 кВ состоит из разъединителя QS с заземляющими ножами, устанавливаемого на ближайшей опоре линии 10 кВ, вентильных разрядников FV1... FV3 для защиты оборудования от атмосферных и коммутационных перенапряжений на стороне 10 кВ и предохранителей F1... F3, установленных в водном устройстве высшего напряжения, обеспечивающих защиту трансформатора от многофазных коротких замыканий. Предохранители соединены соответственно с проходными изоляторами и силовым трансформатором. Остальная аппаратура размещается в нижнем отсеке (шкафу), то есть распределительное устройство 0,38 кВ.

На вводе распределительного устройства 0,38 кВ установлены рубильник S, вентильные разрядники FV4... FV6 для защиты от перенапряжений на стороне 0,38 кВ, трансформаторы тока ТА1... ТАЗ, питающие счетчик активной энергии PI, и трансформаторы ТА4, ТА5, к которым подключено тепловое реле КК, обеспечивающее защиту силового трансформатора от перегрузки. Включение, отключение и защита отходящих линий 0,38 кВ от коротких замыканий и перегрузки осуществляются автоматическими выключателями QF1... QF3 с комбинированными расцепителями. При этом для защиты линий от однофазных коротких замыканий в нулевых проводах воздушной линии N1... 3 установлены токовые реле КА1... КA3, которые при срабатывании замыкают цепь обмотки независимого расцепителя. Реле настраиваются на срабатывание при однофазных коротких замыканиях. в наиболее удаленных точках сети. Линия уличного освещения от коротких замыканий защищена предохранителями F4... F6.

При перегрузке силового трансформатора размыкающие контакты теплового реле КК, шунтирующие в нормальном режиме обмотку промежуточного реле KL, размыкаются, подавая на нее через резисторы R4 и R5 напряжение. В результате срабатывания реле KL отключаются линии № 1 и 3 и выводится из работы резистор R4, увеличивая сопротивление в цепи обмотки реле KL. Это необходимо для ограничения до номинального значения (220 В) напряжения, подаваемого на обмотку реле KL после притягивания якоря, что связано с увеличением сопротивления обмотки реле. Защита от перегрузки срабатывает не более чем через 1,3 ч при токе, составляющем 1,45 номинального тока силового трансформатора.

Линия № 2 и уличного освещения защитой от перегрузки не отключается. Автоматическое включение и отключение линии уличного освещения осуществляет фотореле KS, а при ручном управлении этой линией пользуются переключателем SA2. Фотореле и переключатель SA2 воздействуют на обмотку магнитного пускателя КМ.

Для поддержания нормальной температуры вблизи счетчика активной энергии PI в зимних условиях служат резисторы R1... R3, включаемые переключателем SA1.

Для контроля наличия напряжения и освещения РУ 0,38 кВ предназначена лампа EL, включаемая переключателем SA3. Напряжение измеряют переносным вольтметром, который включают в штепсельную розетку X, расположенную в РУ 0,38 кВ. Переключатель SA3 позволяет измерить напряжение всех фаз.

Для предотвращения отключения рубильника под нагрузкой предусмотрена блокировка, которая работает следующим образом. При открывании панели закрытия РУ 0,38 кВ замыкающие контакты выключателя блокировки SQ, шунтирующие обмотку промежуточного реле K.L, размыкаются и реле KL срабатывает, отключая автоматические включатели линий № 1 и 3. Одновременно снимается напряжение с обмотки магнитного пускателя КМ и отключается линия уличного освещения.

Размыкающие контакты выключателя блокировки SQ при этом размыкаются и отключают автоматический выключатель линии № 2 (положение контактов выключателя SQ на рисунке 3 показано при открытой панели, закрывающей РУ 0,38 кВ). Предусмотрены также механические блокировки, не допускающие открывания двери вводного устройства высшего напряжении при отключенных заземляющих ножах разъединителя, а также отключения заземляющих ножей разъединителя при открытой двери вводного устройства 10 кВ. Блок-замок двери вводного устройства 10 кВ и блок-замок привода заземляющих ножей имеют одинаковый секрет. К ним имеется один ключ. Во включенном положении разъединителя ключ с привода заземляющих ножей снять невозможно. После отключения главных и включения заземляющих ножей разъединителя ключ свободно снимается с привода заземляющих ножей и им можно открыть дверь устройства ввода 10 кВ.

Для электроснабжения в первую очередь мощных производственных потребителей применяется также серия КТП 10/0,38 кВ с одним и двумя трансформаторами проходного типа КТПП и тупикового типа КТПТ мощностью 250... 630 и 2 (250... 630) кВ-А с воздушными вводами наружной установки. Конструктивно однотрансформаторные КТПП и КТПТ выполняют в виде одного блока, в котором в соответствующих отсеках размещены РУ 10 и 0,38 кВ, а также силовой трансформатор. Оболочка блока (шкаф) изготовлена из листовой стали и имеет двери для обслуживания РУ 10 кВ и 0,38 кВ. Предусмотрены блокировки для безопасного обслуживания.

Рисунок 3.4. Общий вид мачтовой трансформаторной подстанции 10/0,38 кВ: 1 - разрядник, 2 - предохранитель, 3 - трансформатор, 4 - площадка для обслуживания, 5 - шкаф РУ 0,38 кВ, 6 - выводы линии 0,38 кВ, 7 - лестница.

Рисунок 3.5. Общий вид разъединительного пункта на напряжение 10 кВ: 1 - опора, 2 - разъединитель, 3 - привод разъединителя

Двухтрансформаторный КТП состоит из двух однотрансформаторных блоков, соединенных между собой. РУ 10 кВ КТПП и КТПТ выполняют по схемам а, б и г (рис. 1). В частности, распределительное устройство 10 кВ КТПП мощностью 250... 630 кВ-А с одним трансформатором выполнено по схеме б (рис. 3.1). Схема распределительного устройства 0,38 кВ в основном аналогична схеме на рисунке 3, однако предусматривается также вариант с установкой блоков предохранитель-выключатель вместо автоматов на отходящих линиях, число которых увеличено до четырех. Мачтовые подстанции мощностью 25... 100 кВ-А монтируют на П-образной опоре, а 160... 250 кВ-А - на АП-образной опоре. Подстанции в большинстве случаев выполняют тупиковыми. На рисунке 3.4 показан общий вид мачтовой трансформаторной подстанции 10/0,38 кВ. Все оборудование размещено на П-образной опоре.

Трансформатор 3 установлен на огражденной площадке 4 на высоте 3... 3,5 м. Напряжение к трансформатору подается через линейный разъединительный пункт и предохранители 2. Линейный разъединительный пункт включает разъединитель с приводом, установленный на концевой опоре. Распределительное устройство 0,38 кВ представляет собой металлический шкаф 5 брызгозащищенного исполнения с установленной внутри аппаратурой. Ввод в шкаф от трансформатора и выводы 6 к линиям 380/220 В выполнены в трубах. Для подъема на площадку 4 служит складная металлическая лестница 7, которая (в сложенном виде) так же, как дверцы шкафа и привод разъединителя, запирается на замок. Для защиты трансформаторной подстанции от перенапряжений установлены вентильные разрядники 1.

электрооборудование подстанция трансформаторный напряжение

Вопросы электробезопасности имеют большое значение как в производственных, так и в бытовых условиях. По статистике среди несчастных случаев со смертельным исходом на долю электротравм в среднем по стране приходится около 12 %, а в отдельных отраслях - до 30 %.

Чаще всего электротравмы возникают при случайных прикосновениях к токоведущим частям, находящимся под напряжением, или к конструктивным металлическим частям электрооборудования (корпус, кожух и т.п.) при повреждении электроизоляции. Человек начинает ощущать действие тока начиная с 0,6-1,5 мА (миллиампер), а при токе 10-15 мА судорожное сокращение мышц не позволяет ему самостоятельно отключить цепь поражающего его тока. Ток силой в 50- 60 мА поражает органы дыхания и сердечно-сосудистую систему.

Для уменьшения опасности поражения током применяют ряд мер, основными из которых являются: защитное заземление; зануление; изоляция токоведущих частей; применение пониженного напряжения; применение изолирующих подставок, резиновых перчаток и т.п.

Защитное заземление - специальное соединение с землей корпусов электрических машин и аппаратов, которые могут оказаться под напряжением.

Защитное заземление делается для снижения напряжения между землей и корпусом машины (попавшим под напряжение) до безопасного значения. В случае пробоя изоляции между фазой и корпусом машины ток, проходящий через человека, не представляет опасности. Защитное заземление состоит из заземлителя (металлические конструкции в земле) и заземляющих проводников (стальные или медные шины, соединяющие корпуса машин с заземлителем, которые приваривают или соединяют с ними болтами).

Зануление - соединение корпусов электрических машин и аппаратов, которые могут оказаться под напряжением, не с землей, а с заземленным нулевым проводом. Это приводит к тому, что замыкание любой из фаз на корпус аппарата или машины превращается в короткое замыкание этой фазы с нулевым проводом. Ток короткого замыкания вызывает срабатывание защиты, и поврежденная установка отключается. Нулевой провод не должен иметь предохранителей и выключателей.

Опасность поражения электрическим током резко увеличивается при наличии повышенной влажности, высокой температуры, технологической пыли и др. В зависимости от этого помещения, в которых устанавливается электрооборудование подразделяют на сухие (температура 27-30 °С и влажность до 60 %), влажные (не более 75 %), сырые (выше 75 %), особо сырые (около 100 %) и жаркие (длительное время более 30-35 °С).

Большое влияние на условия безопасности труда в помещениях с электрооборудованием оказывает особенность строительного материала полов. Особую опасность представляет пол с достаточно высоким сопротивлением (деревянный, асфальтовый) и меньшую опасность - пол с более низким сопротивлением (бетонный, каменный).

По степени опасности различают следующие производственные помещения:

особо опасные (очень сырые или с химически активной средой);

с повышенной опасностью (влажные или с токопроводящей пылью, токопроводящим полом, высокой температурой, большим количеством заземленного оборудования);

без повышенной опасности (не имеющие указанных выше признаков).

В соответствии с правилами безопасности требуется снабжать надежной изоляцией и прочными ограждениями доступные для возможного прикосновения человека токоведущие части оборудования, напряжение которых превышает 65 В (для помещений без повышенной опасности); 36 и 24 В (с повышенной опасностью); 12 В (для особо опасных помещений). Таким образом, при работе в условиях повышенной опасности для электропитания элементов оборудования, освещения и инструмента следует применять источники энергии с пониженным напряжением.

Для защиты персонала от возможности поражения электрическим током при выполнении включений и отключений, осмотрах высоковольтных установок и других операциях обязательным является применение слесарно-монтажного инструмента с изолированными ручками, изолирующих подставок, резиновых ковриков, обуви и перчаток.

Поражения электрическим током можно разделить на два вида: электрический удар и электрическая травма. Электрический удар происходит при относительно небольшом токе и сравнительно длительном (несколько секунд) времени его протекания. Возникновение электрического удара начинается с судорожного сокращения мышц и может закончиться смертельным исходом при параличе сердца.

Электрические травмы представляют собой поражения внешних частей тела (ожоги, электрические метки, электрометаллизация кожи, поражение глаз под воздействием лучистой энергии электрической дуги). При электрических травмах требуется оказание квалифицированной медицинской помощи. В случае электрического удара надо срочно освободить пострадавшего от воздействия электрического тока. При обморочном состоянии пострадавшему необходимо оказать первую помощь до прибытия врача: освободить его от стесняющей одежды, дать понюхать нашатырный спирт, открыть окна. При необходимости применяется искусственное дыхание (методы искусственного дыхания изучаются на занятиях по охране труда и технике безопасности).

Список использованной литературы

1. Грумбина А.Б. Электрические машины и источники питания РЭА. Москва, «Энергоатомиздат», 1990

. Чунихин А.А. Электрические аппараты: Общий курс. Учебник для вузов. 3-е изд., перераб. и доп. - М.: Энергоатомиздат, 1988. - 720 с.

. А.А.Федоров «Справочник по электроснабжению и электрооборудованию» (в двух томах, М.: Энергоатомиздат, 1987г.).

. Ю.Г Барыбин. «Справочник по проектированию электроснабжения.», (М.: Энергоатомиздат, 1990 г., -576 с.:ил.).

. Б.А. Соколов, Н.Б.Соколова «Монтаж электрических установок», (М.: Энергоатомиздат, 1991 г.,-592 с.:ил.).

. Сибикин, Ю.Д. Охрана труда и электробезопасность / Ю.Д. Сибикин. - М.: Радио и связь, 2012. - 408 c.

Похожие работы на - Электрооборудование подстанций

 

Не нашли материал для своей работы?
Поможем написать уникальную работу
Без плагиата!
Без нейросетей!