Конструкція пристрою – кодової сигналізації, яка призначена для охорони об’єктів
Содержание
Вступ
1. Технічне обґрунтування доцільності розробки
1.1 Принцип побудови кодових сигналізацій
2. Конструкторський розділ
2.1 Галузь використання приладу і ціль
2.2 Аналіз технічних вимог і умов експлуатації
2.3 Вибір і обґрунтування аналогів
2.3.1 Кодовий замок
2.3.2 Кодова сигналізація
2.4 Попередній аналіз і розробка схеми
2.4.1 Вибір прототипу
2.4.2 Аналіз електричної принципової схеми та принцип роботи
2.4.3 Аналіз елементної бази
2.4.4 Загальне компонування приладу
2.5 Конструкторські розрахунки
2.5.1 Розробка конструкції друкованої плати
2.5.1.1 Розрахунок площі і габаритів плати
2.5.1.2 Розробка топології та компонування друкованої плати
2.5.1.3 Технологія виготовлення друкованих плат
2.5.1.4 Вибір матеріалу друкованої плати
2.5.1.5 Вибір типу друкованої плати
2.5.1.6 Вибір класу точності друкованої плати
2.5.2 Розрахунок діаметрів контактних площадок
2.5.3 Розрахунок ширини провідників
2.5.4 Аналіз електромагнітної сумісності елементів друкованої плати
2.5.5 Розрахунок плати на вібростійкість
2.5.6 Розрахунок на дію удару
2.5.7 Тепловий розрахунок пристрою
2.5.8 Розрахунок надійності за раптовими відмовами
Висновки
Література
Додатки
Вступ
Пристрої охоронної сигналізації з дистанційним
радіозв'язком [1] містять передавальну станцію, до складу якої входять
послідовно з'єднані блоки (датчиків, опорний генератор, блок постійної пам'яті,
цифро-аналоговий перетворювач і передавач), з підключеною до виходу
передавальною антеною, включені між виходом датчики і другим входом передавача,
а також прийомну станцію.
Для попередження про порушення охоронної системи
служить акустичний випромінювач. У вихідному стані при відсутності тривожної
ситуації на виході блоку датчиків установлюється низький логічний рівень,
передавач відключається й завдяки цьому акустичний випромінювач у прийомної
станції виключений. При виникненні тривожної ситуації, що реєструється хоча б
одним з датчиків, на його виході встановлюється потенціал високого логічного
рівня, запускається опорний генератор і дешифратор по коду з виходу лічильника
забезпечує зчитування кодів сигналу тривоги, зафіксованих у комірках пам'яті,
код тривоги, перетворений цифро-аналоговим перетворювачем в аналоговий сигнал
тривоги, передається передавачем по радіоканалі на прийомну станцію.
Послідовність цих операцій може бути різною в різних системах сигналізації,
проте принцип дії схожий.
Для охорони безлічі об'єктів за допомогою
зазначених пристроїв можна утворити систему охоронної сигналізації. Однак при
збільшенні числа охоронюваних об'єктів різко знижується надійність охорони
кожного окремого об'єкта, тому що при одночасному або частковому сполученні в
часі спрацьовування декількох охоронних пристроїв неможливо ідентифікувати
об'єкт порушення охорони.
В проекті ми розглянемо кілька конструкцій, щоб
визначити найбільш оптимальну із них, і розробимо друковану плату пристрою та
аналіз роботи схеми.
Пристрій, для якого розробляється друкована
плата, призначений для автономної охорони особистого майна громадян або
організацій. Пристрій припускає керування з окремого кодового пульта. Базовий
блок установлюється в схованому або важкодоступному місці, а клавіатура
кріпиться недалеко від входу для оперативного зняття приладу з режиму
"Охорона". При невеликому вдосконаленні (уведення в схему каскаду реле
ПЦН) можливе підключення до пульта централізованого спостереження. Пристрій
задовольняє всім технічним параметрам, пропонованим відділами позавідомчої
охорони.
1.
Технічне обґрунтування доцільності розробки
1.1
Принцип побудови кодових сигналізацій
Найбільш близьким технічним рішенням, який
обирають як прототип, є пристрій для сигналізації [2], що містить датчики, до
виходу кожного з яких підключений адресний блок, що може бути виконаний у
вигляді дешифратора, послідовно з'єднані блок формування кодів, виходом підключений
до входів адресних блоків, дешифратор, блок індикації, а також таймер і схема
АБО, один вхід якої об'єднаний із входом таймера й підключений до виходів
датчиків, а вихід до другого входу таймера й до входу блоку формування кодів.
У пристрої здійснений принцип послідовного
опитування датчиків по коду, формованому адресним блоком. Якщо опитуваний
датчик перебуває в неаварійному стані, то таймер після попередньої установки у
вихідний стан буде знову запущений, адресний блок сформує інший код, що відповідає
наступному опитуваному датчику. По новому коді з формувача кодів включається
індикатор, що відповідає новому коду. Якщо опитуваний датчик перебуває в
аварійному стані, то таймер не встановлюється у вихідний стан, блоком
формування кодів новий код не формується й відповідний індикатор блоку
індикації буде перебувати у включеному стані до закінчення інтервалу часу
розбірливої індикації, зчитувального таймером.
Даний пристрій може бути використане в системі,
що містить велику кількість датчиків, що належать різним охоронюваним об'єктом,
кожному з яких буде відповідати свій індикатор у блоці індикації.
Істотним недоліком даного пристрою є те, що
збільшення числа датчиків сполучено з більшими технічними складностями, тому що
кількість проводів N пов'язане з кількістю датчиків М залежністю М=2N.
Даний пристрій не може працювати в діалоговому
режимі, тому що інформація може передаватися тільки в одному напрямку, а саме,
від пристрою й не може прийматися пристроєм.
Завданням розробників є створення системи охоронної
сигналізація безлічі об'єктів, адаптивної до числа охоронюваних об'єктів, до
числа датчиків і їхньому функціональному призначенню, що ідентифікує вид
порушеної охоронної функції, час порушення й тимчасові періоди охорони
об'єктів, і інформації, що забезпечує двосторонню передачу, між об'єктом і
вузлом контролю по дводротової лінії.
Дана охоронна сигналізація, як і прототип,
включає ряд абонентських пристроїв, кожне з яких містить датчики,
мультиплексор, схему АБО й блок індикації. Система відзначається тим, що в неї
введені мікропроцесорний блок і включені в кожний абонентський пристрій блок
керування, ряд RS-тригерів, окремий тригер зі стробованим виходом, послідовно
з'єднані кодовий замок, датчик його стану і формувач сигналу з автономним
запуском, додаткова багатовходова схема АБО й демультиплексор, блок керування,
і мікропроцесорний блок. При цьому блок індикації підключений до виходів
багатовходової схеми АБО й демультиплексора, і принаймні частина RS-тригерів
своїми R-входами підключені до виходів зазначеного формувача сигналу.
У кращому втіленні блок керування включає
формувач імпульсів у вигляді послідовно з'єднаних першого й другого інверторів,
прямо включеного діода з підключеної до його катода паралельним RC-ланцюгом і
третім інвертором, а також підключені до виходу другого інвертора послідовно
з'єднаних зворотно включеного діода з послідовним RC-ланцюгом, RC-з'єднанням
підключеної до його анода, четвертого й п'ятого інверторів, лічильник
формування адреси, підключена рахунковим виходом до виходу першого інвертора й
входом установки в нульовий стан до виходу третього інвертора, реверсивний
лічильник с попередньою установкою коду номера абонентського пристрою,
рахунковий вхід якого підключений до інверсного виходу старшого розряду
лічильника формування адреси, а вхід установки в нульовий стан підключений до
виходу третього інвертора, при цьому прямі виходи лічильника формування адреси
утворять шину адреси, вихід п'ятого інвертора утворить інформаційний вихід,
вихід третього інвертора утворить вихід сигналу стробування й вихід
реверсивного лічильника утворить вихід сигналу дозволу.
Сукупність наведених ознак системи охоронної
сигналізації залишається незмінною при зміні числа охоронюваних об'єктів, числа
датчиків і їхнього функціонального призначення, найбільше число й розмаїтість
яких обмежено тільки вартісною доцільністю застосовуваних вузлів і елементів
блоку керування, мікропроцесорного блоку тощо, тобто пропоноване рішення
адаптивне до кількісних і якісних параметрів сукупності об'єктів охорони.
Здійснюваний за допомогою пропонованого
схемно-конструктивного рішення роздільні й послідовні в часі опитування
датчиків на кожному окремому об'єкті забезпечують поряд з високою надійністю
охорони можливість ідентифікувати об'єкт і вид порушеної функції охорони. При
цьому виключається блокування забезпечення ідентифікації окремих порушень при
множинності співпадаючих у часі порушень.
Логічний характер використовуваних сигналів,
адаптивна резервність пропонованого рішення, можливість надійної ідентифікації
сигналів від окремих датчиків дозволяє частина датчиків використати як джерела
сигналів спеціальних команд або виклику, тобто іншого функціонального
призначення. Система дозволяє передати такий сигнал і в мікропроцесорний блок,
і за допомогою цього блоку на блок індикації будь-якого заданого абонентського
пристрою системи, тобто розширити функціональні можливості системи.
Система із циклічністю, заданою мікропроцесорним
блоком, здійснює послідовне опитування стану датчиків всіх абонентських
пристроїв системи, що дозволяє ідентифікувати час порушення охорони й
тимчасових періодів охорони.
Будь-який окремий охоронюваний об'єкт може бути
знятий із охорони за допомогою ключа до кодового замка без втручання персоналу
обслуговування системи, тобто автоматично.
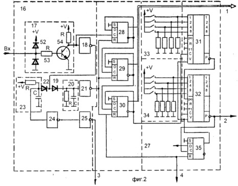
На рис.1 у додатку А показана блок-схема
пропонованої системи охоронної сигналізації з одним абонентським пристроєм і
блок-схемою керування з вилученого вузла зв'язку;
Система охоронної сигналізації містить
мікропроцесорний блок 1 (блок керування прийомом і передачею інформації) і ряд
абонентських пристроїв 2, кожне з яких підключене до мікропроцесорного блоку 1
і містить блок керування 3, підключені до його шини адреси й виходу дозволу
відповідними входами мультиплексор 4 і демультиплексор 5, інформаційним входом
підключений до відповідного виходу блоку керування 3, послідовно з'єднані
кодовий замок 6, датчик його стану 7 і формувач сигналу 8 із ключем 9
автономного запуску, ряд датчиків 10 числом рівним числу охоронних функцій, що
відповідає йому ряд RS-тригерів 11, кожний з яких підключений R-входом до
окремого датчика 10, S-входом до виходу демультиплексора 5 і інверсним виходом
до окремого входу мультиплексора, підключені до прямих виходів RS-тригерів 11
послідовно з'єднані многовходовая схема АБО 12, тригер 13 зі стробируемым
входом, у якого вхід стробовання з'єднаний з виходом стробовання блоку 3
керування, а S-вхід з виходом демультиплексора 5, схема АБО 14, другим входом
підключена до виходу мультиплексора 4, а виходом до входу мікропроцесорного
блоку 1. Пропоноване рішення постачене блоком 15 індикації, підключеного до
виходів багатовходової схеми АБО 12 і демультиплексора 5. При цьому S-вхід
тригера 13 підключений до виходу демультиплексора 5 і принаймні частина
RS-тригерів зазначеного ряду своїми R-входами підключені до окремих виходів
формувача 8 сигналу.
кодова сигналізація друкована плата
Блок 3 керування (рис.2 у додатку А) включає
формувач імпульсів 16 у вигляді послідовно з'єднаних першого інвертора 17,
другого інвертора 18, прямо включеного діода 19 з підключеної до його катода
паралельним RC-ланцюгом 20 і третього інвертора 21, а також підключені до
виходу другого інвертора 18 послідовно з'єднані зворотно включений діод 22 з
послідовним RC-ланцюгом 23, RC-з'єднанням підключеної до його анода, четвертий
інвертор 24 і п'ятий інвертор 25, лічильник 26 формування адреси, підключена
рахунковим входом до виходу першого інвертора 17 і входом установки в нуль до
виходу третього інвертора 21, а також реверсивний лічильник 27 з попередньою
установкою коду номера абонентського пристрою 2. Рахунковий вхід реверсивного
лічильника 27 підключений до інверсного виходу старшого розряду лічильника 26
формування адреси, а його вхід установки в нульовий стан підключений до виходу
третього інвертора 21. При цьому прямі виходи лічильника 26 формування адреси
утворять шину адреси блоку 3 керування, вихід п'ятого інвертора 25 утворить
його інформаційний вихід, вихід третього інвертора 21 утворить вихід сигналу
стробування й вихід реверсивного лічильника 27 утворить вихід сигналу дозволу.
Цикл опитування починається із приходом на вхід
блоку 3 керування (вхід формувача імпульсів 16) команди установки в нуль
низький потенціал, тривалістю більше двох періодів імпульсів опитування.
Інвертор 17 є узгоджувальним елементом, із захистом по входу від випадкових
викидів напруги, виконаний на транзисторі. З інвертора 18 низький потенціал
надходить на прямо включений діод 19. Діод 19 закривається й конденсатор
RC-ланцюга 20 повільно заряджається через резистор. При досягненні логічного
нуля на виході інвертора 21 з'явиться високий потенціал, що встановлює тригера
28, 29, 30 і 35 у нульовий стан. Високий потенціал з інвертора 21 є також
імпульсом стробування й з виходу 4 надходить на вхід стробування тригера 13 і
забезпечує прохід імпульсів напруги із тригерів 11 і датчика стану 7 кодового
замка при будь-яких змінах стану датчиків 10 і кодового замка 6 (дана ситуація
реалізується в режимі очікування).
Конденсатор RC-ланцюга 23 швидко розряджається
через діод, тому що на його катоді низький потенціал. Із приходом першого
позитивного імпульсу опитування ємність RC-ланцюга 20 швидко заряджається через
діод 19, на виході інвертора 21 з'являється низький потенціал, що надходить на
вхід R лічильника 26 формувача адреси, і дозволяє роботу тригерів 28, 29, 30,
35. Причому низький потенціал, надходячи на тригер 13 по входу стробування,
забороняє прохід імпульсів зміни стану датчиків 10 і кодового замка 6. Крім
того, імпульси опитування надходять на вхід Із тригера 28 з інвертора 17. На
прямих виходах тригерів 28-30 з'являються імпульси рахунку, що формують шину
адрес (діаграми 7 10, фіг.5). Імпульси напруги по шині адреси (вихід 12)
надходять на керуючі входи мультиплексора 4 і демультиплексора 5. У вихідному
стані в реверсивному лічильнику 27 установлюється за допомогою ключів С3, С4
код номера абонента, наприклад один. На всіх інформаційних входах лічильників
С1, С2 установлений логічний "0" (перемикачі 33, 34 розімкнуті). На
вхід С лічильників С1, С2 надходять імпульси рахунку з інверсного входу старшого
розряду тригера 30. По закінченні восьмого імпульсу опитування на виході
лічильника С2 з'явиться низький потенціал, що дозволяє роботу мультиплексора 4
і демультиплексора 5, починається опитування датчиків аварійної ситуації 10,
кодового замка 6, стан яких визначається по наявності логічних нулів і одиниць
на інформаційних входах мультиплексора 4.
Із приходом дев'ятого імпульсу (першого для
даного абонентського пристрою) знімається інформація із входу "0"
мультиплексора 4 і через схему АБО 14 передається в мікропроцесорний блок 1. По
закінченні шістнадцятого імпульсу опитування (восьмого для даного абонентського
пристрою) на виході лічильника С2 (фіг.2) з'явиться високий потенціал, що
забороняє роботу мультиплексора 4 і демультиплексора 5 даного абонентського
пристрою 2, почнеться послідовне опитування наступного абонентського пристрою
2. Перезапис коду в лічильники 31, 32 здійснюється відразу ж після появи
високого потенціалу на виході 32 за допомогою тригера С5.
Залежно від отриманої інформації мікропроцесорний
блок 1 ухвалює рішення щодо посилці або не посилці інформації в абонентський
пристрій при повторному опитуванні. Передача інформації до абонентських
пристроїв 2 мікропроцесорним блоком 1 здійснюється за допомогою команди даних.
Команда даних у вигляді високого потенціалу тривалістю більше двох періодів
імпульсів опитування надходить на вхід формувача імпульсів 16. Високий логічний
потенціал з виходу інвертора 18 закриває діод 22, і ємність RC-ланцюга 23
повільно заряджається через резистор R (діаграма 3, фіг.5). При досягненні
рівня логічної одиниці на вході інвертора 24 на виході інвертора 25 формується
високий потенціал, що подається на вхід демультиплексора 5. Залежно від адреси
логічна одиниця надходить на один з інформаційних входів демультиплексора й
далі в блок індикації 15. Так, якщо логічна одиниця надійшла на інформаційний
вхід "0" (таблиця) демультиплексора 5, то в блоці індикації 15
увімкнеться звукова й світлова індикація, що свідчить про те, що
мікропроцесорний блок 1 сприйняв інформацію, що відповідає постановці об'єкта
під охорону, і, формуючи команду даних, підтверджує це. Якщо логічна одиниця
надійшла на вхід "1", включається індикація, що відповідає
підтвердженню зняття об'єкта з охорони. На вхід "2" виклик іншим
абонентським пристроєм 2 або мікропроцесорним блоком 1 керуючого вузла 43, або
по команді з вилученого вузла зв'язку 44. Входи "3, 4, 5, 6,"
(таблиця) у даній реалізації незадіяні. Вхід "8" скидання у вихідний
стан тригерів 11, 13 (фіг.1) по входу S.
Одночасно високий потенціал надходить у блок 15
індикації, роблячи дублювання скидання звуковою й світловою індикацією.
2.
Конструкторський розділ
2.1
Галузь використання приладу і ціль
Даний прилад може застосовуватися як у побуті,
так і установах чи промисловості. Ціллю розробки системи доступу є розробка
конструкції простого приладу із функціональними можливостями, що не
поступаються промисловим зразкам.
2.2
Аналіз технічних вимог і умов експлуатації
Даний пристрій
відноситься до стаціонарної апаратури.
Пристрій експлуатується в
умовах, де відсутні постійні вібрації, де значення робочої температури повітря
складає +40 оС (верхнє), 0 оС (нижнє), нормальна
температура 20 оС.
До корпуса пристрою
пред’являються вимоги електробезпеки і по механічній міцності, оскільки він може
зазнавати ударів від падінь.
По експлуатаційним параметрам пристрій
відноситься до першої категорії - апаратура, що працює на нерухомій наземній
поверхні.
Допускаються впливи на
пристрій теплових ударів: вище +40 оС і нижче 0 оС, тиск
рн=101,3 кПа.
Аналіз умов експлуатації
зводимо до наступного вигляду (табл.2.1):
Таблиця 2.1 - Аналіз умов експлуатації
|
Клас
використання
|
Стаціонарна
|
|
Група
використання
|
5
|
|
Підгрупа
використання
|
Непрофесійна
|
|
Категорія
розміщення
|
Приміщення
з нормальними умовами
|
|
Умови
експлуатації
|
Лабораторне
чи виробниче приміщення
|
Обґрунтування обраних
категорій:
Клас використання -
стаціонарний (згідно класифікаційної характеристики кодова сигналізація
належить до стаціонарної апаратури).
Група використання - 5
(апаратура, яка працює на нерухомій основі).
Підгрупа використання -
непрофесійна.
Категорія розміщення - 1
(для експлуатації в приміщеннях та під навісом і на об’єктах, де коливання
температури або вологості суттєво відрізняється від умов на відкритому
повітрі).
Класифікація проведена у
відповідності з [8].
Аналіз технічних умов:
1.
Найменування пристрою - кодова сигналізація.
2.
Призначення - забезпечення охорони об’єктів.
3.
Комплектність - корпус, плата, ЕРЕ, елементи кріплення.
Вимоги до конструкції
приладу:
. Зовнішній вигляд
- корпус прямокутної форми, з задньої сторони розміщені роз’єми для підключення
живлення та сигнальні входи.
. Корпус пристрою
повинен бути виготовлений з пластмаси.
2.3
Вибір і обґрунтування аналогів
Розглянемо кілька аналогів пристрою, що розробляється,
для порівняння їх характеристик.
2.3.1
Кодовий замок
Це нескладний пристрій відрізняється як
оригінальним кодуванням, так і схемно-логічним рішенням. Цифровий блок
побудований на цифрових елементах структури КМОП і має високу економічність, що
дає можливість харчувати його від автономного джерела. Замок можна
встановлювати як на стаціонарні об'єкти, так і на транспортні засоби для
блокування запуску двигуна або відкривання дверей; не виключена його установка
навіть у валізи й кейси. Одне зі зручностей замка - компактність кодонабирача,
що складається всього із двох кнопок. Такий вузол займає дуже мало місця.
Принцип дії пристрою заснований на підрахунку дев’ятирозрядної кодової
комбінації, що представляє собою довільне чергування логічних рівнів 0 і 1.
Дешифроване останнє (дев'яте) стан рахункового вузла служить сигналом включення
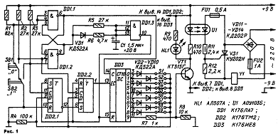
виконавчого механізму. Принципова схема кодового замка представлена, на рис.3 у
додатку А.
Вузол, що кодує, містить дві кнопки SB1 і SB2 з
перемикаючими групами контактів, що не фіксуються в натиснутому положенні.
Дев’ятирозрядний шифр задають розпаюванням
перемичок S1-S9 на виході лічильника-дешифратора DD3. Наявність перемички
відповідає сигналу 1, відсутність - 0. Вузол захисту від дрижання контактів
кнопок зібраний на елементах DD1.1, DD1.2 Він являє собою RS-тригер, що
спрацьовує від першого замикання контактів і тому не реагуючий на інші
дрижальні перемикання. Рахунок імпульсів коду, що вводить, веде лічильник DD3.
Вузол, зібраний на тригерах DD2.1, DD2.2, забороняє подальший рахунок імпульсів
коду, що вводить, при помилці в наборі. У пристрій уведений вузол затримки
часу, що складає з елементів VD1, R5, R6, C1, DD1.3 При помилці в наборі коду
цей вузол дозволяє повторити спробу тільки через певний часовий інтервал. Якщо
почати повторно набирати код до витікання цього інтервалу, замок не спрацює
навіть при безпомилковому наборі. Мінімальний інтервал часу між двома суміжними
спробами набору коду встановлюють відповідним вибором номіналів розрядного
ланцюга R5C1. При номіналах елементів, зазначених на схемі, ця затримка часу
дорівнює 4,8 с. Для гальванічної розв'язки двох джерел, що харчують цифровий
блок і виконавчий механізм, а також для забезпечення електробезпечності
користування замком при мережному живленні застосований оптрон U1. Виконавчий
електромагніт Y1 постійного струму спрацьовує після відкривання триністора VS1,
керованого фотодіністором оптрона. Імпульси з вузла набору коду перемикають
RS-тригер вузла антидрижання, а з виходу елемента DD1.1 тригера надходять на рахунковий
вхід лічильника-дешифратора DD3. Якщо послідовність набору коду правильна,
тобто відповідає розпаюванню перемичок на виході лічильника, то на прямому
виході тригера DD2.2 діє низький рівень напруги, що дозволяє роботу лічильника
DD3 до повного набору коду.
Якщо набрано код, що не збігся із установленим у
будь-якому розряді лічильника, то на виході тригера DD2.2 з'являється високий
рівень, що забороняє подальший рахунок. Наступні натискання на кнопки вже не
змінять стану лічильника доти, поки замок не перейде у вихідне положення.
Більше того, тепер кожне натискання лише збільшує час перебування лічильника
DD3 у стані, що передує помилці в наборі коду. Після припинення натискань на
кнопки після закінчення тимчасової затримки на виході інвертора DD1.3
з'являється високий рівень, що перемикає тригер DD2.2 і лічильник DD3 у стан 0.
Таким чином, висока надійність охорони забезпечена як великою глибиною
комбінаційного набору, так і можливістю регулювання тривалості повернення замка
у вихідний стан після кожної помилки в наборі. При правильному наборі коду
сигнал високого рівня з виходу 9 лічильника DD3 відкриває ключовий транзистор
VT1, що приводить до спрацьовування оптрона, а слідом за ним - триністора, що
включає живлення виконавчого електромагніта - замок спрацює. Після закінчення
тимчасової затримки замок вертається у вихідний стан, що відповідає нульовому
стану тригера DD2.2 і лічильника DD3. Конденсатор С1 повинен бути обраний з
малим струмом витоку.
Електромагніт постійного струму - кожної на
напругу 220 В. Можна використати й низьковольтний електромагніт, перемотавши
його обмотку на 220 В. При необхідності індикації спрацьовування замка в
колекторний ланцюг ключового транзистора VT1 включають світлодіод HL1 із
струмообмежувальним резистором R9. Цифровий блок замка живиться від
стабілізованого джерела напругою 9 В. Живлення виконавчого вузла залежить від
конкретних умов експлуатації. В описуваному варіанті замка цей вузол живиться
від мережі змінного струму напругою 220 В.
У виконавчому пристрої можна використати
електромагніт від стрічкопротягувального механізму магнітоли
"Романтика-106". Підійде також електромагніт від магнітофона
"Комета-201".
2.3.2
Кодова сигналізація
Пропонований варіант електронної кодової
сигналізації відрізняється від аналогічних простотою й підвищеною таємністю.
Запис коду після його набору здійснюється не однократним, а багаторазовим
натисканням відповідної кнопки, причому різним для різних кодів.
Схема кодової сигналізації представлена на рис.4
у додатку А. У неї входять кнопки: SB1 - запису коду, SB2 - занесення коду, SB3
- скидання, а на елементах R1, R2, С1, DD1.1, DD1.2 і R3. R4, С2. DD1.3 DD1.4
зібрані схеми для придушення дрижання контактів [5].
На лічильнику DD3 реалізований пристрій, що
кодує, - код установлюється відповідною комутацією виходів лічильника DD3; не
задіяні в коді виходи через діоди VD2. VD5 за допомогою елементів DD2.3, DD2.4,
VD6 формують сигнал "скидання", що надходить на входи R лічильників
DD4, DD5 у випадку неправильного набору коду. Елементи DD2.1, DD2.2 призначені
для запису коду в лічильники OD4, DD5. Діоди VD7, VD8 формують сигнал
"Скидання" на входах R лічильників DD4, DD5 у випадку неправильного
запису коду. Елементи DD6.1 R8, R9, З4, DD6.2, VD9 формують затриманий на 4 із
сигнал "скидання". Затримка необхідна для спрацьовування виконавчого
пристрою. Елементи DD6.3, DD6.4 відкривають транзистор VT1 при правильно
набраному й занесеному коді. Контакти реле К1 комутують виконавчий пристрій та
пристрій сигналізації. Джерело живлення, що складає з VD12, R11, VD11, С5 (без
мережного трансформатора з резистором, що гасить), побудований за традиційною
схемою.
Працює схема таким чином. Спочатку необхідно
короткочасно натиснути кнопку SB3, при цьому на входах R лічильників DD3, DD4,
DD5 з'являється високий рівень - і лічильники обнуляються. Потім натисканням
кнопки SB2 заносять код відповідно до комутації виходів лічильника DD3. У цьому
випадку кнопку SB2 необхідно нажати два рази, щоб на виводі 4 лічильники DD3
з'явився високий рівень, на інших виходах повинні бути низькі рівні. Тепер
кнопкою SB1 необхідно записати в лічильник DD4 сигнал з виводу 4 DD3. Для цього
кнопку SB1 необхідно нажати два рази, і на виводі 4 лічильники D04 з'явиться
високий рівень. Далі знову кнопкою SB2 заносять код в DD3, натиснувши її шість
разів, при цьому на виводі 10 лічильника DD3 з'явиться високий рівень. Потім
кнопкою SB1 необхідно занести сигнал в DD5, для цього її натискають чотири
рази, і на виводі 5 лічильника DD5 з'являється високий рівень. З виходів
лічильників високі рівні надходять на виводи 1, 2 і 8, 9 елементів DD6.1, DD6.3
У результаті на виводі 11 елемента DD6.4 з'являється високий рівень, що
відкриває транзистор VT1. Спрацьовує реле К1, контакти К1.1 замикаються,
включаючи виконавчий пристрій. На виводі 3 DD6.1 установлюється низький рівень.
Конденсатор С4, заряджений до напруги живлення через резистор R9, повільно
розряджається через резистор R8. Як тільки напруга на С4 і на виводах 5, 6
елемента DD6.2 досягає низького рівня, на виводі 4 елементи DD6.2 установлюється
високий рівень, що обнуляє лічильники DD4, DD5. Транзистор VT1 закривається,
контакти К1.1 розмикаються.
Якщо ж набрано невірний код, контакти К1.1 не
замикаються, а замикаються контакти К1.2 і вмикається пристрій сигналізації
(сирена). Для вимкнення сигналізації необхідно вірно набрати код.
Складемо порівняльну таблицю для двох аналогів:
Таблиця 2.2 - Порівняльні характеристики
приладів-аналогів
|
Характеристика
|
Аналог
1
|
Аналог
2
|
|
1.
Напруга живлення
|
220 В
та +9 В
|
220 В
та +9 В
|
|
2.
Струм споживання
|
50 мА
|
100 мА
|
|
2.
Складність схеми
|
-
|
-
|
|
3.
Кількість функцій
|
2
|
2
|
|
4.
Наявність резервного живлення
|
-
|
-
|
Як бачимо, більш економічною є перша схема, до
того ж у ній передбачено світлову індикацію роботи.
2.4
Попередній аналіз і розробка схеми
2.4.1
Вибір прототипу
Оскільки найбільш близьким за характеристиками та
простішим у виконанні є кодовий замок, зібраний за першою схемою, тому обираємо
за прототип саме дану схему. Ставимо на меті створити пристрій аналогічного
призначення з більш широкими можливостями, легко повторюваний в побутових
умовах.
2.4.2
Аналіз електричної принципової схеми та принцип роботи
На транзисторах VT1 і VT2 виконаний компаратор
напруги, пороги спрацьовування якого визначає дільник R8-R9. Причому слід
зазначити, що схема побудована таким чином, що короткочасні кидки напруг у
шлейфі достатньої довжини (наведення від грози тощо) величиною до 800 В, до
виводу з ладу пристрою не приводять. Час спрацьовування при порушенні - близько
70 мс (стандартний), визначається ланцюжком R11C1.
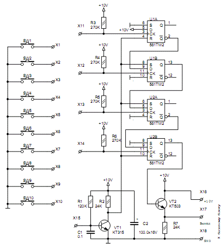
Далі сигнал надходить на логіку. Каскад
U1A,U1B,U5A при включенні пристрою входить у режим "відкритих дверей"
для безперешкодного виходу господаря з об'єкта охорони. Виглядає це так:
відкрити двері, включити прилад, вийти, закрити двері. На цей момент лампа
переходить у миготливий режим. Дзвінок не дзенькає. Час виходу не обмежено.
Далі пристрій встає під охорону. Лампа переходить
у режим постійного світіння, для економічності й збільшення терміну служби
наполовину розжарення (діод VD15). Дзвінок не дзенькає.
При вході власника в приміщення відбувається
порушення й перехід пристрою в режим "тривога". Лампа переходить у
миготливий режим, час затримки включення дзвінка визначається кнопками J1 і J2
(J1 - дзенькає відразу, J2 - дзенькає через 12-15 с).
Затримка включення дзвінка виконана для
безшумного входу у випадку використання приладу з метою охорони квартир.15 с
цілком достатньо для вимикання прихованого вимикача.
При вторгненні лиходіїв відбувається перехід у
режим тривоги, включення дзвінка через заданий час, переклад лампи в миготливий
режим. Час звучання дзвінка визначається каскадом U5B,U6,U1C,U1D і становить
приблизно 15 хвилин. Якщо необхідно більший час - використовуються інші виходи
лічильника.
Каскад генератора коливань виконаний на U2 за
стандартною схемою. Його частота приблизно близько 0,5 - 1 сек.
Пристрій дозволяє підключати джерело автономного
живлення 24В до відповідних клем. Якщо дещо видозмінити схему включення дзвінка
- можливе підключення низьковольтних випромінювачів. Схема подібної сирени так
само буде наведена на сайті.
Для підключення пульта ПЦН необхідно сформувати
ланцюг з послідовно включених контактів реле ДО1 і ДО2 з розрахунку, що ланцюг
у режимі "охорона" повинна бути замкнута. Крім того, частоту
генератора, що задає, потрібно вибрати не менше 0,5 с. По стандарту фіксований
час обриву в лінії ПЦН повинен бути не менше 0,5 с.
Транзистор типу КТ815 можна встановити на
невеликий П-подібний радіатор.
Необхідною умовою є якість знижувального
трансформатора. Резистор R21 є запобіжником, бо, як відомо, час виходу з ладу
резистора по живленню в такім включенні набагато менше, ніж час вигоряння
звичайного запобіжника.
Кодове керування представляє із себе керування
живленням логіки за допомогою коду, що набирається на клавіатурі. Схема кодової
частини представлена на рис.5 у додатку А.
Необхідно відзначити, що клеми Х1-Х10
підключаються до входів необхідних тригерів, залежно від потрібної комбінації
цифр (чотиризначний код). Як видно зі схеми, єдине обмеження - та сама цифра не
повинна повторюватися другий раз відразу ж на наступному тригері.
Вільні клеми, що залишилися, підключаються до
клеми Х11. Це зроблено для того, щоб при натисканні будь-якої цифри, що не
входить у код, відбувалося скидання раніше набраного.
Логіка роботи така ж як і у звичайного приладу з
урахуванням того, що замість вимикача живлення використовується кодовий каскад
2.4.3
Аналіз елементної бази
Аналіз елементної бази проводиться з метою
з’ясування, чи забезпечує вона задані характеристики виробу, які передбачені
умовами експлуатації і режимом роботи, та чи необхідно намітити які-небудь
конструкторські заходи для нормального функціонування розробки, при цьому слід
враховувати відповідність номіналів і потужність елементів схеми, їх швидкодію,
забезпечення технічних вимог до приладу і конструкції, наявність даних типів
елементів в серійному виробництві.
Згідно з переліком елементів до схеми електричної
принципової, що наведений у додатках, здійснюємо опис характеристик обраних
радіоелементів. Варто зазначити, що під час вибору елементної бази віддавалась
перевага радіоелементам із мінімальними малогабаритними показниками, щоб
пристрій мав якомога менші розміри. Саме через це вітчизняних радіоелементів у
пристрої небагато, що пояснюється занадто великими розмірами елементів або відсутністю
аналогів зарубіжним. Однак, зараз доступні як ті, так і інші, чого не було
раніше. Причому деякі радіоелементи мають навіть меншу вартість, а ніж наші.
[9]
Електролітичні конденсатори обираємо типу К50-35.
[10]
Керамічні конденсатори постійної ємності К10-17
також призначені для роботи в ланцюгах постійного, змінного й пульсуючого
струмів, виконані ізольовано [10]. Електричні характеристики наведені в таблиці
2.3 [10]
Таблиця 2.3 - Електричні характеристики
конденсаторів
|
Тип
|
К50-35а
|
К10-17
|
|
Характеристики
|
|
|
|
Діапазон
номінальних ємностей
|
0,47
мкФ.220 мкФ (ряд Е24)
|
2,2
пФ…2,2 мкФ (ряд Е6, Е24)
|
|
Допустиме
відхилення ємності
|
±20%
|
±5%; ±10%; ±20%
|
|
Номінальна
напруга
|
4В;
6,3В; 10В; 16В; 25В; 35В; 50В
|
25В;
40В; 50В; 100В; 160В
|
|
Діапазон
температур
|
-40.
+105 0С
|
-60.
+85 0С
|
|
Тангенс
кута втрат
|
0,35.0,1
|
0,0015.0,035мкА
|
|
Струм
витікання
|
0,01.3мкА
|
0,01.3мкА
|
|
Напрацювання
на відмову, lо´10-6, год - 1
|
0,001
|
0,1
|
Резистори С2-23-0,125 загального застосування все
кліматичного ізольованого й неізольованого варіантів виконання, призначені для
роботи в ланцюгах постійного, змінного й імпульсного струмів, а також для
автоматизованого монтажу. Умови пайки 260±5% ºС протягом 2±0,5 с. Електричні характеристики резисторів
наведені в таблиці 2.4, габаритні розміри в таблиці 2.5, вигляд корпусу на
рисунку 2.1 [14]
Рисунок 2.1 - Габаритні розміри і вигляд корпуса резистора
С2-23-0,125
Таблиця 2.4 - Електричні характеристики резисторів
|
Клас
точності
|
5%
|
|
Типорозмір
|
С2-23-0,125
|
|
Номінальна
потужність
|
0,25 Вт
|
|
Робоча
напруга
|
150В
|
|
Максимальна
напруга
|
250В
|
|
Діапазон
робочих температур
|
-60. +155ºС
|
|
Діапазон
номінальних опорів
|
1 Ом.10
МОм (ряд Е24; ряд Е96)
|
|
Напрацювання
на відмову lо´10-6, год-1
|
0,4
|
Зводимо дані про усі радіоелементи у таблицю 2.5,
попередньо обрахувавши їх установочні площі.
Установочна площа для елементів, які знаходяться
на друкованій платі, обраховується наступним чином.
Якщо елемент має переріз круглий (для
конденсаторів, транзисторів, вертикально встановлених резисторів тощо), площа
обчислюється за формулою:
[мм2], (2.1)
де d - діаметр компонента.
Якщо елемент розміщений на платі горизонтально, то
установочна площа:
, (2.2)
де a, b - відповідно ширина і довжина установки.
Обчисливши за формулами (2.1-2.2) установочні площі для
усіх елементів, заносимо дані в таблицю 2.5 У ній також подана інша інформація
про радіоелементи: їх маса, висота, діаметр виводів, максимальна робоча
температура і частота вібрації.
Таблиця 2.5 - Конструктивно-експлуатаційні характеристики
елементів
|
Назва
елемента
|
Кіл.
шт.
|
Конструктивні
параметри
|
Допустимі
умови експлуатації
|
|
|
Маса, г
|
Площа
встанов. мм2
|
Висота,
мм
|
Діаметр
виводу, мм
|
Макс.
темп. ºС
|
Частота
вібрації Гц
|
|
Конденсатори
|
|
К50-35
|
4
|
1
|
40
|
14
|
0,6
|
+155
|
15.200
|
|
К10-17
|
6
|
0,5
|
21
|
12
|
0,6
|
+155
|
15.200
|
|
Мікросхеми
|
|
К561ТМ2
|
1
|
1
|
142
|
4
|
0,5
|
+70
|
5…600
|
|
К561ЛА7
|
2
|
1
|
142
|
4
|
0,5
|
+70
|
5…600
|
|
К561ИЕ15
|
1
|
1,2
|
160
|
4
|
0,5
|
+70
|
5…600
|
|
Реле
|
|
РЭК-2В-204
|
2
|
2
|
50
|
12
|
0,6
|
+70
|
1.1000
|
|
Резистори
|
|
С2-23-0,125
|
28
|
0,15
|
20
|
4
|
0,6
|
+300
|
10…2000
|
|
Вимикачі
|
|
МП-2
|
3
|
5
|
64
|
12
|
0,6
|
+70
|
1.1000
|
|
Діоди
|
|
КД521А
|
4
|
0,1
|
18
|
3
|
0,6
|
+85
|
10.600
|
|
КД209А
|
6
|
0,5
|
30
|
4
|
0,8
|
+85
|
10.600
|
|
КД407А
|
1
|
0,3
|
75
|
4
|
0,6
|
+85
|
10.600
|
|
Д814В
|
2
|
3,5
|
62,5
|
3
|
0,8
|
+85
|
10.600
|
|
КД510А
|
1
|
0,2
|
37,5
|
10
|
0,6
|
+85
|
10.600
|
|
АЛ307Б
|
1
|
0,2
|
36
|
10
|
0,6
|
+85
|
10.600
|
|
Транзистори
|
|
КТ503
|
5
|
0,3
|
27
|
12
|
0,6
|
+85
|
10.600
|
|
КТ502
|
2
|
0,3
|
27
|
12
|
0,6
|
+85
|
10.600
|
|
КТ815
|
1
|
1,2
|
24
|
14
|
+85
|
10.600
|
|
Роз’єми
|
|
PL-100T-2
|
1
|
4
|
84
|
10
|
0,6
|
+70
|
1.1000
|
|
PL-100T-4
|
3
|
4
|
84
|
10
|
0,6
|
+70
|
1.1000
|
|
|
|
|
|
|
|
|
|
|
|
Трансформатор Т1 встановлений поза друкованою платою.
2.4.4
Загальне компонування приладу
Вибір методів конструювання оптоелектронного
вимірювача геометричних параметрів об’єктів
Принципи компонування визначають ті конструктивні
типові елементи, які закладаються в основу РЕА. Вибір принципу компонування
залежить від вимог, що висуваються до конструкції РЕА і обмежень.
Компонування - це процес вибору форм, основних
геометричних розмірів, визначення орієнтовної маси і розміщення в просторі
елементів, вузлів тощо, для забезпечення максимально корисного ефекту, що
визначається схемою і призначенням РЕА.
Результатом компонування являється компонувальний
ескіз, який дозволяє судити про можливі розміри, форму і масу блоку.
Компонування може бути виконане різними методами (аналітичним, модельним,
графічним, натурним) [13].
При аналітичному методі оперують числовими
значеннями різних компонувальних характеристик, такими як розміри елементів, їх
маса, площа, об’єм і т.д.
Модельне компонування найбільш розповсюджене
із-за своєї простоти і наглядності. При цьому використовують плоскі (аплікації)
або об’ємні моделі, виконані в вигляді спрощених креслень.
Суть методу графічного компонування полягає в
спрощеному графічному викреслюванні елементів РЕА, різних варіантів
компонування. Для цього використовують трафарети, штампи і т.д.
В натурному компонуванні замість моделі
використовують реальні елементи: резистори, конденсатори і т.д.
Компонування блоків РЕС розглядається в трьох аспектах:
із врахуванням вимог зручності складання,
контролю, ремонту, механічного і електричного з’єднань, при цьому враховуються
передусім ергономічні вимоги.
функціональне компонування - розміщення і
встановлення елементів на друкованих платах з урахуванням функціональних і
енергетичних вимог, а також щільності компонування і встановлення елементів,
щільності топології друкованих провідників [14].
Попереднє компонування перших двох аспектів
полягає в визначенні форми і габаритних розмірів.
Функціональне компонування проводиться з метою
визначення основних розмірів друкованої плати, вибору способів проектування і
виготовлення. Для проведення функціонального компонування достатній перелік
елементів. У випадку насиченого, складного компонування, крім переліку
елементів необхідна принципова електрична схема приладу, крім того, доцільно
мати додаткові вказівки про особливості даної схеми.
Під час розробки конструкції приладу необхідно
провести компонування на двох рівнях:
- компонування друкованої плати з необхідною
прив’язкою груп елементів за функціональними групами, теплової сумісності з
мінімізацією довжин з’єднувальних провідників;
- зовнішня компонування приладу, з урахуванням
всіх вимог. До вимог відносять технологічність і ремонтопридатність. Тобто
необхідно здійснити внутрішнє і зовнішнє компонування приладу з урахуванням
вимог ТЗ.
2.5
Конструкторські розрахунки
2.5.1
Розробка конструкції друкованої плати
2.5.1.1
Розрахунок площі і габаритів плати
На друкованій платі кодової сигналізації, що
проектується, встановлено 74 елементи.
Для резисторів типу С2-23 площа встановлення
складає 20 мм2. Отже площа, яку займають постійні резистори на платі
становить:
R = 28 х 20 = 560 мм2. (2.3)
Для конденсаторів типу К10-17 площа встановлення
складає 21 мм2. Отже площа, яку займають конденсатори:
С1 = 6 х 21 = 126 мм2. (2.4)
Для конденсаторів типу К50-35 площа встановлення
складає 40 мм2. Отже площа, яку займають конденсатори:
С2 = 3 х 40 = 160 мм2. (2.5)
Для мікросхем типу К561ТМ2 повна площа
встановлення:
М1 = 1 х 142 = 142 мм2. (2.6)
Для мікросхем типу К561ЛА7 повна площа
встановлення:
М2 = 2 х 142 = 284 мм2. (2.7)
Для мікросхем типу К561ИЕ15 повна площа
встановлення:
М3 = 1 х 160 = 160 мм2. (2.8)
Для реле типу РЭК-2В-204 повна площа
встановлення:
Рел = 2 х 50 = 100 мм2. (2.9)
Для вимикачів МП-2 повна площа встановлення:
Вим = 3 х 64 = 192 мм2. (2.10)
Для діодів типу КД521 площа встановлення складає
18 мм2. Отже площа, яку займають діоди на платі становить:
Д1 = 4 х 18 = 72 мм2. (2.11)
Для діодів типу КД209А площа встановлення складає
30 мм2. Отже площа, яку займають діоди на платі становить:
Д2 = 6 х 30 = 180 мм2. (2.12)
Для діодів типу КЦ407А площа встановлення складає
75 мм2. Отже площа, яку займають діоди на платі становить:
Д3 = 1 х 75 = 75 мм2. (2.13)
Для діодів типу Д814В площа встановлення складає
62,5 мм2. Отже площа, яку займають діоди на платі становить:
Д4 = 2 х 62,5 = 125 мм2. (2.14)
Для діодів типу КД510 площа встановлення складає
37,5 мм2. Отже площа, яку займає діод на платі становить:
Д5 = 1 х 37,5 = 37,5 мм2. (2.15)
Для діодів типу АЛ307Б площа встановлення складає
36 мм2. Отже площа, яку займають діоди на платі становить:
Д6 = 1 х 36 = 36 мм2. (2.16)
Для транзисторів типу КТ502 та КТ503 повна площа
встановлення:
Тр1 = 7 х 27 = 189 мм2. (2.17)
Для транзистора типу КТ814 повна площа
встановлення:
Тр2 = 1 х 24 = 24 мм2. (2.18)
Для роз’ємів типу PL-100Т-2 та PL-100Т-4 повна
площа встановлення:
Р1 = 4 х 84 = 336 мм2. (2.19)
Загальна площа друкованої плати буде дорівнювати
ДП= (2…5) ∙ ΣSел = 4 ∙ 2798,5 = 11194 мм2.
(2.20)
Таким чином, друкована плата повинна мати площу
не більше 11194 мм2. Оскільки реальні розміри друкованої плати
становлять 95×70 мм, тоді площа плати:
ДП = 95 ∙ 70 = 6650 мм2.
2.5.1.2
Розробка топології та компонування друкованої плати
Установка навісних елементів на друкованій платі
здійснюється згідно з ОСТ4.ГО.010.030 та ОСТ4.ГО.010.009. При розташуванні
елементів необхідно враховувати наступні фактори: забезпечення
високої надійності, мінімізація габаритних розмірів, забезпечення
відведення тепла та ремонтопридатності.
Під час трасування провідників необхідно досягти
мінімальних довжин зв’язків, мінімізації паразитних
зв’язків між провідниками та елементами і, якщо можливо, то потрібно
виконати рівномірне розподілення навісних елементів на платі.
У зв’язку із складним трасуванням вибираємо крок
координатної сітки 1,25 мм. Координатну сітку на
початок координат розташовуємо згідно з ГОСТ 2.417-78. Далі всі
операції здійснюємо автоматизовано, використовуючи систему автоматизованого
проектування OrCAD 13.2.
Розробку друкованої плати починаємо, завантаживши
OrCAD Layout, і вибравши опцію File / New.
Спершу вводимо ім’я технологічного шаблону -
default. tch із робочої папки (він належить до стандартного набору OrCAD).
Далі вибираємо із робочої директорії файл списку
з’єднань dostup. mnl, в якому у вигляді таблиці описано усі електричні
з’єднання між елементами для трасування.
Після цього задаємо назву файлу плати, яку
створимо - він матиме розширення *. max; для спрощення називаємо його dostup.
max.
Під час завантаження списку з’єднань для кожного
символу схеми в бібліотеках корпусів компонентів *. LLB (Footprint Libraries)
обирається відповідний корпус (що контролюється за допомогою атрибута PCB
Footprint чи з допомогою файлу System. prt).
Натисненням на панель Link existing footprint
to component, після відкриття діалогового вікна, обрали ім’я бібліотеки і
корпуса, зображення якого підходить для реле, оскільки для них не виявилось
зарезервованого посадкового місця. Після завершення завантаження списку
з’єднань на робочому екрані OrCAD Layout отримали корпуси компонентів даного
проекту з електричними зв’язками.
Задаємо в меню Options / Sistem Settings
міліметрову сітку поля, що дозволить зручніше рисувати та здійснювати розміщення
компонентів.
Обираємо команду Tool / Obstacle / New і
рисуємо межу для розміщення компонентів і трасування. Обираємо прямокутний
профіль для плати.
Далі розміщуємо компоненти, які повинні мати
фіксовані посадочні місця на платі. Це - роз’єми, реле. Здійснюємо цю операцію
за допомогою команди Tool / Component / Select Tool - по черзі ставимо
компоненти на відповідне місце, обов’язково фіксуючи їх натисканням клавіші L,
щоб після автоматичного розміщення вони не змістилися.
Потім командою Auto / Place / Board
задаємо програмі самій розмістити компоненти, що лишилися, у вільну задану
область.
Тепер задаємо в закладках ширину провідників
тощо, щоб перейти до безпосереднього трасування плати.
За командою Options > Route Strategies >
Route Layers у таблиці трасування відключаємо два "зайвих” шари - адже
плата має бути двосторонньою. Після цього командою Options > Colors
залишаємо видимими тільки чотири шари: Global Layer, TOP, SSTOP, SSВОТТОМ.
Першим малюються габарити друкованої плати (вони збігаються іноді з межею
трасування), наступний є шаром, в якому здійснюється трасування, а третій - в
якому здійснюються написи на платі та рисуються компоненти.
Командою Auto / Autoroute / Board
запускаємо на виконання програму автоматичного трасування плати. Глобальні параметри
стратегії автотрасування задані в діалоговому вікні, яке відкривається по
команді Options > Route > Setting. Всі інші параметри задані в
діалогових вікнах, що відкриваються по командах Options > Route
Strategies.
По закінченню трасування здійснюємо редагування
позначень елементів на платі за допомогою команди Tool / Text / Select Tool,
та оформляємо креслення згідно з вимогами ДЕСТУ.
Топологічне креслення, компонування друкованої
плати зображено на кресленні друкованої плати додатках.
Топологічне креслення друкованої плати зображено
в додатку 1 і 2.
Компонування плати представлена в додатку 3.
2.5.1.3
Технологія виготовлення друкованих плат
Усі процеси виготовлення друкованих плат можна
поділити на: субстрактивні, адитивні, напівадитивні.
Субстрактивний процес - одержання провідного
рисунка полягає у вибірковому видаленні ділянок провідної фольги методом
травлення.
Адитивний процес - полягає у вибірковому
осадженні провідного матеріалу на основу плати.
Напівадитивний процес - передбачає попереднє
нанесення тонкого провідного покриття, який потім видаляється з місць, де є
проміжки.
Згідно ГОСТ 2375-86 конструювання друкованих плат
здійснюється з врахуванням слідуючи методів виготовлення:
хімічний - для двосторонніх друкованих
плат;
- позитивний комбінований - для
двосторонніх друкованих плат з металізованими монтажними отворами.
Двосторонні друковані плати, як правило
виготовляються з допомогою позитивного комбінованого метода, який передбачає
експонування рисунка друкованих елементів з фотопозитива. Технологічний процес
виготовлення друкованої плати даним методом добре відпрацьований й добре
забезпечений технологічним обладнанням.
Комбінований метод є об’єднанням хімічного і
електрохімічного методів. Вихідним матеріалом служить фольгова ний з обох
сторін діелектрик, тому провідний рисунок отримують витравленням міді, а
металізація отворів проводиться завдяки хімічному мідненню з наступним
електрохімічним нарощуванням шару міді. Пайка виводів ЕРЕ проводиться завдяки
заповненню отворів припоєм в платі. Комбінований метод складається зі слідуючи
основних операцій: різка заготовок і хіміко-механічна підготовка поверхні,
отримання захисного рисунку, нанесення захисної лакової плівки, свердління і
зенківка отворів, хімічне міднення і видалення лакової плівки, гальванічне
міднення в два прийоми. Даний спосіб характеризується значною трудоємністю, так
як в процесі доволі багато ручних операцій [15].
Підготовка поверхні перед нанесенням фоторезисту
включає в себе хімічне обезжирення, яке відбувається в розчинах тринатрійфосфату.
Температура розчину 40-60°С, тривалість обробки 2-5 хвилин.
Виготовлення друкованої плати за наступним
технологічним процесом:
виготовлення заготовки фольгованого
склотекстоліту шляхом різки листа дисковими фрезами діаметром d=100мм і товщиною
3мм. Швидкість різки 100-120 мм/с;
підготовка поверхні до нанесення фоторезисту.
Механічна і хімічна очистка поверхні мідної фольги, зачистка мідним наждаком,
промивка в проточній воді, обробка в 5-7% розчині НСl на протязі 30 с,
промивка;
нанесення фоторезисту поливом на поверхню фольги
з центрифугуванням і сушкою. Швидкість центрифуги 80-100 об. /хв., температура
сушки 35-40°С;
експонування друкованого рисунку проводиться в
копіювальній рамці на протязі 8-10 хвилин;
проявлення захисного позитивного рисунку
друкованої плати здійснюється теплою водою (t=40-50°C) у ванні з ультразвуковим
коливанням;
задублення захисного рисунку проводиться хімічним
шляхом у розчині 3% хромового ангідриду;
травлення (видалення) міді з незахищених ділянок
фольги здійснюється у травильному агрегаті КТ-38 на протязі 15-18 хвилин,
обробка плати водним розчином FeCl3 з наступною промивкою в холодній
воді;
покриття лаком, сушка при температурі 20-30°С на
протязі 6 годин;
свердління отворів;
зенківка свердлом діаметром 1,25мм;
активування поверхні розчином хлорного олова;
хімічне міднення 40% розчином мідного купоросу на
протязі 20 хвилин;
зняття захисного лаку ацетоном;
сушка;
покриття сплавом РОЗЕ методом занурення у ванну
при температурі t=95°C.
2.5.1.4
Вибір матеріалу друкованої плати
До матеріалу висуваємо наступні вимоги:
а) висока технологічність;
б) високі електрофізичні властивості;
в) можливість працювати в умовах вакууму;
г) забезпечення високої адгезії;
д) мінімальні механічні короблення.
Найчастіше для виготовлення друкованої плати
використовують склотекстоліт і гетинакс, марок:
а) ГФ - фольгований гетинакс;
б) СФ - фольгований склотекстоліт;
в) ФГС - склотекстоліт фольгований травильний;
г) СФПН - склотекстоліт фольгований
нагрівостійкий;
д) СТФ - склотекстоліт теплостійкий.
Товщина ж друкованої плати визначається товщиною
вихідного матеріалу і вибирається залежно від елементної бази та навантажень.
Більша частина деталей пристрою розміщена на
друкованій платі,
Плата несе механічне навантаження, тому слід
вибрати склотекстоліт товщиною 1,5 мм. Граничне відхилення такої товщини листа
склотекстоліту складає 0,2 мм.
Таблиця 2.6 Властивості матеріалів друкованих
плат
|
Параметр
|
Гетинакс
|
Текстоліт
|
Склотекстоліт
|
|
Щільність
без фольги, кг/м3
|
1300…1400
|
1300…1500
|
1600…1900
|
|
Відносна
діелектрична проникність
|
4,5…6
|
4,5…6
|
5…6
|
|
Питомий
об’ємний опір, Ом·м
|
1012…1014
|
1012…1014
|
1014…1015
|
|
Діапазон
робочих температур,°С
|
-60…+80
|
-60…+70
|
-60…+100
|
|
Коефіцієнт
теплопровідності, Вт/ (м*К)
|
0,25…0,3
|
0,23…0,34
|
0,34…0,74
|
|
Температурний
коефіцієнт лінійного розширення, 10-6К-1
|
22
|
22
|
8…9
|
Отже, такі характеристики має склотекстоліт. Тому
за матеріал для друкованої плати обираємо склотекстоліт фольгований
двосторонній марки СФ-2-35-1,5 ГОСТ 10316 - 78, який має товщину фольги 35 мкм,
товщина матеріалу з фольгою 2 мм.
Він застосовується для виготовлення двосторонніх
та односторонніх друкованих плат. Цей матеріал являє собою шаруватий пресований
пластик, виготовлений на основі тканини із скляного волокна, насиченого
термореактивними смолами й облицьованого з двох сторін мідною електричною
фольгою.
Для ізоляції корпусу застосовуємо матеріали
пластмас ТУ 812.362 СМЗ.
2.5.1.5
Вибір типу друкованої плати
Плати бувають односторонні, двосторонні (із
з’єднанням шарів та без нього) та багатошарові (з послідовним з’єднанням шарів,
з попарним з’єднанням шарів і з наскрізними отворами).
Односторонні плати характеризуються:
а) установкою радіоелементів безпосередньо на
поверхню матеріалів;
б) можливим використанням додаткових перемичок
(до 5%);
в) низькою вартістю і 1-2-ми класами щільності.
Двосторонні плати характеризуються:
а) високими комутативними якостями;
б) підвищеною міцністю з’єднання;
в) більш високою вартістю.
Даний пристрій має у своєму складі мікросхеми та
більше 50 інших елементів, причому крок складає 1,25 мм. Тому, щоб полегшити
трасування, оберемо двосторонню плату - це дозволить уникнути зайвих перемичок
та спростить електронного трасування у пакеті САПР.
2.5.1.6
Вибір класу точності друкованої плати
Для даного виробу, з огляду на те, що крок координатної
сітки, згідно ГОСТ 10317-82, становить 1,25 мм, і трасування ускладнене,
оптимальним варіантом буде вибір 3-го класу точності друкованої плати.
Даний клас характеризується наступними елементами
конструкції:
а) ширина провідника в широких місцях _________________0,45 мм;
б) ширина провідника у вузьких місцях
__________________0,25 мм;
в) відстань між двома провідниками
_____________________0,25 мм;
г) гарантійний поясок зовнішнього шару
_________________0,1 мм;
д) гарантійний поясок внутрішнього шару _______________0,05 мм.
В широких місцях ширина провідника задається
наступним класом - для третього це буде другий клас.
2.5.2
Розрахунок діаметрів контактних площадок
Діаметр контактних площадок розраховується
залежно від діаметрів отворів за формулою:
DКП = dотв + Δdотв+2*в + Dtв+Dtтр+
, (2.21)
де dотв - діаметр отвору;
Δdотв - верхній допуск на діаметр отвору;
в - ширина гарантійного пояска;
Dtв - верхній допуск на ширину провідника;
Dtтр - допуск на підтравлювання діелектрика в
отворі;
Тd - позиційний допуск розміщення отворів;
ТD - позиційний допуск розміщення центрів
контактних площадок;
Dtнв - нижній допуск на ширину провідника.
Для двосторонньої плати третього класу значення параметрів
наступні:
Δdотв = 0 мм; в = 0,1 мм; Dtв = 0,1 мм; Dtтр = 0; Тd =
0,08 мм; ТD = 0,15 мм; Dtнв = 0,1 мм.
Визначаємо загальний допуск:
ΔDКП = 0 + 2*0,1 + 0,1 + 0 +
= 0,5 (мм).
Діаметри отворів розраховуються за формулою:
= dвив
+ (0,2...0,4),
вив - діаметри виводів радіоелементів.
В даному
приладі елементи мають наступні діаметри виводів (за таблицею 2.5):
,5; 0,6;
0,8 мм.
Здійснюємо
оптимізацію діаметрів отворів:
1= 0,5 + 0,3 = 0,8 мм;2= 0,6 + 0,2 = 0,8 мм;3= 0,8 + 0,3 = 1,1 мм.
Маємо два
діаметри отворів:1 = 0,8 мм;2 = 1,1 мм.
Знаходимо
діаметри контактних площадок:
1 = 0,8 + 0,5 = 1,3 мм;2 = 1,1 + 0,5 = 1,6 мм.
В даному
пункті були розраховані діаметри контактних площадок, що дорівнюють 1,3 мм та
1,6 мм.
2.5.3
Розрахунок ширини провідників
Розрахунок ширини провідників проводиться для шин
живлення та для інформаційних провідників.
Для шин живлення:
Bmin =
[мм], (2.22)
де jДОП - допустима густина струму, для двосторонньої плати,
виготовленої комбінованим методом, jДОП = 48 А/мм2,- товщина провідника, t = 35 мкм,мах - максимальний постійний струм, який проходить через провідник, Імах
= 0,15 А.
Обчислюємо:
Вmin =
мм = 89 мкм (< 250 мкм).
Визначимо мінімальну ширину провідника з умови допустимого
падіння напруги :
min=
, (2.23)
де r
- питомий опір провідників, r = 0,0175Ом ∙
мм2/м;
Імах - струм, який проходить по провіднику, Імах = 0,15 А;мах
- максимальна довжина провідника, lмах = 0,15 м;доп -
допустиме падіння напруги (становить 5% від напруги живлення Uдоп =
24∙0,05 =
1,2 В);- товщина провідника.
min=
мм = 9 мкм (< 250 мкм).
Розраховані значення ширини провідників не перевищують
обраних для третього класу точності.
2.5.4
Аналіз електромагнітної сумісності елементів друкованої плати
Зі збільшенням швидкодії схеми все більшого
значення набувають питання високочастотних зв’язків між елементами. При цьому
стає обов’язковим не тільки визначення параметрів тієї або іншої лінії зв’язку
(опору, ємності, індуктивності тощо), але і міри впливу їх одна на одну
(паразитні ємність, взаємоіндуктивність тощо). Це особливо важливо в
мікроелектронних виробах, бо час переключення елементів складає одиниці
наносекунд і щільність розміщення мікросхем достатньо висока.
Електричні параметри елементів друкованої плати
залежать від цілого ряду чинників, що в тій чи іншій мірі впливають на зміну
розрахункових величин: режиму роботи схеми, матеріалу захисних покрить,
технології виготовлення і т. ін. Комплексне врахування всіх цих чинників
достатньо складне і тому недоцільне на етапі проектування друкованої плати. Тут
необхідний орієнтовний, з достатнім ступенем точності, розрахунок, який
перевіряється і уточнюється після виготовлення і дослідження першої партії
друкованих плат [16].
Метою розрахунку електромагнітної сумісності є
визначення працездатності пристрою в умовах впливу перехресних перешкод в
лініях зв’язку, а також зовнішніх електромагнітних полів [17].
. Діелектрична проникність середовища між
провідниками, що розташовані на зовнішній поверхні плати, яка покрита лаком,
дорівнює:
er = 0,5(
eп +eл), (2.24)
де eп = 6 -
діелектрична проникність склотекстоліту;
eл = 4 -
діелектрична проникність лаку УР-231;
er = 0,5 (6+4) = 5.
. Визначаємо взаємну ємність та індуктивність
провідників, які розташовані на одній поверхні друкованої плати:
[пФ], (2.25)
де d
=5×4 найменша відстань
між двома провідниками, м;=3,5·10-5 - товщина провідного шару міді,
м;=2,5×10-4
- ширина провідників для третього класу точності, м;
= 9,72 (пФ).
Паразитна взаємоіндукція
між двома друкованими провідниками М, нГн, визначається за формулою:
[нГн], (2.26)
де S - відстань між провідниками, S = 0,05 см;2
- довжина взаємного перекриття провідників, l2 = 11,5 см;1,
t2 - ширина провідників, t1 = t2 = 0,025 см.
Маємо:
Із запропонованих розрахунків паразитних ємностей
і індуктивностей видно, що їхні параметри знаходяться в межах норми і не
потрібно додаткових засобів з їх зниження.
2.5.5
Розрахунок плати на вібростійкість
Визначаємо частоту власних коливань за формулою:
, (2.27)
де a, b - довжина і ширина плати: а = 95 мм, b = 70 мм;циліндрична жорсткість:
=
, (2.28)
де Е - модуль пружності, для фольгованого склотекстоліту з
друкованою схемою Е = 3,2*1010
Н/м2;- товщина плати, h = 1,5 мм;
v - коефіцієнт Пуассона, v = 0,22;
М - маса плати з радіоелементами,
r - густина склотекстоліту, r = 1,4 г/см3
Мел - сумарна маса елементів (див. табл.2.3)
М = r·a·b·h + Мел = 1,4·9,5·7·0,15 + 65 = 79 г.=
(1 - 0,222) = 9,45;0=
Гц.
¹ fp
Гц ¹ 442 Гц.
Отже, частота власних коливань не співпадає з резонансною
частотою, а співвідношення розмірів плати задовольняють вимогам вібростійкості.
Визначаємо коефіцієнт динамічності за формулою:
, (2.29)
де K (x) , K (y) - залежність коефіцієнта від коливань. Коли обидва краї закріплені K (x) = K (y)
=1,3;
h - коефіцієнт розстроювання:
h = f/fp = 80/442 = 0,18;
e - показник затухання e = l/p
» 0,01;
l - декремент затухання l = (2...10) ∙10-2.
Маємо:
Кдин=
.
Віброзміщення визначається за формулою:
B = x0 * Кд, (2.30)
де а0 - віброприскорення згідно технічного
завдання, а0=2g = 19,6
,
x0=
мм,B =
;
віброприскорення:
аВ =
.
Визначаємо прогин плати:
dдоп = SB - x0 =
,
dгран =
.
Як видно з розрахунків, прогин друкованої плати не
перевищує допустимого значення, можна сказати, що вібраційні навантаження не
вплинуть на роботу пристрою.
2.5.6
Розрахунок на дію удару
Цей розрахунок здійснюється для перевірки
міцності при транспортуванні (в упакованому вигляді).
Пристрій має витримувати тривалість ударного
імпульсу 5-10 мс, пікове прискорення до 5g. Як і розрахунок
на вібраційні дії, розрахунок на дії удару здійснюється для друкованої плати.
Враховуючи те, що максимальну дію створює імпульс
прямокутної форми, перевірку умов удароміцності необхідно провести для цього
імпульсу [20].
Умовна частота ударного імпульсу визначається:
w = p / t, (2.31)
деw - тривалість ударного
імпульсу t мс.
w = 314 с-1
Коефіцієнт передачі при ударі:
Ку = 2sin (p / 2V), (2.32)
деV - коефіцієнт
розстроювання, V = w / 2pf = 0,1;
Ку = 0,64.
Ударне прискорення розраховується:
ау = Ну. Ку,
(2.33)
де Ну - амплітуда прискорення ударного
імпульсу, Ну = 49 мс.
ау = 0,03.
Максимальне відносне переміщення визначається:
Zmax = Нy / 2pf0 sin (p/2V) = 1,18.10-5.
(2.31)
Для друкованої плати повинна виконуватись умова:
Zmax< 0,003b;
Zmax = 1,18.10-5
< 3,75.10-4.
Аналізуючи отримані дані приходимо до висновку,
що обраний спосіб кріплення друкованої плати (чотири отвори по краях плати) та
її товщина забезпечують найменшу частоту власних коливань, найбільше
віброзміщення при дії вібрації і найменше ударне прискорення при дії ударів.
Цей вибір обумовлюється також тим, що дія вібрації відбувається лише під час
транспортування приладу.
2.5.7
Тепловий розрахунок пристрою
В процесі виробництва, зберігання і експлуатації
пристрій зазнає дії різних температур. Сам пристрій є джерелом тепла, оскільки
ККД мікросхем становить 50.60 %, тому значна кількість енергії виділяється у
вигляді тепла. Якщо ця енергія не розсіюється, то підвищується температура
пристрою і зростає інтенсивність відмов.
Визначимо тепловий режим і виберемо систему
охолодження згідно з методикою [20]. Початковими даними для розрахунку є
наступні:
а) внутрішні розміри пристрою: 0,105´0,08´0,024 м;
б) внутрішній об’єм пристрою V = 2∙10-4
м;
в) потужність споживання:
;
де
Ррез - потужність споживання резисторів, Рмікр
- мікросхем, Рдіод - діодів, Ртр - транзисторів.
г) коефіцієнт заповнення КЗАП = 0,5;
д) максимальна температура навколишнього середовища
(вибирається за найменшою температурою з гранично допустимих для всіх
елементів) Тмах = +85 ºС = 358 К;
е) гранично допустиме перегрівання повітря в пристрої (за
максимальної температури повітря Тпов= 35 ºС = 308 К):
.
Визначаємо коефіцієнт форми пристрою:
К0 =
, (2.34)
де Н - висота блоку, м;- внутрішній об’єм пристрою, м3;
К0 =
.
Визначаємо площу поверхні відведення тепла за формулою:
, (2.35)
отримаємо:
.
Визначаємо питомий тепловий потік нагрітої зони:
, (2.36)
де Ф - потужність розсіювання, яка становить 40% від
споживаної потужності:
Ф =
;
.
Перегрівання для апаратури з природною конвекцією:
.
Порівнюємо значення
і отримане значення:
>
,
а отже, забезпечено умови нормального теплового режиму, і
природної конвекції для цього достатньо.
2.5.8
Розрахунок надійності за раптовими відмовами
Надійність є одним з основних параметрів виробу,
після розрахунків якого робляться висновки про вірність вибраної схеми та
конструкції виробу. Надійність приладу визначається надійністю та кількістю
елементів, які використовуються, кількістю зв’язків між ними, способами
кріплення елементів та видами їх з’єднань між собою, а також впливом зовнішніх
факторів, теплових та електричних навантажень елементів приладу.
Розрахунок надійності пристрою полягає у
визначенні показників надійності виробу за відомими характеристиками надійності
складових елементів і умовами експлуатації.
Вихідними показниками розрахунку надійності є
інтенсивності відмов радіоелементів за нормальних умов.
Скористаємось методикою розрахунку
експлуатаційної надійності згідно з [21] за допомогою математичних моделей.
В загальному випадку математична модель має
вигляд:
, (2.37)
де lе
- експлуатаційна інтенсивність відмов, с-1;
l0 - інтенсивність відмов за нормальних умов
і номінального електричного навантаження, с-1;
Кі - складові коефіцієнти математичної моделі.
Для електронної апаратури сумарна інтенсивність відмов:
, (2.38)
де КАМ - коефіцієнт, який залежить від
амортизації електронної апаратури; за відсутності системи амортизації у виробі
(як у нашому випадку) КАМ = 1;
КОБСЛ - коефіцієнт, який залежить від якості
технічного обслуговування електронної апаратури; для побутових виробів КОБСЛ
= 1;
lеі - експлуатаційна інтенсивність і-го типу
електронної апаратури;- кількість типів електронних елементів у пристрої.
Оскільки пристрій - стаціонарний, використовується в
лабораторних умовах, то коефіцієнт умов експлуатації Ке = 1 [21],
запишемо математичні моделі для кожного з елементів конструкції і обчислимо
значення інтенсивностей відмов.
Для конденсаторів:
, (2.39)
де КР - коефіцієнт навантаження, визначається з
таблиці 2.6 [24];
КС - коефіцієнт, що залежить від ємності
конденсатора, з таблиці 2.8 [21].
Оскільки на конденсаторі максимальна напруга падає тоді,
коли вона рівна напрузі живлення, то відношення U/UН:
,
тому КР = 0,15, а КС = 0,8 (в
середньому), то матимемо:
.
Для мікросхем:
, (2.40)
маємо:
.
, (2.41)
де КР - коефіцієнт навантаження, визначається з
таблиці 3.6 [21]; КР = 0,57;
КR - коефіцієнт, що залежить від опору
резистора, з таблиці 3.7 [21], КR = 0,7 (для резисторів опором 1…100
кОм). Маємо:
.
Для трансформаторів:
, (2.42)
маємо:
.
Для реле, вимикачів:
, (2.43)
маємо:
.
Для діодів:
, (2.44)
де КР - коефіцієнт навантаження, визначається з
таблиці 3.9 [21]; КР = 0,36 (за коефіцієнта навантаження 0,7);
КФ - коефіцієнт, що залежить від функціонального
режиму роботи, з таблиці 3.13 [21], КФ = 1;
КS1 - коефіцієнт, що залежить від навантаження
за напругою, згідно таблиці 3.14 [21] КS1 = 1,0. Маємо:
.
Для роз’ємів:
, (2.45)
маємо:
.
Для транзисторів:
, (2.46)
де КР - коефіцієнт навантаження, визначається з
таблиці 3.9 [21]; КР = 0,36 (за коефіцієнта навантаження 0,7);
КФ - коефіцієнт, що залежить від функціонального
режиму роботи, з таблиці 3.13 [21], КФ = 1;
КS1 - коефіцієнт, що залежить від навантаження
за напругою, згідно таблиці 3.14 [21] КS1 = 1,0. Маємо:
.
Занесемо результати обчислень до таблиці 2.7.
Таблиця 2.7 - Експлуатаційні інтенсивності відмов елементів
пристрою
Елемент Експлуатаційна інтенсивність,
год-1Кількість
|
елементівСумарна
інтенсивність, год-1
|
|
|
|
|
Конденсатори
|
0,0012
|
10
|
0,0120
|
|
Мікросхеми
|
0,1000
|
4
|
0,4000
|
|
Резистори
|
0,0040
|
28
|
0,1120
|
|
Трансформатор
|
5,0000
|
1
|
5,0000
|
|
Роз’єми
|
2,0000
|
4
|
8,0000
|
|
Реле
|
2,5000
|
2
|
5,0000
|
|
Вимикачі
|
2,5000
|
3
|
7,5000
|
|
Діоди
|
0,0780
|
14
|
1,0920
|
|
Транзистори
|
0,0780
|
8
|
0,6240
|
|
Пайка
|
0,0100
|
183
|
1,8300
|
|
Плата
|
0,5000
|
1
|
0,5000
|
|
λΣ, год-1≈ 30,07
|
|
Сумарна інтенсивність відмов:
.
Надійність пристрою характеризується напрацюванням на
відмову, що обчислюється за формулою:
(год). (2.47)
Підставимо дані:
.
Середній час напрацювання на відмову складає Т = 33256 год.
Імовірність безвідмовної роботи приладу протягом t1
= 1000 годин буде дорівнювати:
(t i) = exp (-l×t1) (2.48)(t i)
= e - 30,07 ∙ 0,000001 ∙ 1000 = 0,97.
Як бачимо, надійність пристрою є досить високою, що
підтверджує його оптимальність, а також задовольняє вимогам технічного
завдання.
Висновки
1. У курсовому проекті розроблялась кодова сигналізація,
призначена для охорони об’єктів.
. Було проведено порівняльну характеристику
приладу, що розробляється з вже існуючими прототипами та аналогами, вказані
переваги та недоліки.
. Запропонована електрична принципова схема
пристрою на основі мікроконтролера та вітчизняних радіоелементів.
. На основі електричної принципової схеми
проведено трасування та встановлені розміри плати виробу 95×70 мм і розрахована маса 79 г.
. За матеріал для друкованої плати обрано
склотекстоліт фольгований двосторонній марки СФ-2-35-1.5, який має товщину
фольги 35 мкм, товщина матеріалу з фольгою 1.5 мм.
. Були проведені розрахунки електромагнітної
сумісності елементів, механічної міцності друкованої плати, а саме: на удар, на
вібрацію, розрахунок на надійність, теплові розрахунки.
. Під час розрахунку плати електромагніту
сумісність на провідників, які розташовані на одній поверхні друкованої плати
взаємну ємність та індуктивність провідників які розташовані на одній поверхні
друкованої плати становили 9,72 пФ та 108,7 нГн, які знаходяться в межах норми
і не потрібно додаткових засобів з їх зниження.
. Під час розрахунку плати на вібростійкість
частота власних коливань не співпала з резонансною частотою і становить 442 Гц,
отже співвідношення розмірів плати задовольняють вимогам вібростійкості. А
граничний прогин друкованої плати становить 2∙10-6, що не
перевищує допустимого значення, тому можна сказати, що вібраційні навантаження
не вплинуть на роботу пристрою.
. При розрахунку плати на надійність, було
отримано 33256 годин безвідмовної роботи.
. При розрахунку на удар виявилось, що спосіб
кріплення (чотири отвори по краях плати) та її товщина забезпечують найменшу
частоту власних коливань, найбільше віброзміщення при дії вібрації і найменше
ударне прискорення при дії ударів.
. В результаті теплових розрахунків було отримано
потужність розсіювання, яка становить 5,52 кВт/м2. Перегрівання для
апаратури з природною конвекцією було отримано 35 К, при цьому забезпечуються
умови нормального теплового режиму, і природної конвекції для цього достатньо.
. Згідно розрахунків можна констатувати, що
пристрій задовольняє всі техніко-технологічні характеристики та може бути
введений у експлуатацію.
Література
1. Відлюдьків
С.А. Цифрові пристрої на МОН-інтегральних мікросхемах. - М.: Радіо й зв'язок,
1996.
2. Евсеев
А.Н. Электронные устройства для дома. - М.: Радио и связь, 1994.
. Радиолюбитель,
1999, №4.
. РАДИО
№ 8,9, 1990 г.
. #"802019.files/image061.gif">
Рисунок 1 - Блок-схема типової кодової сигналізації
Рисунок 2 - Схема блоку керування пропонованої системи
сигналізації
Рисунок 3 - Принципова схема кодового замка
Рисунок 4 - Принципова схема кодової сигналізації

Рисунок
5 - Схема кодової частини сигналізації