Конструкція пристрою попереднього підсилювача

  • Вид работы:
    Курсовая работа (т)
  • Предмет:
    Информатика, ВТ, телекоммуникации
  • Язык:
    Украинский
    ,
    Формат файла:
    MS Word
    884,5 Кб
  • Опубликовано:
    2015-03-27
Вы можете узнать стоимость помощи в написании студенческой работы.
Помощь в написании работы, которую точно примут!

Конструкція пристрою попереднього підсилювача

ВСТУП


Мікшерами прийнято називати каскади, призначені для зведення двох або декількох електричних сигналів в один загальний сигнал. Іноді каскади цього призначення називаються такими, що підсумовують, оскільки в них по суті відбувається незалежне складання напруг декількох сигналів. Розгалужуючими називаються каскади, призначені для повторення на декількох незалежних один від одного виходах напруг одного і того ж сигналу У практиці, радіоаматорства, такі каскади називаються також розмножувачами сигналу. Названі вище каскади знаходять широке застосування при записі і відтворенні звуку.

Сучасні мікшерські пульти дозволяють не тільки ввести сигнали, провести його змішування та корекцію, але й отримати деякі акустичні ефекти - реверберація, вібрація, стиснення, розширення, а також мають роздільне регулювання по низьким та високим частотам, фільтри "присутності", подавлення шумів та рокоту, фільтри обмеження смуги.

Проектуємий попередній підсилювач потужності призначений для узгодження виходу міксерного пульта та підсилювача потужності. Потреба в такому попередньому підсилювачі потужності викликана тим, що промислові пульти мають стандартну вихідну напругу, яка становить 750 мВ, а багато кінцевих підсилювачів потребують рівень вхідної напруги, яка становить 1,5 В. Виходячи з рівній вхідних та вихідних напруг видно, що коефіцієнт підсилення по напрузі становить 3, що можна було б забезпечити звичайним каскадом на одному транзисторі за схемою загальний емітер. Даний каскад підсилив би крім корисного сигналу ще й частотні нелінійні та інтермодуляційні спотворення і на виході підсилювача потужності були б, вище перераховані, вже підсилені, завади.

Забезпечивши схему з великим коефіцієнтом підсилення та значним негативним зворотнім зв'язком, можна усунути вище перераховані недоліки, або зменшити до мінімального рівня.

Використаний в схемі розробляємого пристрою двотактний емітерний повторювач дає досить високі показники.

Також схема має такі додаткові функції, як послаблення сигналу на 20 дБ, регулятор тембра який має високий коефіцієнт регулювання, вмикання/вимикання регулятора тембру та функцію тонкомпенсації.

Враховуючи вище перелічені переваги та те, що даний прилад в промисловості не виробляється можна передбачити, що він буде користуватися досить високим попитом в професійному звуковідтворенні.

До того ж, розроблений попередній підсилювач потужності виконаний на сучасній елементній базі, яка дозволяє звести до мінімуму споживаємий струм, що забезпечить його економічність, собівартість, масо-габаритні показники, має високу точність та зручність в користуванні, підвищену завадостійкість, то його розробка доцільна та він знайде попит в радіоаматорів.

1. Аналітичний огляд проблеми


.1. Основні поняття та визначення

Підсилювач - пристрій <#"802012.files/image001.gif">

Рисунок 2.2 - Схема електрична принципова коректора

Оскільки вхідний підсилювач повинен узгодити низький вхідний опір регулятора тембру та усунути вплив мікшера на коректор. Тут можна використати ІМС операційного підсилювача типу К574УД1, параметри якої приведено нижче:

·  Напруга живлення, В....................................... ±15

·  Максимальний струм споживання, мА............. 10

·  Максимальний коефіцієнт підсилення........... 5·104

·  Частота одиничного підсилення, МГц.............. 10

·  Мінімальний опір навантаження, кОм............. 10

·  Максимальна вихідна напруга, В..................... 10

Оскільки даний каскад використовується тільки для узгодження, то використаємо схему повторювача. До даної схеми висуваються жорсткі вимоги щодо нелінійних та частотних спотворень, то використати звичайний емітерний чи витоковий повторювач недоцільно. Тому використаємо двотактний двокаскадний емітерний повторювач. Дана схема забезпечує досить малі частотні та нелінійні спотворення. Незначне затухання сигналу скомпенсує операційний підсилювач, який також забезпечить досить високий вхідний опір.

Схема ввімкнення та спосіб подачі НЗЗ показано на рисунку 2.3.

Рисунок 2.3 - Схема електрична принципіальна попереднього підсилювача

Оскільки в даній схемі введено 100% НЗЗ, то його коефіцієнт підсилення буде рівний 1. В розрахунку коефіцієнта підсилення по напрузі немає потреби. Для випадку, коли використовуватиметься нестандартне джерело сигналу і на розробляємий пристрій подаватиметься рівень сигналу більше 750 мВ - передбачено на вході схеми потенціометр. Проведемо вибір транзисторів VТ1(VТ2).

Вибираємо колекторний струм 3 мА. Оскільки напруга живлення, яка становить 30 B, рівномірно розподілятиметься між транзистором та емітерним резистором (по 15 В), то можна розрахувати резистор та вибрати тип транзистора:


вибираємо стандартне значення 5,1 кОм.

Вибираються транзистори типу КТ361Д та КТ315Д з параметрами:

Максимальний струм колектора, мА................... 100

Максимально допустима напруга Vке, В.............. 40

Транзистори VТЗ, VТ4 при відсутності вхідного сигналу будуть закритими і лише при надходженні сигналу, кожен в свій на півперіод, будуть при відкриватися. При чому коли один з транзисторів буде хоча б трохи привідкритим - то другий буде повністю закритий. Це значить, що колекторний струм транзисторів буде в 2 рази менший споживаного корекції. Оскільки споживаний струм схеми корекції буде невеликий (менший чим 2·100 мА), то ці транзистори можна вибрати такого ж типу як і попередні, параметри яких приведені вище. Резистори R5, R6 вибираються в межах декількох Ом (2 Ом; 2 Вт)

Вихідний підсилювач буде аналогічний вхідному лише без повторювача на транзисторах. Схема електрична принципова приведена на рисунку 2.4

Рисунок 2.4 - Схема електрична принципова вихідного підсилювача

Даний каскад повинен забезпечити підсилення сигналу. Для того щоб визначити потрібний коефіцієнт підсилення треба визначити потрібний загальний коефіцієнт підсилення та врахувати послаблення сигналу в схемі регулятора тембру.

Наше джерело напруги складається з трансформатора і мостової схеми випрямлення. Трансформатор понижає напругу з 220 В до 42 В, а випрямляч випрямляє змінний струм.

Схема електрична принципова автомату світлових ефектів з музичною активацією наведена у додатку Б.

2.3.2 Аналіз елементної бази

Аналіз елементної бази проводиться з метою з’ясування, чи забезпечує вона задані характеристики виробу, які передбачені умовами експлуатації і режимом роботи, та чи необхідно намітити які-небудь конструкторські заходи для нормального функціонування розробки, при цьому слід враховувати відповідність номіналів і потужність елементів схеми, їх швидкодію, забезпечення технічних вимог до приладу і конструкції, наявність даних типів елементів в серійному виробництві.

Згідно з переліком елементів до схеми електричної принципової, що наведений у додатках, здійснюємо опис характеристик обраних радіоелементів. Варто зазначити, що під час вибору елементної бази віддавалась перевага радіоелементам із мінімальними малогабаритними показниками, щоб пристрій мав якомога менші розміри.

Електролітичні конденсатори беремо К50-35.

Керамічні конденсатори постійної ємності К10-17 призначені для роботи в ланцюгах постійного, змінного й пульсуючого струмів, виконані ізольовано [10]. Електричні характеристики наведені в таблиці 2.2. [10]

Рисунок 2.5 - Креслення електролітичного конденсатора К50-35а

 

Рисунок 2.6 - Корпус та габаритні розміри конденсатора К10-17

Таблиця 2.2 - Електричні характеристики конденсаторів

Тип

К10-17

Характеристики


Діапазон номінальних ємностей

2,2 пФ…2,2 мкФ (ряд Е6,Е24)

Допустиме відхилення ємності

±5%; ±10%; ±20%

Номінальна напруга

25В;40В; 50В; 100В;160В

Діапазон температур

-60...+85 0С

Тангенс кута втрат

0,0015...0,035мкА

Струм витікання

0,01...3мкА

Напрацювання на відмову, lо´10-6,год -1

0,1


Резистори С2-23-0,125 загального застосування все кліматичного ізольованого й неізольованого варіантів виконання, призначені для роботи в ланцюгах постійного, змінного й імпульсного струмів, а також для автоматизованого монтажу. Умови пайки 260±5% ºС протягом 2±0,5 с. Електричні характеристики резисторів наведені в таблиці 2.3, габаритні розміри в таблиці 2.5, вигляд корпусу на рисунку 2.7. [14]

Рисунок 2.7 Габаритні розміри і вигляд корпуса резистора С2-23-0,125

Таблиця 2.3 - Електричні характеристики резисторів

Клас точності

5%

Типорозмір

С2-23-0,125

Номінальна потужність

0,25 Вт

Робоча напруга

150В

Максимальна напруга

250В

Діапазон робочих температур

-60...+155ºС

Діапазон номінальних опорів

1 Ом...10 МОм (ряд Е24; ряд Е96)

Напрацювання на відмову lо´10-6,год-1

0,4


У якості підстрочного резистора обираємо СП3-39.

Рисунок 2.8 - Габаритні розміри і вигляд корпуса резистора СП3-39

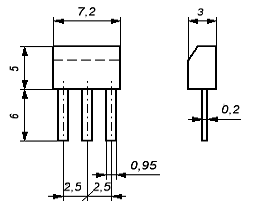
Стабілітрони обираємо типу КС156А.

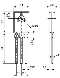
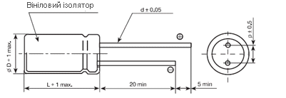
Транзистори біполярні - КТ361Д, КТ315 А (рис. 2.7), та КТ814А.

Рисунок 2.9 - Габаритні розміри і вигляд корпуса діодів КС156 А

Рисунок 2.10 - Габаритні розміри і вигляд корпуса КТ361Д та КТ315А

Рисунок 2.11 - Габаритні розміри і вигляд корпуса КТ814А

Зводимо дані про усі радіоелементи у таблицю 2.4, попередньо обрахувавши їх установочні площі.

Установочна площа для елементів, які знаходяться на друкованій платі, обраховується наступним чином.

Якщо елемент має переріз круглий (для конденсаторів, транзисторів, вертикально встановлених резисторів тощо), площа обчислюється за формулою:

[мм2]

де d - діаметр компонента.

Якщо елемент розміщений на платі горизонтально, то установочна площа:


де a, b - відповідно ширина і довжина установки.

Обчисливши за формулами (2.1-2.2) установочні площі для усіх елементів, заносимо дані в таблицю 2.5. У ній також подана інша інформація про радіоелементи: їх маса, висота, діаметр виводів, максимальна робоча температура і частота вібрації.

Таблиця 2.4 - Конструктивно-експлуатаційні характеристики елементів

Назва елемента

Кіл. шт.

Конструктивні параметри

Допустимі умови експлуатації



Маса, г

Площа встанов. мм2

Висота, мм

Діаметр виводу, мм

Макс. темп. ºС

Частота вібрації Гц

Конденсатори

К50-35

4

1

40

14

0,6

+155

15...200

К10-17

14

0,5

21

12

0,6

+155

15...200

Мікросхеми

К574УД1А

4

1

37,34

12

0,6

+70

5…600

Резистори

С2-23-0,125

46

0,15

20

4

0,6

+300

10…2000

СП3-39

10

0,15

120

4

0,6

+300

10…2000

Діоди

КС156А

2

0,2

16

3

0,6

+85

10...600

КД281А

4

0,2

16

3

0,6

+85

10...600

Транзистори

КТ814А

1

1,2

24

14

0,8

+85

10...600

КТ315А

2

1,2

24

14

0,8

+85

10...600

КТ361Д

5

1,2

24

14

0,8

+85

10...600

Вставка плавка

ВПТ 19-0.5А

1

2

49

35

0,5

+70

1...1000

 

Трансформато

ТПП-232-127/220-50

1

65

3604

72

4

+70

1...1000

 


2.4.4 Загальне компонування приладу

Вибір методів конструювання оптоелектронного вимірювача геометричних параметрів об’єктів

Принципи компонування визначають ті конструктивні типові елементи, які закладаються в основу РЕА. Вибір принципу компонування залежить від вимог, що висуваються до конструкції РЕА і обмежень.

Компонування - це процес вибору форм, основних геометричних розмірів, визначення орієнтовної маси і розміщення в просторі елементів, вузлів тощо, для забезпечення максимально корисного ефекту, що визначається схемою і призначенням РЕА .

Результатом компонування являється компонувальний ескіз, який дозволяє судити про можливі розміри, форму і масу блоку. Компонування може бути виконане різними методами (аналітичним, модельним, графічним, натурним) [13].

При аналітичному методі оперують числовими значеннями різних компонувальних характеристик, такими як розміри елементів, їх маса, площа, об’єм і т.д.

Модельне компонування найбільш розповсюджене із-за своєї простоти і наглядності. При цьому використовують плоскі (аплікації) або об’ємні моделі, виконані в вигляді спрощених креслень.

Суть методу графічного компонування полягає в спрощеному графічному викреслюванні елементів РЕА, різних варіантів компонування. Для цього використовують трафарети, штампи і т.д.

В натурному компонуванні замість моделі використовують реальні елементи: резистори, конденсатори і т.д.

Компонування блоків РЕС розглядається в трьох аспектах:

- із врахуванням вимог зручності складання, контролю, ремонту, механічного і електричного з’єднань, при цьому враховуються передусім ергономічні вимоги.

- функціональне компонування - розміщення і встановлення елементів на друкованих платах з урахуванням функціональних і енергетичних вимог, а також щільності компонування і встановлення елементів, щільності топології друкованих провідників [14].

Попереднє компонування перших двох аспектів полягає в визначенні форми і габаритних розмірів.

Функціональне компонування проводиться з метою визначення основних розмірів друкованої плати, вибору способів проектування і виготовлення. Для проведення функціонального компонування достатній перелік елементів. У випадку насиченого, складного компонування, крім переліку елементів необхідна принципова електрична схема приладу, крім того, доцільно мати додаткові вказівки про особливості даної схеми.

Під час розробки конструкції приладу необхідно провести компонування на двох рівнях:

- компонування друкованої плати з необхідною прив’язкою груп елементів за функціональними групами, теплової сумісності з мінімізацією довжин з’єднувальних провідників;

- зовнішня компонування приладу, з урахуванням всіх вимог. До вимог відносять технологічність і ремонтопридатність. Тобто необхідно здійснити внутрішнє і зовнішнє компонування приладу з урахуванням вимог ТЗ.

 

2.4 Конструкторські розрахунки


2.4.1 Розробка конструкції друкованої плати

.4.1.1 Розрахунок площі і габаритів плати

На друкованій платі, що проектується, встановлено 94 елементи.

Для резисторів типу С2-23 площа встановлення складає 20 мм2. Отже площа, яку займають постійні резистори на платі становить:

= 46 20 = 920 мм2.

Для резисторів типу С3-39 площа встановлення складає 120 мм2. Отже площа, яку займають постійні резистори на платі становить

= 100 120 = 1200 мм2.

Для конденсаторів типу К10-17 площа встановлення складає 21 мм2. Отже площа, яку займають конденсатори:

С1 = 14 21 = 294 мм2.

Для конденсаторів типу К50-35 площа встановлення складає 40 мм2. Отже площа, яку займають конденсатори:

С2 = 4 40 = 160 мм2.

Для діодів типу КС156А та КД281А повна площа встановлення:Д= 6 16 = 98 мм2.

Для транзисторів типу КТ814А, КТ315А, КТ361Д повна площа встановлення:

транз = 8 24 = 192 мм2.

Для запобіжника ВПТ 19-0.5А повна площа встановлення:

зап = 1 49 = 49 мм2.

Для трансформатора ТПП-232-127/220-50 повна площа встановлення:

тр = 1 3604 = 3604 мм2.

Таким чином, друкована плата повинна мати площу

ДП = 6553 *(2…4)= 13106 мм2.

Приймемо розміри сторін плати 115*115 мм, та її площу 13225 мм2.

2.4.1.2 Розробка топології та компонування друкованої плати

Установка навісних елементів на друкованій платі здійснюється згідно з ОСТ4.ГО.010.030 та ОСТ4.ГО.010.009. При розташуванні елементів необхідно враховувати наступні фактори: забезпечення високої надійності, мінімізація габаритних розмірів, забезпечення відведення тепла та ремонтопридатності.

Під час трасування провідників необхідно досягти мінімальних довжин зв’язків, мінімізації паразитних зв’язків між провідниками та елементами і, якщо можливо, то потрібно виконати рівномірне розподілення навісних елементів на платі.

У зв’язку із складним трасуванням вибираємо крок координатної сітки 1,25 мм. Координатну сітку на початок координат розташовуємо згідно з ГОСТ 2.417-78. Далі всі операції здійснюємо автоматизовано, використовуючи систему автоматизованого проектування OrCAD 13.2.

Розробку друкованої плати починаємо, завантаживши OrCAD Layout, і вибравши опцію File / New.

Спершу вводимо ім’я технологічного шаблону - default.tch із робочої папки (він належить до стандартного набору OrCAD).

Далі вибираємо із робочої директорії файл списку з’єднань dostup.mnl, в якому у вигляді таблиці описано усі електричні з’єднання між елементами для трасування.

Після цього задаємо назву файлу плати, яку створимо - він матиме розширення *.max; для спрощення називаємо його dostup.max.

Під час завантаження списку з’єднань для кожного символу схеми в бібліотеках корпусів компонентів *.LLB (Footprint Libraries) обирається відповідний корпус (що контролюється за допомогою атрибута PCB Footprint чи з допомогою файлу System.prt).

Натисненням на панель Link existing footprint to component, після відкриття діалогового вікна, обрали ім’я бібліотеки і корпуса, зображення якого підходить для реле, оскільки для них не виявилось зарезервованого посадкового місця. Після завершення завантаження списку з’єднань на робочому екрані OrCAD Layout отримали корпуси компонентів даного проекту з електричними зв’язками.

Задаємо в меню Options / Sistem Settings міліметрову сітку поля, що дозволить зручніше рисувати та здійснювати розміщення компонентів.

Обираємо команду Tool / Obstacle / New і рисуємо межу для розміщення компонентів і трасування. Обираємо прямокутний профіль для плати.

Далі розміщуємо компоненти, які повинні мати фіксовані посадочні місця на платі. Це - роз’єми, реле. Здійснюємо цю операцію за допомогою команди Tool / Component / Select Tool - по черзі ставимо компоненти на відповідне місце, обов’язково фіксуючи їх натисканням клавіші L , щоб після автоматичного розміщення вони не змістилися.

Потім командою Auto / Place / Board задаємо програмі самій розмістити компоненти, що лишилися, у вільну задану область.

Тепер задаємо в закладках ширину провідників тощо, щоб перейти до безпосереднього трасування плати.

За командою Options > Route Strategies > Route Layers у таблиці трасування відключаємо два “зайвих” шари - адже плата має бути двосторонньою. Після цього командою Options > Colors залишаємо видимими тільки чотири шари: Global Layer, TOP, SSTOP, SSВОТТОМ. Першим малюються габарити друкованої плати (вони збігаються іноді з межею трасування), наступний є шаром, в якому здійснюється трасування, а третій - в якому здійснюються написи на платі та рисуються компоненти.

Командою Auto / Autoroute / Board запускаємо на виконання програму автоматичного трасування плати. Глобальні параметри стратегії автотрасування задані в діалоговому вікні, яке відкривається по команді Options > Route > Setting. Всі інші параметри задані в діалогових вікнах, що відкриваються по командах Options > Route Strategies.

По закінченню трасування здійснюємо редагування позначень елементів на платі за допомогою команди Tool / Text / Select Tool, та оформляємо креслення згідно з вимогами ДЕСТУ.

Топологічне креслення, компонування друкованої плати зображено на кресленні друкованої плати додатках.

Топологічне креслення друкованої плати зображено в додатку 1 і 2.

Компонування плати представлена в додатку 3.

2.4.1.3 Технологія виготовлення друкованих плат

Усі процеси виготовлення друкованих плат можна поділити на: субстрактивні, адитивні, напівадитивні.

Субстрактивний процес - одержання провідного рисунка полягає у вибірковому видаленні ділянок провідної фольги методом травлення.

Адитивний процес - полягає у вибірковому осадженні провідного матеріалу на основу плати.

Напівадитивний процес - передбачає попереднє нанесення тонкого провідного покриття, який потім видаляється з місць, де є проміжки.

Згідно ГОСТ 2375-86 конструювання друкованих плат здійснюється з врахуванням слідуючи методів виготовлення:

-    хімічний - для двосторонніх друкованих плат;

-        позитивний комбінований - для двосторонніх друкованих плат з металізованими монтажними отворами.

Двосторонні друковані плати, як правило виготовляються з допомогою позитивного комбінованого метода, який передбачає експонування рисунка друкованих елементів з фотопозитива. Технологічний процес виготовлення друкованої плати даним методом добре відпрацьований й добре забезпечений технологічним обладнанням.

Комбінований метод є об’єднанням хімічного і електрохімічного методів. Вихідним матеріалом служить фольгова ний з обох сторін діелектрик, тому провідний рисунок отримують витравленням міді, а металізація отворів проводиться завдяки хімічному мідненню з наступним електрохімічним нарощуванням шару міді. Пайка виводів ЕРЕ проводиться завдяки заповненню отворів припоєм в платі. Комбінований метод складається зі слідуючи основних операцій: різка заготовок і хіміко-механічна підготовка поверхні, отримання захисного рисунку, нанесення захисної лакової плівки, свердління і зенківка отворів, хімічне міднення і видалення лакової плівки, гальванічне міднення в два прийоми. Даний спосіб характеризується значною трудоємністю, так як в процесі доволі багато ручних операцій [15].

Підготовка поверхні перед нанесенням фоторезисту включає в себе хімічне обезжирення, яке відбувається в розчинах тринатрійфосфату. Температура розчину 40-60°С, тривалість обробки 2-5 хвилин.

Виготовлення друкованої плати за наступним технологічним процесом:

виготовлення заготовки фольгованого склотекстоліту шляхом різки листа дисковими фрезами діаметром d=100мм і товщиною 3мм. Швидкість різки 100-120 мм/с;

підготовка поверхні до нанесення фоторезисту. Механічна і хімічна очистка поверхні мідної фольги, зачистка мідним наждаком, промивка в проточній воді, обробка в 5-7% розчині НСl на протязі 30 с, промивка;

нанесення фоторезисту поливом на поверхню фольги з центрифугуванням і сушкою. Швидкість центрифуги 80-100 об./хв., температура сушки 35-40°С;

експонування друкованого рисунку проводиться в копіювальній рамці на протязі 8-10 хвилин;

проявлення захисного позитивного рисунку друкованої плати здійснюється теплою водою (t=40-50°C) у ванні з ультразвуковим коливанням;

задублення захисного рисунку проводиться хімічним шляхом у розчині 3% хромового ангідриду;

травлення (видалення) міді з незахищених ділянок фольги здійснюється у травильному агрегаті КТ-38 на протязі 15-18 хвилин, обробка плати водним розчином FeCl3 з наступною промивкою в холодній воді;

покриття лаком, сушка при температурі 20-30°С на протязі 6 годин;

свердління отворів;

зенківка свердлом діаметром 1,25мм;

активування поверхні розчином хлорного олова;

хімічне міднення 40% розчином мідного купоросу на протязі 20 хвилин;

зняття захисного лаку ацетоном;

сушка;

покриття сплавом РОЗЕ методом занурення у ванну при температурі t=95°C.

2.4.1.4 Вибір матеріалу друкованої плати

До матеріалу висуваємо наступні вимоги:

а) висока технологічність;

б) високі електрофізичні властивості;

в) можливість працювати в умовах вакууму;

г) забезпечення високої адгезії;

д) мінімальні механічні короблення.

Найчастіше для виготовлення друкованої плати використовують склотекстоліт і гетинакс, марок:

а) ГФ - фольгований гетинакс;

б) СФ - фольгований склотекстоліт;

в) ФГС - склотекстоліт фольгований травильний;

г) СФПН - склотекстоліт фольгований нагрівостійкий;

д) СТФ - склотекстоліт теплостійкий.

Товщина ж друкованої плати визначається товщиною вихідного матеріалу і вибирається залежно від елементної бази та навантажень.

Більша частина деталей пристрою розміщена на друкованій платі,

Плата несе механічне навантаження, тому слід вибрати склотекстоліт товщиною 1,5 мм. Граничне відхилення такої товщини листа склотекстоліту складає 0,2 мм.

Таблиця 2.6 Властивості матеріалів друкованих плат

Параметр

Гетинакс

Текстоліт

Склотекстоліт

Щільність без фольги, кг/м3

1300…1400

1300…1500

1600…1900

Відносна діелектрична проникність

4,5…6

4,5…6

5…6

Питомий об’ємний опір, Ом·м

1012…1014

1012…1014

1014…1015

Діапазон робочих температур, °С

-60…+80

-60…+70

-60…+100

Коефіцієнт теплопровідності, Вт/(м*К)

0,25…0,3

0,23…0,34

0,34…0,74

Температурний коефіцієнт лінійного розширення, 10-6К-1

22

22

8…9


Отже, такі характеристики має склотекстоліт. Тому за матеріал для друкованої плати обираємо склотекстоліт фольгований двосторонній марки СФ-2-35-1,5 ГОСТ 10316 - 78, який має товщину фольги 35 мкм, товщина матеріалу з фольгою 2 мм. Він застосовується для виготовлення двосторонніх та односторонніх друкованих плат. Цей матеріал являє собою шаруватий пресований пластик, виготовлений на основі тканини із скляного волокна, насиченого термореактивними смолами й облицьованого з двох сторін мідною електричною фольгою.

Для ізоляції корпусу застосовуємо матеріали пластмас ТУ 812.362 СМЗ.

Плати бувають односторонні, двосторонні (із з’єднанням шарів та без нього) та багатошарові (з послідовним з’єднанням шарів, з попарним з’єднанням шарів і з наскрізними отворами).

Односторонні плати характеризуються:

а) установкою радіоелементів безпосередньо на поверхню матеріалів;

б) можливим використанням додаткових перемичок (до 5%);

в) низькою вартістю і 1-2-ми класами щільності.

Двосторонні плати характеризуються:

а) високими комутативними якостями;

б) підвищеною міцністю з’єднання;

в) більш високою вартістю.

Даний пристрій має у своєму складі мікросхеми та більше 50 інших елементів, причому крок складає 1,25 мм. Тому, щоб полегшити трасування, оберемо двосторонню плату - це дозволить уникнути зайвих перемичок та спростить електронного трасування у пакеті САПР.

2.4.1.6 Вибір класу точності друкованої плати

Для даного виробу, з огляду на те, що крок координатної сітки, згідно ГОСТ 10317-82, становить 1,25 мм, і трасування ускладнене, оптимальним варіантом буде вибір 3-го класу точності друкованої плати.

Даний клас характеризується наступними елементами конструкції:

а) ширина провідника в широких місцях _________________0,45 мм;

б) ширина провідника у вузьких місцях __________________0,25 мм;

в) відстань між двома провідниками _____________________0,25 мм;

г) гарантійний поясок зовнішнього шару _________________0,1 мм;

д) гарантійний поясок внутрішнього шару _______________0,05 мм.

В широких місцях ширина провідника задається наступним класом - для третього це буде другий клас.

2.4.2 Розрахунок діаметрів контактних площадок

Діаметр контактних площадок розраховується залежно від діаметрів отворів за формулою:

DКП = dотв + Δdотв+2*в + Dtв+Dtтр+

де dотв- діаметр отвору;

Δdотв- верхній допуск на діаметр отвору;

в - ширина гарантійного пояска;

Dtв- верхній допуск на ширину провідника;

Dtтр- допуск на підтравлювання діелектрика в отворі;

Тd - позиційний допуск розміщення отворів;

ТD- позиційний допуск розміщення центрів контактних площадок;

Dtнв- нижній допуск на ширину провідника.

Для двосторонньої плати третього класу значення параметрів наступні:

Δdотв = 0 мм; в = 0,1 мм; Dtв = 0,1 мм; Dtтр = 0; Тd = 0,08 мм; ТD = 0,15 мм; Dtнв = 0,1 мм.

Визначаємо загальний допуск:

ΔDКП = 0 + 2*0,1 + 0,1 + 0 +  = 0,5 (мм).

Діаметри отворів розраховуються за формулою:

= dвив + (0,2...0,4)

вив - діаметри виводів радіоелементів.

В даному приладі елементи мають наступні діаметри виводів (за таблицею 2.5):

,5; 0,6; 0,8 мм.

Здійснюємо оптимізацію діаметрів отворів:= 0,5 + 0,3 = 0,8 мм;= 0,6 + 0,2 = 0,8 мм;= 0,8 + 0,3 = 1,1 мм.

Маємо два діаметри отворів:= 0,8 мм;= 1,1 мм.

Знаходимо діаметри контактних площадок:= 0,8 + 0,5 = 1,3 мм;= 1,1 + 0,5 = 1,6 мм.

В даному пункті були розраховані діаметри контактних площадок, що дорівнюють 1,3 мм та 1,6 мм.

2.4.3 Розрахунок ширини провідників

Розрахунок ширини провідників проводиться для шин живлення та для інформаційних провідників.

Для шин живлення:

Bmin = [мм]

де jДОП - допустима густина струму, для двосторонньої плати, виготовленої комбінованим методом, jДОП = 48 А/мм2,- товщина провідника, t = 35 мкм,мах - максимальний постійний струм, який проходить через провідник, Імах = 0,15 А. Обчислюємо:

Вmin =  мм = 89 мкм ( < 250 мкм).

Визначимо мінімальну ширину провідника з умови допустимого падіння напруги :

=

де r - питомий опір провідників, r = 0,0175Ом ∙ мм2/м;

Імах - струм, який проходить по провіднику, Імах = 0,15 А;мах -максимальна довжина провідника, lмах = 0,15 м;доп - допустиме падіння напруги (становить 5% від напруги живлення Uдоп = 24∙0,05 = 1,2 В);- товщина провідника.=мм = 9 мкм ( < 250 мкм).

Розраховані значення ширини провідників не перевищують обраних для третього класу точності.

2.4.4 Аналіз електромагнітної сумісності елементів друкованої плати

Зі збільшенням швидкодії схеми все більшого значення набувають питання високочастотних зв’язків між елементами. При цьому стає обов’язковим не тільки визначення параметрів тієї або іншої лінії зв’язку (опору, ємності, індуктивності тощо), але і міри впливу їх одна на одну (паразитні ємність, взаємоіндуктивність тощо). Це особливо важливо в мікроелектронних виробах, бо час переключення елементів складає одиниці наносекунд і щільність розміщення мікросхем достатньо висока.

Електричні параметри елементів друкованої плати залежать від цілого ряду чинників, що в тій чи іншій мірі впливають на зміну розрахункових величин : режиму роботи схеми, матеріалу захисних покрить, технології виготовлення і т. ін. Комплексне врахування всіх цих чинників достатньо складне і тому недоцільне на етапі проектування друкованої плати. Тут необхідний орієнтовний, з достатнім ступенем точності, розрахунок, який перевіряється і уточнюється після виготовлення і дослідження першої партії друкованих плат [16].

Метою розрахунку електромагнітної сумісності є визначення працездатності пристрою в умовах впливу перехресних перешкод в лініях зв’язку, а також зовнішніх електромагнітних полів [17].

. Діелектрична проникність середовища між провідниками, що розташовані на зовнішній поверхні плати, яка покрита лаком, дорівнює:

. Визначаємо взаємну ємність та індуктивність провідників, які розташовані на одній поверхні друкованої плати:

[пФ]

де =5 найменша відстань між двома провідниками, м;=3,5·10-5 - товщина провідного шару міді, м;=2,5×10-4 - ширина провідників для третього класу точності, м;

= 9,72 (пФ).

Паразитна взаємоіндукція між двома друкованими провідниками М, нГн, визначається за формулою:

[нГн]

де S-відстань між провідниками, S = 0,05 см;- довжина взаємного перекриття провідників, l2 = 11,5 см;, t2 -ширина провідників, t1 = t2 = 0,025 см.

Маємо:

Із запропонованих розрахунків паразитних ємностей і індуктивностей видно, що їхні параметри знаходяться в межах норми і не потрібно додаткових засобів з їх зниження.

2.4.5 Розрахунок плати на вібростійкість

Визначаємо частоту власних коливань за формулою:


де a, b - довжина і ширина плати: а = 115 мм, b = 115мм;

D-циліндрична жорсткість:

D =

де Е - модуль пружності, для фольгованого склотекстоліту з друкованою схемою Е = 3,2*1010 Н/м2 ;- товщина плати, h = 1,5 мм;- коефіцієнт Пуассона, v = 0,22;

М - маса плати з радіоелементами,

r - густина склотекстоліту, r = 1,4 г/см3

Мел - сумарна маса елементів (див. табл. 2.3)

М = r·a·b·h + Мел = 1,4·9,5·7·0,15 + 65 = 79 г.

D = (1 - 0,222) = 9,45;= Гц.¹ fp

Гц ¹ 442 Гц.

Отже, частота власних коливань не співпадає з резонансною частотою, а співвідношення розмірів плати задовольняють вимогам вібростійкості.

Визначаємо коефіцієнт динамічності за формулою:


де K(x), K(y) - залежність коефіцієнта від коливань. Коли обидва краї закріплені K(x) = K(y) =1,3 ;

h - коефіцієнт розстроювання:

h = f/fp = 80/442 = 0,18;

e - показник затухання e = l/p » 0,01;

l - декремент затухання l = (2...10)∙10-2 .

Маємо:

Кдин=.

Віброзміщення визначається за формулою:

= x0 * Кд


де а0 - віброприскорення згідно технічного завдання, а0=2g = 19,6,

x0=мм,= ;

віброприскорення:

аВ = .

Визначаємо прогин плати:

dдоп = SB - x0 = ,

dгран = .

Як видно з розрахунків, прогин друкованої плати не перевищує допустимого значення, можна сказати, що вібраційні навантаження не вплинуть на роботу пристрою.

2.4.6 Розрахунок на дію удару

Цей розрахунок здійснюється для перевірки міцності при транспортуванні (в упакованому вигляді).

Пристрій має витримувати тривалість ударного імпульсу 5-10 мс, пікове прискорення до 5g. Як і розрахунок на вібраційні дії, розрахунок на дії удару здійснюється для друкованої плати. Враховуючи те, що максимальну дію створює імпульс прямокутної форми, перевірку умов удароміцності необхідно провести для цього імпульсу [20].

Умовна частота ударного імпульсу визначається:

w = p / t

Де w - тривалість ударного імпульсу t мс.

w = 314 с-1

Коефіцієнт передачі при ударі:

Ку = 2sin(p / 2V )

Де V - коефіцієнт розстроювання, V = w / 2pf = 0,1;

Ку = 0,64.

Ударне прискорення розраховується:

ау = Ну . Ку

де Ну - амплітуда прискорення ударного імпульсу, Ну = 49 мс.

ау = 0,03.

Максимальне відносне переміщення визначається:

Zmax = Нy / 2pf0 sin(p/2V) = 1,18 . 10-5

Для друкованої плати повинна виконуватись умова:

Zmax< 0,003b;

Zmax = 1,18 . 10-5 < 3,75 . 10-4.

Аналізуючи отримані дані приходимо до висновку, що обраний спосіб кріплення друкованої плати (чотири отвори по краях плати) та її товщина забезпечують найменшу частоту власних коливань, найбільше віброзміщення при дії вібрації і найменше ударне прискорення при дії ударів. Цей вибір обумовлюється також тим, що дія вібрації відбувається лише під час транспортування приладу.

2.4.7 Тепловий розрахунок пристрою

В процесі виробництва, зберігання і експлуатації пристрій зазнає дії різних температур. Сам пристрій є джерелом тепла, оскільки ККД мікросхем становить 50...60 %, тому значна кількість енергії виділяється у вигляді тепла. Якщо ця енергія не розсіюється, то підвищується температура пристрою і зростає інтенсивність відмов.

Визначимо тепловий режим і виберемо систему охолодження згідно з методикою [20]. Початковими даними для розрахунку є наступні:

а) внутрішні розміри пристрою: 0,115´0,115´0,65 м;

б) внутрішній об’єм пристрою V = 2∙10-4 м;

в) потужність споживання:

;

де Ррез - потужність споживання резисторів, Рмікр - мікросхем, Рдіод - діодів, Ртр - транзисторів.

г) коефіцієнт заповнення КЗАП = 0,5;

д) максимальна температура навколишнього середовища (вибирається за найменшою температурою з гранично допустимих для всіх елементів) Тмах = +85 ºС = 358 К;

е) гранично допустиме перегрівання повітря в пристрої (за максимальної температури повітря Тпов= 35 ºС = 308 К):

.

Визначаємо коефіцієнт форми пристрою:

К0 =

де Н - висота блоку, м;- внутрішній об’єм пристрою, м3;

К0 =.

Визначаємо площу поверхні відведення тепла за формулою:


отримаємо:

.

Визначаємо питомий тепловий потік нагрітої зони:


де Ф - потужність розсіювання, яка становить 40% від споживаної потужності:

Ф = ;

.

Перегрівання для апаратури з природною конвекцією:


Порівнюємо значення і отримане значення: > , а отже, забезпечено умови нормального теплового режиму, і природної конвекції для цього достатньо.

2.4.8 Розрахунок надійності за раптовими відмовами

Надійність є одним з основних параметрів виробу, після розрахунків якого робляться висновки про вірність вибраної схеми та конструкції виробу. Надійність приладу визначається надійністю та кількістю елементів, які використовуються, кількістю зв’язків між ними, способами кріплення елементів та видами їх з’єднань між собою, а також впливом зовнішніх факторів, теплових та електричних навантажень елементів приладу.

Розрахунок надійності пристрою полягає у визначенні показників надійності виробу за відомими характеристиками надійності складових елементів і умовами експлуатації. Вихідними показниками розрахунку надійності є інтенсивності відмов радіоелементів за нормальних умов.

Скористаємось методикою розрахунку експлуатаційної надійності згідно з [21] за допомогою математичних моделей.

В загальному випадку математична модель має вигляд:


де lе - експлуатаційна інтенсивність відмов, с-1;

l0 - інтенсивність відмов за нормальних умов і номінального електричного навантаження, с-1;

Кі - складові коефіцієнти математичної моделі.

Для електронної апаратури сумарна інтенсивність відмов:


де КАМ - коефіцієнт, який залежить від амортизації електронної апаратури; за відсутності системи амортизації у виробі (як у нашому випадку) КАМ = 1;

КОБСЛ - коефіцієнт, який залежить від якості технічного обслуговування електронної апаратури; для побутових виробів КОБСЛ = 1;

lеі - експлуатаційна інтенсивність і-го типу електронної апаратури;- кількість типів електронних елементів у пристрої.

Оскільки пристрій - стаціонарний, використовується в лабораторних умовах, то коефіцієнт умов експлуатації Ке = 1 [21], запишемо математичні моделі для кожного з елементів конструкції і обчислимо значення інтенсивностей відмов.

Для конденсаторів:

,

де КР - коефіцієнт навантаження, визначається з таблиці 2.6 [24];

КС - коефіцієнт, що залежить від ємності конденсатора, з таблиці 2.8.

Оскільки на конденсаторі максимальна напруга падає тоді, коли вона рівна напрузі живлення, то відношення U/UН:

,

тому КР = 0,15, а КС = 0,8 (в середньому), то матимемо:

.

Для мікросхем:


маємо:

.

Для резисторів:


де КР - коефіцієнт навантаження, визначається з таблиці 3.6 [21]; КР = 0,57;

КR - коефіцієнт, що залежить від опору резистора, з таблиці 3.7 [21], КR = 0,7 (для резисторів опором 1…100 кОм). Маємо:

.

Для діодів:


де КР - коефіцієнт навантаження, визначається з таблиці 3.9 [21]; КР = 0,36 (за коефіцієнта навантаження 0,7);

КФ - коефіцієнт, що залежить від функціонального режиму роботи, з таблиці 3.13 [21], КФ = 1;

КS1 - коефіцієнт, що залежить від навантаження за напругою, згідно таблиці 3.14 [21] КS1 = 1,0. Маємо:

.

Для транзисторів:


де КР - коефіцієнт навантаження, визначається з таблиці 3.9 [21]; КР = 0,36 (за коефіцієнта навантаження 0,7);

КФ - коефіцієнт, що залежить від функціонального режиму роботи, з таблиці 3.13 [21], КФ = 1;

КS1 - коефіцієнт, що залежить від навантаження за напругою, згідно таблиці 3.14 [21] КS1 = 1,0. Маємо:

Занесемо результати обчислень до таблиці 2.7.

Таблиця 2.7 - Експлуатаційні інтенсивності відмов елементів пристрою

Елемент

Експлуатаційна інтенсивність, год-1Кількість елементівСумарна інтенсивність, год-1



Конденсатори

0,0012

10

0,0120

Мікросхеми

0,1000

4

0,4000

Резистори

0,0040

28

0,1120

Вимикачі

2,5000

3

7,5000

Діоди

0,0780

14

1,0920

Транзистори

0,0780

8

0,6240

Пайка

0,0100

183

1,8300

Плата

0,5000

1

0,5000

λΣ, год-1≈ 30,07



Сумарна інтенсивність відмов:

.

Надійність пристрою характеризується напрацюванням на відмову, що обчислюється за формулою:

(год).

Середній час напрацювання на відмову складає

Т = 1/(30,07*10-6)=32250 год.

Імовірність безвідмовної роботи приладу протягом t1 = 1000 годин буде дорівнювати:

( t i ) = exp (-l×t1)

P ( t i )= e -30,07 ∙ 0,000001 ∙ 1000 = 0,97.

Як бачимо, надійність пристрою є досить високою, що підтверджує його оптимальність, а також задовольняє вимогам технічного завдання.

 

ВИСНОВКИ


. У курсовому проекті розроблявся автомат світлових ефектів з музичною активацією.

. Було проведено порівняльну характеристику приладу, що розробляється з вже існуючими прототипами та аналогами, вказані переваги та недоліки.

. Запропонована електрична принципова схема пристрою на основі мікроконтролера та вітчизняних і зарубіжних радіоелементів.

. На основі електричної принципової схеми проведено трасування та встановлені розміри плати виробу 115×115 мм і розрахована маса 97,2 г.

. За матеріал для друкованої плати обрано склотекстоліт фольгований двосторонній марки СФ-2-35-1.5, який має товщину фольги 35 мкм, товщина матеріалу з фольгою 1.5 мм.

. Були проведені розрахунки електромагнітної сумісності елементів, механічної міцності друкованої плати, а саме: на удар, на вібрацію, розрахунок на надійність, теплові розрахунки.

. Під час розрахунку плати електромагніту сумісність на провідників, які розташовані на одній поверхні друкованої плати взаємну ємність та індуктивність провідників які розташовані на одній поверхні друкованої плати становили 10,72 пФ та 108 нГн, які знаходяться в межах норми і не потрібно додаткових засобів з їх зниження.

. Під час розрахунку плати на вібростійкість частота власних коливань не співпала з резонансною частотою і становить 442 Гц, отже співвідношення розмірів плати задовольняють вимогам вібростійкості. А граничний прогин друкованої плати становить 2∙10-6, що не перевищує допустимого значення, тому можна сказати, що вібраційні навантаження не вплинуть на роботу пристрою.

. При розрахунку плати на надійність, було отримано 32250 годин безвідмовної роботи.

. При розрахунку на удар виявилось, що спосіб кріплення (чотири отвори по краях плати) та її товщина забезпечують найменшу частоту власних коливань, найбільше віброзміщення при дії вібрації і найменше ударне прискорення при дії ударів.

. В результаті теплових розрахунків було отримано потужність розсіювання, яка становить 5,52 кВт/м2. Перегрівання для апаратури з природною конвекцією було отримано 35 К, при цьому забезпечуються умови нормального теплового режиму, і природної конвекції для цього достатньо.

. Згідно розрахунків можна констатувати, що пристрій задовольняє всі техніко-технологічні характеристики та може бути введений у експлуатацію.

ЛІТЕРАТУРА


1.       Відлюдьків С.А. Цифрові пристрої на МОН-інтегральних мікросхемах. -М.: Радіо й зв'язок, 1996.

2.      Евсеев А.Н. Электронные устройства для дома. - М.: Радио и связь, 1994.

.        Радиолюбитель, 1999, №4.

.        РАДИО № 8,9, 1990 г.

.        Радиокомпоненты и материалы. Справочник. Радиософт, 1998, - 720с.

.        Горобец А.И., Степаненко А.И., Коронкевич В.М. Справочник по конструированию радиоэлектронной аппаратуры - К.: Техника, 1985.-310с .

.        Р. М. Терещук Справочник радиолюбителя. Изд. 6-е. «Техніка»,1970. 696с.

.        Цифровые и аналоговые интегральные микросхемы: Справочник/ С.В. Якубовский. - М.: Радио и связь. 1990.- 496 с.

.        Філинюк М.А, Козлов В.В., Пастушенко О.Л. Проектування конструкцій РЕА. - Вінниця: ВДТУ, 2002.-99с.

.        Белинский В.Т., Гондюл В.П., Грозин А.А., Круковский-Синевич К.Б., Мазур Ю.Л. Практическое пособие по учебному конструированию РЭА.-К.: Вища школа, 1992. - 494 с.

.        А.А. Яншин. Теоретические основы конструирования, технологии и надежности ЭВА: Учеб. пособие для вузов. - М.: Радио и связь, 1983. - 312 с.

.        Технология деталей электронной аппаратуры.Учеб. пособие для вузов/С.Е. Ушаков, В.С. Сергеев, А.В. и др. М.: Радио и связь. 1986. - 256 с.

.        Сташин В. В., Урусов А. В, Мологонцева О. Ф. Проектирование цифровых устройств на однокристальных микроконтроллерах. - М.: Энергоатомиздат, 1990.

.        Проектирование конструкций радиоэлектронной аппаратуры. Учебное пособие для ВУЗов. Е.М. Парфенов, Э.Н. Камышная, В.П. Усачов. - М.: Радио и связь, 1989.

.        Полупроводниковые оптоэлектронные приборы: Справочник В.И. Иванов, А.И Аксенов.- 2-е изд., перераб. и доп.- М.: Энергоатом издат., 1989,-448с.

.        Ненашев А.П. Конструирование радиоэлектронных средств. - М. Высшая школа, 1990 - 424с.

.        В.І.Калінін, О.А. Костюк, А.А. Грудін. Математичні моделі та методика оцінки експлуатаційної надійності елементів і виробів електронної техніки. Частини І-ІІІ. Навчальний посібник”. В.:ВДТУ, 1999. - 56 с. Укр. мовою.

Додаток А

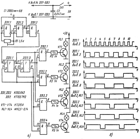
Рисунок 1 - Схема автомату формування світлових ефектів на тригерах

Рисунок 2 - Графіки для пояснення роботи автомата формування світлових ефектів з рис.1

Рисунок 3 - Принципова схема автомату світлових ефектів на мікросхемах

Похожие работы на - Конструкція пристрою попереднього підсилювача

 

Не нашли материал для своей работы?
Поможем написать уникальную работу
Без плагиата!
Без нейросетей!