Измерительный преобразователь для индукционного датчика
"Измерительный
преобразователь для индукционного датчика"
1.Аналитический обзор
Датчик - термин систем управления, первичный
преобразователь, элемент измерительного, сигнального, регулирующего или
управляющего устройства системы, преобразующий контролируемую величину в
удобный для использования сигнал.
В настоящее время различные датчики широко
используются при построении систем автоматизированного управления.
Датчики являются элементом технических систем,
предназначенных для измерения, сигнализации, регулирования, управления
устройствами или процессами. Датчики преобразуют контролируемую величину
(давление, температура, расход, концентрация, частота, скорость, перемещение,
напряжение, электрический ток и т. п.) в сигнал (электрический, оптический,
пневматический), удобный для измерения, передачи, преобразования, хранения и
регистрации информации о состоянии объекта измерений.
Исторически и логически датчики связаны с
техникой измерений и измерительными приборами, например термометры, расходомеры,
барометры, прибор «авиагоризонт» и т. д. Обобщающий термин датчик укрепился в
связи с развитием автоматических систем управления, как элемент обобщенной
логической концепции датчик - устройство управления - исполнительное устройство
- объект управления. Специальный случай представляет использование датчиков в
автоматических системах регистрации параметров, например, в системах научных
исследований.
Широко встречаются два основных значения:
• чувствительный элемент, преобразующий
параметры среды в пригодный для технического использования сигнал, обычно
электрический, хотя возможно и иной по природе, например - пневматический
сигнал;
• законченное изделие на основе
указанного выше элемента, включающее, в зависимости от потребности, устройства
усиления сигнала, линеаризации, калибровки, аналого-цифрового преобразования и
интерфейса для интеграции в системы управления. В этом случае чувствительный
элемент датчика сам по себе может называться сенсором.
Эти значения соответствуют практике
использования термина производителями датчиков. В первом случае датчик это
небольшое, обычно монолитное устройство электронной техники, например,
терморезистор, фотодиод и т. п., которое используется для создания более
сложных электронных приборов. Во втором случае - это законченный по своей
функциональности прибор, подключаемый по одному из известных интерфейсов к
системе автоматического управления или регистрации. Например, фотодиоды в
матрицах (фото) и др.
В последнее время в связи с удешевлением
электронных систем всё чаще применяются датчики со сложной обработкой сигналов,
возможностями настройки и регулирования параметров и стандартным интерфейсом
системы управления. Имеется определённая тенденция расширительной трактовки и
перенесения этого термина на измерительные приборы, появившиеся значительно
ранее массированного использования датчиков, а также по аналогии - на объекты
иной природы, например, биологические. Понятие датчика по практической
направленности и деталям технической реализации близко к понятиям измерительный
инструмент и измерительный прибор, но показания этих приборов в основном
читаются человеком, а датчики, как правило, используются в автоматическом
режиме.
По принципу действия датчики классифицируется:
• Оптические (фотодатчики)
• Магнитоэлектрические (На основе эффекта
Холла)
• Пьезоэлектрические
• Тензо преобразователь
• Ёмкостной датчик
• Потенциометрический датчик
• Индуктивный датчик
• Индукционный датчик
Среди многообразия бесконтактных датчиков, по
неприхотливости к внешним условиям, простоте изготовления и долговечности
наиболее привлекательны индукционные (или генераторные) датчики. Остановимся на
процессе, проходящем в генераторном датчике. В простейшем случае датчик состоит
из катушки с обмоткой, сердечника из магнитомягкого железа и магнита. Эти три
компонента составляют статор датчика. Со статором взаимодействует ротор в виде
зубчатого диска или зубчатой рейки с количеством зубцов, определяемым условиями
применения датчика (рис.1).
Рис.1
При вращении ротора, в обмотке статора возникает
переменное напряжение. Когда один из зубцов ротора приближается к обмотке,
напряжение в ней быстро возрастает и, при совпадении со средней линией обмотки,
достигает максимума, затем, при удалении зуба, быстро меняет знак и увеличивается
в противоположном направлении до максимума. На приводимом графике (рис.2)
отчетливо видна большая крутизна изменения напряжения, поэтому переход между
двумя максимумами может быть использован для управления электронными системами.
Рис.2
Величина напряжения, вырабатываемого датчиком,
зависит от частоты вращения ротора, числа витков катушки и величины магнитного
потока, создаваемого постоянным магнитом. Поскольку две последние величины
постоянны, величина индуцируемого напряжения достигает максимума при
максимальной частоте вращения. При конструировании следует уделять особое
внимание усилению импульсов при малой частоте следования. Сфера применения
подобных датчиков обширна, остановимся на некоторых примерах.
Датчик качания или удара (рис.3). На спиральной
пружинке из тонкой проволоки укреплен небольшой кусочек магнитомягкого железа,
при качании или толчке он взаимодействует со статором датчика, который
вырабатывает серию апериодических импульсов.
Рис.3
Самым известным и используемым устройством для
измерения величины магнитной индукции является датчик Холла. Измерители на
основе этого устройства проектируются как пробники небольших габаритов, которые
могут содержать один, два или три кристалла полупроводника для измерения
магнитного поля в одно-, двух- или трех- взаимно перпендикулярных направлениях.
Индукционный датчик состоит из катушки
индуктивности и предназначен для измерения переменного магнитного поля. Напряжение,
индуцируемое на катушке, помещенной в переменное магнитное поле,
пропорционально величине измеряемой магнитной индукции.
Постоянное магнитное поле может быть измерено
вращающейся с постоянной скоростью катушкой индуктивности. Переменное напряжение,
образующееся в катушке при пересечении линий магнитного поля, пропорционально
величине магнитной индукции.
Эффект Холла.
Если через полупроводник в одном направлении
пропускать постоянный ток I плотностью j, а в другом направлении воздействовать
магнитным полем B, то в третьем направлении можно измерить напряжение V,
меняющееся пропорционально силе магнитного поля:
= R · B · b · j,
где R - постоянная Холла, b - расстояние между
гранями, на которых возникает измеряемое напряжение.
Данное явление получило название эффекта Холла,
по имени физика Эдвина Герберта Холла, открывшего этот эффект в 1879 году в
тонких пластинках золота. Так как измеряемое напряжение меняет знак на обратный
при изменении направления магнитного поля на обратное, то эффект Холла относится
к нечётным гальваномагнитным явлениям.
Из приведенной формулы следует, что V = k · B,
поэтому, если прокалибровать связь между измеренным напряжением и величиной
магнитного поля, можно использовать датчики на основе эффекта Холла для
измерения величины неизвестных магнитных полей.
Датчики Холла выпускаются многими компаниями в
мире, например, компанией Honeywell. В России наиболее просто можно приобрести
датчик ДХК-0.5А, поэтому разработка в одном из следующих разделов простого
гауссметра будет проиллюстрирована на примере этого датчика, хотя все
нижеизложенное справедливо и для других датчиков.
Датчик Холла ДХК-0.5А предназначен для измерения
величины магнитной индукции на основе преобразования магнитной индукции в
выходное напряжение. Датчик выполнен на основе планарной топологической
структуры, сформированной на поверхности кремниевого кристалла.
2. Выбор и обоснование
функциональной схемы
Функциональная схема имеет вид представленный на
рисунке 2.1.
Рис.2.1 Функциональная схема
Где:
· ГСС - генератор синусоидальных
сигналов
· ЭМД - электромагнитный датчик
· У - усилитель
· ФЧВ - фазочувствительный выпрямитель
· ФНЧ - фильтр низких частот
· ПТН - преобразователь ток -
напряжение
· ФСУ - фазосдвигающее устройство
· ФУН - формирователь управляющих
напряжений
· ПНТ - преобразователь напряжение -
ток
Принцип действия индукционного датчика основан
на законе электромагнитной индукции. Согласно закону электромагнитной индукции,
ЭДС в контуре определяется формулой (2.1) :
(2.1)
Где :
- потокосцепление с
контуром. Определяется по формуле (2.2):
(2.2)
Где:
𝝎 - число
витков катушки; Ф - проходящий через неё поток ; B
- индукция магнитного поля; Q
- площадь через которую проходит этот поток
Таким образом, выходной величиной индукционного
преобразователя является ЭДС, а входной - скорость изменения потокосцепления.
Эквивалентная схема индукционного датчика представлена на рисунке 3.1.1.
Для согласованной работы измерительного
преобразователя и индукционного датчика в цепь первичной обмотки, после
преобразователя ток - напряжение включается фазосдвигающее устройство, которое
сдвигает фазу тока первичной обмотки на определенный угол φ.
Далее сигнал со сдвинутой фазой на угол φ
поступает на формирователь управляющего напряжения, состоящий из усилителя -
ограничителя и компаратора с положительной обратной связью.
Сигнал с индукционного датчика поступает на вход
усилителя. Затем в схему включается фазочувствительный выпрямитель , в состав
которого входят ключи напряжения . Формирователь управляющих напряжений
вырабатывает сигнал типа меандр , управляющий работой ключей.
С целью выбора нужной составляющей сигнала
используется фильтр нижних частот. На выходе ставится преобразователь
напряжение - ток.
3. Расчет элементов функциональной
схемы
.1 Расчет электромагнитного датчика
первичный преобразователь эквивалентный датчик
Рисунок 3.1.1 Эквивалентная схема
индукционного датчика
По эквивалентной схеме требуется
рассчитать диапазон изменения выходных напряжений датчика.
(3.1.1)
Для нахождения тока IL
воспользуемся схемой показанной на рисунке 3.1.1. Зная входной ток
5(мА) мы
можем рассчитать питающее напряжение генератора по формуле (3.1.2).
(3.1.2)
Откуда
равно:
=0.5+j
0.1(B)
(3.1.3)
Чтобы избавиться от мнимой части найдем значение
по
модулю:
(3.1.4)
Фазовый сдвиг тока
относительно
питающего напряжения
будет иметь вид:
Ток через индуктивность IL
, используя формулу (3.1.6) будет равен:
(3.1.6)
(3.1.7)
Фазовый сдвиг тока IL
относительно напряжения имеет вид:
Фазовый сдвиг между током IL
и
найдем
по формуле (3.1.9).
(3.1.9)
Диапазон выходных напряжений
равен
:
(3.1.10)
Модуль
равен:
(3.1.11)
Фазовый сдвиг, необходимый для получения
управляющих напряжений ,
синфазных с выходным равен
:
(3.1.12)
Выбираем резисторы:
Rм - С2-29В-0,62Вт-100Ом
3.2 Расчет генератора синусоидальных
колебаний
Для нахождения необходимой амплитуды генератора
по исходным данным, нужно найти падение напряжения на электромагнитном датчике,
т.е. выходное напряжение генератора.
(3.2.1)
Схема генератора приведена на рисунке 3.2.1
Рисунок 3.2.1 Генератор
синусоидальных колебаний
Генератор реализован с использованием
последовательно - параллельной фазосдвигающей цепочки. В качестве нелинейного
элемента, обеспечивающего баланс амплитуд, т.е. устойчивую работу генератора,
используются диоды VD1,VD2.Транзисторы
VT1 и VT2
необходимы для усиления выходного тока генератора
.
Транзисторы включены как эмиттерные повторители. Резисторы R1,R2
обеспечивают необходимый коэффициент усиления
. Для обеспечения
баланса амплитуд необходимо,
чтобы выполнялось условие
.
(3.2.3)
Из формулы (3.2.3) находим соотношение
резисторов
:
(3.2.5)
Операционные усилители общего применения могут
отдавать в нагрузку ток не более
. В нашем случае
ток, отдаваемый операционным усилителем в нагрузку, находится в диапазоне
. Необходимо найти
коэффициент усиления по току
, для транзисторов VT1
и VT2, по формуле:
(3.2.6)
Максимальное напряжение
для
транзисторов VT1 и VT2
должно быть больше чем
,т.е. больше
,
.
Полоса пропускания должна быть больше чем
.Далее найдем
емкости конденсаторов по формуле (3.2.7),задавшись R=10(кОм):
(3.2.7)
Задаемся R=10(кОм)
и находим С:
(3.2.8)
Выбираем резисторы:
R1 - С2-29В-0,62Вт -4,3кОм±0,1% - А
R2 - С2-29В-0,62Вт
-1,0кОм±0,1%
-
А
R3,R4
- C2-29В-0,62Вт
-10кОм±0,1% -
А
Выбираем конденсаторы:
С1,С2 - К10-42-50В-150пФ±5%
Выбираем диоды:
VD1,VD2
- КД521А
Выбираем транзисторы:
VT1 - КТ3102А
VT2 - КТ3107А
Выбираем усилитель:
DA1:К544УД2А
3.3 Расчет преобразователя
напряжение - ток
Схема преобразователя представлена на рисунке
3.3.1.Выходное напряжение этой схемы будет равно:
(3.3.1)
Транзисторы VT3,VT4
- необходимы для усиления выхода ОУ по току. Поскольку выходной ток схемы это
ток через датчик ,то выбираем усилитель тока, такой же как и в схеме генератора.
Зададимся выходным напряжением ,равным
,тогда
резистор Roc будет
равен:
(3.3.2)
Мощность выделяемая на резисторе будет равна:
(3.3.3)

Выбираем резистор :
Rос -
С2-33Н-0,125Вт-130Ом±5%
Выбираем усилитель:
DA1:К544УД2А
Выбираем транзисторы:
VT3 - КТ3102А
VT4 - КТ3107А
3.4 Расчет фазосдвигающего
устройства
Схема фазосдвигающего устройства
представлена на рисунке 3.4.1.
Рисунок 3.4.1 Фазосдвигающее
устройство
При одинаковых резисторах R5,R6,R7
передаточная характеристика данного устройства имеет вид:
(3.4.1)
Где Т=
, тогда комплексный
коэффициент передачи будет равен:
(3.4.2)
А аргумент равен:
(3.4.3)
Фазовый сдвиг между током IL
и
найденный
по формуле (3.1.9).
Таким образом, фазосдвигающее устройство должно
обеспечивать фазовый сдвиг равный:
(3.4.4)
Т.е.
(3.4.5)
Или:
(3.4.6)
(3.4.7)
Имея
(f=100000 Гц):
(3.4.8)
Задаваясь значением конденсатора С3=1 нФ, рассчитаем
значение резистора R6:
(3.4.9)
Выбираем резистор:
R6 -
С2-29В-0,062Вт-1,5кОм±0,1%
Выбираем конденсаторы:
С3- К10-42-50В-1нФ±5%
Выбираем усилитель:
DA1:К544УД2А
Значения резисторов R5,R7
по 10(кОм):
Выбираем резисторы:
R5,R7
- С2-29В-0,062Вт-10кОм±0,1%
3.5 Расчет формирователя управляющих
напряжений
Формирователь управляющих напряжений
предназначен для формирования управляющих однополярных импульсов, фронты которых
совпадают с моментами перехода через ноль выходного напряжения фазосдвигающего
устройства.
Схема формирователя представлена на рисунке
3.5.1. Она состоит из усилителя ограничителя и триггера Шмидта. Пока диоды не
открыты DA4 работает
как разомкнутый и на выходе присутствует напряжение с крутыми фронтами и
амплитудой 0,7(В). Резистор R8
выбираем из условия ограничения выходного тока DA4.
Задаемся значением R8=10(кОм).
Тогда ток,
протекающий по R8 и по
выходу DA4, будет равен:
(3.5.1)
Ток меньше, чем максимальный ток ОУ . Для К544УД2
. В триггере Шмидта
гистерезис должен быть меньше чем выходное напряжение DA4.
Задаем значение гистерезиса
, тогда
:
(3.5.2)
Откуда отношение резисторов R10/R9
равно:
(3.5.3)
Задаемся значением R9=10(кОм)
тогда R10=R9*12,4=124(кОм)
Рисунок 3.5.1 Схема формирователя
управляющих напряжений
Выбираем резисторы:
R8,R9,R11 -
С2-29В-0,062Вт-10кОм±0,1%
R10 - С2-29В-0,062Вт-130кОм±0,1%
Выбираем диоды:
VD3,VD4,VD4 - КД521А
Выпрямитель положительной
прямоугольной волны реализован на R11,VD5.R11 не должно
нагружать DA5 при
отрицательной полуволне. Если R11 выбрать
10(кОм) то Iвых=0,1(мА).
Выбираем усилитель:
DA4,DA5:К544УД2А
3.6 Расчет усилителя
Для расчета коэффициента усиления
усилителя необходимо найти диапазон изменения выходного напряжения датчика.
. Поскольку коэффициент связи задан
, то требуется найти ток
(3.6.1)
(3.6.2)
Коэффициент усиления усилителя должен быть равен
1000, следовательно напряжение на выходе усилителя будет изменяться в диапазоне
. Для этих целей
выбираем усилитель АD620.Схема
усилителя представлена на рисунке 3.6.1.Согласно техническому описанию
данного
усилителя задается выражением:
(3.6.3)
Откуда:
(3.6.4)
Резисторы R12,R13
необходимы для обеспечения путей протекания входных токов ОУ, которые не более
2 (мА). Два резистора необходимы для симметрирования входа ОУ. Полоса
пропускания усилителя по уровню 3(dB)
равна 12(кГц). Резисторы R12,R13
выбираем равными 10(кОм).

Выбираем резисторы:
-
С2-29В-0,062Вт-49,3 Ом±0,1%
R12,R13
-
С2-29В-0,062Вт-10кОм±0,1%
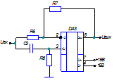
3.7 Расчет фазочувствительного
выпрямителя
Схема фазочувствительного выпрямителя
представлена на рисунке 3.7.1.Для реализации ФЧВ выберем микросхему К590КН4. В
этой микросхеме реализованы два ключа, один из которых нормально разомкнут
(контакты 1-16), а другой нормально замкнут (контакты 3-4). При подаче на
управляющий вход 15 положительного напряжения состояние ключей поменяется на
противоположное. В открытом состоянии сопротивление ключа (замкнут) находится
на уровне
75 (Ом).
Разомкнутое состояние характеризуется током
утечки при максимальном напряжении на зажимах ключа 30(В),
.
Эквивалентное сопротивление разомкнутого ключа
можно оценить значением:
Таким образом, при нулевом управляющем напряжении
коэффициент усиления ФЧВ равен - 1 , при высоком уровне напряжения +1.
Сопротивления R14,R15
выбираем равными 10(кОм).
Рисунок 3.7.1 Схема последовательно
- параллельного ФЧВ
Выбираем резисторы:
R14,R15 - С2-29В-0,062Вт-10кОм±0,1%
Выбираем усилитель:
DA7 - К590КН4
DA8 - К544УД2А
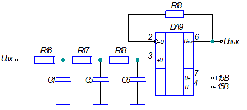
3.8 Расчет фильтра нижних частот
Фильтр нижних частот предназначен
для выделения из выходного напряжения ФЧВ среднего значения. Максимальное
выходное напряжение усилителя находится на уровне 1(В), после ФЧВ среднее
значение будет равно:
(3.8.1)
Частота минимальной гармоники в
выходном сигнале ФЧВ будет равна
. Таким
образом, ФНЧ должен ослабить
напряжение с частотой
в заданное
число раз. Коэффициент подавления вычисляется исходя из точности схемы и
условий быстродействия. Оставшиеся пульсации после фильтра должны быть меньше
основной погрешности измерительного преобразователя.
В нашем случае
, то пульсации должны быть в (5
) раз
меньше, т.е. 5
. Таким образом,
коэффициент подавления фильтром наименьшей частоты должен быть равен:
(3.8.2)
Для упрощения выбираем схему фильтра
состоящего из пассивных R-C звеньев.
Выберем трехзвенный фильтр. Его схема представлена на рисунке 3.8.1.
Приближенно для трехзвенного фильтра коэффициент подавления можно оценить по
следующей формуле:
(3.8.3)
Откуда:
(3.8.4)
Выбираем значение емкости C=0,033(мкФ),
значение сопротивления будет равно:
(3.8.5)
(3.8.6)
Рисунок 3.8.1 Пассивный трехзвенный
ФНЧ
Выбираем конденсаторы:
С4,C5,C6-
К73-17-63В-0,033мкФ±10%
Выбираем резисторы:
R16,R17,R18 -
С2-33В-0,125Вт-300Ом±5%
R19 -
С2-29В-0,125Вт-910Ом±0,1%
Выбираем усилитель:
DA9 - К544УД2А
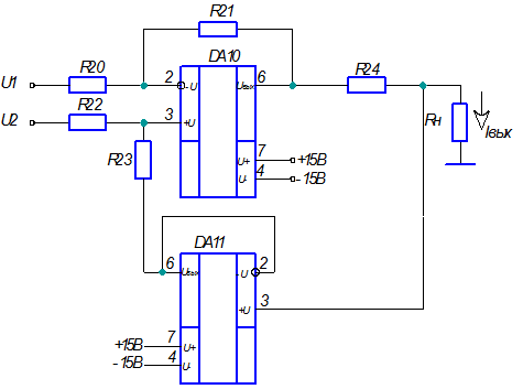
3.9 Расчет преобразователя
напряжение - ток
Схема преобразователя напряжение -
ток представлена на рисунке 3.9.1. Входной ток данной схемы равен:
(3.9.1)
По заданию диапазон изменения
выходного напряжения
, при Ксв
.
Рисунок 3.9.1 Преобразователь
напряжение - ток
(3.9.2)
(3.9.3)
Необходимо решить систему уравнений
с двумя неизвестными. Из уравнения (3.9.3) выразим U1 и
подставим в уравнение (3.9.2), т.е. найдем R24=119,3
(Ом). После, зная R24 найдем U1=-0,477(В).
Для усиления тока будем использовать
пару комплиментарных транзисторов VT5,VT6.
Осталось сформировать напряжение 0,63(В). Для этой цели используем схему
параметрического стабилизатора напряжения, представленную на рисунке 3.9.2.
Рисунок 3.9.2 Формирователь
напряжения смещения
В качестве стабилитрона выберем
прецизионный стабилитрон Д818Е. С номинальным напряжением стабилизации 9(В).
Делитель напряжения R27,R28 должен
обеспечить выходное напряжение 0,63(В).Рассчитаем
делитель:
(3.9.6)
Откуда R27/R28 равно:
(3.9.7)
R27 выбираем
10(кОм), R28=132(кОм).
Сопротивление R26 должно
пропустить ток стабилитрона и ток делителя:
(3.9.8)
Ток стабилитрона задаем 10(мА),
тогда :
(3.9.9)
Выбираем резисторы:
R20-R23,R27
-
С2-29В-0,062Вт-10кОм±0,1%
R24 -
С2-29В-0,062Вт-120Ом±0,1%
R26 - C2-33-0,125Вт-560Ом±5%
R28 -
С2-29В-0,062Вт-130кОм±0,1%
Выбираем DA12:
К140УД17А
Выбираем транзисторы:
VT5 - КТ3102А
Заключение
В данном курсовом проекте была разработана схема
измерительного преобразователя для индукционного датчика. Разработанное
устройство не требует универсального блока питания, т.к. операционные усилители
питаются напряжением 15 В. Параметры используемых в устройстве и источнике
питания элементов взяты из справочной литературы и полностью соответствуют
ГОСТу.
Список
использованной литературы
1. Резисторы,
конденсаторы, трансформаторы, дроссели, коммутационные устройства РЭА:
Справочник/ Н. Н. Амиков и др. Мн.: Беларусь, 1994.
. Полупроводниковые
приборы: Диоды, тиристоры, оптоэлектронные приборы. Справочник А.В.Баюков и др.
- М.:Энергоиздат,1982.
. Проектирование
и применение операционных усилителей. Под ред. Дж Грэма, Дж.Тоби, Л.Хюлсмана,
пер. с нагл. М.: «Мир»,1974 год.
. Конспект
лекций по дисциплине «преобразовательная техника».
5. Гуснов
В.С. Интегральная электроника в измерительных устройствах.л.:Энергоатомандат,
1988.
6.