Дослідження регулювальних властивостей системи електроприводу ШИП-ДПС методами планування експерименту
РОЗРАХУНКОВА РОБОТА
з Основи планування
експерименту в електромеханіці
на тему: «Дослідження
регулювальних властивостей системи електроприводу ШИП-ДПС методами планування
експерименту»
ЗМІСТ
ВСТУП
1 АНАЛІЗ ПЛАНУВАННЯ ЕКСПЕРИМЕНТУ
.1 Необхідність планування експериментів
.2 Основні принципи планування експерименту
ДОСЛІДЖЕННЯ МАТЕМАТИЧНОЇ МОДЕЛІ ШИП -ДПС
.1 Моделювання двигунів постійного струму та
тиристорного перетворювача напруги
.2 Досліджувана модель системи електроприводу ШИП -ДПС
ПЛАНУВАННЯ ПОВНОГО ФАКТОРНОГО ЕКСПЕРИМЕНТУ
.1 Постановка задачі
.2 Повний факторний експеримент
.3 Знаходження коефіцієнтів рівняння регресії
.3.1 Розрахунок коефіцієнтів регресії
.3.2 Знаходження дисперсії відтворюваності
.3.3 Розрахунок дисперсії коефіцієнтів регресії
.3.4 Перевірка значимості коефіцієнтів регресії
.3.5 Перевірка моделі за критерієм Фішера
ВИСНОВКИ
ПЕРЕЛІК ПОСИЛАНЬ
ВСТУП
За останні роки докорінно змінився підхід до
експериментально-статистичного дослідження та оптимізації складних багатокомпонентних
систем. У різних областях науково-технічних досліджень успішно стали
застосовуватися методи математичного планування експерименту. Широке
застосування цих, істотно підвищуючих ефективність, методів досліджень,
зумовила також їх універсальність, придатність в більшості областей дослідження
- у хімії, металургії, промисловості будівельних матеріалів, медицині,
біології, електроніці, автоматиці, обчислювальній техніці та ін.
Переважна більшість досліджуваних об'єктів відноситься до
класу складних систем, що характеризуються значною кількістю взаємопов'язаних
параметрів. Завдання дослідження таких систем полягає у встановленні залежності
між вхідними параметрами - факторами і вихідними параметрами - показниками
якості функціонування системи та визначення рівнів факторів, які оптимізують
вихідні параметри системи.
Науковому співробітникові часто доводиться вирішувати
завдання з планування, проведення експериментальних досліджень, обробці
результатів інженерного експерименту. Розвиток сучасних методів математичного
планування та обробки результатів інженерного експерименту, розширення
можливостей сучасної комп'ютерної техніки дозволяють рекомендувати дослідникові
загальні підходи, методи і процедури планування та оброблення його результатів.
В даний час обробка результатів інженерних експериментів
неможлива без використання комп'ютерів і пакетів прикладних програм. Глибоке
освоєння можливостей комп'ютерних методів статистичної обробки результатів
інженерного експерименту в спеціалізованих пакетах вимагає значного проміжку
часу. Проте слід розуміти, що інструмент не замінює компетентність і
професіоналізм. Комп'ютер являє собою не заміну людського інтелекту, а лише
його підсилювач. Ніякі яскраві можливості сучасного інтерфейсу (вікна, що
розкриваються, контекстне меню, кнопки і т.д.) не звільняє користувача від
необхідності вивчення і розуміння суті статистичних методів, реалізованих в
таких системах.
1. АНАЛІЗ ПЛАНУВАННЯ ЕКСПЕРЕМЕНТУ
.1 Необхідність планування експериментів
імпульсний
перетворювач струм
Експериментальні дослідження ведуться в усіх областях науки і
техніки. Мета цих експериментів - або встановити нові факти про досліджуваному
явище, або порівняти впливу різних умов на даний процес. Припустимо, наприклад,
що інженера-металурга цікавлять ефекти двох різних процесів загартування
алюмінієвого сплаву: в маслі і солоній воді.[1] Метою експерименту в даному
випадку є визначення охолоджуючої середовища, яка забезпечує найбільшу
твердість даного сплаву. Інженер приймає рішення піддати кілька зразків сплаву
гарті в кожній з рідин і виміряти твердість зразків після гарту. Середня
твердість зразків, оброблених у кожній з охолоджуючих середовищ, буде
використана для визначення кращої з них. Якщо замислитися над цим
експериментом, то виникає ряд важливих питань:
. Чи є ці дві рідини єдиними охолоджуючими рідинами, що
представляють інтерес?
. Чи існують інші фактори, які можуть впливати на твердість і
повинні досліджуватися або контролюватися в цьому експерименті?
. Скільки зразків сплаву потрібно обробити в кожній з
охолодних рідин?
. Як потрібно розподіляти зразки за охолоджуючих рідин і в
якому порядку збирати дані?
. Який метод аналізу даних повинен бути застосований?
. Яка різниця між середніми твердостями для двох охолоджуючих
середовищ буде вважатися важливою?
На всі ці питання потрібно дати задовільну відповідь ще до
того, як буде проведено експеримент.[1]
Результати будь-якого експерименту і висновки, які з них
можна зробити, у великій мірі залежать від того, яким чином збираються дані.
Для ілюстрації цього положення припустимо, що інженер-металург в описаному вище
експерименті використовував зразки з однієї партії нагріву для обробки в маслі,
а з іншої партії - в солоній воді. Тепер при порівнянні середньої твердості
інженер не може сказати, якою мірою спостережена різниця зумовлена охолоджуючої
середовищем, а в якій - відмінностями, притаманними партіям нагріву Таким
чином, метод збору даних негативно вплинув на висновки, які можна зробити з
цього експерименту.[1]
.2 Основні принципи планування експерименту
Якщо ми хочемо провести експеримент найбільш ефективно, то
необхідний науковий підхід до його планування. Під статистичними плануванням
експерименту ми розуміємо таку організацію експериментального дослідження, яка
дозволить зібрати необхідні дані, застосувати для їх аналізу статистичні методи
і зробити правильні і об'єктивні висновки. Без статистичного підходу до
планування експерименту не обійтися, якщо ми не хочемо, щоб висновки, отримані
на основі його даних, виявилися позбавленими сенсу. Якщо дані експерименту
містять помилки, то статистичні методи є єдиним об'єктивним підходом до їх
аналізу. Таким чином, у будь-який експериментальної задачі два аспекти:
планування експерименту і статистичний аналіз даних, причому ці два аспекти
тісно взаємопов'язані, так як метод аналізу безпосередньо залежить від
використаного плану.[1]
В основі планування експерименту лежать два основні принципи -
реплікація і рандомізація. Під реплікацією ми розуміємо повторення основного
експерименту. В описаному вище металургійному експерименті репліка складалася б
з зразка, обробленого гартом в маслі, і зразка, обробленого гартом в солоній
воді. Таким чином, якщо в кожній охолоджуючої середовищі оброблено за п'ять
зразків, то ми говоримо, що отримано п'ять реплік. Повторні досліди володіють
двома важливими властивостями. По-перше, вони дозволяють експериментаторові
отримати оцінку помилки експерименту (випадкової похибки). Ця оцінка стає
основною "заходом "при визначенні того, чи є виявленні відмінності в
даних насправді статистично різними. По-друге, якщо вибіркове середнє
(наприклад,
) використовується для оцінювання ефекту чинника в
експерименті, то повторні спостереження дозволяють дослідникові одержати більш
точну оцінку цього ефекту.
Якщо
дисперсія даних, а
число
реплік, то дисперсія вибіркового середнього:
Таким чином, якщо число реплік
і
спостерігалось
(загартування в маслі) і
(загартування в солоній воді), то ми, ймовірно, не
зможемо зробити задовільного висновку щодо ефекту охолоджуючої середовища.
Іншими словами, виявлена різниця може бути обумовлена випадкової
експериментальної помилкою. (загартування в маслі) і (загартування в солоній
воді), то ми, ймовірно, не зможемо зробити задовільного висновку щодо ефекту
охолоджуючої середовища. Іншими словами, виявлена різниця може бути обумовлена
випадкової експериментальної помилкою. Навпаки, якщо
достатньо велика, а експериментальна помилка досить
мала, то при
ми могли б зробити висновок, що загартування в
солоній воді призводить до більш високої твердості даного алюмінієвого сплаву
порівняно з гартом в маслі.[1]
Рандомізація - наріжний камінь, на якому базується застосування статистичних
методів планування експерименту. Рандомізація означає, що розподіл
експериментального матеріалу і порядок, в якому повинні проводитися окремі
досліди або прогони експерименту, встановлюються випадковим чином. Для
застосування статистичних методів потрібно, щоб спостереження (або помилки)
були незалежними випадковими змінними. Рандомізація, як правило, забезпечує
справедливість цього припущення. При відповідній рандомізації експерименту ми
також "усредняем" можливі ефекти зовнішніх факторів. Припустимо, що в
описаному вище експерименті зразки, наприклад, кілька розрізняються по товщині
і ефективність охолодження середовища може залежати від товщини зразка. Якщо
всі зразки, піддані обробці в маслі, товщі зразків, загартовані в солоній воді,
то ми будемо постійно ставити одну охолоджувальну середу в кращі умови
порівняно з іншого. При випадковому розподілі зразків з охолоджуючим середах
такій ситуації не виникає.
При використанні статистичного підходу до планування експериментів і
аналізу даних необхідно, щоб всі учасники експерименту ще до його початку чітко
розуміли, що саме потрібно досліджувати і яким чином потрібно збирати дані або
хоча б мали уявлення про те, як ці дані потрібно аналізувати. Можна
рекомендувати наступну схему [1]:
. Визнання факту існування завдання і її формулювання. Це положення
може здатися досить тривіальним, але на практиці часто буває непросто
зрозуміти, що існує проблема, що вимагає експериментальних досліджень, і
виробити чітку і загальноприйняту формулювання цієї проблеми. Необхідно
уточнити всі уявлення про метою експерименту. Ясна формулювання задачі у
багатьох випадках виявляється істотною для кращого розуміння явищ і рішення
задачі.
. Вибір факторів і рівнів. Експериментатор має відібрати незалежні
змінні, або фактори, які будуть вивчатися в експерименті. Наприклад, в
описаному вище експерименті по перевірці твердості один фактор - охолоджуюча
середа. Фактори в експерименті можуть бути кількісними та якісними. При
дослідженні кількісних факторів потрібно продумати те, як підтримувати бажані
значення цих факторів і як їх вимірювати. Ми повинні також вибрати значення,
або рівні, факторів, які будуть використані в експерименті. Ці рівні можуть
бути задані або обрані випадковим чином з безлічі всіх можливих рівнів фактора.
. Вибір змінної відгуку. При виборі відгуку, або залежної змінної,
експериментатор повинен бути впевнений у тому, що відгук, який належить
вимірювати, дійсно містить інформацію про досліджуваної проблеми. Потрібно
подумати також і про те, як буде вимірюватися відгук і яка ймовірна точність
цих вимірів.
. Вибір плану експерименту. Цей етап є найбільш важливим у процесі
експериментування. Дослідник повинен поставити величину відмінності від щирого
відгуку, що він хоче виявити, і величину ризику, на який він може піти, з тим
щоб вибрати відповідний обсяг вибірки (число реплік). Він повинен також
визначити, в якому порядку будуть збиратися дані і який метод рандомізації буде
застосовано. Необхідно завжди погоджувати між собою статистичну точність і
вартість експерименту. Більшість рекомендованих планів експериментів і
статистично ефективні, і економічні, тому зусилля експериментатора по
забезпеченню статистичної точності зазвичай призводять і до економічної
ефективності.
Повинна бути запропонована математична модель експерименту, що
дозволить провести статистичний аналіз даних.
. Проведення експерименту. В ході експерименту, тобто реального процесу
збору даних, дослідник повинен уважно стежити за тим, щоб усе проходило у
відповідності з планом. Особливу увагу потрібно звертати на рандомізації,
точність вимірювань і підтримку як можна більшої однорідності зовнішніх умов
експерименту.
. Аналіз даних. Для аналізу даних експерименту повинні застосовуватися
статистичні методи. При цьому важливо не забувати і про точність обчислень.
Сучасні засоби обчислювальної техніки багато в чому полегшили
експериментаторові цю задачу, одночасно скоротивши трудомісткість обчислень. В
процесі аналізу даних часто виявляються корисними і графічні методи.
7. Висновки та рекомендації. За завершений аналізу даних
експериментатор може зробити висновки щодо своїх результатів. Потрібно дати
фізичну інтерпретацію статистичних висновків і оцінити їх практичне значення, а
потім винести рекомендації щодо використання результатів. Ці рекомендації можуть
включати і проведення подальших експериментів, оскільки дослідження зазвичай є
iтеративним процесом, коли окремий експеримент, відповідаючи на деякі питання,
одночасно ставить нові. Представляючи свої результати і висновки,
експериментатор повинен намагатися використовувати як можна менше спеціальної
статистичної термінології і формулювати свою повідомлення по можливості
простіше. Використання малюнків і графіків - дуже ефективний спосіб
представлення важливих результатів експерименту.[1]
2 ДОСЛІДЖЕННЯ МАТЕМАТИЧНОЇ МОДЕЛІ ШІП-ДПС
.1 Моделювання двигунів постійного струму
Для дослідження статичних і динамічних режимів роботи
електроприводів з електричними машинами постійного струму (МПС) необхідно
скласти математичну модель у формі системи диференційних рівнянь або у вигляді
передатних функцій. Для цього використаємо диференційні рівняння, з яких
можливо одержати рівняння для статичних режимів, прирівнявши похідні функцій до
нуля.[2]
Математична модель електричної машини (ЕМ) будь-якого типу
складається з рівнянь електричної рівноваги всіх контурів ЕМ та рівняння руху.
На (рис. 2.1,а) наведено принципову схему двигуна постійного струму з
незалежним збудженням, яку називають ще схемою паралельного збудження, тому що
коло обмотки збудження підключено паралельно до кола якоря двигуна.[2]
Вважають, що мережа постійного струму має необмежену потужність і її напруга
не
залежить від навантаження. Тому кола обмотки збудження і обмотки якоря є
незалежними один від одного. У ряді випадків, особливо для двигунів великої
потужності, напруга живлення обмотки збудження не відповідає напрузі живлення
якірної обмотки. Крім того, в електроприводах, де швидкість обертання двигуна
регулюється напругою якоря, живлення обмотки збудження повинно бути незалежним.
Обмотка додаткових полюсів (ДП) і компенсаційна обмотка (КО), які створюють
сприятливі умови для комутації і компенсації реакції якоря безпосередньо у
процесі електромеханічного перетворення енергії участі не беруть. їх параметри враховуються
при визначенні повних опорів та індуктивностей якірного кола.
З урахуванням викладеного, далі будемо розглядати спрощену схему
двигуна постійного струму з незалежним збудженням (рис. 2.1,б).
а) б)
Рисунок 2.1 - а) МПС с незалежним збудженням, б) схема
заміщення
Рівняння двигуна постійного струму:
(2.1)
Аналіз (2.1) свідчить про те, що перші два рівняння - це рівняння
Кірхгофа для кіл збудження та якоря машини, а останній член рівняння якірного
кола - ЕРС двигуна, яка згідно із схемою включення (див. рис. 2.1,б) при
дорівнює:
(2.2)
де
конструктивна стала двигуна; N - кількість
активних провідників якоря; а - кількість паралельних витків якірної
обмотки.
З урахуванням (2.2) момент двигуна:
Отже, систему рівнянь (2.1) з урахуванням (2.3) можна
записати у такому вигляді:
(2.4)
де
- електромагнітні сталі часу обмотки збудження та
якірної обмотки:
(2.5)
З урахуванням виразів складемо структурну схему у вигляді, що
наведено на рис. 2.2.
Рисунок 2.2 - Структурна схема ДПС с незалежним збудженням
Модель має два входи керування:
-
керування напругою в якірному ланцюзі,
-
управління в ланцюзі обмотки збудження та один вхід по збудженню
- збудження по моменту навантаження.
Параметри схеми заміщення МПC-НЗ розраховані за відомими рівняннями і
зведені до таблиці 2.1.
Таблиця 2.1 - Параметри електроприводу
|
Параметр
|
Значення
|
|
Номінальна
потужність, :5,5
|
|
|
Номінальна напруга,
:220
|
|
|
Номінальний струм, :31
|
|
|
Номінальна кутова
частота, , :152,9
|
|
|
Активний опір
якоря, :0,531
|
|
|
Індуктивність
якоря, :5,2
|
|
|
продовження таблиці
2.1
|
|
Номінальна напруга
збудження, :220
|
|
|
Номінальний струм
збудження, :1,24
|
|
|
Активний опір
обмотки збудження, :128
|
|
|
Індуктивність
обмотки збудження, :62,1
|
|
|
Момент інерції, :0,125
|
|
|
Розрахункові
параметри
|
|
Номінальний
коефіцієнт магнітного потоку, :1,33
|
|
|
Електромагнітна
стала часу, :0,0097
|
|
|
Електромеханічна
стала часу, :0,037
|
|
|
|
|
Моделювання широтно-імпульсного перетворювача (ШІП)
Зміна величини напруги на навантаженні за допомогою
імпульсних перетворювачів (ІП) називають імпульсним регулюванням.
За допомогою імпульсного перетворювача джерело напруги
періодично підключається до навантаження. В результаті на виході перетворювача
формуються імпульси напруги. Регулювання напруги на навантаженні можна
здійснити трьома способами [2]:
зміною інтервалу провідності ключа при постійній частоті
перемикання (широтно-імпульсний);
зміною частоти перемикання при постійному інтервалі
провідності ключа (частотно-імпульсний);
зміною частоти перемикання і інтервалу провідності ключа (час-імпульсний).
При цьому регулюється відносний час провідності ключа, що
призводить до плавного зміни середнього значення напруги на навантаженні (у
нашому випадку на якорі ДПТ)
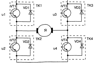
Основним варіантом реверсивного ШІП з виходом на постійному
струмі є мостова схема (рис. 2.3), виконана на чотирьох транзисторних ключах ТК1-ТК4,
шунтуючих діодах.[2]
Рисунок 2.3 - Схема транзисторного широтно-імпульсного
перетворювача
Кожен транзисторний ключ крім вихідних транзисторів містить
передвихідній каскад, блок захисту і управління. Всі ці пристрої не
завантажуються силовим струмом, що протікає через навантаження. Надалі
розглядається методика розрахунку струмів, що протікають тільки через вихідні
транзистори і включені зустрічно-паралельно їм діоди.
У квазіусталеному режимі електромагнітні процеси навантаження
описуються наступними диференціальними рівняннями у відносних величинах:
(2.6)
де А = 1 при двополярній вихідній напрузі, А = 0 - при
однополярній,
.[2]
Середня напруга на виході ШІП визначається з рівнянь:
(2.7)
Струм в якорі містить середню (гладку) складову
і
пульсуючу складову
. Гладка складова струму обумовлена середнім значенням
напруги на якорі і сталою швидкістю обертання:
(2.8)
Рівняння (2.8) одночасно описують і механічні характеристики виконавчої
машини, оскільки момент на валу визначається лише гладкою складової струму.
Як випливає з (2.8) механічні характеристики системи ШІП - двигун
постійного струму являють собою сімейство прямих з постійним кутом нахилу до
осі абсцис перетинають осі ординат при
(за
несиметричного і почерговому керуванні) або при
(при симетричному керуванні).[2]
Таким чином, механічні характеристики системи ШІП - двигун постійного
струму аналогічні механічними характеристиками системи генератор - двигун.
Імпульсне керування двигуном від ШІП практично не спотворює природних
механічних характеристик двигуна.
Величина пульсуючої складової знаходиться з рішення системи рівнянні
(2.9), її узагальнений вираз має вигляд:
(2.9)
Середні та ефективні струми в якорі машини, в силових
транзисторах і діодах і в джерелі живлення можуть бути визначені за спрощеним
виразів, якщо прийняти, що миттєвий струм якоря змінюється за законом:
(2.10)
Моделлю системи може бути модель представлена на рис. 2.4 виконана в
пакеті "Matlab".
Рисунок 2.4 - Функціональна блок схема ШІП
Генератор пиловидних коливань "1" виробляє коливання
пилоподібної форми з періодом рівним періоду комутації транзистора
, і амплітудою рівній "10" форма яких
представлена на рис. 2.5.
Рисунок 2.5 - Сигнал 1 на вході компаратора
Блоки "2" і "3" формують зростаючу в часі
функцію, нахил якої може регулюватися зміною коефіцієнта блоку "3". У
нашому випадку коефіцієнт має бути рівним амплітуді пиловидних коливань.
Передбачається, що формування імпульсів відбувається з мінімального
значення «скважності» прийнятого, наприклад
.
Змінювати початкову частота можна змінюючи значення блоку "4". Із
зростанням часу буде зменшуватися різниця функцій після суматора "5".
Обмеження цього різницевого сигналу за допомогою блоку обмеження "6"
дозволить надалі отримати номінальну частоту.
Вид отриманого різницевого сигналу з обмеженням представлений на рис.
2.6.
Рисунок 2.6 - Сигнал 2 на вході компаратора
Цей сигнал надходить на вхід компаратора "7" спільно з
сигналом від блоку пиловидних коливань. На компаратор ці два сигналу
порівнюються, і в моменти часу коли функції виявляються рівними, компаратор
"7" на виході видає одиничний імпульс. Сигнал з виходу компаратора
показано на рис. 2.7. Розглянуто не весь час пуску, а тільки три періоди
комутації ключа через сильне захаращення графіка.
Рисунок 2.7 Формування імпульсів
За допомогою підсилювача "8" отримані імпульси посилюються до
необхідної величини напруги.
2.2 Досліджувана модель системи електроприводу ШІП-ДПС
Математичною моделлю системи ШІП-ДПС для плавного пуску буде
модель звичайного ДПС, з тією лише різницею, що на якір напруга повинна
подаватися імпульсами зі зростаючою скважністю.
Рисунок 2.8 - Графік перехідного процесу
плавного
пуску ШІП-ДПС
Рисунок 2.9 - Графік перехідного процесу
плавного
пуску ШІП-ДПС
Рисунок 2.10 - Графік перехідного процесу
плавного пуску ШІП-ДПС
Рисунок 2.11 - Графік перехідного процесу
плавного пуску ШІП-ДПС
Рисунок 2.12 - Графік перехідного процесу
плавного пуску ШІП-ДПС
3 ПЛАНУВАННЯ ПОВНОГО ФАКТОРНОГО ЕКСПЕРИМЕНТУ
.1 Постановка задачі
В якості об’єкту дослідження розглянуто систему електроприводу
“Широтно-імпульсний перетворювач - двигун постійного струму” (рис. 3.1).
Рисунок 3.1 - Об’єкт дослідження
де:
- вхідні параметри, що підлягають керуванню; але
, тому опускаємо цей параметр; Pсум, Вт -
параметри оптимізації;
,
,
- параметри, що створюють шуми в системі.
При дослідженні параметрів системи ШІП-Д, як основний критерій
оптимізації, згідно варіанту, прийнято сумарну споживану потужність двигуна.
Під моделлю процесу розуміємо функцію відгуку
.
Сумарна споживана потужність розрахована як
.
3.2 Повний факторний експеримент
Експеримент, в якому реалізуються всі можливі комбінації
факторів, називають повним факторним експериментом (ПФЕ).[3]
При варіюванні факторів на двох рівнях необхідно і достатньо
експериментів, де
-
кількість рівнів;
- кількість факторів.
Побудова плану ПФЕ зводиться до вибору експериментальної точки
симетрично відносно до нульового рівня. Для спрощення запису вводять кодовані
значення:
- + - верхній рівень;
- - нижній рівень.
Ці значення виходять з наступного перетворення:
(3.1)
де
- кодоване значення фактору;
-
натуральне значення фактору;
-
значення фактору у центрі плану;
-
натуральне значення інтервалу варіювання;
-
номер фактору;
План ПФЕ для двох факторів:
,
де
необхідна і достатня кількість дослідів має вид
представлений на рис. 3.2
|
N
|
 y
|
|
|
|
1
|
-1
|
-1
|
y1
|
|
2
|
-1
|
1
|
y2
|
|
3
|
1
|
1
|
y2
|
|
4
|
1
|
-1
|
y4
|
Рисунок - 3.2 Графічне трактування плану експерименту
Як вже було зазначено раніше при дослідженні параметрів
системи широтно-імпульсний перетворювач - двигун постійного струму за критерій
оптимізації прийнято сумарну споживану потужність двигуна.[3,4]
В даному курсовому проекті кількість експериментів дорівнює 4, а
кількість повторних - 3. Точка на вихідній поверхні - центр плану: 
.
Інтервали варіювання знаходяться в діапазоні
,
. Матриця планування експерименту в реальних факторах
має вигляд:


Похибку експерименту моделюємо як нормально розподілену з параметрами:
.
Для оцінки точності експерименту в кожній
й точці факторного простору проводять
дослідів. Це так звані паралельні досліди. В
результаті отримуємо значення
,
досліджуваний параметр, до якого додаємо похибку, яка була викликана оточуючим
середовищем та різними факторами, та знаходимо середнє значення.
План ПФЕ для двох факторів.
для
досліджуваної системи зведений до таблиці 3.1
Таблиця 3.1 - Матриця планування експерименту
|
№ п/п
|
, в.о. ,
в.о. , В ,
В ,  ,
 ,
 ,
|
|
|
|
|
|
|
|
|
1
|
+1
|
+1
|
10,5
|
231
|
248,9844
|
249,1874
|
249,3866
|
249,1861
|
+1
|
-1
|
10,5
|
209
|
249,621
|
249,8240
|
250,0232
|
249,8227
|
|
3
|
-1
|
+1
|
9,5
|
231
|
28,9831
|
29,1862
|
29,3854
|
29,1849
|
|
4
|
-1
|
-1
|
9,5
|
209
|
29,6198
|
29,8228
|
30,0220
|
29,8215
|
Дисперсії відтворюваності, перевірка гіпотез відтворюваності
дослідів здійснюється по критерію Кохрена.
Використовуючи пакет програм статистики Statgraphics plus 5.0
відтворюємо карту Парето приведену на рис. 3.3.
На карті Парето (рис.3.3) добре видно, що фактор
має статистично значуще вплив на проведення
експерименту. Фактор
, а також взаємодія цих двох факторів можуть вважатися
неважливими.[3]
Рисунок 3.3 - Карта Парето регресійної моделі
Рисунок 3.4 - Графічні залежності впливу значимих лінійних
факторів на цільову функцію
Аналіз лінійних і змішаних факторів (рис. 3.4 і 3.5) показує, що
фактори
і
мають:
) протилежні кореляції під впливом значимих лінійних факторів на
цільову функцію (рис. 3.4);
) однакові кореляції під впливом змішаних факторів на цільову
функцію (рис. 3.5).
З графіка взаємодій видно, що фактор
має
більший вплив на проведення експерименту.
Рисунок 3.5 - Вплив змішаних факторів на цільову функцію
Рисунок 3.6 - Поверхня функції відгуку та її контурний графік
Згідно з рис. 3.6 контурний графік свідчить, що мінімальні втрати для
системи ШІП-ДПС спостерігається, коли фактор
знаходиться
між
і за умови, що фактор
в
діапазоні
.
.3 Знаходження коефіцієнтів рівняння регресії
.3.1 Розрахунок коефіцієнтів регресії
Для запобігання систематичних похибок, що спричинені
зовнішніми факторами, рекомендується рандомізація (розташування об’єктів у
випадковому порядку) випробувань, що дозволить виключити систематичні впливи
факторів, що не контролюються.[3,5]
Оцінка коефіцієнтів рівняння регресії розраховуються по
формулі:
(3.2)
де
- середнє значення параметра оптимізації в
-ому вектор-рядку;
-
кількість вектор-рядків;
- кількість факторів.
;
;
;
.
3.3.2 Знаходження дисперсії відтворюваності
Дослід вважається статично відтворюваним, якщо дисперсії вимірювань
функції відгуку у кожній точці експерименту однакові. Така властивість
називається однорідністю дисперсій. Оцінка дисперсії для кожної
ї точки факторного простору визначається по формулі:
(3.3)
де
- середнє значення параметра
в
й строчці;
число паралельних
іспитів;
- значення вихідного
параметра
в
й строчці.
Гіпотезу по відтворюваність дослідів перевіряють за допомогою
критерію Кохрена. Розрахункове значення критерію Кохрена розраховуємо по
формулі:
,
(3.4)
(3.5)
де
- числа степенів вільності дисперсій відповідних
рядків.
Для заданого
за спеціальної таблицею знаходимо
., який дорівнює
,
дисперсія вважається однорідною.
Розрахунок дисперсії відтворюваності:
(3.6)
.3.3 Розрахунок дисперсії коефіцієнтів регресії
Обчислюється дисперсія середнього значення:
(3.7)
де
кількість повторних спостережень у кожному рядку.
Розрахунок дисперсії коефіцієнтів регресії.
(3.8)
де
кількість вектор-рядків.
Звідси похибка коефіцієнтів регресії дорівнює:
(3.9)
.3.4 Перевірка значимості коефіцієнтів регресії
Для кожного коефіцієнту обчислюємо статистику
(3.10)
(3.11)
(3.12)
(3.13)
(3.14)
Якщо виконується умова
,
то коефіцієнт статистично значимий:
;
;
;
. (3.14)
Лінійна модель адекватна, тому що коефіцієнт взаємодії
не значимий
.
На рис. 3.7 представлена поверхнева функція відгуку лінійної моделі.
Рисунок 3.7 - Поверхня функції відгуку
.3.5 Перевірка моделі за критерієм Фішера
Визначаємо ступені свободи:
(3.15)
(3.16)
де n - Кількість експериментів (5);
m - Кількість факторів (2).
Рівняння для визначення критерію Фішера:
(3.17)
де Yср - середнє значення відгуку;
Yx -
значення координати дослідження отримано з регресійного рівняння при підставці
у нього значень факторів.
Перевірка адекватності моделі за критерієм Фішера Fтаб=19.3:
За отриманими даними робимо висновок, що моделі цілком та повністю
адекватна.
ВИСНОВКИ
В ході виконання даного курсового проекту була складена математична
модель системи електроприводу на базі щиротно-імпульсний перетворювач напруги -
двигун постійного струму незалежного збудження з регулюванням напруги на якорі
та обмотці збудження. По відомим параметрам електроприводу були розраховані
невідомі, які використовувались при моделюванні. Виконане імітаційне
моделювання роботи електропривода зі зміною напруги на якорі (
) і обмотці збудження (
)
при заданому моменті навантаження (
),
та досліджена сумарна споживана потужність з урахуванням імітації похибки
вимірювання. Для цього до кожного значення сумарної споживаної потужності
додано похибку
за допомогою генератора випадкових чисел.
Далі, згідно з планом до курсового проекту, було складено та проведено
план ПФЕ
. Отримано матрицю планування експерименту, де
зазначено величину напруги на якорі та обмотці збудження у відносних та
абсолютних величинах і параметр оптимізації, сумарна споживана потужність, при
різних значеннях похибки вимірювання. За допомогою програмного пакету
Statgraphics plus 5.0 було побудовано карту Парето, яка характеризує величину
впливу на систему вхідних параметрів.
За отриманими експериментальними даними оцінено коефіцієнти лінійної
моделі
. Перевірено статистичну значимість коефіцієнтів, для
чого було:
) обчислено оцінку дисперсії відтворення (параметра оптимізації);
) обчислено оцінку дисперсії середнього значення;
) обчислено оцінку дисперсії коефіцієнтів регресії;
) перевірено статистичну значимість коефіцієнтів за критерієм
Ст’юдента.
Проведено рототабельне центральне композиційне планування,
яке складається з плану ПФЕ
- основа плану, та доповненими дослідами в центрі плану та
дослідами від центру плану на відстані зіркового плеча. Загальна кількість
дослідів дорівнює дев’яти. Отримано нову матрицю планування експерименту для
РЦКП, розроблена Карта Парето регресійної моделі, яка характеризує вплив
кожного фактору на сумарну споживану потужність двигуна.
При обробці результатів розрахунків експерименту було отримано
рівняння регресії. Обробка отриманих рівнянь регресії дозволила представити
отримані дані графічно - отримати поверхню відгуку зміни досліджуваного
параметру від змінних чинників.
Графічна обробка математичних поліномів дозволяє вивести
оптимальні параметри здобуття необхідної величини сумарних втрат в обмотках
двигуна, що володіє необхідними властивостями.
Аналіз рівняння регресії при двох змінних дозволяють оцінити
поверхню відгуку на основі вивчення значень коефіцієнтів регресії. Визначальним
фактором, що впливає на параметр, який оптимізуються, є величина напруги на
обмотці збудження.
ПЕРЕЛІК ПОСИЛАНЬ
1. Монтгомери Д.К.
Планирование эксперемента и аналіз даннях: Пер. с англ. - Л.: Судостроение,
1980.-384с., ил.
. Герман-Галкин С.Г.
Компьютерное моделирование полупроводниковых систем в Matlab 6.0.:Учебное
пособие. - СПб.:КОРОНА, 2011-381с.
. Конспект лекцій з
дисципліни: “Теорія планування експерименту”, Сидоренко В.М., 2010.
. Шкляр В.Н.
Планирование эксперимента и обработка результатов. /Конспект лекций для
магистров по направлению 220200 “автоматизація и управление в технических
(мехатронных системах) системах”. - Издательство Томского политехнического
университета, 2010.
. Спирин Н.А., Лавров
В.В. Методы планирования и обработка результатов інженерного эксперимента.
Конспект лекций (отдельные главы из учебника для ВУЗов). - Екатеринбург, 2004.