Аналоговые электронные устройства
РЕФЕРАТ
Курсовой проект 51 с., 12 рис., 5 источников.
ИМПУЛЬСНЫЙ УСИЛИТЕЛЬ, ВРЕМЯ УСТАНОВЛЕНИЯ, СПАД ПЛОСКОЙ ВЕРШИНЫ ИМПУЛЬСА,
КОЭФФИЦИЕНТ УСИЛЕНИЯ, ЭМИТТЕРНЫЙ ПОВТОРИТЕЛЬ, РЕГУЛИРОВКА УСИЛЕНИЯ,
ТЕРМОСТАБИЛИЗАЦИЯ.
Объектом исследования является усилительное устройство как один из
классов аналоговых электронных устройств.
Цель работы - практическое ознакомление с методами проектирования
импульсных усилителей при составлении и расчете схемы измерительного усилителя.
Анализ усилительных устройств возможен во временной и в частотной
области. При проектировании импульсных усилителей основную роль играют
переходные искажения, поэтому решение будем производить с помощью известных
временных характеристик, основываясь на их связи с частотными показателями
приборов.
Курсовой проект выполнен с использованием математического пакета MathCad 15. Пояснительная записка оформлена
с помощью текстового редактора Microsoft Word 2013.
Содержание
1. Введение
. Общие вопросы проектирования
.1 Возможные решения поставленной задачи
.2 Выбор и обоснование структурной схемы
.3 Требования к входному сопротивлению усилителя
. Расчет усилителя
.1 Оконечный каскад
.1.1 Определение режима транзистора
.1.2 Расчет параметров транзистора
.1.3 Характеристики каскада
.1.4 Цепи питания и термостабилизация
.2 Предоконечный каскад - повторитель
.2.1 Обоснование выбранного режима транзистора
.2.2 Параметры эквивалентной схемы транзистора
.2.3 Основные показатели каскада
.2.4 Расчет термостабилизации
.3 Промежуточный каскад усиления
.3.1 Выбор режима транзистора
.3.2 Параметры эквивалентной схемы транзистора
.3.3 Основные показатели каскада
.3.4 Расчет термостабилизации
.4 Входной каскад
.4.1 Обоснование выбранного режима
.4.2 Параметры эквивалентной схемы транзистора
.3.3 Основные показатели каскада
.4.4 Расчет термостабилизации
.5 Входная цепь
. Регулировка усиления.
. Результирующие характеристики
.1 Коэффициент усиления
.2 Параметры усилителя в области малых времен
.3 Расчет параметров в области больших времен
. Расчет запаса устойчивости усилителя
. Заключение
Список использованных источников
Приложение А
Приложение Б
Приложение В
1. Введение
При
проектировании усилительных устройств решают ряд задач, связанных с
составлением схемы, наилучшим образом удовлетворяющей поставленным требованиям
технического задания, с расчетом этой схемы на основании выбранных параметров и
режимов работы ее элементов. Целью данной курсовой работы является
проектирование импульсного усилителя. Основное внимание при проектировании ИУ
обращается на сохранение формы усиливаемого сигнала. Специфическими для ИУ
являются искажения формы импульса, характеризующиеся временем установления
фронта
, выбросом переходной характеристики
и спадом плоской вершины
. Использование известной связи между
и
и
граничными частотами
и
позволяет проектировать ИУ частотным методом.
Многообразие
назначений усилителей порождает различия в требованиях, которым должен отвечать
усилитель в том или ином случае. Так, например, измерительный усилитель должен
удовлетворять очень жестким требованиям, которые находят отражение в ТЗ. В
связи с этим усилители могут различаться между собой как по числу активных
элементов и особенностям электрической схемы, так и по конструкции. Несмотря на
это можно наметить некоторую общую линию, которой представляется удобным
придерживаться при проектировании усилителей.
Проектирование
многокаскадного усилителя характеризуется в первую очередь тем, что решение не
является однозначным. В связи с этим возникает задача выбора оптимального
варианта. Решая вопрос о том, какому варианту следует отдать предпочтение,
необходимо, выполняя электрический расчет, принимать во внимание также и
дополнительные соображения, которые связаны главным образом с условиями его
эксплуатации.
Общей
задачей проектирования является отыскание наиболее простого, экономичного
решения. Сложность проектирования как раз и заключается в том, чтобы найти это
относительно простое решение.
При
проектировании усилителя задачу выбора схемы и параметров отдельных каскадов
следует рассматривать как частную, подчинив ее общей задаче - выполнению
технических требований к усилителю в целом. Поэтому рационально, исходя из
общих технических требований, формулировать частные технические условия к
отдельным каскадам усилителя или к усилительным секциям и вести их расчет на основании
этих частных условий, которые должны находиться в определенной связи друг с
другом [2].
2. Общие вопросы проектирования
.1 Возможные решения поставленной задачи
Принципиальные схемы усилителей импульсных сигналов практически не
отличаются от схем усилителей гармонического сигнала. Однако, есть некоторые
отличия.
Во-первых, они выбираются по допустимому изменению формы усиливаемых
сигналов. Это связано с тем, что искажения импульсного сигнала в идентичных
схемах, например, усилительных каскадах, реализованных на биполярных и полевых
транзисторах, заметно различаются. Объясняется это различной внутренней
структурой самих приборов и различным характером их работы в импульсном режиме.
Во-вторых, анализ импульсных усилителей существенно отличается от анализа
усилителей гармонических сигналов. Например, оценка искажений при усилении
импульсных сигналов по существу сводится к анализу переходных процессов,
протекающих в импульсных усилителях. По переходной характеристике усилителя с
помощью интеграла Дюамеля можно определить форму напряжения на выходе
импульсного усилителя при действии на его входе как простого, так и сложного
сигнала.
Анализ импульсного усилителя заключается в определении формы выходного
сигнала и его искажений. Когда известны искажения фронта, среза и вершины
импульса, устанавливается связь между этими искажениями и параметрами
усилителя, и находятся соответствующие аналитические соотношения, с помощью
которых определяются элементы импульсного усилителя по допустимым искажениям
сигналов. При этом следует иметь в виду, что точность полученных результатов
будет заметно уступать точности анализа с помощью АЧХ усилителей, так как
параметры транзисторов сильно изменяются с изменением токов, особенно когда
характер изменения токов импульсный. При значительных амплитудах импульсного
тока транзистора параметры его изменяются так сильно, что он становиться
абсолютно нелинейным элементом, для которого преобразование Лапласа
неприменимо. Поэтому анализ такого усилителя становиться весьма трудной, а порой
и неразрешимой инженерной задачей, так как точные и строгие методы определения
переходных процессов в нелинейных цепях пока отсутствуют.
Тем не менее, возможно провести решение задачи проектирования импульсного
усилителя на основании известного математического аппарата и при этом
определяющим моментом является правильный выбор транзистора.
Из всего множества приборов для усиления импульсных сигналов применяют
специальные транзисторы, имеющие высокую граничную частоту (высокочастотные и
сверхвысокочастотные). Это сильно сужает круг поиска усилительного элемента. В
силу того, что расчет в большинстве случаев выгодно начинать с выходного
каскада, вторым критерием при выборе является обеспечение требуемого размаха
выходного напряжения (и, соответственно, тока) на характеристиках транзистора,
обращая внимание при этом на предельно допустимые условия эксплуатации прибора.
После предварительного выбора целесообразно оценить качество
рассчитываемой схемы с точки зрения разнообразия комплектующих деталей и возможной
их унификации.
Транзистор
КТ369 является высокочастотным, имеет большое значение
, имеет хороший запас по току и напряжению с точки
зрения выходных характеристик, но в тоже время он имеет большое значение
ёмкости коллекторного перехода.
Простое
решение получается при использовании в выходном каскаде транзистора КТ607А-4,
он полностью удовлетворяет всем предъявляемым требованиям, но имеет
бескорпусное оформление.
Такие
приборы, как КТ610Б и КТ911А имеют хорошие частотные свойства, но обладают одни
недостатком: они выполнены с полосковыми выводами и монтажным винтом. Кроме
того, расчёт показывает, что на выходном каскаде будет большая входная
динамическая ёмкость и время установления фронта. Тем более, что КТ911А при том
же напряжении имеет большее значение ёмкости коллекторного перехода, чем
КТ607А-4.
Подводя
итоги, можно сказать, что наиболее приемлемым по всем основным принципиально
важным показателям является транзистор КТ607А-4. Все расчетные соотношения,
поясняющие критерии выбора прибора, будут приведены ниже в процессе расчета
схемы.
Следует
отметить, что режим работы при слабых сигналах выбирают, главным образом, для
получения определенной величины усилительных параметров и обеспечения
экономичности питания. В этом случае используется очень малый участок
динамической характеристики. Достаточно определить положение исходной рабочей
точки и соответствующие ей рабочие значения токов и напряжений. Поэтому в
качестве усилительного элемента для всех каскадов, кроме выходного и
предоконечного можно использовать транзистор КТ339А. В предоконечном каскаде
можно оставить КТ607А-4, поскольку есть небольшой запас на нагрузочной прямой.
Для
полного и точного выполнения расчета схемы усилителя и ее параметров необходимо
иметь максимум информации о транзисторе. Именно по этой причине в справочном
приложении приведены различные зависимости. Статический коэффициент передачи
тока в схеме с ОЭ можно определить по графику, либо по формуле [2]:
.
Все
же главное значение имеют входные и выходные характеристики транзисторов.
усилитель
каскад питание термостабилизация
2.2 Выбор и обоснование структурной схемы
Выбором транзистора КТ607А-4 в качестве усилительного прибора для
выходного и предоконечного и КТ339А для остальных каскадов, определяется
специфика построения схемы усилителя. Тем не менее, существуют общие методы при
решении вопроса построения структурной схемы. Главными критериями в этом случае
должны стать исходные данные, представленные в техническом задании. Так,
например, полярность импульсов на входе положительная, а на выходе
отрицательная. В этом случае следует применять нечетное число каскадов, так как
при часто используемом включении транзистора с общим эмиттером (ОЭ) происходит
изменение фазы.
Для ориентировочного определения числа каскадов необходимо знать
коэффициент усилиления. Амплитуда входного сигнала равна
, а выходного
. Таким образом, коэффициент усиления
c учетом входной цепи усилителя равен:
.
Тогда
по формуле, приведенной в [1], число каскадов:
.
Прежде
чем построить структурную схему усилителя, нужно отметить следующее.
Специальное рассмотрение входного и выходного каскадов отдельно от
промежуточных связано с тем, что первый проектируется так, чтобы обеспечить
заданные входные параметры усилителя, второй - выходное напряжение на нагрузке.
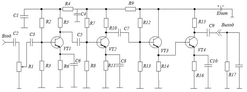
Все изложенное обобщает схема, представленная на рисунке 2.1.
Рисунок 2.1 - Обобщенная структурная схема усилителя
Попытаемся более конкретно сформулировать основные требования к различным
каскадам и усилителю в целом и тем самым построить структурную схему усилителя,
содержащую максимум информации о рассчитываемой схеме.
Для многокаскадных импульсных усилителей время установления фронта равно:
.
Результирующее
установление фронта импульса, установленное непосредственно на усилитель,
напрямую не задано, поэтому может быть определено следующим образом:
.
Искажения
в области больших времен, образующиеся за счет разделительных и блокировочных
цепей, будут рассмотрены на заключительном этапе проектирования. Это можно
обосновать тем, что наличие тех или иных емкостей обуславливается конкретной
структурой схемы отдельного каскада, и выбор номиналов подчиняется этим же
законам, то есть ограничений с точки зрения общей структуры здесь нет .
В
связи с возможным разбросом номиналов элементов и параметров транзисторов
необходимо обеспечить запас не только для коэффициента усиления, но и по
основным характеристикам усилительного устройства в 1,2-1,5 раза [1]. Тем не
менее, запас должен иметь разумные пределы. Так, например, излишне широкая
полоса пропускания нежелательна с точки зрения вредного влияния шумов и помех.
Разделяя
все рассмотренные показатели на отдельные каскады, можно, проводя эскизный
расчет схемы, выдвинуть ряд предложений:
-используем сочетание
усилительных каскадов с повторителями для двух целей. Во-первых, вследствие
больших искажений определенных на выходной каскад, необходимо предъявить более
жесткие требования к остальным каскадам усилителя. Во-вторых, общий спад,
обусловленный техническим заданием мал (на довольно большую длительность
импульсов), а при использовании схемы ОК-ОЭ можно обойтись без разделительной
емкости;
-малая величина
постоянной времени на высоких частотах, большое входное сопротивление,
значительно меньшая, по сравнению с усилительным каскадом, входная емкость,
позволяют путем введения дополнительного буферного каскада, коим является
эмиттерный повторитель, существенно улучшить частотные свойства усилительного
каскада, и, соответственно, решить задачу запаса на величину
(как показывает предварительный расчет, можно
обойтись без коррекции).
-для снижения
искажений в области больших времен (не главная задача) и обеспечения требуемого
режима усилительных приборов (развязка по питанию) можно поставить фильтр.
Таким образом, параллельно будут решены еще две задачи: устранение паразитной
обратной связи через внутреннее сопротивление источника питания (путем
соответствующего выбора емкости фильтра) и получение смешанной схемы
стабилизации. Последнее выгодно с точки зрения стабилизации тока основных
носителей.
Касаемо
обеспечения требуемого режима усилительного элемента, то здесь идет речь о том,
что вспомогательная цепь, которой в данном случае может выступать резистор в
цепи эмиттера, не должна потреблять большую энергию от источника питания, чем
основная (усилительная). Поэтому большая величина этого сопротивления не
требуется. К тому же количество элементов схемы при наличии фильтра уменьшается,
что обеспечивает меньшую стоимость усилителя, более высокую стабильность и
устойчивость в смысле сохранения всех начальных показателей в пределах нормы в
процессе эксплуатации.
При
выборе сопротивления в цепи коллектора нужно учитывать ряд факторов. Так, например,
одним из критериев для выбора
является
обеспечение максимального КПД. Зачастую это требование не отвечает другой, не
менее важной, зависимости. Имеется в виду увеличение постоянной времени на
верхних частотах с ростом эквивалентного сопротивления нагрузки. При увеличении
возрастает коэффициент передачи и, соответственно,
входная динамическая емкость каскада. Таким образом, необходимо найти
компромисс на основании имеющегося математического аппарата.
Рисунок 2.2 - Структурная схема усилителя
2.3 Требования к входному сопротивлению усилителя
Измерительные
усилители получили широкое распространение в различном радиотехническом
оборудовании. Поэтому в зависимости от того, где они используются к
предъявляются различные требования:
если
усилитель предназначен для работы от высокоомного датчика с
порядка сотен кОм, то необходимо обеспечить
в несколько МОм (за счет использования каскадов на
полевых транзисторах);
в
случае, когда усилитель работает от выхода приемника, выходное сопротивление
детектора которого несколько кОм, требуются десятки кОм (следует учитывать
также, что
должна быть значительно меньше
детектора);
необходимо
использовать усилитель в качестве измерительного в телевизионной технике, тогда
используется кабель с
и, соответственно, входное сопротивление должно быть
примерно тем же.
Таким образом, основным показателем при выборе входного сопротивления
усилителя является получение по возможности наиболее близкого к единице
коэффициента передачи входной цепи. Однако для согласования с фидерной линией
выбираются другие критерии (пример 3). То есть в этом случае (работа в
согласованном тракте передачи) необходимо согласование волнового сопротивления
коаксиального кабеля с входным сопротивлением усилителя (предполагается, что на
передающем конце кабеля согласование обеспечено).
В виду того, что техническое задание не предусматривает работу схемы в
согласованном тракте по входу (т.е. равенство входного сопротивления усилителя и
внутреннего сопротивления источника сигнала), то требования к входному
сопротивлению необходимо сформулировать самостоятельно. Сопротивление входного
каскада сделаем таким, чтобы коэффициент передачи входной цепи был максимален,
при допустимых искажениях в области малых времен.
3. Расчет усилителя
.1 Оконечный каскад
.1.1 Определение режима транзистора
Обычно расчет оконечного каскада начинается с выбора транзистора. Так как
ранее уже был определен тип используемого прибора (в том числе и для выходного каскада),
остается только проверить выполнение некоторых соотношений, связанных в первую
очередь с потенциальными возможностями транзистора при работе его в тех или
иных условиях, а также его частотные свойства.
Допустим,
что выходной каскад вносит искажения, определяемые как:
. В этом случае
и
условие
выполняется.
При
скважности сигнала
более 100 (одиночные импульсы), на выходе мы имеем
. Значит и неравенство
справедливо
для выбранного типа транзистора.
Величина
максимального постоянного тока коллектора
также с
довольно хорошим запасом подходит для заданной нагрузки
[1].
В
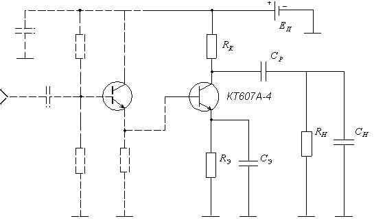
качестве базовой схемы выбираем усилитель на сопротивлениях рисунок 3.1.
Рисунок
3.1 - Схема выходного каскада
Необходимость
применения эмиттерного повторителя (изображен пунктиром) будет обоснована
дальнейшим расчетом. На данном этапе следует рассчитать режим работы
транзистора в схеме путем соответствующего выбора резисторов каскада и
напряжения источника питания. Задающим в этом случае можно считать
сопротивление в цепи коллектора. Выбор
можно проводить с использованием различных критериев.
В нашем случае мы выбираем
исходя
из необходимого усиления, возьмем
.
равен
то есть, имеем дело с согласованным выходом.
Эквивалентное сопротивление нагрузки при , равно:
Поскольку скважность большая ток покоя, возьмем из диапазона (3…10) мА
[1].
Напряжение
на коллекторе в рабочей точке определяем, исходя из известного значения
и запасом на термостабилизацию 1 В.
,
По
статическим характеристикам транзистора, приведенным в приложении А, определяем
и
.
Напряжение
источника питания:
Для того, чтобы подогнать напряжение источника питания к стандартной
величине 12 В, установили падение напряжения на
эмиттере 1,5 В. Таким образом, напряжение источника питания не превышает
значение предельно допустимого напряжения коллектор-эмиттер и нет причин, в
силу которых следовало бы отказаться от использования транзистора КТ607А-4 в
выходном каскаде. На рисунке 3.2 показан режим работы транзистора. Поставленную
задачу можно решать графическим методом, но при этом нельзя забывать о наличии
неточностей при построении нагрузочной прямой и характеристик транзистора.
Рисунок 3.2 -
Режим выходного каскада
3.1.2 Расчет параметров транзистора
Определим необходимые для дальнейших расчетов параметры транзистора в
рабочей точке. Воспользуемся эквивалентной схемой, приведенной на рисунке 3.3
[1].
Рисунок 3.3 - Эквивалентная модель биполярного транзистора
Основные расчетные соотношения:
.
Входное
сопротивление транзистора переменному току можно определить по аналитическому
выражению, определяемому эквивалентной схемой, но более точно и надежнее
определить
по входной характеристике. По формуле (3.4) имеем:
.
Коэффициент
передачи тока базы определяется как отношение приращения
к
(по
графическим характеристикам):
.
Крутизна
характеристики в этом случае можно определить по следующей формуле (3.6):
.
Для
расчета объемного омического сопротивления базы по формуле (3.7) нужно
воспользоваться необходимыми значениями величин, указанных в справочнике [].
.
Пересчет
емкости коллекторного перехода ведем по формуле (3.8). Значение необходимого
напряжения берем в середине импульса, а не в рабочей точке, потому как по мере
нарастания значение емкости существенно увеличивается.
.
Ввиду
того, что для следующего каскада также выбран транзистор КТ607А-4, то некоторые
из рассчитанных в этом пункте величин будут использованы в дальнейшем.
Граничную частоту усиления по току транзистора с ОЭ найдем по формуле
(3.9):
.
3.1.3 Характеристики каскада
Коэффициент усиления каскада для сильного сигнала можно считать
графически, либо по формуле:
.
Частотные свойства каскада характеризуются постоянной времени на верхних
частотах, которая в свою очередь связана со временем установления импульса:
;
.
Входная динамическая ёмкость определяется по формуле:
.
Подставляя численные значения получим:
.
;
;
.
3.1.4 Цепи питания и термостабилизация
Наиболее
широкое распространение получила схема эмиттерной термостабилизации. При
определении напряжения источника питания, было принято решения о том, что
падение напряжения на сопротивлении в цепи эмиттера должно быть равным
. Тогда номинал стабилизирующего резистора можно
определить с помощью выражения:
.
Сопротивлением
в данной схеме (рисунок 3.1) будет величина:
.
В техническом задании задан диапазон температур, в котором усилитель
должен обеспечивать стабильную работу. Определим степень ухода рабочей точки
при изменении температуры в заданном диапазоне. Для этого будем
руководствоваться [1] и используем следующие формулы:
,
где
- мощность, рассеиваемая на коллекторе;
-
тепловое сопротивление «переход-среда».
,
где
- постоянная рассеиваемая мощность в миллиамперах;
-
температура перехода;
-
температура окружающей среды.
Мощность,
рассеиваемая на коллекторном переходе в статическом режиме:
.
Разность
между температурой коллекторного перехода
и
справочным значением этой температуры:
.
Приращение тока коллектора, вызванного тепловым смещением проходных
характеристик:
,
где
- приращение напряжения за счет теплового смещения характеристик.
,
где
- температурный коэффициент напряжения, равный
.
Изменение
обратного (неуправляемого) тока коллектора:
,
где
- коэффициент показателя, для кремниевых транзисторов
равен 0,13.
Приращение
тока коллектора вызванное
:
.
Приращение
коллекторного тока, вызванного изменением
,
определяется соотношением:
.
где
,
Общий
уход коллекторного тока транзистора с учетом схемы термостабилизации
определяется следующим выражением:
.
При
использовании эмиттерной схемы термостабилизации, коэффициенты
и
соответственно
равны:
;
,
где
- крутизна транзистора для стабилизации режима по
постоянному току.
.
Приступаем
к непосредственному расчету температурной стабильности рабочего режима
выходного каскада усилителя. В соответствии с требованиями ТЗ усилитель должен
работать в диапазоне температур
.
Мощность, рассеиваемая на коллекторе:
;
;
.
.
Определяем
приращение напряжения:
;
.
Зная
элементы схемы, можно рассчитать коэффициенты термостабилизации по формулам
(3.27) и (3.28):
;
.
Значение
, приводимое в справочной литературе, представляет
собой сумму тепловой составляющей и поверхностного тока утечки. Для данного
транзистора в справочнике приведено 2 значения
, поэтому
расчет будем вести по следующим формулам [6].
;
;
;
;
;
.
Окончательное
значение получим по формуле (3.26):
;
.
На
выходных характеристиках (рисунок 3.3) можно показать, что такой уход тока не
приведет к нежелательным явлениям. Можно также оценить относительный уход
стабилизированного тока коллектора
;
.
Подводя
итоги, можно сказать, что расчеты проводились по довольно грубым оценкам, но в
сторону ухудшения показателей. Тем не менее, уход коллекторного тока составил
в сторону увеличения и
в
сторону уменьшения.
3.2 Предоконечный каскад - повторитель
.2.1 Обоснование выбранного режима транзистора
Исходные
данные для расчета:
.
Большая
входная динамическая емкость выходного каскада, являющаяся емкостью нагрузки
для предоконечного каскада, не позволяет использовать усилительный каскад,
вследствие больших искажений на высоких частотах. Поэтому применена схема
эмиттерного повторителя, изображенная на рисунке 3.4.
Рисунок
3.4 -Схема предоконечного каскада.
Выходным
напряжением повторителя является входное напряжение оконечного каскада:
.
Поскольку транзистор остался прежний, рабочая точка осталась неизменной.
,
;
,
.
В
процессе проектирования усилителя было установлено, что включение в схему
фильтра не целесообразно, поскольку на данном этапе сопротивление фильтра
получается небольшим, его стабилизирующее влияние на схему не значительно.
Исходя из этого зададим напряжение на эмиттере
В.
;
;
.
3.2.2 Параметры эквивалентной схемы транзистора
На основании (3.4) - (3.9) можно определить основные параметры работы
транзистора в схеме. Некоторые из них сохранили свое прежнее значение.:
Входное сопротивление транзистора определим графически по углу наклона
касательной в рабочей точке:
Рисунок 3.5 - Определение входного сопротивления графическим методом
Несмотря на то, что входное сопротивление определено графическим методом
было бы неправильным получение очень точного результата по довольно грубым
характеристикам. Определение входного сопротивления по аналитическому выражению
при заданных рабочих токах дает значительную ошибку.
Параметр
известен и равен 50. Тогда крутизна характеристики
будет равна:
.
Величина
осталась неизменной и равна 4,5 Ом.
.
Граничная
частота не изменилась
.
.2.3 Основные показатели каскада
Расчет каскада с ОК будем вести по рекомендуемой в [1] методике. В первую
очередь определяем эквивалентное сопротивление нагрузки:
.
Рассчитываем
глубину последовательной ООС по напряжению:
.
Проводим расчет каскада в области ВЧ (без учета обратной связи) по
формуле (3.11), но без второго слагаемого (так как нагрузку перебросили в эмиттер):
.
Определяем
усиление каскада:
.
Под влиянием обратной связи (ОС) уменьшится значение постоянной времени
цепи и время установления:
;
.
Найдем
входное сопротивление каскада. Под действием ОС оно увеличится в глубину ОС.
;
.
Тогда
входное сопротивление можно найти по следующей формуле:
.
Значение
входной динамической емкости уменьшится, что дает возможность использовать ее в
последующих каскадах:
.
3.2.4 Расчет термостабилизации
Расчет будем проводить аналогично пункту 3.14. Для этогобудем
пользоваться формулами (3.16)-(3.26).
В
рассматриваемом каскаде предложена схема стабилизации режима работы транзистора
с комбинированной отрицательной обратной связью по постоянному току. И,
соответственно, расчетные соотношения для коэффициентов
и
будут
другими. Необходимые аналитические соотношения можно найти в [2].
;
.
Приступим к расчету температурной стабильности каскада. Большинство
параметров не изменились, поскольку транзистор и его рабочая точка остались
прежними, но для наглядности приведем их значения.
;
;
;
.
Определяем
приращение напряжения:
;
.
Рассчитаем
коэффициенты термостабилизации по формулам (3.40) и (3.41):
;
.
Ориентируясь
на справочные данные транзистора определяем:
;
;
;
;
;
.
Окончательное
значение получим по формуле (3.26):
;
На
выходных характеристиках (рисунок 3.1.3) можно показать, что такой уход тока не
приведет к нежелательным явлениям. Можно также оценить относительный уход стабилизированного
тока коллектора:
;
.
По сравнению с выходным каскадом, уход коллекторного тока больше.
Возможно причина в том, что в каскаде используется мощный транзистор, который имеет
большой обратный ток коллектора.
3.3 Промежуточный каскад усиления
.3.1 Выбор режима транзистора
Исходные
данные для расчета:
,
.
.
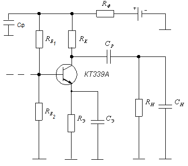
Схема каскада представлена на рисунке 3.6. Для данного каскада необходимо
выбрать маломощный транзистор.
Предельно допустимое напряжение:
.
Предельно
допустимый ток коллектора:
.
Данным
требованиям удовлетворяет транзистор КТ339А.
Рисунок
3.6 - Схема предварительного каскада усиления
Как
рекомендуется в литературе режим работы транзисторов при слабых сигналах
выбирают на основании справочных данных, то есть для получения стандартных (в
большинстве случаев оптимальных) характеристик транзистора. Обычно для
маломощных ВЧ и СВЧ транзисторов
и
[1].
Рабочая
точка:
,
;
,
.
Рисунок
3.7 - Режим работы транзистора
3.3.2 Параметры эквивалентной схемы транзистора
По формулам (3.4)-(3.9) найдем основные параметры транзистора.
;
;
;
;
;
.
.3.3 Основные показатели каскада
Разделим
необходимое усиление на оставшиеся 2 каскада. При этом возьмём усиление с
небольшим запасом. Исходя из того что нам необходимо обеспечить усиление
, определяю эквивалентное сопротивление нагрузки по
следующей формуле:
.
Тогда
будет равно:
.
Расчет показывает, что напряжение источника питания для промежуточных
каскадов получается значительно меньше, чем для оконечного каскада. Чтобы
питать все каскады усилителя от одного источника питания, промежуточные каскады
следует подключать к нему через фильтрующую цепь, служащую, кроме того, для
устранения паразитной ОС через источник питания.
Номиналы фильтрующей цепи определяются следующим образом:
;
;
.
где
- подъем плоской вершины в середине импульса;
-
длительность импульса
Установим
напряжения на эмиттере
равное 1,4 В.
.
Через
цепь фильтра будут протекать два тока: ток, входного каскада и ток промежуточного.
Обобщая вышеизложенное получаем:
;
;
.
С
целью улучшения развязки по питанию цепь базового делителя включена после
фильтрующей цепи
;
.
Входное сопротивление каскада:
;
;
;
.
3.3.4 Расчет термостабилизации
В схеме каскаде применена эмиттерная термостабилизация, поэтому при
расчете будем пользоваться формулами (3.16)-(3.29).
Мощность, рассеиваемая на коллекторе:
;
;
;
.
Расчет
показывает положительные значения
, значит
при обеспечении необходимой стабильности режима при увеличении температуры
окружающей среды, отпадает смысл расчета условий на понижение температуры, так
как направление ухода тока коллектора будет тем же («вверх» на нагрузочной
прямой по постоянному току), а величина меньше.
Определяем
приращение напряжения:
.
Вычисление
крутизны транзистора по формуле (3.28) является затруднительным, поэтому будем
использовать формулу из [1].
Рассчитываем
коэффициенты термостабилизации по формулам (3.27) и (3.28):
;
;
.
Поскольку
обратный ток коллектора указан в [3] лишь для одной температуры, вычисления
производятся по формуле:

;
;
.
Окончательное
значение получим по формуле (3.26):
.
На
выходных характеристиках (рисунок 3.1.3) можно показать, что такой уход тока не
приведет к нежелательным явлениям. Можно также оценить относительный уход
стабилизированного тока коллектора:
.
Подводя итоги, можно сказать, что расчеты проводились по довольно грубым
оценкам (без учета стабилизирующего влияния фильтра), но полученный результат
вполне допустим.
3.4 Входной каскад
.4.1 Обоснование выбранного режима
Исходные
данные для расчета:
,
.
.
Схема каскада представлена на рисунке 3.8.
Рисунок 3.8 - Схема входного каскада
Как видно из схемы, данный каскад полностью повторяет предыдущий.
Большинство характеристик, а также транзистор остались прежними. Назначение
данного каскада - обеспечение нужной полярности напряжения на выходе, так как
обеспечить требуемое усиление можно было ранее.
Рабочая точка:
,
;
,
.
.4.2 Параметры эквивалентной схемы транзистора
;
;
;
;
;
.
3.3.3 Основные показатели каскада
Исходя
из того что нам необходимо обеспечить усиление
,
определим эквивалентное сопротивление нагрузки:
.
Тогда
будет равно:
.
Каскад будет питаться через фильтрующую цепь.
Установим
напряжения на эмиттере
равное 1 В.
.
Через
цепь фильтра будут протекать два тока: ток, входного каскада и ток
промежуточного. Обобщая вышеизложенное получаем:
;
;
.
С
целью улучшения развязки по питанию цепь базового делителя включена после
фильтрующей цепи:
;
.
Входное сопротивление каскада:
;
;
;
.
.4.4 Расчет термостабилизации
Как и в предыдущем каскаде здесь применена эмиттерная термостабилизация,
поэтому при расчете будем пользоваться формулами (3.16)-(3.29) и некоторыми
известными данными.
Мощность, рассеиваемая на коллекторе:
;
;
;
.
Расчет
показывает положительные значения
, значит
при обеспечении необходимой стабильности режима при увеличении температуры
окружающей среды, отпадает смысл расчета условий на понижение температуры, так
как направление ухода тока коллектора будет тем же («вверх» на нагрузочной
прямой по постоянному току), а величина меньше.
Определяем
приращение напряжения:
.
Крутизна
транзистора по постоянному току определена ранее:
.
Рассчитываем
коэффициенты термостабилизации по формулам (3.27) и (3.28):
;
.
Обратный
ток коллектора определен ранее:
;
;
;
.
Окончательное
значение получим по формуле (3.26):
.
На
выходных характеристиках (рисунок 3.1.3) можно показать, что такой уход тока не
приведет к нежелательным явлениям. Можно также оценить относительный уход
стабилизированного тока коллектора
.
3.5 Входная цепь
Исходные
данные для расчета:
,
. Схема
входной цепи приведена на рисунке 3.9.
Рисунок 3.9 - Схема входной цепи
Коэффициент передачи входной цепи:
.
Искажения, создаваемые входной цепью на верхних частотах:
;
.
4. Регулировка усиления
По условию ТЗ усилитель должен обеспечивать динамический диапазон входных
сигналов 20 дБ. Т. е. амплитуда входных сигналов меняется от 5,5 мВ до 55 мВ.
Схема регулировки усиления должна позволять изменять коэффициент усиления в
зависимости от приходящего на вход сигнала. При этом накладывается требование
не превышения заданного уровня линейных искажений сигнала. Проведём краткий
сравнительный анализ двух основных схем регулировок усиления: регулировка
обратной связью и потенциометрическую регулировку.
Схема регулировки обратной связью улучшает частотную характеристику
усилителя, увеличивает входное сопротивление, даёт некоторые другие
преимущества, свойственные обратной связи. Однако её использование требует,
чтобы входной сигнал не перегружал каскад. В условиях ТЗ это означает, что
максимальный сигнал (55мВ) должен помещаться на линейном участке входной
статической характеристики (слева и справа от рабочей точки). В противном
случае возникают недопустимые нелинейные искажения. Среди маломощных
транзисторов отсутствуют примеры со столь широким линейным участком входной
статической характеристики. Поэтому данный способ регулировки неприемлем.
Главное достоинство потенциометрической регулировки - ее простота. Она
решает указанную проблему: входное напряжение делится таким образом, что на
входе первого каскада всегда присутствует напряжение, соответствующее
минимальному уровню входного сигнала (5,5 мВ). Однако данный способ регулировки
ухудшает частотную характеристику усилителя. Поставим потенциометрическую
регулировку, задав необходимый уровень искажений на верхних частотах допустимым
временем нарастания сигнала. Схема потенциометрической регулировки приведена на
рисунке 4.1.
Рисунок 4.1 - Схема регулировки усиления
Посчитаем время нарастания сигнала без учёта схемы регулировки усиления.
,
где
времена нарастания соответственно выходного,
предоконечного, промежуточного, и входного каскадов. Отпустим на входную цепь
время нарастания
. Тогда итоговое время нарастания всего усилителя:
Видим, что итоговое время нарастания сигнала намного меньше максимально
допустимого.
Значение постоянной времени входной цепи будет равно:
Определим значение регулировочного сопротивления по следующей формуле:
Коэффициент
деления входного сигнала при отсутствии
(крайнее
верхнее положение движка потенциометра):
Такой коэффициент деления будет, если подавать на вход 5,5 мВ. Общий
коэффициент в данном случае равен произведению коэффициентов усиления всех
каскадов:
.
Сигнал
усиливается с некоторым запасом (по условию ТЗ коэффициент усиления должен быть
равен 1091). Для усиления импульсов с амплитудой
55 мВ необходимо уменьшить их с помощью схемы регулировки в 10 раз, т.е.
коэффициент деления
. Договоримся, что ту часть регулировочного
сопротивления, которая находится сверху от бегунка, мы обозначим за
, а ту часть, которая находится снизу обозначим за
.
;
.
Зная
требуемый коэффициент деления необходимо найти
- долю
сопротивления ниже движка регулировочного потенциометра. Это можно сделать из
следующего равенства:
Упуская большие математические выкладки, запишем результат:
.
Максимальная
постоянная времени первого каскада с учётом схемы регулировки усиления
получается, когда будет выполняться условие:
.
Это
возможно когда
, а
, тогда
.
.
Теперь
можем посчитать время нарастания выходного сигнала с учетом времени нарастания
входного сигнала всего усилителя:
.
5. Результирующие характеристики
.1 Коэффициент усиления
Подведем итог. Рассмотрим усиление, которое обеспечивает усилитель Всего
схема имеет пять цепей, приведем соответствующие значения коэффициентов
передачи:
- входная цепь
;
- входной каскад
;
- предварительный
каскад
;
- предоконечный
каскад
;
- оконечный каскад
;
Таким
образом, результирующий коэффициент усиления определится как произведение
представленных величин, то есть равен
,
что
на
больше необходимого. Однако на этот счет
предусмотрено повышение глубины регулировки усиления.
5.2 Параметры усилителя в области малых времен
Систематизируем значения времени установления, полученные в результате
расчета:
- входная цепь
;
- входной каскад
;
- предварительный
каскад
;
- предоконечный
каскад
;
- выходной каскад
;
На
основании исходных данных известно, что входной сигнал не идеален и имеет
, тогда время нарастания выходного сигнала можно найти
следующим образом:
.
5.3 Расчет параметров в области больших времен. Низкочастотная
коррекция
Искажения в области больших времен вносят блокировочные в цепях эмиттера
и разделительные межкаскадные конденсаторы. Разделительные конденсаторы большой
емкости брать не рекомендуется, к тому же в этом нет необходимости. Шунтирующие
емкости в цепях эмиттера можно взять довольно большой величины, так как они имеют
заземленную обкладку.
Спад
плоской вершины создают цепи связи эмиттера. Фильтрующая цепочка
выполняет корректирующую функцию, обусловливая подъем
плоской вершины импульса [7].
Спад,
создаваемый разделительной емкостью [1]:
,
где
и
- сопротивления слева и справа от рассматриваемой емкости,
соответственно.
Для
блокирующей емкости справедливо [1]:
Можно
попытаться разделить поровну спад плоской вершины импульса, равный
, между всеми емкостями, создающими искажения на
нижних частотах. В целях унификации всех элементов, а также обеспечения
низкочастотной коррекции в схеме (будет показано далее) установим номиналы всех
разделительных емкостей равными:
.
Для
удобства дальнейших обозначений определимся с нумерацией каскадов. Входной
каскад будет первым и так далее. В результате, по формуле (5.1), находим:
;
;
(рассмотрен
наиболее неблагоприятный случай, когда движок потенциометра находится в нижнем
положении, причем остаточным сопротивлением пренебрегаем),
;
;
.
Величина
спада, создаваемая разделительными емкостями:
.
Положим,
что на спад также нужен запас порядка
, то есть
суммарный спад не должен превышать
. Это
означает, что на одну блокировочную емкость допускается спад
от общего. преобразуем формулу (5.2) в расчетную для
емкости
и определим необходимое значение:
;
;
.
С
учетом выбранных номиналов посчитаем создаваемый спад:
;
;
.
Результирующий
спад:
%
По
заданию требуется обеспечить в схеме низкочастотную коррекцию. Для этого
необходимо выполнение условия:
Подъем
плоской вершины импульса за счет фильтрующей ячейки [7]:
Поскольку в схеме две фильтрующих цепи, разделим результирующий спад
между ними. Допустим, на входной каскад отпустим 6%, а на промежуточный 1%.
Для входного каскада значение будет равно:
;
Для
промежуточного каскада:
.
В
результате получаем:
6. Расчет запаса устойчивости усилителя
Устойчивость является важной характеристикой качества разработанного
устройства, поэтому при проектировании аналоговых устройств необходимо
определение запаса устойчивости от самовозбуждения, которое может возникать
из-за положительной обратной связи, в том числе и паразитной. Вообще,
паразитные воздействия на схему усилителя очень трудно поддаются расчёту ввиду
их непредсказуемости и зависимости от конкретных окружающих факторов. Однако
есть некоторые паразитные обратные связи, которые существуют в большинстве
усилителей и не зависят от окружающих факторов, а лишь от номиналов элементов
электрической схемы, например обратная связь по цепи питания усилителя.
Смысл самовозбуждения в том, что выходной сигнал, усиленный по отношению
к входному, поступает на вход усилителя через внутреннее сопротивление источника
питания. Рассматривая конкретную схему нельзя забывать о полярности входного и
выходного напряжения. Усилитель, имеющий четное число усилительных каскадов,
обеспечивает совпадение фаз сигнала, поступающего на вход, и сигнала,
снимаемого с выхода схемы. При наличии двух каскадов усиления необходимо
рассматривать последний, то есть выходной каскад (чтобы выполнялось условие
баланса фаз). Однако, самовозбуждение произойдет лишь при выполнении сразу двух
условий, вторым из которых является условие баланса амплитуд.
Внутреннее сопротивление источника питания зависит от его типа. Наиболее
высокое сопротивление имеют простые источники питания, на внутренних
сопротивлениях которых выделяется самое большое напряжение паразитной обратной
связи. Рассмотрим наиболее критический режим с точки зрения самовозбуждения и
убедимся в невозможности такого самовозбуждения, то есть:
.
Для
недопущения самовозбуждения необходимо, чтобы петлевое усиление
.
Полагая,
что неравномерность АЧХ усилителя возрастает приблизительно в глубину обратной
связи раз и, ограничившись неравномерностью АЧХ порядка 0,5 дБ (1,06 раза),
получаем допустимое петлевое усиление любой петли паразитной ОС
[1].
Произведем
расчет устойчивости по методике предложенной в [1].
,
где
- итоговый коэффициент усиления;
-
коэффициент передачи коллектор VT4 - шина питания;
-
коэффициент передачи первого фильтра в области нижних частот;
-
коэффициент передачи второго фильтра в области нижних частот;
-
коэффициент передачи фильтр база VT1.
;
;
;
;
.
Полученное
значение
меньше 0,06, а это значит усилитель устойчив и
обладает большим запасом по устойчивости, т.е. можно использовать источник
питания низкого качества с большим внутренним сопротивлением.
7. Заключение
Спроектированный в процессе выполнения курсовой работы усилитель
предназначен для усиления одиночных прямоугольных импульсов и должен быть
использован в измерительном оборудовании.
Схема
удовлетворительно работает при заданных условиях эксплуатации
и обеспечивает следующие характеристики:
выходное
напряжение 6 В отрицательной полярности;
- коэффициент
усиления
;
- время установления
выходного сигнала
;
- результирующий спад
выходного сигнала 0%;
- регулировка усиления
;
- входное сопротивление
;
- входная емкость
.
Полученные
результаты с некоторым запасом соответствует требованиям технического задания.
Произведен расчет устойчивости усилителя, который показал, что самовозбуждение
исключено.
Список использованных источников
1 Красько
А.С. Проектирование аналоговых электронных устройств. - Томск: ТУСУР, 2000. -
29 с.: ил.
. Красько
А.С. Схемотехника аналоговых устройств. Учебное пособие. - Томск: Изд.
«В-Спектр», 2006 - 180 с.
Транзисторы
для аппаратуры широкого применения. Справочник/Под ред. Б.Л. Перельмана. - М.:
Радио и связь, 1981, - 540с.
Варшавер Б.А.
Расчет и проектирование импульсных усилителей. Учеб. пособие для вузов. Изд.
2-е, доп. - М.: Высшая школа, 1975, 288 с.: ил.
Цикин Г.С
Усилительные устройства. Изд. 4-е, перераб. - Изд. Связь, 1971, 367 с.: ил.
Шарыгина Л.И
Схемотехника аналоговых электронных устройств. Учебно-методическое пособие для
студентов заочного обучения Томск ТУСУР, 2012. - 86с.
Варшавер Б.А.
Расчет и проектирование импульсных усилителей. Учеб. пособие для вузов. Изд.
2-е, доп. - М.: Высшая школа, 1975, 288 с.: ил.
Приложение А
(обязательное)
Переходная характеристика
Для построения переходной характеристики ИУ используем выражение [1]:
,
где
;
- число каскадов.
Рисунок
A.1 - Переходная характеристика
Приложение Б
(справочное)
Справочные данные на транзистор КТ607А-4
Общие сведения. Кремниевый планарно-эпитаксиальный n-p-n транзистор предназначен
для применения в выходных каскадах УПЧ телевизоров и в других устройствах.
Корпус металлический, герметичный, с гибкими выводами. Масса транзистора
не более 0.4г.
Таблица Б.1 - Электрические параметры.
|
Наименование
|
Обозначение
|
Значения
|
Режимы измерения
|
|
|
min
|
max
|
|
|
|
|
|
|
|
Обратный ток коллектора,
мА: при при
|
|
|
1 5
|
40 40
|
|
|
|
|
|
|
Модуль коэффициента
передачи тока на высокой частоте:
|
|
7
|
|
10
|
|
80
|
|
|
100
|
|
Емкость коллекторного
перехода, пФ:
|
|
|
4,0
|
10
|
|
|
|
|
10
|
|
Постоянная времени цепи
обратной связи на высокой частоте, пс:
|
|
|
18
|
10
|
|
30
|
|
|
5
|
Максимально допустимые параметры. Гарантируются при температуре
окружающей среды
.
- постоянный ток коллектора, мА………………......……….150
- постоянное напряжение коллектор-база,
В………..................40
- постоянное напряжение база-эмиттер, В………………………4
- постоянное напряжение коллектор-эмиттер,
В……..................35
- постоянная рассеиваемая мощность коллектора при
, мВт …………………………………………………….…1500
- температура перехода,
…………………...……………….150
- тепловое сопротивление переход - окружающая среда,
.73
Допустимая температура окружающей среды,
…….….….
Справочные данные на транзистор КТ339А.
Таблица Б.2 - Электрические параметры.
|
Наименование
|
Обозначение
|
Значения
|
Режим измерения
|
|
|
минимальное
|
типовое
|
максимальное
|
Uk, В
|
Iэ, мА
|
f, МГц
|
|
Обратный ток коллектора, мА
|
IКБО
|
0,001
|
0,002
|
0,004
|
40
|
|
|
|
Статистический коэффициент
передачи тока в схеме с ОЭ То же в другом режиме
|
h21Э
|
25 15
|
50
|
100
|
10 2
|
7 20
|
|
|
Граничная частота
коэффициента передачи тока в схеме с ОЭ, МГц
|
fгр
|
|
500
|
|
10
|
5
|
|
|
Коэффициент усиления по
мощности, дБ
|
КуР
|
24
|
|
|
16,6
|
7,2
|
35
|
|
Модуль коэффициента
передачи тока на высокой частоте
|
|h21Э|
|
3
|
5,8
|
8,0
|
10
|
5
|
100
|
|
Ёмкость коллекторного
перехода, пФ
|
Ck
|
0.55
|
0.65
|
2
|
5
|
|
10
|
|
Постоянная времени цепи
обратной связи на высокой частоте, пс
|
τК
|
3,5
|
4,8
|
25
|
10
|
7
|
5
|
|
Прямое напряжение на базе,
В
|
UБЭ
|
|
|
0,9
|
10
|
7
|
|
Максимально допустимые параметры. Гарантируются при температуре
окружающей среды
.
- постоянный ток коллектора, мА…………………………….25
- постоянное напряжение коллектор-база, В…………….…….40
- постоянное напряжение база-эмиттер, В……………...………4
- постоянное напряжение коллектор-эмиттер, В……………......25
- постоянная рассеиваемая мощность коллектора, мВт
при
….………………………………………………260
при
………………………………………………………...60
- температура перехода,
…………….…………………...….175
Допустимая температура окружающей среды,
…..…...….. -60…150
Приложение В
(обязательное)
Перечень радиодеталей
Таблица B.1
|
Поз. обозначение
|
Наименование
|
Кол.
|
Примечание
|
|
Конденсаторы
|
|
|
|
C1
|
К73-17В 63 В 2,2мкф 10%
ОЖО.464.181 ТУ
|
2
|
|
|
C2, С3
|
К73-17 63 В 3.3 мкФ 10%
ОЖО.464.181 ТУ
|
5
|
|
|
C4
|
К73-16 63 В 6.8 мкф 10%
ОЖО.464.181 ТУ
|
|
|
|
C5
|
К73-17 63 В 3.3 мкФ 10% ОЖО.464.181
ТУ
|
|
|
|
C6
|
Конденсаторы К53-1 ОСК53-1
15 В 68 мкФ 10% АДПК.673.641.001ТУ
|
К73-17 63 В 3.3 мкФ 10%
ОЖО.464.181 ТУ
|
|
|
|
С8
|
Конденсаторы К53-1 ОСК53-1
15 В 68 мкФ 10% АДПК.673.641.001ТУ
|
2
|
|
|
С9
|
К73-17 63 В 3.3 мкФ 10%
ОЖО.464.181 ТУ
|
|
|
|
С10
|
Конденсаторы К53-1 ОСК53-1
15 В 68 мкФ 10% АДПК.673.641.001ТУ
|
1
|
|
|
Резисторы постоянные
|
|
|
|
R2
|
МЛТ-0,125-22
кОм, 10%
|
2
|
|
|
R3
|
МЛТ 0,125-5,6
кОм 10%
|
1
|
|
|
R4
|
ПЭВ-150 330 Ом
10%
|
1
|
|
|
R5
|
МЛТ 0,5-68 Ом
10%
|
1
|
|
|
R6
|
МЛТ-0,5-180 Ом
10%
|
1
|
|
|
R7
|
МЛТ-0,125-22
кОм, 10%
|
|
|
|
R8
|
МЛТ-1-6,8 кОм
10%
|
1
|
|
|
R9
|
МЛТ2-100 Ом 10%
|
1
|
|
|
R10
|
МЛТ2-120 Ом 10%
|
1
|
|
|
R11
|
МЛТ-0,5 270 Ом 10%
|
2
|
|
|
R12
|
МЛТ-2-3,9 кОм 10%
|
1
|
|
|
R13
|
МЛТ-0,5-1,8 кОм
10%
|
1
|
|
|
R14
|
МЛТ-0,5 270 Ом 10%
|
|
|
|
R15,R16
|
МЛТ-0,5-150 Ом
10%
|
2
|
|
|
Резисторы переменные
|
|
|
|
R1
|
СП5-2-1 Вт 330 Ом 10%
|
1
|
|
|
Транзисторы
|
|
|
|
V1, V2
|
КТ339А
|
2
|
|
|
V3, V4
|
КТ607А-4
|
2
|
|