Проектирование аналогового электронного устройства
Техническое задание
Спроектировать аналоговое устройство выполняющее
операцию согласно выражению зависимости выходного сигнала Y
от входных сигналов Х1 и Х 2 Y
= (dХ1/ dt)
× (Х1 + ln
Х2). Сигнал Х1 Iпост = 0…5
мА с аддитивной высокочастотной помехой от 150 Гц. Сигнал Х2 = Usin
= 0…10 мВ, f =2 кГц. Частотный
спектр информативных параметров сигналов 10…100 Гц. Выходной сигнал Y
должен быть в виде импульсов ТТЛ с частотой 0…10 кГц. Сопротивление нагрузки Rн
= 5 кОм.
Проектирование устройства включает в себя:
составление функциональной схемы устройства;
выбор схем отдельных функциональных узлов;
согласование узлов друг с другом по уровням
сигналов;
согласование узлов по входным и выходным
сопротивлениям;
выбор режимов работы отдельных узлов,
обеспечивающих условия согласования;
электрический расчёт узлов устройства;
вычерчивание полной электрической схемы
устройства;
составление спецификации использованных
компонентов;
тестирование устройства с помощью программных
продуктов, например, Electronics
Workbench;
разработку печатной платы одного из фрагментов
устройства.
1. Технический расчёт схемы
.1 Исходные параметры входных сигналов, помехи,
нагрузки, выходного сигнала
Дано выражение зависимости выходного сигнала Y
от входных сигналов Х1 и Х2:
Y = (dХ1/
dt) ×
(Х1 + ln Х2) (1)
Сигнал Х1 задан в виде постоянного тока
изменяющегося от 0 до 5 мА. Сигнал Х2 задан в виде переменного напряжения в
форме синусоиды с частотой 2 кГц и изменяющегося от 0 до10 мВ. Частотные
спектры информативных параметров сигналов, занимают полосу от 10 до 100 Гц.
Сигнал на выходе устройства должен быть представлен в форме импульсов ТТЛ в
полосе частот от 0 до 10 кГц в нагрузке с сопротивлением 5 кОм.
.2 Функциональная схема устройства
В соответствии с выходным сигналом, то есть
выражением (1) должны быть выполнены операции дифференцирования,
логарифмирования, сложения, умножения. Составляем функциональную схему в общем
виде, рисунок 1.
Рисунок 1
Так как входные сигналы не представлены в виде
однополярного напряжения, следовательно, их нельзя подавать на дифференциатор,
логарифматор и сумматор. Следовательно первоначальная схема должна быть
интерпретирована с соответствием форм входных сигналов, полосы помех,
наложенных на входной сигнал Х1.
Так как входной сигнал Х1 представляет собой
постоянный ток и имеет помехи от 150 Гц, необходимо преобразовать ток в
напряжение с помощью преобразователя тока в напряжение (ПТН). Для того чтобы
избавиться от помех необходимо использовать низкочастотный фильтр.
Входной сигнал Х2 представляет собой синусоиду,
следовательно сигнал должен быть преобразован в однополярное напряжение для
подачи на логарифматор. Для этого используем прецизионный амплитудный
выпрямитель напряжения.
Выходной ток должен быть представлен в виде
импульсов ТТЛ, для этого применим преобразователь напряжения в частоту, в итоге
получится сигнал в виде импульсов изменяющихся с частотой. Итоговая структура
схемы примет вид, представленный на рисунке 2.
Рисунок 2.
2. Выбор и расчёт принципиальных электрических
схем
.1 Выбор и согласование уровней сигналов
функциональных схем
В принципиальной схеме присутствует дифференциатор
с неравномерной амплитудно-частотной характеристикой. Зависимость коэффициента
передачи от частоты рисунок 3.
Рисунок 3.
Для низшей частоты, то есть 0 коэффициент
передачи операционного усилителя Ku=0Дб/дес,
а для высоких частот возрастает на 20 Дб/дес. Если рассматривать в
относительных единицах, то 1 к 10, то есть если на вход подаётся 1 В, то на
выходе 10 В. По техническим характеристикам амплитуда выходного сигнала
изменяется от -10 В до +10В. Следовательно на вход интегратора может поступать
сигнал имеющий амплитуду не более 1 В, и изменятся от -1 В до 1 В. Иначе сигнал
вышедший из дифференциатора потеряет свою информацию и будет постоянным по
времени иметь максимальное значение равное 10 В. Рисунок 4 показывает входной
сигнал и выходной сигнал, при данной проблеме.
печатный плата сигнал схема
Рисунок 4.
.2 Схема преобразователя тока в напряжение (ПТН)
Используем преобразователь тока в напряжение на
операционном усилителе, работающий на малых токах. Примем коэффициент передачи
фильтра равным единице.
Так как входное сопротивление ОУ очень велико, а
выходное пренебрежимо мало, то весь ток проходит по Rх.
Далее ток делится и идёт на нагрузку (то есть в следующее устройство) и на
выход ОУ для обратной связи с источником сигнала. Рисунок 5 - принципиальная
схема ПТН.
Рисунок 5
Преобразователь тока в напряжение должен
преобразовывать напряжение так что, если на вход подаётся ток от о до 5 млА, то
на выходе должно выйти напряжение от о до 1 В.
Следовательно Rx=Uвых/Iвх=1/(5*10E-3)=0,2*1000=200
Ом. Для коррекции потенциала на инвертирующем входе установим R1
равный Rх.
В данной схеме используется ОУ154УД1,
относящийся к классу макромощных быстродействующих.
Основные параметры:
коэффициент усиления К, тыс. >200,
напряжения питания ±Uп,
В ±15±1,5,
ток потребления Iп,
мА <0,12,
средний входной ток Iвх,
нА <20,
частотная полоса f
1, МГц >1,
выходной сигнал ±Uвых,
В <±12,
минимальная нагрузка Rн,
кОм >2,
выходное сопротивление Rвых,
Ом <300,
Частотная коррекция внутренняя. Схема включения
рисунок 6.
Рисунок 6
.3 ФНЧ
Применим активный фильтр на основе ОУ. Активный
фильтр - это безиндуктивный частотный фильтр, с помощью которого можно
усиливать и ослаблять сигналы определённой частоты. Применим фильтр на ОУ с
единичным коэффициентом передачи. Рассчитаем фильтр Чебышева третьего порядка.
Частота среза 150 Гц. Из таблицы Номинальных
значений ёмкостей ФНЧ при различных аппроксимаций и неравномерности 1 Дб
определим:
С1=16,180 Ф, С2=0,06428 Ф, С3=2,567 Ф.
Определим значения ёмкостей,
разделив на
=6,28*150=942,478:
С1=0,172*1000 мкФ, С2=0,82*1000 нФ,
С3=2,72*1000 мкФ.
Для получения удобных значений
ёмкостей принимаем резисторы на 34 кОм, в результате имеем: С1=504,9 нФ,
С2=2,006 нФ, С3=80,11 нФ.
Принципиальная схема фильтра низких
частот рисунок 7.
Рисунок 7.
Значения резисторов принимаем за 34
кОм, а резистор R0c=R1+R2+R3=102, тогда
при постоянном напряжении коэффициент передачи единица. Применим операционный
усилитель ОУ 154УД2. Быстродействующий ОУ со скорость нарастания выходного
напряжения не менее 80В/мкс и временем установления выходного напряжения
соответственно 5 и 0,5 мкс. Схема включения и частотная коррекция приведены на
рисунке 8.
Рисунок 8
коэффициент усиления К, тыс.
>100,
выходной сигнал ±Uвых, В <±10,
ток потребления Iп, мА <6,
напряжение смещения Uсм, мВ <±2,
средний входной ток Iвх, нА
<100,
разность входных токов
Iвх, нА
<100,
выходное сопротивление Rвых, Ом
<300,
входное сопротивление Rвх, Мом -,
частотная полоса f 1, МГц
>15,
напряжения питания ±Uп, В ±15±1,5,
минимальная нагрузка Rн, кОм
>2,
Корпус на рисунке 76,а.
.4 Дифференциатор
Дифференциатором называют
устройство, выходной сигнал которого пропорционален производной от его входного
сигнала, то есть выходной сигнал показывает скорость изменения входного
сигнала.
По первому закону Кирхгофа
или
Соответственно полученная ЛАЧХ во
всём диапазоне частот имеет постоянный наклон +20дБ/дек. Соответствующая
частота среза
Для того, чтобы избавиться от
проблемы указанной выше в принципиальной схеме Рисунок 10, шунтируют
конденсатор, для того чтобы после полной зарядки, он закоратился шунтирующим
резистором и энергия выходила на резистор и далее на нагрузку.
Рисунок 9
Граничные частоты рабочего диапазона
дифференциатора задаются элементами схемы
по условию нижняя частота 10 Гц.
Примем С1 = 1 мкф, следовательно
Ом,
,
Гц,
Ом.
Частота среза - это частота при
которой сопротивление конденсатора геометрически пропорционально сопротивлениям
конденсатора при верхней и нижней частоте.
Гц,
.
Из этого уравнения найдём ёмкость С2
Ф.
Сопротивление R3 служит для
симметрирования входной цепи ОУ и должно быть равным активному сопротивлению,
соединённому с инверсным входом ОУ, номинал R3 тоже
принимаем равным 16000 Ом. Ёмкость C2 принимаем
равной 3 мкФ.
Практически С2 лучше удалить совсем,
так как по большей часть он предназначен для уменьшения шумов а, С1 уменьшать.
Для данной схемы применим ОУ 154УД2.
.5 Усилитель
На вход выпрямителя не может быть
подан сигнал 10 мВ так как на входе стоят два диода VD1 и VD2.
Минимальное напряжение необходимое для того что бы открыть диод должно быть не
менее 0,7 В. Поэтому усилим сигнал до 1 В. Так как напряжение мало, то есть
могут наложится помехи и исказить сигнал необходимо использовать маломощный ОУ.
Для того чтобы усилить сигнал применим неинвертирующий усилитель.
Принципиальная схема на рисунке 10.
Рисунок 10.
Коэффициент передачи
, Ku=1000
Примем Z1=100 Ом,
следовательно ZOC=10 Ком.
Применим ОУ тот который был применён в ПТН ОУ154УД1.
.6 Схема выпрямителя
На вход выпрямителя подаётся сигнал
Х2, заданный в форме синусоиды с частотой 2 КГц и изменяющегося от 0 В до 1 В.
После выпрямителя сигнал должен выйти постоянный по напряжению равный амплитуде
входной синусоиды, что и показано на рисунке 11. То есть это устройство
выполняет операцию модуля.
Рисунок 11.
Данную функцию выполняет
принципиальная схема выпрямителя рисунок 12.
Рисунок 12.
При подачи положительной полуволны
открывается VD2 и
закрывается VD1.
Операционный усилитель при этом работает как неинвертирующий повторитель, R2 и R4 при этом
играют роль делителя напряжения. На выходе при этом возникает положительная
полуволна, открывается диод VD3 и в точке инвертирующего
входа создаётся потенциал, но он на много меньше чем на входе поэтому VD1 не
открывается. Выходное напряжение положительно:
Uвых=UвхR(R/R+1)/(R+R)=Uвх.
Отрицательная полуволна входного
сигнала попадает через VD1. Операционный усилитель при
этом работает как инвертирующий повторитель. Выходное напряжение которого:
Uвых=UвхR2/((R+R)+R/2)=Uвх.
Применим операционный усилитель ОУ
154УД2.
Для того что бы сгладить сигнал
применим RC цепь,
рисунок 13. R = 10 Ом, С
= 500 мкФ. При этом выполняется условие
Рисунок 13
.7 Логарифматор
Принципиальная схема логарифматора
рисунок 14. Ток I=Uвх/R1 проходящий
через R1 не входит
в ОУ, а проходит через VD4, то есть I=Iд,
следовательно Iд= Uвх/R1 (1).
Соответственно ток на диоде
Применим диод общего применения типа
КД521 В который имеет параметры:
постоянное прямое напряжение Uпр, В…………1,
постоянный обратный ток Iдо,
мкА…………......1.
Сопротивление резистора R1 определяем
из условия Uвх max / R1 = Iд max, отсюда
находим R1 = Uвх max / Iд max =1/0,5× 10
= 2 кОм.
Приравняв (1) и (2) уравнения
определим значение напряжения на выходе
,раскроем скобки
, выразим экспоненту
, прологарифмируем

Сопротивление резистора R1 определяем
из условия Uвх max / R1 = Iд max, отсюда
находим R1 = Uвх max / Iд max =1/0,5× 10
= 2 кОм.
Максимальное выходное напряжение
логарифматора:
здесь Uт -
температурный потенциал, равный 26 мВ при t =20°C, тогда
В. Для симметрирования входов ОУ
логарифматора сопротивления R1 и R2 должны
быть одинаковыми, следовательно принимаем R2 тоже
равным 2 кОм.
Рисунок 14.
Применим операционный усилитель ОУ
154УД2.
Так как данная схема не даёт
настоящий логарифм поэтому необходимо применить усилитель с коэффициентом
передачи по напряжению 2,3/0,162=14,2, так как ln(10)=2.3, а данная
схема даёт 0,162 В. Для того чтобы усилить сигнал применим инвертирующий
усилитель - это тот же повторитель напряжения только с развязкой напряжения.
Принципиальная схема на рисунке 15.
Рисунок 15.
Коэффициент передачи
, Ku=14,2.
Примем Z1=150 Ом,
следовательно, ZOC=2,2 Ком. На входе Логарифматора
подан 1В, следовательно на выходе -0,162 В, после усилителя 2,3 В.
Применим операционный усилитель ОУ 154УД2.
2.8 Сумматор
Принципиальная схема сумматора
рисунок 16.
Рисунок 16.
Чтобы выходное напряжение усилителя
определялось выражением(по второму закону Кирхгофа)
должно выполнятся условие
Необходимую балансировку схемы можно
выполнять соответствующим подбором сопротивления резистора R. Для
корректировки потенциала на неинвертирующем входе необходимо выполнение условия
R`=Roc=1 кОм, то это
приведёт к выполнению
Так как масштабирование не
требуется, примем значения R1=R2=1 кОм.
Тогда из (1) следует
=500 Ом
Выходное напряжение есть не что иное
как Uвых=Uвх1+Uвх2=2.3+1=3.3
В.
Применим операционный усилитель ОУ
154УД2.
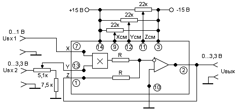
.9 Умножитель
Более удобный в применении
интегральный перемножитель К525ПС2: он представляет собой функционально
законченное устройство. Этот перемножитель имеет три входа X, Y, Z и три входа
регулировки смещения Xсм, Yсм, Zсм. Выходной
сигнал снимается со встроенного операционного усилителя. На инвертирующий вход
этого усилителя через резисторы поданы сигналы, один из которых равен
произведению XY, а другой -
Z.
Регулировку масштабирования преобразования можно производить с помощью
делителя, установленного например на выходе Y, как
показано на рисунке 17. Погрешность умножения не более 1 %.
Принципиальная схема умножителя на
микросхеме К525ПС2 рисунок 17.
Рисунок 17.
.10 Преобразователь напряжения в
частоту (ПНЧ)
ПНЧ предназначен для то чтобы
преобразовывать входной сигнал в последовательность импульсов ТТЛ
(транзисторно-транзисторная логика, то есть 0 - 0.4 В, а 1- 3.6 В) с частотой
следования, пропорциональной его значению, а так же для использования как ПЧН.
Кристалл изготовляется по биполярной технологии и размещается в 14-выводном
герметичном пластмассовом корпусе типа 201.14-2 с двухрядным вертикальным
расположением выводов.
Внутреннее строение ПЧН рисунок 18.
Рисунок 18.
На вход Uirn подаётся
сигнал (1) который следует на интегратор. Интегратор состоит из внешних
элементов Rинт и Синт,
а так же внутреннего ОУ и ключа(1) который разряжает конденсатор.
Далее сигнал (2) попадает на
компаратор (КН1) [2]. Если сигнал есть то есть потенциал на инвертирующем входе
больше чем на неинвертирующем то КН1 выдаёт напряжение его питания, что
показывает рисунок 20.
При увеличении Uоп напржение
на выходе компаратора быстро падает до -Umax и наоборот
при увеличении Uоп выходной сигнал увеличивается до
+Umax.(Ko -
коэффициент усиления КН 1). То есть выдаёт импульсы когда сигнала нет, рисунок
(18, (3)).
В это время(t1) Синт
разрядилось полностью, так как кляч(1) в положении 1, но при этом ключ (2)
открыт, а ключ (3) переходит в состояние 1, следовательно Ст который до этого
был закорочен заряжается, рисунок (18, (5)). На промежутки времени t1 и t3 в момент
времени t3 когда
сигнал(3) попадает на S вход триггера SR(вход, по
которому устанавливается в единичное), а сигнала (6) на входе R(вход, по
которому устанавливается нулевое состояние) пока нет, на выходе триггера(Q) появляется
импульс(4). Информация о триггере [3].
Из таблицы истинности S=1, R=0, Q=1.
К этому времени (то есть t3)
конденсатор Ст полностью зарядится и тогда на выходе компаратора КН 2 появится
импульс(18, (6)), но в это время на триггере не будет сигнала, так как
сигнала(3) нет, так как на Синт заряжается, а следовательно ключ (1) переедет в
состояние 2, ключ(2) включится Ст закоротится, Ключ (3) переедет в состояние 2.
То есть на выходе триггера будет
ноль.
Из таблицы истинности S=0, R=1, Q=0.
В то время когда импульса(4) нет
транзисторный элемент [1], состоящий из транзистора VT и Rн, на выходе
будет присутствовать импульс и наоборот. То есть при логике ноль будет
установлено значение 0,4 В, а при единице 3,6 В.
Весь цикл повторяется с того
момента, когда конденсатор Синт разрядится.
Рисунок 19
Рисунок 20
Принципиальная схема включения ПНЧ
рисунок 21.
Рисунок 21
Частоты генерируемых выходных или
воспроизводимых входных импульсов Ис КР1108ПП1 устанавливается с помощью
внешних элементов, и могут измениться в диапазоне от долей герц до 500кГц.
Частота выходных импульсов в режиме ПЧН приблизительно определяется из
соотношения:
,
где I1 и I2 - токи двух
идентичных опорных источников, равные 1 мА и используемые для заряда
интегрирующего Синт и времязадающего Ст конденсаторов
Входное напряжение в зоне линейного
преобразования может изменятся от 0 до 10 В и иметь положительную или
отрицательную полярность. Его значение без учёта погрешностей можно рассчитать
по формуле
,
где U=7…8 В.
Согласно рекомендациям [1] номиналов значений внешних элементов в режиме ПНЧ и
требованиям выходного сигнала (согласно варианту) по частоте f=10 кГц
следует выбрать Ст = 3300 пФ. Входное напряжение
3,3 В.
Следовательно
Ом или 125 кОм.
Рекомендации по использованию. После
включения ИС КР1108ПП1 следует выдерживать менее 5 мин. в условиях малых изменений
температуры окружающей среды. Сопоставимые отсчёты преобразуемого напряжения
должны быть разнесены во времени не более чем на 0.8 с. Время нарастания
напряжения на частотном выходе определяются постоянной, задаваемой
сопротивлением нагрузки и паразитивной ёмкостью на выходе 7.
При сопротивлении нагрузки 1 кОм
паразитивная ёмкость в диапазоне частот 0-500кГц не должна превышать 30пФ.
Следовательно
с
Следует избегать включения резистора
в цепь вывода 14 ИС, постольку, поскольку это может привести к возбуждению ОУ
интегратора, то есть следует включать Rинт вблизи
вывода 1. В случае необходимости резистор можно подключать одновременно с
включением между выводами 14 и общей шиной конденсатора ёмкостью 20-100 пФ.
Заземлять вывод 14 необходимо непосредственно около источника сигнала, а
конденсатор одновибратора располагать вблизи выводов 5 и 4 ИС. Общая шина
источника питания и соответствующий вывод конденсатора одновибратора должны
подводиться к выводу 11 отдельными выводами.