Активные фильтры на операционных усилителях

  • Вид работы:
    Практическое задание
  • Предмет:
    Информатика, ВТ, телекоммуникации
  • Язык:
    Русский
    ,
    Формат файла:
    MS Word
    168,63 Кб
  • Опубликовано:
    2014-09-19
Вы можете узнать стоимость помощи в написании студенческой работы.
Помощь в написании работы, которую точно примут!

Активные фильтры на операционных усилителях

ФЕДЕРАЛЬНОЕ АГЕНСТВО ПО ОБРАЗОВАНИЮ

Государственное образовательное учреждение высшего профессионального образования

ТОМСКИЙ ПОЛИТЕХНИЧСКИЙ УНИВЕРСИТЕТ

Наименование факультета - Электрофизический факультет

Наименование направления - Приборостроение







Отчет по лабораторной работе

«Активные фильтры на операционных усилителях»

Выполнил: М.В. Головин

Проверил: преподаватель И. А. Плотников





Томск-2009

1. Цель работы

Цель лабораторной работы - изучение схемотехники активных фильтров и влияния динамических параметров операционных усилителей на их частотные характеристики.

. Применяемое оборудование

При выполнении данной лабораторной работы используется следующее оборудование:

·        Лабораторная установка состоит из: фильтра нижних частот второго порядка (ФНЧ2) и модуля фазовращателя (ФВ).

·        Комплект соединительных кабелей.

·        Генератор сигналов Г3-112.

·        Частотомер электронно-счетный Ч3-54.

·        Осциллограф универсальный С1-64.

·        Цифровой мультиметр М-65.

. Электрические схемы исследуемых модулей - активных фильтров

Рисунок 1. Электрическая схема фильтра нижних частот 2-го порядка

Рисунок 2. Электрическая схема модуля фазовращателя

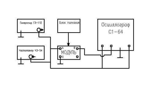
. Структурная схема лабораторной установки











Рисунок 3. Структурная схема лабораторной установки

фильтр динамический усилитель электрический

5. Основные параметры используемых ОУ

ФНЧ2 (140УД6)[тыс.]=70; Iq=4мА; Uos=10мВ; Iв=30нА; Vs=±15В; Vсм=±7В; Vout=±12В; Rin=1МОм.

ФВ (140УД8Б)[тыс.]=50; SR=10 В/мкс; f1=1МГц; Iq=5мА; Uos=100мВ; Iв=0.2нА; Vs=±15В; Vсм=±10В; Vout=±10В; Cl=250пФ.

. Результаты экспериментальных и теоретических исследований

f,Гц

T,c

w,рад\с

Ua,B

Uв,В

К

∆t,c

ω,град

1

10

0,1

62,8

4,1

4,6

1,121951

0,02

72

2

14

0,071428571

87,92

4,1

4,6

1,121951

0,009

45,36

3

28

0,035714286

175,84

4,5

4,6

1,022222

0,004

40,32

4

48

0,020833333

4,52

4,6

1,017699

0,002

34,56

5

90

0,011111111

565,2

4,56

4,58

1,004386

0,0009

29,16

6

450

0,002222222

2826

4,6

4,58

0,995652

0,0004

64,8

7

980

0,001020408

6154,4

4,6

3,1

0,673913

0,0002

70,56

8

1470

0,000680272

9231,6

4,6

2,92

0,634783

0,0002

105,84

9

2340

0,00042735

14695,2

4,7

2

0,425532

0,0002

168,48

10

4100

0,000243902

25748

4,73

1,2

0,2537

0,00015

221,4

11

8800

0,000113636

55264

4,74

0,84

0,177215

0,0001

316,8

12

9800

61544

4,68

0,6

0,128205

0,00003

105,84

13

12800

0,0000781

80384

4,68

0,28

0,059829

0,000022

101,376

14

24320

0,0000411

152729,6

4,6

0,04

0,008696

0,000012

105,0624

15

31500

0,0000317

197820

4,6

0,018

0,003913

0,000007

79,38

16

56790

0,0000176

356641,2

4,64

0,007

0,001509

0,000005

102,222

17

94230

0,0000106

591764,4

4,6

0,004

0,00087

0,000025

848,07

18

198700

0,0000050

1247836

4,6

0,004

0,00087

0,00001

715,32

19

336123

0,0000030

2110852,44

4,62

0,003

0,000649

0,000009

1089,039

20

0,0000015

4275298,4

4,52

0,003

0,000664

0,0000045

1102,864

21

785410

0,0000013

4932374,8

4,5

0,003

0,000667

0,0000035

989,6166


Рисунок 4. АЧХ фильтра низких частот второго порядка.

Рисунок 5. ФЧХ фильтра низких частот второго порядка.

Таблица 2. Частотные характеристики фазовращателя.

f,Гц

T,c

w,рад\с

Ua,B

Uв,В

К

∆t,c

ω,град

1

10

0,100000

62,8

3,82

4,4

1,151832

0,868182

54

2

15

0,065789

95,456

4,1

4,4

1,073171

0,931818

38,304

3

24

0,042373

148,208

4,3

4,4

1,023256

0,977273

30,5856

4

28

0,035714

175,84

4,2

4,4

1,047619

0,954545

25,2

5

75

0,013333

471

4,4

0,977778

1,022727

21,6

6

108

0,009259

678,24

4,5

4,4

0,977778

1,022727

19,0512

7

170

0,005882

1067,6

4,5

4,6

1,022222

0,978261

27,54

8

322

0,003106

2022,16

4,5

4,6

1,022222

0,978261

46,368

9

1100

0,000909

6908

4,72

4,6

0,974576

1,026087

91,08

10

1502

0,000666

9432,56

4,72

4,6

0,974576

1,026087

86,5152

11

3288

0,000304

20648,64

4,72

4,6

0,974576

1,026087

106,5312

12

7900

0,000127

49612

4,72

4,6

0,974576

1,026087

170,64

13

16800

0,000060

4,72

4,6

0,974576

1,026087

187,488

14

32700

0,000031

205356

4,72

4,6

0,974576

1,026087

258,984

15

79000

0,000013

496120

4,72

4,63

0,980932

1,019438

176,328

16

135600

0,000007

851568

4,72

4,63

0,980932

1,019438

209,9088

17

232000

0,000004

1456960

4,6

4,63

1,006522

0,993521

233,856

18

592000

0,000002

3717760

4,6

4,63

1,006522

0,993521

340,992

19

1020000

0,000001

6405600

4,6

4,2

0,913043

1,095238

330,48

20

2100000

0,00000048

13188000

4,6

4,2

0,913043

1,095238

529,2

21

6980000

43834400

4,54

3,2

0,704846

1,41875

954,864


Рисунок 6. АЧХ модуля фазовращателя.

Рисунок 7. ФЧХ модуля фазовращателя.

Вывод

В данной лабораторной работе были изучены схемы построения активных фильтров первого, второго порядка на операционных усилителях. Экспериментальным путем получены амплитудно-частотные и фазо-частотные характеристики фильтров. Выяснили, что с увеличением частоты амплитуда выходного напряжения у ФВ меняется незначительно, а у ФНЧ2 изменяется значительно с 4. 6В до 0.003В. Отклонение экспериментальных характеристик от теоретических связанно с погрешностью в измерениях,

Похожие работы на - Активные фильтры на операционных усилителях

 

Не нашли материал для своей работы?
Поможем написать уникальную работу
Без плагиата!
Без нейросетей!