Сопротивление воздушных линий электропередачи

  • Вид работы:
    Контрольная работа
  • Предмет:
    Физика
  • Язык:
    Русский
    ,
    Формат файла:
    MS Word
    279,13 Кб
  • Опубликовано:
    2015-03-23
Вы можете узнать стоимость помощи в написании студенческой работы.
Помощь в написании работы, которую точно примут!

Сопротивление воздушных линий электропередачи















РАСЧЕТ ТРЕХФАЗНОГО СИММЕТРИЧНОГО ЗАМЫКАНИЯ

1. Технические данные элементов электрической сети

Длины линий электропередачи

Л5= 35 км; Л6 = 24 км; Л10 = 40 км;

ЛК2= 0,2 км; ЛК3 = 0,3 км; ЛК4 = 0,05 км;

Технические данные элементов электрической сети

ГЭС-2 турбогенераторы тип СВ 790/106-52 в количестве 4 шт

РН = 25 МВт;

cos φН = 0,8;

UН = 10,5 кВ;

Х”d = 0,23 о.е;'d = 0,28 о.е;

ТЭЦ-2 турбогенераторы тип ТВФ-100-2 в количестве 3 шт

РН = 100 МВт;

cos φН = 0,85;

UН = 10,5 кВ;

Х”d = 0,183 о.е;

Х’d = 0,263 о.е;

X2 = 0,223 o.e;

X0 = 0,095 o.e

Таблица 1. Данные трансформаторов

Транс- форматор

Марка

Количество

Sном , МВА

ВН/НН Uном, кВ

uк %

T3

ТМ-630/35

1

0,63

35/10,5

6,5

Т5

ТД-10000/35

1

10

38,5/10,5

7,5

Т6

ТД-40000/35

1

40

35,5/10,5

8,5

Т7

ТРДН-40000/35

10

40

36,75/10,5

8,5

Т8

ТМН-1600/35

1

1,6

35/10,5

6,5

Т9

ТРДН-32000/35

4

32

36,75/10,5

11,5


Таблица 2. Данные реакторов

Реакторы

Марка

Iном , А

Uном, кВ

хр %

Р2

ТРМТ35-200-6

35

6

Р4

РТДМ-35-1000-10

1000

35

10

Р5

РТМТ-35-500-10

500

35

10


Система

SК = 1400 МВ·А;

Uном = 35 кВ;

Нагрузки

Н2 - SH1 = 1,8 МВ·А;

Н4 - SH2 = 2,5 МВ·А;

Н6 - SH3 = 7 МВ·А;

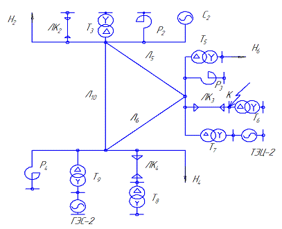
Номер точки короткого замыкания для которой производится расчет - К

Рис 1.

Расчетная схема сети

Примечание.

.Все генераторы имеют АРВ.

.Воздушные линии одноцепные со стальным грозозащитным тросом.

.Тип соединения обмоток трансформаторов студент выбирает сам.

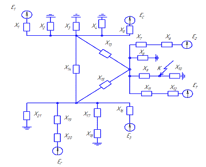
. Параметры схемы замещения электрической сети в относительных единицах

Составляем электрическую схему замещения для прямой последовательности (показана на рис. 1 чертежа схем прямой последовательости) рис 2.

рис 2.

Где Е1 - соответствует ЭДС нагрузки Н2;

Е2 - соответствует ЭДС нагрузки Н6;

Е3 - соответствует ЭДС нагрузки Н4;

Ет - соответствует ЭДС генераторов ТЭЦ-2;

Ег - соответствует ЭДС генераторов ГЭС-2;

Сопротивления

x1 - сопротивление нагрузки Н2;

x2 - сопротивление кабельной линии ЛК2;

x3 - сопротивление трансформатора Т2;

x4 - сопротивление реактора Р2;

x5 - сопротивление системы С2;

x6 - сопротивление нагрузки Н6;

x7 - сопротивление трансформатора Т5;

x8 - сопротивление реактора Р3;

x9 - сопротивление кабельной линии ЛК3;

x10 - сопротивление трансформатора Т6;

x11 - сопротивление параллельно работающих n = 10 трансформаторов ТЭЦ-2;

x12 - сопротивление параллельно работающих n = 3 генераторов ТЭЦ-2;

x13 - сопротивление линии электропередачи Л5;- сопротивление линии электропередачи Л10;- сопротивление линии электропередачи Л6;- сопротивление нагрузки Н4;- сопротивление кабельной линии ЛК4;- сопротивление трансформатора Т8;- сопротивление параллельно работающих n = 4 трансформаторов ГЭС-2- сопротивление параллельно работающих n = 4 генераторов ГЭС-2- сопротивление реактора Р4

. Прямая последовательность

Так как нагрузки Н2 и Н4 сильно удалены то ими можно пренебречь. На шинах кабельной линии ЛК2,ЛК4, трансформаторов Т8,Т3, реакторов отсутствует нагрузка то ими также можно пренебречь. После упрощения схема получится на рисунке 3.

рис 3

Выполним расчет в именованных единицах

Примем

Найдем сопротивления схемы замещения;

Системы

 Ом.

Сопротивление n параллельно работающих трансформаторов ГЭС

 Ом.

Сопротивление n параллельно работающих трансформаторов ТЭЦ

Ом.

Сопротивление трансформатор Т5

 Ом.

Сопротивление параллельно работающих генераторов ГЭС

Ом.

Сопротивление параллельно работающих генераторов ТЭЦ

Ом.

Сопротивление линии Л10, Л5, Л6 (примем худ равным 0,4 Ом/ км)

Ом

Ом.

Сопротивление линии ЛК3 (примем худ равным 0.15 Ом/1000 км)

Ом.

Сопротивление нагрузки Н6

Ом.

Находим фазные ЭДС генераторов станций используя формулу


ЭДС генераторов ГЭС (предварительно находим значение sin φ)


ЭДС генераторов ТЭЦ (предварительно находим значение sin φ)


ЭДС системы

ЭДС обобщенной нагрузки (принимаем по таблице 4 методических указаний)


Упрощаем схему замещения объединяя последовательно соединенные сопротивления в одно, а также преобразуем из треугольника в эквивалентную звезду.

рис. 4


Упрощаем схему замещения объединяя последовательно соединенные сопротивления в одно, а также разносим сопротивление Х’15на генерирующие ветви Ег и Ес.


рис. 5


Разносим сопротивление Х’15на генерирующие ветви Ег и Ес:


Упрощаем схему, разносим сопротивление Х’15на генерирующие ветви

рис 6


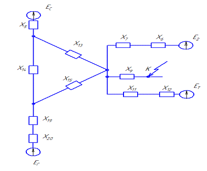
. Обратная последовательность

Схема обратной последовательности отличается от схемы прямой последовательности отсутствием питающих ЭДС и тем, что сопротивление генераторов для обратной последовательности отличается от сопротивления для прямой последовательности.

Для упрощения записи можно использовать коэффициент

где k для гидрогенератора равное 1,22, для турбогенератора Х2/Х’’d.

В результате получим результирующее сопротивление:


Схема замещения представлена на рисунке 7 схемы замещения обратной последовательности

рис 6.

. Нулевая последовательность

Схема замещения представлена на рисунке 7 схемы замещение нулевой последовательности.

В схему замещения входят трансформаторы, нейтрали которых заземлены(в нашем случае их можно не учитывать, так как обмотка на ВН соединена по схеме треугольник), реакторы и линии электропередачи.


рис 7.

Выполним расчет в именованных единицах

Примем

Найдем сопротивления схемы замещения;

Системы

Сопротивление нагрузок


Сопротивление линии Л10, Л5, Л6:

Упрощаем схему


Преобразуем из треугольника в эквивалентную звезду

рис .8


Упрощаем схему


рис 9.

Упрощаем схему

рис .10


Найдем значение тока короткого замыкания.

Находим результирующее сопротивление прямой, обратной и нулевой последовательности:

электрический сеть трансформатор

Напряжение к.з.


Литература

1.      Л.Д. Рожкова, В.С. Козулин “Электрооборудование станций и подстанций”, учебник для техникумов. «Энергия», 1980г.

.        Мошкин В.И. “Расчет токов короткого замыкания”, методические указания к курсовому проектированию по дисциплине «Переходные процессы в системах электроснабжения» для студентов направления 140200 (специальность 140200 «Электроснабжение»). КГУ, Курган, 2005г.

Похожие работы на - Сопротивление воздушных линий электропередачи

 

Не нашли материал для своей работы?
Поможем написать уникальную работу
Без плагиата!
Без нейросетей!