|
Точка
КЗ
|
Токи
и напряжения в месте установки защиты
|
|
K(1)
|
K(2)
|
K(1,1)
|
K(3)
|
|
U,
кВ
|
Ik,
кА
|
U,
кВ
|
Ik,
кА
|
U,
кВ
|
Ik,
кА
|
U,
кВ
|
Ik,
кА
|
|
8
|
23,95
|
1,235
|
26,05
|
2,410
|
32,09
|
3,120
|
20,049
|
4,047
|
|
6
|
23,12
|
2,489
|
25,87
|
3,891
|
31,976
|
4,630
|
19,56
|
4,915
|
20,45
|
4,937
|
21,09
|
7,976
|
31,101
|
8,593
|
18,73
|
9,675
|
2.3 Выбор защиты линии
С учётом особенности данной линии, а также
руководствуясь рекомендациями по выбору защит линий [1,2,3], предусматриваем
следующие виды защит для выбранного объекта:
трехступенчатую дистанционную (ДЗ) - для защиты
линии от междуфазных коротких замыканий;
четырехступенчатую токовую направленную защиту
нулевой последовательности (ТНЗНП) - для защиты линии при замыканиях на землю;
токовую отсечку - для резервирования ДЗ при “близких”
коротких замыканиях.
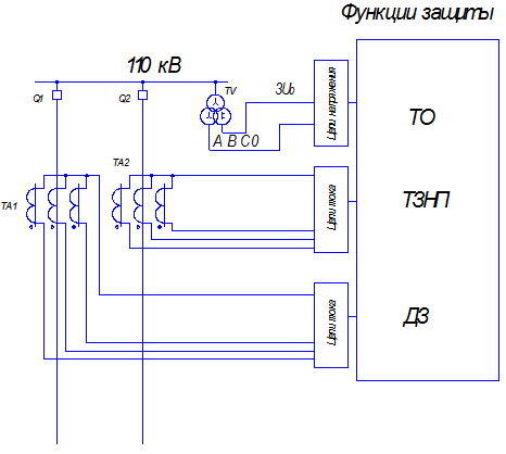
Расчёт защит выполняем на базе аналогового шкафа
ШДЭ2802. Он содержит основной и резервный комплекты, имеющие независимые цепи
переменного тока и питания оперативным током, раздельные цепи переменного
напряжения, отдельные выходные промежуточные реле.
. Основной комплект защит включает в себя:
трехступенчатую дистанционную защиту с
блокировкой при качаниях и неисправностях в цепях напряжения;
токовую отсечку (ненаправленную);
четырехступенчатую ТНЗНП;
реле УРОВ;
блок питания.
. Резервный комплект защит состоит из:
двухступенчатой дистанционной защиты;
токовой отсечки;
двухступенчатой ТНЗНП;
блока питания.
2.4 Расчёт установок защит
.4.1 Токовая отсечка (ТО)
Селективность ТО достигается ограничением её
зоны действия так, чтобы отсечка не работала при КЗ за пределами этой зоны, на
смежных участках сети, РЗ которых имеет выдержку времени равную или большую,
чем отсечка. Для этого ток срабатывания отсечки должен быть больше
максимального тока, проходящего через неё при повреждении в конце участка, за
пределами которого она не должна работать. Измерительный орган тока отсечки от
междуфазных КЗ включают на токи фаз А и С. Ток срабатывания определим по
условию отстройки от КЗ в конце линии в точке 6 схемы замещения:
,
где kотс=1,2 [1].
Тогда получим
.
Коэффициент чувствительности ТО
проверяем при К(2) вблизи места установки защиты в минимальном режиме (точка
6):
.
Тогда получим
.
Для резервных защит kч должен быть
не менее 1,2 [1], следовательно, ТО по условиям чувствительности не
удовлетворяет требованиям ПУЭ.
2.4.2 Дистанционная защита
Измерительные органы каждой ступени
имеют три реле сопротивления, включенные на разность фазных токов и междуфазные
напряжения.
Первичное сопротивление срабатывания
1-ой ступени
выбирается
по условию отстройки от металлического КЗ на шинах подстанции на
противоположном конце линии:
,
где
- сопротивление защищаемой линии;
=1,15 - коэффициент отстройки,
учитывающий погрешности ТТ и ТН и необходимый запас [1].
Рис. 3
Чувствительность ступени не
проверяется в соответствии с [6].
Первичное сопротивление срабатывания
2-ой ступени
принимается
меньшим из полученных по условиям [2]:
) согласования с I ступенью защиты
предыдущей линии:
;
) для линий ВН (СН) - отстройки от
КЗ на шинах СН (ВН) автотрансформатора ПС, примыкающей к противоположному концу
линии, или отстройки от КЗ на стороне НН трансформатора ПС (включенного
аналогично автотрансформатору)
;
3) согласования с первой ступенью
защиты, установленной на противоположном (по отношению к месту установки
рассматриваемой защиты) конце параллельной линии -
, при
каскадном отключении повреждения на ней:
;
где
- минимально возможное
сопротивление параллельно работающих автотрансформаторов или обмоток
параллельно работающих трансформаторов;
- коэффициент, учитывающий
погрешности измерительных трансформаторов и релейной аппаратуры;
- коэффициенты токораспределения,
равные отношению первичного тока в месте установки защиты к току,
соответственно, в предыдущей линии, автотрансформаторе или в параллельной
линии;
- отношение синусов угла расчетного
сопротивления и угла максимальной чувствительности.
Коэффициент чувствительности II
ступени защиты определяется по выражению:
,
где
- максимальное первичное
сопротивление в месте установки защиты при металлическом КЗ в конце защищаемой
линии; на линиях с односторонним и двухсторонним питанием
. Если угол
комплекса
отличается
от угла максимальной чувствительности
, то
.
Допустимое в соответствии с ПУЭ
значение
.
С учётом особенностей выбранной
линии уставку
определим
по второму условию
,
где ZТ =
-
сопротивление трансформатора в конечной отпайке;
;
;
;

Тогда получим
Рис. 4 - Характеристика срабатывания
2-ой ступени ДЗ
Чувствительность защиты проверяется
при металлическом КЗ в конце защищаемой линии [6]
Выдержка времени
,
где
= 0,1с - максимальное время действия
быстродействующих защит следующего участка или защит трансформаторов отпаек;
- ступень селективности.
Первичное сопротивление срабатывания
III ступени выбирается прежде всего при возможности отстройки от максимального
нагрузочного режима по углу [6]. Для этого следует выбрать угол
правой
боковой стороны характеристики реле сопротивления III ступени:
,
где
- дополнительный угол;
=> невозможно отстроиться по
углу, т.к.
.
Рис. 5
Если не удается обеспечить отстройку
от нагрузочного режима по углу, то первичное сопротивление срабатывания III
ступени
выбирается
по условию отстройки от
по
выражению:
,
где
=1,05 - коэффициент возврата реле
сопротивления;
Тогда получим:
После этого проверяется,
обеспечивается ли требуемый коэффициент чувствительности [6]
При КЗ за трансформатором
.
Для правильной работы должна быть
проверена чувствительность каждой ступени по току точной работы, определяемая
коэффициентом чувствительности
при КЗ между тремя фазами в
расчетной точке:
,
где
- минимальный первичный ток точной
работы рассматриваемой ступени защиты. Эта проверка осуществляется для 1-ой и
2-ой ступени, т.к. чувствительность реле сопротивления 3-й ступени по току
точной работы, как правило обеспечивается.
Ток
для I и II ступеней допустимо
определять при КЗ в конце защищаемой линии, при этом минимальное значение
.
Определим уставки срабатывания реле
сопротивления (примем kTA=600/5 и kTV=110000/100):
Находим ток точной работы реле
сопротивления для 1-ой и 2-ой ступеней по техническим данным шкафа ШДЭ2802 [6]:
-ая ступень -
, 2-ая
ступень -
.
Проверяем чувствительность по току
точной работы для каждой ступени:
;
.
2.4.3 Токовая направленная защита
нулевой последовательности
Измерительные органы ТНЗНП - реле
тока нулевой последовательности в I - IV ступенях защиты; орган направления
мощности, содержащий разрешающее и блокирующее реле направления мощности; реле
минимального напряжения НП. Расчет уставок производим в соответствии с
рекомендациями [1, 2, 3].
Расчет I ступени
Ток срабатывания выбирается из
условия:
отстройки от тока замыкания в конце
линии в максимальном режиме (точка 6 на схеме замещения):
,
где kотс=1,3...1,5 - коэффициент
отстройки.
или отстройки от утроенного тока
нулевой последовательности при неодновременном включении фаз выключателя:
.
Ток срабатывания определяем по
первому условию, так как выключатели на ЛЭП 110 кВ, как правило, не имеют
пофазного управления выключателями.
.
Чувствительность ступени не
проверяется в соответствии с [6].
Расчет II ступени
Ток срабатывания определяется из
условий:
) согласования I ступени защиты
предыдущей линии:
;
2) отстройки от утроенного тока нулевой
последовательности в защите в неполнофазном режиме в цикле ОАПВ.
Поскольку линия питается непосредственно от шин
электростанции и выключатели не имеют пофазного управления, то эти условия в
данном случае неприменимы.
Определим ток срабатывания исходя из требуемого
коэффициента чувствительности при однофазном КЗ в конце зоны (точка 6):
;
Время срабатывания определяется из
условия отстройки от времени срабатывания быстродействующих защит смежного
элемента. В данном случае это дифференциальная защита трансформатора
,
где tбыстр=0,1c; Δt=0,5c
- ступень селективности.
Расчет III ступени. Обычно имеет
орган направления мощности и применяется как резервный в случаях
неудовлетворительной чувствительности II ступени [6].
Расчет IV ступени. Ток срабатывания
отстраивается от тока небаланса в нулевом проводе ТТ при трехфазных КЗ за
трансформаторами отпаек.
,
где kотс=1,25; kпер=2, при
и kпер=1,
при
- учитывает
увеличение тока небаланса в переходном режиме; нб=0,05 при Iрасч=(2...3)
Iном.Т, при
, kнб=0,05…1
- коэффициент небаланса, зависящий от кратности расчетного тока к номинальному
току ТТ;

,
где
- из результатов расчёта программы
CSC.
Время срабатывания определяется из
условия отстройки от tс.з последних ступеней защиты трансформатора:
;
3. Выбор микропроцессорной защиты
В качестве микропроцессорной защиты
объекта можно выбрать шкаф ШДЭ2802 производства ЗАО “ЧЭАЗ”.
Шкаф ШДЭ2802 состоит из двух
одинаковых комплектов с возможностью независимого обслуживания. Каждый комплект
реализует следующие функции защиты и автоматики:
трехступенчатая ДЗ;
четырехступенчатая ТНЗНП;
ТО;
Аппаратно указанные выше функции
реализованы на базе микропроцессорного терминала БЭ2704 011.
Выводы
В данной работе мы ознакомились с
расчетом параметров двухцепной ЛЭП 110кВ, а также с моделированием коротких
замыканий и расчетом защит выбранного объекта.
По полученным результатам расчетов
системы с помощью программы моделирования коротких замыканий “CSC - Student
Edition V 1.0b” мы смоделировали все возможные виды КЗ, рассчитали установки и
проверили чувствительность защит. Состав защит выбран в соответствии с
требованиями ПУЭ.
С учётом выбора защит и особенностей
объекта, полную защиту выбираем на базе шкафа ШДЭ2802 производства ЗАО “ЧЭАЗ”.
Список рекомендуемой литературы
1. Правила
устройства электротехнических установок. М.: Энергия, 1985. 480 с.
2. Руководящие
указания по релейной защите. Вып. 1 - 13. Релейная защита энергообъектов
110-750 кВ. М.: Энергия, 1970-1990.
. Электротехнический
справочник: В 3 т. Т.3, кн.1. Производство и распределение электрической
энергии/ Под общ. ред. профессоров МЭИ. 7-е изд., испр. и доп. М.:
Энергоатомиздат, 1988. 880 с.
. Неклепаев
Б.Н., Крючков И.П. Электрическая часть электростанций и подстанций: Справочные
материалы для курсового дипломного проектирования. М: Энергоатомиздат, 1989.
. Чернобровов
Н.В., Семенов В.А. Релейная защита энергетических систем. М.: Энергоатомиздат,
1998. 800 с.
. Дьяконов
А.Ф., Платонов В.В. Основы проектирования релейной защиты электроэнергетических
систем. М.: Издательство МЭИ, 2000.-248с.
Приложение 1
Режим однофазного КЗ
Режим однофазного КЗ
(максимальный режим, КЗ фазы А)
Файл исходных данныхK16 0.00011 0 (63.509,0)3 0
(63.509,0)1 2 0.0001+33.86j 0.0001+33.86j 0.0001+16.93j 2 5 0.0001+18.18j
0.0001+18.18j 0.0001+18.18j3 4 0.0001+33.86j 0.0001+33.86j 0.0001+16.93j4 5
0.0001+18.18j 0.0001+18.18j 0.0001+18.18j5 6 5.228+9.423j 5.228+9.423j
10.654+28.892j6 7 4.4004+86.7419j 4.4004+86.7419j 0.00017 8 4270.588+13580.47j
4270.588+13580.47j 0.00016 9 4.4004+86.7419j 4.4004+86.7419j 0.00019 10
4270.588+13580.47j 4270.588+13580.47j 0.0001
Результаты расчёта
(КЗ в точке 6)
V(1) F19.43321e-006-5.24299e-005i(2)
F19.43321e-006-5.24299e-005i(0) F19.43321e-006-5.24299e-005i(A)
F12.82996e-005-0.00015729i(B) F16.76532e-015+1.69562e-015i(C) F11.21496e-014+1.69562e-015i(1)
V163.509-2.112e-015i
V(2) V17.10543e-015-1.08802e-014i(0)
V17.10543e-015-3.55271e-015i(A) V163.509-1.65449e-014i(B)
V1-31.7545-55.0004i(C) V1-31.7545+55.0004i(1) V263.509-1.22466e-015i(2)
V27.10543e-015-3.55271e-015i(0) V27.10543e-015-2.22045e-015i(A)
V263.509-6.99782e-015i(B) V2-31.7545-55.0004i(C) V2-31.7545+55.0004i(1)
Zg18.87639+1.59702i(2) Zg18.87639+1.59702i(0) Zg14.4382+0.798495i(A)
Zg122.191+3.99253i(B) Zg1-4.43819-0.798521i(C) Zg1-4.43819-0.798521i(1) Zt14.76588+0.857453i(2)
Zt14.76588+0.857453i(0) Zt14.76588+0.857453i(A) Zt114.2977+2.57236i(B)
Zt1-6.1384e-010+7.98455e-010i(C) Zt16.63841e-010+7.81144e-010i(1)
Zg28.87639+1.59702i(2) Zg28.87639+1.59702i(0) Zg24.4382+0.798495i(A)
Zg222.191+3.99253i(B) Zg2-4.43819-0.798521i(C) Zg2-4.43819-0.798521i
V(1) Zt24.76588+0.857453i(2)
Zt24.76588+0.857453i(0) Zt24.76588+0.857453i(A) Zt214.2977+2.57236i(B)
Zt2-6.13826e-010+7.9847e-010i(C) Zt26.63849e-010+7.81124e-010i(1)
Zl15.43364-1.85214i(2) Zl15.43364-1.85214i(0) Zl116.1531-2.86044i(A)
Zl127.0203-6.56473i(B) Zl110.7194-1.0083i(C) Zl110.7194-1.0083i(1)
Ztr11.42109e-014+6.66134e-016i(2) Ztr16.66134e-016i(0) Ztr16.77626e-021i(A)
Ztr11.42109e-014+1.33227e-015i(B) Ztr1-7.10543e-015-1.29731e-014i(C)
Ztr1-7.10543e-015+1.16408e-014i(1) Zn11.33227e-015i(2) Zn10(0) Zn10(A)
Zn11.33227e-015i(B) Zn11.15378e-015-6.66134e-016i(C)
Zn1-1.15378e-015-6.66134e-016i(1) Ztr2-1.42109e-014+3.10862e-015i(2)
Ztr2-7.10543e-015+3.55271e-015i(0) Ztr26.77626e-021-2.03288e-020i(A)
Ztr2-2.13163e-014+6.66132e-015i(B) Ztr21.02736e-014+2.82279e-015i
V(C)
Ztr21.10427e-014-9.48417e-015i(1) Zn2-7.10543e-015+5.32907e-015i(2)
Zn21.9984e-015i(0) Zn20(A) Zn2-7.10543e-015+7.32747e-015i(B)
Zn26.43716e-015+2.48974e-015i(C) Zn26.6827e-016-9.81722e-015i(1) F10.0943321-0.524299i(2)
F10.0943321-0.524299i(0) F10.0943321-0.524299i(A) F10.282996-1.5729i(B)
F16.76532e-011+1.69562e-011i(C) F11.21496e-010+1.69562e-011i(1)
V1-0.0471661+0.26215i(2) V1-0.0471661+0.26215i(0) V1-0.0471661+0.26215i(A)
V1-0.141498+0.786449i(B) V1-4.39217e-011-3.37657e-011i(C)
V1-4.29695e-011+3.65147e-011i(1) V2-0.0471661+0.26215i(2)
V2-0.0471661+0.26215i(0) V2-0.0471661+0.26215i(A) V2-0.141498+0.786449i(B)
V2-4.39207e-011-3.37662e-011i(C) V2-4.29682e-011+3.65152e-011i(1)
Zg10.0471661-0.26215i(2) Zg10.0471661-0.26215i(0) Zg10.0471661-0.26215i(A)
Zg10.141498-0.786449i
A(B)
Zg14.39193e-011+3.37658e-011i(C) Zg14.29671e-011-3.65133e-011i(1)
Zt10.0471661-0.26215i(2) Zt10.0471661-0.26215i(0) Zt10.0471661-0.26215i(A)
Zt10.141498-0.786449i(B) Zt14.39192e-011+3.37648e-011i(C)
Zt14.29675e-011-3.65147e-011i(1) Zg20.0471661-0.26215i(2)
Zg20.0471661-0.26215i(0) Zg20.0471661-0.26215i(A) Zg20.141498-0.786449i(B)
Zg24.39189e-011+3.37663e-011i(C) Zg24.29675e-011-3.65134e-011i(1)
Zt20.0471661-0.26215i(2) Zt20.0471661-0.26215i(0) Zt20.0471661-0.26215i(A)
Zt20.141498-0.786449i(B) Zt24.39201e-011+3.3764e-011i(C)
Zt24.29663e-011-3.65152e-011i(1) Zl13.0943321-1.524299i(2)
Zl13.0943321-1.524299i(0) Zl13.0943321-1.524299i(A) Zl10.282996-1.5729i(B)
Zl18.78391e-011+6.75309e-011i(C) Zl18.59337e-011-7.30287e-011i(1)
Ztr11.59495e-017-1.6302e-016i(2) Ztr17.65978e-018+3.88579e-019i(0)
Ztr16.77626e-017i
A(A)
Ztr12.36093e-017-9.48689e-017i(B) Ztr1-1.53321e-016+1.41899e-016i(C)
Ztr11.29711e-016+1.56257e-016i(1) Zn18.92736e-020+2.80735e-020i(2) Zn10(0)
Zn10(A) Zn18.92736e-020+2.80735e-020i(B) Zn1-2.03245e-020-9.13499e-020i(C)
Zn1-6.89491e-020+6.32765e-020i(1) Ztr22.7456e-017+1.65222e-016i(2)
Ztr23.67073e-017+8.37767e-017i(0) Ztr26.77626e-017-2.03288e-016i(A)
Ztr21.31926e-016+4.57109e-017i(B) Ztr21.06215e-016-3.19775e-016i(C)
Ztr2-3.48527e-017-3.35799e-016i(1) Zn22.07369e-019+5.8842e-019i(2)
Zn21.3391e-019+4.21102e-020i(0) Zn20(A) Zn23.4128e-019+6.3053e-019i(B)
Zn23.02478e-019-3.78882e-019i(C) Zn2-6.43758e-019-2.51648e-019i(1) 644.4331-0.602325i(2)
625.3572-1.2046i(0) 69.43321-5.24299i(A) 669.7903-1.80697i(B)
6-34.3735-15.6168i(C) 6-35.4167+17.4236i(1) 163.509-2.112e-015i(2)
144.4331-0.602272i
U(0) 125.3572-1.20454i(A)
1133.299-1.80682i(B) 1-28.0923-17.4236i(C) 1-29.1355+15.6168i(1) 363.509-1.22466e-015i(2)
344.4331-0.602272i(0) 325.3572-1.20454i(A) 3133.299-1.80682i(B)
3-28.0923-17.4236i(C) 3-29.1355+15.6168i(1) 254.6326-1.59702i(2)
235.5567-2.19929i(0) 220.919-2.00304i(A) 2111.108-5.79934i(B)
2-23.6541-16.6251i(C) 2-24.6973+16.4153i(1) 549.8667-2.45447i(2)
530.7908-3.05674i(0) 527.1531-2.86049i(A) 596.8106-8.3717i(B)
5-23.6541-16.6251i(C) 5-24.6973+16.4153i(1) 454.6326-1.59702i(2)
435.5567-2.19929i(0) 420.919-2.00304i(A) 4111.108-5.79934i(B)
4-23.6541-16.6251i(C) 4-24.6973+16.4153i(1) 744.4331-0.602325i
U(2) 725.3572-1.2046i(0)
79.43321e-006-5.24299e-005i(A) 769.7903-1.80697i(B) 7-34.3735-15.6168i(C)
7-35.4167+17.4236i(1) 844.4331-0.602325i(2) 825.3572-1.2046i(0)
89.43321e-006-5.24299e-005i(A) 869.7903-1.80697i(B) 8-34.3735-15.6168i(C) 8-35.4167+17.4236i(1)
944.4331-0.602325i(2) 925.3572-1.2046i(0) 99.43321e-006-5.24299e-005i(A)
969.7903-1.80697i(B) 9-34.3735-15.6168i(C) 9-35.4167+17.4236i(1)
1044.4331-0.602325i(2) 1025.3572-1.2046i(0) 109.43321e-006-5.24299e-005i(A)
1069.7903-1.80697i(B) 10-34.3735-15.6168i
U(C) 10-35.4167+17.4236i
Приложение 2
Схема включения защиты