Автоматизация и модернизация резервуарного парка

  • Вид работы:
    Дипломная (ВКР)
  • Предмет:
    Информатика, ВТ, телекоммуникации
  • Язык:
    Русский
    ,
    Формат файла:
    MS Word
    584,84 Кб
  • Опубликовано:
    2014-07-04
Вы можете узнать стоимость помощи в написании студенческой работы.
Помощь в написании работы, которую точно примут!

Автоматизация и модернизация резервуарного парка

РЕФЕРАТ

Дипломный проект 85 с., 20 рисунков, 16 таблиц, 11 использованных источников, 2 приложения.

РЕЗЕРВУАРНЫЙ ПАРК, УРОВЕНЬ ВЗЛИВА, ВИБРАЦИОННЫЙ СИГНАЛИЗАТОР УРОВНЯ, УСТРОЙСТВО ДЛЯ РАЗМЫВА ДОННЫХ ОТЛОЖЕНИЙ, АВТОМАТИЧЕСКОЕ УПРАВЛЕНИЕ ЗАДВИЖКАМИ

Объектом исследования являются способы сигнализации уровня жидкости в резервуаре и устранения донных отложений.

В процессе исследования рассмотрены существующие способы контроля и регистрации уровня жидкости в резервуаре, а также метод устранения донных отложений.

Цель работы - совершенствование и модернизация резервуарного парка.

В результате исследования проведен анализ существующей системы автоматизации, выбран вибрационный сигнализатор уровня и разработана программа управления задвижками резервуара.

Технико-экономические показатели свидетельствуют о повышении надежности системы автоматизации за счет замены устаревшего оборудования.

Степень внедрения - планируется внедрение.

СОДЕРЖАНИЕ

Определения, обозначения и сокращения

Введение

1. Общая характеристика резервуарного парка ЛПДС «Субханкулово»

.1 Краткая характеристика ЛПДС «Субханкулово»

1.2 Технологическая схема ЛПДС «Субханкулово»

.3 Устройство резервуарного парка

.4 Требования к системе автоматизации резервуарного парка

. Патентная проработка

.1 Выбор и обоснование предмета поиска

.2 Регламент поиска

.3 Результаты поиска

.4 Анализ результатов поиска

. Автоматизация резервуарного парка

.1 Объем автоматизации резервуарного парка

.2 Функциональная схема автоматизации резервуара РВС-5000

.3 Описание используемых средств автоматизации

.4 Структура микропроцессорной системы автоматизации резервуарного парка

. Модернизация существующей системы автоматизации резервуарного парка ЛПДС «Субханкулово»

.1 Анализ внедряемого оборудования

.2 Выбор вибрационного сигнализатора уровня

.3 Описание алгоритма автоматического управления объектом

. Безопасность жизнедеятельности и охрана труда

.1 Анализ потенциальных опасностей и производственных вредностей на объекте

.2 Мероприятия по обеспечению безопасных и безвредных условий труда

5.3 Расчет молниезащиты резервуара РВС-5000

. Оценка экономической эффективности проекта

.1      Экономическая характеристика ОАО «Уралсиб - нефтепровод»

.2 Краткая характеристика объекта исследования

.3      Методика расчета экономической эффективности проекта

.4 Расчет экономической эффективности проекта

Заключение

Список использованных источников

Приложение А

Приложение Б

ОПРЕДЕЛЕНИЯ, ОБОЗНАЧЕНИЯ И СОКРАЩЕНИЯ

ЛПДС - линейная производственно-диспетчерская служба

НГДУ- нефтегазодобывающее управление

НПЗ- нефтеперерабатывающий завод

НПС- нефтеперекачивающая станция

РП- резервуарный парк

АРМ- автоматизированное рабочее место

ПАЗ- противоаварийная защита

АПП- автоматический привод поворота

КЗ- короткое замыкание

АЦП- аналогово-цифровой преобразователь

МДП- местный диспетчерский пункт

ПДК- предельно-допустимая концентрация

ПУЭ- правила эксплуатации электроустановок

ПО- программное обеспечение

ПК- персональный компьютер

ЛС- линия связи

ИП- измерительный преобразователь

ЧДД- чистый дисконтированный доход

ВВЕДЕНИЕ

Эксплуатация резервуаров и резервуарных парков - это совокупность процессов по приему, хранению, отпуску, учету нефти, испытанию и введению резервуара в эксплуатацию, его диагностированию, техническому обслуживанию и ремонту.

Стальные вертикальные цилиндрические резервуары являются наиболее распространённым и зарекомендовавшим себя видом хранилищ для нефти и нефтепродуктов.

Линейная производственно-диспетчерская служба (ЛПДС) «Субханкулово» была основана в 1977 году. Тогда она предназначалась для увеличения давления в трубопроводе «Уфа - Западное направление».

Внедрение современных средств автоматизации резервуарного парка ЛПДС является актуальной задачей, т.к. позволит оперативно, в автоматизированном режиме, получать данные для коммерческого учета: уровни взливов и температуру нефти, хранящейся в группе резервуаров.

Двухуровневая система автоматизации обеспечивает контроль, защиту, автоматическое, дистанционное, местное и телемеханическое управление всем оборудованием станции.

Целью данного дипломного проекта является совершенствование и модернизация резервуарного парка ЛПДС «Субханкулово».

Для комплексной и полной проработки вопроса ставлю перед собой следующие задачи:

освоение технологии эксплуатации резервуарного парка и изучение состава его оборудования;

замена устаревшего оборудования на более современное;

внедрение ранее не использовавшихся в ней средств автоматизации.

При работе над проектом были использованы материалы ОАО «АК «Транснефть»» (технологический регламент ЛПДС «Субханкулово»).

1. Общая характеристика резервуарного парка ЛПДС «Субханкулово»

.1 Краткая характеристика ЛПДС «Субханкулово»

Линейно-производственная диспетчерская служба (ЛПДС) «Субханкулово» является производственным подразделением Туймазинского нефтепроводного управления.

ЛПДС «Субханкулово» осуществляет следующие технологические операции:

- прием нефти от нефтегазодобывающих управлений (НГДУ) «Октябрьскнефть» и «Туймазынефть»;

-        перекачку принятой от этих НГДУ нефти по магистральным нефтепроводам на Уфимские нефтеперерабатывающие заводы (НПЗ);

         транзитную перекачку тюменских нефтей;

         обслуживание и ремонт линейной части, закрепленных участков магистральных нефтепроводов;

         обслуживание и ремонт оборудования нефтеперекачивающих насосных и вспомогательных объектов станции [1].

Через ЛПДС перекачивается несколько сортов нефтей, которые отличаются друг от друга составом и местом добычи. Наименование нефтей и их состав приведены в таблице 1.1.

Таблица 1.1 - Наименование нефтей и их состав

Характеристика

Наименование


Тюменская

Туймазинская девонская

Туймазинская угленосная

Удельный вес, т/м3

0,859

0,858

0,88

Содержание воды, %

0,5

0,2

0,3

Содержание хлористых солей, мг/л

50

40-100

100

Содержание механических примесей, %

0,003

0,005

0,002

Кинематическая вязкость при 20 0С, м2

9-11,8

10-14

41,4

Содержание парафина, %

2,7

3,2-3,6

2,16

Температура застывания, 0С

-22

-35

-26

Содержание серы, %

1,36

1,5

2,5

Смолы, %

-

28

39

Выход фракций до 200 0С, %

23

24

17

Выход фракций до 300 0С, %

45

45

36

Выход фракций до 350 0С, %

-

-

-

Упругость паров, мм рт.ст.

-

-

-

Температура вспышки, 0С

-20

-

-

Температура самовоспламенения, 0С

320

-

-


Основное оборудование ЛПДС «Субханкулово» включает:

насосный цех нефтепроводов Туймазы-Уфа (ТУ), ТУ-1, ТУ-3, оборудованный двумя подпорными насосами 20 НДСН с электродвигателем ВАО-560 - 2 шт. № 1,2, двумя магистральными насосами марки НМ 1250х260 с электродвигателем 4 АЗМВ-1-1250 и двумя магистральными насосами марки НМ 360х460 № 3, 4 с электродвигателями 2 АЗМВ-800. Насосами НМ 1250×260 производится перекачка нефти по нефтепроводу ТУ-3 на ЛПДС «Языково». Насосами НМ 360×460 производится перекачка нефти по нефтепроводу ТУ-1 на Уфимские НПЗ;

промежуточная насосная станция (НПС-5) нефтепровода Усть-Балык-Курган-Уфа-Альметьевск (УБКУА). В насосной установлены четыре магистральных насоса серии НМ 10000×210 с электродвигателями СТД 6300. 25 июля 2003 года насосная выведена из состояния безопасного содержания (СБС);

промежуточная насосная станция нефтепровода НКК (НПС-6), оборудованная четырьмя магистральными насосами НМ-10000×210 с электродвигателями СТД-8000;

резервуарный парк, состоящий из десяти резервуаров, три из которых РВС-5000 (№4,7 и 8), находящиеся в эксплуатации с 1962 года, и семи новых резервуаров РВСП-5000. Общая емкость резервуарного парка составляет 50000 м3.

Вспомогательное оборудование ЛПДС «Субханкулово» включает в себя:

узел канализационных сооружений;

систему пожарно-технического снабжения;

систему хозяйственно-питьевого водоснабжения;

систему пенного тушения;

котельную;

нефтяную лабораторию;

ремонтно-механическую службу;

корпус подсобных и вспомогательных помещений с пожарным депо;

корпус аварийно-ремонтной службы;

склад с площадью для труб;

центральный ремонтно-эксплуатационный блок;

площадку пуска и приема скребка на нефтепроводах УБКУА, НКК, ТОН-3, ТУ-1, ТУ-2, ТУ-3;

площадку переключений на нефтепроводах ТОН-1, ТОН-2, ТОН-3, ТУ-1, ТУ-2, ТУ-3;

узлы предохранительных устройств на приеме нефтепроводов УБКУА и НКК;

камеры регулирующих заслонок, оборудованные регулирующими заслонками.

1.2 Технологическая схема ЛПДС «Субханкулово»

Рассмотрим технологическую схему ЛПДС «Субханкулово», представленную на рисунке 1.1.

Нефть поступает на узел предохранительных клапанов СППК, предназначенных для защиты трубопроводов и оборудования НПС от повышенного давления. После узла СППК нефть проходит очистку от механических примесей в фильтрах-грязеуловителях, далее поток поступает на приемный коллектор подпорных насосов 20 НДсН. Приемный коллектор подпорных насосов связан с резервуарным парком перекачивающей станции. После подпорной насосной нефть поступает на узел учета. Учтенная нефть закачивается в нефтепровод с помощью основных насосов марки НМ 1250х260. Для регулирования давления на выходе из НПС установлен узел регулирования давления.

1.3 Устройство резервуарного парка

Одним из основных объектов ЛПДС «Субханкулово» является резервуарный парк предназначенный для обеспечения технологического режима работы насосной № 4 промплощадки № 3.

Резервуары размещены группами, при этом каждая группа из четырех резервуаров ограждена сплошным земляным валом высотой 2,2-2,7 м с уклоном откосов 1:1,5. По верху защитного обвалования имеется площадка шириной 1 м. Через обвалование проходят пешеходные переходы, из бетонных ступеней с перилами ограждения, для обеспечения прохода эксплуатационного персонала. Расстояние между стенками резервуаров РВС-5000 составляет 27 м. Расстояние между стенками ближайших резервуаров, расположенных в соседних группах равно 57 м. Объем обвалования, свободного от резервуаров, составляет 5000 м3.

Резервуары РВС-5000 рассчитаны на избыточное давление 200 мм вод. ст. и разряжение 25 мм вод. ст.

На стальных вертикальных резервуарах РВСП-5000 устанавливается типовое оборудование, отвечающее требованиям стандартов и предназначенное для обеспечения надежной эксплуатации резервуаров, снижения потерь нефти от испарения, а также обеспечения пожарной безопасности.

1.4 Требования к системе автоматизации резервуарного парка

Существует ряд требований к автоматизации резервуарных парков.

Технологические системы автоматизации и телемеханизации РП должны обеспечивать:

- контроль состояния и управление технологическим оборудованием РП из операторной, МДП, РДП (ТДП);

- автоматическую защиту и блокировку управления технологическим оборудованием РП;

регистрацию, архивирование и отображение на АРМ оператора НПС информации о работе технологического оборудования РП;

связь с другими системами автоматизации НПС.

Для обеспечения управления резервуарным парком система автоматизации должна выполнять:

- измерение уровня нефти в каждом резервуаре;

измерение средней температуры нефти в каждом резервуаре;

- измерение температуры окружающего воздуха на площадке РП;

- измерение температуры нефти в пристенном слое резервуара;

расчёт скорости заполнения и скорости опорожнения резервуара;

сигнализацию верхнего аварийного, верхнего допустимого, верхнего нормативного, нижнего аварийного, нижнего допустимого, нижнего нормативного уровня во всех резервуарах;

сигнализацию уровня аварийного запаса в резервуарах, используемых для приема аварийного сброса нефти;

сигнализацию минимального допустимого уровня, обеспечивающего безаварийную эксплуатацию системы размыва донных отложений;

сигнализацию достижения предельной максимальной скорости заполнения, аварийной максимальной скорости заполнения, предельной максимальной скорости опорожнения, аварийной максимальной скорости опорожнения;

сигнализацию превышения предельного давления в трубопроводах резервуарного парка;

дистанционное и автоматическое управление системой размыва донных отложений в резервуарах;

дистанционное и автоматическое управление задвижками резервуарного парка и индикацию их положения [2].

Изучив перечень установленных средств автоматизации на резервуарах, считаю целесообразным заменить устаревший сигнализатор уровня жидкости СУЖ-ПО-2-2 более современным, с целью увеличения надежности и точности срабатывания. Для предотвращения осаждения парафина на днищах резервуаров, которое может привести к аварийной ситуации, предлагаю внедрить широко используемые электромеханические мешалки типа «Диоген».

Более глубокое рассмотрение вопроса будет произведено в специальном разделе данного дипломного проекта.

2. Патентная проработка

.1 Выбор и обоснование предмета поиска

В данном дипломном проекте рассматривается, как было указано выше, автоматизация резервуарного парка линейно-производственной диспетчерской службы «Субханкулово».

Для обеспечения нормального режима работы и своевременного обнаружения нарушений в работе резервуарного парка необходимы постоянный контроль ряда параметров и выдача аварийных сигналов при их отклонении. Одним из таких параметров является уровень жидкости в резервуаре.

Современное отношение к безопасности технологических процессов устанавливает все более жесткие требования к точности и надежности средств автоматизации. В рамках модернизации системы противоаварийной защиты резервуарного парка ЛПДС «Субханкулово» мной была предложена замена устаревшего поплавкового сигнализатора уровня современным вибрационным. Патентный поиск проводился по вибрационным сигнализаторам уровня.

2.2 Регламент поиска

Патентный поиск проводился с использованием фондов УГНТУ по источникам патентной документации Российской Федерации. По зарубежным фондам поиск не проводился по причине их отсутствия

Глубина поиска составляет шесть лет (1995-2011 гг). Поиск проводился по индексам международной патентной классификации (МПК):

G01F 23/00 - «Индикация или измерение уровня жидких, газообразных или сыпучих тел, например индикация изменения объема, индикация с помощью сигнальных устройств»;

G01F 23/24 - «Индикация или измерение уровня жидких, газообразных или сыпучих тел путем измерения сопротивления резистора, изменяющегося за счет контакта с проводящей жидкостью».

При этом использовались следующие источники патентной информации:

полные описания к патентам Российской Федерации;

документы справочно-поискового аппарата;

официальный бюллетень Российского агентства по патентам и товарным знакам «Изобретения. Полезные модели».

2.3 Результаты поиска

Результаты поиска приведены в таблице 2.1.

Таблица 2.1 - Результаты патентного поиска

Страна

Индекс МПК

Номера просмотренных патентов

Выявленные аналоги

Россия

G01F 23/00   G01F 23/24

№№ 2047104, 2269099  № 2047104

№ 2047104 «Вибрационный сигнализатор уровня сыпучих материалов» № 2269099 «Вибрационный сигнализатор уровня»


2.4 Анализ результатов поиска

Рассмотрим более подробно аналоги, перечисленные в таблице 2.1.

Сущность изобретения (патент № 2047104): сигнализатор уровня (рисунок 2.1) содержит чувствительный элемент в виде вибрирующего щупа с наконечником в форме лопатки, второй конец щупа использован в качестве якоря преобразователя перемещений, два жестких упора, расположенных с разных сторон щупа, электромагнит и пружину. Электромагнит и преобразователь перемещений расположены по разные стороны вибрирующего якоря щупа, а с помощью пружины якорь подпружинен к упору со стороны преобразователя перемещений. В качестве жестких упоров использованы сердечники электромагнита и индукционного преобразователя перемещений.

- наконечник в форме лопатки; 2 - вибрирующий щуп; 3 - электромагнит; 4 - пружина; 5 - якорь преобразователя

Рисунок 2.1 - Устройство вибрационного сигнализатора уровня сыпучих материалов

Вибрационный сигнализатор уровня (патент № 2269099) относится к измерительной технике и может быть использовано для контроля уровня сыпучих и жидких материалов. Сущность: вибрационный сигнализатор уровня (рисунок 2.2) содержит чувствительный элемент (щуп), связанный с якорем, устройство возбуждения в виде катушки с ферромагнитным сердечником, а также датчик перемещений якоря, генератор импульсов и последовательно соединенные усилитель и релейный блок. Усилитель охвачен регулируемой отрицательной обратной связью, выполненной в виде резистора. Датчик перемещений якоря может быть выполнен в виде катушки с ферромагнитным сердечником, при этом участок якоря между катушками выполнен из немагнитного материала, что препятствует электромагнитной связи между катушками, обеспечивая защиту от высокочастотных колебаний в системе якорь-катушки-усилитель. Технический результат: изобретение позволяет контролировать уровни сыпучих и жидких продуктов, находящихся в агрессивных средах, под давлением (разряжением) и при температуре до 200°С.

- чувствительный элемент (щуп); 2 - якорь; 3 - ферромагнитный сердечник; 4 - устройство возбуждения; 5 - датчик перемещения якоря; 6 - генератор импульсов; 7 - усилитель; 8 - резистор; 9 - релейный блок

Рисунок 2.2 - Устройство вибрационного сигнализатора уровня

Патентные исследования показали, что на сегодняшний день существует весьма ограниченное количество аналогов вибрационных сигнализаторов уровня, что ни в коем случае не делает их менее востребованными.

Вибрационный сигнализатор уровня, предложенный для контроля уровня жидкости в резервуарах ЛПДС «Субханкулово», имеет сравнительно простой и проверенный принцип действия, что свидетельствует о надежности прибора, отличается удобством использования и четкостью срабатывания по аварийным значениям.

3. Автоматизация резервуарного парка

.1 Объем автоматизации резервуарного парка

Резервуарный парк является одним из основных объектов НПС. Для надежной и эффективной эксплуатации резервуарного парка его автоматизируют.

Система централизованного контроля и управления резервуарным парком ЛПДС «Субханкулово» предусматривает механизацию и автоматизацию операций по приему и откачке нефти, выполнению товарно-учетных операций и защите оборудования от повреждений и аварий.

В резервуарных парках с резервуарами вместимостью свыше 10000 м3 или при числе резервуаров свыше шести меньшей вместимости необходимо предусматривать управление резервуарным парком из местного диспетчерского пункта.

Автоматизация РП предусматривает:

централизацию управления резервуарным парком;

автоматическую защиту;

автоматическое пожаротушение.

Централизация управления резервуарным парком включает:

дистанционное измерение уровня во всех резервуарах;

дистанционное измерение средней температуры нефти во всех резервуарах;

селективную сигнализацию максимального и минимального уровней во всех резервуарах;

аварийную сигнализацию при срабатывании защит;

дистанционное управление задвижками резервуарного парка и сигнализацию их положения.

Для уровнемеров, используемых для учетно-расчетных операций, основная погрешность измерения не должна превышать ± 3,0 мм.

Автоматическая защита резервуарного парка предусматривает:

автоматическую защиту от перелива;

автоматическую защиту от превышения давления в трубопроводах подачи нефти в РП.

Автоматическая защита от перелива должна обеспечивать прекращение поступления нефти в резервуар при достижении в нем максимального (аварийного) уровня нефти и переключение потока нефти в специально выделенную емкость.

Для автоматической защиты от перелива должен использоваться датчик максимального (аварийного) уровня, не связанный с измерителем уровня.

Автоматическая защита от превышения давления в трубопроводах подачи нефти в резервуарный парк может выполняться путем подключения к трубопроводу, в котором повысилось давление, специально выделенной емкости. Подключение емкости должно проводиться с использованием электроприводных задвижек, параллельно которым устанавливаются механические предохранительные клапаны. Реле давления системы защиты должно настраиваться на величину на 10 % ниже, чем соответствующий предохранительный клапан.

В резервуарных парках может предусматриваться контроль скорости наполнения или опорожнения резервуаров.

При превышении допустимой скорости наполнения (опорожнения) открывается задвижка на линии сброса в специально выделенные емкости или подключаются дополнительные резервуары.

В резервуарных парках может предусматриваться блокировка задвижек для предотвращения смешения разной нефти, последовательно перекачиваемой по трубопроводу, что весьма для нас актуально, поскольку через ЛПДС перекачивается несколько сортов нефтей, которые отличаются друг от друга составом и местом добычи [3].

3.2 Функциональная схема автоматизации резервуара РВС-5000

Функциональная схема автоматизации резервуара РВС-5000 приведена на рисунке 3.1.

Работа функциональной схемы автоматизации резервуарного парка ЛПДС

«Субханкулово» состоит в следующем. При технологических операциях, производимых в резервуарах, уровень нефти определяется датчиками уровня 1 (Saab Тank Radar RTG 3920 REX), установленными на каждом резервуаре, термометром 2 определяется температура нефти, имеются сигнализаторы верхнего аварийного уровня 3, пожароизвещатели 4 и датчик температуры стенки резервуара 5. Сигнал, полученный от датчиков, передается на блок системы контроля уровня нефти резервуаров «TankMaster», расположенный в операторной. На экране компьютера появляется информация с изображением самого резервуара, уровня и температуры нефти в нем.

Все приборы, установленные на резервуарах ЛПДС «Субханкулово», обеспечивают своевременное обнаружение отклонений от нормальной работы резервуарного парка, что позволяет избежать аварийных ситуаций, облегчает работу эксплуатационного персонала.

Перечень приборов, устанавливаемых на резервуар, приведен в таблице 3.1.

Таблица 3.1 - Приборы, устанавливаемые на резервуар РВС-5000

Позиц. обознач.

Наименование

Кол.

Примечание

1

Уровнемер Saab Тank Radar RTG 3920 REX

1

0ExdIIAT3

2

Термометр многоточечный Pt-100

1

1ExdIIAT3

3, 4, 5

Сигнализатор предельного уровня СУЖ-П-И

3

1ExdIIAT3

6, 7, 8, 9, 10, 11

Преобразователь температуры ТСМ 012 - 19

6

1ExdIIAT3

14

Преобразователь температуры интеллектуальный серии Метран-280

1

1ExdIIAT3

12, 13, 15, 16

Электропривод задвижки

4

ExiaIICT5X


Список противоаварийных защит приведен в таблице 3.2.

Таблица 3.2 - Список противоаварийных защит

№ сценария защиты

Позиция

Условие срабатывания

Действия технологического оборудования и сигнализация при срабатывании защит

1

1, 3, 4, 5

Верхний аварийный уровень нефти

Без выдержки времени: - визуальная и звуковая сигнализация в операторной, МДП; - выполняется автоматическое закрытие коренных задвижек резервуара; - оперативное сообщение в операторной, МДП

2

6, 7, 8, 9, 10, 11

Срабатывание двух или более автоматических пожарных извещателей резервуара

Без выдержки времени: - автоматический пуск алгоритма тушения пожара в резервуаре, оборудованным пожаротушением; - визуальная и звуковая сигнализация в операторной, МДП; - закрытие задвижек на входе в РП


3.3 Описание используемых средств автоматизации

.3.1 Уровнемер Saab Тank Radar RTG 3920 REX

Система коммерческого учёта нефтепродуктов Saab TankRadar TRL/2 представляет собой систему контроля и измерения уровня, объёма и массы нефти в резервуарах. Система TRL/2 может взаимодействовать с различными датчиками, такими как датчики температуры и давления, осуществляя полный контроль над содержимым резервуара.

Уровнемеры системы TRL/2 способны измерять уровень любых продуктов, включая битум, сырую нефть, продукты переработки, агрессивные химические продукты, сжиженные газы, гранулированные вещества и т.д. Основными компонентами системы TRL/2 являются (рисунок 3.2):

Рисунок 3.2 - Основные компоненты системы TRL/2

радарный уровнемер (RTG) - автономное взрывозащищенное устройство, измеряющее уровень нефти в резервуаре. Он может комплектоваться четырьмя типами антенн в зависимости от требований и условий применения;

модуль сбора данных (DAU) может взаимодействовать с различными датчиками и исполнительными механизмами. Существует две модификации DAU: подчиненный и независимый. Подчиненный DAU предназначен для измерения температуры, в то время как независимый DAU в дополнение к измерениям температуры имеет аналоговые и цифровые входы. Обе модификации могут дополнительно снабжаться жидкокристаллическим дисплеем для местного снятия показаний измерения;

модуль полевого соединения (FCU) используется в качестве концентратора данных и шлюза между полевой шиной и групповой шинами. К каждому FCU могут подключаться до 32 RTG и 32 DAU;

модем полевой шины (FBM) является конвертером данных между компьютерным портом типа RS-232C и шиной TRL/2. Он используется для подключения персонального компьютера с программным обеспечением Saab TankMaster к шине TRL/2;

операторский интерфейс TankMaster WinOpi представляет собой программное обеспечение для представления оператору данных измерений и вычислений TRL/2. Операторский интерфейс также используется для установок срабатывания аварийной сигнализации, эксплуатационных характеристик, конфигурации и калибровки системы TRL/2;

программное обеспечение RadarSetup обычно используется на сервисном переносном персональном компьютере. Программное обеспечение RadarSetup используется для обслуживания и конфигурации радарного уровнемера и не является заменой более мощного WinSetup.

Уровнемер TankRadar REX разработан также для проведения высокоточных измерений объёма и массы нефти непосредственно на базе электронного блока уровнемера и последующей передачи в систему верхнего уровня.

Уровнемер может принимать и обрабатывать сигналы от аналоговых цифровых датчиков давления и датчиков уровня подтоварной воды.

Все измеренные данные передаются по полевой шине для дальнейшей обработки в рабочей станции TankMaster или на главном компьютере предприятия. Из-за высокой производительности процессора уровнемера эти вычисления могут производиться непосредственно в электронном блоке уровнемера.

Ни одна часть уровнемера не находится в реальном контакте с нефтью в резервуаре, и только антенна подвергается воздействию атмосферы резервуара.

Радарный уровнемер подает по направлению к поверхности нефти в резервуаре высокочастотное излучение с непрерывно изменяющейся частотой. Вычисление уровня проводится по отраженному от поверхности нефти сигналу. Излучаемый сигнал и сигнал, отраженный от поверхности нефти, имеют различные частоты, разность между которыми пропорциональна расстоянию до поверхности нефти.

Этот метод называется методом частотно-модулированной непрерывной волны (рисунок 3.3). Для обеспечения точности измерений радарный уровнемер снабжен цифровым эталоном.

Все измеренные данные представляются оператору с помощью операторского интерфейса, который содержит функции учёта уровня нефти в резервуаре. Для дальнейшей обработки полученных данных может подключаться основной компьютер предприятия.

Уровнемер состоит из двух основных частей: основного блока уровнемера и антенны. Уровнемер сконструирован для монтажа на резервуарах с фиксированной кровлей и имеет точность, которая позволяет использовать его при коммерческих операциях. Конструкция параболической антенны устойчива к загрязнению и конденсации паров нефти и воды.

 

Рисунок 3.3 - Метод частотно-модулированной непрерывной волны

Основной блок уровнемера состоит из взрывобезопасного корпуса, электронного блока, интегрированной клеммной коробки и погодозащитного кожуха. На резервуарах ЛПДС «Субханкулово» установлены уровнемеры Saab Тank Radar RTG 3920 REX с конусной антенной (рисунок 3.4).

Техническая характеристика уровнемера приведена в таблице 3.3.

- основной блок; 2 - погодозащитный кожух; 3- конус; 4 - патрубок 8”min

Рисунок 3.4 - Общий вид уровнемера RTG 3920 REX

Таблица 3.3 - Характеристики уровнемера Saab Тank Radar RTG 3920 REX

Параметр

Значение

Рабочая температура в резервуаре не более, оС

+230

Диапазон измерений, м

от 0.8 до 20 ниже фланца

Давление, бар

-0,5 … +2

Кислотостойкая сталь (тип 316), тефлон, FPV(Viton)

Общий вес, кг

20 без фланца

Размеры направляющей трубы, дюймы

8


Плата процессора (SPC) - основная плата электронного блока уровнемера. На ней расположен процессор, предназначенный для решения задач по генерации и обработке модулирующего сигнала, обработке входных и выходных сигналов, а также для выполнения вспомогательных функций.

Плата обработки аналоговых сигналов(APC) используется для фильтрации и усиления аналоговых входных сигналов. При размещении аналоговых усилителей на отдельной плате достигается более высокое соотношение сигнал/шум.

Плата связи (FCC) поддерживает связь с внешними устройствами. Существуют различные версии платы полевой связи для использования различных типов протоколов связи, а также для эмуляции протоколов других типов измерительных приборов.

Плата интерфейса (TIC) используется для искробезопасного подключения дополнительных входов.

Плата температурных входов (TMC) используется для подключения к электронному блоку уровнемера до 6-ти температурных датчиков. Обеспечивается подключение как точечных, так и многозонных температурных датчиков.

Плата релейных выходов (ROC) содержит два реле. Они позволяют управлять внешними устройствами, такими как клапаны, насосы, нагревательные элементы.

Плата (MWB) - материнская плата.

Параболическая антенна обеспечивает качественные измерения при минимальном расстоянии, более узкий луч излучения и, следовательно, меньшее влияние паразитных отражений. Параболическая антенна предназначена для измерений уровня всех типов нефтей, включая такие тяжелые типы нефтей как асфальт [4].

Уровнемер RTG 3920 может монтироваться на патрубке Ду 500 без остановки эксплуатации резервуара.

Поскольку параболическая антенна имеет самый большой диаметр и, следовательно, наиболее узкую диаграмму направленности, то она может использоваться для измерения уровня продукта в самых высоких резервуарах.

Параболическая антенна наиболее устойчива к загрязнению, поэтому она может использоваться в условиях сильного загрязнения ее поверхности, например, битумом или жидкой серой. Параболическая антенна изготавливается с отражателями размером 18" и 20", а также с 6" фланцем для ее монтажа на резервуаре.

Внешний вид параболической антенны показан на рисунке 3.5.

Рисунок 3.5 - Внешний вид параболической антенны

Части антенны, подверженные влиянию атмосферы резервуара, изготавливаются из нержавеющей стали и тефлона, сохраняют свои характеристики в условиях сильного загрязнения зеркала антенны и ее излучателя.

.3.2 Сигнализатор уровня жидкости поплавковый СУЖ-П-И

Сигнализатор уровня жидкости поплавковый СУЖ-П-И предназначен для сигнализации одного, двух или трех предельных уровней жидкости в резервуарах, находящихся во взрывоопасных зонах. По устойчивости к климатическим воздействиям сигнализатор соответствует климатическому исполнению УХЛ категории размещения 1 для первичных преобразователей, но для температуры окружающего воздуха от минус 50 до плюс 70 0С и категории размещения 4 для вторичного преобразователя по ГОСТ 15150.

Сигнализатор уровня состоит:

из первичного преобразователя СУЖ-ПО-2-2;

втулок;

преобразователя вторичного.

Преобразователи первичные имеют несколько исполнений: горизонтальное, вертикальное на одну, две или три точки контроля. Преобразователь первичный СУЖ-ПО-2-2 (сигнализатор) состоит из следующих узлов: - чувствительного элемента; - контактного устройства. Принцип действия сигнализатора основан на срабатывании контактного устройства (геркона) при всплытии чувствительного элемента (цилиндрический поплавок) на заданный (контролируемый) уровень нефти. Чувствительным элементом служит цилиндрический поплавок со скобой, посаженной на трубу диаметром 17 мм. Внутри скобы установлены прямоугольные магниты. Контактное устройство состоит из двух герконов, закрепленных на кассете, которая установлена внутри трубы. Контакты герконов проводами МГТФ соединены с лепестками на плате, закрепленной в корпусе. Положение герконов на кассете выбрано таким образом, чтобы перемещение поплавка с магнитом до упора приводило к замыканию контактов. Таким образом сигнализируется уровень жидкости в резервуаре.

Для присоединения сигнализатора к общей электрической схеме в эксплуатационных условиях служит плата с контактами, помещенная в корпусе, закрепленном на конце трубы. Корпус закрыт крышкой. Резиновая прокладка предохраняет корпус от попадания в него влаги. Для подведения и герметизации внешних проводов служит специальное вводное устройство.

Общее крепление сигнализатора к резервуару осуществляется с помощью фланцев. Преобразователь представляет собой трубу, в которой на проволочном стержне закреплены пары герконов, подключенные с помощью проводов к контактному устройству. По трубе перемещается цилиндрический поплавок с установленными в нем магнитами. При совмещении поплавка с герконовыми парами происходит замыкание контактов герконов.

Длина проводов, соединяющих герконы с контактным устройством, выбрана с 50 %-м запасом, чтобы потребитель мог при необходимости произвести регулировку уровней контроля.

Преобразователь вторичный включает в себя плату источника питания сигнализатора уровня и плату искробезопасной цепи и реле.

Источник питания выполнен по схеме полумостового преобразователя с бестрансформаторным входом.

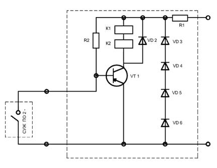
Плата искробезопасной цепи и реле состоит из трех одинаковых ячеек. В состав ячейки входят два герконовых реле К1 и К2, ключевой транзистор VT1, диоды VD2 и искробезопасная цепь R2, VD3 - VD6.

Резистор R2 ограничивает ток короткого замыкания на уровне 10 мА.

Стабилитроны VD3 - VD6 ограничивают напряжения на уровне 30 В.

При срабатывании герконов преобразователя первичного замыкания открывается ключевой транзистор VT1, коллекторный ток которого вызывает срабатывание герконовых реле [5].

Схема электрического подключения показана на рисунке 3.6.

Преобразователи могут работать на три точки контроля, т.е. к одному преобразователю вторичному можно подключить три преобразователя первичных СУЖ-ПО-2-2.

Рисунок 3.6 - Схема электрического подключения

Преобразователи первичные взаимозаменяемые и не требуют дополнительной подстройки при подключении к другому вторичному преобразователю.

Поплавковый сигнализатор уровня жидкости СУЖ-П-И имеет ряд недостатков:

налипание на поплавок парафина;

образование конденсата внутри преобразователя.

Налипание парафина вызывает утяжеление поплавка, что приводит к неправильному отслеживанию уровня нефти.

Из-за разности температур внутри резервуара и внешней среды происходит образование конденсата в преобразователе. Наличие влаги вызывает коррозию контактной группы, что вызывает нестабильную работу сигнализатора.

Так же в процессе эксплуатации СУЖ-П-И замечен следующий недостаток - при сильных ливнях происходит попадание влаги внутрь сигнализатора, что может привести к ложному срабатыванию.

3.3.3 Датчики температуры

Для точных и надежных измерений профиля температуры нефти рекомендуется использование многоточечного термометра Pt100.

Для определения средней температуры нефти используются показания только тех датчиков, которые полностью погружены в нефть.

Датчики устанавливаются в металлорукаве, изготавливаемом из нержавеющей стали. Фланец термометра закрепляется на верхней части резервуара, а нижний конец с помощью якоря крепится ко дну резервуара.

Многоточечный термометр легко устанавливается, даже если резервуар находится в эксплуатации. В резервуарах под давлением многоточечные датчики устанавливаются в защитных гильзах так, чтобы замена датчиков при обслуживании, при ремонте производилась без вывода резервуара из эксплуатации. Многоточечный датчик подключается непосредственно к уровнемеру, если число термоэлементов не превышает 6 и через модуль DAU при большем количестве датчиков.

Установка точечного термометра в резервуаре показана на рисунке 3.7.

Рисунок 3.7 - Установка точечного термометра в резервуаре

Техническая характеристика термометра Pt100 приведена в таблице 3.4.

Таблица 3.4 - Технические характеристики термометра Pt100

Характеристика

Значение

Тип чувствительного элемента

Термоэлементы градуировки Pt100 в количестве от 5 до 12 штук

Диапазон температур

Стандартное исполнение от -20 до +90 ºС Специальное исполнение от -50 до +280ºС

Материал, контактирующий с атмосферой резервуара

Нейлон 12 (рилсан)

Погрешность

± 0,15 ºС в диапазоне от -20 до +90 ºС ± 0,45 ºС в диапазоне от -50 до +280 ºС

автоматизация резервуарный парк сигнализатор

3.3.4 Система противоаварийной защиты

Надежность функционирования систем обеспечения безопасности опасных объектов промышленности целиком зависит от состояния электронных и программируемых электронных систем, связанных с безопасностью. Эти системы называются системой противоаварийной защиты (ПАЗ). Такие системы должны быть способны сохранять свою работоспособность даже в случае отказа других функций АСУ ТП резервуарного парка.

Главные задачи, возлагаемые на такие системы:

–  предотвращение аварий и минимизация последствий аварий;

–       блокирование (предотвращение) намеренного или ненамеренного вмешательства в технологию объекта, могущего привести к развитию опасной ситуации и инициировать срабатывание ПАЗ.

Для некоторых защит предусматривается наличие задержки между обнаружением аварийного сигнала и защитным отключением.

Для всех параметров защиты предусмотрен испытательный режим. В испытательном режиме устанавливается флаг защиты, запись в массиве защит и передается сообщение оператору, но управляющие воздействия на технологическое оборудование не формируются.

Алгоритмическое содержание функций ПАЗ состоит в реализации следующего условия: при выходе значений определенных технологических параметров, характеризующих состояние процесса или оборудования, за установленные (допустимые) пределы должно проводиться отключение (остановка) соответствующего агрегата или всей станции.

Входную информацию для группы функций противоаварийной защиты содержат сигналы о текущих значениях контролируемых технологических параметров, поступающие на логические блоки (программируемые контроллеры) от соответствующих первичных измерительных преобразователей, и цифровые данные о допустимых предельных значениях этих параметров, поступающие на контроллеры с пульта АРМ оператора ЛПДС. Выходная информация функций противоаварийной защиты представлена совокупностью управляющих сигналов, посылаемых контроллерами на исполнительные органы систем защиты [4].

Развитие контроллерных интерфейсов, появление электронных систем отображения информации, SCADA систем и внедрение модульного принципа построения ПЛК привело к трансформации структуры контроллерной системы ПАЗ в структуру, представленную на рисунке 3.9.

Рисунок 3.9 - Структура контроллерной системы ПАЗ

3.4 Структура микропроцессорной системы автоматизации резервуарного парка

Система автоматики ЛПДС «Субханкулово» имеет трехуровневую структуру - нижний, средний и верхний уровни. Структурная схема ПТК РП приведена на рисунке 3.10.

К нижнему уровню системы автоматики относятся:

средства измерений технологических параметров (датчики и исполнительные механизмы);

сигнализаторы технологических параметров.

В качестве датчиков и измерительных преобразователей используются серийно выпускаемые приборы и средства автоматизации со стандартными токовыми сигналами 4 - 20 мА и вторичные микропроцессорные приборы, выдающие по последовательному интерфейсу пакеты данных. Все приборы выполнены во взрывобезопасном исполнении.

Связь между средствами автоматизации нижнего уровня и оборудованием среднего уровня осуществляется контрольным кабелем.

К среднему уровню системы автоматизации относятся программно-аппаратные модули (блоки) управления узлов РП на базе ПЛК.

Средний уровень управления реализован на базе технологического микропроцессорного управляющего контроллера Modicon TSX Quantum фирмы Schnieder Electric и выполняет следующие основные функции:

- прием дискретных и аналоговых сигналов от датчиков, измерительных преобразователей, аварийных сигналов от вторичных приборов;

контроль достоверности и первичную обработку информации (вычисление текущих значений, сравнение с уставками, вычисление средних значений);

регулирование технологических параметров в соответствии с выбранными законами регулирования с выдачей команд управления в виде аналогового выхода 4 - 20 мА постоянного тока;

программно-логическое управление, защиту и блокировку технологических агрегатов и оборудования с выдачей команд управления на исполнительные устройства в виде сигналов логического выхода постоянного тока;

Рисунок 3.10 - Структурная схема АСУ ТП РП

обмен информацией с компьютером верхнего уровня.

Верхний уровень управления реализован на базе ПК и выполняет следующие основные функции:

непрерывный круглосуточный обмен информацией с контроллером по проводной связи;

обработку полученной информации, ведение предыстории событий;

работу информационной СУБД;

отображение полученной информации в форме таблиц или на мнемосхемах;

формирование и печать отчетно-учетных документов;

корректировка работы программы контроллера.

Оповещение оператора о возникновении на установке аварийной ситуации осуществляется с помощью звукового оповещения на ПК и аварийной сирены установленной в операторной [3].

4. Модернизация существующей системы автоматизации резервуарного парка ЛПДС «Субханкулово»

.1 Анализ внедряемого оборудования

В данном разделе дипломного проекта рассмотрим принципы действия и характеристики выбранного оборудования для внедрения в систему автоматизации резервуарного парка, проведем сравнение новых приборов с приборами, уже установленными на объекте.

4.1.1 Электромеханические мешалки типа «Диоген»

Образование отложений парафина на дне резервуара является серьезной проблемой при учете нефти, а также может вызвать необходимость очистки резервуара.

Для предотвращения осаждения парафина на днищах нефтяных резервуаров широко используются стандартные электромеханические мешалки типа «Диоген». Принцип работы изделия заключается в образовании процесса перемешивания нефти направленной затопленной струей нефти, создаваемой вращающимся пропеллером, при котором тяжелые парафинистые осадки и механические примеси взвешиваются в общей массе нефти. Этот процесс достигается двумя факторами при работе изделия:

за счет непосредственного перемешивания нефти струей, создаваемой пропеллером изделия;

за счет создания кругового вращения всей массы хранимой нефти в резервуаре при работе пропеллера в крайних угловых положениях.

Электромеханические мешалки типа «Диоген» выпускаются с различными компоновками двигателя и редуктора, с обычными сальниковыми или торцовыми уплотнениями. Опыт показал, что наиболее надежны торцовые уплотнения. Удачно решена проблема ремонта уплотнения. При этом вал мешалки может быть частично выдвинут наружу. Специальный затвор герметизирует резервуар, и уплотнение может быть отремонтировано без его опорожнения.

Электромеханическая мешалка с приводом крепится растяжками на стенке резервуара, что важно при эксплуатации. С изменением уровня взлива в резервуаре изменяется его осадка, и если привод мешалки установлен на отдельном фундаменте, нарушается центровка валов. Крепление мешалки на стенке резервуара ликвидирует этот недостаток. Для уменьшения нагрузки на стенку резервуара иногда применяют дополнительные пружинные опоры.

С целью достижения эффективного процесса размыва донных отложений при определении количества и исполнений электромеханических мешалок для оснащения резервуаров РВС-5000 производители рекомендуют использовать «Диоген - 700» в количестве 1 шт.

Оси мешалок смещены относительно диаметра резервуара на 10˚. Мешалки включаются в работу при закачке. Принятого расположения осей мешалок с течением времени в резервуаре устанавливается круговое движение нефти. Взвешивание осадка происходит как турбулентными струями, создаваемыми винтом и закачиваемой жидкостью, так и вторичным круговым движением нефти. Для предотвращения накопления осадка в резервуаре достаточно работы мешалки в течении 24 часов в месяц с равными промежутками между включениями. При этом осадок на днище не превышает 10-12 см. Наилучший результат достигается при работе мешалок в период закачки нефти, но иногда они включаются и при откачке.

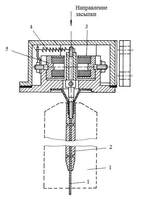
При включении мешалки (рисунок 4.1) вращение от электродвигателя 1 через плоскозубчатую ременную передачу 2 передается на вал 5, установленный на подшипниковые опоры корпуса 4. При этом свободный конец вала 5, расположенный в резервуаре с нефтью, передает вращение на закрепленные на нем пропеллер 6 и обтекатель 7. За счет вращения пропеллера 6 создается направленная затопленная турбулентная струя нефти, обладающая размывающим эффектом (скорость движения частичек нефти более 0,5 м/с) и простирающаяся на расстояние, примерно равное диаметру РВС-5000. Встроенный автоматический привод поворота (АПП) 3 обеспечивает в процессе работы мешалки поворот корпуса 4 с валом 5 в горизонтальной плоскости на угол ± 30º относительно шарнирного узла 8, смонтированного на присоединительном фланце 9, закрепленном на крышке люка-лаза РВС. Время прохождения вала 5 с пропеллером 6 от одного крайнего положения до другого составляет от 3,5 до 5 часов, в зависимости от исполнения мешалки. Отбор вращательного движения на входной вал АПП производится от вала 5, проходящего соосно через центр АПП.

- взрывозащищенный асинхронный электродвигатель; 2 - плоскозубчатая ременная передача; 3- автоматический привод поворота; 4 - корпус; 5 - вал; 6 - пропеллер; 7 - обтекатель; 8 - шарнирный узел; 9 - фланец присоединительный; 10 - плита установочная; 11 - торцовое уплотнение; 12 - сферическое уплотнение

Рисунок 4.1 - Устройство для размыва донных отложений «Диоген-700»

Однако конструкция винтовых мешалок далеко не совершенна:

расположение винта мешалки у стенки резервуара приводит к тому, что на диаметрально противоположном участке скорость движения нефти значительно уменьшается;

площадь днища резервуара, на которой взвешивание осадка производится непосредственно турбулентной струей, создаваемой винтом, ограничивается внутренним углом расширения турбулентной струи равным 22-25˚;

взвешивание осадка на остальной площади днища производится вторичным течением. Для развития циркуляции, достаточной для взвешивания парафина, требуется 1-2 часа работы мешалки и более;

частицы осадка проникают в толщу нефти и распределяются в ней только за счет мощных вихреобразований, так как в резервуаре нет направленного вертикального движения нефти;

для установки винтовых мешалок требуется устройство в резервуарном парке силовой электропроводки низкого напряжения;

для монтажа мешалок в типовом резервуаре необходимо усилить нижний пояс.

Технические характеристики и основные параметры электромеханических мешалок типа «Диоген» представлены в таблице 4.1.

Таблица 4.1 - Технические характеристики электромеханических мешалок типа «Диоген»

Наименование параметра

Фактическое значение

Номинальное значение

Номинальная мощность, кВт

15

15

Максимальный диаметр пропеллера, мм

500

500

Число лопастей пропеллера, шт

4

4

Скорость вращения пропеллера, об/мин

690

460

Максимальный угол поворота вала пропеллера в горизонтальной плоскости, угл.град

Соответствует

60

Время одного цикла поворота вала пропеллера, час

Соответствует

3,5

Максимальное давление, удерживаемое уплотнительными устройствами изделия, МПа

Выдерживает

0,22

Максимальная реактивная сила, приведенная к валу пропеллера, Н

Соответствует

3000

Режим и гарантированное время непрерывной работы, ч

S1

S1 (20)

Класс вибрации по ГОСТ 16921-83

Соответствует

2,8

Напряжение трехфазной питающей сети, В, частотой 50 Гц ±1%

380

380+10%-15%

Использование изделия по условиям эксплуатации и категории размещения согласно ГОСТ 15150

У2

У2

Габаритные размеры (длина × ширина × высота), мм

Соответствует

1730×900×572

Масса, кг

Соответствует

360

Степень защиты изделия

IP 54

IP 54

Назначенный срок службы, лет

Соответствует

15

Назначенный ресурс работы изделия, час

Соответствует

10000


Устройство размыва должно обеспечивать:

размыв и перемешивание донных отложений в резервуаре подвижной струей нефти, формируемой пропеллером изделия;

автоматическое изменение направления струи нефти в горизонтальной плоскости за счет встроенного привода поворота вала пропеллера;

создание кругового вращения всей массы нефти, хранимой в резервуаре, при работе изделия в крайних угловых положениях вала пропеллера;

запуск в работу и остановку от местного поста управления или дистанционного с центрального пульта оператора нефтеперекачивающей станции [6].

4.1.2 Система контроля и сигнализации СКС-07

СКС-07 предназначена для эксплуатации совместно с устройствами «Диоген» для решения следующих задач:

контроля параметров и сигнализации о работе устройств «Диоген» без постоянного присутствия обслуживающего персонала;

автоматической остановки устройств при достижении предельно-допустимых отклонений параметров;

дистанционного пуска и остановки устройств «Диоген». В системе предусмотрен выбор функции ДУ/МУ (дистанционное/местное управление).

СКС-07 выдаёт сигнал остановки электродвигателя, входящего в состав устройства «Диоген», в следующих случаях (с выдачей звукового и визуального сигнала):

при превышении температуры двигателя свыше указанной в паспорте на электродвигатель;

при превышении вибрации крышки люка-лаза резервуара при работе устройств (исключая режим пуска) по трем взаимно перпендикулярным направлениям свыше 2,8 мм/с;

при обрыве ремня плоскозубчатой ременной передачи;

при нарушении герметичности узлов уплотнений устройств «Диоген»;

при отклонении потребляемого тока двигателя «Диоген» от заданного номинального:

а)      контроль межфазных и однофазных КЗ без выдержки времени;

б)      контроль перегрузки по току (обратно зависимая токо-временная характеристика);

в)      контроль обрыва любой из фаз электродвигателя.

По воздействию климатических факторов внешней среды при эксплуатации СКС-07 соответствует исполнению УХЛ 1 по ГОСТ 15150-69, при этом температура окружающей среды от минус 60 до плюс 50 °С.

СКС-07 может применяться в соответствии с ГОСТ Р 51330.13-99, ГОСТ Р 52350.14-99, гл. 7.3 ПУЭ во взрывоопасных зонах, в которых возможно образование взрывоопасных паро- и газовоздушных смесей категорий IIА, IIB по ГОСТ Р 51330.11-99, групп Tl, Т2, ТЗ по ГОСТ Р 51330.5-99.

СКС-07 представляет собой проектно-компонуемое изделие, в состав которого входят:

блок контроля и сигнализации БКС-01-М (ТУ 4318-516-20885897-2006);

датчик вибрации ДВ-03-М (ТУ 4277-515-20885897-2006);

датчик вращения ДВР-03-М (ТУ 4278-590-20885897-2006);

выключатель уровня;

аварийные оповещатели:

а) световой аварийный оповещатель;

б) звуковой аварийный оповещатель (с возможностью местного отключения звукового сигнала).

пульт дистанционного управления ПДУ-01 (по отдельному заказу);

бронированный кабель КВБбШнг 4*1,5.

СКС-07 обеспечивает прием сигнала с датчика температуры обмоток двигателя со следующими характеристиками:

тип датчика - тепловой предохранитель, размыкающий контакт;

максимальный ток через датчик 26 мА;

максимально допустимое сопротивление датчика 1000 Ом.

СКС-07 обеспечивает контроль вращения вала установки «Диоген» при помощи датчика вращения ДВР со следующими характеристиками:

частота входного сигнала от 30 до 1000 Гц ;

амплитуда выходного сигнала при нагрузке 4,7 кОм и зазоре между торцом корпуса датчика и диском 7 мм не менее 0,8 В;

СКС-07 обеспечивает контроль виброскорости люка-лаза, на котором смонтирована установка «Диоген»:

диапазон измеряемой виброскорости по одной оси от 0 до 100 мм/с;

полоса пропускания входного механического воздействия, Гц от 0 до 150;

количество выходных сигналов:

а) два от измерителя вибрации горизонтального;

б) два от измерителя вибрации вертикального.

СКС-07 обеспечивает прием и выдачу информации по интерфейсу RS-485 в систему телемеханики АСУ ТП:

протокол передачи ModBus RTU SLAVE;

скорость от 1,2 до 19,2 кБод         ;

максимальная длина линии передачи (9,6 кБод) 1000 м.

Общие требования безопасности СКС-07 соответствуют ГОСТ 12.2.003, ГОСТ 12.2.007.0-75, ГОСТ 12997-84, ГОСТ Р 51330.13-99, ГОСТ Р 52350.14-99 и главы 7.3 ПУЭ.

В соответствии с требованиями ГОСТ 12.2.003-91 и ГОСТ 12.2.049-80 безопасность СКС-07 обеспечивается:

конструктивной схемой;

выполнением эргономических требований;

защитой от поражения электрическим током;

наличием предупредительных надписей на внешних съемных элементах оболочки;

включением требований безопасности в техническую документацию по монтажу, эксплуатации, транспортированию и хранению.

СКС-07 не является источником опасных и вредных производственных факторов, в том числе выделений вредных веществ, загрязняющих воздух выше норм, установленных ГОСТ 12.1.005-88.

СКС-07 соответствует требованиям электробезопасности к конструкции и устройству по ГОСТ 12.2.007.0-75, ГОСТ 12997-84.

По способу защиты человека от поражения электрическим током СКС-07 относится к классу 01 по ГОСТ 12.2.007.0-75, раздел 2 «Классы электротехнических изделий по способу защиты человека от поражения электрическим током».

Электрическая прочность изоляции СКС-07 и подключаемых внешних устройств в нормальных климатических условиях эксплуатации выдерживает без пробоя и поверхностного перекрытия испытательные напряжения в течение одной минуты, согласно ГОСТ 12997-84:

для цепей питания и коммутации  1500 В, 50 Гц;

для цепей подключения датчиков, интерфейса RS-485 - 500 В, 50 Гц.

Электрическое сопротивление изоляции между электрически не связанными электрическими цепями при нормальных климатических условиях эксплуатации - не менее 20 МОм при номинальном напряжении до 500 В, согласно ГОСТ 12997-84.

Взрывозащищенность СКС-07 обеспечивается применением взрывозащищённых электротехнических изделий, выполненных в соответствии с требованиями ГОСТ Р 51330.0, ГОСТ Р 51330.1, ГОСТ Р 51330.13-99, гл. 7.3 ПУЭ, имеющих сертификаты соответствия и Разрешения Ростехнадзора России:

а) блока контроля и сигнализации БКС-01-М, ТУ 4318-516-20885897-2006, с маркировкой взрывозащиты lExdIIBT4X;

б) датчика вибрации ДВ-03-М, ТУ 4277-515-20885897-2006, с маркировкой взрывозащиты lExdIIBT4X;

в) датчика вращения ДВР-03-М, ТУ 4278-590-20885897-2006, с маркировкой взрывозащиты 1 ExdIIBT4 X;

г) выключателя уровня Liquiphant FTL50,c маркировкой взрывозащиты 2ExemIIT3 X;

д) оповещателя пожарного светового ЕхОППС-1В, ТУ 4371-078-121506380-2002, с маркировкой взрывозащиты 1 ExdIICT6;

е) оповещателя пожарного звукового ЕхОППЗ-2В, ТУ 4371-073-121506380-2002, с маркировкой взрывозащиты lExdIICT6;

ж) пульта дистанционного управления ПДУ-01, ОФТ.20.12.00.00 ТУ, lExibIIBT4 X.

Знак «X» в маркировке взрывозащиты БКС-01-М-01-М, ДВ-03-М, ДВР-03-М означает особые условия эксплуатации: в кабельные вводы могут вводиться все типы бронированных кабелей, за исключением кабелей со свинцовой оболочкой.

Эксплуатация СКС-07 с поврежденными элементами или пломбами категорически запрещается.

Основными элементом системы является центральная плата МА-БКС-01-М-01-М. Все алгоритмы сбора и обработки информации от датчиков зашиты в центральный микропроцессор, во FLASH-память, что позволяет при необходимости многократно перепрограммировать программно-математическое обеспечение.

Центральный микропроцессор производит опрос датчиков, производит вычисления, выдает данные на модуль индикации и данные на верхний уровень. Калибровочные данные и конфигурационные параметры записываются и хранятся во внешней энергонезависимой памяти и сохраняются при отключении питания.

Узел сопряжения датчика температуры формирует цифровой сигнал для контроллера и содержит оптическую развязку датчика температуры от БКС-01-М.

Узел преобразования сигнала с датчика уровня формирует аналоговый сигнал тока для встроенного АЦП контроллера. Измерение входного сигнала осуществляет 12-битное сигма- дельта АЦП. Управление АЦП осуществляется центральным процессором модуля МА-БКС-01-М. Данный узел содержит гальваническую развязку датчика уровня от БКС-01-М.

Узел сопряжения датчика вращения усиливает сигнал с датчика и подает в виде частотного сигнала на канал цифрового счетчика процессора МА-БКС-01-М. Данный узел содержит оптическую развязку датчика вращения от БКС-01-М.

Узел сопряжения датчика вибрации усиливает сигнал с датчика и подает в виде ШИМ-сигнала на каналы цифровых счетчиков процессора МА-БКС-01-М. Данный узел содержит оптическую развязку датчика вибрации ДВ от БКС-01-М.

Модуль аналоговый МА-БКС-01-М содержит гальванически развязанный приемопередатчик интерфейса RS-485.

Модуль аналоговый МА-БКС-01-М обеспечивает выдачу сигнала «АВАРИЯ» для светового и звукового аварийных оповещателей.

При подаче напряжения питания 220 В модуль коммутации МК-БКС-01-М обеспечивает подогрев внутри корпуса БКС-01-М нагревательным элементом. При помощи термостата при температуре выше минус 40 °С включается источник питания ИП-БКС-01-М, обеспечивающий питание основных плат БКС-01-М. После инициализации центральный процессор запрашивает значение температуры внутри корпуса у термостатического датчика. Если установившаяся температура внутри корпуса выше + 10 °С, процессор выдает сигнал отключения нагревательного элемента. При снижении температуры ниже минус 10°С подогрев включается повторно.

Модуль коммутации МК-БКС-01-М обеспечивает выдачу коммутационных сигналов «СТОП», «ПУСК» от процессора при помощи оптронов и электромеханических реле.

4.2 Выбор вибрационного сигнализатора уровня

Произведем сравнение технических характеристик нескольких распространенных вибрационных датчиков одной ценовой категории и СУЖ-П-И. Результаты сведены в таблицу 4.2 [7].

Таблица 4.2 - Технические характеристики сигнализаторов уровня

Название параметра

Значение параметра


СУЖ-П-И

Rosemount 2120

Klay VIBRA-SWITCH «С»

Гистерезис (вода), мм

± 2

±1

±1

Точка переключения (вода), мм

От 5 до 30

13 (меняется в зависимости от плотности жидкости)

От 5 до 20

Давление процесса, МПа

Не более 0,6

-0,1...10

-0,1...4

Температура процесса, оС

- 60 …+100

-40...+150

-10…+90

Плотность жидкости, кг/м3

Не менее 700

Не менее 600

Не менее 500

Степень защиты от внешних воздействий

IP54, IP67 по ГОСТ 14254

IP66, IP67 по ГОСТ 14254

IP67, IP68 по ГОСТ 14254

Напряжение питания, В

220 +22/-33

20...264

12...55 постоянного тока

Частота, Гц

50

50/60

-

Температура окружающей среды, оС

−50...70

-40...80

-40...70

Длина первичного преобразователя, м

0,5 … 13

0,05…3

0,047…3


Как видно из сравнительной таблицы, вибрационные сигнализаторы уровня обладают лучшими техническими характеристиками, чем поплавковый СУЖ-П-И. К тому же они не имеют недостатки, свойственные СУЖ-П-И, которые были приведены в техническом разделе данного дипломного проекта.

Что касается сравнения вибрационных сигнализаторов уровня, то я останавливаю свой выбор на Rosemount серии 2100. Разница технических характеристик Rosemount и VIBRA-SWITCH незначительна, но у VIBRA-SWITCH отсутствует возможность подключения к сети переменного напряжения, а это для нас более предпочтительно.

Сигнализаторы уровня типа Rosemount предназначены для контроля предельных уровней жидкостей в технологических емкостях и товарных резервуарах. Они имеют широкий выбор технологических присоединений, материалов корпуса и смачиваемых частей для обеспечения универсальности и превосходной надежности, а также сменных модулей электроники различных исполнений.

Принцип действия Rosemount серии 2100 основан на принципе действия камертона. Пьезоэлектрический кристалл возбуждает механические колебания вилки с их собственной частотой, изменения которой непрерывно контролируются электроникой.

Если устройство используются как сигнализаторы нижнего предельного уровня, изменение собственной частоты происходит, когда жидкость в резервуаре опускается ниже уровня вилки. Это изменение фиксируется электроникой, которая переключает состояние выходного сигнала.

Если устройство используется как сигнализатор верхнего предельного уровня, изменение собственной частоты происходит, когда жидкость в резервуаре поднимается выше уровня вилки.

Собственная частота колебаний вилки (~1300 Гц) позволяет избежать ложных срабатываний, возникающих из-за воздействия помех от вибраций оборудования. Кроме того, это дает возможность использовать вилку малой длины, что позволяет минимизировать объем, занимаемый устройством в резервуаре или трубопроводе.

Благодаря технологии резонатора с короткой вилкой, сигнализаторы 2100 можно использовать практически в любой жидкой среде. Всестороннее исследование максимально увеличило эксплуатационную эффективность конструкции колебательной вилки, что сделало ее пригодной для большинства жидкостей, включая налипающие жидкости (за исключением создающих перемычки в вилке), аэрированные жидкости и прочие.

Серия вибрационных сигнализаторов уровня Rosemount 2100 состоит из четырех моделей:

2110 - компактная модель;

2120 - полнофункциональная модель;

2130 - модель для использования в условиях высоких температур процесса;

2160 - беспроводная модель с поддержкой протокола WirelessHART™.

На работу Rosemount 2100 практически не оказывают влияния изменения свойств жидкости (плотность, вязкость, химический состав), потоки жидкости, турбулентность, пузырьки газов, пена, вибрации, налипания или наличие твердых частиц.

Модели 2130Е и 2160E имеют расширенный диапазон рабочих температур (от 170 до 260°C).

Модели 2110, 2120 и 2130 обладают взаимозаменяемыми модулями электроники со встроенными функциями самодиагностики и контроля состояния вилки, тактовым светодиодом, обеспечивающим пользователя информацией о состоянии сигнализатора и его контактов во время работы.

Модели 2130 и 2160 обладают функцией расширенной самодиагностики и контроля состояния вилки, внутренних проводов и контактов.

Модель 2160, обладая функциональными преимуществами предыдущих моделей, обеспечивает передачу данных по беспроводному протоколу WirelessHART с рабочей частотой 2,4 ГГц, технологией передачи сигналов с прямым расширением спектра (DSSS).

Сигнализаторы 2100 дают заказчику возможность самостоятельно настраивать время задержки переключения контактов для минимизации рисков ложного срабатывания при работе в турбулентных/брызгающих средах.

Конструкция чувствительного элемента - вилки, обеспечивает быстрое стекание жидкости для максимально быстрого отклика на изменение уровня жидкости и высокой чувствительности при контроле уровня сред с высокой плотностью или вязкостью.

Практически не требуется обслуживание благодаря отсутствию подвижных частей и щелей.

Переключатель режимов работы и регулятор времени задержки переключения (модели 2120 и 2130). Переключатель режимов работы позволяет устанавливать сигнализатор на срабатывание при переходе от жидкой среды к сухой (обычно сигнализация нижнего предельного уровня) или при переходе от сухой среды к жидкой (обычно сигнализация верхнего предельного уровня).

Кроме того, имеется возможность выбрать время задержки переключения: 0,3; 1, 3; 10 или 30 секунд. Увеличение времени задержки практически исключает риск ложного срабатывания при работе в турбулентных и разбрызгивающихся средах.

Тактовый светодиод (модели 2110, 2120 и 2130). Тактовый (мигающий) светодиод предназначен для визуальной индикации состояния работы. Светодиод мигает, когда выходной сигнал находится в состоянии «выключено» и светится постоянно, если он находится в состоянии «включено». Светодиод постоянно отображает состояние работы устройства (разная частота миганий указывает на неисправности), а также дает информацию о состоянии процесса.

Магнитная контрольная точка (модели 2110, 2120 и 2130). На корпусе сигнализатора находится магнитная контрольная точка, с помощью которой можно провести проверку функциональности сигнализатора и подключенных к нему систем.

Если приложить магнит к данной точке, текущее состояние выходного сигнала сигнализатора изменится на противоположное.

Функция самодиагностики и контроля состояния работы. Модели 2120, 2130 и 2160 обладают функцией самодиагностики, которая обеспечивает непрерывное слежение за состоянием вилки и внутренней проводки.

Данная диагностика позволяет определять повреждения, нанесенные вилке посредством коррозии, внутренние и внешние механические повреждения вилки, а также обрыв проводки внутри корпуса сигнализатора.

При определении одного из данных типов повреждений тактовый светодиод мигает с разной частотой, что сопровождается подачей безопасной электрической нагрузки на сигнализатор.

Электрическое подключение. Клеммный блок моделей 2120 и 2130 находится на верхней части корпуса, что обеспечивает удобный доступ к клеммам. Защита от обратной полярности и от короткого замыкания обеспечивают безопасное и простое электрическое подключение. Для сигнализаторов 2100 доступны следующие типы модулей электроники:

переключатель непосредственной нагрузки (модели 2110, 2120, 2130);

PNP/ПЛК-выход (модели 2110, 2120, 2130);

релейный выход (модели 2120, 2130);

искробезопасный модуль NAMUR (модели 2120, 2130).

беспроводной модуль (модель 2160). Электропитание датчика осуществляется от сменного искробезопасного литий - тионилхлоридный модуля питания. Время работы десять лет при одноминутной периодичности передачи данных.

Периодичность передачи данных настраивается пользователем и составляет от 4 с до 60 мин.

Конструкция вибрационной вилки. Быстрое стекание жидкости («fast drip»), обеспечиваемое конструкцией вилки (среда стекает с кончиков вилки), в сочетании с малым временем срабатывания, повышает быстродействие и чувствительность сигнализаторов серии 2100 к изменениям плотности среды.

Конструкция Rosemount 2120 представлена на рисунке 4.2.

Рисунок 4.2 - Конструкция Rosemount 2120

4.3 Описание алгоритма автоматического управления объектом

При нажатии кнопки пуск открывается задвижка на входе в резервуар и начинается закачка нефти в резервуар. При наличии нефти в резервуаре выше нижнего уровня включается электромеханическая мешалка. При достижении жидкостью верхнего уровня ёмкости электромеханическая мешалка выключается, открывается задвижка на выходе из резервуара, включается насос и начинается откачка. Если нефть в резервуаре достигает верхнего аварийного уровня, то закрывается задвижка на входе и подается аварийный сигнал оператору о достижении верхнего аварийного уровня. При достижении нижнего уровня задвижка на выходе закрывается, цикл повторяется. При достижении нижнего критического уровня насос выключается, задвижка на входе закрывается и в диспетчерской срабатывает сигнализация об утечке. Предусматривается защита электромеханической мешалки в следующих случаях:

при превышении температуры двигателя свыше указанной в паспорте на электродвигатель;

при превышении вибрации крышки люка-лаза резервуара при работе устройства (исключая режим пуска) по трем взаимно перпендикулярным направлениям свыше 2,8 мм/с;

при обрыве ремня плоскозубчатой ременной передачи;

при нарушении герметичности узлов уплотнений;

при отклонении потребляемого тока двигателя «Диоген» от заданного номинального.

В этих случаях происходит отключение электромеханической мешалки и подается сигнал оператору о случившейся неисправности.

Перечень сигналов представлен в таблице 4.1.

Таблица 4.1 - Перечень сигналов

Название

Вид

Описание

START

Input

Сигнал запуска системы управления

VU

Input

Сигнал о достижении верхнего уровня

VAU

Input

Сигнал о достижении верхнего аварийнрго уровня

NU

Input

Сигнал о достижении нижнего уровня

NAU

Input

Сигнал о достижении нижнего аварийного уровня

YSBROS

Input

Сигнал сброса

SKS

Input

Сигнал об отклонении в работе электромеханической мешалки

Z1

Output

Сигнал управления задвижкой на входе в резервуар (0-закрыто/1-открыто)

Z2

Output

Сигнал управления задвижкой на выходе из резервуара (0-закрыто/1-открыто)

H

Output

Сигнал управления насосом (0-выключен/1-включен)

DIA

Output

Сигнал управления электромеханической мешалкой (0-выключена/1-включена)

IVAU

Output

Сигнал аврийного состояни (верхний аварийный уровень)

IUTECH

Output

Сигнал аварийного состояния (утечка)

I DIA

Output

Сигнал аварийного состояния электромеханической мешалки


Для написания программы был составлен граф переходов, представленный на рисунке 4.2. Состояние выходных сигналов представлены в таблице 4.2.

Таблица 4.2. Состояние выходных сигналов

Состояние

Сигналы

Т0

Z10; Z20; H0; IVAU 0; IUTECH 0; DIA0; I DIA 0

Т1

Z11; Z20; H0

Т2

Z11; Z20; H0; DIA1

Т3

Z11; Z21; H1; DIA0

Т4

Z11; Z20; H0; DIA0; I DIA 1

Т5

Z10; Z21; H1; IVAU 1

Т6

Z10; Z21; H0; IUTECH 1


Рисунок 4.2 - Граф переходов системы регулирования уровня в резервуаре

Схема регулирования представлена на рисунке 4.3.

Рисунок 4.3 - Схема автоматического регулирования уровня в резервуаре

В соответствии с графом переходов составляется программа на языке ST (Structured Text)[10], листинг которой приведен в приложении Б.

5. Безопасность жизнедеятельности и охрана труда

Темой данного дипломного проекта, как отмечалось ранее, является автоматизация резервуарного парка на ЛПДС «Субханкулово» ОАО «АК «Транснефть»».

С целью обеспечения безопасности производства необходимо дать характеристику производственной среды, в которой будет происходить монтаж и эксплуатация приборов и средств автоматизации, произвести анализ производственной вредности и опасности, обозначить мероприятия, направленные на предотвращение производственных вредностей и опасностей.

Вследствие совершенствования работы системы автоматизации рассматриваемый объект становится более безопасным и безвредным. При соблюдении техники безопасности во время всех видов работ исключается возможность возникновения аварийных ситуаций, взрывов, пожаров и получения производственных травм.

5.1 Анализ потенциальных опасностей и производственных вредностей на объекте

В резервуарном парке на ЛПДС «Субханкулово» ОАО «АК «Транснефть»» в составе измерительной системы используются следующие устройства, описанные в техническом разделе:

- первичные преобразователи и приборы, расположенные непосредственно на резервуаре (уровнемеры радарные взрывозащищенные типа RTG 3920 REX, многоточечные датчики температуры с термоэлементами, модули сбора данных взрывозащищённые типа DAU 2100, коробки соединительные типа JB 36 и JB 15), находящиеся непосредственно в зоне с возможным образованием взрывоопасных смесей;

вторичные приборы, расположенные в местном диспетчерском пункте (МДП) и на автоматизированном рабочем месте (АРМ) оператора (модуль полевого соединения и обработки информации типа FCU, модем полевой шины чипа FBM 2171, компьютер промышленного назначения, сетевой фильтр и компьютерная розетка, видеомонитор, принтер лазерный и блок бесперебойного питания), находящиеся в помещении с нормальными условиями.

Основными вредными веществами резервуарного парка являются нефть и попутный газ. Их основные характеристики с точки зрения взрыво-пожароопасности и токсичности приведены в таблице 5.1.

Таблица 5.1- Взрывопожароопасные и токсичные вещества в рассматриваемой производственной среде

Наименование вещества на рассматриваемом объекте

Агрегатное состояние

Класс опасного вещества

Температура, ºС

Концентрационный предел взрываемости, % объема

Характеристика токсичности (воздействие на организм человека)

Предельно допустимая концентрация веществ в воздухе рабочей зоны производственных помещений, мг/м3




вспышки

самовоспламенения

нижний предел

верхний предел



Нефть сырая

Ж(п)

4

-18,0

233

1,1

7,4

Наиболее сильное влияние на ЦНС

100

Попутный нефтяной газ

Г

4

-

537

6,0

13,5

Отравление организма

300


При монтаже, наладке, эксплуатации и ремонте системы автоматизации резервуарного парка, производственные опасности и вредности могут быть обусловлены следующими факторами:

действием вредных веществ, применяемых на производстве, которые обусловлены испарением нефти через дыхательные клапаны на резервуаре. Действие на организм человека зависит от токсического свойства вещества, его концентрации и продолжительности воздействия, специфических особенностей организма человека. Профессиональные отравления и заболевания возможны, если концентрация токсическою вещества в воздухе рабочей зоны превышает предельно-допустимую концентрацию (ПДК) согласно ГОСТ 12.1.005-88;

наличием взрывоопасной смеси в местах установки приборов, представляющей угрозу взрыва и пожара (попутный газ);

возможность поражения персонала электрическим током напряжением до 220В из-за случайного соприкосновения с токоведущими частями датчиков, а также в случае нарушения изоляции кабелей, проводов без снятия напряжения, повреждения электроинструмента;

опасность коррозионных повреждений металлоконструкций, способных вывести резервуар из строя, что чревато возникновением аварийной ситуации;

наличием давления  МПа в трубопроводах, питающих резервуарный парк;

санитарно-гигиеническими и метеорологическими условиями производственной среды в процессе монтажа и ремонта средств автоматизации (освещенность, понижение и повышение температуры, влажность, наличие загрязнений);

воздействие атмосферного электричества в летний период при отсутствии молниезащиты;

накопление статического электричества на концах металлических конструкций, что опасно из-за возможного возникновения искры;

физическими усилиями, нервными напряжениями, возможностью падения с высоты при выполнении монтажных и ремонтных работ системы автоматизации резервуарного парка.

Взрывопожарная и пожарная опасность, санитарная характеристика зданий, помещений и наружных установок резервуарного парка ЛПДС «Субханкулово» ОАО «АК «Транснефть»» представлены в таблице 5.2.

Таблица 5.2 - Классификация помещений по взрывоопасности

Наименование производственных зданий, помещений, наружных установок

Категория взрывопожароопасной и пожарной опасности зданий и помещений (НПБ 105-03)

Классификация зон внутри и вне помещений



Класс взрывопожароопасной или пожарной зон (ПУЭ и ПБ 08-624-03)

Категория и группа взрывопожароопасных смесей (ГОСТ 12.1.011-078) Р51330.5-99, Р51330.11-99

Резервуар РВС-5000

Ан

В-1г

IIА-Т3

Резервуар РВСП-5000

Ан

В-1г

IIА-Т3


5.2 Мероприятия по обеспечению безопасных и безвредных условий труда

В данном разделе следует отметить мероприятия по технике безопасности при монтаже, наладке и эксплуатации средств автоматизации используемых в резервуарном парке.

Во избежание несчастных случаев при обслуживание средств автоматизации, направляемый на работу персонал должен иметь соответствующую подготовку, пройти производственный инструктаж, ознакомиться с общими правилами техники безопасности и с безопасными методами работы на поручаемом ему для обслуживания участке или агрегате. По окончании инструктажа направляемые на работу сдают экзамен по технике безопасности в соответствии с ПБ-08-624-03, ГОСТ 12.0.004-99, ПУЭ, ПТБ, ПТЭ и получают удостоверение с присвоенной квалификационной группой, дающее им право работать по обслуживанию действующих электроустановок.

Основными мероприятиями по обеспечению безопасных и безвредных условий труда являются:

мероприятия по технике безопасности;

мероприятия по пожарной безопасности;

мероприятия по промышленной санитарии.

5.2.1 Мероприятия по технике безопасности

Мероприятия по электробезопасности резервуарного парка проводятся с целью снижения опасности и вредности производства, которое включает в себя следующее:

к работе допускаются лица, имеющие допуск к работе с напряжением до 1000 В, не моложе восемнадцати лет, прошедшие специальный инструктаж по технике безопасности и сдавшие экзамены (первичный, повторный, внеплановый) в соответствии с ГОСТ 12.0.004-99;

все токоведущие части, находящиеся под напряжением, превышающим 42 В по отношению к корпусу, имеют защиту от случайных прикосновений во время работы;

по способу защиты человека от поражения электрическим током изделия САУ и Р соответствуют классам 1 и 2 (для изделий, предназначенных для соединения с источником напряжения 220 В) и классу 3 (для изделии, предназначенных для соединения с источником напряжения 24 В) по ГОСТ 12.1.019-79;

подключение внешних цепей, разъемов, проведение ремонтных работ должны осуществляться только при отключенном напряжении питания;

надежным креплением оборудования при монтаже на объекте автоматизации;

изоляция электрических устройств в соответствии с ГОСТ 12.1.013-78 ( MOм);

при эксплуатации САУ необходимо соблюдать «Правила эксплуатации электроустановок» (ПУЭ), «Правила эксплуатации электроустановок потребителей» и «Правила техники безопасности при эксплуатации электроустановок»;

подключение источников сетевого питания должно осуществляться через автоматические выключатели;

корпуса устройств заземляются в соответствии с ГОСТ 12.2.007-85 ( Ом). Измерение сопротивления заземляющего устройства производится не реже одного раза в год.

Мероприятия по взрывобезопасности проводятся с целью снижения опасности и вредности производства:

заземление всех металлических нетоковедущих частей электрооборудования, а также строительных металлоконструкций по ГОСТ 12.1.030-96;

все аппараты, емкости, арматура и трубопроводы рассчитаны на прочность на максимально возможное давление в соответствии с ГОСТ 12.2.085-2002;

молниезащита, защита оборудования и трубопроводов от вторичных проявлений молний в соответствии с СО 153-34.21.122-2003 и от статического электричества в соответствии с ГОСТ 12.1.018-96;

используются поясняющие, предупреждающие и запрещающие надписи согласно ГОСТ 12.4.026-87;

оборудование и трубопроводы оснащены приборами контроля, регулирования и предохранительными устройствами;

спроектированы и установлены предупредительная пожарная сигнализация согласно ГОСТ 12.3.044-91.

Преобразователи уровня и преобразователи температуры, а также исполнительные механизмы системы автоматического регулирования взрывобезопасный уровень взрывозащиты, вид взрывозащиты - взрывонепроницаемая оболочка, маркировка - IExdIIBT4, и предназначены для применения во взрывоопасных зонах. Взрывонепроницаемая оболочка, в которую заключены электрические части, выдерживают давление взрыва и исключают передачу взрыва в окружающую среду.

5.2.2 Мероприятия по промышленной санитарии

В задачи производственной санитарии входит разработка санитарно-гигиенических рекомендаций и устройств для защиты работающих от производственных опасностей и вредных производственных факторов при обслуживании датчиков, установленных на резервуарном парке ЛПДС «Субханкулово» ОАО «АК «Транснефть»».

Для устранения воздействия на организм человека рассмотренных выше вредных веществ, в проекте предусмотрены следующие нижеперечисленные мероприятия в соответствии с ГОСТ 12.1.005-88 «ССБТ. Общие санитарно-гигиенические требования к воздуху санитарной зоны».

Для предупреждения от загрязнения кожи нефтепродуктами и органов дыхания попутным газом эксплуатационный персонал обеспечен соответствующей спецодеждой (согласно ГОСТ 12.4.141-99, ГОСТ 12.4.198-99, ГОСТ Р 12.4.218-99): рукавицами, обувью, шланговыми и изолирующими противогазами.

На рабочих местах слесарей КИП и А предусмотрено рабочее и аварийное освещение. Освещение осуществляется лампами дневного света взрывозащищенного исполнения в соответствии с ГОСТ 12.2.007.13-2000. Напряжение сети рабочего и аварийного освещения равно 220 В. Естественное освещение предусмотрено через оконные панели.

На каждом рабочем месте находятся в необходимом количестве дежурные противогазы, диэлектрические перчатки, резиновые коврики и медицинская аптечка с целью быстрого доступа к ним в случае аварии.

К спецодежде предъявляются следующие требования:

спецодежда и спецобувь выдаются операторам, технологам, слесарям КИП и А, слесарям-ремонтникам, слесарям-монтажникам в пределах установленных норм

во время работы персонал обязан пользоваться выданной ему спецодеждой и спецобувью.

5.2.3 Мероприятия по пожарной безопасности

Требования по пожарной безопасности регламентируются согласно ППБ-01-03 «Правила пожарной безопасности» и НПБ-105-03 «Определение категории помещений и зданий по взрывопожарной и пожарной опасности».

Мероприятия по пожарной безопасности резервуарного парка ЛПДС «Субханкулово» ОАО «АК «Транснефть»» разработаны в соответствии с ГОСТ 12.1.004-91(99) «ССБТ. Пожарная безопасность. Общие требования» и ГОСТ 12.4.009-83 «ССБТ. Пожарная техника для защиты объектов. Основные виды, размещение и обслуживание». Все первичные приборы контроля и регулирования, установленные по месту, предусматривается выполнять во взрывобезопасном и искробезопасном исполнении, что позволяет производить измерения во взрывоопасной среде.

Для резервуаров объемом 5000м3 и более, требованиями действующего СНиП 2.11.03-93 предусматриваются системы автоматического пенного пожаротушения и водяного охлаждения.

В настоящее время в резервуарном парке ЛПДС «Субханкулово» ОАО «АК «Транснефть»» согласно СО 03-06-АКТНП-006-2004 «Нормы пожарной безопасности. Проектирование и эксплуатация систем пожаротушения нефтепродуктов в стальных вертикальных резервуарах» действуют следующие системы пожаротушения:

- комплексная система автоматического пожаротушения пеной средней кратности;

- система подслойного пожаротушения резервуара пеной средней кратности;

- кольцо противопожарного водопровода.

Системы включают в себя насосные станции пенотушения», резервуары противопожарного запаса воды, резервуары-дозаторы раствора пенообразователя, кольцевые сети трубопроводов раствора пенообразователя, датчики пожарной опасности и электроприводные задвижки.

С целью предупреждения пожаров, взрывов на территории резервуарного парка категорически запрещается применение открытого огня, в том числе и курение.

Для обеспечения взрывобезопасности предусмотрена автоматическая система противоаварийной защиты. В случае аварии происходит автоматический слив нефтепродукта, с целью предотвращения повреждения оборудования и нанесения вреда здоровью обслуживающего персонала.

Пожаротушение объектов резервуарного парка осуществляется передвижной пожарной техникой и первичными средствами. На ЛПДС «Субханкулово» ОАО «АК «Транснефть»» находится пожарное депо, дежурная бригада пожарных, имеются средства пожаротушения, установлены пожарные щиты, пожарные гидранты.

Система пожарной сигнализации обеспечивает надежную охрану объектов и своевременное оповещение дежурного персонала о возникновении пожара.

5.3 Расчет молниезащиты резервуара РВС-5000

Согласно СО 153-34.21.122-2003, резервуарный парк относится к II уровню защиты с надежностью защиты от прямого удара молнии 0,95

Защита от прямых ударов молнии должна производиться отдельно стоящими или установленными на крыше резервуара молниеотводами. В зону защиты молниеотводов должно входить пространство над каждой единицей дыхательной аппаратуры.

Зона защиты стержневого молниеотвода высотой h < 150м представляет собой круговой конус, вершина которого находится на высоте ho< h.Размеры внутренних областей определяются параметрами ho и hc, первый из которых задает максимальную высоту зоны непосредственно у молниеотводов и составляет 0,85h (согласно СО 153-34.21.122-2003), а второй - минимальную высоту зоны посередине между молниеотводами [11].

Схема защиты двойного стержневого молниеотвода показана на рисунке 5.1.

Для расстояний между молниеотводами L > Lmax высота hс определяется по выражению:

fy

 . (5.1)

Рисунок 5.1 - Схема зоны защиты двойного стержневого молниеотвода резервуара РВС-5000

Входящие в него предельные расстояния Lmax и Lс вычисляются по эмпирическим формулам и составляют 5,7h и 2,25h соответственно (согласно СО 153-34.21.122-2003). Подставим данные значения в выражение (5.1) и выразим h:

h = (hc + 0,14×L)/l,06, (5.2)

где h - высота молниеотводов от земли, м;

hc - высота зоны защиты молниеотводов, м;

L - расстояние между молниеотводами, м.

Произведем расчет высоты молниеотводов для резервуара РВС-5000 высотой 11,94 м и диаметром - 22,8 м. Из формулы (5.2) имеем, что высота молниеотводов при известных значениях hc = 14 м и L = 2,25h м составляет:

h = (14+0,14×2,25h)/1,06 = 20 м. (5.3)

Таким образом, для молниезащиты резервуара РВС-5000 необходимо четыре молниеотвода, высотой 20 м.

6. Оценка экономической эффективности проекта

.1 Экономическая характеристика ОАО «Уралсиб-нефтепровод»

Открытое акционерное общество «Урало-Сибирские магистральные нефтепроводы имени Д.А. Черняева» - дочернее акционерное общество ОАО «АК «Транснефть» - зарегистрировано постановлением главы администрации Советского района г. Уфы РБ №2151 от 16.08.1995 г. и является правопреемником ПО «Урало-Сибирское управление магистральных нефтепроводов», которое было образовано 3 сентября 1947 года.

Туймазинское нефтепроводное управление (ТНУ) создано на основании приказа ОАО «Уралсибнефтепровод» №123 от 15 июля 1999 года. ТНУ является правопреемником Туймазинского районного нефтепроводного управления ОАО «Уралсибнефтепровод», не является юридическим лицом и входит на правах обособленного структурного подразделения (филиала) в состав ОАО «Урало-сибирские магистральные нефтепроводы имени Д.А. Черняева». ТНУ имеет отдельный (незаконченный) баланс, печать и штамп со своим наименованием, расчетный счет в банке. ТНУ в своей деятельности руководствуется законодательством РФ, РБ, Уставом ОАО и положением о ТНУ.

Основные виды деятельности общества:

транспортировка по магистральным нефтепроводам нефти, газа и продуктов их переработки;

хранение и реализация нефти, газа и продуктов их переработки;

эксплуатация и капитальный ремонт магистральных трубопроводов;

изготовление, обслуживание, ремонт, наладка и испытание оборудования магистральных нефтепроводов.

.2 Краткая характеристика объекта исследования

Как уже отмечалось ранее, в данном дипломном проекте рассматривается автоматизация резервуарного парка ЛПДС «Субханкулово», которая является структурным подразделением ОАО «Уралсибнефтепровод».

Объем автоматизации резервуарного парка предусматривает автоматический контроль наиболее важных параметров и защиту резервуара от аварийных ситуаций. Одними из таких параметров являются максимальный и минимальный уровни взлива нефти и толщина осадка парафина на днище резервуара. Контроль за этими параметрами позволяет своевременно устранить вероятность аварии на объекте, вызванную появлением отклонений в процессе его эксплуатации.

Система размыва донных отложений типа “Диоген” предназначена для устранения осадка парафина со дна резервуара. Наилучший результат достигается при работе мешалок в период закачки нефти, но иногда они включаются и при откачке.

Вибрационные сигнализаторы уровня жидкости предназначены для отслеживания критических уровней нефти в резервуаре и выдачи сигнала на отключение насосов и управление задвижками при аварийном значении.

Применение данных средств автоматизации позволяет:

повысить надежность срабатывания системы и обеспечить своевременную передачу сигнала об отклонениях на средний и верхний уровень АСУ ТП, что предотвращает аварии в резервуарном парке;

повысить надежность работы и срок службы технологического оборудования, благодаря отсутствию недопустимых воздействий;

снизить эксплуатационные затраты и расходы на обслуживание и ремонт.

6.3 Методика расчета экономической эффективности проекта

Под экономической эффективностью понимается относительная величина, получаемая в результате сопоставления экономического эффекта с затратами, вызвавшими этот эффект.

Для оценки эффективности инвестиционных проектов применяются методы дисконтированной оценки, которые базируются на учете временного фактора. Они учитывают временной фактор с позиции стоимости денег в будущем.

Расходы и доходы, распределенные по времени, приводятся к единому моменту времени - расчетному или базовому моменту. Расчетным или базовым моментом считается дата начала реализации объекта или начало производства продукции.

Процедура приведения разновременных доходов и расходов к базовой дате называется дисконтированием.

Одним из показателей экономической эффективности является чистый дисконтный доход (ЧДД), который определяется как сумма текущих эффектов за весь расчетный период. Проект считается прибыльным и его следует принять, если чистый дисконтный доход (ЧДД) больше нуля.

На практике часто пользуются следующей формулой для определения ЧДД:

, (6.1)

где t -       год расчетного периода;

N - плановый срок обновления системы, лет;

ЧД - чистый доход в году t, руб.;

αt - коэффициент дисконтирования.

В качестве начального года расчетного периода принимается год начала финансирования работ по осуществлению мероприятия, включая проведение научных исследований. Конечный год tN расчетного периода определяется моментом завершения установленного жизненного цикла проектируемой системы, зависящий от планового срока обновления средств автоматизации по условиям их использования или срока службы (с учетом морального старения).

Приведение разновременных затрат и результатов всех лет периода реализации мероприятия к расчетному году осуществляется путем умножения их величины за каждый год на коэффициент дисконтирования, рассчитываемый по формуле

, (6.2)

где r - величина ставки дисконта, r =10%.

Важным фактором, влияющим на оценку эффективности проекта, является ставка дисконта. Величина ставки дисконта обычно применяется на уровне ссудного процента. Чем меньше ставка, тем эффективность проекта больше.

Для определения величины чистого дохода, приходящегося на рубль капиталовложений, используется индекс доходности (ИД), который определяется отношением суммы дисконтированных эффектов к сумме дисконтированных капитальных вложений:

,(6.3)

где К - капитальные вложения, руб.

Срок окупаемости с учетом дисконтирования (Ток) - продолжительность периода от начального момента до момента окупаемости, расчет которого проводится графически или по формуле

.(6.4)

Внутренней нормой доходности (ВНД) называется такое положительное число , что при норме дисконта  ЧДД проекта обращается в нуль, при всех больших значениях  - ЧДД отрицателен, при всех меньших значениях - ЧДД положителен. ВНД определяется графическим методом по зависимости накопленного ЧДД от ставки дисконтирования r.

ВНД показывает максимальную ставку платы за инвестиции, при которой они остаются безубыточными.

6.4 Расчет экономической эффективности проекта

К единовременным вложениям относятся затраты на разработку, приобретение, монтаж и наладку приборов и оборудования.

Затраты по капитальным вложениям в систему размыва донных отложений и на вибрационные сигнализаторы уровня сведены в таблицу 6.2.

Таблица 6.2 - Определение капитальных вложений в систему размыва донных отложений и на вибрационные сигнализаторы уровня

Наименование видов затрат

Затраты, руб.

Предпроектные исследования

5 354,02

Разработка рабочего проекта

9 775,65

Затраты на экспертизу, авторский надзор

5 125,54

Стоимость оборудования

838 224,6

Строительно-монтажные работы

10 937,75

Пуско-наладочные работы

12 534,44

Итого:

881 952

НДС (18%)

158 751,36

Всего с НДС

1 040 703,36


Эксплуатационные затраты рассчитываются по формуле

 (6.5)

где З - эксплуатационные затраты на систему, руб.;

Зот - затраты на заработную плату, тыс. руб.;

ТР - затраты на текущий ремонт, тыс. руб.;

ЗЭЛ - затраты на электроэнергию, руб.;

А - амортизационные отчисления, руб.

Затраты на оплату труда персонала, обслуживающего технические средства, определяется по формуле:

 (6.6)

где ЗП - заработная плата на одного человека, руб.;

n - число рабочих, человек;

t - время, число месяцев;

kр - районный коэффициент, Кр =15%;

kесн - единый социальный налог, kр = 34,5%.

Резервуарный парк и входящую в АСУ ТП систему размыва донных отложений непосредственно обслуживают два электромеханика с окладом 7 876 рублей, один инженер с окладом 10 632 рублей.

Для того чтобы система была эффективной, затраты на текущий ремонт должны составлять не более 10% от капитальных вложений. Внедряемая система имеет высокую степень надежности.

Величина амортизационных отчислений:

 (6.7)

где NA -      норма амортизационных отчислений, %;

К  -  капитальные вложения, тыс. руб.

Норма амортизационных отчислений NA = 10% с учетом планового срока обновления системы 10 лет.

Результаты расчета эксплуатационных затрат приведены в таблице 6.3.

Таблица 6.3 - Расчет эксплуатационных затрат по системе размыва донных отложений и на вибрационные сигнализаторы уровня

Наименование

Стоимость, тыс. руб.

Затраты на заработную плату

685,51

Затраты на текущий ремонт

151,45

Затраты на электроэнергию

107,43

Амортизационные отчисления

104,07

Итого:

1048,46


Внедрение системы размыва донных отложений и установка вибрационных сигнализаторов уровня дает ряд преимуществ:

уменьшилось число аварий и сократилось время простоев;

повысилась надежность работы РП за счет отсутствия преждевременного износа оборудования;

снизилась трудоемкость работ по эксплуатации оборудования, сбору, обработке и передаче информации;

сократилась численность обслуживающего персонала.

Экономия от использования системы размыва донных отложений и вибрационных сигнализаторов уровня дана в таблице 6.4.

Таблица 6.4 - Расчет выгод от реализации системы размыва донных отложений и вибрационных сигнализаторов уровня

Наименование

Стоимость, тыс. руб.

Экономия на заработной плате

489,34

Экономия на ремонте оборудования

57,89

Экономия на электроэнергии

56,65

Экономия за счет рационального режима работы

138,34

Итого:

742,22


Прибыль от проекта определяется по формуле

,(6.8)

где  - прибыль в году t;

В - выгоды от реализации проекта, тыс. руб.;

З - текущие затраты без учета амортизации, тыс. руб.;

А - амортизационные отчисления, тыс. руб.;

Нимt - налог на имущество в году t, тыс. руб.,

,        (6.9)

где Ко - остаточная стоимость имущества, тыс. руб.;

Ним - ставка налога на имущество, Ним = 2,2 %.

Чистая прибыль равна прибыли от реализации проекта:

, (6.10)

где  Нпр t   -       налог на прибыль в году t, тыс. руб.

, (6.11)

где Нпр - ставка налога на прибыль, Нпр = 20 %.

Чистый дисконтированный доход и коэффициент дисконтирования определяем по формулам (6.1) и (6.2).

В результате расчетов получаем, что ЧДД > 0, следовательно, применение системы размыва донных отложений и вибрационных сигнализаторов уровня целесообразно с экономической точки зрения.

На рисунке 6.1 изображены потоки денежных средств.

- ЧДД; 2 - НЧДД

Рисунок 6.1 - Изменение денежных потоков для системы размыва донных отложений и вибрационных сигнализаторов уровня

Индекс доходности, рассчитанный по формуле (6.3), составляет 1,34.

Срок окупаемости проекта определяем по графику (рисунок 6.2) для анализа эффективности единовременных затрат на разработку и внедрение. Он составляет примерно 7 лет.

Рисунок 6.2 - Срок окупаемости системы

Для определения ВНД строим кривую зависимости ЧДД от нормы дисконта. Результаты вычислений сведены в таблицу 6.5, по которой построен график 6.3.

Таблица 6.5 - Расчет ЧДД и НЧДД для определения ВНД системы размыва донных отложений и вибрационных сигнализаторов уровня

Год

ЧД, тыс. руб.

Норма дисконта, r



0,1

0,2

0,3

0

-1040,70

-1040,70

-1040,70

-1040,70

1

220,17

200,35

183,48

169,36

2

221,91

184,19

154,10

131,31

3

223,65

167,74

129,42

101,80

4

225,4

153,27

108,70

78,92

5

227,13

140,82

91,28

61,17

6

228,87

128,17

76,65

47,42

7

230,61

117,61

64,36

36,75

8

232,36

109,21

54,04

28,48

9

234,09

98,32

45,37

22,07

10

235,83

91,97

38,09

17,11

ЧДД, тыс. руб.

350,95

-95,2128

-346,307



Рисунок 6.3 - Определение внутренней нормы доходности системы

Пересечение кривой ЧДД с нулевой линией - около 17,5% - есть ВНД.

Показатели экономической эффективности проекта внедрения системы размыва донных отложений и вибрационных сигнализаторов уровня приведены в таблице 6.6. Результаты свидетельствуют о достаточно высокой экономической эффективности проекта, что подтверждает прибыльность внедрения данной системы автоматизации.

ЗАКЛЮЧЕНИЕ

В процессе решения задач данного дипломного проекта было проведено изучение технологии эксплуатации резервуарного парка ЛПДС «Субханкулово» ОАО «АК «Транснефть»», а также состава его оборудования.

В ходе изучения средств автоматизации объекта был выявлен ряд недостатков, требующих устранения. Вследствие чего мной внесено предложение заменить устаревшее оборудование более современным и надежным. В частности проект предусматривает замену поплавкового сигнализатора предельного уровня СУЖ-П-И вибрационным сигнализатором уровня. Для этого был проведен анализ наиболее распространенных моделей, составлена сравнительная таблица их характеристик. Также было предложено внедрение ранее не использовавшегося устройства, служащего для размыва донных отложений. Кроме того составлен алгоритм автоматического управления задвижками резервуара и электродвигателем электромеханической мешалки типа «Диоген». Рассчитана система молниезащиты резервуара и проведен анализ экономической эффективности проекта.

Реализация данного проекта позволит точнее производить коммерческий учет нефти, уменьшит затраты на обслуживание и ремонт оборудования, увеличит срок его эксплуатации и сократит количество ложных срабатываний.

Считаю целесообразным проведение модернизации не только на производстве, но и во всех остальных сферах жизни, ведь улучшение - это всегда движение вперед, к более качественной и безопасной жизни. В этом смысле автоматизация является неотъемлемой частью развития человечества.

СПИСОК ИСПОЛЬЗОВАННЫХ ИСТОЧНИКОВ

1 ПБ 03-605-03. Правила устройства вертикальных цилиндрических резервуаров для нефти и нефтепродуктов. - М.: Госгортехнадзор России, 2003. - 74 с.

Вайншток С.М. Технологические регламенты (стандарты организации) Акционерной компании по транспорту нефти «Транснефть»: В 7 т. / Эксплуатация линейной части магистральных нефтепроводов, технологических трубопроводов насосных перекачивающих станций и резервуарных парков. - М.: ООО «Недра-Бизнесцентр», 2005. - Т.1. Кн.1 - 623 с., Т.1.Кн.2 - 750 с.

РД 35.240.00-КТН-207-08. Автоматизация и телемеханизация магистральных нефтепроводов. ОАО «АК «Транснефть»».- 153 с.

РД 153-39.4-078-01. Правила технической эксплуатации резервуаров магистральных нефтепроводов и нефтебаз / ИПТЭР. - Уфа: ОАО «АК «Транснефтепродукт», 2001. - 94 с.

Коновалов Н.И., Мустафин Ф.М., Коробков Г.Е. и др. Оборудование резервуаров: Учебное пособие для ВУЗов.- Уфа: ООО «ДизайнПолиграфСервис», 2005. - 214 с.

РД 153-39.4-057-00. Технология проведения работ по предотвращению образования и удалению из резервуаров донных отложений. ОАО «АК «Транснефть»». - 21 с.

7 Вибрационный датчик уровня Klay VIBRA-SWITCH «С» [Электронный ресурс].- <http://kipservis.ru/klay/vibracionnyj_signalizator_urovnia_vibraswitch_c.htm>.

Вибрационный сигнализатор уровня жидкости Rosemount 2120 [Электронный ресурс].- http://www.metran.ru/netcat_files/960/927/Rosemount _2120_PDS_ 00813_ 0100_4030_RevDB_rus.pdf .

РД 153-39.4-077-01. Методика определения нормативов технологических остатков нефти в резервуарных парках. ОАО «АК «Транснефть»». - 32 с.

Программирование в системе ISaGRAF на стандартных языках. Учебно-методическое пособие по лабораторным работам по специальности «Современные системы управления».УГНТУ.-2008.-84 с.

11 РД 16.01-60.30.00-КТН-026-1-04. Нормы проектирования стальных вертикальных резервуаров для хранения нефти объемом 1 000-50 000 куб.м. ОАО «АК «Транснефть»». - 71 с.

ПРИЛОЖЕНИЕ А

(обязательное)

Перечень демонстрационных листов

Титульный слайд.

Цель и задачи ВКР.

Технологическая схема ЛПДС «Субханкулово» (копия рисунка 1.1).

Функциональная схема автоматизации резервуара РВС-5000 (копия рисунка 3,1, таблиц 3.1-3.2).

Устройство для размыва донных отложений «Диоген-700» (копия рисунка 4.1).

Устройство вибрационного сигнализатора уровня (копия рисунка 2.2).

Схема автоматического регулирования уровня в резервуаре (копия рисунка 4.3).

Алгоритм регулирования уровня в резервуаре (копия рисунка 4.2).

Модернизированная функциональная схема автоматизации резервуара РВС-5000.

Выводы.

ПРИЛОЖЕНИЕ Б

(справочное)

Листинг программы управления резервуаром

case uroven of

: Z1:= FALSE;:= FALSE;:= FALSE;VAU:= FALSE;UTECH:= FALSE;:= FALSE;DIA:= FALSE;Start then uroven:=1; END_IF;

: Z1:= TRUE;:= FALSE;:= FALSE;NU then uroven:=2; END_IF;NAU then uroven:=6; END_IF;

: Z1:= TRUE;:= FALSE;:= FALSE;:= TRUE;VU then uroven:=3; END_IF;SKS then uroven:=4; END_IF;

: Z1:= TRUE;:= TRUE;:= TRUE;:= FALSE;NU then uroven:=1; END_IF;VAU then uroven:=5; END_IF;NAU then uroven:=6; END_IF;

: Z1:= TRUE;:= FALSE;:= FALSE;:= FALSE;DIA:= TRUE;YSBROS then uroven:=0; END_IF;

: Z1:= FALSE;:= TRUE;:= TRUE;VAU:= TRUE;YSBROS then uroven:=0; END_IF;

: Z1:= FALSE;:= TRUE;:= FALSE;UTECH:= TRUE;YSBROS then uroven:=0; END_IF;_case;

Похожие работы на - Автоматизация и модернизация резервуарного парка

 

Не нашли материал для своей работы?
Поможем написать уникальную работу
Без плагиата!
Без нейросетей!