Розрахунок електричної частини ТЕС 1300 МВт

  • Вид работы:
    Дипломная (ВКР)
  • Предмет:
    Физика
  • Язык:
    Украинский
    ,
    Формат файла:
    MS Word
    127,96 Кб
  • Опубликовано:
    2014-07-08
Вы можете узнать стоимость помощи в написании студенческой работы.
Помощь в написании работы, которую точно примут!

Розрахунок електричної частини ТЕС 1300 МВт

Зміст

Вступ

. Вибір генераторів

. Вибір і обґрунтування двох варіантів схем проектованої електростанції

. Вибір силових трансформаторів

. Техніко-економічне порівняння варіантів схем проектованої електростанції

. Вибір основного теплотехнічного устаткування

. Вибір схеми власних потреб і трансформаторів власних потреб

. Розрахунок струмів короткого замикання

. Вибір електричних апаратів і струмопровідних частин для заданих кіл

. Вибір електричних апаратів за номінальними параметрами для решти кіл

. Вибір способу синхронізації

. Розробка технології монтажу охолоджуючих пристроїв системи трансформатора

. Розробка заходів з охорони праці і протипожежної безпеки

. Розрахунок релейного захисту для заданого кола

. Опис конструкції розподільчого пристрою

. Розрахунок захисного заземлення

. Охорона праці

. Спеціальне завдання

. Розрахунок техніко-економічних показників роботи КЕС

Перелік посилань

Вступ

Розвиток сучасного суспільства не можливий без постійного зростання виробництва електричної енергії.

Електрична енергія виробляється тепловими, атомними і гідравлічними електричними станціями.

Більшість країн світу відмовляються від атомних електричних станцій, надаючи пріоритет розвитку нетрадиційних методів одержання електричної енергії, поряд із цим будуть будуватися нові теплові електричні станції.

В даному дипломному проекті передбачено виконати розрахунок електричної частини ТЕС 1300 МВт.

1. Вибір генераторів

На ТЕС, у відповідності до завдання, буде встановлено шість турбогенераторів потужністю по 220 МВт типу ТВВ-220. Турбогенератор ТВВ-220 має воднево-водяне охолодження. Збудження ТН- тиристорна система незалежного збудження із збудником змінного струму.

Напруга збудження при неробочому ході 316 В; струм збудження при неробочому ході 1025 А, при номінальному навантаженні Ізб =2080А.

Охолодження - обмотки статора безпосередньо водою, обмотка ротора і осердя статора - безпосередньо воднем.

Технічні дані генератора в таблиці 1.1.

генератор трансформатор електростанція замикання

Таблиця 1.1 - Вибір генераторів

Тип  генератора

Номінальна потужність

Номінальна напруга кВ

Номінальний струм кА

сos jн.

ККД %

Збудження

Xd"


Рном., МВт

Sном.,МВА





Ufo В

Ifo А

Ifном А


ТВВ-200-2АУ3

200

235

15,75

8,625

0,85

98,6

30

1025

2540

0,1

ТВВ-220-2ЕУ3

220

258

15,75

8,625

0,85

98,5

31

1025

2680

0,1


. Вибір і обгрунтування двох варіантів схем проектованої електростанції

Схема проектованої ТЕС 1300 МВт будується по блочному типу.

Живлення власних потреб блоків здійснюється від свого генератора. Електрична енергія видається в енергосистему на напрузі 330 кВ і 220 кВ. між розподільними пристроями встановлюються автотрансформатори зв’язку. Для вибору схеми ТЕС розглянемо два варіанти.

У першому варіанті ( рисунок 2.1) до РП 330 кВ приєднано чотири блоки, схема РП-3/2 вимикача на одне приєднання. На середню напругу 220 кВ - схема РП дві робочі системи шин з обхідною системою шин. До РП 220 кВ приєднано два блоки.

У другому варіанті ( рисунок 2.2) схеми РП як у першому варіанті, а один генератор G2 через генераторний вимикач приєднано до обмотки низької напруги автотрансформатора зв’язку.

Рисунок 2.1 - Структурна схема першого варіанту

Рисунок 2.2 - Структурна схема другого варіанта

3. Вибір силових трансформаторів

Потужність блочних трансформаторів вибирається по [2.5.4 ].

Sрозр.=  ;

Потужність ВП приймаємо 6% [2.таблиця 5.2] від установленої потужності блока 220 МВт

Рвп = = 13,2 МВт;

вп.= РВП.×tgj = 13,2×0,75 = 10 МВАр

Qг = Рг.×tgj = 220 × 0,62 = 136 МВАр;

(cosj = 0,8) ; Sвп =  розр.=  

Вибираємо блочний трансформатор на напругу 220 кВ по [1.таблиця 3.8 ]

ТДЦ- 250000/220ном= 250 МВА; UВН =242 кВ; UНН = 15,75 кВ; Uк = 11%;о =207 кВт; Pк = 600 кВт.

Ціна 284 тис. грн.

На напругу 330 кВ вибираємо блочний трансформатор ТДЦ - 25000/330,ном= 250 МВА; UВН =347 кВ; UНН = 15,75 кВ; Uк = 11%;о =214 кВт; Pк = 605 кВт.

Ціна 418 тис. грн.

4. Техніко-економічне порівняння варіантів схем проектованої електростанції

Спочатку визначимо розрахункове навантаження на автотрансформатор зв’язку по [2.5.5 ]

Sрозр.=  ;

де реактивні складові потужності

е тах.= Ре тах.×tgj = 450×0,484 = 218 МВАр;е тіп.= Ре тіп.×tgj = 400×0,484 = 194 МВАр;г = Рг.×tgj = 220 × 0,62 = 136 МВАр;

1 розр.= 2 розр.=

При відключенні блока від шин 220 кВ3 розр.=

По найбільш важкому режиму S3 розр вибираємо потужність автотрансформатора

ном ³ ;

Вибираємо два автотрансформатори зв’язку АТДЦТН- 240000/330/220ном= 240 МВА; UВН =330 кВ; UСН = 242 кВ; UНН = 38,5 кВ; Uк = 11%;о =130 кВт; Pк В-С = 430 кВт, Pк В-Н = 260 кВт, Pк С-Н = 220 кВт, к В-С = 9,5%, Uк В-Н = 74%, Uк С-Н = 60%.

Вибір автотрансформатора для другого варіанту.

Потужність блочних трансформаторів така як у першому варіанті.

Потужність автотрансформатора, який ввімкнений в блок з генератором [2.5.6 ]

ном ³ ;

Вибираємо два групові автотрансформатори 3х АОДЦТН - 133000/330/220/15,75; 2Sном =2∙400=800МВА > S розр=775 МВА.о =3∙50=150 кВт; Pк В-С =3∙250=750 кВт, Pк В-Н = 3∙125=375 кВт, Pк С-Н = 3∙105=315 кВт.

Визначаємо втрату електричної енергії в блочних трансформаторах, які приєднані до шин 220 кВ.

ΔW о ∙Т+ Рк

Де Т = τ річне - Трем = 8760-600= 8160 год;

Тмах =7000 г;

по [2.рис.5.6 ] при Тмах =7000 г; τ = 600 г.

Втрати в блочному трансформаторі, який приєднаний до шин 330 кВ

ΔW =

Втрати електричної енергії в автотрансформаторі зв’язку в першому варіанті по [2.3.14 ] із врахуванням того, що обмотка низької напруги навантаження

;

;

Сумарні річні втрати електричної енергії в першому варіанті

DW = 2∙514∙106 +4∙3,48∙106 +2∙1,61∙106 =27,42∙106 кВт∙г.

Визначаємо втрати потужності к.з. в обмотках блочного автотрансформатора в другому варіанті по [2.5.15-5.17 ]

;

;

;

В другому варіанті обмотка низької напруги автотрансформатора навантажена

;

;

;

Рисунок 4.1- Розподіл потужностей в автотрансформаторі

Втрати електричної енергії в блочному автотрансформаторі по [2.5.17 ]

Приймаємо τВ = τС = τН =6000г при Тмах =7000г, соs φ = 0.85

DWАТ =150×8760+650××6000+102 ××6000+2790×6000 =

= 2927877кВт∙г=2,93∙106 кВт∙г

Сумарні річні втрати електричної енергії в другому варіанті

(один блок 220кВ, чотири блоки 330 кВ і два блочних автотрансформатори

DW2 =2×5,14×106 +4 ×3,48×106 +2×2,93 ∙106 =30∙106 кВт∙г

Таблиця 4.1 - Капітальні затрати

Устаткування

Вартість одиниці, тис.грн.

Варіанти



перший

другий



к-сть одиниць шт

вартість, тис.грн

к-сть одиниць шт

вартість, тис.грн

Блочні трансформатори: ТДЦ-250000/220 ТДЦ-250000/330 Автотрансформатори: АТДЦТН-240000/330 3хАОДЦТН-133000/330 Генераторний вимикач

 284 418  382 546 4,51

 2 4  2 - -

 568 1672  764 - -

 1 4  - 2 1

 284 1672  - 1092 4,51

 

Разом



3004х20=60080


3052,5х20=61050

 


Річні експлуатаційні витрати

В = ×К+b×DW;

де Ра =6,4% ; Ро=2%; b=30 коп/кВт∙г

В1 = ×60080 +30 × 10-5 ×27,42∙106 = 13152,5 тис. грн.;

В2 = ×61050 +30 × 10-5 ×30∙106 = 14006 тис. грн.;

Зведені затрати без врахування збитків

З1 = 0,12×60080+13152 =20361 тис. грн.;

З2 = 0,12×61050+14006=21332 тис. грн.;

Для подальших розрахунків приймаємо перший варіант

. Вибір основного теплотехнічного устаткування

Генератор ТВВ-220 приводиться в дію паровою турбіною К-220-130.

Турбіна живиться парою від парового котла Еп-640-13, 8-570Кпс (ТП-100А). котел призначений для спалювання вугілля, газу і мазуту. Котел барабанного типу, виготовлений за Т-подібною схемою.

Паливна камера призматична, розділена по висоті на два відсіки. Стінки паловища екрановані трубами діаметром 60 мм із товщиною стінок 6 мм.

Котел обладнаний необхідною арматурою, пристроями для відбирання проб пари і води, контрольно-вимірними приладами.

Котел ТП-100А має здатність виробляти за одну годину 640 т. пари, при тиску пари 13,8 МПа ( 140 кгс/см2) при температурі 545 ºС.

6. Вибір схеми власних потреб і трансформаторів власних потреб

На рисунку 6.1 зображено схему живлення власних потреб частини ТЕС з енергоблоками 220МВт. Робочий трансформатор ВП блока приєднаний відгалуженням до виводів генератора.

Трансформатори ВП живлять секції 6 кВ. До секцій приєднані двигуни ВП на напругу 6 кВ турбінного і котельного відділень, загально станційне навантаження ВП і трансформатори 6/0,4 кВ.

Резервне живлення здійснюється від резервних магістралей, які живляться від пускорезервних трансформаторів ВП.

Резервні магістралі секціонуються через кожні два енергоблоки.

У відповідності з таблицею [2.5.3] вибираємо потужності робочих і резервних трансформаторів ВП.

Потужність робочого трансформатора ВП блоку 220 МВт першого і наступних по 25 МВА, потужність резервних - 32 МВА.

Технічні дані робочих і резервних трансформаторів ВП занесені в таблицю 6.1

Таблиця 6.1 - Технічні дані робочих і резервних трансформаторів власних потреб.

Тип трансформатора

Sном., МВА

Напруга, кВ

Втрати, кВт

Uк., %



ВН

НН

Pо

Pк


ТРДНС-25000/35

25

15,75

6,3-6,3

25

115

10,5

ТРДНС-32000/35

32

36,75

6,3-6,3

29

145

12,7

ТРДНС-32000/220

32

230

6,3-6,3

45

150

11,5


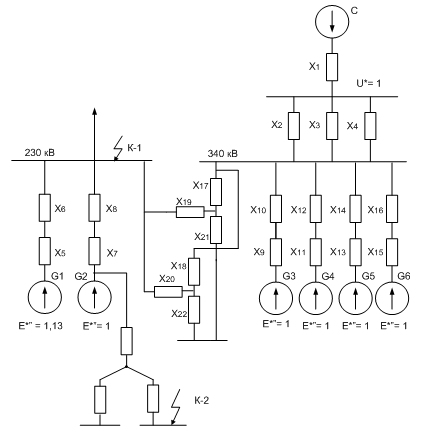
7. Розрахунок струмів короткого замикання

Розрахунок струмів короткого замикання виконується для вибору і перевірки параметрів електроустаткування, для вибору і перевірки уставок релейного захисту і автоматики. На рисунку 7.1 і 7.2 зображено розрахункову схему і схему заміщення для розрахунку струмів к.з.

Рисунок 7.1 - Розрахункова схема для визначення струмів короткого замикання

Визначаємо опори схеми ( рисунок 8.2) при базовій потужності Sб=1000МВА. Опір енергосистеми

Х1 = Хc.×Sб./Sном.с.= 0,4×1000/5700 = 0,8;

Опір ліній електропередач

Х2 = Х3 = Х4 = Х2 ІІ Х3 ІІ Х4 ІІ= Худ.l×Sб./Uсер2 = 0,3× 270×1000/ 3402 = 0,70;

Х23= Х2/3 = 0,7/ 3 = 0,230

Рисунок 7.2 - Схема заміщення для визначення струмів короткого замикання

Визначаємо опори схеми ( рисунок 8.2) при базовій потужності Sб=1000МВА.

Опір енергосистеми

Х1 = Хc.×Sб./Sном.с.= 0,4×1000/5700 = 0,8;

Опір ліній електропередач

Х2 = Х3 = Х4 = Х2 ІІ Х3 ІІ Х4 ІІ= Худ.l×Sб./Uсер2 = 0,3× 270×1000/ 3402 = 0,70;

Х23= Х2/3 = 0,7/ 3 = 0,230

Опір генераторів

Х5 = Х7 = Х9 = Х 11 13 15 =Х″d×Sб./Sном.т. = 0.19×1000/ 258.3 = 0,73;

Опір блочних трансформаторів

Х6 = Х8 = Х10= Х 12 1416 = Uк %/100×Sб./Sном.т. =11/100×1000/ 250= 0,44;

Опір автотрансформатора зв’язку

Х= 0,5×(Uк.В-С/100+ Uк.В-Н /100- Uк.С-Н/100)=0,5×(9,5/100+74/100-60/100) = 0,12;

ХС= 0,5×(Uк.В-С/100+ Uк.С-Н/100-Uк.В-Н /100)=0,5×(9,5/100+60/100-74/100) ≈ 0,0;

ХН= 0,5×( Uк.В-Н /100+ Uк.С-Н/100- Uк.В-С/100)=0,5×(74/100+60/100-9,5/100) =0,62;

Х17 = Х18 = Х ×Sб./Sном.г. = 0,12 ×1000/240=0,5;

Х1920= Х ×Sб./Sном.г. = 0,045 ×1000/240=0;

Х2122= Х ×Sб./Sном.г. = 0,62 ×1000/240×0,33= 7,82;

Коротке замикання в точці К1

Спрощуємо схему

Х24 = Х 2 /3 + Х1 = 0,7/3 + 0,8=1,03;

Х25 =( Х9+ Х10) ІІ (Х 11+ Х 12) ІІ (Х 13+ Х 14) ІІ (Х 15+ Х 16) = (Х9+ Х10 )/ 4 =(0,73+0,44)/4=0,3;

Х26 =( Х5+ Х6) ІІ (Х 7+ Х 8)= (0,7330,44)/2 = 0,6;

Х27 = Х17ІІ Х 18= 0,5/ 2= 0,25

Рисунок 7.3- Проміжна схема заміщення

Точка КЗ1 віддалена від енергосистеми і від G3- G6,тому об’єднаємо систему із генераторами G3- G6

Х28 = Х24ІІ Х 25 = ;29 =X28 +X27 =0.23+0.25=0.48

Початкове значення періодичної складової струму КЗ

п.о. = E*²/X*×Iб.

де Х* - результуючий опір вітки схеми

б.= Sб./(×Uсер.)= 1000 /×230=2,5кА.

Струми по вітках:

Система і генератор G3- G6п.о. = 1/0,48×2,5=5,2кА;

генератори G1- G2

Iп.о. = E*²/X26×Iб= 1,13/0,6×25=4,7кА.

Сумарний струм Iп.о.в точці К1п.о.=5,2+4,7=9,9кА.

Періодична складова струму КЗ

Значення струму по вітках.

Іп.t- від енергосистеми і генераторів

- G6 Іп.t= Iп.о.=5,2кА.

Періодична складова струму КЗ від G1і G2. Використаємо метод кривих.

Розрахунковий час τ =tвч+0,01, де tвч=0,04с тоді τ =0,04+0,01=0,05с

Визначаємо струм

Іном.¢ = ;

де Рном і соs φном- номінальна потужність і коефіцієнт потужності генератора.

По даному відношенню і часі - t= τ=0,05с визначаємо при допомозі кривих Іп.t г п.о.г = 0,91.

Періодична складова струму КЗ від генераторів G1і G2.

Іпt= 0.91× Іп.о.г=0.91×4.7=4.2кА.

Сумарний струм Іпt=5,2+4,2=9,4кА.

Аперіодична складова струму КЗ від системи і генераторів G3- G6 до часу t= τ=0,05с

іаt = ×Iп.о.×е -t/Та = ×4,7×0,82 =5,4 кА, де

Та = 0,31 с [2. таблиця 3.7]

Аперіодична складова струму КЗ від енергосистеми і генераторів G3- G6

іаt = ×Iп.о.×е -t/Та = ×5,2×0,2 =1,5 кА, де Та = 0,03 с ; е -0,05/0,03 = 0,2.

Сумарне значення аперіодичної складової

іаt =5,4+1,5=6,9 кА.

Ударний струм:

від системи і генераторів G3- G6

іу = ×kу×Iп.о. = Ö2×1,75×5,2 = 12,8 кА;

від генераторів G1і G2:

у=1,96; іу = ×kу×Iп.о. = Ö2×1,96×4,7 = 13 кА;

Сумарний ударний струм для т.КЗ

іу =13+12,8=25,8кА.

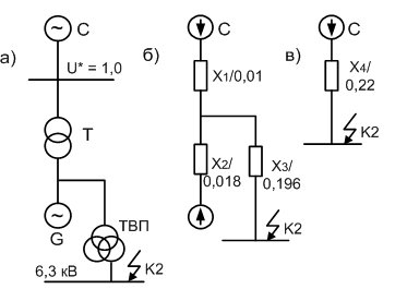
Коротке замикання в точці К-2. (шини 6,3 кВ). Розрахункова схема і її параметри на рисунку 7.4.

Живлення секції здійснюється від робочого трансформатора ВП

ТРДНС-25000/35, UВН=15,75кВ,UНН=6,3-6,3кВ; UК=10,5%.

Приймаємо сумарну потужність споживачів секції åР = 1368 кВт, Sб=25 МВА і зведемо опори схеми заміщення до базових умов.

Рисунок 7.4 - а) розрахункова схема, б,в) схеми заміщення

Параметри схеми заміщення

;

;

;

Результуючий опір від енергосистеми до місця КЗ визначається таким чином

;

Струм бази

б.= Sб./(×UсКЗ.)= 25 /×6,3=2,3 кА.

Початкове значення періодичної складової струму зовнішньої мережі

;

Початкове значення періодичної складової від еквівалентного двигуна

;

Сумарне значення періодичної складової струму КЗ

Іпопоспод = 10,4+9,12=19,42 кА.

Ударний струм КЗ

іу = ×kу×Iп.ос. +×kу×Iп.од = Ö2×1,82×10,4+Ö2×1,65×9,12 = 47,9 кА;

Періодична складова струму КЗ до часу t= τ=0,1с

Іпt= Іп.о.с+ Іпод×е -t/0,07=10,4+9,12×е -0,1/0,07=10,4+2,2=126кА.

Аперіодична складова струмуКЗ

іаt = іаtс+ іаtд=×Iп.о.с×е -t/Та +×Iп.о.д×е -t/Та = ×10,4×0,1+×9,12×0,1 =2,75 кА

Таблиця 7.1 - Зведена таблиця розрахунку струмів короткого замикання

Точка к. з.

Іп.о., кА

іу., кА

іа.t, кА

Іп.t, кА

К-1 шини 220 кВ

9,9

9,4

25,8

6,9

К-2  шини 6,3 кВ

19,42

12,6

47,9

2,75


. Вибір електричних апаратів і струмопровідних частин для заданих кіл

Вибір вимикачів і роз’єднувачів на напругу 220 кВ

Інорм. = Імах;

Вк. = Іп.о.2×(tвідкл. +t рз) = 9,92×(0,1+0,8) = 17,6 кА2×с;

Попередньо вибираємо вимикач типу: ВВБ-220Б

Таблиця 8.1 - Розрахункові і каталожні дані вимикача і роз’єднувача

Розрахункові величини

Каталожні дані


Вимикач ВВБ-220Б-31,5/2000У1

Роз’єднувач РНДЗ-1/220/2000

Uуст.= 220 кВ Iмах. = 656 А Iп.t = 9,4 кА іа.t = 6,9 кА Iп.о. = 9,9кА іуд. =25,8 кА Bк. =17,6 кА2×с                Uном.= 220 кВ Iном. = 2000 А Iвідк =40 кА іа.ном =×β× Iвідк=

=×0,23×40=13 кА

Iдин =40кА

ідин =102 кА2терм× t терм=402×3=

=4800 кА2×сUном.= 220 кВ

Iном. = 2000 А

 

-

 

-

ідин =102 кА2терм× t терм=402×3=

=4800 кА2×с



Таблиця 8.2 - Розрахункові і каталожні дані вимикача

Розрахункові величини

Каталожні дані Вимикача ВЭ-6-40/2000УЗ

Uуст.= 6,3 кВ Iмах. = 1150 А Iп.t = 12,6кА іа.t = 2,75 кА Iп.о. = 19,42 кА іуд. =47,9 кА Bк. =1502 кА2×с    Uном.=6,3 кВ Iном. = 2000 А Iвідк =40 кА іа.ном =×β× Iвідк=

Iдин =40кА

ідин =128 кА2терм× t терм=402×4=

=6400 кА2×с


Інорм. = Іномт;

Вк. = Іп.о.2×(tвідкл. +t рз) = 19,422×(4+0,075) = 1502 кА2×с;

Вибір вимірних трансформаторів

Контроль за режимом роботи основного і допоміжного устаткування здійснюється контрольно-вимірювальними приладами, які приєднуються до трансформаторів струму і напруги.

Вибір трансформатора струму на напругу 220 кВ

Попередньо приймаємо трансформатор струму ТФЗМ-220Б-ІV-р/р/р/0,5-1000/ІУ1

Таблиця 8.3 - Розрахункові і каталожні величини

Розрахункові величини

Каталожні дані Вимикача ВЭ-6-40/2000УЗ

Uуст.= 220 кВ Iмах. = 656 А іуд. =25,8 кА Bк. =17,6 кА2×с r2=5.15Ом

Uном.= 220 кВ Iном. = 1000 А - I2терм× t терм=19,62×3=1152 кА2×с r= 30Ом


Таблиця 8.4 - Вторинне навантаження трансформатора струму

Прилад

Тип

Навантаження фаз, ВА



А В×А

В В×А

С В×А

Амперметр Ватметр Варметр Лічильник активної енергії

Э-377 Д-335 Д-335 СА3-И680

0,5 0,5 0,5 2,5

0,5 - - -

0,5 0,5 0,5 2,5

Разом


4,0

0,5

4,0


Загальний опір приладів

прил. = Så/I22 = 4/12 = 4 Ом;

Допустимий опір проводів

пров. = r2 ном. -rприл. -rконт. = 30-4-0,1 = 25,9 Ом;

Для РП 220 кВ приймаємо кабель із мідними жилами довжиною l = 150 м. [2, сторінка 375]

тоді переріз жил

= r×l/rпров. = 0,0175×150/25,9 = 0,1 мм2;

приймаємо кабель КРВГ із мідними жилами перерізом 2,5 мм2, тоді

пр.¢ = r×l/q = 0,0175×150/2,5 = 1,05 Ом, тоді2 = rприл. +rпр.¢+rконт. = 4+1,05+0,1 = 5,15 Ом;

Вибір трансформаторів напруги

Трансформатор напруги на напругу 220 кВ приймаємо НКФ-220-58У1,

Sном=400ВА в класі точності 0,5, номінальна напруга обмоток - первинної 220000/, вторинної 100/ В, вторинної додаткової 100 В. навантаження трансформатора заносимо в таблицю 8.5

Таблиця 8.5 - Вторинне навантаження трансформатора напруги

Прилад

Тип

S однієї обмотки ВА

Число обмоток шт

Загальна потужність





Р Вт

Q ВА

Вольтметр  Вольтметр реєструючий Прилади колонки синхроніз: Два вольтметри Два частотоміри Синхроноскоп Осцилограф  Лічильник активної енергії

Э-377  Н-348  Э-377 Э-372 Э-327  Н-680

2  10  2 3 10 10 2

1  2  2 2 1 1 2

2  20  4 6 10 10 4

-  -  - - - - 9,7

Разом




100

9,7


Вторинне навантаження

S2 = ;

Вибраний трансформатор має потужність 3х400=1200ВА> Sн = 100,5ВА

Вибір трансформаторів напруги на напругу 6 кВ.

Приймаємо трансформатор 3хНОМ-6-7744, Sн =50 ВА.

Навантаження трансформатора напруги: вольтметр для вимірювання міжфазної напруги - Э-377, Р=2Вт і вольтметр з перемиканням для вимірювання трьох фазних напруг - Э-377, Р=2Вт. Значить Sн =50 ВА>4Вт.

Вибір шин

Для відкритого розподільного пристрою на напругу 220 кВ вибираємо гнучкі шини. Переріз збірних шин вибираємо за допустимим максимальним струмом при максимальному навантаженні на шинах

Іном.= Імах =  А;

Вибираємо провід АС-400/64, d =27,7 мм; q = 389,2 мм2; Ідоп. = 860 А. [2, таблиця ПЗ.3]

Проводимо перевірку по умові корони.

Початкова критична потужність:

Е0 = 30,3×m×(1+) = 30,3×0,82×(1+) = 31,1 кВ/см;

Напруженість навколо провода:

Е =  кВ/см;

Умова перевірки: 1,07×Е £ 0,9×Е0 тоді

1,07×24,2 £ 0,9×31,1

,9 £ 28

Таким чином провід АС-400/64 по умові корони проходить

Вибір шин на напругу 6 кВ

Розрахункові струми короткого замикання із таблиці 8.2п.о. = 19,42 кА; іуд. =47,9 кА; Bк. =1502 кА2×с

Розрахунковий сирум довгочасного режиму

Інорм. = Імах = 1150 А; [таблиця 9.2]

Вибираємо переріз алюмінієвих шин

(60´10) см2; Ідоп. = 2010 А,

Перевіряємо шини на термічну стійкість.

qмін. = 42,6 мм2, що менше прийнятого перерізу.

Перевіряємо шини на механічну міцність.

Відстань між ізоляторами l із умови, що частота власних коливань буде більше 200 Гц -

³ , звідси l2 £ .

якщо шини розміщені горизонтально, то

= h×b3/12 = 1×123/12 = 144 см4;

J = b× h 3/6 = 1×63/16 = 36 см4;

l2 £ м2; l £ = 1,22 м;

приймаємо проліт l=1,2 м,

відстань між фазами а= 0,8м.

визначаємо відстань між прокладками [2.4.22]

 п £ , де

;

Е = 7×1010 [2, таблиця 4.2]ф = 0,55. [2.рис.4.5]

ап = 2в =2 см.

Маса смуги тп на 1м по перерізу q і по густині матеріалу шин ( для алюмінію 2,7 ×10-3 кг/см3 при довжині 1м(100см).

тп=2,7 ×10-3 ×6 ×1=1,62 кг/м.

Кількість прокладок в прольоті

;

Приймаємо п= 2.

При двох прокладках в прольоті розрахунковий прольот

;

Визначаємо силу взаємодії між смугами

;

де в =10мм=0,01м.

напруженість в матеріалі смуг по [2.4.20]

;

;

напруженість в матеріалі шин від взаємодії фаз

;

;

;

що менше ;

таким чином,шини механічно стійкі.

9. Вибір електричних апаратів за номінальними параметрами для решти кіл

На напругу 330 кВ вибираємо вимикачі ВВ-330Б-31,5/2000У1 і роз’єднувачі РНД31-330/3200У1

Трансформатори струму: ТФЗМ- 330Б [4, таблиця 5.9]

Трансформатори напруги: НКФ-330 [4, таблиця 5.13]

Обмежувачі перенапруг ОПН-330,фільтр ФПУ-7000, конденсатор зв’язку 3´СМР 166/-0,014, високочастотний загороджувач ВЗ-2000-1,2.

На напругу 220 кВ обмежувач перенапруг ОПН-220,фільтр ФПУ-7000, конденсатор зв’язку 2´СМР 166/-0,014, високочастотний загороджувач ВЗ-2000-1,2.

. Вибір способу синхронізації

На ТЕС синхронні генератори вмикаються до паралельної роботи із потужною мережею способом точної синхронізації із дотриманням певних умов:

1.      Порядок чергування фаз генератора повинен співпадати із порядком чергування фаз у мережі.

2.      Рівність напруги генератора і мережі.

.        Співпадання цих напруг по фазі.

.        Рівність частот генератора і мережі.

Співпадання фаз генератора і мережі перевіряється після закінчення монтажу, або робіт в першому колі, які б могли порушити чергування фаз.

Виконання решти умов здійснюється при допомозі колонки синхронізації. На сучасних ТЕС процес синхронізації автоматизовано. Після вмикання генератора в мережу його необхідно навантажити активною і реактивною потужністю.

Генератори потужністю 220 МВт допускається в аварійних випадках вмикати в систему способом самосинхронізації.

. Розробка технології монтажу охолоджуючих пристроїв системи дц трансформатора

Для виносної системи охолодження використовують стояки на окремих фундаментах, на яких встановлюють охолоджувачі, електронасоси і термосифонні фільтри. Потім розмічають труби для з’єднання охолоджувачів із баком трансформатора.

Заповнення системи охолодження виконується оливою із бака трансформатора. Для цього попередньо в розширювач заливають оливу трошки вище від верхньої мітки. Заповнюють систему через частково відкритий нижній кран на баку трансформатора і при повністю відкритому верхньому крані. Під час заливання відкривають верхні отвори для випуску повітря. Потім, коли заповнена вся система оливою і випущено повітря отвори закривають, а засувки на баку повністю відкривають. Складають електричну схему охолоджуючого пристрою.

Після закінчення монтажу всі електричні кола перевіряють мегомметром на 500 В. При цьому опір ізоляції відносно корпусу не повинен бути меншим як 0,5 МОм.

Перед пробним пуском перевіряють, чи правильно підключено електронасос. Для цього перевіряють тиск оливи ( має бути 1,3 кгс/см2).

Перевірка системи охолодження триває 3-5 годин.

Перевіряється чи правильно працює система управління і сигналізації.

Перевіряють опір ізоляції всієї системи управління мегомметром на 500 В.

12. Розробка заходів з охорони праці і протипожежної безпеки

Закон України “Про охорону праці ” прийнятий 14 жовтня 1992 року визначає основні положення щодо реалізації конституційного права громадян про охорону їх життя і здоров’я в процесі трудової діяльності, регулює за участь відповідних державних органів, відносини між власником підприємства, установи і організації або уповноваженим ним органом і працівником з питань безпеки, гігієни праці та виробничого середовища і встановлює єдиний порядок організації охорони праці в Україні.

Згідно ДЕСТу 12.0.003-74 небезпечні шкідливі виробничі фактори поділяються на групи:

.        фізичні;

.        хімічні;

.        біологічні;

.        психофізіологічні.

На енергопідприємствах та на інших промислових підприємствах є небезпечні шкідливі фактори. Найбільш характерними є:

13.    електрична напруга;

14.    підвищена напруженість електричного поля;

.        розміщення робочого місця на висоті;

.        можливість утворення вибухо- і пожежонебезпечних сумішей;

.        ємності, які працюють під тиском, наявна висока температура;

.        понижена температура;

.        підвищена і понижена відносна вологість;

.        шкідливий пил, гази та рідини, іонізуючі випромінювання;

.        енергетичний персонал піддається високій нервово-емоційній напрузі, що пов’язана із змінністю роботи та великою відповідальністю за нормальний режим роботи електроустаткування.

Техніка безпеки при ремонті генераторів

1.      Обертовий не збуджений генератор з вимкненим пристроєм АГП повинен розглядатися, як такий, що знаходиться під напругою (за виключенням випадку обертання від валовоповоротного пристрою).

2.      При випробуваннях генератора встановлення і знімання спеціальних закороток на ділянках його схеми або схеми блоку після їх заземлення допускаються при робочій частоті обертання генератора зі знятим збудженням і вимкненим пристроєм АГП.

.        При виконанні робіт в схемі зупиненого блочного генератора заземлювати його виводи не вимагається, якщо підвищуючий трансформатор заземлений зі сторони вищого, а трансформатори власних потреб на відгалуженні - зі сторони нижчої напруги.

.        В колах статора обертового не збудженого генератора з вимкненим пристроєм АГП допускається вимірювати значення залишкової напруги, визначати порядок чергування фаз і т.п.

Ці роботи повинен виконувати персонал спеціальних служб, лабораторій, налагоджувальних організацій з застосуванням електрозахисних засобів по наряду або під наглядом чергового персоналу.

5.      Вимірювання напруги на валі і опору ізоляції ротора працюючого генератора дозволяється виконувати працівнику з чергового персоналу одноосібно або двом працівникам з групами ІV і ІІІ з персоналу спеціалізованих підрозділів по розпорядженню.

6.      Обточку і шліфовку контактних кілець ротора, шліфовку колектора збудника може виконувати по розпорядженню одноосібно працівник з неелектротехнічного персоналу. При роботі слід користуватися захисними окулярами.

.        Обслуговувати щітковий апарат на працюючому генераторі допускається одноосібно працівнику з чергового персоналу або виділеному для цієї цілі працівнику з групою ІІІ. При цьому необхідно дотримуватися таких застережних заходів:

працювати в головному уборі і защіпненому спецодязі, остерігаючись захоплення його частинами машини, що обертаються;

користуватися діелектричними калошами або гумовими діелектричними килимами, не застосовуючи діелектричних печаток;

не торкатися руками одночасно струмоведучих частин двох полюсів або струмоведучих і заземлених частин.

. Розрахунок релейного захисту для заданого кола

Релейний захист робочого трансформатора власних потреб.

На цих трансформаторах в якості швидкодіючого захисту від між фазних коротких замикань в обмотках і на виводах 6 кВ трансформатора, а також в з’єднаннях його із шинами 6 кВ застосовують струмову відсічку без витримки часу.

Струмова відсічка встановлюється на стороні 6 кВ трансформатора і виконується з допомогою двох реле струму, які включені на фазні струми. Дворелейна схема у порівнянні із однорелейною, яка раніше застосовувалась, збільшує чутливість струмової відсічки і збільшує процент захищених витків обмоток трансформатора.

На масляних трансформаторах потужністю 630 кВ та 1000 кВ×А, якщо вони розміщені в камерах, з яких виходять двері в приміщення, де може знаходитись черговий персонал, у відповідності із ПУЭ повинен встановлюватись газовий захист.

Максимальний струмовий захист виконаний із пуском по напрузі. Захист складається із трьох реле струму і реле напруги КV1 та КVZ1, які підключені до трансформатора напруги, з’єднаного у відкритий трикутник.

В максимальному струмовому захисті на стороні 6 кВ пусковий орган напруги використовується одночасно для здійснення пуску по напрузі і на максимальних струмових захистах вводів резервного живлення 0,4 кВ, якщо це потрібно, для збільшення чутливості захисту. Кола напруги захисту живляться від трансформатора напруги 380/100 В, який встановлений на найбільш віддаленому від резервного трансформатора вводі резервного живлення 0,4 кВ. При цьому забезпечується достатня чутливість реле напруги захисту при короткому замиканні на віддалених вводах.

В схемі захисту передбачене шунтування пуску по напрузі, включенням пристрою відключення. Це необхідно для забезпечення дії максимального струмового захисту із сторони 6 кВ при короткому замиканні в трансформаторі, коли при включенні його під напругу він відключений від магістралі резервного живлення 0,4 кВ, а реле напруги захисту можуть бути під напругою через живлення магістралі від іншого трансформатора. Захист може бути виконаний без пуску по напрузі.

Трансформатори власних потреб 6/0,4 кВ працюють із заземленою нейтраллю 0,4 кВ і тому для них передбачений захист від однофазних коротких замикань в обмотці і на виводах 0,4 кВ трансформатора, а також в мережі 0,4 кВ. Цей захист виконується у вигляді струмового захисту нульової послідовності з допомогою одного реле струму, включеного на трансформатор струму, який встановлений в колі заземлення нейтралі 0,4 кВ трансформатора. По реле протікає повний струм однофазного короткого замикання. Захист діє із витримкою часу на відключення трансформатора.

Слід відзначити, що максимальний струмовий захист на стороні 6 кВ трансформатора реагує на однофазні короткі замикання на стороні 0,4 кВ, але реле струму захисту не обтікаються повним струмом короткого замикання, і тому чутливість цього захисту може бути недостатньою.

На робочих трансформаторах, які живлять дві секції шин, додатково до розглянутого захисту від замикань на землю встановлюється на кожному вводі робочого живлення 0,4 кВ струмовий захист нульової послідовності. Цей захист виконується з одним реле струму, яке включене в нульовий провід трансформатора струму максимального струмового захисту 0,4 кВ, з’єднаних в повну зірку. Захист діє із витримкою часу на відключення відповідного автомата 0,4 кВ. Такий самий захист встановлюється на вводах резервного живлення до секції РУСН 0,4 кВ.

Захист від перевантаження встановлюється із сторони 6 кВ трансформатора, виконується з допомогою реле струму, включеного на фазний струм і діє сигнал із витримкою часу.

Для швидкого і своєчасного виявлення однофазного замикання на землю в кабелі зв’язку трансформатора власних потреб із шинами РУСН 6 кВ передбачається захист від однофазних замикань на землю із дією на сигнал.

Розрахунок струмової відсічки та максимального струмового захисту резервного трансформатора власних потреб потужністю 630 кВА

Вибираємо вставки захистів резервного трансформатора власних потреб потужністю 630 кВА, який живить дану секцію шин 0,4 кВ. Трансформатор підключений до секції 6 кВ, яка живиться від трансформатора 24/6,3-6,3. Основні дані трансформатора:ном. = 630 кВА; Uном. = 6,3/0,4 кВ; Іном. = 57,8/910 А; Uк% = 5,5 %.

Розрахунок струмової відсічки.

Струм спрацювання реле:

Іс.р. = ,

де kн = 1,4 - коефіцієнт надійності;сх = 1 - коефіцієнт схеми;

Ік(3) - струм, який проходить через трансформатор струму захисту при трифазному короткому замиканні на стороні 0,4 кВ.

Ік(3) = А.

КІ = 300/5 - коефіцієнт трансформації трансформатора.

Іс.р. = А.

Коефіцієнт чутливості струмової відсічки при двофазному короткому замиканні на виводах 6 кВ трансформатора:

ч = > 2, де

Ік.мін(3) =А; Ік.мін(2) = ×Ік.мін(3) = 9844 А.

Струм спрацювання захисту:

Іс.з. = ,

де kн = 1,2 - коефіцієнт надійності; п = 0,8 - коефіцієнт повертання.

Максимальний струмовий захист на стороні 6 кВ

Для визначення струму самозапуску (Ісам), коли немає даних про приєднані двигуни, можна прийняти коефіцієнт самозапуску 3-3,5, тобто вважати, що при самозапуску струм трансформатора зростає в 3-3,5 рази в порівнянні із номінальним струмом.

Ісам.6,3 = kс×Iном = 3×57,8 = 173,4 А;

Іс.з. = 1,2/0,8×173,4 = 260 А;

Струм спрацювання реле: Іс.р. = Іс.з./kІ = А.

Приймаємо, згідно [15, cторінка 100 ], реле струму типу РТ-40/10.

14. Опис конструкції розподільчого пристрою

При компоновці відкритого розподільчого пристрою напругою 330 кВ по схемі 3/2 вимикача на приєднання широко застосовується компоновка із трьох рядним розміщенням вимикачів. При цьому передбачається можливість розширення відкритого розподільчого пристрою (ВРП) при збільшенні кількості приєднань. Дороги для монтажно-ремонтних механізмів проходять вздовж трьох рядів вимикачів і механізми можуть вільно під’їжджати до любого вимикача при ремонті. Це збільшує довжину комірки до 157,4 м. Із врахуванням мінімальних радіусів заокруглення дороги відстань між фазами вимикачів повинна бути 8 м і відстань від осі вимикача до осі дороги 7,4 м.

При проведенні ремонтних робіт на вимикачах у ВРП по схемі 3/2 вимикача на приєднання монтажно-ремонтні механізми розміщуються тільки в межах комірки і вимикача, що ремонтується. При ремонті крайніх фаз вимикача два механізми встановлюються між середньою фазою і фазою, що ремонтується, а при ремонті середньої фази вимикача вони можуть бути встановлені з обох її сторін. Ремонтний персонал, який знаходиться в екранованих кошиках гідропідйомника проводить за допомогою автокрана розбирання і збирання вимикача. На дорозі біля вимикача розміщується машина, на яку складають демонтовані деталі, з якої беруть вузли для встановлення на вимикачах.

Висота підвішування верхнього ярусу ошиновки і висота опор визначається із врахуванням проведення монтажно-ремонтних робіт на вимикачі при наявності напруги на верхньому ярусі гнучкої ошиновки і становить 12 м.

Найвища точка крана знаходиться на висоті 16 м, відстань від крана до проводів, які знаходяться під напругою, повинна бути 4 м, а стріла провису проводів 3 м, тому висота прийнята 23 м.

Компоновка ВРП 500 кВ виконана аналогічно. У відповідності із більш високою напругою і більшими розмірами обладнання 500 кВ розміри комірок і габарити ВРП збільшені у порівнянні із ВРП 330 кВ. Ширина ВРП 500 кВ становить 11200 м. Всі несучі конструкції стальні. Висота колон і траверс верхнього ярусу рівна 34,5, висота траверс для кріплення проводів збірних шин - 24 м. Крок комірки становить 28 м. За умовами ремонту вимикачів із застосуванням монтажно-ремонтних механізмів відстань між фазами вимикачів прийнята 12 м (в осях). Відстань від осі вимикача до осі дороги рівна 10 м.

Комплектні розподільчі пристрої (КРП) мають широке застосування в електричних установках промислових підприємств в якості пристроїв системи власних потреб електростанції. КРП виготовлений на напругу 6-10 кВ з повітряною ізоляцією і двома системами шин для внутрішнього встановлення. Він має несучий каркас із захисним кожухом, електричні апарати і провідники первинних кіл, а також прилади для вимірювання, управління і захисту з усіма з’єднаннями. Компактність і зручність обслуговування досягається шляхом встановлення вимикачів на викатних візках і заміною звичайних роз’єднувачів рубаючого типу роз’єднувачами штепсельного типу із встромляючими контактами.

Комплектний розподільчий пристрій складається із комірок, які в свою чергу складаються із таких основних частин:

корпус комірки, в задній частині якого розміщені верхні і нижні нерухомі контакти роз’єднувачів, кабельні збірки із кінцевими заробками;

викатного візка з вимикачем та приводом;

відсік збірних шин;

відсік приладів вимірювання, релейного захисту, управління і сигналізації.

Корпус комірки розділений горизонтальною стальною перегородкою на два відсіки: верхній із контактами шинних роз’єднувачів і нижній із трансформаторами струму і кабельною збіркою. Передбачені також рухомі металеві шторки, які автоматично закривають, при викочуванні візка, задню частину комірки із апаратами, що залишились під напругою, щоб запобігти випадкового дотикання до них. Візок із вимикачем може бути в трьох положеннях: робочому, випробувальному і ремонтному. При ремонті вимикача, візок повинен бути викочений із камери. Передбачене також блокування, яке перешкоджає викочуванню візка при ввімкненому вимикачі, а також включенні його при ввімкненому роз’єднувачі для заземлення.

. Розрахунок захисного заземлення

Із врахуванням розмірів ВРП 330 кВ приймаємо відстань між горизонтальними заземлювачами (крок комірки) рівну а = 10 м.

Згідно завдання приймаємо питомий опір чорнозему r1 = 50 Ом×м, а питомий опір суглинку r2 = 40 Ом×м, довжину вертикальних заземлювачів lв = 5 м і глибину закладання сітки заземлення t =1м. Час дії релейного захисту становить 0,12 с, а час відключення вимикача 0,08с.

Загальна довжина горизонтальних заземлювачів: г = (160×8)+(17×70) = 2470 м;

Загальна довжина вертикальних заземлювачів: Lв = 46×5 = 230 м.

Час дій напруги дотику:

tв = tр.з.+tв = 0,12+0,08 = 0,2 c.

Згідно / 5, сторінка 596 / Uдот.доп. = 400 В

r1/r2 = 50/40 = 1,25.

Параметр, що залежить від r1/r2: М = 0,5 [5, сторінка 598]

Площа заземляючого пристрою: S = 160×70 = 11200 м2.

Коефіцієнт, який враховує опір тіла людини Rл і опір розтікання струму від ступнів Rс. В розрахунку приймаємо: л = 1000 Ом; Rл = 1,5×r1 = 1,5×50 = 75 Ом;

b = Rл /(Rл +Rс) = 1000/(1000+75) = 0,93;

Коефіцієнт напруги дотику:

kд = .

Визначаємо напругу на заземлювачі:

з. = Uдот.доп./kд = 400/0,15 = 2667 В.

Це менше Uз.доп.= 10 000 В.

Струм однофазного короткого замикання:

згідно [5, сторінка 171] Іп.о.(1)п.о.(3) £ 1,5;

Ік(1) = (0,4¸0,6)× Іп.о.(1) = 0,5×1,5×14,52 = 10,89 кА.

Опір заземляючого пристрою:

з.доп. = Uз./Iк(1) = 2667/10890 = 0,24 Ом.

Згідно ПУЭ Rз.доп. £ 0,5 Ом.

Відносна глибина:

£ 0,1, тоді А = (0,44-0,84×) = (0,444-0,84×) = 0,4;

а/lв = 2; h1 = t+lв/2 = 1+ 5/2 = 3,5 м;

;

rэ /r2 = 1 [5, таблиця 7.6]

Звідси еквівалентний питомий опір рівний:

rэ = 1×r2 = 1×40 = 40 Ом.

Визначаємо фактичний опір заземлення:

з.= A×Ом;

з.= 0,17 Ом £ Rз.доп. = 0,24 Ом.

Умова виконується.

Напруга дотику становить:

дот. = kд.×Iк(1) ×Rз. = 0,15×10890×0,24 = 392 В;

дот. = 392 В £ Uдот.доп = 400 В.

Умова виконується.

Визначаємо найбільший допустимий струм, який стікає з заземлювачів при однофазному к.з.:

Із.макс. = А.

. Охорона праці

Закон України “Про охорону праці” прийнятий 14 жовтня 1992 року визначає основні положення щодо реалізації конституційного права громадян про охорону їх життя і здоров’я в процесі трудової діяльності, регулює за участь відповідних державних органів, відносини між власником підприємства, установи і організації або уповноваженим ним органом і працівником з питань безпеки, гігієни праці та виробничого середовища і встановлює єдиний порядок організації охорони праці в Україні.

Згідно ДЕСТу 12.0.003-74 небезпечні шкідливі виробничі фактори поділяються на групи:

фізичні;

хімічні;

біологічні;

психофізіологічні.

На енергопідприємствах та на інших промислових підприємствах є небезпечні шкідливі фактори. Найбільш характерними є:

електрична напруга;

підвищена напруженість електричного поля;

розміщення робочого місця на висоті;

можливість утворення вибухо- і пожежонебезпечних сумішей;

ємності, які працюють під тиском, наявна висока температура;

понижена температура;

шкідливий пил, гази та рідини, іонізуючі випромінювання;

енергетичний персонал піддається високій нервово-емоційній напрузі, що пов’язана із змінністю роботи та великою відповідальністю за нормальний режим роботи електроустаткування.

Техніка безпеки при ремонті генераторів:

Обертовий не збуджений генератор з вимкненим пристроєм АГП повинен розглядатися, як такий, що знаходиться під напругою (за виключенням випадку обертання від валовоповоротного пристрою).

При випробуваннях генератора встановлення і знімання спеціальних закороток на ділянках його схеми або схеми блоку після їх заземлення допускаються при робочій частоті обертання генератора зі знятим збудженням і вимкненим пристроєм АГП.

При виконанні робіт в схемі зупиненого блочного генератора заземлювати його виводи не вимагається, якщо підвищуючий трансформатор заземлений зі сторони вищого, а трансформатори власних потреб на відгалуженні - зі сторони нижчої напруги.

В колах статора обертового не збудженого генератора з вимкненим пристроєм АГП допускається вимірювати значення залишкової напруги, визначати порядок чергування фаз і т.п.

Ці роботи повинен виконувати персонал спеціальних служб, лабораторій, налагоджувальних організацій з застосуванням електрозахисних засобів по наряду або під наглядом чергового персоналу.

Вимірювання напруги на валі і опору ізоляції ротора працюючого генератора дозволяється виконувати працівнику з чергового персоналу одноосібно або двом працівникам з групами ІV і ІІІ з персоналу спеціалізованих підрозділів по розпорядженню.

Обточку і шліфовку контактних кілець ротора, шліфовку колектора збудника може виконувати по розпорядженню одноосібно працівник з неелектротехнічного персоналу. При роботі слід користуватися захисними окулярами.

Обслуговувати щітковий апарат на працюючому генераторі допускається одноосібно працівнику з чергового персоналу або виділеному для цієї цілі працівнику з групою ІІІ. При цьому необхідно дотримуватися таких застережних заходів:

працювати в головному уборі і защіпненому спецодязі, остерігаючись захоплення його частинами машини, що обертаються;

користуватися діелектричними калошами або гумовими діелектричними килимами, не застосовуючи діелектричних печаток;

не торкатися руками одночасно струмоведучих частин двох полюсів або струмоведучих і заземлених частин.

17. Спеціальне завдання

Впровадження нової системи автоматичного регулювання частоти і потужності

Включення Бурштинської ТЕС у Бурштинський «острів» для паралельної роботи з енергосистемою Європи - важливий етап історії нашої електростанції.

На кінець 90-х років в енергосистемах країн Європи, об’єднаних у союз з координації виробництва і передавання електроенергії (UCPTE), до 20.03.1998 р. до автоматичного первинного регулювання частоти і потужності висувались такі вимоги:

·    обов’язкова наявність резерву первинного регулювання (обертового резерву потужності), величиною не менше ніж 2,5% робочої потужності всього об’єднання;

·        зона нечутливості автоматичного регулятора частоти (АЧР) кожного енергоагрегату повинна бути не більше ніж 0,02%, або 10 мГц.;

·        величина еквівалентних статизмів регулювання частоти в кожному об’єднанні енергосистеми повинні становити не більше ніж 12%.

Згідно з чинними нормативними документами для всього парку турбін, які експлуатуються в Україні, основні параметри, що характеризують якість роботи систем регулювання парових турбін, повинні відповідати таким значенням:

·   ступінь нерівномірності регулювання частоти (статизм) за мінімальних параметрів - 4-5%;

·        ступінь нечутливості по частоті обертання (зона нечутливості) - менше ніж 0,3% або 0,15 Гц.

В Україні відсутні загальні нормативні документи, які регламентували б паралельну роботи ОЕС України з енергооб’єднаннями сусідніх держав. З огляду на це, а також на те, що енергооб’єднання сусідніх держав керуються правилами UCPTE, технічну політику розвитку ОЕС України в частині первинного регулювання має бути погоджено із зазначеними правилами.

Системами автоматичного регулювання (САР) турбін, які працюють в ОЕС України, відповідали нашим нормативним вимогам для ступеня нечутливості менше ніж 0,3%, або 0,15 Гц, але це є значно нижчі норми, ніж вимоги UCPTE. Тобто вимоги до величини зони нечутливості не більше ніж 10 мГц (за нашої норми 150 мГц) можна було б виконати лише після відповідної реконструкції САР турбін і системи автоматичного регулювання частоти і потужності (САРЧП).

На рис. 14.1 наведено статитичні частотні характеристики еквівалентної турбіни з автоматичним регулятором частоти обертання із зоною нечутливості, зображені двома крутими частотними характеристиками Мt((t)), для яких  - зона нечутливості, - електромагнітний момент на зажимах еквівалентного генератора.

Із рисунка 14.1 видно, що чим більший обертовий резерв , тим менший статизм S енергосистеми і чим менше зона нечутливості 3Н, тим також менше статизм S енергосистеми. Наявність великих зон нечутливості АРЧ до 0,3% або 150 мГц, які допускають наші нормативні документи, і відсутність резерву первинного регулювання призводить до втрати жорстокості режимів енергосистеми.

Аналіз характеристик стійкості енергосистеми ще раз підтвердити необхідність проведення певної реконструкції САР і САРЧП. Для забезпечення виконання вимог UCPTE.

Тому в САР наших турбін, а також у САРЧП згідно з проектом EUROMATIC, spol. s.r.o. виконано такі зміни:

·   впроваджено новий датчик контролю частоти обертання ротора турбіни з високою точністю виміру;

·        встановлено датчик положення ГСМ;

·        встановлено електромагніт на відсічний золотник ГСМ для роботи його в режимі первинного регулювання частоти;

·        замінено електродвигун механізму керування турбіною на кроковий електродвигун;

·        на кожному блоці встановлено також нові САРЧП типів МРІІ-С і МРІІ-Б, призначені для підтримання високої якості електроенергії (далі - FANUC);

·        на ЦЩК встановлено ТELEBU, комунікаційний комп’ютер (КК) і SPRUT.

Принципову структуру схеми керування активною потужністю Бурштинського «острова» наведено на рис.14.2.

Система керування активною потужністю Бурштинського «острова» служить для підтримання рівноваги між миттєвим споживанням і виробництвом електроенергії, а також сприяє створенню умов для підключення «острова» до енергосистем, об’єднаних у UCPTE.

Важливим елементом системи регулювання потужності в Бурштинському «острові» є система вторинного регулювання частоти і потужності. Виробництво електроенергії залежить від оцінки балансованої незрівноважності між відпуском і споживанням електроенергії. Оцінка балансової незрівноважності енергосистеми виконуються в центрально регуляторі (ЦР) вторинного регулювання, результатом якої є регуляційне відхилення на вході регулятора потужності. Виходом ЦР є необхідна величина потужності «острова».

ТELEBU - це обладнання, яке є з’єднувальним елементом між центральною диспетчерською системою керування і системою керування та обслуговуючим персоналом на електростанції. ТELEBU - технічний засіб, який забезпечує за допомогою основного комп’ютера процес регулювання активної потужності і виконую функцію інформаційної системи, яка здійснює контроль і оцінювання функціонування об’єктів, що регулюються в реальному часі.

У системі вторинної регуляції Бурштинська ТЕС керується з RDC, як єдине ціле і є так званим фіктивним (еквівалентним) енергоблоком, що складається з енергоблоків Бурштинської ТЕС, включених у дистанційне регулювання. ТELEBU загальне задане значення активної потужності фіктивного енергоблоку розподіляє на окремі енергоблоки електростанції.

Головним завданням терміналу електростанції (ТELEBU) є забезпечення керуючого сигналу необхідного значення активної потужності для регуляторів потужності блоків (FANUC) на основі команд з RDC і оцінки функціонування технології електростанції (рис.14.3).

Основний зв'язок між ТELEBU і RDC Львів, тобто з ЦР, виконують КК, які за допомогою системи SPRUT збирають інформацію щодо активного навантаження енергоблоків.

У схемі регулювання частоти і потужності передбачено також резервування по ТELEBU і SPRUT.

Впровадження даної системи регулювання частоти і потужності виконувалося поступово, починаючи з 1996 р., на енергоблоці ст.№3,4,5,6,7,8,9,10,2,8,11,12 відповідно до графіків капітальних і середніх ремонтів енергоблоків.

Велику роботу виконано щодо схеми відкритого розподільного пристрою Бурштинської ТЕС для можливості технологічно працювати в Бурштинському «острові».

. Розрахунок техніко-економічних показників роботи КЕС

Капіталовкладення в будівництво КЕС-2700 МВт

Розрахунок проводимо за укрупненими показниками кошторисної вартості блочної КЕС.

Кст. = [Кбл.г +(nбл.-1)×Кбл.н бл.н ]×Кр.б.×Кп.; млн. грн.

Кбл.г - капіталовкладення в перший блок.

Кбл.800г = 148 млн. грн.; [14, таблиця1]

Кбл.н - капіталовкладення в кожен наступний блок.

Кбл.800н = 88 млн. грн.; Кбл.300н = 33,6 млн. грн.; [14, таблиця 1]бл. - кількість блоків;

Кр.б.- коефіцієнт, який враховує район будівництва; Кр.б.= 0,99;[14, додаток 3]

Кп.- коефіцієнт підвищення цін; Кп.= 6; [станом на 1.01.2006 р]

Кст. = [148+(3-1)×88+33,6]×0,99×6 = 2124,1 млн. грн.;

Вартість основних фондів:

Во.ф.= 0,9×Кст. = 0,9×2124,1= 1911,7 млн. грн.

Питомі капіталовкладення:

Кпит. = Кст./Nв.×103 = 2124,1/2700×103 = 786,7 грн./кВт;

Енергетичні показники станції

Річний виробіток електроенергії КЕС.

в.= Nв.×hв., МВт×рік;

в.- встановлена потужність станції; в.800 = 2400 МВт; Nв.300 = 300 МВт;в.- число годин використання встановленої потужності;в.= 6100 год; [14, сторінка 5]в.800 = 2400×6100 = 14640000 МВт×год;в.300 = 300×6100 = 1830000 МВт×год.

Річні витрати електроенергії на власні потреби.

Річні витрати електроенергії на власні потреби на основі енергетичних характеристик залежать від потужності блоку і виду палива.

WВП.300 = 2,5×nбл.×Тр.+0,015×Wв. [14, таблиця 2]

Тр.- число годин роботи блоку в рік;

Тр.= 7500 рік; [14, с. 5]ВП.300 = 2,5×1×7500+0,015×1830000 = 46200 МВт×рік;

ВП.800 = 6,9×nбл.×Тр.+0,013×Wв.; [14, таблиця 2]

ВП.800 = 6,9×3×7500+0,013×14640000 = 345570 МВт×рік;

åWВП. = WВП.300 +WВП.800 = 391770 МВт×год.

Питомі витрати електроенергії на власні потреби:

КВП.800 = WВП.800/Wв.800 ×100% = 345570/14640000×100 = 2,36%;

КВП.300 = WВП.300/Wв.300 ×100% = 46200/1830000×100 = 2,36%;

відп.800 = Wв.800 -WВП.800 = 14640000-345570 = 14294430 МВт×год;відп.300 = Wв.300 -WВП.300 = 1830000-46200 = 1783800 МВт×год;

åWвідп. = Wвідп.300 +Wвідп.800 = 16078230 МВт×год;

Річні витрати умовного палива визначаються по паливних характеристиках:

Ву.300 = 7,3×nбл.×Тр.+0,282×Wв.300; т.у.п. [14, таблиця 3]

Ву.800 = 19,7×nбл.×Тр.+0,278×Wв.800; т.у.п. [14, таблиця 3]

Ву.300 = 7,3×1×7500+0,282×1830000 = 570810 т.у.п.;

Ву.800 = 19,7×3×7500+0,278×14640000 = 45131 т.у.п.

Ву = 5083980

Річні витрати натурального палива:

Вн. = Ву.×(29330/Qнр)×(1+aвтр.%/100); т.у.п.

нр - питома теплота згорання натурального палива;нр = 34330 кДж/кг; [14, додаток 8]

aвтр.% - норма витрат палива при перевезенні поза територією станції;

aвтр.% = 0; [14, додаток 11]

- калорійність умовного палива;

Вн. = 5083980×29330/34330×(1+0/100) = 4343522,7 т.у.п.

Питомі витрати умовного палива по відпуску електроенергії:

bевідп.800 = г.у.п./кВт×год;евідп.300 = г.у.п./кВт×год.

Коефіцієнт корисної дії по відпуску електроенергії:

Визначення собівартості електроенергії

Розрахунок собівартості відпущеної електроенергії КЕС виконуємо по економічних елементах витрат у відповідності із статтею 9 “Витрати виробництва, що відносяться на збитки підприємства” у відповідності з Законом України “Про оподаткування прибутку підприємства”.

Матеріальні витрати

м.в.= 1,04×Sп., млн. грн.;

м.в.= 1,04×1337,8 = 1391,3 млн. грн.;

,04 - коефіцієнт, який враховує матеріальні витрати (крім палива).п.- витрати на паливо;

п.= (Цп.×Кп.т.р.×Кп.)×Вн.×10-6, млн. грн.

Цп.- ціна однієї тонни натурального палива по прейскуранту;

Цп.= 28 грн./тис.м3; [14, додаток 8]

Кп.- коефіцієнт підвищення цін на паливо та його перевезення;

Кп.= 11; [станом на 1.01.2006]п.= (28×11)×4343522,7×10-6 = 1337,8 млн. грн.

Ціна однієї тонни умовного палива:

Цу.п. = ;

Цу.п. грн./т.у.п.;

Витрати на оплату праці

оп. = (2,3¸2,4)×Кп.×ЗП×Чекс.×10-3, млн. грн.;

(2,3¸2,4) - коефіцієнт, який враховує додаткову заробітну плату;

ЗП - середньовічна заробітна плата одного співробітника експлуатаційного персоналу;

ЗП = (1,8¸2,3) = 2,2 тис. грн./рік;

Кп. = 2 - коефіцієнт підвищення зарплати;

Чекс.- чисельність експлуатаційного персоналу;

Чекс.= 525 чол.; [14, додаток 13]оп. = 2,3×2×2,2×525×10-3 = 5,31 млн. грн.;

Чпвп - чисельність промислово-виробничого персоналу;

Чпвп = 1850 чол. [14, додаток 13]

Питома чисельність промислово-виробничого персоналу:

 

Чпвп = Чпвп /Nв = 1850/2700 = 0,69 чол./МВт.

Питома чисельність експлуатаційного персоналу:

 

Чексп. = Чексп./Nв = 525/2700 = 0,19 чол./МВт.

Відрахувавши на соціальні заходи:

с.з. = Sс.с.+Sп.с.+Sф.з.+Sн.в., млн. грн.;

с.з. = 0,13+1,7+0,08+0,058 = 1,97 млн. грн.

Відрахувавши на державне соціальне страхування:

с.с.= 2,9%×Sоп.= 2,9/100×5,31 = 0,15 млн. грн.

Відрахувавши на державне пенсійне страхування:

п.с.= 31,8%×Sоп. = 32/100×5,31 = 1,69 млн. грн.

Відрахувавши соціальне страхування від нещасних випадків та професійних захворювань на виробництві:

;

;

;

Амортизація основних фондів

а = Hа%/100×Bо.ф., млн. грн.;

а% = 13% із матеріалів роботи БуТЕС.а = 13/100×1274,5 = 165,69 млн. грн.

Інші витрати

ін.= 0,45×(Sоп.+Sс.з.+Sа.) = 0,45×(5,31+1,97+165,69) = 77,83 млн. грн.

Загальні витрати на виробництво електроенергії КЕС

КЕС = Sм.в.+Sоп.+Sс.з.+Sа.+Sін. = 1391,3+5,31+1,97+165,69+77,83 = 1642,1 млн. грн.

Собівартість одиниці відпущеної електроенергії

евідп. = SКЕС ×105/åWвідп. = 1642,1×105/16078230 = 10,21 коп./(кВт×год).

Складова собівартості одиниці електроенергії по матеріальних витратах.

ем.в. = Sм.в./åWвідп. = 1391,3×105/16078230 = 8,65 коп./(кВт×год).

Структура собівартості електроенергії:

м.в.% = Sм.в./SКЕС×100% = 1391,3/1642,1×100 = 84,73 %.

Інші елементи витрат розраховуються аналогічно.

Таблиця 18.1 - Собівартість електричної енергії

Назва витрат

Річні витрати, млн. грн.

Собівартість одиниці електроенергії, Sевідп., коп/(кВт×год)

Структ. собіварт. Sі, %

Матеріальні витрати Витрати на оплату праці Відрахування на соціальні заходи Амортизація основних фондів Інші витрати

1391,3 5,31 1,97 165,69 77,83

8,65 0,03 0,01 1,03 0,49

84,73 0,32 0,12 10,09 4,74


Визначення об’єму реалізації електроенергії

р. = Tе×Wвідп.×105, млн. грн.;

е - тариф на електроенергію. Виходимо із умов, шо розмір рентабельності електроенергії 1,15%.

е = Sевідп.×1,15 = 1,15×10,21 = 11,74 коп./(кВт×год);

р. = 11,74×16078230×105 = 1887,58 млн. грн.

Визначаємо величину загального прибутку:

Пзр = Vр. -SКЕС = 1887,58-1642,02 = 245,56 млн. грн.

Податок на прибуток складає 30%:

ПДп = 30%; Пзр = 30/100×245,56 = 73,67 млн. грн.

Визначаємо величину чистого прибутку:

Пчр = Пзр - ПДп = 245,56-73,67 = 171,89 млн. грн.

Визначаємо рентабельність виробничих фондів:

Рв. = Пзр/(Во.ф.+Sп.)×100% = 245,56/(1274,5+1337,8)×100 = 9,4%.

Таблиця 18.2 - Зведена таблиця техніко-економічних показників КЕС і порівняння їх з проектними.

Назва показників

Умовні познач.

Одиниці вимірювання

Розрах. велич.

Проектна величина

Встановлена потужність Число годин використання встановленої потужності Річний виробіток електроенергії Річний відпуск електроенергії Питомі витрати електроенергії на власні потреби: - для ТГВ-300-2У3 - для ТГВ-800-2У3 Капіталовкладення в будівництво електростанції Питомі капіталовкладення Питомі витрати умовного палива на відпуск 1 кВт/год: - для ТГВ-300-2У3 - для ТГВ-800-2У3 Коефіцієнт корисної дії по відпуску електроенергії: - для ТГВ-300-2У3 - для ТГВ-800-2У3 Питома чисельність промислово-виробничого персоналу Питома чисельність експлуатаційного персоналу Собівартість відпущеної електроенергії Ціна тонни умовного палива Ціна відпущеної електроенергії Рентабельність виробничих фондів

Nв.  hв. Wв. Wвідп.   КВ.П.300 КВ.П.800  Кст. Кпит.   Вевідп.300 Вевідп.800   hвідп.300 hвідп.800  ЧПВП  Чексп. Sевідп.Цум.Те Рв

МВт  год МВт×год Мвт×год   % %  млн.грн. грн./кВт   коп./кВт коп./кВт   % %  чол./МВт  чол./МВт коп./(кВт×год) грн./т.у.п. коп./(кВт×год)

2700  6100 16470000 16078230   2,52 2,36  2124,1 524,5   320 315,7   38,4 39  0,69 0,19 10,21 263,14 11,74

2700  6100 - -   2,6 2,5  - 477,7¸637,2   325 318   37,8 38,6 0,69  0,19 11¸8,47 220¸275


Перелік посилань

1.      Правила технической эксплуатации электрических станций и сетей. - 13-е изд. - М.: Энергия, 1977.

2.      Нормы технологического проектирования тепловых электрических станций и тепловых сетей. - М.: Минэнерго СССР, 1980.

.        Неклепаев Б.Н., Крючков И.П. Электрическая часть электростанций и подстанций: Справочные материалы для курсового и дипломного проектирования: Учеб. пособие для вузов. - 4-е изд., перераб. и доп. - М.: Энергоатомиздат, 1989.

.        Рошкова Л.Д., Козулин В.С. Электрооборудование станций и подстанций: Учебник для техникумов. - 3-е изд., перераб. и доп. - М.: Энергоатомиздат, 1987.

.        Справочник по ремонту и техническому обслуживанию электрических сетей /Под ред. К.М. Антипова, И.Е. Бандуилова./. М.: Энергоатомиздат, 1987.

.        Двоскин Л.И. Схемы и конструкции распределительных устройств. 3-е изд., перераб. и доп. - М.: Энергоатомиздат, 1985.

.        Александров К.К., Кузмин Е.П. Электрические чертежи и схемы. - М.: Энергоатомиздат, 1990.

.        Справочник по Единой системе конструкторской документации. Под ред. Ю.И. Стипанова. - Харьков. “Прапор”, 1981.

9.      Байтер И.И., Богданова Н.А. Релейная защита автоматика питающих элементов собственных нужд тепловых электростанций.-  М.: Энергоатомиздат, 1989.

.        Электрическая часть станций и подстанций: Учебник для вузов /А.А. Васильева, И.П. Крючков, Е.Ф. Наяшкова и др./, Под ред. А.А. Васильева. - М.: Энергия, 1980.

Похожие работы на - Розрахунок електричної частини ТЕС 1300 МВт

 

Не нашли материал для своей работы?
Поможем написать уникальную работу
Без плагиата!
Без нейросетей!