Розрахунок електричних кіл при гармонійній дії символічним методом

  • Вид работы:
    Контрольная работа
  • Предмет:
    Физика
  • Язык:
    Украинский
    ,
    Формат файла:
    MS Word
    107,87 Кб
  • Опубликовано:
    2014-11-09
Вы можете узнать стоимость помощи в написании студенческой работы.
Помощь в написании работы, которую точно примут!

Розрахунок електричних кіл при гармонійній дії символічним методом

ПОЛТАВСЬКИЙ НАЦІОНАЛЬНИЙ ТЕХНІЧНИЙ УНІВЕРСИТЕТ

імені ЮРІЯ КОНДРАТЮКА

кафедра комп’ютерної інженерії









Контрольна робота з дисципліни

"Теорія електричних кіл та сигналів"

"Розрахунок ЕК при гармонійній дії символічним методом"


Виконавець:

студента групи 101-ТН

Тура Павла Миколайовича

Перевірив: доцент__Нікулін Микола Борисович



Полтава 2012


f1, кГц

f2, кГц

Z1(R, кОм)

Z2(С, мкФ)

Z3(С, мкФ)

Z4(L, мГн)

1

100

1

1

10

1


Розрахунок ЕК синусоїдального струму методом комплексних амплітуд.

Розрахунок на частоті f1 = 1 кГц.

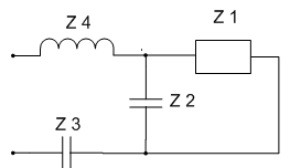
Схема ЕК подана на рисунку. Значення елементів схеми:

L = 1 мГн, С1 = 10 мкФ,С2 = 1 мкФ,R =1кОм.

Розв’язання:

Позначимо на схемі напрямки протікання струмів, які підлягають розрахунку.


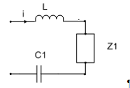
Для подальшого розрахунку будемо використовувати метод еквівалентних перетворень. Схема набуде вигляду:

1=

Вхідний опір кола дорівнює:


Після підстановки еквівалентних опорів отримаємо:


Перевіряємо вірність розрахунку Z:,,що відповідає якісному аналізу схеми із врахуванням частотної залежності реактивних опорів елементів.


Тоді вхідний комплексний опір на частоті:

f1,Ом.

Відповідно комплексна амплітуда струму

, А.

Комплексна амплітуда напруги на елементі індуктивності L

, В.

Комплексна амплітуда напруги на елементі ємності C1

електричний коло опір амплітуда

Комплексна амплітуда напруги на комплексному опорі Z1


При паралельному з’єднанні напруга на елементах R та C2 рівна і дорівнює .


Знаходимо комплексні амплітуди струмів


Таким чином розраховані струми і напруги:

, А., В.

, А., В.

, А. , В.

, А. , В.

Векторні діаграми струмів:


Комплексна потужність ЕК:

ВА.

Повна потужність .

Активна потужність:

, Вт.

Реактивна потужність:


Тоді коефіцієнт потужності

.

Векторна діаграма потужностей.

Розрахунок на частоті f2 = 100 кГц.

Схема ЕК подана на рисунку 23. Значення елементів схеми:

L = 1 мГн, С1 = 10 мкФ,С2 = 1 мкФ,R =1кОм.

Розв’язання:

Позначимо на схемі напрямки протікання струмів, які підлягають розрахунку.


Для подальшого розрахунку будемо використовувати метод еквівалентних перетворень. Схема набуде вигляду:

1=

Вхідний опір кола дорівнює:


Після підстановки еквівалентних опорів отримаємо:


Перевіряємо вірність розрахунку Z:,,що відповідає якісному аналізу схеми із врахуванням частотної залежності реактивних опорів елементів.


Тоді вхідний комплексний опір на частоті:

2,Ом.

Відповідно комплексна амплітуда струму

, А.

Комплексна амплітуда напруги на елементі індуктивності L

, В.

Комплексна амплітуда напруги на елементі ємності C1


Комплексна амплітуда напруги на комплексному опорі Z1


При паралельному з’єднанні напруга на елементах R та C2 рівна і дорівнює .


Знаходимо комплексні амплітуди струмів


Таким чином розраховані струми і напруги:


Векторні діаграми струмів:


Комплексна потужність ЕК:

ВА.

Повна потужність


Активна потужність

, Вт.

Реактивна потужність:

, ВАР.

Тоді коефіцієнт потужності


.

Векторна діаграма потужностей.

Похожие работы на - Розрахунок електричних кіл при гармонійній дії символічним методом

 

Не нашли материал для своей работы?
Поможем написать уникальную работу
Без плагиата!
Без нейросетей!