Розрахунок складного електричного кола постійного і змінного струму
Міністерство
освіти і науки, молоді та спорту
НАУ
Курсова
робота з дисципліни:
«Кола
і сигнали»
Розрахунок
складного електричного кола постійного і змінного струму
Виконав: студент
групи ІАН АВ-209
Грищенко Сергій
Володимирович
залікова книжка №
22.11.175
Прийняв: Калмикова
Лариса Миколаївна
Київ
2012
Загальні відомості та схема електричного ланцюга
Схема:
|
E1,В
|
E2,В
|
E3,В
|
n
|
R1,Ом
|
R2,Ом
|
R3,Ом
|
R4,Ом
|
R5,Ом
|
R6,Ом
|
R7,Ом
|
R8,Ом
|
C1,мкФ
|
|
90
|
30
|
70
|
3
|
20
|
20
|
20
|
20
|
20
|
20
|
20
|
20
|
1,6
|
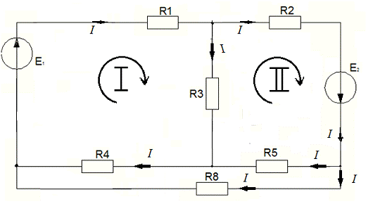
Задача 1. Розрахунок електричного кола
постійного струму
Спростити схему завдання, замінивши індуктивність
і конденсатори їхніми опорами, враховуючи те, що в ланцюгу включенні тільки
постійні джерела ЕРС - E1, E2, E3. На отриманій спрощеній схемі позначити
довільно позитивні напрямки всіх струмів, вузли і напрям обходу незалежних
контурів. Скласти систему рівнянь для вузлів і контурів схеми, користуючись
законами Кірхгофа для визначення невідомих струмів ланцюга. Вирішити отриману
систему рівнянь за допомогою персонального комп’ютера, використовуючи пакет
прикладних програм «Mathcad», та отримати значення шуканих струмів.
Для отриманих внаслідок розрахунку струмів
скласти рівняння балансу потужностей і перевірити точність зроблених обчислень.
Похибка, що допускається в роботі, не повинна перевищувати одного відсотка.
Визначити значення струмів у всіх гілках схеми
методами контурних струмів, вузлових потенціалів, і еквівалентних перетворень.
Ці значення порівняти з результатами, отриманими в п.1. визначити значення
напруг на елементах кола, полярність включення і напругу на конденсаторі.
Розв’язання
Врахуємо прийняті позначення електричних
величин, враховувати прийняту в теорії електричних кіл ідеалізацію елементів,
яка передбачає рівність нулю внутрішнього опору ідеального джерела ЕДС (rE=0),
внутрішнього опору амперметра, опору індуктивного елемента постійному струму
(rL=J) і рівність нескінченності внутрішнього опору ідеального джерела струму
(rJ=
),
внутрішнього опору вольтметра, опору конденсатора постійному струму (rc=J).
З урахуванням цього будуємо схему для постійного
струму:
Застосуємо закони Кірхгофа:
За першим законом Кірхгофа складемо рівняння.
Кількість рівнянь в даному випадку 3 (рахуємо кількість рівнянь з n-1=3, де n -
кількість вузлів):
а) І1-І2-І3=0;
б) І2-І5-І8=0;
в)-І1+І4+І8=0.
За другим законом Кірхгофа отримуємо (з
урахуванням того, що опори всіх резисторів однакові):
а) І1*R+I3*R+I4*R=E1;
б)
I5*R-I3*R+I2*R=E2;
в) I8*R-I4*R-I5*R=0
Розв’язок
рівнянь
знайдемо
за
допомогою
пакета
Mathcad:

).
где a, b, c, d, z, x это Δ
1,Δ
2,Δ
3,Δ
4,Δ
5,Δ
8
Знайдемо похибку розрахунків: Р-р=0.
Правильність розрахунків ми перевірили за
допомогою балансу потужностей. Результати розрахунків співпали, це свідчить про
правильність розрахунку.
). Метод контурних струмів:
Складемо рівняння для контурних струмів:
I11(R+R+R)-I22*R-I33*R=0;
I11*R+I22(R+R+R)-I33*R=-E1;
I11*R-I22*R+I33(R+R+R)=-E2.
Розв’язок
рівнянь
знайдемо
за
допомогою
пакета
Mathcad і
виведемо
співвідношення
між
струмами
в
схемі
і
контурними:
=-I22 I2=-I33 I3=I22-I33=I11-I22
I5=I11-I33 I8=-I11
Струми співпали з тими, що ми отримали завдяки
законам Кірхгофа.
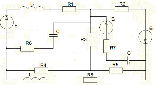
Задача 2. Розрахунок електричного кола змінного
струму
Для заданого електричного ланцюга виконайте:
Вилучити з електричного ланцюга резистори R3,
R4, R5, тобто вважати, що опір цих резисторів дорівнює нескінченності. Задані
значення ЕРС першої задачі вважати діючими значеннями синусоїдних ЕРС e1(t),
e2(t), e3(t), діючих у другій задачі. Початкова фаза Ѱe1, Ѱe2, Ѱe3
дорівнює нулю, а частота дорівнює f=400 Гц.
Накреслити нову електричну схему змінного
струму, в якій є активні і реактивні елементи, джерело енергії. Якщо це
необхідно, то провести еквівалентні перетворення для отримання двоконтурної
схеми. Позначити довільно позитивні напрями всіх струмів, вузли і напрямок
обходу незалежних контурів.
Визначити діюче значення струмів у всіх гілках
схеми будь-яким зручним для вас методом, використовуючи символічний
(комплексний) спосіб розрахунку ланцюгів змінного струму.
Для отриманих значень струмів скласти рівняння
балансу потужностей і визначити точність зроблених обчислень. Похибка, що
допускається в роботі, не повинна перевищувати одного відсотка.
Записати миттєві значення отриманих струмів і
напруг на елементах ланцюга.
Виділити довільний контур послідовний контур,
утримуючи активний резистор, котушку індуктивності і конденсатор, і при
значеннях опорів резистора і котушки індуктивності, що відомі в умові задачі,
визначити значення ємності конденсатора, який треба включити в контур для
отримання резонансу напруг. Визначити значення хвильового опору ƿ і
добротність Q контура.
При розрахунку ланцюга гармонічного синусоїдного
струму треба врахувати, що індуктивності і ємності елементи надають змінному
струму цілком певний опір, що залежить від частоти. Тому перед тим, як почати
розрахунок ланцюга змінного синусоїдного струму, необхідно визначити значення
реактивних опорів котушок індуктивності і конденсаторів з урахуванням частоти
джерела синусоїдної напруги. Потім визначити комплекси повних опорів гілок
схеми і намалювати еквівалентну схему заміщення. Застосовуючи відомі методи
аналізу електричних ланцюгів, зробити розрахунок ланцюга, використовуючи
комплексний метод. Потрібно також пам’ятати, що синусоїдна напруга може буди
представлена в миттєвій формі запису, тому для розрахунку ланцюга,
використовуючи комплексний метод, треба уміти перейти від миттєвої форми запису
напруги до запису комплексів діючих значень джерел напруг. Вимірювання струмів
і напруг на практиці проводиться за допомогою амперметрів і вольтметрів, а ці
приклади вимірюють діючі значення струмів і напруг, тому і розрахунок ланцюгів
проводять для діючих значень струмів і напруг.
). Початкові данні:
де Е1, Е2, Е3 - амплітудні значення ЕРС.
). Проведемо заміну всього реактивними опорами:

3). Розрахуємо схему методом контурних токів:
4) Складемо рівняння балансу потужностей:=E1*I1*
+ E2*I2* +E3*I4*
) Розрахуємо значення напруг на кожному елементі
схеми:
) Виділимо перший контур і розрахуємо значення
ємності конденсатора, який треба включити в контур для отримання резонансу
напруг:
C=7.916 мкФ Е=56,569 В R=70 Om L=20 мГн
Знайдемо струм і W0 при резонансі:
Знайдемо хвильовий опір і добротність контуру:

електричний ланцюг коло струм
Висновок: ми навчилися розраховувати схему
різними методами як для постійного, так і для змінного струму. Закріпили теоретичні
знання на практиці, навчилися спрощувати схему, розраховувати окремі її
елементи.