Расчет элементов привода (аппарата, устройства)
Контрольная
работа
по
дисциплине «Прикладная механика»
тема:
«Расчёт элементов привода (аппарата, устройства)»
Содержание
Введение
. Расчет и выбор электродвигателя
. Определение общего передаточного
числа
. Проверка числа ступеней механизма
. Определение передаточных чисел по
номограмме
. Определение числа зубьев по
ступеням
. Определение диаметров делительных
окружностей колёс и геометрических размеров зубчатого колеса на последнем валу
. Уточнённый расчет мощности
двигателя
. Определение геометрических
размеров вала и расчёт на прочность
. Подбор подшипников качения
. Расчет штифта
Заключение
Список используемой литературы
Введение
Прикладная механика - это область науки и
техники, которая включает совокупность средств, способов и методов человеческой
деятельности, направленных на создание и применение новой техники, машин,
конструкций, сооружений, приборов, технических систем и технологий новых
материалов. Она интегрирует с одной стороны циклы общеобразовательных дисциплин
таких как: физика, математика, теоретическая механика, материаловедение,
инженерная графика, а с другой стороны - это первая инженерная дисциплина,
которая преподается студентам технических специальностей.
И не случайно курсовая работа по прикладной
механике является первой значительной по всем параметрам расчетно-графической
работой в плане подготовки будущих специалистов. Зачастую объектами курсового
проектирования являются приводы различных машин и механизмов (например,
ленточных и цепных конвейеров, индивидуальные, испытательных стендов),
использующие большинство деталей и узлов общемашиностроительного применения.
Конструирование - процесс творческий. Известно, что каждая конструкторская
задача может иметь несколько решений. Важно по определенным критериям сопоставить
конкурирующие варианты и выбрать один из них - оптимальный для данных
конкретных условий.
При выполнении курсового проекта студент
последовательно проходит от выбора схемы механизма через многовариантность
проектных решений до его воплощения в рабочих чертежах; приобщаясь к
инженерному творчеству, осваивая предшествующий опыт, учится предвидеть новые
идеи в создании машин, надежных и долговечных, экономичных в изготовлении и
эксплуатации, удобных и безопасных в обслуживании.
1. Расчет и выбор электродвигателя
Для проектируемого механизма при параллельном
разветвлении потока мощность на входе P1 равна:
,
где
и
- полезная мощность на выходе
редуктора, соответственно на валах 4 и 3;
и
- Общие КПД передачи от двигателя
до объекта потребления мощности.
и
где
,
,
- КПД соответственно пары конических
и цилиндрических колёс и пары подшипников качения,
=0,96...0,98,
=0,97...0,99,
=0,98...0,995.
.
.двиг =P1=(18/0,941431)+(28,8/0,95572)=49,259
Вт
По таблице 1 выбираем двигатель, мощность
которого близка к расчётной. Данному значению мощности удовлетворяет двигатель
АПН-011-4, полезная мощность 50 Вт, скорость вращения 1390 об/мин, пусковой
момент 0,45 Нм. Напряжение питания у данного двигателя стандартное для России
(220 В).
2. Определение общего передаточного числа
;
;
где
и
- соответственно угловые скорости
ведущего и ведомого звеньев;
и
- техническая угловая скорость, мин-1.
ω1 =
14=
. Проверка числа ступеней механизма
=1,85*lg i14,
где
- передаточное число
редуктора.=1,85*lg(36,37)=2,89.
Принимаем q = 3.
. Определение передаточных чисел по
номограмме
По номограмме определяем передаточное число
каждой ступени. i12=2,45. Передаточное отношение оставшихся двух ступеней:
i23=3,4
Эта методика даёт возможность
разработать кинематическую схему механизма с малым приведённым моментом
инерции, малым мёртвым ходом при умеренных его габаритах:
.
. Определение числа зубьев по ступеням
Общее передаточное число редуктора:
.
Передаточные числа определяем по
номограмме:
;
;
,
принимаем zmin=20
Тогда
;
;
.
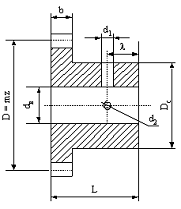
6. Определение диаметров делительных
окружностей колёс и геометрических размеров зубчатого колеса на последнем валу
Принимаем модуль m=1
Тогда: D1=m*z1=1*20=202=1*49=493=1*20=204=1*68=685=1*20=206=1*88=88
Эскиз зубчатого колеса
По таблице для m=1 подбираем размеры
колеса.
. Уточнённый расчет мощности
двигателя

Аналогично:
двиг=
Уточненный расчёт двигателя показал,
что выбранный ранее двигатель, подходит для этого механизма.
. Определение геометрических размеров
вала и расчёт на прочность
Оси и валы предназначены для
крепления вращающихся деталей механизмов.
Осью называют деталь, поддерживающую
часть механизма; валом - деталь, вращающуюся в опорах и предназначенную для
передачи крутящих моментов. Главным отличием оси от вала является то, что она,
поддерживая деталь, не участвует в передаче механической энергии. При работе
ось испытывает только деформацию изгиба, тогда как вал подвергается ещё и
деформации кручения. Вал всегда вращается.
Ось же может быть как вращающейся,
так и неподвижной. Конструктивно оси можно разделить на сплошные и полые. Валы
различают по следующим признакам: по конструкции (жесткие и гибкие) и по
нагрузкам (легко и тяжело нагруженные). Жесткие валы, так же как оси, бывают
сплошные и полые. Так как валы передают крутящие моменты, то они испытывают
напряжение от совместного действия изгиба и кручения. Легко нагруженными валами
считают такие, у которых крутящие моменты значительно больше изгибающих, а
тяжело нагруженными - такие, у которых крутящие и изгибающие моменты
соизмеримы.
Расчёт валов на прочность.
Исходя из расчёта на прочность,
производим расчёт только на кручение при пониженном допускающем напряжении:
,
где T - крутящий момент, действующий
в расчётном сечении вала;
- допускаемое касательное напряжение
при кручении (для стальных валов
= 20 МПа);
- момент сопротивления кручению.
.
Выбираем ближайший стандартный
подшипник.
Это подшипник с внутренним диаметром
кольца 12 мм.
Уточнённый расчёт на прочность.
При передаче движения от шестерни 9
к колесу 4 от силы движения по линии зацепления действуют силы:
Рассчитаем точный диаметр
подшипника.
Ближайший стандарт 12 мм.
Расчёт валов на жесткость.
Жесткость
. Подбор подшипников качения
=12
мм;
Подшипник
№201=12 мм (внутренний диаметр)=32 мм (внешний диаметр)=10 мм (ширина
подшипника)
Грузоподъёмность
.
Расчет штифта
Ближайший
стандарт штифта dшт=1,2 мм. Выбираем его.
Заключение
электродвигатель колесо механизм
геометрический
Осью называют деталь, поддерживающую часть
механизма; валом - деталь, вращающуюся в опорах и предназначенную для передачи
крутящих моментов. Главным отличием оси от вала является то, что она,
поддерживая деталь, не участвует в передаче механической энергии. При работе
ось испытывает только деформацию изгиба, тогда как вал подвергается ещё и
деформации кручения. Вал всегда вращается. Ось же может быть как вращающейся,
так и неподвижной. Конструктивно оси можно разделить на сплошные и полые. Валы
различают по следующим признакам: по конструкции (жесткие и гибкие) и по
нагрузкам (легко и тяжело нагруженные). Жесткие валы, так же как оси, бывают
сплошные и полые. Так как валы передают крутящие моменты, то они испытывают
напряжение от совместного действия изгиба и кручения. Легко нагруженными валами
считают такие, у которых крутящие моменты значительно больше изгибающих, а
тяжело нагруженными - такие, у которых крутящие и изгибающие моменты
соизмеримы.
Курсовая работа по прикладной механике является
первой значительной по всем параметрам расчетно-графической работой в плане
подготовки будущих специалистов. Зачастую объектами курсового проектирования
являются приводы различных машин и механизмов (например, ленточных и цепных
конвейеров, индивидуальные, испытательных стендов), использующие большинство
деталей и узлов общемашиностроительного применения.
При выполнении курсового проекта студент
последовательно проходит от выбора схемы механизма через многовариантность
проектных решений до его воплощения в рабочих чертежах; приобщаясь к
инженерному творчеству, осваивая предшествующий опыт, учится предвидеть новые
идеи в создании машин, надежных и долговечных, экономичных в изготовлении и
эксплуатации, удобных и безопасных в обслуживании.
Список используемой литературы
1. Вопилкин Е.А. Расчёт и
конструирование механизмов приборов и систем. М.: Высшая школа, 2010.
2. Дунаев П.Ф. Конструирование
узлов и деталей машин. - 5 изд. 2008.
. Красковский Е.Я., Дружинин
Ю.А., Филатова Е.М. Расчёт и конструирование механизмов приборов и
вычислительных систем. М.: Высшая школа, 1983.