Расчет электромеханического привода

  • Вид работы:
    Курсовая работа (т)
  • Предмет:
    Другое
  • Язык:
    Русский
    ,
    Формат файла:
    MS Word
    2,05 Мб
  • Опубликовано:
    2012-10-25
Вы можете узнать стоимость помощи в написании студенческой работы.
Помощь в написании работы, которую точно примут!

Расчет электромеханического привода

Введение

кинематический привод механика редуктор

Привод, состоящий из электродвигателя (М), червячного и цилиндрического редуктора.

Рис. 1.1 Дано: NВВ = 5,6 кВт; nВВ = 22 об\мин (мощность и обороты на ведомом валу).

Прикладная механика - дисциплина, представляющая собой основу общетехнической подготовки студентов немашиностроительных специальностей.

Курсовой проект является завершающим этапом при изучении курса "Прикладная механика".

Цель курсового проектирования - заложить основу технической подготовки студента, необходимую для последующего изучения специальных инженерных дисциплин, а также дать знания и навыки в области механики, необходимые при разработке и эксплуатации машин, приборов и аппаратов.

Объектом данного курсового проекта является электромеханический привод, предназначенная для преобразования вращательного движения.

В результате выполнения курсового проекта студенты должны иметь навыки:

использования справочной литературы и стандартов;

выбора аналога и прототипа конструкции при проектировании;

проведения инженерных расчетов, проектирования и конструирования типовых элементов машин (передач, валопроводов и др.), получение оценок их мощности и жесткости;

оформления проектной и конструкторской документации в соответствии с требованиями ЕСКД.

Расчетная часть проекта. Выбор электродвигателя и кинематический расчет привода

Формулы, коэффициенты и табличные значения используем из методического указания «Китов А.К. Прикладная механика. Курсовой проект» стр.[32]

Выбор электродвигателя по оборотам. д = nВВ*u общ, где u общ - общее передаточное отношение привода.

 общ = u кр* u р* u чр

Средние значения передаточных отношений: зубчатая, ременная, цепная - 2…6; червячная - 8…60

Предположим, имеется в наличии конический редуктор с u чр = 25 и цилиндрический редуктор с u рц = 3. Тогда u общ = u чр * u рц = 25*3 = 75. Соответственно, д = nВВ*u общ = 22*75 = 1650 об/мин. Двигателя с такими оборотами нет. Есть электродвигатели с числом оборотов в минуту: 750; 1000; 1500; 3000 об/мин.

Ближе двигатель на 1500 об/мин.

Уточняем u общ = n д/ nВВ = 1500/22 = 68,181. Сохраняем u рц и уточняем

 чр = u общ/ u рц = 68,181/3 = 22,727.

Таким образом, мы подобрали электродвигатель по оборотам и определили передаточные отношения на каждой ступени и привода в целом.

Выбор электродвигателя по мощности

д = NВВ/ηобщ, где ηобщ - общий КПД привода.

Средние значения КПД механических передач:

ηо = 0,99…0,995 - КПД опор каждого вала; ηкр = 0,95…0,97 - КПД клиноременной передачи; ηц = 0,90…0,95 - КПД цепной открытой передачи; ηрц = 0,97…0,98 - КПД цилиндрического редуктора; ηрк = 0,96…0,97 - КПД конического редуктора;

ηчр = 0,80…0,85 - КПД червячного редуктора при двухзаходном червяке ( при однозаходном червяке ηчр = 0,70…0,75). Однозаходный червяк может быть только при u чр ≥ 26.

В нашем случае

ηо =0,99

ηчр=0,83

ηрц=0,97

ηобщ = ηо4* ηчр* ηрц = 0,994*0,83*0,97 = 0,772.

д = NВВобщ = 5,6/0,772 = 7,253 кВт. Ближайший больший электродвигатель имеет мощность Nд = 7,5 кВт.

Марка электродвигателя 4А132S4 ( см. приложение 1)

Для расчета элементов привода потребуются параметры на всех валах привода: мощность - N, Вт; число оборотов - n, об/мин;

угловая скорость - ω, с-1; крутящий момент - Т, Н*м.

Составим таблицу этих параметров (таблица 1.1).

Таблица

№ вала

N, Вт

n, об/мин

ω, с-1

Т, Н*м

1(Ш1)

7240

1499

156

46,12

2(К2)

6953

499

52,332

132

3

6883

499

52,332

131

4

5656

22

2,302

2457

вв

5600

22

2,302

2432


Известно: ω = π*n/30; N = Т*ω;

Т = N/ω.

Если получены 2 столбца таблицы, то два других просто вычисляются. Двигаясь от ведомого вала к ведущему, вычисляем мощности по формулам:

4 = Nвв/ ηо=5600/0,99=5656 Вт3 = N4/ (ηочр) =5656/0,8217 =6883 Вт2 = N3/ ηо= 6883/0,99=6953 Вт1 = N2/ (ηрцо) =Nдв= 6953/0,9603=7240 Вт

Аналогично по оборотам.

 4 = n вв=22 об/мин 3 = n 4*u чр =22*22,727=499 об/мин 2 = n 3=499 об/мин 1 = n 2*nрц = n дв=499*3=1500 об/мин

Расчет зубчатых колес редуктора. Расчет зубчатых колес на контактную прочность

Проектировочный расчет зубчатых колес проводится на контактную прочность, проверочный расчет - на изгиб зубьев. Условие контактной прочности имеет вид:

 . (2.1)

Здесь aw = a - межосевое расстояние; Т2 - крутящий момент на валу зубчатого колеса; b2 - ширина колеса; u - передаточное отношение пары зацепления;H = KHa* K* KHv - комплексный коэффициент. KHa - учитывает неравномерность распределения нагрузки между зубьями; K - учитывает неравномерность распределения нагрузки по ширине венца; KHv - зависит от скорости и степени точности передачи. Значения коэффициентов приведены ниже. Предварительно принимаем KH = 1,3.

Допускаемое контактное напряжение [σ]H определяется по формуле

[σ]H = σН lim b*KНL/[n]Н , (2.2)

где σН lim b - предел контактной выносливости при базовом числе циклов нагружения;НL - коэффициент, учитывающий число циклов

НL = 1

[n]Н - коэффициент безопасности

[n]Н = 1,2…1,3- при поверхностном упрочнении зубьев

[n]Н = 1,25

σН lim b определяются по формулам (см. таблицу 2.1).


Таблица 2.1

Способы термохимической обработки зубьев

Твердость поверхностей зубьев

Сталь

σН lim b, МПа

Нормализация или улучшение

< НВ 350

Углеродистая и легированная

2 НВ + 70

Объемная закалка

38…50 НRС

Углеродистая и легированная

18 НRС + 150

Поверхностная закалка

48…54 НRС

Углеродистая и легированная

17 НRС + 200

Цементация и нитроцементация

56…63 НRС

Низкоуглеродистая

23 НRС

Азотирование

57…67 НRС

Легированная (38ХМЮА)

1050


В таблице НВ - твердость по Бринеллю; НRС - твердость по Роквеллу.

Выбираем углеродистую Сталь 45, термообработка - Объемная закалка 38…50 НRС, твердость= 40 HRC.

Тогда σН lim b =18*40+150=870 МПа.

[σ]H = σН lim b*KНL/[n]Н = (870*1)/1,15=756 МПа.

Кн - комплексный коэффициент Кн=1,3

Определяем межосевое расстояние по формуле

, (2.3)

где Т2 - крутящий момент на валу колеса, берется из таблицы 1.1 (для получения требуемой размерности крутящий момент Т2 следует подставлять в Н*мм.); Ψba = b2/ aw - коэффициент ширины зубчатого венца, для косозубых передач Ψba = 0,25…0,40. Принимаем Ψba = 0,3.

В результате получим

 = = 76,243 мм.

Округляем до целого числа aw = 80 мм.

После определения межосевого расстояния выбираем стандартный нормальный модуль в интервале

= mn = (0,01…0,02)*aw. = (0,01…0,02)*80 = 0,8…1,6 мм.

Стандартные модули:

ряд 1: 1; 1,5; 2; 2,5; 3; 4; 5; 6; 8; 10; 12; 16;20;

ряд 2: 1,25; 1,375; 1,75; 2,25; 2,75; 3,5; 4,5; 5,5; 7; 9; 11; 14; 18

Выбираем модуль mn = 1 мм.

Определяем суммарное число зубьев, предварительно задавшись углом наклона зубьев в интервале β = 8…15о. Принимаем β = 13о.

z = 2*aw*cos β/mn= 2*80* cos(13о)/1 = 155,84

Определяем числа зубьев шестерни и колеса

z 1 = z/(u + 1) =155,84/(3+1) = 38,96 = 39 (2.5) 2 = z 1* u = 38,96*3 = 117

Уточняем угол наклона зубьев.

cos β = (z 1 + z 2)* mn/(2*aw) = (39 + 117)*1/160 = 0,975

β = 12о83'

Определяем основные размеры шестерни и колеса:

диаметры делительные:

1= mn* z 1 / cos β = 1*39/0,975 = 40 мм;

d2= mn* z 2 / cos β = 2*117/0,975 = 120 мм.

П

роверка: aw = (d1 + d2)/2 = (40 + 120)/2 = 80 мм.

Диаметры вершин зубьев:

а1 = d1 + 2 mn = 40 + 2*1 = 42 мм;а2 = d2 + 2 mn = 120 + 2*1 = 122 мм;

ширина колеса b2 = Ψba* aw = 0,35*80 = 28 мм;

ширина шестерни b1 = b2 + (2…10) = 28 + 6 = 34 мм.

Определяем коэффициент ширины шестерни по диаметру:

Ψbd = b1/ d1 = 34/40 = 0,85.

Определяем окружную скорость и степень точности передачи:= ω1*d1/2 = 156*40/(2*103) = 3,139 м/с, здесь ω1 - угловая скорость шестерни (таблица 1.1).

Если V ≤ 5 м/с - следует принимать 8-ю степень точности;

если V > 5 м/с - 7-ю степень точности.

,139< 5 м/с , принимаю 8-ю степень точности

Уточняем комплексный коэффициент нагрузки KH = KHa* K* KHv (предварительно приняли KH = 1,3). У нас симметричное расположение колес.

Ha = 1,05 при 7-й ст.точн. и V ≤ 5 м/с; KHa = 1,1 при V > 5 м/с;Ha = 1,09 при 8-й ст.точн. и V ≤ 5 м/с; KHa = 1,13 при V > 5 м/с; = 1,03…1,05 при Ψbd= 0,8…1,2 и твердости ≤ НВ 350; = 1,06…1,12 при Ψbd= 0,8…1,2 и твердости >НВ 350;Hv = 1,0 при V ≤ 5 м/с; KHv = 1,05…1,07 при V > 5 м/с.

Тогда:

Ha = 1,09; K = 1,05; KHv = 1,0.H = KHa* K* KHv = 1,09*1,05*1,0 = 1,144.

Проверка контактных напряжений по формуле (2.1)

=

== 663 МПа < [σ]H = 756 МПа.

Условие контактной прочности выполнено.

Силы, действующие в зацеплении

Окружная Р = 2Т1/ d1 = 2*46,121*103/40 = 2306 Н.

Радиальная Рr = Р*tq α/ cos β = 2306* tq 20о/ cos 12о83' = 860,8 Н.

(α = 20о - стандартный угол эвольвентного зацепления).

Осевая Ра = Р* tq β =2306*0,975 = 2248 Н

Проверка зубьев по напряжениям изгиба

Условие прочности имеет вид:

σF = YF*Yβ*K*K*KFv*2T1/(z12bd*m3) ≤ [σ]F, (2.6)

где ψbd = b1/d1 = 0,85.

Коэффициент YF зависит от числа зубьев и имеет следующие значения:

… 17 20 25 30 40 50 60 80 100 и болееF …4,28 4,09 3,90 3,80 3,70 3,66 3,62 3,61 3,60

β - учитывает угол наклона зубьев. Yβ = 1 - β/140 - учитывает неравномерность распределения нагрузки между зубьями

Принимаю K = 0,75. - учитывает неравномерность распределения нагрузки по длине зуба,

= 1,08…1,13 при Ψbd= 0,8…1,2 и твердости ≤ НВ 350; = 1,13…1,30 при Ψbd= 0,8…1,2 и твердости >НВ 350;

KFv - коэффициент динамичности, зависит от скорости и степени точности передачи, KFv = 1,0…1,1 при V ≤ 3 м/с; KHv = 1,1…1,3 при V > 3 м/с.

Допускаемое напряжение определяется по формуле

[σ]F = σ0F lim b/[n]F (2.7)

[n]F - коэффициент запаса прочности. [n]F = [n]F'*[n]F''

Значения [n]F' приведены в таблице 2. [n]F'' - учитывает способ получения заготовки колеса: для поковок и штамповок [n]F'' = 1; для проката

[n]F'' = 1,15; для литых заготовок [n]F''= 1,3

σ0F lim b очень сильно зависит от термообработки зубьев.

Значения σ0F lim b приведены в таблице 2.2.


Таблица 2.2

Способы термохим. обработки зубьев

Твердость поверхностей зубьев

Сталь

σ0F lim b, МПа

[n]F'при вероят. не разрушения





99%

> 99%

Нормализация или улучшение

< НВ 350

Углеродистая и легированная

1,8 НВ

1,75

2,2

Объемная закалка

38…50 НRС

Углеродистая и легированная

500-550

1,8

2,2

Поверхностная закалка

48…54 НRС

Углеродистая и легированная

700

1,75

2,2

Цементация и нитроцементация

56…63 НRС

Низкоуглеродистая и легированная

950

1,55

1,95-2,2

Азотирование

57…67 НRС

Легированная (38ХМЮА)

300 + 1,2 НRС

1,75

2,2


В нашем случае: YF = 3,79 (39 зубьев); Yβ = 1 - β/140 = 0,9;

= 0,75; K = 1,2; KFv = 1,1; [n]F = [n]F'*[n]F'' = 1*2,2 = 2,2;

σ0F lim b =510 МПа (поверхностная закалка 50 НRС).

[σ]F = σ0F lim b/[n]F = 510/2,2 = 231 МПа.

σF = YF*Yβ*KFα*KFβ*KFv*2T1/(z12bd*m3) =

= 3,79*0,9*0,75*1,1*1,1*2*46,121*103/(392*0,85*13) = 110 МПа < [σ]F

Условие прочности выполнено

Расчет валов редуктора

Предлагается [τ] = 25 МПа.

Диаметры валов (ведущего и ведомого) определяются по формуле

 (3.1)

Ведущий вал:

 =  = 14,833 мм

Ведомый вал:

 =  = 21,107 мм

Диаметры выходных концов валов нельзя оставлять в таком виде. Их нужно округлить до ближайших больших стандартных размеров, чтобы можно было устанавливать стандартные муфты.


Стандартные диаметры валов и соответствующие им длины валов

d

9 11 14 19 22 24 28 32 38 42 48 55 60 65 70 75 80 90

l

20 23 30 40 50 50 60 80 80 110 110 110 110 110 140 140 140 140


Конструктивные схемы валов

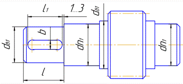
Ведущий вал (рис. 3.1)

Рис. 3.1

Ближайший больший dв1 = 19 мм. Между dв1 и dп1 (размер под подшипник) необходима ступенька не менее 2-х мм на диаметр, то естьп1 ≥ dв1 + 2 = 19 + 2 = 21 мм. Выбираем подшипник dп1=25мм

Подшипник должен упираться в бурт. Диаметр буртаб1 ≥ dп1 + 3 = 25 + 3 = 28 мм. Принимаем диаметр dб1 = 30 мм.

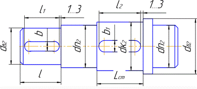
Ведомый вал (рис.3.2)

Рис. 3.2

Ближайший больший dв2 = 22 мм.п2 ≥ dв2 + 2 = 22 + 2 = 24 мм. Подшипников с таким диаметром нет. Больший подшипник имеет диаметр dп2 = 30 ммк2 ≥ dп2 + 2 = 30 + 2 = 32 мм. Оставляем этот диаметр.б2 ≥ dк2 + 3 = 32 + 3 = 35 мм. Принимаем диаметр dб2 = 38 мм.

Конструктивные размеры шестерни и колеса

Шестерню выполняем за одно целое с валом, ее размеры известны:

1 = 40 мм; dа1 = 42 мм; b1 = 34 мм.

Колесо кованое. Известны размеры: 2 = 120 мм; dа2 = 122 мм; b2 = 28 мм.

Эскиз колеса показан на рис. 4.1.

Рис.

Диаметр ступицы:

ст = 1,6 dк2 = 1,6*32 = 51,2 = 52 мм.

Длина ступицы:ст = (1,2…1,5) dк2 = (1,2…1,5)*32 = 38,4…48 мм. Принимаем Lст = 40 мм.

Толщина обода:

δ0 = (2,5…4)m = (2,5…4)*1 = 2,5…4 мм.

Принимаем δ0 = 3 мм.

Толщина диска:

С = 0,3 b2 = 0,3*28 = 8,4 мм.

Принимаем С = 10 мм.

Примечание:

если окажется, что Lст < b2 , то принять Lст = b2.

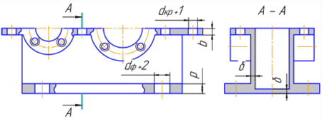
Конструктивные размеры корпуса редуктора

Конструктивная схема корпуса редуктора показана на рис. 5.1.

Рис. 5.1

Толщина стенок корпуса и крышки:

δ = 0,025 aw + 1 = 0,025*80 + 1 = 3 мм. Принимаем δ = 5 мм.

Толщина фланцев поясов корпуса и крышки:

b = 1,5 δ = 1,5*5 = 7,5 мм.

Толщина нижнего пояса корпуса:

р = 2,35 δ = 2,35*5 = 11,75 мм. Принимаем р = 12 мм.

Диаметр фундаментных болтов:

ф = (0,03…0,036) aw + 12 = (0,03…0,036)*80 + 12 = 14,4…14,88 мм.

Принимаем болты с резьбой М16.

Диаметр крепежных болтов:

кр = (0,5…0,7) dф = (0,5…0,7)*16 = 8…11,2 мм.

Принимаем болты с резьбой М8. Отверстия под болты рекомендуется делать на 1 мм больше диаметра болта.

Проверка долговечности подшипников

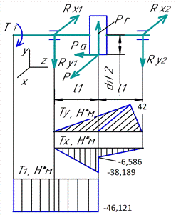
Ведущий вал

Из предыдущих расчетов имеем:

окружная сила Р = 2306 Н; радиальная сила Рr = 860 Н;

осевая сила Ра = 2248 Н; делительный диаметр шестерни d1 = 60 мм. Кроме того, нам потребуется крутящий момент Т1 = 46,121 Н*м и число оборотов вала n1 = 1499 об/мин.

Расстояние от центра шестерни до центра подшипника l1 = 35 мм

Расчетная схема ведущего вала и эпюры изгибающих и крутящего моментов показаны на рис. 7.1.

Рис. 7.1

Реакции опор в горизонтальной плоскости равны:

х1 = Rх2 = Р/2 = 2306/2 = 1153 Н.

Реакции опор в вертикальной плоскости равны:

y1 = (Рr* l1 + Ра* d1/2)/2 l1 =

(860*35 + 2248*40/2)/71 = 2049 Н.y2 = (Рr* l1 - Ра* d1/2)/2 l1 =

(860*35 - 2248*40/2)/71 = -202 Н.

Максимальный изгибающий момент в горизонтальной плоскости равен:

Тy = Rх1* l1 = 1153*35 = 40 Н*м.

Изгибающие моменты в вертикальной плоскости равны:

Тx1 = Ry1* l1 = - 1063*35 = - 37*103 Н*мм = - 37 Н*м;

Тx2 = Ry2* l1 = - 202*35 = - 7,2*103 Н*мм = - 7,2 Н*м.

Ткр = Т1 = -46,121 Н*м.

Суммарные реакции опор равны:

r1 = √ Rх12 + Ry12 = √11532 + 10632 =1568 Н;r2 = √ Rх22 + Ry22 = √11532 + 2022 = 1170 Н.

Эквивалентная нагрузка определяется по формуле

Рэ = (Х*V*Fr1 + Y* Fа)*КбТ, (7.1)

где Fr1 = 4531 Н; Fа = Ра = 2202 Н; V = 1 (вращается внутреннее кольцо).

Кб = 1,0…1,2 - нагрузка спокойная без толчков;

Кб = 1,2…1,3 - легкие толчки; перегрузка до 125%;

Кб = 1,3…1,5 - умеренные толчки; перегрузка до 150%;

Кб = 1,8…2,5 - значительные толчки; перегрузка до 200%.

Предположим, у нас 2-й случай. Принимаем Кб = 1,25.

КТ =1 при температуре подшипников до 100о (большинство случаев).

Коэффициенты Х и Y зависят от соотношения Fa/( V* Fr) и е - параметр осевого нагружения. Параметр е выбирается по таблице (приложение 7) и зависит от отношения Fa0, где С0 - статическая грузоподъемность (приложение 4).

Для радиальных и радиально-упорных шариковых подшипников при Fa/( V* Fr) ≤ е принимают Х = 1, Y = 0.

Для радиально-упорных подшипников, типа 46… (угол контакта α0 = 26о; е = 0,68), при Fa/( V* Fr) ≥ е Х = 0,41 и Y = 0,87.

В нашем случаеa/( V* Fr1) = 2248/(1*1568) = 1,4 > е = 0,68. Поэтому Х = 0,41 и Y = 0,87.

Подставляем полученные данные в формулу (7.1).

Рэ = (Х*V*Fr1 + Y* Fа)*КбТ =

(0,41*1*1568 + 0,87*2248)*1,25*1 = 3248 Н.

Расчетная долговечность, млн. об., определяется по формуле

= (С/ Рэ)3 = (15700/3248)3 = 112 млн. об.

Расчетная долговечность, час., определяется по формуле

h = L*106/(60*n1) =112*106/(60*1499) = 0,001245*106 часов.

Рекомендуется, чтобы расчетная долговечность была не менее 5000 часов.

В нашем случае 1245 часов. Берём подшипники из средней серии.

х1 = Rх2 = Р/2 = 1153Нy1 = (Рr* l1 + Ра* d1/2)/2 l1 =

(31419 + 44960)/73 = 1046 Нy2 = (Рr* l1 - Ра* d1/2)/2 l1 =

(31419 - 44960)/73 = -185 Н.

Тy = Rх1* l1 = 1153*36,5 = 42,085 Н*м.

Тx1 = Ry1* l1 = - 1046*36,5 = - 38*103 Н*мм = - 38 Н*м;

Тx2 = Ry2* l1 = - 185*36,5 = - 6,5*103 Н*мм = - 6,5 Н*м.

Ткр = Т1 = -46,121 Н*м.

Суммарные реакции опор равны:

r1 = √ Rх12 + Ry12 = √11532 + 10462 =1556 Н;r2 = √ Rх22 + Ry22 = √11532 + 1852 = 1167 Н.a/( V* Fr1) = 2248/(1*1556) = 1,4 > е = 0,68. Поэтому Х = 0,41 и Y = 0,87.

Рэ = (Х*V*Fr1 + Y* Fа)*КбТ =

(0,41*1*1556 + 0,87*2248)*1,25*1 = 3242 Н.= (С/ Рэ)3 = 571 млн. об.

Расчетная долговечность, час., определяется по формуле

h = L*106/(60*n1) =571*106/(60*1499) = 0,0635 *106 часов.

Рекомендуется, чтобы расчетная долговечность была не менее 5000 часов.

В нашем случае 6351 часов.

Ведомый вал

Силы в зацеплении такие же, как на ведущем валу:

Р = 2306 Н; Рr = 860 Н; Ра = 2248 Н.


Рис. 7.2

Расстояние от центра колеса до центра подшипника l2 = 37,5 мм

Расчетная схема ведомого вала и эпюры изгибающих и крутящего моментов показаны на рис. 7.2.

Реакции опор в горизонтальной плоскости равны:х3 = Rх4 = Р/2 = 2306/2 =1153 Н.

Реакции опор в вертикальной плоскости равны:

y3 = (Рr* l2 - Ра* d2/2)/2 l2 =

(869*37,5 - 2248*120/2)/75 = - 1368 Н.y4 = (Рr* l2 + Ра* d2/2)/2 l2 =

(869*37,5 + 2248*120/2)/75 = 2228Н.

Максимальный изгибающий момент в горизонтальной плоскости равен:

Тy = Rх3* l2 = 1153*37,5=

*103 Н*мм = 43 Н*м.

Изгибающие моменты в вертикальной плоскости равны:

Тx3 = Ry3* l2 = - 1368*37,5 = - 51*103 Н*мм = - 51 Н*м;

Тx4 = Ry4* l2 = 2228*63,5 = 83*103 Н*мм = 83 Н*м.

Ткр = Т2 = 132 Н*м.

Суммарные реакции опор равны:

r3 = √ Rх32 + Ry32 = √11532 + 13682 = 1789Н;r4 = √ Rх42 + Ry42 = √11532 + 22282 = 2509 Н.

Проверяем подшипники.

a/( V* Fr4) = 2202/(1*5409) = 0,89 > е = 0,68. Поэтому Х = 0,41 и Y = 0,87.

Эквивалентная нагрузка равна:

Рэ = (Х*V*Fr4 + Y* Fа)*КбТ =

(2182 + 921)*1,25*1 = 3880 Н.

Расчетная долговечность, млн. об.:

= (С/ Рэ)3 = (32600/3880)3 = 592 млн. об. (С = 69,4 кН).

Расчетная долговечность, час.:

Lh = L*106/(60*n2) = 592*106/(60*499) = 19,765*103 часов.

Рекомендуется, чтобы расчетная долговечность была не менее 5000 часов.

В нашем случае 19765 часов.

Проверка прочности шпоночных соединений

Применяем шпонки призматические со скругленными торцами. Размеры сечений шпонок и пазов даны в приложении 5.

Материал шпонок - сталь 45, имеющая σв = 598 МПа; σт = 363 МПа. Коэффициент запаса прочности возьмем такой же, как и для валов - n = 5. Тогда [σ] = σв/ n = 598/5 = 119,6 МПа ≈ 120 МПа. [σ]см ≈ 2[σ] = 240 МПа.

Шпонки рассчитываются на смятие. Условие прочности имеет вид:

σ см = 2Т/[d*(h - t1)*(l - b)] ≤ [σ]см (8.1)

Ведущий вал

Дано: Т1 = 46,121 Н*м; dв1 = 19 мм; b = 8 мм; h = 6 мм; t1 = 3,5 мм; длина шпонки l = lвала - 2*(1…3) - фаска = 40 - 2*2 - 2 = 34 мм.

σ см = 2Т1/[dв1*(h - t1)*(l - b)] =

*46*103/[19*(6 - 3,5)*(34 - 8)] = 69,35 МПа < [σ]см = 240 МПа.

Условие прочности выполняется

Ведомый вал (проверяем шпонку под колесом)

Дано: Т2 = 132 Н*м; dк2 = 32 мм; b = 8 мм; h = 7 мм; t1 = 4 мм; длина шпонки l = Lст - 2*(1…3) = 40 - 2*2 = 36 мм.

σ см = 2Т2/[dк2*(h - t1)*(l - b)] =

*132*103/[32*(74)*(36-8)] = 98,86 МПа < [σ]см = 240 МПа.

Условие прочности выполняется.

ГРАФИЧЕСКАЯ ЧАСТЬ ПРОЕКТА

.Сборочный чертеж редуктора

Рис.

Рис.

Рис.

Рис. Чертёж вала ведомого

Рис. Чертеж колеса зубчатого

Заключение

Таким образом в данном курсовом проекте был спроектирован электромеханический привод. Выполнены все расчеты, позволяющие обеспечить заданные технические характеристики устройства. Выполнены кинематический и геометрический расчет привода, расчёт мощности электродвигателя, произведён расчёт валов и зубчатых колёс редуктора, выполнена компоновка и построение редуктора.

Также в данном курсовом проекте представлен сборочный чертеж редуктора с деталировкой зубчатого колеса и ведомого вала редуктора.

Выполняя данный курсовой проект я освоил и закрепил материал по разделу «Прикладная механика».

Приложение 1

Таблица. Электродвигатели серии 4А

Типоразмер

Nном, кВт

Типоразмер

Nном, кВт

Синхронная частота вращения 3000 об/мин

Синхронная частота вращения 1000 об/мин

4А63А2 4А63В2 4А71А2 4А71В2 4А80А2 4А80В2 4А90L2 4А100S2 4А100L2 4А112М2 4А132М2 4А160S2 4А160М2 4А180S2

0,37 0,55 0,75 1,1 1,5 2,2 3 4 5,5 7,5 11 15 18,5 22

4А71А6 4А71В6 4А80А6 4А80В6 4А90L6 4А100L6 4А112МА6 4А112МВ6 4А132S6 4А132М6 4А160S6 4А160М6 4А180М6 4А200М6

0,37 0,55 0,75 1,1 1,5 2,2 3 4 5,5 7,5 11 15 18,5 22

Синхронная частота вращения 1500 об/мин

Синхронная частота вращения 750 об/мин

4А63В4 4А71А4 4А71В4 4А80А4 4А80В4 4А90L4 4А100S4 4А100L4 4А112М4 4А132S4 4А132М4 4А160S4 4А160М4 4А180S4

0,37 0,55 0,75 1,1 1,5 2,2 3 4 5,5 7,5 11 15 18,5 22

4А80А8 4А80В8 4А90L8 4А100S8 4А100L8 4А112МА8 4А112МВ8 4А132S8 4А132М8 4А160S8 4А160М8 4А180М8 4А200М8 4А200L8

0,37 0,55 0,75 1,1 1,5 2,2 3 4 5,5 7,5 11 15 18,5 22

Приложение 2

Таблица. Шарикоподшипники радиально-упорные

Обознач. подшип.

d

D

B

Динамич. грузопод. С, кН

Статическая грузопод. С0, кН

Легкая серия

36201 46202 46203 46204 46205 46206 46207 46208 46209 46210 46211 46212 46213 46214 46215 46216 46217 46218

12 15 17 20 25 30 35 40 45 50 55 60 65 70 75 80 85 90

32 35 40 47 52 62 72 80 85 90 100 110 120 125 130 140 150 160

10 11 12 14 15 16 17 18 19 20 21 22 23 24 25 26 28 30

7,15 8,25 12,0 14,8 15,7 21,9 29,0 36,8 38,7 40,6 50,3 60,8 69,4 74,3 78,4 87,9 94,4 111

3,34 3,65 6,12 7,64 8,34 12,0 16,4 21,3 23,3 24,9 31,5 38,8 45,9 49,8 53,8 60,0 65,1 76,2

Средняя серия

36302 46303 46304 46305 46306 46307 46308 46309 46310 46311 46312 46313 46314 46316 46318

15 17 20 25 30 35 40 45 50 55 60 65 70 80 90

42 47 52 62 72 80 90 100 110 120 130 140 150 170 190

13 14 15 17 19 21 23 25 27 29 31 33 35 39 43

13,6 16,1 17,8 26,9 32,6 42,6 50,8 61,4 71,8 82,5 100 113 127 136 165

6,8 8,0 9,0 14,6 18,3 24,7 30,1 37,0 44,0 56,0 65,3 75,0 85,3 99,0 122

Приложение 3

Рис. Шпонки призматические

Таблица.

d вала

Сечение шпонки

Глубина паза


b

h

Вала t1

Отв. t2

Св. 12 до 17 Св. 17 до 22 Св. 22 до 30 Св. 30 до 38 Св. 38 до 44 Св. 44 до 50 Св. 50 до 58 Св. 58 до 65 Св. 65 до 75 Св. 75 до 85 Св. 85 до 95 Св. 95 до 110 Св. 110 до 130

5 6 8 10 12 14 16 18 20 22 25 28 32

5 6 7 8 8 9 10 11 12 14 14 16 18

3 3,5 4 5 5 5,5 6 7 7,5 9 9 10 11

2,3 2,8 3,3 3,3 3,3 3,8 4,3 4,4 4,9 5,4 5,4 6,4 7,4



Приложение 4

Рис. Манжеты резиновые армированные (ГОСТ 8752 - 79)

Таблица.

d

D

h1

h2


d

D

h1

h2

 10

20 26 28

5 7 8

 -


 50

65 70 75

 10

 14

 12

26 28 30

7 8 8

 -


 55

75 80 82

10 12 12

14 16 16

 15

28 30 32

7 7 8

 -


 60

80 82 85

 10

 14

 17

30 32 35

7 7 8

 -


 65

90 95

 12

 16

 20

32 35 38

6 8 8

- 12 12


 70

95 100

 12

 16

 25

40 42 45

8 10 10

12 14 14


 75

95 100 102

 12

 16

 30

47 50 52

 10

 14


 80

105 110

 12

 16

 35

52 55 58

 10

 14


 85

110 115

 12

 16

 40

58 60 62

 10

 14


 90

115 120 125

 12

 16

 45

62 65 70

 10

 14


 95

120 125 130

 12

 16



Приложение 5

Таблица. Коэффициенты Х и Y для однорядних радиальных и радиально-упорных шариковых подшипников

Угол контакта α0

Fa0

Fa/(V*Fr) > е

е



Х

Y


    0

0,014 0,028 0,056 0,084 0,110 0,170 0,280 0,420 0,560

    0,56

2,30 1,99 1,71 1,55 1,45 1,31 1,15 1,04 1,00

0,19 0,22 0,26 0,28 0,30 0,34 0,38 0,42 0,44

    12

0,014 0,029 0,057 0,086 0,110 0,170 0,290 0,430 0,570

    0,45

1,81 1,62 1,46 1,34 1,22 1,13 1,04 1,01 1,00

0,30 0,34 0,37 0,41 0,45 0,48 0,52 0,54 0,54

26

-

0,41

0,87

0,68

36

-

0,37

0,66

0,95

При Fa/(V*Fr) ≤ е принимают Х = 1 и Y = 0.


Похожие работы на - Расчет электромеханического привода

 

Не нашли материал для своей работы?
Поможем написать уникальную работу
Без плагиата!
Без нейросетей!